Электротехника и электроника
Возможности Electronics Workbench
Electronics Workbench -электронная лаборатория на компьютере у Вас под рукой !Система схемотехнического моделирования Electronics Workbench предназначена для моделирования и анализа электрических схем.
Правильно говорить: система моделирования и анализа электрических схем Electronics Workbench, но для краткости здесь и далее мы будем называть её программой.
Программа Electronics Workbench позволяет моделировать аналоговые, цифровые и цифро-аналоговые схемы большой степени сложности. Имеющиеся в программе библиотеки включают в себя большой набор широко распространенных электронных компонентов. Есть возможность подключения и создания новых библиотек компонентов. Параметры компонентов можно изменять в широком диапазоне значений. Простые компоненты описываются набором параметров, значения которых можно изменять непосредственно с клавиатуры, активные элементы - моделью, представляющей собой совокупность параметров и описывающей конкретный элемент или его идеальное представление. Модель выбирается из списка библиотек компонентов, параметры модели также могут быть изменены пользователем. Широкий набор приборов позволяет производить измерения различных величин, задавать входные воздействия, строить графики. Все приборы изображаются в виде, максимально приближенном к реальному, поэтому работать с ними просто и удобно. Результаты моделирования можно вывести на принтер или импортировать в текстовый или графический редактор для их дальнейшей обработки. Программа Electronics Workbench совместима с программой P-SPICE, то есть предоставляет возможность экспорта и импорта схем и результатов измерений в различные её версии.
Основные достоинства программы
Экономия времени Работа в реальной лаборатории требует больших временных затрат на подготовку эксперимента. Теперь, с появлением Electronics Workbench, электронная лаборатория всегда будет под рукой, что позволяет сделать изучение электрических схем более доступным. Достоверность измерений В природе не существует двух совершенно одинаковых элементов, то есть все реальные элементы имеют большой разброс значений, что приводит к погрешностям в ходе проведения эксперимента. В Electronics Workbench все элементы описываются строго установленными параметрам, поэтому каждый раз в ходе эксперимента будет повторяться результат, определяемый только параметрами элементов и алгоритмом расчета.
Удобство проведения измерений Учеба невозможна без ошибок, а ошибки в реальной лаборатории порой очень дорого обходятся экспериментатору. Работая с Electronics Workbench, экспериментатор застрахован от случайного поражения током, а приборы не выйдут из строя из-за неправильно собранной схемы. Благодаря этой программе в распоряжении пользователя имеется такой широкий набор приборов, который вряд ли будет доступен в реальной жизни. Таким образом, у Вас всегда имеется уникальная возможность для планирования и проведения широкого спектра исследований электронных схем при минимальных затратах времени. Графические возможности Сложные схемы занимают достаточно много места, изображение при этом стараются сделать более плотным, что часто приводит к ошибкам в подключении проводников к элементам цепи. Electronics Workbench позволяет разместить схему таким образом, чтобы были чётко видны все соединения элементов и одновременно вся схема целиком. Возможность изменения цвета проводников позволяет сделать схему более удобной для восприятия. Можно отображать различными цветами и графики, что очень удобно при одновременном исследовании нескольких зависимостей. Стандартный интерфейс Windows Программа Electronics Workbench использует стандартный интерфейс Windows, что значительно облегчает её использование. Интуитивность и простота интерфейса делают программу доступной любому, кто знаком с основами использования Windows. Совместимость с программой Р-SPICE Программа Electronics Workbench базируется на стандартных элементах программы SPICE. Это позволяет экспортировать различные модели элементов и проводить обработку результатов, используя дополнительные возможности различных версий программы P-SPICE.
Для установки программы необходимы
• IBM-совместимый компьютер с модификацией процессора не ниже 486;
• не менее 4 MB свободного пространства на жёстком диске;
• операционная система Microsoft Windows 3. 1 или более поздние версии;
• манипулятор типа мышь.
Компоненты и проведение экспериментов
В библиотеки компонентов программы входят пассивные элементы, транзисторы, управляемые источники, управляемые ключи, гибридные элементы, индикаторы, логические элементы, триггерные устройства, цифровые и аналоговые элементы, специальные комбинационные и последовательные схемы. Активные элементы могут быть представлены моделями как идеальных, так и реальных элементов. Возможно также создание своих моделей элементов и добавление их в библиотеки элементов. В программе используется большой набор приборов для проведения измерений: амперметр, вольтметр, осциллограф, мультиметр, Боде-плоттер (графопостроитель частотных характеристик схем), функциональный генератор, генератор слов, логический анализатор и логический преобразователь.
Анализ схем Electronics Workbench может проводить анализ схем на постоянном и переменном токах. При анализе на постоянном токе определяется рабочая точка схемы в установившемся режиме работы. Результаты этого анализа не отражаются на приборах, они используются для дальнейшего анализа схемы. Анализ на переменном токе использует результаты анализа на постоянном токе для получения линеаризованных моделей нелинейных компонентов. Анализ схем в режиме АС может проводиться как во временной, так и в частотной областях. Программа также позволяет производить анализ цифро-аналоговых и цифровых схем. В Electronics Workbench можно исследовать переходные процессы при воздействии на схемы входных сигналов различной формы. Операции, выполняемые при анализе: Electronics Workbench позволяет строить схемы различной степени сложности при помощи следующих операций: • выбор элементов и приборов из библиотек, • перемещение элементов и схем в любое место рабочего поля, • поворот элементов и групп элементов на углы, кратные 90 градусам, • копирование, вставка или удаление элементов, групп элементов, фрагментов схем и целых схем, • изменение цвета проводников, • выделение цветом контуров схем для более удобного восприятия, • одновременное подключение нескольких измерительных приборов и наблюдение их показаний на экране монитора, • присваивание элементу условного обозначения, • изменение параметров элементов в широком диапазоне. Все операции производятся при помощи мыши и клавиатуры. Управление только с клавиатуры невозможно. Путем настройки приборов можно: • изменять шкалы приборов в зависимости от диапазона измерений, • задавать режим работы прибора, • задавать вид входных воздействий на схему (постоянные и гармонические токи и напряжения, треугольные и прямоугольные импульсы). Графические возможности программы позволяют: • одновременно наблюдать несколько кривых на графике, • отображать кривые на графиках различными цветами, • измерять координаты точек на графике, • импортировать данные в графический редактор, что позволяет произвести необходимые преобразования рисунка и вывод его на принтер. Electronics Workbench позволяет использовать результаты, полученные в программах P-SPICE, РСВ, а также передавать результаты из Electronics Workbench в эти программы. Можно вставить схему или её фрагмент в текстовый редактор и напечатать в нем пояснения или замечания по работе схемы.
Приборы для проведения измерений
Приборы из библиотеки индикаторов
Простейшими приборами в Electronics Workbench являются вольтметр и амперметр, расположенные в поле индикаторов (Indic), которое на панели компонентов изображается значком

(см. рис. 1. 1). Они не требуют настройки, автоматически изменяя диапазон измерений. В одной схеме можно применять несколько таких приборов одновременно, наблюдая токи в различных ветвях и напряжения на различных элементах.

Вольтметр используется для измерения переменного и постоянного напряжения. Выделенная толстой линией сторона прямоугольника, изображающего вольтметр, соответствует отрицательной клемме. Двойным щелчком мыши на изображении вольтметра открывается диалоговое окно для изменения параметров вольтметра: • вида измеряемого напряжения; • величины внутреннего сопротивления. Диалоговое окно приведено ниже на рисунке.

Величина внутреннего сопротивления вводится с клавиатуры в строке Resistance, вид измеряемого напряжения (опция Mode) выбирается из списка. При измерении переменного синусоидального напряжения (АС) вольтметр будет показывать действующее значение напряжения Uд, определяемое по формуле:

где Um - амплитудное значение напряжения. Внутреннее сопротивление вольтметра 1Мом, установленное по умолчанию, в большинстве случаев оказывает пренебрежимо малое влияние на работу схемы. Его значение можно изменить, однако использование вольтметра с очень высоким внутренним сопротивлением в схемах с низким выходным импедансом может привести к математической ошибке во время моделирования работы схемы.

Отметим, что вольтметр в сочетании с субблоками, приведенными на рис. 1. 3 (схема на рисунке соответствует схеме из файла math. ca4, поставляемого с программой Electronics Workbench и находящегося в каталоге Samples), может использоваться как измеритель

мощности, энергии, заряда и других величин, которые вычисляются по формулам, приведенным на рисунке. При этом вольтметр измеряет напряжение, пропорциональное значению измеряемой величины. Нетрудно сконструировать субблоки так, чтобы показания вольтметра прямо соответствовали значению измеряемой величины.

Амперметр используется для измерения переменного и постоянного тока. Выделенная толстой линией сторона прямоугольника, изображающего амперметр, соответствует отрицательной клемме. Двойным щелчком мыши на изображении амперметра открывается диалоговое окно для изменения параметров амперметра: • вида измеряемого тока; • величины внутреннего сопротивления. Диалоговое окно приведено ниже на рисунке.

Величина внутреннего сопротивления вводится с клавиатуры в строке Resistance, вид измеряемого тока (опция Mode) выбирается из списка.
При измерении переменного синусоидального тока (АС) амперметр будет показывать его действующее значение 1д.

где Im - амплитуда переменного тока. Внутреннее сопротивление амперметра 1 мОм (миллиОм), устанавливаемое по умолчанию, в большинстве случаев оказывает пренебрежимо малое влияние на работу схемы. Можно снизить это сопротивление, однако использование амперметра с очень низким сопротивлением в схемах с высоким выходным импедансом (относительно выводов амперметра) может привести к математической ошибке во время моделирования работы схемы.

Приборы на панели приборов
Кроме описанных амперметра и вольтметра, в Electronics Workbench имеется семь приборов, с многочисленными режимами работы, каждый из которых можно использовать в схеме только один раз. Эти приборы расположены на панели приборов (рис. 1. 1). Слева на панели расположены приборы для формирования и наблюдения аналоговых величин: мультиметр, функциональный генератор, осциллограф, Боде-плоттер:

Справа расположены приборы для формирования и наблюдения логических величин: генератор слов, логический анализатор, логический преобразователь:

Описание указанных приборов приведено ниже.

Мультиметр используется для измерения: • напряжения (постоянного и переменного), • тока (постоянного и переменного), • сопротивления, • уровня напряжения в децибелах. Для настройки мультиметра нужно двойным щелчком мыши на его уменьшенном изображении открыть его увеличенное изображение. На увеличенном изображении нажатием левой кнопки мыши выбирается: • измеряемая величина по единицам измерения: А, V, Q или dB; • вид измеряемого сигнала: переменный или постоянный; • режим установки параметров мультиметра.

Установка вида измеряемой величины Установка вида измеряемой величины производится нажатием соответствующей кнопки на увеличенном изображении мультиметра. Нажатие кнопки


Проведение измерений Измерение тока Чтобы использовать мультиметр в качестве амперметра, на расширенном изображении мультиметра нажмите кнопку А. Для измерения тока подключите мультиметр последовательно в ветвь схемы, в которой нужно провести измерение. Включите схему. На табло мультиметра появится измеренное значение тока в ветви. Если нужно измерить ток в другой ветви схемы, отсоедините мультиметр, подключите его последовательно в нужную ветвь и снова включите схему.

Измерение напряжения Левой кнопкой мыши нажмите на мультиметре кнопку V, чтобы использовать его как вольтметр. Для измерения напряжения подключите мультиметр параллельно участку схемы, на котором нужно измерить напряжение. Включите схему. На табло мультиметра появится измеренное значение напряжения. Для измерения напряжения на другом участке схемы просто переставьте выводы мультиметра к этому участку схемы.

Измерение сопротивления Мультиметр - единственный в Electronics Workbench стандартный прибор, предназначенный для измерения сопротивления. Для использования мультиметра в качестве омметра подсоедините его параллельно участку цепи, сопротивление которого нужно измерить, на увеличенном изображении мультиметра нажмите кнопку Q и кнопку (

Уровень напряжения в децибелах подсчитывается следующим образом:

где Uвх - напряжение, приложенное к выводам мультиметра, Uon - опорное напряжение, по отношению к которому измеряется уровень напряжения. По умолчанию опорное напряжение установлено равным 1 В. Установки (SETTINGS) Используйте клавишу SETTINGS для настройки: • входного сопротивления вольтметра; • последовательного сопротивления амперметра; • измерительного тока омметра; • опорного напряжения для отсчёта в децибелах. При нажатии на клавишу SETTINGS открывается окно настройки параметров мульти метра, показанное ниже на рисунке. Параметры мультиметра должны иметь такое значе ние, чтобы измерительный прибор незначительно влиял на тестируемую схему.



Осциллограф, имитируемый программой Workbench, представляет собой аналог двухлучевого запоминающего осциллографа и имеет две модификации: простую и расширенную. Расширенная модификация по своим возможностям приближается к лучшим цифровым запоминающим осциллографам. Из-за того, что расширенная модель занимает много места на рабочем поле, рекомендуется начинать исследования простой моделью, а для подробного исследования процессов использовать расширенную модель. Вы можете подключить осциллограф к уже включённой схеме или во время работы схемы переставить выводы к другим точкам - изображение на экране осциллографа изменится автоматически. В ходе анализа работы схемы нередко возникает необходимость замедлить процесс моделирования, чтобы на экране осциллографа было удобно визуально воспринимать информацию. Это необходимо, например, при исследовании переходных процессов или когда в ходе эксперимента нужно переключить ключ в определенный момент. Для этого нужно увеличить количество расчетных точек на цикл. Это можно сделать, выбрав пункт Analysis Options в меню Circuit и установив в строке Time domain points per cycle требуемое значение (обычно достаточно 5000 точек). По умолчанию количество точек равно 100. Облегчить анализ осциллограмм может включение режима Pause after each screen (Пауза после каждого экрана). В этом режиме расчет схемы останавливается после того, как луч осциллографа проходит весь экран. Это часто бывает необходимым при затруднениях с синхронизацией изображения на экране осциллографа. Чтобы продолжить расчет схемы, выберите пункт Resume (Продолжить) меню Circuit или нажмите клавишу F9 на клавиатуре. Остановить процесс расчета схемы в любой момент времени можно нажатием клавиши F9 или выбором пункта Pause (Пауза) в меню Circuit. Продолжить расчет можно повторным нажатием клавиши F9 или выбором пункта Resume меню Circuit. Нажатие кнопки "Пуск" в правом верхнем углу экрана прекращает расчет схемы. На схему выводится уменьшенное изображение осциллографа, общее для обеих модификаций. На этом изображении имеется четыре входных зажима: Верхний правый зажим - общий 1 Нижний правый - вход синхронизации, его назначение будет рассмотрено ниже. Левый и правый нижние зажимы представляют собой соответственно вход канала А (channel А) и вход канала В (channel В).
1 Вывод называют общим потому, что потенциал на этом выводе является общей точкой, относительно которой осциллограф измеряет напряжение. Обычно этот вывод заземляют, чтобы осциллограф измерял напряжение относительно нуля. Поэтому на панели осциллографа этот вывод обозначен «ground».

Двойным щелчком мыши по уменьшенному изображению открывается изображение передней панели простой модели осциллографа с кнопками управления, информационными полями и экраном. Ниже приведен соответствующий рисунок.

Настройка осциллографа Для проведения измерений осциллограф нужно настроить, для чего следует задать: 1. расположение осей, по которым откладывается сигнал, 2. нужный масштаб развертки по осям, 3. смещение начала координат по осям, 4. режим работы по входу: закрытый или открытый, 5. режим синхронизации: внутренний или внешний. Настройка осциллографа производится при помощи полей управления, расположенных на панели управления. Панель управления Панель управления имеет общий для обеих модификаций осциллографа вид и разделена на четыре поля управления: 1. Поле управления горизонтальной разверткой (масштабом времени). 2. Поле управления синхронизацией (запуском). 3. Поле управления каналом А. 4. Поле управления каналом В. Управление масштабом времени Поле управления горизонтальной разверткой (масштабом времени) служит для задания масштаба горизонтальной оси осциллографа при наблюдении напряжения на входах каналов А и В в зависимости от времени. Временной масштаб задается в с/дел, мс/дел, мкс/дел, нс/дел (s/div, ms/div, ms/div, ns/div соответственно). Величина одного деления может быть установлена от 0. 1 нс до 1с. Масштаб может дискретно уменьшаться на один шаг при щелчке мышью на кнопке



С помощью кнопок


Ниже расположено поле, которое позволяет дискретно сдвигать ось Х вверх или вниз. Для того, чтобы развести изображения от каналов А и В, воспользуйтесь сдвигом по оси Y (Y POS) для одного или двух каналов. Три нижние кнопки реализуют различные режимы работы входа осциллографа по входу. Режим работы осциллографа с закрытым входом устанавливается нажатием на кнопку АС. В этом режиме на вход не пропускается постоянная составляющая сигнала. При нажатии на кнопку DC осциллограф переходит в режим с открытым входом. В этом режиме на вход осциллографа пропускается как постоянная, так и переменная составляющая сигнала. При нажатии на кнопку О вход осциллографа соединяется с общим выводом осциллографа, что позволяет определить положение нулевой отметки по оси Y. Управление синхронизацией Верхнее правое поле управления TRIGGER определяет момент начала отображения осциллограммы на экране осциллографа. Кнопки в строке EDGE задают момент запуска осциллограммы по фронту или по срезу импульса на входе синхронизации. Поле LEVEL позволяет задавать уровень, при превышении которого происходит запуск осциллограммы. Значение уровня можно сдвинуть на 3 деления вниз или вверх. Осциллограф имеет четыре режима синхронизации: 1. Автоматический режим (AUTO) - запуск осциллограммы производится автоматически при подключении осциллографа к схеме или при её включении. Когда "луч" доходит до конца экрана, осциллограмма снова прописывается с начала экрана (новый экран). 2. Режимы запуска по входу "А" или "В", в которых запускающим сигналом является сигнал, поступающий на соответствующий вход. 3. Режим "Внешний запуск" (ЕХТ - external). В этом случае сигналом запуска является сигнал, подаваемый на вход синхронизации.

Расширенная модификация осциллографа Нажатие клавиши ZOOM на панели простой модели открывает окно расширенной модели осциллографа. Панель расширенной модели осциллографа в отличие от простой модели расположена под экраном и дополнена тремя информационными табло, на которые выводятся результаты измерений. Кроме того, непосредственно под экраном находится линейка прокрутки, позволяющая наблюдать любой временной отрезок процесса от момента включения до момента выключения схемы. В сущности, расширенная модель осциллографа это совершенно другой прибор, позволяющий намного удобнее и более точно проводить численный анализ процессов. На экране осциллографа расположены два курсора, обозначаемые 1 и 2, при помощи которых можно измерить мгновенные значения напряжений в любой точке осциллограммы. Для этого просто перетащите мышью курсоры за треугольники в их верхней части в требуемое положение. Координаты точек пересечения первого курсора с осциллограммами отображаются на левом табло, координаты второго курсора - на среднем табло. На правом табло отображаются значения разностей между соответствующими координатами первого и второго курсоров. Результаты измерений, полученные при помощи расширенной

модели осциллографа, можно записать в файл. Для этого нажмите кнопку Save (Сохранить) и в диалоговом окне введите имя файла. Файлу присваивается расширение*. scp. Он представляет собой текстовый файл в ASCII кодах, в котором записаны данные о значениях напряжений в точках подключения осциллографа через интервал времени, равный масштабу горизонтальной развертки. Чтобы вернуться к прежнему изображению осциллографа - нажмите клавишу REDUCE, расположенную в правом нижнем углу.

Боде-плоттер используется для получения: амплитудно-частотных (АЧХ) и фазочастотных (ФЧХ) характеристик схемы. Боде-плоттер измеряет отношение амплитуд сигналов в двух точках схемы и фазовый сдвиг между ними. Отношение амплитуд сигналов может измеряться в децибелах. Для измерения Боде-плоттер генерирует собственный спектр частот, диапазон которого может задаваться при настройке прибора. Частота любого переменного источника в исследуемой схеме игнорируется, однако схема должна включать какой либо источник переменного тока.
На схему выводится уменьшенное изображение плоттера.

Боде-плоттер имеет четыре зажима: два входных (IN) и два выходных (OUT). Для измерения отношения амплитуд или фазового сдвига нужно подключить положительные выводы входов IN и ОUТ(левые выводы соответствующих входов) к исследуемым точкам, а два других вывода заземлить. При двойном щелчке мышью по уменьшенному изображению Боде-плоттера открывается его увеличенное изображение. Верхняя панель плоттера Режим (MODE) задает вид получаемой характеристики: АЧХ или ФЧХ. Для получения АЧХ нажмите кнопку MAGNITUDE, для получения ФЧХ - КНОПКУ PHASE.

Левая панель управления (VERTIKAL) задает: • начальное (I - initial) и конечное (F - final) значения параметров, откладываемых по вертикальной оси, • вид шкалы вертикальной оси - логарифмическая (LOG) или линейная (LIN). Правая панель управления (HORIZONTAL) настраивается аналогично. При получении АЧХ по вертикальной оси откладывается отношение напряжений: • в линейном масштабе от 0 до 10Е9; • в логарифмическом масштабе от -200dB до 200dB. При получении ФЧХ по вертикальной оси откладываются градусы, - от -720° до 720°. По горизонтальной оси всегда откладывается частота в Герцах или в производных единицах. В начале горизонтальной шкалы расположен курсор. Его можно перемещать нажатием на кнопки со стрелками, расположенными справа от экрана, либо "тащить" с помощью мыши. Координаты точки пересечения курсора с графиком характеристики выводятся на информационных полях внизу справа. С помощью Боде-плоттера нетрудно построить топографическую диаграмму на комплексной плоскости для любой схемы.

Генератор является идеальным источником напряжения, вырабатывающим сигналы синусоидальной, прямоугольной или треугольной формы. На экран выводится уменьшенное изображение генератора.

Средний вывод генератора при подключении к схеме обеспечивает общую точку для отсчета амплитуды переменного напряжения. Для отсчета напряжения относительно нуля общий вывод заземляют. Крайние правый и левый выводы служат для подачи переменного напряжения на схему. Напряжение на правом выводе изменяется в положительном направлении относительно общего вывода, напряжение на левом выводе - в отрицательном. Двойным щелчком мыши на уменьшенном изображении открывается увеличенное изображение генератора. Можно задать следующие параметры: • частоту выходного напряжения, • скважность, • амплитуду выходного напряжения, • постоянную составляющую выходного напряжения.

Настройка генератора Установка формы сигнала Выберите требуемую форму выходного сигнала и нажмите на кнопку с соответствующим изображением. Форму треугольного и прямоугольного сигналов можно изменить, уменьшая или увеличивая значение в поле DUTY CYCLE (скважность). Этот параметр определяется для сигналов треугольной и прямоугольной формы. Для треугольной формы напряжения он задает длительность (в процентах от периода сигнала) между интервалом нарастания напряжения и интервалом спада. Установив, например, значение 20, мы получим длительность интервала нарастания 20% от периода, а длительность интервала спада — 80%. Для прямоугольной формы напряжения этот параметр задает соотношение между длительностями положительной и отрицательной части периода. Установка частоты сигнала Частота генератора может регулироваться от 1Hz до 999MHz. Значение частоты устанавливается в строке FREQUENCY с помощью клавиатуры и кнопок со стрелками. В левом поле устанавливается численное значение, в правом - единица измерения (Hz, kHz, MHz - Гц, кГц, МГц соответственно). Установка амплитуды выходного напряжения Амплитуда выходного напряжения может регулироваться от 0 mВ до 999 кВ. Значение амплитуды устанавливается в строке AMPLITUDE с помощью клавиатуры и кнопок со стрелками. В левом поле устанавливается численное значение, в правом - единица измерения (mV, mV, V, kV - мкВ, мВ, В, кВ соответственно).
Установка постоянной составляющей выходного напряжения Постоянная составляющая переменного сигнала устанавливается в строке OFFSET при помощи клавиатуры или кнопок со стрелками. Она может иметь как положительное, так и отрицательное значение. Это позволяет получить, например, последовательность однополярных импульсов.

Генератор слов используется для задания цифровых последовательностей. На схему выводится уменьшенное изображение генератора слов.

На восемь выходов в нижней части генератора параллельно подаются биты генерируемого слова. На выход тактового сигнала подается последовательность тактовых импульсов с заданной частотой. Вход синхронизации используется для подачи синхронизирующего сигнала от внешнего источника.

Двойным щелчком мыши открывается расширенное изображение. Левая часть генератора содержит 16 восьмибитовых слов. Выделением отмечается слово, активное в данный момент. Значения битов этого слова отражаются в круглых окнах внизу на панели генератора. Ввод слов производится в левой части окна генератора при помощи мыши и клавиатуры. Нажатием на левую клавишу мыши выделяется нужный бит, а ввод значения 0 или 1 производится с клавиатуры. При вводе можно пользоваться клавишами на клавиатуре


Для дальнейшего использования установленного набора слов (шаблона) необходимо его сохранить. Для этого нажмите кнопку SAVE в крайнем правом углу панели генератора слов и в появившемся окне введите имя файла. Шаблон сохраняется в виде файла с расширением*. dp. Если необходимо снова использовать данный шаблон, то следует нажать кнопку LOAD и в диалоговом окне дважды щелкнуть левой кнопкой мыши на имени нужного файла с шаблоном. Очистить (заполнить нулями) левую часть окна генератора можно нажатием на КНОПКУ CLEAR.

Генератор может работать в трех режимах: • Пошаговый (каждый раз после подачи очередного слова на выход генератор останавливается). • Циклический (на выход генератора однократно последовательно поступают все 16 слов).
• Непрерывный (все слова циклически передаются на выход генератора в течение необходимого времени). Нажатием на кнопку STEP генератор переводится в пошаговый режим, кнопка BURST переводит в циклический режим, а кнопка CYCLE - в непрерывный. Для того чтобы прервать работу в непрерывном режиме, необходимо еще раз нажать кнопку CYCLE (или CTRL+ T на клавиатуре).

Правая нижняя панель управления TRIGGER определяет момент начала работы генератора. Момент запуска может быть задан по положительному или отрицательному фронтам синхронизирующего импульса. В режиме EXTERNAL (Внешняя синхронизация) передача слов на выход генератора синхронизируется с помощью импульсов, подаваемых на вход запуска. С приходом каждого импульса на выход генератора выдается одно слово. В режиме INTERNAL (Внутренняя синхронизация) генератор производит внутреннюю синхронизацию передачи слов на выход.

Для синхронизации работы схемы с генератором можно использовать выход Clock Pulse (Clk). Установить частоту импульсов в пределах от Гц до МГц можно в окне FREQUENSY.

На схему выводится уменьшенное изображение логического анализатора. Логический анализатор подключается у исследуемой схеме с помощью выводов в его нижней части. Одновременно могут наблюдаться сигналы в восьми точках схемы. Правый верхний зажим используется для подачи синхронизирующих импульсов. Двойным щелчком мыши по уменьшенному изображению открывается расширенное изображение логического анализатора, приведенное ниже на рисунке. Временные диаграммы сигналов на экране 8-канального логического анализатора изображаются в виде прямоугольных импульсов. Кроме того, круглые окна в нижней части анализатора показывают текущее состояние входов анализатора. Каждое окно соответствует одному из его входов. Справа, в окне HEX, выводится шестнадцатеричный эквивалент двоичного числа, определяемого состоянием входов анализатора. Уровни сигналов, в текущий момент подающихся на вход анализатора, на экране отображаются справа. Правый крайний вход анализатора соответствует нижней временной диаграмме на экране анализатора. Нажатие на клавишу CLEAR очищает экран логического анализатора. В поле TIME BASE устанавливается временной масштаб по горизонтальной оси.

Синхронизация логического анализатора Выбор режима синхронизации производится при помощи поля управления TRIGGER. Существует два режима синхронизации: • внутренняя синхронизация; • внешняя синхронизация. Режим внутренней синхронизации устанавливается нажатием на клавишу BURST. В этом режиме синхронизация работы анализатора производится автоматически при включении схемы. Режим внешней синхронизации устанавливается нажатием на кнопку EXTERNAL. В этом режиме синхронизация производится синхронизирующим импульсом от внешнего источника, подаваемым на вход синхронизации. При помощи кнопок, расположенных в поле управления, можно задать момент запуска по положительному или отрицательному фронту синхронизирующего импульса. Внешняя синхронизация может также осуществляться комбинацией логических уровней, подаваемых на входы каналов анализатора. Для этого следует нажать клавишу PATTERN и в поле под ней ввести нули и единицы, задавая тем самым комбинацию логических уровней, при приходе которой на входы анализатора запустится изображение временных диаграмм на его экране.

Логический преобразователь - прибор, который не имеет аналогов в реальном мире. Он предназначен для выполнения различных функциональных преобразований в схеме. С его помощью можно осуществлять следующие операции: • получение таблицы истинности исследуемой схемы; • преобразование таблицы истинности в логическое выражение; • преобразование логического выражения в таблицу истинности; • создание логических схем по заданному логическому выражению; • синтез логических схем на элементах И-НЕ по заданному логическому выражению. На экран выводится уменьшенное изображение логического преобразователя.

Двойным щелчком мыши по уменьшенному изображению открывается расширенное изображение прибора, приведенное ниже на рисунке.


Для получения таблицы истинности схемы необходимо подключить входы (А, В, С, D, Е, F, G, Н) логического преобразователя ко входам исследуемой схемы (не более восьми), выход (OUT) логического преобразователя соединить с выходом схемы. После нажатия кнопки в левой части экрана логического преобразователя появится таблица истинности, описывающая функционирование исследуемой схемы.

Для того чтобы создать таблицу истинности, необходимо в левой верхней части прибора выбрать число переменных от А до Н (нажать на соответствующую букву левой кнопкой мыши). Вся левая половина экрана заполнится комбинациями нулей и единиц, которые определяют начальные входные условия. Немного правее расположен столбец выходных значений OUT (реакция на вход), заполненный первоначально нулями. Изменяя в правой колонке нули на единицы или Х ( безразличное состояние), можно описать состояние выхода для любого начального условия. После щелчка на кнопке в нижней строке изображения прибора появится логическое выражение.

Если таблица истинности содержит большое число переменных, то логическое выражение функции получается громоздким. Для его преобразования в компактную форму следует нажать кнопку



Ввод и преобразования логического выражения
Для получения таблицы истинности функции, заданной логическим выражением, проделайте следующее: • В строку преобразователя введите при помощи клавиатуры логическое выражение; • Нажмите КНОПКУ

При вводе выражений инверсия обозначается апострофом ', логическое сложение - знаком +. Логическое умножение не обозначается.

Синтез схемы по логическому выражению
При помощи логического преобразователя можно получить схему, реализующую функцию, заданную логическим выражением. Для этого в нижней строке преобразователя введите логическое выражение и нажмите кнопку

После нажатия этой кнопки на рабочем поле Electronics Workbench появится эквивалентная логическому выражению схема. Все элементы в схеме будут выделены красным цветом. Если требуется использовать для построения схемы только элементы И-НЕ, то необходимо воспользоваться кнопкой:

Моделирование схем
Electronics Workbench позволяет строить аналоговые, цифровые и цифро-аналоговые схемы различной степени сложности. Исследуемая схема собирается на рабочем поле при одновременном использовании мыши и клавиатуры. Применение в работе только клавиатуры невозможно. При построении и редактировании схем выполняются следующие операции: • выбор компонента из библиотеки компонентов; • выделение объекта; • перемещение объекта; • копирование объектов; • удаление объектов; • соединение компонентов схемы проводниками; • установка значений компонентов; • подключение приборов. Если схема не помещается на экране монитора, любой её участок можно просмотреть при помощи линеек прокрутки, расположенных справа и под рабочим полем. После построения схемы и подключения приборов анализ её работы начинается после нажатия выключателя в правом верхнем углу окна программы.
Сделать паузу при работе схемы можно нажатием клавиши F9 на клавиатуре. Возобновить процесс можно повторным нажатием клавиши F9. Повторное нажатие выключателя в правом верхнем углу прекращает работу схемы. Выбор компонента из библиотеки компонентов Выбор нужного компонента производится из поля компонентов, нужное поле компонентов выбирается нажатием левой кнопки мыши на одной из пиктограмм панели компонентов. При этом в поле компонентов появляются изображения соответствующих компонентов. Распределение компонентов по полям компонентов смотрите в разделе 1. 2. После выбора поля компонентов нужный компонент при помощи мыши перемещается на рабочее поле Выделение объекта и его перемещение Выделение объекта осуществляется при помощи мыши (под объектом подразумевается как один компонент, так и группа компонентов). При выборе компонента нужно установить указатель мыши на нужный компонент (при этом изображение указателя изменится на


На приведенном выше рисунке показано выделение компонентов. Перемещение объекта производится при помощи мыши или стрелок на клавиатуре. Для перемещения объект нужно предварительно выделить, а затем при помощи мыши или стрелок на клавиатуре переместить в нужное место. При перемещении мышью установите указатель мыши на объект (при этом изображение указателя изменится на


Все проводники в Electronics Workbench по умолчанию черного цвета, но цвет проводника можно изменить. Для этого нужно двойным щелчком на изображении проводника открыть окно, приведенное на рисунке, и в окне мышью выбрать требуемый цвет. Если в схеме компоненты размещены неаккуратно, то может потребоваться спрямить проводники, соединяющие компоненты. Это можно сделать, переместив компоненты так, чтобы проводники отображались прямыми линиями.

Установка значений параметров компонентов Установка значений параметров компонентов производится в диалоговом окне свойств компонента, которое открывается двойным щелчком мыши по изображению компонента или командой Value из меню Circuit (при этом компонент должен быть выделен). В диалоговом окне при помощи клавиатуры и мыши нужно ввести требуемые значения параметров компонента и нажать Accept или Cancel для подтверждения или отмены установки значений. Выбор модели компонента осуществляется в диалоговом окне выбора модели компонента, которое открывается двойным щелчком мыши по изображению компонента или командой Model из меню Circuit. В диалоговом окне можно выбрать модель компонента и отредактировать значения её параметров. Для редактирования значений параметров модели нужно нажать кнопку Edit. При этом откроется окно свойств модели, в котором при помощи мыши и клавиатуры можно изменять значения её параметров. Сохранить введенные значения параметров можно нажатием кнопки Accept. После этого происходит возврат к предыдущему окну. После построения схемы можно каждому компоненту присвоить позиционное обозначение или просто какое-либо имя. Это можно сделать при помощи команды Label из меню Circuit или нажатием Ctrl+ L, предварительно выделив компонент. После этого откроется диалоговое окно, в котором нужно ввести обозначение или имя компонента и нажать клавишу Enter. Подключение приборов В Electronics Workbench имеется семь приборов, формирующих различные воздействия и анализирующих реакцию схемы. Эти приборы представлены в виде пиктограмм, расположенных на панели инструментов. Для подключения прибора к схеме нужно мышью перетащить прибор с панели инструментов на рабочее поле и подключить выводы прибора к исследуемым точкам. Некоторые приборы нужно заземлять, иначе их показания будут неверными. Расширенное изображение прибора выводится в окне, которое появляется после двойного щелчка мышью по уменьшенному изображению прибора или после выполнения команды Zoom из меню Circuit. Закрыть это окно можно командой Close из меню, появляющегося при щелчке на кнопке в левом верхнем углу окна. Также можно использовать комбинацию Alt+ F4. Настройка приборов описывается в разделе 1. 2. Вставка компонента в цепь После того, как схема построена, можно вставить в неё дополнительные компоненты. Для этого нужно мышью переместить компонент в требуемую точку схемы и, поместив его над проводником, отпустить кнопку мыши. Компонент автоматически вставится в цепь, как показано ниже на рисунке.

Создание субблоков Electronics Workbench позволяет объединять участки схемы в субблоки (подсхемы). Для этого необходимо выделить участок схемы, который нужно объединить в субблок. После выделения нужно выбрать пункт Subcircuit меню Circuit. На экране появится диалоговое окно, приведенное ниже на рисунке. В строке Name нужно ввести имя субблока, затем нужно нажать одну из четырех кнопок: • скопировать из схемы (Сору from circuit); • выделить из схемы (Move from circuit); • заменить в схеме (Replace in circuit); • отмена (Cancel). При нажатии кнопки "Скопировать из схемы" схема остается без изменений, а в поле компонентов Custom появляется субблок с присвоенным ему именем. При нажатии кнопки "Выделить из схемы" выделенный участок схемы на рабочем поле вырезается из схемы и помещается в окно с именем, присвоенным субблоку, как показано ниже на рисунке. В поле компонентов Custom появляется изображение субблока с присвоенным ему именем.


При нажатии на кнопку "Заменить в схеме" выделенный часток схемы заменяется в схеме субблоком, как показано ниже. При этом так же, как и в предыдущем случае, открывается окно с именем, присвоенным субблоку, а в поле компонентов Custom появляется субблок с этим именем.

Компоненты Electronics Workbench
1. 2. Компоненты Electronics WorkbenchДля операций с компонентами на общем поле Electronics Workbench выделены две области: панель компонентов и поле компонентов (рис. 1. 1).

Панель компонентов состоит из пиктограмм полей компонентов, поле компонентов -из условных изображений компонентов. Щелчком мышью на одной из одиннадцати пиктограмм полей компонентов, расположенных на панели, можно открыть соответствующее поле. На рис. 1. 1 открыто поле пассивных компонентов (Passive). Расположение элементов в полях ориентировано на частоту использования компонента. Для описания компонентов более логичным является разделение их по типам, чему мы будем следовать в дальнейшем, давая в каждом случае ссылку на поле, в котором расположен компонент. На рис. 1. 2 показаны все имеющиеся в Electronics Workbench поля компонентов. Эта картинка получена искусственно, на самом деле при работе может быть открыто только одно поле компонентов. Перейдем теперь к описанию имеющихся в программе компонентов. В библиотеки элементов программы Electronics Workbench входят аналоговые, цифровые и цифро-аналоговые компоненты. Все компоненты можно условно разбить на следующие группы: • базовые компоненты, • источники, • линейные компоненты, • ключи, • нелинейные компоненты, • индикаторы, • логические компоненты, • узлы комбинационного типа, • узлы последовательного типа, • гибридные компоненты.

Базовые компоненты

Узел применяется для соединения проводников и создания контрольных точек. К каждому узлу может подсоединяться не более четырех проводников. После того, как схема собрана, можно вставить дополнительные узлы для подключения приборов.

Компонент "заземление" имеет нулевое напряжение и таким образом обеспечивает исходную точку для отсчета потенциалов. Не все схемы нуждаются в заземлении для моделирования, однако любая схема, содержащая: • операционный усилитель, • трансформатор, • управляемый источник, • осциллограф, должна быть обязательно заземлена, иначе приборы не будут производить измерения или их показания окажутся неправильными.

Источники
Все источники в Electronics Workbench идеальные. Внутреннее сопротивление идеального источника напряжения равно нулю, поэтому его выходное напряжение не зависит от нагрузки. Идеальный источник тока имеет бесконечно большое внутреннее сопротивление, поэтому его ток не зависит от сопротивления нагрузки.


ЭДС источника постоянного напряжения или батареи измеряется в Вольтах и задается производными величинами (от мкВ до кВ). Короткой жирной чертой в изображении батареи обозначается вывод, имеющий отрицательный потенциал по отношению к другому выводу.


Ток источника постоянного тока (direct current) измеряется в Амперах и задается производными величинами (от мкА до кА). Стрелка указывает направление тока (от "+" к "-").

Действующее значение (root-mean-square - RMS) напряжения источника измеряется в Вольтах и задается производными величинами (от мкВ до кВ). Имеется возможность установки частоты и начальной фазы. Напряжение источника отсчитывается от вывода со знаком "-". Действующее значение напряжения VRMS, вырабатываемое источником переменного синусоидального напряжения, связано с его амплитудным значением VPEAK следующим соотношением:


Действующее значение тока источника измеряется в Амперах и задается производными величинами (от мкА до кА). Имеется возможность установки частоты и начальной фазы. Ток источника отсчитывается от вывода со знаком "~". Действующее значение тока IRMS, вырабатываемое источником переменного синусоидального тока, связано с его амплитудным значением IPEAK следующим соотношением:


Генератор вырабатывает последовательность прямоугольных импульсов. Можно регулировать амплитуду импульсов, коэффициент заполнения (скважность) и частоту следования импульсов. Отсчет амплитуды импульсов генератора производится от вывода, противоположного выводу "+".

Выходное напряжение источника напряжения, управляемого напряжением, зависит от входного напряжения, приложенного к управляющим зажимам. Отношение выходного напряжения к входному определяется коэффициентом пропорциональности Е, который задается в мВ/В, В/В и кВ/В:

где Vout - выходное напряжение источника, Vin- входное напряжение источника.

Величина тока источника тока, управляемого напряжением, зависит от входного напряжения, приложенного к управляющим зажимам. Отношение выходного тока к управляющему напряжению - коэффициент G, измеряется в единицах проводимости (1/Ом или сименс):

где lout - выходной ток источника, Vin - напряжение, приложенное к управляющим зажимам источника.

Величина тока источника тока, управляемого током, зависит от величины входного тока (тока в управляющей ветви). Входной и выходной токи связаны коэффициентом пропорциональности F, который определяет отношение выходного тока к току в управляющей ветви. Коэффициент F задается в мА/А, А/А и кА/А.

где lout - выходной ток источника, I™ - входной ток источника.

Величина напряжения источника напряжения, управляемого током, зависит от величины входного тока (тока в управляющей ветви). Входной ток и выходное напряжение образуют параметр, называемый передаточным сопротивлением Н, который представляет собой отношение выходного напряжения к управляющему току. Передаточное сопротивление имеет размерность сопротивления и задается в мОм, Ом и кОм.

где VouT - выходное напряжение источника, lin - входной ток источника.


Используя этот источник напряжения, можно устанавливать фиксированный потенциал узла 5 В или уровень логической единицы.

При помощи этого источника устанавливают уровень логической единицы в узле схемы.
Линейные элементы

Сопротивление резистора измеряется в Омах и задается производными величинами (от Ом до МОм).

Положение движка переменного резистора устанавливается при помощи специального элемента - стрелочки-регулятора. В диалоговом окне можно установить сопротивление, начальное положение движка (в процентах) и шаг приращения (также в процентах). Имеется возможность изменять положение движка при помощи клавиш-ключей.
Используемые клавиши-ключи: • буквы от А до Z, • цифры от 0 до 9, • клавиша Enter на клавиатуре, • клавиша пробел [Space]. Для изменения положения движка необходимо нажать клавишу-ключ. Для увеличения значения положения движка необходимо одновременно нажать [Shift] и клавишу-ключ, для уменьшения - клавишу-ключ.


Ёмкость конденсатора измеряется в Фарадах и задается производными величинами (от пФ до Ф).

Переменный конденсатор допускает возможность изменения величины емкости. Величину ёмкости устанавливают, используя её начальное значение и значение коэффициента пропорциональности следующим образом: С = (начальное значение/100) • коэффициент пропорциональности. Значение емкости может устанавливаться с помощью клавиш-ключей так же, как и положение движка переменного резистора.

Индуктивность катушки (дросселя) измеряется в Генри и задается производными величинами (от мкГн до Гн).

Величину индуктивностью этой катушки устанавливают, используя начальное значение её индуктивности и коэффициента пропорциональности следующим образом: L = (начальное значение /100) • коэффициент Значение индуктивности может устанавливаться с помощью клавиш-ключей так же, как и положение движка переменного резистора.

Трансформатор используется для преобразования напряжения VI в напряжение V2. Коэффициент трансформации n равен отношению напряжения VI на первичной обмотке к напряжению V2 на вторичной обмотке. Параметр n может быть установлен в диалоговом окне свойств модели трансформатора. Трансформатор может быть выполнен с отводом средней точки.

Ключи
Ключи имеют два состояния: выключенное (разомкнутое) и включенное (замкнутое). В выключенном состоянии они представляют собой бесконечно большое сопротивление, во включенном состоянии их сопротивление равно нулю. Ключи могут управляться: • клавишей, • таймером, • напряжением, • током. Так как замкнутые ключи в Electronics Workbench имеют сопротивление равное нулю, то при параллельном соединении с другим ключом или батареей рекомендуется последовательно ввести в цепь резистор с сопротивлением 1 Ом.

Электромагнитное реле может иметь нормально замкнутые или нормально разомкнутые контакты. Оно срабатывает, когда ток в управляющей обмотке превышает значение тока срабатывания Ion. Во время срабатывания происходит переключение пары нормально замкнутых контактов S2, S3 реле на пару нормально замкнутых контактов S2, S1 реле. Реле остается в состоянии срабатывания до тех пор, пока ток в управляющей обмотке превышает удерживающий ток Ihd. Значение тока Ihd должно быть меньше, чем Ion.

Ключи могут быть замкнуты или разомкнуты при помощи управляющих клавиш на клавиатуре. Имя управляющей клавиши можно ввести с клавиатуры в диалоговом окне, появляющемся после двойного щелчка мышью на изображении ключа.

Используемые клавиши-ключи: • буквы от А до Z, • цифры от 0 до 9, • клавиша Enter на клавиатуре, • клавиша пробел [Space].

Реле времени представляет собой ключ, который размыкается в момент времени Toff и замыкается в момент времени Ton. Ton и Toff должны быть больше 0. Если Ton < Toff, то в начальный момент времени, когда t = О, ключ находится в разомкнутом состоянии. Замыкание ключа происходит в момент времени t = Ton, а размыкание - в момент времени t = Toff. Если Ton > Toff, то в начальный момент времени, когда t = О, ключ находится в замкнутом состоянии. Размыкание ключа происходит в момент времени t = Toff, а замыкание - в момент времени t = Ton. Ton не может равняться Toff.

Ключ, управляемый напряжением, имеет два управляющих параметра: включающее (Von) и выключающее (Voff) напряжения. Он замыкается, когда управляющее напряжение больше или равно включающему напряжению Von, и размыкается, когда оно равно или меньше, чем выключающее напряжение Voff.

Ключ, управляемый током, работает аналогично ключу, управляемому напряжением. Когда ток через управляющие выводы превышает ток включения Ion, ключ замыкается; когда ток падает ниже тока выключения loff - ключ размыкается.
Нелинейные элементы

Лампа накаливания - элемент резистивного типа, преобразующий электроэнергию в световую энергию. Она характеризуется двумя параметрами: максимальной мощностью Ртах и максимальным напряжением Vmax. Максимальная мощность может иметь величину в диапазоне от мВт до кВт, максимальное напряжение - в диапазоне от мВ до кВ. При напряжении на лампе большем Vmax (в этот момент мощность, выделяющаяся в лампе, превышает Ртах) она перегорает. При этом изменяется изображение лампы (обрывается нить) и проводимость ее становится равной нулю.

Предохранитель разрывает цепь, если ток в ней превышает максимальный ток Imax. Значение Imax может иметь величину в диапазоне от мА до кА. В схемах, где используются источники переменного тока, Imax является максимальным мгновенным, а не действующим значением тока.

Ток через диод может протекать только в одном направлении - от анода А к катоду К. Состояние диода (проводящее или непроводящее) определяется полярностью приложенного к диоду напряжения.

Для стабилитрона (диода Зенера) рабочим является отрицательное напряжение. Обычно этот элемент используют для стабилизации напряжения.

Светоизлучающий диод излучает видимый свет, когда проходящий через него ток превышает пороговую величину.

Мостовой выпрямитель предназначен для выпрямления переменного напряжения. При подаче на выпрямитель синусоидального напряжения среднее значение выпрямленного напряжения Vdc можно приблизительно вычислить по формуле:

где Vp - амплитуда входного синусоидального напряжения.

В отличие от простого диода, диод Шоттки находится в отключенном состоянии до тех пор, пока напряжение на нем не превысит фиксированного уровня порогового напряжения.

У тиристора помимо анодного и катодного выводов имеется дополнительный вывод управляющего электрода. Он позволяет управлять моментом перехода прибора в проводящее состояние. Вентиль отпирается, когда ток управляющего электрода превысит пороговое значение, а к анодному выводу не будет приложено положительное смещение. Тиристор остается в открытом состоянии, пока к анодному выводу не будет приложено отрицательное напряжение.

Симистор способен проводить ток в двух направлениях. Он запирается при изменении полярности протекающего через него тока и отпирается при подаче следующего управляющего импульса.

Динистор - управляемый анодным напряжением двунаправленный переключатель. Динистор не проводит ток в обоих направлениях до тех пор, пока напряжение на нем не превысит напряжения переключения, тогда динистор переходит в проводящее состояние и его сопротивление становится равным нулю.

Операционный усилитель (ОУ) - усилитель, предназначенный для работы с обратной связью. Он обычно имеет очень высокий коэффициент усиления по напряжению, высокое входное и низкое выходное сопротивление. Вход "+" является неинвертирующим, а вход "-" - инвертирующим. Модель операционного усилителя позволяет задавать параметры: коэффициент усиления, напряжение смещения, входные токи, входное и выходное сопротивления. Входные и выходные сигналы ОУ должны быть заданы относительно земли.

ОУ с пятью выводами имеет два дополнительных вывода (положительный и отрицательный) для подключения питания. Для моделирования этого усилителя используется модель Буля-Коха-Педерсона. В ней учитываются эффекты второго порядка, ограничение выходного напряжения и тока.

Умножитель перемножает два входных напряжения Vx и Vy. Выходное напряжение Vout рассчитывается по формуле:

где к - константа умножения, которая может устанавливаться пользователем.
Биполярные транзисторы.
Биполярные транзисторы являются усилительными устройствами, управляемыми током. Они бывают двух типов: P-N-P и N-P-N. Буквы означают тип проводимости полупроводникового материала, из которого изготовлен транзистор. В транзисторах обоих типов стрелкой отмечается эмиттер, направление стрелки указывает направление протекания тока.


Полевые транзисторы (FET)
Полевые транзисторы управляются напряжением на затворе, то есть ток, протекающий через транзистор, зависит от напряжения на затворе. Полевой транзистор включает в себя протяженную область полупроводника n-типа или р-типа, называемую каналом. Канал оканчивается двумя электродами, которые называются истоком и стоком. Кроме канала n-или р-типа, полевой транзистор включает в себя область с противоположным каналу типом проводимости. Электрод, соединенный с этой областью, называют затвором. Для полевых транзисторов в Electronics Workbench выделено специальное поле компонентов FET. В программе имеются модели полевых транзисторов трех типов: транзисторов с управляющим р-n переходом (JFET) и двух типов транзисторов на основе металлооксидной пленки (МОП-транзисторы или MOSFET): МОП-транзисторы с встроенным каналом (Depletion MOSFETs) и МОП-транзисторы с индуцированным каналом (Enhancement MOSFETs).
Полевые транзисторы с управляющим р-n переходом (JFET)
Полевой транзистор с управляющим р-n переходом (JFET) - униполярный транзистор, управляемый напряжением, в котором для управления током используется наведенное электрическое поле, зависящее от напряжения затвора. Для n-канального полевого транзистора с управляющим р-n переходом чем более отрицательным будет напряжение, прикладываемое к затвору, тем меньше будет ток.

В поле компонентов имеется два типа таких транзисторов: N-канальный и Р-канальный.


Полевые транзисторы на основе металлооксидной пленки
Управление током, протекающим через полевой транзистор на основе металлооксидной пленки (МОП-транзистор или MOSFET), также осуществляется с помощью электрического поля, прикладываемого к затвору. Обычно подложка контактирует с наиболее отрицательно смещенным выводом транзистора, подключенным к истоку. В трехвыводных транзисторах подложка внутренне соединена с истоком. N-канальный транзистор имеет следующее обозначение: стрелка направлена внутрь значка; р-канальный транзистор имеет исходящую из значка стрелку. N-канальный и р-канальный МОП-транзисторы имеют различную полярность управляющих напряжений. В Electronics Workbench имеется 8 типов МОП-транзисторов: 4 типа МОП-транзисторов со встроенным каналом, 4 типа МОП-транзисторов с индуцированным каналом.
МОП-транзистор со встроенным каналом (Depletion MOSFETs)
Подобно полевым транзисторам с управляющим р-n переходом (JFET), МОП-транзистор со встроенным каналом состоит из протяженной области полупроводника, называемой каналом. Для р-канального транзистора эта область является полупроводником р-типа, для n-канального транзистора - n-типа. Свободные электроны от истока до стока должны пройти через этот узкий канал, заканчивающийся с обеих сторон электродами, называемыми истоком и стоком. Металлический затвор МОП-транзистора изолирован от канала тонким слоем двуокиси кремния так, что ток затвора во время работы пренебрежимо мал. Чем более отрицательное напряжение затвор-исток приложено к n-канальному транзистору, тем больше канал обедняется электронами проводимости, ток стока при этом уменьшается. При значении напряжения затвор-исток Vgs (off) канал полностью обеднен, и ток от истока к стоку прекращается. Напряжение Vgs (off) называется напряжением отсечки. С другой стороны, чем более положительно напряжение затвор-исток, тем больше размер канала, что приводит к увеличению тока. Р-канальный транзистор работает аналогично, но при противоположных полярностях напряжения.




МОП-транзисторы с индуцированным каналом (Enhancement MOSFETs)
Эти МОП- транзисторы не имеют физического канала между истоком и стоком, как МОП-транзисторы со встроенным каналом. Вместо этого область проводимости может расширяться на весь слой двуокиси кремния. МОП-транзистор с индуцированным каналом работает только при положительном напряжении исток-затвор. Положительное напряжение исток-затвор, превышающее минимальное пороговое значение (Vto), создает инверсионный слой в области проводимости, смежной со слоем двуокиси кремния. Проводимость этого индуцированного канала увеличивается при увеличении положительного напряжения затвор-исток. МОП-транзисторы с индуцированным каналом используются преимущественно в цифровых схемах и схемах с высокой степенью интеграции (БИС).




Цифровые элементы
Цифровые элементы программы представлены следующими группами: Индикаторы, логические элементы, узлы комбинационного типа, узлы последовательностного типа, гибридные элементы.
Индикаторы

Каждый из семи выводов индикатора управляет соответствующим сегментом, от а до g. В таблице функционирования приведены комбинации логических уровней, которые нужно установить на входе индикатора, чтобы на его дисплее получить изображения шестнадцатиричных цифр от 0 до F. Наименование сегментов семисегментного индикатора:

Таблица функционирования

Дешифрирующий семисегментный индикатор служит для отображения на своем дисплее шестнадцатеричных чисел от 0 до F, задаваемых состоянием на входе индикатора. Соответствие состояний на выводах изображаемому символу приведено в таблице.
Таблица функционирования
а

Пробник определяет логический уровень (0 или 1) в конкретной точке схемы. Если исследуемая точка имеет уровень логической 1, индикатор загорается красным цветом. Уровень логического нуля свечением не отмечается. С помощью команды Value в меню Circuit можно изменить цвет свечения пробника.

Зуммер применяется для звуковой сигнализации о превышении подводимого к нему напряжения. Встроенный в компьютер динамик издает звук заданной частоты, если напряжение превышает пороговое значение. С помощью команды Value в меню Circuit можно задать пороговое напряжение и частоту звукового сигнала.
Логические элементы
Electronics Workbench содержит полный набор логических элементов и позволяет задавать их основные характеристики, в том числе тип элемента: ТТЛ или КМОП. Число входов логических элементов схем можно установить в пределах от 2 до 8, но выход элемента может быть только один.

Элемент логическое НЕ или инвертор изменяет состояние входного сигнала на противоположное. Уровень логической 1 появляется на его выходе, когда на входе не 1, и наоборот.
Таблица истинности
Выражения Булевой алгебры:


Элемент И реализует функцию логического умножения. Уровень логической 1 на его выходе появляется в случае, когда на один и на другой вход подается уровень логической единицы Таблица истинности
Выражения Булевой алгебры:


Элемент ИЛИ реализует функцию логического сложения. Уровень логической 1 на его выходе появляется в случае, когда на один или на другой вход подается уровень логической единицы. Таблица истинности
Выражения Булевой алгебры:


Двоичное число на выходе элемента исключающее ИЛИ является младшим разрядом суммы двоичных чисел на его входах.
Таблица истинности
Выражения Булевой алгебры:


Элемент И-НЕ реализует функцию логического умножения с последующей инверсией результата. Он представляется моделью из последовательно включенных элементов И и НЕ. Таблица истинности элемента получается из таблицы истинности элемента И путем инверсии результата. Эквивалентная модель элемента:

Таблица истинности
Выражения Булевой алгебры:


Элемент ИЛИ-НЕ реализует функцию логического сложения с последующей инверсией результата. Он представляется моделью из последовательно включенных элементов ИЛИ и НЕ. Его таблица истинности получается из таблицы истинности элемента ИЛИ путем инверсии результата. Эквивалентная модель элемента:

Таблица истинности
Выражения Булевой алгебры:


Данный элемент реализует функцию "исключающее ИЛИ" с последующей инверсией результата. Он представляется моделью из двух последовательно соединенных элементов: исключающее ИЛИ и НЕ. Эквивалентная модель элемента:

Таблица истинности
Выражения Булевой алгебры:


Буфер служит для подачи больших токов в нагрузку. Данный буфер является неинвертирующим. Таблица истинности


Буфер с тремя состояниями имеет дополнительный разрешающий вход (enable input). Если на разрешающем входе высокий потенциал, то элемент функционирует по таблице истинности обыкновенного буфера, если низкий, то независимо от сигнала на входе выход перейдет в состояние с высоким импедансом. В этом состоянии буфер не пропускает сигналы, поступающие на вход.

Узлы комбинационного типа

Полусумматор производит сложение двух одноразрядных двоичных чисел. Он имеет два входа слагаемых: А, В и два выхода: суммы (Sum) и переноса (Carry). Суммирование производится элементом Исключающее ИЛИ, а перенос - элементом И. Эквивалентная схема:

Таблица функционирования
Выражения Булевой алгебры:


Полный двоичный сумматор производит сложение трех одноразрядных двоичных чисел. Результатом является двухразрядное двоичное число, младший разряд которого назван суммой, старший разряд - переносом. Устройство имеет три входа и два выхода. Входы: слагаемых - А, В и переноса -CarryiN. Выходы: суммы - Sum и переноса - Саггуоut- Полный двоичный сумматор можно реализовать на двух полусумматорах и одном элементе ИЛИ.
Эквивалентная схема:

Таблица функционирования:

Дешифратор — логическое устройство, имеющее n входов и 2n выходов. Каждой комбинации входного кода соответствует активный уровень на одном из 2n выходов. Данный дешифратор имеет три входа адреса (А, В, С), два разрешающих входа (G1, G2) и 8 выходов (YO... Y7). Номер выхода, имеющего активное состояние, равен числу N, определяемому состоянием адресных входов:

Активным уровнем является уровень логического нуля. Дешифратор работает, если на входе G1 высокий потенциал, а на G2 - низкий. В других случаях все выходы пассивны, то есть имеют уровень логической 1. Таблица функционирования

Шифратор выполняет операцию, обратную дешифратору. Строго говоря, только один из входов шифратора должен иметь активный уровень. Данный шифратор при наличии на нескольких входах активного состояния активным считает вход со старшим номером. Кроме того, выход дешифратора инверсный, то есть значения разрядов двоичного числа на выходе инвертированы. Если хотя бы один из входов шифратора в активном состоянии, выход GS также будет в активном состоянии, а выход ЕО - в пассивном и наоборот. При пассивном состоянии разрешающего входа Е1 выходы GS также будут пассивными. Активным уровнем, так же, как и у дешифратора, является уровень логического нуля. Таблица функционирования

Данное устройство предназначено для управления семисегментным индикатором: Четырехразрядное двоичное число на входе определяет комбинацию логических уровней на выходе дешифратора таким образом, что при подключении к нему семисегментного индикатора на его дисплее отображается символ, соответствующий числу на входе. Для тестирования выходов дешифратора используется вывод LT (lamp testing). Когда на этот вход подан уровень логического 0, на всех выходах - логическая 1 Все выходы дешифратора устанавливаются в 0 при подаче на вход B1 логического 0.

Таблица функционирования
D

Мультиплексор ( селектор данных) осуществляет операцию передачи сигнала с выбранного входа на выход. Номер входа равен адресу - двоичному числу, определяемому состоянием адресных входов. Данный мультиплексор имеет 12 входов: восемь из которых - входы данных (DO - D7), три - входы адреса (А, В, С) и один - разрешающий вход (EN). Мультиплексор работает при подаче на вход разрешения логического 0. Выход W является дополнением выхода Y. (W=Y') Таблица функционирования

Демультиплексор выполняет операцию, обратную мультиплексору. Он передает данные со входа на тот вывод, номер которого равен адресу. Данное устройство имеет 4 входа и 8 выходов. Входы адреса: А, В, С. Вход данных - G. Если на входе G логическая 1, то на всех выходах - также логическая 1. Таблица функционирования
Триггер - простейший последовательный элемент с двумя состояниями, содержащий элементарную запоминающую ячейку и схему управления, которая изменяет состояние элементарной ячейки. Состояние триггера зависит как от комбинации на входах, так и от предшествующего состояния. Триггерные устройства лежат в основе компьютерной оперативной памяти и используются во множестве последовательных схем. Триггер можно создать из простых логических элементов.

RS-триггер имеет только 2 установочных входа: S (set - установка) - установка выхода Q в 1 и R (reset - сброс) - сброс выхода Q в 0. Для этого триггера является недопустимой одновременная подача команд установки и сброса (R = S = 1), поэтому состояние выхода в этом случае остается неопределенным и, вообще говоря, не описывается. Работа триггера описывается таблицей функционирования'.
«Q — I» - сохраняется предыдущее состояние триггера, «х» - неопределенное состояние.

Отличительной особенностью JK-триггера является наличие двух информационных входов: J и К. Эти входы определяют изменение состояния триггера по фронту импульса на счетном входе, как показано в выделенной части таблицы функционирования. Установочные входы работают как и у RS-триггера. Данный JK-триггер устанавливается единицами, и информация заносится в него по отрицательному фронту импульса на счетном входе. При подаче на входы установки двух единиц одновременно выходы устанавливаются в 1. Таблица функционирования
стрелка вниз- отрицательный перепад тактового импульса. «х» - неопределенное состояние.

Этот элемент подобен JK-триггеру, описанному выше, за исключением того, что установка триггера производится логическим 0. Таблица функционирования
стрелка вниз - отрицательный перепад тактового импульса. «х» - неопределенное состояние.

Информация со входа D заносится в триггер по положительному перепаду тактового импульса и сохраняется до следующего положительного перепада на счетном входе. Таблица функционирования

Этот триггер подобен D-триггеру, описанному выше, за исключением того, что у него имеется два установочных входа: установка (Preset) и сброс (Clear), работающих как у RS-триггера. Таблица функционирования
«Т» - положительный перепад счетного импульса.

Счетчик - элемент, осуществляющий счет импульсов, подаваемых на его вход. Двоичное число, представляемое состоянием его выходов, по фронту импульса на счетном входе увеличивается на единицу. Описываемое устройство представляет собой четырехразрядный счетчик с двумя входами синхронизации и четырьмя выходами. Чтобы использовать счетчик по максимальной длине счета, генератор тактовых импульсов подключают к входу синхронизации CLKA и соединяют выход QA со входом синхронизации CLKB. Суммирование производится по отрицательному фронту импульса на счетном входе. Для сброса счетчика в 0 на входы R01 и R02 подают уровень логической 1.
Таблица функционирования
Входы
Сброс счетчика:

Последовательный, сдвиговый регистр - элемент, содержимое выходов которого при подаче тактового импульса может сдвигаться в сторону младших или старших разрядов. Он представляет собой несколько взаимосвязанных триггеров. Описываемый сдвиговый регистр способен обрабатывать данные в одном из следующих режимов: последовательный и параллельный ввод и вывод данных, сдвиг влево, сдвиг вправо. По приходу каждого тактового импульса на вход регистра выполняется операция над данными, определенная состоянием управляющих входов SO и S1. Таблица установки режимов
Если на вход сброса (Clear) подать логический 0, то на всех выходах установится уровень логического 0. Таблица функционирования
Т - положительный перепад тактового импульса. а, b, с, d - состояния на входах А,В,С или D соответственно. QAO, QBO, QCO, QDO - текущее состояние соответствующих выходов. QAN. QBN, QCN, QDN - предыдущее состояние соответствующих выходов.
Гибридные компоненты

Цифро-аналоговый преобразователь (ЦАП) осуществляет преобразование цифрового сигнала в аналоговый. Описываемый ЦАП имеет 8 цифровых входов и 2 входа (1+1 и 1-1) для подачи опорного тока Ion. ЦАП формирует на выходе ток Iвых который пропорционален входному числу NBX-Выходной ток определяется по формуле :

где Ion - опорный ток, определяемый последовательно подключенными ко входу Uon+ или Uоп- источником напряжения Uon и сопротивлением R:

Второй выход является дополнением первого. Его ток определяется из выражения:

В Electronics Workbench также имеется ЦАП, который осуществляет преобразование цифрового сигнала в напряжение на выходе. Выходное напряжение определяется по формуле:

где Uon ~ опорное напряжение.

Аналого-цифровой преобразователь (АЦП) производит преобразование аналогового напряжения в число. Представленный АЦП переводит аналоговое напряжение Uвх на входе в 8-разрядное двоичное число Nвых по формуле:

где [] - целая часть, Ufs = Uon+ - Uon- - разница напряжений на опорных входах

Таймер - элемент, имеющий цифровой вход и выход. Он характеризуется временем задержки Тd. Изменение состояния на его выходе происходит через время, определяемое временем задержки Тd. 555 таймер - интегральная схема, наиболее часто употребляемая как мультивибратор, одновибратор или управляемый напряжением генератор. Состояние выхода таймера изменяется через время, определяемое внешней времязадающей RC-цепью. Принципиально 555 таймер состоит из двух компараторов, делителя напряжения, триггера и разряжающего транзистора.

Одновибратор вырабатывает импульс фиксированной длительности в ответ на управляющий перепад на его входе. Длина выходного импульса определяется внешней времязадающей RC-цепью.
Установка значений элементов и приборов
Простые аналоговые элементы, такие, как различные источники, конденсаторы, катушки индуктивности, резисторы, имеют один или несколько параметров. Сложные элементы имеют несколько взаимосвязанных параметров, которые вместе формируют модель конкретного элемента. Кроме заземления и соединяющего узла (которые не имеют параметров), все элементы имеют определенные значения параметров, установленные по умолчанию, и которые можно при необходимости изменить. Значения параметров элементов, установленные по умолчанию, приведены ниже в таблице. Для установки значений параметров элемента: • Двойным щелчком мыши по изображению элемента открыть диалоговое окно свойств элемента (это также можно сделать с помощью пункта Preferences меню Circuit, элемент должен при этом быть подсвечен). • В появившемся окне изменить значение параметров элемента. • Установив новые значения, нажать кнопку Accept для подтверждения и возврата к схеме. Для изменения единиц измерения: • Двойным щелчком мыши вызвать диалоговое окно свойств элемента. • При помощи кнопок "стрелка вверх" и "стрелка вниз " изменить единицы измерения. • Установив единицы измерения, нажать Accept. Значения элементов, вводимые по умолчанию
| Параметр измерения | 12В |
| Вольт (V) | 12В |
| Ампер (А) | 1А |
| Вольт (V) | 1В |
| Частота | 1Гц |
| Фаза | 0 Град |
| Ампер (А) | 1А |
| Частота | 1Гц |
| Фаза | 0 Град |
| Коэффициент пропорциональности (Е) | 1В/В |
| Проводимость (G) | 1/ОМ |
| Коэффициент пропорциональности (F) | 1А/А |
| Передаточное сопротивление (Н) | 10м |
| Сопротивление (R) | 10м |
| Ёмкость (С) | 1мФ |
| Коэффициент отношения витков первичной |
| обмотки к виткам вторичной (п) | 2 |
| Индуктивность рассеивания (Le) | 0. 000001 Гн |
| Индуктивность намагничивания (Lm) | 0. 0001 Гн |
| Сопротивление первичной обмотки (Lp) | 00м |
| Сопротивление вторичной обмотки (Ls) | 00м |
| Катушка индуктивности (Lc) | 0. 025 Гн |
| Ток включения (Ion) | 0. 05 А |
| Ключи-символы | [A-Z] |
| Начальное время (Ton) Конечное время (Toff) | 0. 5 сек 0 сек |
| Напряжение включения (Von) | 1В |
| Напряжение отключения (Voff) | 0В |
| Ток включения (Ion) Ток выключения (loff) | 1А О А |
| Макс. Мощность (Ртах) | 10 Вт |
| Макс. Напряжение (Vmax) | 2В |
| Макс. Ток (Imax) | 1А |
Программа Electronics Workbench

Электротехника и электроника
Исследование элементов элнктрических цепей
Цель1. Анализ вольтамперных характеристик пассивных двухполюсников резистивного типа.
2. Анализ характеристик управляемых источников энергии.
3. Анализ процессов в конденсаторе и катушке индуктивности.

Приборы и вспомогательные элементы

Краткие сведения из теории
Элементы электрической цепи можно разделить на элементы, генерирующие энергию(источники питания,
активные элементы), элементы, преобразующи электромагнитную энергию в другие формы энергии
( резестивные элементы). Свойства первых двух групп элементов можно описывать зависимостями тока
через них от напряжения(вольтамперными характеристиками). Исследовать их свойства можно применяя
сигналы, не изменяющиеся во времени. Токи и напряжения в реактивных элементах связаны интегро-
дифферениальными зависимостями, и для исследования их свойств необходимо генерировать
изменяющиеся во времени сигналы.
Таблица 2. 1. Обозначения и свойства двухполюсных идеальных источников питания

1. Независимые идеальные источники питания. Простейшими источниками питания в электротехнике являются идеальные источники тока и напряжения. Они имеют бесконечно большую мощность. Свойства и обозначения основных типов идеальных источников (активных двухполюсников), использующихся в электротехнике и имеющихся в Workbench, приведены в табл. 2. 1. Таблица 22. Обозначения и свойства управляемых (четырехполюсных) идеальных источников питания

Таблица 2. 3. Обозначения и свойства резисторов

2. Зависимые источники питания. Зависимые источники питания представляются четырехполюсниками и являются идеальными источниками питания, управляемыми входным сигналом тока или напряжения. При этом величина выходного напряжения или тока в каждый момент времени определяется мгновенным значением входного управляющего сигнала и коэффициентом передачи четырехполюсника в соответствии с табл. 2. 2. 3. Резистор. Вольтамперная характеристика линейного резистора выражается законом Ома, который и является для этого элемента компонентным уравнением (табл. 2. 3.). 4. Неидеальный источник напряжения. Этот источник напряжения представляет собой блок, который составляется из двух описанных элементов: идеального источника ЭДС и последовательно с ним включенного резистора (рис. 2. 1а). 5. Неидеальный источник тока. Неидеальный источник тока представляет собой блок, который составляется из двух описанных элементов: идеального источника тока и параллельно с ним включенного резистора (рис. 2. 16).

6. Конденсатор и катушка индуктивности. Интегродифференциальные соотношения, определяющие связь между токами и напряжениями и величину запасаемой энергии в реактивных элементах, приведены в табл. 2. 4.
Таблица 2. 4. Обозначения и свойства конденсаторов и катушек индуктивности

Порядок проведения экспериментов
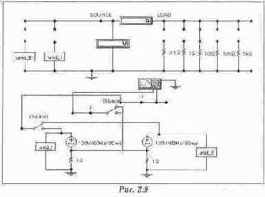
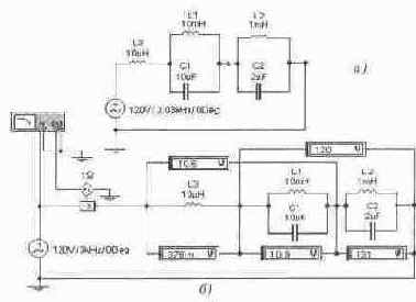
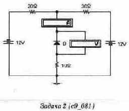
Эксперимент 1. Идеальный источник постоянной ЭДС. а). Снятие вольтамперных характеристик с помощью амперметра и вольтметра. Откройте файл с2_01 (рис. 2. 2, верхняя часть}. Подключите идеальный источник постоянной ЭДС на систему из нескольких нагрузочных резисторов. Размыкая и замыкая перемычки у резисторов и измеряя ток и напряжение, заполните таблицу в разделе "Результаты экспериментов". Постройте внешние характеристики идеальных источников ЭДС.

б). Снятие вольтамперных характеристик с помощью осциллографа. Автоматизировать процесс снятия внешней вольтамперной характеристики идеального источника ЭДС можно с помощью осциллографа, работающего в режиме характериографа (рис. 2. 2, нижняя часть). В этом случае дополнительный источник синусоидального напряжения обеспечивает протекание различных значений тока через источник идеальной ЭДС, а внешняя характеристика изображается непосредственно на экране. Снимите характеристики всех источников ЭДС нижней схемы рис. 2. 2 этим методом и зарисуйте их на экране осциллографа, изображенном в разделе "Результаты экспериментов". С методикой измерения Вы можете ознакомиться по Приложению 1. Эксперимент 2. Идеальный источник постоянного тока.
а). Снятие вольтамперных характеристик с помощью амперметра и вольтметра. Откройте файл с2_02 (рис. 2. 3, верхняя часть). Подключите идеальный источник постоянного тока на систему из нескольких нагрузочных резисторов. Размыкая и замыкая перемычки у резисторов и измеряя ток и напряжение, заполните таблицу в разделе "Результаты экспериментов". Постройте внешнюю характеристику идеального источника тока.

б). Снятие вольтамперных характеристик с помощью осциллографа. Для схемы (рис. 2. 3, нижняя часть) снимите характеристики и зарисуйте их на экране осциллографа, изображенном в разделе "Результаты экспериментов". Эксперимент 3. Зависимые источники ЭДС, управляемые напряжением.

а). Снятие вольтамперных характеристик с помощью амперметра и вольтметра. Откройте файл с2_03а (рис. 2. 4, верхняя часть). Подключая цепь управления источника к различным источникам ЭДС, размыкая и замыкая перемычки нагрузки и измеряя ток и напряжение, заполните таблицы в разделе "Результаты экспериментов". Постройте характеристики источника. б). Снятие вольтамперных характеристик с помощью осциллографа. Для схемы (рис. 2. 4, нижняя часть) снимите характеристики и зарисуйте их на экране осциллографа, изображенном в разделе "Результаты экспериментов". Эксперимент 4. Зависимые источники тока, управляемые напряжением. а). Снятие вольтамперных характеристик с помощью амперметра и вольтметра. Откройте файл с2_ОЗЬ. са4 (рис. 2. 5, верхняя часть). Подключая цепь управления источника к различным источникам ЭДС, заполните таблицы в разделе "Результаты экспериментов и построите внешние характеристики источника. б). Снятие вольтамперных характеристик с помощью осциллографа. Для схемы (рис. 2. 5, нижняя часть) снимите характеристики и зарисуйте их на экране осциллографа, изображенном в разделе "Результаты экспериментов".

Эксперимент 5. Зависимые источники ЭДС, управляемые током (1). а). Снятие волътамперных характеристик с помощью амперметра и вольтметра. Откройте файл с2_04а (рис. 2. 6, верхняя часть). Для выбранного входного тока источника, размыкая и замыкая перемычки нагрузки и измеряя ток и напряжение, заполните таблицы в разделе "Результаты экспериментов" и постройте внешние характеристики источника при различных величинах входного тока.

б). Снятие вольтамперных характеристик с помощью осциллографа. Для схемы (рис. 2. 6, нижняя часть) снимите характеристики и зарисуйте их на экране осциллографа, изображенном в разделе "Результаты экспериментов". Эксперимент 6. Зависимые источники тока, управляемые током. а). Снятие вольтамперных характеристик с помощью амперметра и вольтметра. Откройте файл с2_04Ь (рис. 2. 7, верхняя часть). Подключая цепь управления источника к различным источникам тока, размыкая и замыкая перемычки нагрузки и измеряя ток и напряжение, заполните таблицы в разделе "Результаты экспериментов" и постройте характеристики источника. б). Снятие вольтамперных характеристик с помощью осциллографа. Для схемы (рис. 2. 7, нижняя часть) снимите характеристики и зарисуйте их на экране осциллографа, изображенном в разделе "Результаты экспериментов".

Эксперимент 7. Вольт-амперные характеристики резистора. а). Снятие вольтамперпых характеристик с помощью амперметра и вольтметра. Откройте файл с2_01. са4 (рис. 2. 2 верхняя часть). Установите номиналы сопротивлений для любых двух резисторов в 100 и 200 Ом. Снимите вольтамперную характеристику поочередно для каждого из сопротивлений, используя амперметр и вольтметр и подключая к этим резисторам различные источники ЭДС. Постройте вольтамперные характеристики резисторов в разделе "Результаты экспериментов". 6). Снятие вольтамперных характеристик с помощью осциллографа. Откройте файл с2_05. са4 (рис. 2. 8), Получите те же характеристики, используя осциллограф в режиме характериографа. Характеристика первого сопротивления снимается при запуске программы вычислений, второго - при переключении ключа Space. Вычислите значения сопротивлений по вольтамперным характеристикам.

Эксперимент 8. Внешние характеристики неидеальных источников тока и ЭДС. а). Снятие вольтамперных характеристик с помощью амперметра и вольтметра. Откройте файл с2_06. са4 (рис. 2. 9, верхняя часть). Снимите внешние характеристики неидеальных источников с помощью вольтметра и амперметра, изменяя нагрузочное сопротивление. Заполните таблицу в разделе "Результаты экспериментов" и постройте внешние характеристики источников. б). Снятие вольтамперных характеристик с помощью осциллографа. Для схемы (рис. 2. 9, нижняя часть) снимите характеристики и зарисуйте их на экране осциллографа, изображенном в разделе "Результаты экспериментов".



Эксперимент 9. Исследование процессов в катушке индуктивности. Соотношения между током и напряжением в катушке индуктивности исследуются при подаче последовательности разнополярных прямоугольных импульсов напряжения Откройте файл с2_08. са4 (рис. 2. 10). Получите осциллограммы тока и напряжения на катушке индуктивности. Зарисуйте их в раделе "Результаты экспериментов". Из осциллограмм определите величину индуктивности, используя формулы из табл. 2.4. Эксперимент 10. Исследование процессов в конденсаторе. Соотношения между током и напряжением в конденсаторе исследуются при подаче последовательности разнополярных прямоугольных импульсов тока Откройте файл с2_09.са4 (рис. 2.11). Получите осциллограммы тока и напряжения на конденсаторе. Зарисуйте их в раделе "Результаты экспериментов". Из осциллограмм определите величину емкости конденсатора, используя формулы из табл. 2.4.
Результаты экспериментов Эксперимент 1. Идеальный источник постоянной ЭДС. а). Снятие вольтамперных характеристик с помощью амперметра и вольтметра

Сопротивление, Ом

Эксперимент 2. Идеальные источники постоянного тока. а). Снятие вольтамперных характеристик с помощью амперметра и вольтметра


б). Снятие вольтамперных характеристик с помощью осциллографа

Эксперимент 3. Зависимые источники ЭДС, управляемые напряжением. а). Снятие вольтамперных характеристик с помощью амперметра и вольтметра

Сопротивление, Ом

Эксперимент 4. Зависимые источники тока, управляемые напряжением. а). Снятие вольтамперных характеристик с помощью амперметра и вольтметра

Сопротивление, Ом

Эксперимент 5. Зависимые источники ЭДС, управляемые током. а). Снятие вольтамперных характеристик с помощью амперметра и вольтметра

Сопротивление, Ом

Эксперимент 6. Зависимые источники тока, управляемые током. а). Снятие вольтамперных характеристик с помощью амперметра и вольтметра

Сопротивление, Ом

Эксперимент 7. Вольтамперные характеристики резисторов. а). Снятие вольтамперных характеристик с помощью осциллографа

Сопротивление первого резистора

Сопротивление второго резистора



Эксперимент 8. Внешние характеристики неидеальных источников тока и ЭДС. а). Снятие вольтамперных характеристик с помощью амперметра и вольтметра

Сопротивление, Ом

Внутреннее сопротивление неидеального источника ЭДС

Внутреннее сопротивление неидеального источника тока

Напряжение холостого хода неидеального источника ЭДС

Ток короткого замыкания неидеального источника тока

Эксперимент 9. Исследование процессов в катушке индуктивности.


Значения параметров
Напряжение на катушке, В

Время действия напряжения, с

Приращение тока, А

Индуктивность, Гн

Эксперимент 10. Исследование процессов в конденсаторе.


Значения параметров
Ток через конденсатор, А

Время прохождения тока, с

Приращения напряжения, В

Емкость, Ф

Вопросы
1. Перечислите все возможные типы источников ЭДС, имеющиеся в программе Electronics Workbench. Каковы их свойства и условные обозначения?
2. Чему равно внутреннее сопротивление идеального источника ЭДС и как его определить?
3. Перечислите все возможные типы источников тока, имеющиеся в программе Electronics Workbench. Каковы их свойства и условные обозначения?
4. Чему равно внутреннее сопротивление идеального источника тока и как его определить?
5. Чем отличаются неидеальные источники энергии от идеальных?
6. Как осуществить эквивалентное преобразование неидеального источника напряжения в неидеальный источник тока и обратное преобразование?
7. Представьте все возможные виды вольтамперных характеристик исследованных активных и пассивных двухполюсников. В чем их различия?
8. К идеальной катушке индуктивности с нулевым начальным значением тока подключается идеальный источник постоянной ЭДС. Как из графика тока в катушке определить величину индуктивности?
9. К идеальной катушке индуктивности с ненулевым начальным значением тока подключается идеальный источник постоянной ЭДС. Как будет изменяться график при изменении величины начального тока?
10. К идеальной катушке индуктивности с нулевым начальным значением тока подключается идеальный источник синусоидальной ЭДС. Нарисуйте временные зависимости тока в индуктивности при различных начальных фазах подключения источника ЭДС.
11. К идеальному конденсатору с нулевым начальным напряжением подключается источник постоянного тока. Как из графика напряжения на конденсаторе определить величину его емкости?
12. К идеальному конденсатору с ненулевым начальным напряжением подключается источник постоянного тока. Нарисуйте временные зависимости напряжения на конденсаторе при при различных значениях начального напряжения.
13. К идеальному конденсатору с нулевым начальным значением напряжения подключается идеальный источник синусоидального тока. Нарисуйте временные зависимости напряжения на конденсаторе при различных начальных фазах подключения источника тока.
Процессы в элементах при сложном воздействии
Методические указания В этом разделе приведены упражнения по качественному построению временных зависимостей тока, напряжения, мощности и энергии для конденсаторов и катушек индуктивности при сложном входном воздействии. В основе качественного построения лежит графическая интерпретация дифференциала и интеграла в основных компонентных уравнениях для конденсатора и катушки индуктивности (табл. 2.4). Рассмотрим на конкретном примере методику решения таких задач и проверки их в Electronics Workbench. Задача. Процессы в катушке индуктивности при сложном воздействииЗадание: К идеальной катушке индуктивности подключается идеальный источник ЭДС, форма напряжения которого приведена на рис. 2.12. Определить: Изменения во времени тока через катушку, мощности и накопленной энергии и проверить правильность построения экспериментально с помощью Electronics Workbench.

Качественный анализ процессов 1. Временная зависимость тока катушки. Построить качественно диаграмму изменения во времени тока в индуктивности ii.(t) позволяет компонентное уравнение для индуктивности

где 1о - начальное значение тока в катушке в момент подключения напряжения. В рассматриваемой задаче примем 1о = О. В дифференциальной форме:

Уравнение (2.1) показывает, что ток в катушке будет нарастать до тех пор, пока приращение площади под кривой напряжения UL,(t) на рис. 2.1 За положительно (в нашем случае до момента tg). Из уравнения (2.2) следует, что форма кривой напряжения UL(t) определяет изменение производной тока в индуктивности. В момент to diL/dt=UL/L=0, в момент ti diL/dt достигает максимума. В результате получается вогнутая форма кривой изменения тока в индуктивности (рис. 2.136). В момент ti напряжение скачком снижается, что должно привести к изменению в ходе кривой тока. Ток продолжает нарастать, поскольку приращение площади положительно, однако начиная с момента t1 скорость изменения тока уменьшается и остается постоянной до момента ta. Следовательно, на участке t1 - t2 кривая тока изменяется линейно. Начиная с момента t2 приращение площади становится отрицательным и в соответствии с (2.1) ток начинает убывать. Производная на интервале t2 - t3 отрицательна и постоянна, следовательно, ток убывает также по линейному закону. Поскольку положительная площадь под кривой напряжения на катушке на интервале to - t2 равна отрицательной площади на интервале t2 - t3, ток к моменту t3 спадает до 0. Начиная с момента t3 напряжение на катушке становится равным нулю и ток не изменяет своего значения.

2. Временная зависимость энергии, накопленной в катушке. Катушка индуктивности является накопителем энергии — она накапливает в магнитном поле энергию, значение которой определяется формулой:

Качественно ход кривой изменения энергии в катушке отражен на рис. 2.13г. 3. Временная зависимость мощности, передаваемой в катушку. Для любого двухполюсника справедливо общее выражение передаваемой в него мощности:

При этом для накопителей энергии мощность может изменять знак. Если мощность положительна, то энергия передается в катушку и ее запас нарастает, если же мощность отрицательна, то, наоборот, катушка возвращает энергию в источник питания и запас энергии в ней убывает. Для построения качественной кривой изменения мощности можно использовать уравнение (2.4) и полученные кривые изменения тока и напряжения. Для определения формы кривой следует использовать характерные моменты времени, когда мощность равна 0. В нашем примере это момент to, когда нулю равны и ток, и напряжение. В момент t1 передаваемая мощность достигает максимального значения и скачком изменяется из-за изменения напряжения, на интервале t1 - t2 она изменяется линейно, а на интервале t2 - t3, когда накопитель отдает энергию, она отрицательна и линейно убывает. Наконец, с момента ts мощность становится равной нулю, поскольку нулю равны напряжение и ток.
Экспериментальная проверка результатов расчета Для экспериментальной проверки служит файл с2_10 (рис. 2.14). Два блока: логическая схема и блок ЕС VI 0 обеспечивают необходимую форму напряжения и нулевой ток в начале каждого цикла. Как видно из рис. 2.14, сигнал напряжения на экране осциллографа качественно повторяет форму исследуемого в задаче сигнала, а второй сигнал представляет собой ток (напряжение, снимаемое с шунта), характер которого также совпадает с описанным выше. Если бы форма напряжения на источнике ЭДС в файле с2_10 количественно совпадала с представленной на рис. 2.14, то ток в индуктивности в конце воздействия был бы равен нулю. Источник ЭДС в файле управляется генератором слов, поэтому все интервалы с неизменным законом изменения напряжения равны друг другу, поэтому, как видно из рис. 2.14, ток в катушке в конце цикла не нулевой и приходится возвращать схему к нулевым условиям принудительно. Для этого в конце цикла схема ECV10 обеспечивает спад тока в индуктивности, закорачивая ее на резистор в 10 Ом. При этом на индуктивности возникает короткий, но достаточный по площади импульс обратного напряжения.

Для измерения мощности служит ваттметр, выходной сигнал которого пропорционален в каждый момент времени мгновенной мощности, а сигнал с умножителя напряжения, на оба входа которого подано напряжение, пропорциональное току, показывает энергию, запасенную в накопителе. На рис. 2.15 вместе с осциллограммой тока приведена осциллограмма мощности. Как видно из рисунка, скачки мощности по времени и направлению совпадают со скачками напряжения. Это объясняется тем, что ток в индуктивности не может изменяться скачком и остается постоянным в момент перехода. Сравнение полученной осциллограммы с кривой на Рис. 2.1 Зв показывает их хорошее соответствие.

На рис. 2.16 вместе с осциллограммой тока получена осциллограмма энергии. Можно видеть, что при линейном изменении тока энергия изменяется по параболе, в то же время качественный характер изменения энергии и тока совпадает. Сравнение полученной осциллограммы с кривой на рис. 2.13г показывает их хорошее совпадение.

Задачи для самостоятельного исследования В этом разделе приведены задачи по исследованию процессов в конденсаторе при подключении к нему источника тока программируемой формы. Временные диаграммы тока приведены ниже. Общее условие для 24 вариантов воздействий приведено ниже. Задание: Качественная временная диаграмма тока, проходящего через конденсатор, задана на рисунке. В Electronics Workbench этот ток задается генератором JV41, управляемым генератором слов. Постройте качественную временную зависимость для напряжения, мощности и энергии, запасенной в конденсаторе. Проверьте результаты качественного анализа на Electronics Workbench и убедитесь, что все Ваши зависимости построены правильно. Для этого откройте один из файлов с2_41.са4... с2_70.са4 и соответствующий текстовый файл с условием задачи c2_41.doc... c2_70.doc. Разместите окна на экране так, чтобы можно было видеть одновременно условия и результаты эксперимента (рис. 2.17). Результаты качественного построения и экспериментальные осциллограммы зарисуйте на экранах осциллографов, изображенных на следующей странице.





Электротехника и электроника
Преобразования двухполюсников
Цель1. Исследование последовательного и параллельного соединений резисторов.
2. Проверка эквивалентной замены двухполюсника, состоящего из двух последовательно включенных источников ЭДС.
3. Проверка эквивалентной замены двухполюсника, состоящего из двух параллельно включенных источников тока.
4. Проверка эквивалентности преобразования неидеального источника тока в неидеальный источник ЭДС
5. Исследование делителя напряжения. Приборы и элементы

Краткие сведения из теории
1. Эквивалентное преобразование. Замена является эквивалентной, если при одинаковых токах через элементы напряжения на их зажимах также будут равны.
2. Эквивалентная замена двух последовательно включенных сопротивлений:

3. Замена двух параллельно включенных сопротивлений:

4. Замена двух последовательно включенных источников ЭДС:

5. Замена двух параллельно включенных источников тока:

6. Замена неидеального источника тока неидеальным источником ЭДС:

Формула для обратной замены:

где RE - резистор, включенный последовательно с источником ЭДС Е, RJ - резистор, включенный параллельно источнику тока J. 7. Формула для вычисления напряжения на одном из плеч делителя напряжения (на резисторе R1 ):

8. Формула для вычисления тока через одно из плеч делителя тока (через резистор R1)

Порядок проведения экспериментов
Эксперимент 1. Замена последовательного соединения резисторов одним эквивалентным. Рассчитайте эквивалентное сопротивление двухполюсника, состоящего из двух последовательно соединенных резисторов, относительно зажимов А и В по формуле (3.1). Откройте файл с3_001 (рис. 3.1}, Подключите мультиметр и проверьте условие эквивалентности.

Эксперимент 2. Замена параллельного соединения резисторов одним эквивалентным. Рассчитайте эквивалентное сопротивление двухполюсника, состоящего из двух параллельно соединенных резисторов, относительно зажимов А и В по формуле (3.2). Откройте файл с3_002 (рис. 3.2). Подключите мультиметр и проверьте условие эквивалентности.

Эксперимент 3. Замена последовательного соединения идеальных источников эдс. Рассчитайте значение эквивалентной ЭДС для последовательного соединения двух источников ЭДС) относительно зажимов А и В по формуле (3.3). Откройте файл с3_003 ( рис. 3.3). Подключите мультиметр и проверьте условие эквивалентности.

Эксперимент 4. Замена параллельного соединения идеальных источников тока. Двухполюсник состоит из двух идеальных источников тока, соединенных параллельно относительно зажимов А и В. Рассчитайте ток эквивалентного источника тока по формуле (3.4). Откройте файл с3_004 (рис. 3.4). Подключите амперметр и проверьте условие эквивалентности.

Эксперимент 5. Преобразование неидеального источника тока в неидеальный источник ЭДС. Зная параметры неидеального источника тока относительно резистора нагрузки RL, рассчитайте эквивалентные параметры неидеального источника ЭДС по формуле (3.5). Замените неидеальный источник тока в схеме рис. 3.5 относительно зажимов А и В неидеальным источником ЭДС. Откройте файл с3_005 (рис. 3.5). С помощью приборов определите токи и напряжения в нагрузке в обеих схемах рис. 3.5.

Эксперимент 6. Преобразование неидеального источника ЭДС в неидеальный источник тока. Зная параметры неидеального источника ЭДС относительно резистора нагрузки RL, рассчитайте эквивалентные параметры неидеального источника тока по формуле (3.6). Замените неидеальный источник ЭДС в схеме рис. 3.6 относительно зажимов А и В неидеальным источником тока. Откройте файл с3_00б (рис. 3.6). С помощью приборов определите токи и напряжения в нагрузке в обеих схемах рис. 3.6.

Эксперимент 7. Измерение напряжения на плече делителя напряжения. Рассчитайте напряжения на каждом резисторе делителя напряжения по формуле (3.7). Откройте файл с3_007 (рис. 3.7). Подключите вольтметр и проверьте правильность расчета.

Эксперимент 8. Измерение тока через ветвь делителя тока. Рассчитайте токи через каждый резистор делителя тока по формуле (3.8). Откройте файл с3_008 (рис. 3.8). Подключите амперметры последовательно с каждым резистором и проверьте правильность расчетов.

Результаты экспериментов Эксперимент 1. Замена последовательного соединения резисторов. Сопротивление R1 2 Ома Сопротивление R2 3 Ома

Эксперимент 2. Замена параллельного соединения резисторов. Сопротивление R1 2 Ома Сопротивление R2 3 Ома

Эксперимент 3. Замена последовательного соединения идеальных источников ЭДС. ЭДС Е1 12 В ЭДС Е2 -4 В

Эксперимент 4. Замена параллельного соединения идеальных источников тока. Ток J1 8 А Ток 32 -14 А

Эксперимент 5. Преобразование неидеального источника тока в неидеальный источник ЭДС. Ток J 6 А Внутреннее сопротивление R 5 Ом Сопротивление нагрузки RL 10 Ом

Эксперимент 6. Преобразование неидеального источника ЭДС в неидеальный источник тока. ЭДС Е 15 В Внутреннее сопротивление R 5 Ом Сопротивление нагрузки RL 10 Ом

Эксперимент 7. Измерение напряжения на плече делителя напряжения. Напряжение Е 15 В Сопротивление R1 5 Ом Сопротивление R2 10 Ом

Эксперимент 8. Измерение тока через ветвь делителя тока. Ток J 6 А Сопротивление R1 5 Ом Сопротивление R2 100м

Эквивалентные преобразования двухполюсников
Методические указанияВ упражнениях рассмотрены подробные решения четырех типовых задач и приведены варианты подобных задач для самостоятельного решения. Методика решения таких задач сводится к многократному применению простейших эквивалентных преобразований, рассмотренных в разделе 3.1. Проверка решения может проводиться по отдельным шагам путем построения промежуточных схем замещения в Electronics Workbench. Во всех задачах требуется сопоставление аналитических расчетов с экспериментальными данными, полученными в Electronics Workbench, при этом для измерений используются простые приборы (амперметры, вольтметры, мультиметр в режиме омметра), позволяющие проводить прямые измерения. Задача 1. Расчет схем по закону Ома для полной цепи
Задание: 1. Для схемы на рис. 3.9 рассчитайте ток в цепи. 2. Откройте файл c3_llS.ca4 (рис. 3.9). Проверьте правильность расчета по показанию амперметра в схеме.

Расчет Расчет тока

Расчетное значение
I=(13+7)/5=4
Экспериментальная проверка результатов расчета
Как видно из показании амперметра на рис. 3.10, расчетное и экспериментальное значения совпадают: экспериментальное значение 1=4.0 А
В различных вариантах задач неизвестными могут быть ЭДС Е, сопротивление R или внешнее напряжение Uab. При этом для экспериментальной проверки используется мультиметр в режиме омметра и вольтметр.

Задача 2. Преобразование пассивного двухполюсника
Задание: 1. Для схемы на рис. 3.11 (файл c3_041S.ca4) рассчитайте эквивалентное сопротивление относительно зажимов А и В. 2. Измерьте с помощью приборов эквивалентное сопротивление схемы относительно зажимов А и В.

Расчет Задача решается путем многократного повторения двух элементарных преобразований: свертки последовательного и параллельного соединения двух резисторов. Используем для вычисления программу комплексного калькулятора. Вы можете открыть файл с примером расчета c3_041S.cc и проследить за вычислениями, проходя по строкам программы расчета. Хотя вычисления, необходимые для решения данной задачи, достаточно просты и возможности программы в данном случае избыточны, полезно освоить основные приемы, начиная именно с простых вычислений, чтобы в дальнейшем использовать программу и при расчетах на переменном токе. Мы будем приводить текст программы, соответствующий каждому элементарному шагу, и проверим лишь конечный результат, измерив общее сопротивление двухполюсника в программе Electronics Workbench. Однако, если в результате обнаружится несоответствие, то можно провести измерение сопротивления и после каждого шага, чтобы найти ошибку. По ходу решения мы будем делать некоторые замечания по методике составления программы расчета на Conical. 1. Формулировка условия и ввод исходных данных

Имена постоянных и переменных в программе Comcal должны начинаться со строчной буквы, поскольку прописные буквы зарезервированы для имен функций и операций. Строка в программе комплексного калькулятора, начинающаяся с !, означает комментарий. Запись программы начинается с записи исходных данных, которые вводятся с помощью операции присвоения. После того, как написаны приведенные выше строки, мы можем с помощью клавиши Enter дойти до конца этого фрагмента. При нажатии на клавишу подсвечивается следующая строка и осуществляются вычисления предыдущей строки (если это не пустая строка и не комментарий). Если мы, нажав пять раз Enter, дойдем до строки R2-7, то в нижней строке экрана появится результат операции присвоения, выполненной на предыдущей строке. Это состояние отражено на рис. 3.12.

В графе Real (Действительная часть) мы видим значение сопротивления R1, равное 5.0000000 Е+00. Это число 5, записанное в форме с фиксированной десятичной запятой (или точкой), что соответствует записи 5.0000000 Ю+00. В дальнейшем результат из графы Real мы будем записывать в колонке "Результат расчета " прямо в строке с операцией в тексте программы Comcal, как это сделано выше. 1 2. Преобразование сопротивлений R2, R3

Пройдя строку R23= R2+R3, можно будет прочитать в графе Real результат этой операции 1. 2000000 Е+01, что соответствует 12. В результате этого шага мы преобразовали схему рис. 3.11 в схему, показанную в колонке таблицы. 3. Замена сопротивлений R23 и R4

4. Замена сопротивлении R234,R6 и R7

5. Замена сопротивлении R23467 и R5

6. Замена сопротивлений R234567 и R1

Экспериментальная проверка результатов расчета 7. Измерение сопротивления

Задача 3. Преобразование схемы с одним источником
Задание: 1. Для схемы на рис. 3.14 (файл c3_071S.ca4) в установившемся режиме определите ток 1,ч. Расчет проведите методом свертки. 2. Измерьте с помощью приборов ток в источнике питания и ток I3.

Расчет 1. Исключение реактивных элементов Покажем, что реактивные элементы в установившемся режиме на постоянном токе могут быть исключены из схемы. Напряжение на всех элементах схемы (в том числе и на емкости) постоянно. Для производной напряжения на конденсаторе из компонентных уравнений следует: duc/dt = ic/C= 0, следовательно, ic = 0. Поскольку ток через конденсатор не идет, процессы в схеме не изменятся, если мы заменим емкость разрывом, исключив ее из схемы.
Токи через все элементы схемы (в том числе и через индуктивность) постоянны. Для тока через индуктивность из компонентных уравнений следует: dic/dt = UL/L= О, следовательно, UL = 0. Поскольку напряжение на индуктивности равно нулю, процессы в схеме не изменятся, если мы заменим индуктивность проводом, исключив ее из схемы. После этих замен схема приобретает вид, показанный на рис. 3.15.

2, Формулировка условия и ввод исходных данных
Текст из программы комплексного калькулятора

4. Замена сопротивлений R35, R6

5. Замена сопротивлений R1, R2, R4, R356, R7

6. Определение тока I1

7. Определение тока 13

Экспериментальная проверка результатов расчета
Схема для экспериментальной проверки результатов расчета представлена на рис. 3.16. Измеряются сразу токи I1 и 13. Экспериментальное значение тока I1 1А Экспериментальное значение тока 13 750 мА

Задача 4. Преобразование схемы с несколькими источниками
Задание: Преобразуйте схему рис. 3.17 (файл с3_131) относительно зажимов источника Е1 по методу эквивалентного генератора. Используя параметры эквивалентного генератора, рассчитайте ток источника Е1. Измерьте параметры эквивалентного генератора с помощью мультиметра и ток источника Е1 с по-. мощью амперметра и сравните результаты измерения с расчетными.

1. Формулировка условия и ввод исходных данных
Текст из программы комплексного калькулятора

3. Замена параллельных источников тока

4. Замена неидеальных источников тока J12 и J36 неидеальными источниками напряжения Е12 и Е36

5. Замена последовательного соединения сопротивлений R5, R6

6. Замена неидеального источника напряжения Е36 неидеальным источником тока J356

7. Замена параллельных сопротивлений R4 и R356

8. Замена неидеального источника тока J56 неидеальными источниками напряжения Е3456

9. Замена источников напряжения и сопротивлений в последовательном контуре

10. Измерение эквивалентного напряжения Расчетное значение Е1234567 Е123456 = -22 В Экспериментальное значение Е1234567 Е123456 =-22.0 В

11. Измерение эквивалентного сопротивления Расчетное значение 11=—0.583 А Экспериментальное значение 11= -0.583 А

12. Измерение тока источника питания II Расчетное значение 11=—0.583 А Экспериментальное значение II = -0.583 А

Задачи для самостоятельного исследования /. Проверка обобщенного закона. Ома для полной цепи
В предложенных задачах вычисления довольно просты и достаточно воспользоваться калькулятором из стандартных программ Microsoft Office для Windows. Поскольку необходимо одновременно получить результат в аналитическом виде и провести измерения в Electronics Workbench, целесообразно воспользоваться многооконным режимом работы Windows. Нa puc. 3. 28 приведено положение окон, при котором удобно проводить и анализ, и измерения. Для того, чтобы получить такой вид окна, откройте Electronics Workbench, сверните его до части экрана (щелкнув по средней кнопке в правом верхнем углу) и затем вызовите Калькулятор. Как видно из рис. 3.28, можно непосредственно наблюдать на экране результаты расчета (на табло калькулятора) и эксперимента (на табло измерительных приборов в Electronics Workbench).

Задача 1(с3_011) Для приведенной схемы определите величину ЭДС Е2, при которой показание амперметра в схеме будет равно 2.5 А. Проведите экспериментальную проверку вычисленного значения Е2.

Задача 2 (с3_012) Для приведенной схемы рассчитайте показания амперметра. Проведите экспериментальную проверку вычисленного значения тока.

Задача 3 (с3_013) Для приведенной схемы рассчитайте показания амперметра. Проведите экспериментальную проверку вычисленного значения тока.

Задача 4 (с3_014) Для приведенной схемы рассчитайте значение сопротивления R, при котором показание амперметра в схеме будет равно 2.5 А. Проведите экспериментальную проверку вычисленного значения сопротивления.

Задача 5 (с3_015) Для приведенной схемы определите величину ЭДС Е2, при которой показание амперметра в схеме будет равно 4 А. Проведите экспериментальную проверку вычисленного значения Е2.

Задача 6 (с3_016) Для приведенной схемы определите величину ЭДС Е1, при которой показание амперметра в схеме будет равно 800 мА. Проведите экспериментальную проверку вычисленного значения Е1.

Задача 7 (с3_017) Для приведенной схемы рассчитайте показания вольтметра. Проведите экспериментальную проверку вычисленного значения напряжения.

Задача 8 (с3_018) Для приведенной схемы рассчитайте показания вольтметра. Проведите экспериментальную проверку вычисленного значения напряжения.

Задача 9 (с3_019) Для приведенной схемы рассчитайте показания вольтметров VI и V2. Проведите экспериментальную проверку вычисленных значений.

Задача 10 (с3_020) Для приведенной схемы рассчитайте показания вольтметров VI и V2. Проведите экспериментальную проверку вычисленных значений.

Задача 11 (с3_021) Для приведенной схемы рассчитайте показания вольтметров VI и V2. Проведите экспериментальную проверку вычисленных значений.

Задача 12 (с3_022) Для приведенной схемы рассчитайте показания вольтметров VI и V2. Проведите экспериментальную проверку вычисленных значений.

Задачи с3_023...с3_040 помещены на прилагаемой к книге дискете.
В следующих задачах вычисления уже не укладываются в одно действие и целесообразно применить более сложную программу анализа, в которой можно было бы видеть ход решения. Эта программа должна быть достаточно простой и в то же время давать возможность следить за ходом решения. Предлагаемый в этом руководстве для таких расчетов калькулятор комплексных чисел Conical прост в освоении, позволяет достаточно быстро получать результат и наблюдать ход решения на экране одновременно с результатами эксперимента в Electronics Workbench в многооконном режиме работы Windows. Программа устанавливается на компьютер с прилагаемого гибкого диска (каталог Comcal). На рис. 3.39 приведено положение окон, при котором удобно проводить и анализ и измерения. Для того, чтобы получить такой вид окна откройте Electronics Workbench, сверните его до части экрана (щелкнув на средней кнопке в правом верхнем углу) и затем вызовите Conical. Как видно из рис. 3.29, можно непосредственно наблюдать на экране результаты расчета (на табло калькулятора) и эксперимента (на табло измерительных приборов в Electronics Workbench). Большим достоинством калькулятора

Comcal является возможность писать комментарии, благодаря чему его файлы можно использовать для демонстрации условий задач, открывая их одновременно с файлами Electronics Workbench. В настоящем руководстве предлагается для аналитического расчета открыть файл с расширением *.сс с гибкого диска, сохранить его на жестком диске и приспособить к своей задаче правкой, что существенно упрощает программирование. Этот файл является текстовым файлом и его можно править в любом текстовом редакторе операционной системы DOS.
Задача 1 (с3_041) Дано: R1=1 Ом; R2=1 Ом; R3=2 Ом; R4=2 Ом; R5- 8 Ом; R6-3 Ом; R7=4 Ом Определить эквивалентное сопротивление цепи. Провести экспериментальную проверку результата расчетов.

Задача 2 (с3_042) Дано: R1=3 Ом; R2=4/3 Ом; R3=2 Ом; R4=0,5 Ом; R5= 0,5 Ом; R6=2 Ом; R7=2 Ом. Определить эквивалентное сопротивление цепи. Провести экспериментальную проверку результата расчетов.

Задача 3 (с3_043) Дано: R1-6 Ом; R2-3 Ом; R3-4 Ом; R4-5 Ом; R5= 7 Ом; R6=8 Ом; R7=15 Ом Определять эквивалентное сопротивление цепи. Провести экспериментальную проверку результата расчетов.

Задача 4 (с3_044) Дано: R1=6 Ом; R2=12 Ом; R3=5 Ом; R4=6,25 Ом; R5 = 5 Ом; R6=15 Ом. Определить эквивалентное сопротивление цепи. Провести экспериментальную проверку результата расчетов.

Задача 5 (с3_045) Дано: R1=12 Ом; R2=4 Ом; R3=8 Ом; R4-2 Ом; R5= 4 Ом; R6=12 Ом; R7=3 Ом. Определить эквивалентное сопротивление цепи. Провести экспериментальную проверку результата расчетов.

Задача 6 (с3_046) Дано: R1=7 Ом; R2=2 Ом; R3=3 Ом; R4-2.33 Ом; R5= 4 Ом; R6=3 Ом; R7-5 Ом; R8=3 Ом. Определить эквивалентное сопротивление цепи. Провести экспериментальную проверку результата расчетов.

Задача 7 (с3_047) Дано: R1=10 Ом; R2=6 Ом; R3=7 Ом; R4=1 Ом; R=-16 Ом; R6=9 Ом. Определить эквивалентное сопротивление цепи. Провести экспериментальную проверку результата расчетов.

Задача 8 (с3_048) Дано: R1=3 Ом; R2=6 Ом; R3=5 Ом; R4=6 Ом; R5= 3 Ом; R6=6 Ом; R7=6 Ом; R8=9 Ом. Определить эквивалентное сопротивление цепи. Провести экспериментальную проверку результата расчетов.

Задачи с3_049... с3_070 помещены на дискету, прилагаемую к книге.
3. Задачи на свертку - развертку
Задача 1 (с3_071) Дано: Е=5 В; R1=4 Ом; R2=2 Ом; R3=1 Ом; R4=1 Ом; С=0.5 пФ; L=1 Гн. Определить ток II методом свертки, а затем ток 13, используя выражение для делителя тока. Провести экспериментальную проверку результата расчетов.

Задача 2 (с3_072) Дано: Е=12 В; R1=4 Ом; R2=4 Ом; R3=2 Ом; R4=3 Ом; R5=12 Ом; R6=3 Ома ; С=5 мФ; L=1 Гн. Определить ток I1 методом свертки, а затем ток 13, используя выражение для делителя тока. Провести экспериментальную проверку результата расчетов.

Задача 3 (С3_073) Дано: Е=12 В; R1=3 Ом; R2=6 Ом; R3=8 Ом; R4=20м; R5=1,5 Ом; R6=10м; С1=1пФ; С2=1,5пФ;L=ЗмГн. Определить ток II методом свертки, а затем ток 13, используя выражение для делителя тока. Провести экспериментальную проверку результата расчетов.

Задача 4 (с3_074) Дано: Е=26 В; R1=10 Ом; R2-12 Ом; R3=6 Ом; R4=40M;R5=30M;R6=100M;R7=150M; C1=0,1 пФ; С2=0,2 пФ; С3=0,1 пФ; L=3 Гн. Определить ток II методом свертки, а затем ток 13, используя выражение для делителя тока. Провести экспериментальную проверку результата расчетов.

Задача 5 (с3_075) Дано: Е=20 В; R1=5 Ом; R2=5 Ом; R3=20 Ом; R4=7 Ом; R5=5 Ом; R6=8 Ом; R7=8 Ом; С1=5 пф; С2=1 пФ; L=2 мГн. Определить ток II методом свертки, а затем ток 13, используя выражение для делителя тока. Провести экспериментальную проверку результата расчетов.

Задача 6 (с3_076) Дано: Е=30 В; R1=1 Ом; R2=1 Ом; R3=2 Ом; R4=8 Ом; R5=3 Ом; R6=3 Ом; R7=2 Ом; R8=9 Ом; R9=5 Ом; С1=1 пф; С2=0,5 пф; С3=0,о пф; L=1 мГн. Определить ток I1 методом свертки", а затем ток 13, используя выражение для делителя тока. Провести экспериментальную проверку результата расчетов.

Задача 7 (с3_077) Дано: Е=27 В; R1=5,67 Ом; R2=3 Ом; R3=5 Ом; R4=5 Ом; R5=3 Ом; R6=3 Ом; R7=8 Ом; R8=4 Ом; 9=7 Ом; R10=5 Ом; С=5 пф; L1=1 мГн; L2=2 мГн. Определить ток I1 методом свертки, а затем ток 13, используя выражение для делителя тока. Провести экспериментальную проверку результата расчетов.

Задача 8 (с3_078) Дано: Е=12 В; R1=9 Ом; R2=8 Ом; R3=5 Ом; R4=4 Ом; R5=10 Ом; R6=3 Ом; R7=3 Ом; R8=10 Ом; С1=1 пф; С2=0,5 пф; С3= 2 пф. Определить ток I1 методом свертки, а затем ток I3, используя выражение для делителя тока. Провести экспериментальную проверку результата расчетов.

Задачи с3_079...с3_099 помещены на дискету, прилагаемую к книге.
4. Преобразование цепей с несколькими источниками
Задача 1 (с3_101) Дано: Е1=7 В; Е2=24 В; Е3=6 В; Е4=30 В; Е5=6 В; Е6=19 В; J7=2 A; R1=6 Ом; R2=12 Ом; R3=3 Ом; R4=90M;R5=60M. а) Рассчитать ток в сопротивлении R2 по методу эквивалентного генератора, б) Составить систему уравнений по законам Кирхгофа, методу контурных токов, методу узловых потенциалов, в) Для любого выбранного контура построить потенциальную диаграмму. Провести экспериментальную проверку результата расчетов.

Задача 2 (с3_102) Дано: J1=1A; Е2=7 В; ЕЗ=3 В; Е4=6 В; Е5=5 В; Е6=10 В; R2=7 Ом; R4=3 Ом; R5=1 Ом; R6=2 Ом; R7=20м. а) Рассчитать ток в сопротивлении R7 по методу эквивалентного генератора, б) Составить систему уравнений по законам Кирхгофа, методу контурных токов, методу узловых потенциалов, в) Для любого выбранного контура построить потенциальную диаграмму. Провести экспериментальную проверку результата расчетов.

Задача 3 (с3_103) Дано: J7=6A; Е2=12 В; Е3=12 В; Е5=15 В; R1=6 Ом; R2=3 Ом; R3=4 Ом; R5=5 Ом; R6=10 Ом. а) Рассчитать ток в сопротивлении R6 по методу эквивалентного генератора, б) Составить систему уравнений по законам Кирхгофа, методу контурных токов, методу узловых потенциалов, в) Для любого выбранного контура построить потенциальную диаграмму. Провести экспериментальную проверку результата расчетов.

Задача 4 (с3_104) Дано: J1=3A; E2=18 В; Е3=1 В; Е4=15 В; Е6=10 В; Е7=4 В; R2=6 Ом; R3=5,7 Ом; R4=3 Ом; R5=90м; R6=30м. а) Рассчитать ток в сопротивлении R5 по методу эквивалентного генератора, б) Составить систему уравнений по законам Кирхгофа, методу контурных токов, методу узловых потенциалов, в) Для любого выбранного контура построить потенциальную диаграмму. Провести экспериментальную проверку результата расчетов.

Задача 5 (с3_105) Дано: Е1=12 В; Е2=5 В; Е3=12 В; Е4=6 В: R1=3 Ом; R3=4 Ом; R4=6 Ом; R5=6 Ом; R6= 2 Ом. а) Рассчитать ток в сопротивлении R5 по методу эквивалентного генератора, б) Составить систему уравнений по законам Кирхгофа, методу контурных токов, методу узловых потенциалов, в) Для любого выбранного контура построить потенциальную диаграмму. Провести экспериментальную проверку результата расчетов.

Задача 6 (с3_106) Дано: Е2=2 В; Е3=12 В; Е4=15 В; Е5=15 В; Е7=20 В; J1=10 A; R7=1 Ом; R2=2 Ом; R3-3 Ом; R5=5 Ом; R6=100M;R8=2,30M. а) Рассчитать ток в сопротивлении R8 по методу эквивалентного генератора, б) Составить систему уравнении по законам Кирхгофа, методу контурных токов, методу узловых потенциалов, в) Для любого выбранного контура построить потенциальную диаграмму. Провести экспериментальную проверку результата расчетов.

Задача 7 (с3_107) Дано: Е1=9 В; Е2=15 В; Е3=7 В; Е4=12 В; Е5=8 В; J6=1 A; R1=3 Ом; R2=3 Ом; R3=5 Ом; R4=6 Ом; R5=4 Ом. а) Рассчитать ток через сопротивление R5 по методу эквивалентного генератора, б) Составить систему уравнений по законам Кирхгофа, методу контурных токов, методу узловых потенциалов. в) Для любого выбранного контура построить потенциальную диаграмму. Провести экспериментальную проверку результата расчетов.

Задача 8 (с3_108) Дано: Е1=6 В; Е2=9 В; Е4=54 В; Е5=2 В; Еб=8 В; J7=3 A; R1=1 Ом; R2=2 Ом; R3-3 Ом; R4=6 Ом; R5=4,50M;R6=20M. а) Рассчитать ток через сопротивление R4 по методу эквивалентного генератора, б) Составить систему уравнений по законам Кирхгофа, методу контурных токов, методу узловых потенциалов. в) Для любого выбранного контура построить потенциальную диаграмму. Провести экспериментальную проверку результата расчетов.

Задачи с3_109...с3_126 помещены на дискету, прилагаемую к книге.
Цепи постоянного тока

ЭКСПЕРИМЕНТЫ
3.1. Преобразования двухполюсников
УПРАЖНЕНИЯ
3.2. Эквивалентные преобразования двухполюсников
Электротехника и электроника
Анализ схем на переменном токе
Методические указания В этом разделе представлены упражнения по расчету и пошаговой экспериментальной проверке его результатов на Electronics Workbench для схем, содержащих один источник гармонического сигнала и разветвленную пассивную часть. Традиционным методом решения таких задач является метод свертки-развертки схемы. Вычисления при этом должны выполняться в комплексной форме с применением соответствующего калькулятора. Для вычислений с комплексными числами мы рекомендуем простую программу Comcal, описание которой приведено в приложении 2 и в рассмотренном примере решения (задача 1) показано применение этой программы. Electronics Workbench позволяет проводить пошаговую проверку результатов расчета путем соответствующих измерений. На каждом шаге расчета мы получаем комплексное сопротивление или комплексы тока и напряжения, которые могут быть измерены косвенно с помощью осциллографа или непосредственно с помощью Боде-плоттера (методика таких измерений изложена в приложении 1). В другом примере (задача 2) иллюстрируется применение метода пропорциональных величин для расчета линейных схем. Метод позволяет установить все амплитудно-фазо-вые соотношения по отношению к току или напряжению выбранного элемента при произвольно заданной их величине. Обычно расчет доводят до вычисления параметров входного источника энергии. Очевидно, что изменение амплитуды источника приведет к пропорциональному изменению амплитуд всех векторов, а изменение его фазы — к повороту всей диаграммы на угол, равный этому изменению. Задача 1. Расчет схемы, методом сверткиЗадание: В схеме рис. 4.11 определить методом свертки-развертки комплекс тока через сопротивление Ri и вычислить полную мощность источника питания в комплексной форме записи. ФайлСЗ_07. са4, рис. 4.11

Порядок расчета
Шаг 1. Рассчитывается реактивное сопротивление катушки индуктивности Х2.
Шаг 2. Рассчитывается эквивалентное комплексное сопротивление Z12 двух параллельных ветвей Х2 и R1.
Шаг 3. Рассчитывается полное сопротивление пассивного двухполюсника нагрузки Z123.
Шаг 4. Вычисляется ток 13 через конденсатор СЗ. Шаг 5. По формуле делителя тока вычисляется ток IR1
Расчет
Текст из программы комплексного калькулятора с результатами !
Расчет схемы из трех пассивных элементов с одним источником !
Исходные данные F=50 R1-60 L2=0.2 03=0.0000398 Е=100 !
Определить токи и напряжения для всех компонентов !
Найти полную, активную и реактивную мощности !
Расчет проведем методом свертки-развертки Результат операции вместе с текстом ее мы будем отражать в таблице. !
Определяем входное сопротивление методом свертки
В разделе 3.2 мы использовали для расчетов с действительными числами только одно табло для вывода результата (Real). Однако в данной задаче расчет должен вестись уже над полем комплексных чисел и для информации о результате используются еще четыре табло: мнимая часть (Imag), модуль числа (Abs), аргумент в радианах (Arg, рад) и в градусах (Arg, rp). tiapuc. 4.12 табло представляют результат вычисления комплекса Z123. Положение курсора (серая полоса на. рис. 4.12) показывает, что вычисляется именно эта величина.


Экспериментальная проверка результатов расчета Для экспериментальной проверки правильности вычислении необходимо измерить комплексное сопротивление пассивной части цепи. В показательной форме записи комплексное сопротивление характеризуется двумя величинами: модулем и фазой, каждая из них должна измеряться в отдельности. Учитывая, что комплексное сопротивление двухполюсника равно отношению комплекса напряжения к комплексу тока, можно предложить следующую методику экспериментального измерения: подключить на вход цепи источник тока с действующим значением 1 А и нулевой начальной фазой и измерить комплекс напряжения на зажимах двухполюсника, величина которого и будет численно равна комплексному сопротивлению. Таким образом мы свели задачу к измерению комплекса напряжения. Проще всего измерить параметры, составляющие комплекс при записи его в показательной форме: модуль и фазу. Модуль измеряется обычным вольтметром действующих значений, а фаза осциллографом. Однако более рационально измерение комплекса напряжения с помощью Боде-плоттера. Схема такого измерения представлена на рис. 4.13. Схема для экспериментальной проверки шагов 1..3

Расчет Текст из программы комплексного калькулятора с результатами .' Определяем ток источника питания
Операция
Экспериментальная проверка результатов расчета Схема для экспериментальной проверки шага 4

Идея экспериментальной проверки правильности расчета тока источника питания заключается в следующем: а). На вход схемы рис. 4.14 подключается источник тока с вычисленными на шаге 4 параметрами; б). Напряжение на входе схемы сравнивается с заданным в условии напряжением источника питания. Вольтметр, включенный последовательно с источником ЭДС, оценивает ошибку расчета. Шаги 5. 6,7, 8, 9
Расчет Текст из программы комплексного калькулятора с результатами / Определяем токи через параллельные ветви по формуле делителя тока
Операция
/ Определяем потенциал узлаА
Операция
' Определяем комплекс мощности

Экспериментальная проверка результатов расчета Схема для экспериментальной проверки шагов 5, 6, 7, 8

Схема для получения осциллограмм мгновенной мощности источника питания (рис. 4.16а, б)


Задача 2. Применение метода пропорциональных величин для расчета схем
Задание: Для схемы рис. 4.17 определить напряжение на входе, если ток 14 равен 4А. Расчет сопровождать построением топографической векторной диаграммы напряжений и векторной диаграммы токов. Файл с4_08.

Порядок расчета и построения векторной диаграммы
Шаг 1. Вектор 14 направляем по действительной оси. По заданному току 14 определяем напряжение UA. Строим вектор UA.
Шаг 2. По напряжению UA определяем ток 15. Строим вектор 15.
Шаг 3. На основании 1 закона Кирхгофа для узла А вычисляем ток 13. Строим вектор 13. Проверяем полученные соотношения экспериментально.
Шаг 4. Вычисляем напряжение UAB. На основании второго закона Кирхгофа определяем напряжение UB. Строим вектор UB.
Шаг 5. Определяем вектор тока 12. Вычисляем напряжение UBC. На основании второго закона Кирхгофа определяем напряжение UC. Строим вектор UC.
Шаг 6. На основании 1 закона Кирхгофа для узла А вычисляем ток I1. Строим вектор I1.
Шаг 7. Вычисляем напряжение UCD. На основании второго закона Кирхгофа определяем напряжение UD. Строим вектор UD.
Шаги 1,2и 3
Расчет и построение векторных диаграмм Расчет проведем, предположив, что ток через сопротивление R4 имеет нулевую фазу, вектор тока на комплексной плоскости направлен по действительной оси. Вычисления будем проводить в программе комплексного калькулятора (файл сЗ_8.сс), текст которого будем приводить по ходу решения вместе с результатами расчета. Текст из программы комплексного калькулятора с результатами ! Расчет схемы сложной схемы с одним источником ! Исходные данные F=50 R1=1 R2=1.5 С2=0.001591 С3=0.003183 R4=l L5=0.004244 14=4 ! 1. Напряжение на R4
Операция
Операция
Операция
Поскольку напряжение на резисторе совпадает по направлению с током, вектор напряжения U4 также направлен по действительной оси (рис, 4,186). Ток же через катушку индуктивности 15 должен отставать от напряжения на ней на 90 (рис. 4.18а). Первый закон Кирхгофа для узла А графически отражается прямоугольным треугольником токов (рис. 4.18а). Прямоугольный треугольник токов отражает первый закон Кирхгофа для параллельного соединения активного и реактивного сопротивлений.
Векторные диаграммы

Экспериментальная проверка результатов расчета Схема для экспериментальной проверки шагов 1..3

Для экспериментальной проверки этой части расчета достаточно к узлу А подключить источник тока, действующее значение и фаза которого совпадают с вычисленными значениями для комплекса 13, и проверить действующие значения токов в ветвях. Как видно из рис. 4.19, и действующие значения, и фаза суммарного тока совпадают с расчетными.
Шаг 4
Расчет и построение векторных диаграмм для схемы рис. 4.21 Текст из программы комплексного калькулятора с результатами ' 4. Второй закон Кирхгофа для потенциала узла В
Операция
Векторные диаграммы

Вектор напряжения на емкостном сопротивлении ХЗ по правилам построения топографической диаграммы напряжений мы должны построить из конца вектора напряжения на R4. Кроме того, он должен отставать от вектора тока 13 на 90° (рис. 4.206). По второму закону Кирхгофа потенциал UB=U4+UBA. Второй закон для последовательной цепи из трех участков графически отражается треугольником ОАВ (рис. 4.206). Экспериментальная проверка результатов расчета Для экспериментальной проверки этой части расчета достаточно к узлу В подключить источник напряжения, действующее значение и фаза которого совпадают с вычисленными значениями для комплекса UB, и проверить действующие значения токов в ветвях. Как видно из рис. 4.21, при действующем значении и фазе напряжения UB, совпадающих с расчетными, токи имеют вычисленные значения. Схема для экспериментальной проверки шага 4

Шаг 5
Расчет и построение векторных диаграмм Текст из программы комплексного калькулятора с результатами ! 5.Ток для ветви R2-C2 (рис. 4.17)
Операция
Поскольку вектор UR2 совпадает по направлению с вектором 12, а вектор UC2 должен отставать от него на 90, второй закон Кирхгофа для RC-ветви отображается графически прямоугольным треугольником (рис. 4.226}. Векторные диаграммы

Экспериментальная проверка результатов расчета Для экспериментальной проверки этой части расчета необходимо к узлу В подключить ветвь R2—C2 и проверить действующие значения тока в ней. Как видно из рис. 4.23, оно совпадает с вычисленным. Схема для экспериментальной проверки шага 5 (см. рис. 4.23) Шаги 6 и 7
Расчет и построение векторных диаграмм Текст из программы комплексного калькулятора с результатами .' 6. Потенциал узла С (рис. 4.17)
Операция
! 7. Первый закон Кирхгофа для узла В
Операция

Векторные диаграммы

Экспериментальная проверка результатов расчета Для экспериментальной проверки этой части расчета необходимо к узлу В подключить вольтметр к конденсатору С2 и амперметр в цепь питания, проверить действующие значения тока и напряжения. Как видно из рис. 4.23, они совпадают с вычисленными. Схема для экспериментальной проверки шагов 6 и 7 (см. рис. 4.25) Шаг 8
Расчет и построение векторных диаграмм Текст из программы комплексного калькулятора с результатами 8. Второй закон Кирхгофа для потенциала узла D
Операция
Экспериментальная проверка результатов расчета Для экспериментальной проверки расчета в целом необходимо к узлу D подключить источник напряжения, действующее значение и фаза которого равны вычисленным для напряжения UD, и проверить действующие значения токов и напряжений в схеме. Как видно из рис. 4.25, они совпадают с вычисленными. Шаг 9
Расчет и построение векторных диаграмм

Текст из программы комплексного калькулятора с результатами ! 9. Вычисление полной мощности цепи в комплексной форме

Операция
Экспериментальная проверка результатов расчета Экспериментальная проверка результатов расчета проводится так же, как в задаче 1.
Векторные диаграммы тока, напряжения и мощности

Задачи для самостоятельного решения 1, Простые схемы
Задачи, приведенные в файлах с4_11... С4_40, решаются подобно задаче 1, разобранной в разделе 4.2.
Задача 1 (с4_11) Определить комплекс тока через катушку индуктивности L2 методом свертки-развертки. Рассчитать комплекс мощности, определить активную, реактивную и полную мощности цепи. Провести экспериментальную проверку результатов расчета.

Задача 2 (с4_12) Определить комплекс тока через сопротивление R1 методом свертки-развертки. Рассчитать комплекс мощности, определить активную, реактивную и полную мощности цепи. Провести экспериментальную проверку результатов расчета.

Задача 3 (с4_13) Определить комплекс тока через сопротивление R2 методом свертки-развертки. Рассчитать комплекс мощности, определить активную, реактивную и полную мощности цепи. Провести экспериментальную проверку результатов расчета.

Задача 4 (с4_14) Определить комплекс тока через сопротивление R1 методом свертки-развертки. Рассчитать комплекс мощности, определить активную, реактивную и полную мощности цепи. Провести экспериментальную проверку результатов расчета.

Задача 5 (с4_15) Определить комплекс напряжения на сопротивлении R3 методом свертки-развертки. Рассчитать комплекс мощности, определить активную, реактивную и полную мощности цепи. Провести экспериментальную проверку результатов расчета.

Задача 6 (с4_16) Определить комплекс напряжения на сопротивлении R2 методом свертки-развертки. Рассчитать комплекс мощности, определить активную, реактивную и полную мощности цепи. Провести экспериментальную проверку результатов расчета.

Задача 7 (с4_17) Определить комплекс тока через сопротивление R2 методом свертки-развертки. Рассчитать комплекс мощности, определить активную, реактивную и полную мощности цепи. Провести экспериментальную проверку результатов расчета.

Задача 8 (с4_18) Определить комплекс тока через сопротивление R2 методом свертки-развертки. Рассчитать комплекс мощности, определить активную, реактивную и полную мощности цепи. Провести экспериментальную проверку результатов расчета.

Задача 9 (с4_19) Определить комплекс тока через сопротивление R2 методом свертки-развертки. Рассчитать комплекс мощности, определить активную, реактивную и полную мощности цепи. Провести экспериментальную проверку результатов расчета.

Задача 10 (с4_20) Определить комплекс тока через сопротивление R2 методом свертки-развертки. Рассчитать комплекс мощности, определить активную, реактивную и полную мощности цепи. Провести экспериментальную проверку результатов расчета.

Задачи с4_21...с4_40 помещены на дискете, прилагаемой к книге.
2. Многоконтурные схемы
Задачи, приведенные в файлах с4_41... с4_70, решаются подобно задаче 2, разобранной в разделе 4.2. Все задачи отличаются лишь схемой и имеют общее задание: а) Рассчитать все необходимые комплексы и построить векторную диаграмму токов и топографическую диаграмму напряжений. б) Рассчитать полную S, активную Р и реактивную Q мощности цепи синусоидального тока. в) Построить на одном графике временные диаграммы зависимостей uвх(t), iвх(t), рвх(t). По результатам расчета указать на временной диаграмме pax(t) численные значения полной S и активной Р мощностей. г) Проверить экспериментально результаты расчета.
Задача 1 (с4_41)

Задача 2 (с4_42)

Задача 3 (с4_43)

Задача 4 (с4_44)

Задача 5 (с4_45)

Задача 6 (с4_46)

Задача 7( с4_47)

Задача 8 (с4_48)

Задача 9 (с4_49)

Задача 10 (с4_50)

Задача 11 (с4 51)

Задача 12 (с4_52)

Задача 13 (с4_53)

Задача 14 (с4 54)

Задача 15 (с4_55)

Задача 16 (с4_56)

Задачи с 4_57...с 4_70 помещены на прилагаемой к книге дискете.
Цепи переменного тока

ЭКСПЕРИМЕНТЫ
4.1. Амплитудно-фазовые соотношения в простых цепях
УПРАЖНЕНИЯ
4.2. Анализ схем на переменном токе
Эксперименты
Эксперименты4.1. Амплитудно-фазовые соотношения в простых цепях
Цель 1. Анализ амплитудно-фазовых соотношений для тока и напряжения в резисторе, конденсаторе и катушке индуктивности при гармоническом воздействии. Исследование мгновенной, полной, активной и реактивной мощностей в этих элементах. 2. Исследование амплитудно-фазовых соотношений для токов и напряжений при последовательном и параллельном соединениях активного и реактивного компонентов (резистора и конденсатора, резистора и катушки индуктивности). Получение временных диаграмм токов и напряжений при гармоническом воздействии. Исследование связи мгновенной, полной, активной и реактивной мощностей для пассивного двухполюсника. 3. Исследование амплитудно-фазовых соотношений для токов и напряжений в схемах, содержащих три компонента. Измерение мгновенной, полной, активной и реактивной мощностей. 4. Анализ амплитудно-фазовых соотношений для токов и напряжений в пассивных двухполюсниках со сложной структурой. Приборы и элементы

Краткие сведения из теории 1. Комплекс емкостного сопротивления

где модуль емкостного сопротивления хc вычисляется по формуле:

С - величина емкости, f - частота гармонического сигнала. 2. Комплекс индуктивного сопротивления

где ХL - модуль индуктивного сопротивления ХLкоторый вычисляется по формуле:

L - величина индуктивности, f - частота гармонического сигнала. 3. Полное комплексное сопротивление двухполюсника

где z - модуль комплексного сопротивления, равный

х - реактивное сопротивление двухполюсника, равное

4. Закон Ома в комплексной форме
5. Мгновенная мощность двухполюсника

6. Полная мощность двухполюсника, определяемая произведением действующих значений тока и напряжения

7. Активная мощность двухполюсника, определяемая постоянной составляющей временной функции мгновенной мощности

8. Реактивная мощность двухполюсника

9. Связь полной, активной и реактивной мощностей двухполюсника с мгновенными значениями мощности

где ртах и pmin - соответственно максимальное и минимальное значения мгновенной мощности.
Порядок проведения экспериментов Эксперимент 1. Резистор на переменном токе. а). Измерение действующего значения тока в цепи. Рассчитайте действующее значение тока в резисторе. Откройте файл с4_01.са4 (рис, 4.1), Подключите амперметр и проверьте правильность расчета. б). Измерение фазы тока. Подключите осциллограф и проверьте соответствие экспериментального значения фазы тока теоретическому. в). Измерение активной, реактивной и полной мощностей^ Подайте сигналы, пропорциональные току и напряжению, на два входа умножителя, подключите на выход умножителя осциллограф и по осциллограмме мощности определите активную мощность. Подключите на выход умножителя вольтметр постоянного напряжения, убедитесь, что с точностью до коэффициента он измеряет активную мощность. Определите этот коэффициент.

Эксперимент 2. Конденсатор на переменном токе. а). Измерение действующего значения тока в цепи. Рассчитайте действующее значение тока в конденсаторе. Откройте файл с4_02.са4 (рис. 4.2). Подключите амперметр и проверьте правильность расчета. б). Измерение фазы тока. Подключите осциллограф и проверьте соответствие экспериментального значения фазы тока теоретическому. в). Измерение активной, реактивной и полной мощностей. Подайте сигналы, пропорциональные току и напряжению, на два входа умножителя, подключите на выход умножителя осциллограф и по осциллограмме мощности определите реактивную мощность конденсатора.

Эксперимент 3. Катушка индуктивности на переменном токе. а). Измерение действующего значения тока в цепи. Рассчитайте действующее значение тока в катушке индуктивности. Откройте файл с4_03.са4 (рис. 4.3). Подключите амперметр и проверьте правильность расчета. б). Измерение фазы тока. Подключите осциллограф и проверьте соответствие экспериментального значения фазы тока теоретическому. в). Измерение активной, реактивной и полной мощностей. Подайте сигналы, пропорциональные току и напряжению, на два входа умножителя и по осциллограмме мощности определите реактивную мощность катушки.

Эксперимент 4. RC-цепь на переменном токе.
а). Измерение действующих значений токов и напряжений в цепи. Для схемы рис. 4.4 рассчитайте входное комплексное сопротивление, комплекс тока в контуре, напряжения на каждом компоненте. Откройте файл с4_04.са4. Результаты расчета проверьте экспериментально с помощью вольтметров и амперметра. По результатам эксперимента постройте топографические векторные диаграммы. б). Измерение фазовых углов напряжений в цепи, Рассчитайте комплексы напряжений. Подключите осциллограф и проверьте соответствие экспериментальных значений фазовых сдвигов этих напряжений расчетным. Сопоставьте сдвиг фаз с векторной диаграммой. в). Измерение активной, реактивной и полной мощностей. Откройте файл с4_04Р.са4 (рис. 4.5). Подайте сигналы, пропорциональные току и напряжению, на два входа умножителя, подключите на выход умножителя осциллограф и по осциллограмме мощности определите активную и полную мощности. Подключите на второй вход осциллографа сигналы напряжения источника питания и напряжения на резисторе (пропорционального току) через коммутатор commut. Сопоставьте осциллограмму мощности с осциллограммами тока и напряжения источника питания.


Эксперимент 5. RL-цепь на переменном токе. а). Измерение действующих значений токов и напряжений в цепи. Для схемы рис. 4.3а рассчитайте входное комплексное сопротивление, комплекс тока в контуре, напряжения на каждом компоненте, используя формулы (4.3), (4.4), (4.5), (4.8). Откройте файл с4_05.са4 (рис. 4.6). Результаты расчета проверьте экспериментально с помощью вольтметров и амперметра. По результатам эксперимента постройте топографические векторные диаграммы. б). Измерение фазовых углов напряжений в цепи. Рассчитайте комплексы напряжений. Подключите осциллограф и проверьте соответствие экспериментальных значений фазовых сдвигов этих напряжений расчетным. Сопоставьте сдвиг фаз с векторной диаграммой.

в). Измерение активной, реактивной и полной мощностей. Откройте файл с4_05Р.са4 (рис. 4.7). Подайте сигналы, пропорциональные току и напряжению источника питания, на два входа умножителя, подключите на выход умножителя осциллограф и по осциллограмме мощности определите активную и полную мощности. Подключите на второй вход осциллографа сигналы напряжения источника питания и напряжения на резисторе (пропорционального току) через коммутатор commut. Сопоставьте осциллограмму мощности с осциллограммами тока и напряжения источника питания.

Эксперимент 6. Влияние положения точки заземления на вид топографической диаграммы напряжений. Откройте файл с4_06.са4. Подайте на входы осциллографа напряжения Ua10Ua20 с двух схем (а и б). Убедитесь в том, что фазы напряжений Ua0в этих схемах различны и объясните это с помощью векторных диаграмм

Результаты экспериментов Эксперимент 1. Резистор на переменном токе. Исходные данные Действующее значение напряжения Е 120 В Активное сопротивление R 1200м Частота f 50 Гц а). Измерение действующего значения тока в цепи,

б). Измерение фазы тока.

в). Измерение активной, реактивной и полной мощностей,

Эксперимент 2. Конденсатор на переменном токе. Исходные данные Действующее значение напряжения Е 120 В Емкость С 53 мкФ Частота f 50 Гц а). Измерение действующего значения тока в цепи.

б). Измерение фазы тока.


в). Измерение активной, реактивной и полной мощностей.


Эксперимент 3. Катушка индуктивности на переменном токе. Исходные данные Действующее значение напряжения Е 120 В Индуктивность L 764 мГн Частота f 50 Гц а). Измерение действующего значения тока в цепи.

б). Измерение фазы тока.

в). Измерение активной, реактивной и полной мощностей.

Эксперимент 4. КС-цепь на переменном токе. Исходные данные Активное сопротивление R 120 Ом Емкость С 53 мкФ Частота f 50 Гц а). Измерение комплексного сопротивления и действующих значений токов и напряжений в цепи.


б). Измерение фазовых углов напряжений в цепи.

в). Измерение активной, реактивной и полной мощностей.

Эксперимент 5. RL-цепь на переменном токе. Исходные данные Активное сопротивление R 60 Ом Индуктивность L 254.5мГн Частота f 50 Гц а). Измерение комплексного сопротивления и действующих значений токов и напряжений в цепи.

Топографическая векторная диаграмма
б). Измерение фазовых углов напряжений в цепи.

в). Измерение активной, реактивной и полной мощностей.

Эксперимент 6. Влияние положения точки заземления на вид топографической векторной диаграммы напряжений Для схемы на рuc. 4.8a

Топографические векторные диаграммы

Вопросы
1. Каковы основные характеристики гармонического сигнала?
2. Чем различаются понятия фазового сдвига и начальной фазы для гармонических сигналов?
3. Какова связь между действующим, средним и амплитудным значениями гармонического сигнала?
4. Для каких значений переменных сигналов (мгновенных, действующих, средних, амплитудных) справедливы законы Кирхгофа?
5. Какова связь между частотой f, периодом Т и угловой частотой )?
6. Как изображается гармоническое колебание с помощью вектора? Что такое векторная диаграмма, топографическая диаграмма напряжений?
7. Как сдвинуты друг относительно друга векторы тока и напряжения для резистора, конденсатора и катушки индуктивности?
8. В чем заключается идея символического метода расчета?
9. Как изображаются гармонические токи и напряжения в комплексной форме (алгебраическая и показательная форма)?
10. Как представляются гармонические токи и напряжения на комплексной плоскости?
11. Можно ли применять все методы расчета цепей постоянного тока для расчета цепей символическим методом?
12. Что такое комплексное сопротивление конденсатора и катушки индуктивности, как записать его в алгебраической и показательной форме?
13. Как измерить комплексное сопротивление пассивного двухполюсника?
14. Как по комплексному изображению гармонического сигнала определить оригинал?
15. Какими мощностями характеризуются цепи при гармоническом воздействии? Каковы их определения?
16. Как получить осциллограмму мгновенной мощности для пассивного двухполюсника? Какова частота колебаний мгновенной мощности?
17. Как по графику мгновенной мощности определить полную, активную и реактивную мощности пассивного двухполюсника? 18. Как записывается полная комплексная мощность цепи через комплексы тока и напряжения?
19. Как связана полная комплексная мощность с активной и реактивной мощностями?
20. По каким формулам можно рассчитать полную, активную и реактивную мощности?
21. Как измерить активную мощность в программе Eitctronics Workbench?
22. Как измерить фазовый сдвиг между двумя сигналами, используя Боде-плоттер?
23. Как с помощью Боде-плоттера определить комплексный потенциал любой точки схемы?
Электротехника и электроника
Частотные характеристики простейших схем
Цель 1. Исследование амплитудно-частотных характеристик элементов последовательного колебательного контура (резонанс напряжений). 2. Исследование фазочастотных характеристик элементов последовательного колебательного контура (резонанс напряжений). 3. Исследование амплитудно-частотных характеристик элементов параллельного колебательного контура (резонанс токов). 4. Исследование фазочастотных характеристик элементов параллельного колебательного контура(резонанс токов).Приборы и элементы

Краткие сведения из теории 1. Резонанс в последовательном колебательном контуре (резонанс напряжений). Схема последовательного колебательного контура и векторная диаграмма для режима резонанса представлены на рис. 5.1

Контур характеризуется следующими параметрами:
волновым сопротивлением

резонансной частотой

добротностью контура

где Ucpез, ULpeз, URpeз - напряжения при резонансе на емкости, индуктивности и сопротивлении соответственно, хсрез, хLрез - реактивное сопротивление конденсатора и индуктивности на резонансной частоте. 2. Векторные диаграммы для последовательного контура при (ш > шрез)-Векторные диаграммы при увеличении частоты (ш> шрез) представлены на рис. 5.2 (слева представлена диаграмма для промежуточной частоты ш> шрез, справа - для предельного случая . С ростом частоты емкостное сопротивление убывает, а индуктивное нарастает, при этом суммарное реактивное сопротивление растет (рис. 5.2). Угол сдвига (о между входным током и напряжением увеличивается по абсолютному значению, оставаясь положительным. Напряжение на катушке индуктивности при росте частоты сначала увеличивается за счет роста сопротивления, а затем снижается из-за снижения тока в цепи. Максимум действующего значения напряжения достигается при характерной частоте FL

Порядок проведения экспериментов
Эксперимент 1. Измерение частотных характеристик последовательного колебательного контура с помощью осциллографа. а) Измерение действующих значений и фаз напряжений на элементах при резонансной частоте. Рассчитайте резонансную частоту о)о, частоту максимума напряжения на катушке индуктивности (OLH частоту максимума напряжения на конденсаторе Юс. Результаты расчета занесите в таблицу 5.1 в разделе «Результаты экспериментов». Откройте файл с5_01.са4 (рис. 5.7). Получите и зарисуйте на экране осциллографа в разделе «Результаты экспериментов» осциллограммы напряжений на резисторе Up, конденсаторе UQ и катушке индуктивности UL. Рассчитайте и измерьте действующее значение и фазу Е, Up, Uc и UL для Г=Грез с помощью осциллографа. Постройте векторные диаграммы на комплексной плоскости для этих частот, направив в каждой диаграмме ток по действительной оси. б) Измерение действующих значений и фаз напряжений на элементах при частоте F=0.5Fc. Получите и зарисуйте на экране осциллографа в разделе «Результаты экспериментов» осциллограммы напряжений на резисторе UR, конденсаторе Up и катушке индуктивности Ui при F=0.5Fc. Рассчитайте и измерьте действующее значение и фазу Е, ид, ид и UL с помощью осциллографа. Постройте векторные диаграммы на комплексной плоскости для этой частоты, направив в каждой диаграмме ток по действительной оси.

в) Измерение действующих значений и фаз напряжений на элементах при частоте F=2F^. Получите и зарисуйте на экране осциллографа в разделе «Результаты экспериментов» осциллограммы напряжений на резисторе UR, конденсаторе Uc и катушке индуктивности UL, напряжений на резисторе Up, конденсаторе Uc и катушке индуктивности UL для F=2Fi.. Рассчитайте и измерьте действующее значение и фазу Е, UR, Uc и UL с помощью осциллографа. Постройте векторные диаграммы на комплексной плоскости для этой частоты, направив в каждой диаграмме ток по действительной оси. Эксперимент 2. Частотные характеристики последовательного колебательного контура (исследования с помощью Боде-плоттера). Откройте файл с5_02.са4 (рис. 5.8). Подключая вывод Боде-плоттера на различные элементы контура (точки UL, UR, Uc на рис. 5.S), определите значения амплитудно-частотных и фазочастотных характеристик для частот 0, Шс / 4, (Ор / 2, Юр, (о)о-(0с) / 2, С0о, ((Оь-й1о) / 2, 0)ц 2o>L, 4oiL. Зарисуйте частотные характеристики на экранах Боде-плоттера, приведенных в разделе «Результаты экспериментов». Сравните результаты, полученные с помощью Боде-плоттера и осциллографа.
Рассчитайте амплитудно-частотные и фазочастотные характеристики для напряжении на резисторе Ur ), конденсаторе Uc и катушке индуктивности UL для частот

По результатам расчета нанесите точки АЧХ и ФЧХ для напряжений на сопротивлении, катушке индуктивности и конденсаторе на экспериментальные графики в разделе «Результаты экспериментов». Постройте векторные диаграммы на комплексной плоскости для этих частот, направив в каждой диаграмме ток по действительной оси.

Эксперимент 3. Измерение частотных характеристик параллельного колебательного контура с помощью осциллографа. а) Измерение действующих значений и фаз токов через элементы при резонансной частоте. Рассчитайте резонансную частоту, частоту максимума тока через катушку индуктивности через конденсатор . Результаты расчета занесите в таблицу 5. 2 в разделе «Результаты экспериментов?. Откройте файл с5_03. са4 (рис. 5. 9). Получите и зарисуйте на экране осциллографа в разделе «Результаты экспериментов» осциллограммы токов через резистор IR, конденсатор Ic и катушку индуктивности IL. Рассчитайте и измерьте действующее значение и фазу J, IR, Ic и IL для F=Fрез с помощью осциллографа. Постройте векторные диаграммы на комплексной плоскости для этих частот, направив в каждой диаграмме напряжение по действительной оси.

б) Измерение действующих значений и фаз тока через элементы при частоте F=0. 5 FL,. Получите и зарисуйте на экране осциллографа в разделе «Результаты экспериментов» осциллограммы токов через резистор iR, конденсатор ic и катушку индуктивности IL при F=0, 5FL. Рассчитайте и измерьте действующее значение и фазу J, IR, ic и IL для F=Fpeз с помощью осциллографа. Постройте векторные диаграммы на комплексной плоскости для этих частот, направив в каждой диаграмме напряжение по действительной оси.
в) Измерение действующих значений и фаз токов через элементы. при частоте F=2Fc. Рассчитайте резонансную частоту, частоту максимума напряжения на катушке индуктивности частоту максимума напряжения на конденсаторе . Получите и зарисуйте на экране осциллографа в разделе «Результаты экспериментов» осциллограммы токов через резистор IR, конденсатор Iс и катушку индуктивности IL при F=2Fc. Рассчитайте и измерьте действующее значение и фазу J, IК, Iс и IL для F=Fp с помощью осциллографа. Постройте векторные диаграммы на комплексной плоскости для этих частот, направив в каждой диаграмме напряжение по действительной оси.

Эксперимент 4. Частотные характеристики параллельного колебательного контура (исследования с помощью Боде-плоттера). Откройте файл с5_04. са4 (рис. 5. 10). Подключая вывод Боде-плоттера на различные элементы контура (точки IL, IR, ic на. рис. 5.8), определите значения амплитудно-частотных и фазочастотных характеристик для частот . Зарисуйте частотные характеристики на экранах Боде-плоттера, приведенных в разделе «Результаты экспериментов». Сравните результаты, полученные с помощью Боде-плоттера и осциллографа. Рассчитайте амплитудно-частотные и фазочастотные характеристики для напряжений на резисторе Ин(ю), конденсаторе ис(со) и катушке индуктивности ui.(co) для частот . По результатам расчета нанесите точки АЧХ и ФЧХ для токов через сопротивление и катушку индуктивности и конденсатор на экспериментальные графики в разделе «Результаты экспериментов».
Результаты экспериментов Эксперимент 1. Измерение частотных характеристик последовательного колебательного контура с помощью осциллографа. а) Измерение действующих значений и фаз напряжений на элементах при резонансной частоте.

Расчет сопротивлений

Действующие значения напряжений

Расчет (фаз напряжений по результатам измерений

б) Измерение действующих значений и фаз напряжений на элементах при частоте F=O.5Fc.

Расчет сопротивлений

Действующие значения напряжений

Расчет фаз напряжений по результатам измерений

в) Измерение действующих значений и фаз напряжений на элементах при частоте F=2FL.

Расчет сопротивлений

Расчет фаз напряжений по результатам измерений

Векторные диаграммы

Эксперимент 2. Частотные характеристики последовательного колебательного контура (исследования с помощью Боде-плоттера). Таблица 5. 1
Параметры

Фазочастотные характеристики

Эксперимент 3. Измерение частотных характеристик параллельного колебательного контура для трех частот с помощью осциллографа. а) Измерение действующих значений и фаз токов через элементы, при резонансной частоте.

Расчет проводимостей

Расчет фаз тока по результатам измерений

б) Измерение действующих значений и фаз тока через элементы, при частоте F=0.5F,

Расчет проводимостей

Расчет фаз тока по результатам измерений

в) Измерение действующих значений и фаз токов через элементы при частоте F=2Fc.

Расчет проводимостей

Действующие значения токов

Расчет фаз тока по результатам измерений

Векторные диаграммы

Эксперимент 4. Частотные характеристики параллельного колебательного контура. Таблица 5.2
Параметры
| Гц | Гц | Гц | Гц | Гц | Гц | Гц | Гц | Гц |
| расч. |
| расч. |
| расч. |
| расч. |
| расч. |
| расч. |
| расч. |
| расч. |
| Амплитудно-частотные характеристики |
Операция
Экспериментальная проверка результатов расчета
Для экспериментальной проверки правильности вычислений следует измерить комплексные сопротивления исходного и эквивалентного двухполюсников с помощью Боде-плоттера. Измерения проводятся в схеме рис. 5.13.

Шаг 4
Расчет Текст из программы комплексного калькулятора с результатами / Шаг 4. Определение емкости конденсатора С= 1/(OREZ*XPAR)
Операция
Экспериментальная проверка результатов расчета
Для экспериментальной проверки правильности вычислений следует проверить условия резонанса сначала для эквивалентной схемы, а затем и для исходной. Эквивалентная схема допускает проверку условия резонанса с помощью амперметров, включенных в цепь источника питания и в цепь питания параллельного колебательного контура (рис. 5.14), При резонансе ток, ответвляемый в контур, должен быть равен 0. Как видно из рис. 5.14, он действительно близок к 0 и при токе источника питания 2.33 А составляет 54.3 мкА (0.0023%).

Для исходной схемы со сложным резонансом не удается отыскать ветвь, в которой резонанс прослеживался бы так явно. Поэтому следует остановиться на универсальном методе: проверить совпадение фазы питающего напряжения и питающего тока, что является общим условием резонанса для любой цепи. Наиболее наглядно такую проверку можно осуществить с помощью осциллографа в схеме рис. 5.15.

Задачи для самостоятельного исследования
Задача 1(с5_11) Рассчитайте для схемы а) величину емкости конденсатора, при которой в схеме установится резонанс. Вычисления проведите в следующей последовательности. 1. Рассчитайте значения LPAR и RPAR в эквивалентном двухполюснике с параллельным соединением элементов (схема б)). 2. Проверьте эквивалентность схем, подсоединив вольтметры и амперметры. Какие из приборов покажут активные и реактивные составляющие входного тока и напряжения? 3. Рассчитайте емкость конденсатора, который нужно подключить к параллельной схеме г) для достижения резонанса. Проверьте расчет, подключив конденсатор через амперметр. 4. Проверьте условие выполнения резонанса с помощью осциллографа, а затем с помощью Боде-плоттера.

Задача 2 (с5_12) Рассчитайте для схемы величину индуктивности при резонансе. Проверьте расчет в Electronics Workbench с помощью осциллографа. Определите показания приборов в схемах при частоте w = 1000 Гц. Определите полосу пропускания контура с помощью Боде-плоттера.

Задача 3 (с5_13) Схема на рисунке находится в резонансе. Рассчитайте сопротивление R и индуктивность L при добротности контура Q=3. Определите и проверьте экспериментально показания всех приборов в схеме б) при удвоенной резонансной частоте. Определите с помощью осциллографа угол сдвига напряжения на конденсаторе относительно напряжения источника питания на этой частоте.

Задача 4 (с5_14) Рассчитайте значение резонансной частоты Fpeз для схемы, приведенной на рисунке. Проверьте расчет в Electronics Workbench с помощью осциллографа и Боде-плоттера. Вычислите и проверьте экспериментально показания всех приборов в схеме.

Задача 5 (с5 15) В схеме, приведенной на рис. а), имеется резонанс при частоте 50 Гц. Входное сопротивление схемы на постоянном токе составляет 5 Ом. Модуль входного сопротивления на резонансной равен 2.5 Ом. Рассчитайте величины R, Хс, XL. С и L при резонансе. Вычислите и проверьте экспериментально показания всех приборов в схеме.

Задача 6 (с5_16) Схема, изображенная нарисунке а), находится в состоянии резонанса. Показания приборов при этом приведены на том же рисунке. Рассчитайте параметры С, L, R при резонансе. Замените последовательную ветвь R, L эквивалентным при резонансной частоте двухполюсником LPAR, RPAR, как показано на рисунке б). Каковы будут показания амперметра, не приведенные в схеме а)?

Задача 7 (с5_17) Рассчитайте резонансную частоту для схемы. Проверьте результат расчета с помощью Боде-плоттера. Вычислите и проверьте экспериментально показания приборов в схеме при резонансе. Нарисуйте (качественно) временную диаграмму изменения энергии в конденсаторе и в индуктивности при частоте большей и меньшей резонансной. Проверьте решение для энергии, применяя датчики тока, напряжения и умножители. Методика измерения энергии в катушке и конденсаторе изложена в приложении 1.

Задача 8 (с5_18) Для схемы, приведенной на рисунке, рассчитайте значение R3, при котором в схеме наступит резонанс. Проверьте выполнение условий резонанса с помощью осциллографа. Вычислите и проверьте экспериментально показания приборов в схеме.

Задача 9 (с5_19) В схеме, приведенной на рисунке, наблюдается резонанс при частоте 1200 Гц. Показания приборов при резонансе приведены на схеме. Определите С и L, если R=4 Ома. Проверьте расчет экспериментально.

Задача 10 (с5_20) Для схемы, приведенной на рисунке, определите резонансные частоты и токи во всех ветвях схемы. Проверьте полученный результат с помощью Боде-плоттера и датчиков тока на основе зависимых источников в этих ветвях.

Задача 11 (с5_21) Схема, изображенная на рисунке, находится в состоянии резонанса при частоте 796 Гц, при этом мощность, потребляемая цепью, составляет Р= 1200 Вт. Показания приборов приведены на рисунке. Рассчитайте ток 12 и величины R, С, L. Проведите экспериментальную проверку.

Задача 12 (с5_22) Схема находится в состоянии резонанса при частоте 796 Гц, при этом мощность, потребляемая цепью, составляет Р^1200 Вт. Показания приборов приведены на рисунке. Постройте векторную диаграмму. Рассчитайте ток 13 и величины R, С, L. Проведите экспериментальную проверку.

Частотные характеристики цепей без потерь
Методические указания Методику решения задач данного типа рассмотрим на конкретном примере Задача. Цепь без потерьВ схеме рис. 5.16 найти резонансные частоты и объяснить физическую природу и тип резонанса при каждой частоте. Провести экспериментальную проверку полученных частот с помощью Electronics Workbench. Измерить напряжения на каждом из параллельных резонансных контуров и входное напряжение при частотах до первого, между первым и вторым, между вторым и третьим и после третьего резонанса.

Экспериментальное исследование и анализ его результатов
Частотную характеристику (зависимость комплексного входного сопротивления от частоты) для рис. 5.16 можно получить из выражения

Для любого двухполюсника без потерь можно получить подобное уравнение комплексного входного сопротивления. При этом частоты, соответствующие резонансам напряжений (как частота (wрез2 в нашем случае), входят в числитель и образуют нули функции, а частоты, соответствующие резонансам тока (как wрез1 и wрез), входят в знаменатель и образуют полюса. Исследование частотных характеристик проведем в схеме рис. 5.17. Для того чтобы получить входное комплексное сопротивление, необходимо выход Боде-плоттера подключить к источнику питания, а вход — к датчику тока, в качестве которого используется

зависимый источник напряжения, управляемый током (см. методику измерения мгновенных значений тока). В этом случае отношение напряжений равно модулю входного сопротивления, а фазовый сдвиг напряжений определяет фазу входного сопротивления. Рассмотрим результаты экспериментальных исследований частотных характеристик (рис. 5.17). При нулевой частоте, то есть при постоянном токе, катушки индуктивности представляют собой короткое замыкание, конденсаторы — разрыв, поэтому при стремлении частоты к нулю почти весь ток проходит через катушки индуктивности, и проводимость контура носит индуктивный характер, что при отсутствии потерь обеспечивает угол ф=90". При повышении частоты сопротивление контура нарастает, как показывает ам-плитудно-частотная характеристика на рис. 5.176, и характер входного сопротивления остается индуктивным до частоты первого резонанса.
При частоте Fрeз1 (первая частота, при которой происходит изменение фазы входного сопротивления схемы на 180°) наступает резонанс в контуре Lq - Ci, у которого резонансная частота меньше (поскольку больше и индуктивность и емкость). Эта резонансная частота рассчитывается так же, как в простом LC-контуре и составляет

Это резонанс токов, и на рис. 5. 176 виден резкий рост сопротивления, поскольку при резонансе токов контур L2 - С2 можно рассматривать как разрыв цепи. При частоте, несколько большей Fpeз1, изменяется характер входного сопротивления, поскольку теперь проводимость конденсатора C1 больше проводимости катушки L1, и угол скачком изменяет свое значение от 90°до -90°. Ha рuc. 5.17в, однако, мы наблюдаем резкий переход, но не с бесконечно большой крутизной. Это объясняется тем, что при численных методах расчета, на которых основано моделирование в Electronics Workbench, принципиально не может быть бесконечно больших величин, в том числе и бесконечно больших производных по частоте. Следовательно, исследуя идеальные модели, какой является цепь без потерь, мы должны исключить из фазочастотной характеристики все точки, в которых углы отличаются от 90° или -90 и интерполировать характеристики с обеих сторон от частоты резонанса. При дальнейшем повышении частоты сопротивление контура L1 - C1, имея емкостной характер, начинает уменьшаться, в то время как сопротивление контура L2 - С2 сохраняет индуктивный характер и продолжает увеличиваться. При некоторой частоте Fpeз2 (второе изменение фазы входного сопротивления на 180°) модули этих сопротивлений сравниваются, и общее сопротивление цепи становится равным нулю, что характеризует резонанс напряжений. При дальнейшем росте частоты индуктивное сопротивление контура La - Са превосходит емкостное сопротивление контура L1 - C1, общий характер цепи становится индуктивным и угол скачком изменяет свое значение от -90°до 90° (рис. 5.17в). Рост модуля сопротивления продолжается до частоты резонанса токов в контуре L1 - C1, которая рассчитывается по формуле

При дальнейшем росте частоты характер сопротивления в обоих контурах L1 - C1 и L2 - С2 становится емкостным и убывает по мере роста частоты. Наш качественный анализ позволил, тем не менее, вычислить две резонансные частоты Fpез1 и Ррез3. Подтвердить его правильность экспериментально можно, сравнивая фазочастотные характеристики (ФЧХ) для нашей схемы с ФЧХ для двух параллельных контуров L1 - C1 и L2 - С2 (рис 5.18). Как видно из рис. 5.18, частота первого резонанса токов совпадает с частотой резонанса для контура L1 - C1, частота второго резонанса токов с частотой резонанса для контура L2 — С2. Частоту резонанса напряжений можно определить из амплитудно-частотных характеристик двух контуров L1 - C1 и L2 — С2. Для определения построим на одном рисунке (рис. 5. 18в) фазочастотную характеристику общей цепи и амплитуд -но-частотные характеристики контуров L1 - C1 и L2 - C2. Это нетрудно сделать, используя программу Paint из стандартных программ Microsoft Office. Для этого нужно получить копию экрана с Боде-плоттером после анализа фазочастотной характеристики общей схемы, нажав клавишу Print Screen, вставить ее в файл

Paint и из общей картинки вырезать Боде-плоттер. Затем необходимо перенести его в другой файл через Clipboard. Затем из копии экрана, полученной после анализа амплитудно-частотной характеристики L1 - С1 контура, вырезать только экран Боде-плоттера и наложить на его на картинку Боде-плоттера в другом файле. Точно так же можно наложить и АЧХ L2 - С2 контура. Результат построения показан на рис. 5. 18г. Из него видно, что частота, при которой пересекаются нисходящая ветвь АЧХ L1 - С1 контура и восходящая ветвь АЧХ L2 - С2 контура (точка пересечения отмечена на рисунке кружком) совпадает с частотой резонанса напряжений, которую можно видеть из ФЧХ общей схемы. Из условия равенства модулей сопротивлений можно вычислить и частоту второго резонанса (резонанса напряжений между двумя контурами)

Из формального рассмотрения второго выражения можно сделать вывод, что частота этого резонанса должна совпадать с частотой резонанса в последовательном колебательном контуре, составленном из параллельно соединенных катушек L1 и L2 и параллельно соединенных конденсаторов С1 и С2 (рис. 5. 19а). Electronics Workbench позволяет получить этому наглядное экспериментальное подтверждение. Для этого необходимо сопоставить фазочастотные характеристики, снятые в исходной схеме (рис. 5. 196) и в схеме рис. 5. 19а (эта характеристика представлена на рис. 5. 19в).


Отметим, что наиболее точное экспериментальное определение резонансной частоты из рис. 5. 17 удается осуществить для резонанса напряжении, поскольку нулевую точку характеристики легко определить. Для того, чтобы с такой же точностью определить частоты резонансов тока, целесообразно снимать вместо АЧХ входного сопротивления АЧХ входной проводимости исходной схемы. Для этого нужно только поменять местами вход и выход Боде-плоттера. На рис. 5. 20 представлены фрагменты схемы, позволяющие показать включение Боде-плоттера при снятии АЧХ сопротивления и проводимости и сами снятые АЧХ для исследуемой схемы. Рассмотрим, как изменяется векторная диаграмма для нашей схемы на различных частотных участках. Изменения в векторной диаграмме можно хорошо иллюстрировать и с помощью простых вольтметров (рис. 5. 21). На первом частотном интервале оба последовательных участка цепи имеют индуктивный характер (на рис. 5. 21 они замещены эквивалентными индуктивностями). Вследствие этого напряжение на каждом участке и общее напряжение, равное входному, опережают ток на 90°. Входное напряжение равно сумме напряжений на участках ab и bc. На втором частотном интервале (после резонанса токов в первом контуре) участок ab, как и вся схема, приобретает емкостной характер (на рис, 5. 21 он замещен эквивалентным конденсатором), характер участка bc остается индуктивным. На этом интервале входное напряжение равно разности напряжений на участках ab и bc, что видно и из векторной диаграммы. На третьем частотном интервале (после резонанса напряжений между двумя контурами) характер обоих участков ab и bc остается прежним, но индуктивное сопротивление участка ab преобладает, что приводит к изменению характера сопротивления всей схемы от емкостного к индуктивному. Входное напряжение также равно разности напряжений на участках ab и bc.
На четвертом частотном интервале (после резонанса токов во втором контуре) сопротивление второго контура становится емкостным. При этом эквивалентное сопротивление каждого из контуров носит емкостной характер и входное напряжение равно сумме напряжений на участках.

Задачи для самостоятельного исследования
Задача 13 (с5_23) Постройте и проверьте экспериментально зависимость входного сопротивления от частоты. Рассчитайте и определите экспериментально показания амперметров при резонансой частоте wреэ и частотах 0. 5 wрез и 2 (wрез-

Задача 14 (с5_24) Нарисуйте (качественно) амплитудно-частотную и фазочастотную характеристики для входного сопротивления цепи. Рассчитайте резонансные частоты. Получите эти характеристики с помощью Боде-плоттера. Измерьте значения токов в LC-ветвях при частотах: F1 = 800 Гц, F2 = 2300 Гц и F3 = 7000 Гц. Объясните соотношение токов в ветвях при этих частотах.

Задача 15 (с_25) Нарисуйте (качественно) амплитудно-частотную и фазочастотную характеристики для входного сопротивления цепи. Рассчитайте резонансные частоты. Получите эти характеристики с помощью Боде-плоттера. Измерьте значения напряжений на элементах цепи при частотах F1 = 100 Гц, F2 = 400 Гц и F3 = 1700 Гц и F4= 3200 Гц. Объясните соотношение напряжений при этих частотах.

Задача 16 (с5_26) Нарисуйте (качественно) амплитудно-частотную и фазочастотную характеристики для входного сопротивления цепи. Рассчитайте резонансные частоты. Получите эти характеристики с помощью Боде-плоттера. Измерьте значения напряжений на элементах цепи при частотах F1= 300 Гц. F2= 1000 Гц, F3= 2500 Гц, F4= 15 кГц и F5= 50 кГц. Объясните соотношение напряжений при этих частотах.

Задача 17 (с5_27) Нарисуйте (качественно) амплитудно-частотную и фазочастотную характеристики для входного сопротивления цепи. Рассчитайте резонансные частоты. Получите эти характеристики с помощью Боде-плоттера. Измерьте значения токов в LC-ветвях при частотах F1= 200 Гц, F2= 400 Гц, F3= 1 кГц, F4= 2. 5 кГц и F5= 3. 7 кГц. Объясните соотношение токов в ветвях при этих частотах.

Резонансные цепи

ЭКСПЕРИМЕНТЫ
5.1. Частотные характеристики простейших схем
УПРАЖНЕНИЯ
Электротехника и электроника
Анализ основных соотношений в трехфазных цепях
Цель 1. Исследование амплитудно-фазовых соотношений для ЭДС в трехфазном генераторе. 2. Измерение линейных и фазных напряжений. 3. Исследование амплитудно-фазовых соотношений между напряжениями и токами в трехфазной цепи при различных соединениях фаз генератора и нагрузки: а) Соединение Y/Yo ("звезда - звезда с нулевым проводом"); б) Соединение Y/Y ("звезда - звезда"); в) Соединение Y/Д ("звезда - треугольник"). 4. Исследование несимметричных режимов работы в трехфазных нагрузках. 5. Измерение мощностей в трехфазных цепяхПриборы и элементы

Краткие сведения из теории 1. Трехфазная система ЭДС.



2. Схемы соединения источников и нагрузок.

а) - Y/Yo - звезда - звезда с нулевым проводом, б) -Y/Y - звезда - звезда, в - звезда - треугольник, г) — треугольник - звезда -
д) треугольник — треугольник.
3. Типы трехфазных нагрузок. При симметричной нагрузке равны комплексы сопротивлений:

При равномерной нагрузке равны модули сопротивлений:

При однородной нагрузке равны фазы:

При несимметричной нагрузке комплексы сопротивлений нагрузок во всех фазах различны. 4. Соотношения для схемы "звезда — звезда" с нулевым проводом (Zo = О) При любой нагрузке
Комплексы фазных токов:

Ток нейтрали (нулевого провода):

Линейное напряжение:

При симметричной нагрузке Модули фазных токов одинаковы:

где zф - модуль сопротивления в фазе нагрузки. Ток в нейтрали отсутствует:

5. Соотношения для схемы "звезда — звезда" без нулевого провода При любой нагрузке
• Напряжение смещения нейтрали:

Напряжения на фазах нагрузки:

Фазные токи



где RA, RB RC - активные сопротивления фаз нагрузки; ХА, Хв, Хс - реактивные сопротивления. При симметричной нагрузке Процессы в схеме полностью аналогичны процессам в схеме Y - Yo при симметричной нагрузке 5. Соотношения для схемы "звезда — треугольник". При любой нагрузке


При симметричной нагрузке

6. Мощности в трехфазной цепи. При любой нагрузке Активная мощность: Р=РА+ Рв+ Рс. (6. 17) Реактивная мощность: Q=QA+ Qв+ Qc. (6. 18) Полная мощность равна модулю комплексной мощности:

При симметричной нагрузке



где фн - угол сдвига фаз между током и напряжением.
7. Измерение мощности в трехфазных цепях: Схема трех ваттметров

Схема измерения мощностей по методу Арона:

Показания ваттметров:

При симметричной нагрузке Сумма и разность показании ваттметров равны соответственно


Выражение для определения (фн

Порядок проведения экспериментов
Эксперимент 1. Соотношения напряжений в трехфазном генераторе. Откройте файл с6_ 01 (рис. 6. 5). Определите комплексы всех фазных и линейных напряжений трехфазного генератора с помощью Боде-плоттера и постройте векторную топографическую диаграмму напряжений.


Эксперимент 2. Измерение тока нейтрали в схеме Y/Yo при симметричной нагрузке. Откройте файл с6_02 (рис. 6. 6). В верхней схеме рис. 6. 6 рассчитайте сопротивления резисторов и емкостей конденсаторов в каждой фазе при частоте сети 50 Гц и фазном напряжении 220 В таким образом, чтобы ток равнялся 1 А при cosф = I/ 2 . Рассчитайте действующее значение тока нейтрали Iо по формуле (6. 5). Постройте векторную диаграмму токов. Установите значения сопротивлений и емкостей и проверьте правильность расчета с помощью Electronics Workbench.
Эксперимент 3. Измерение тока нейтрали в схеме Y/Yo при несимметричной нагрузке. В фазах В и С на нижней схеме рис. 6. 6 для элементов выставьте такие же параметры, как в верхней схеме. Рассчитайте значения резистора и конденсатора в фазе А таким образом, чтобы ток в ветви А равнялся 2 А при cosф = 1/. 2 . Рассчитайте действующее значение тока нейтрали Iо по формуле (6. 5). Постройте векторную диаграмму токов. Установите рассчитанные значения параметров элементов в фазе А нижней схемы рис. 6. 6 и проверьте правильность расчета с помощью Electronics Workbench.

Эксперимент 4. Измерение напряжения смещения нейтрали в схеме Y/Y при симметричной нагрузке. Не изменяя значений номиналов элементов, установленных в эксперименте 2, разомкните провод, соединяющий нейтрали источников и нагрузок в верхней схеме рис. 6. 6. Рассчитайте модуль и фазу действующего значения напряжения смещения нейтрали по формуле (6. 9) и постройте топографическую векторную диаграмму напряжений. Экспериментально проверьте правильность расчета. Эксперимент 5. Измерение напряжения смещения нейтрали в схеме Y/Y при несимметричной нагрузке. Не изменяя значений номиналов элементов, установленных в эксперименте 3, разомкните провод, соединяющий нейтрали источников и нагрузок в нижней схеме рис. 6. 6. Рассчитайте модуль и фазу действующего значения напряжения смещения нейтрали по формуле (6. 9), модули напряжений на фазах нагрузки по формуле (6. 10) и модули фазных токов по формуле (6. 11). Подключите в цепь необходимые вольтметры, амперметры и Боде-плоттер и проверьте экспериментально правильность расчета.
Эксперимент 6. Исследование схемы для определения порядка чередования фаз. а) Смещение нейтрали в схеме для определения порядка чередования фаз. Откройте файл с6_03 (рис. 6. 7). Рассчитайте при частоте 50 Гц величину емкости так, чтобы емкостное сопротивление составляло 100 Ом и рассчитайте напряжение смещения нейтрали по формуле (6. 9), модули напряжений на фазах нагрузки по формуле (6. 10) и модули фазных токов по формуле (6. 11). Постройте топографическую диаграмму и определите напряжение на резисторах, подключенных к фазам В и С. б) Проверка чередования фаз с помощью пробника. Откройте файл с6_04 (рис. 6. 8), в котором резисторы схемы рис. 6. 7 заменены лампами накаливания. Лампа начинает светиться при напряжении, равном половине номинального, и перегорает при мощности, превышающей номинальную. Установите следующие значения параметров лампы: мощ-


ность - 25 Вт, напряжение - Uво мах. Рассчитайте сопротивление лампы по формуле Rл=Uл2/P и пересчитайте емкость из условия Хс = Rл- Установите в схеме наиденное значение С. С помощью полученного "пробника" определите, в каких источниках из star1... star5 неправильно размечены фазы.

Эксперимент 7. Определение смещения нейтрали при обрыве или коротком замыкании фазы. Откройте файл с6_05 (рис. 6. 9). Рассчитайте напряжение смещения для случаев обрыва фазы и короткого замыкания нагрузки в фазе, постройте векторные диаграммы для определения положения нейтрали. До обрыва или замыкания нагрузка была симметричной. Эксперимент 8. Измерение фазных и линейных токов в схеме при симметричной нагрузке. Откройте файл с6_06 (рис. 6. 10). Рассчитайте значения сопротивлений и нагрузки в каждой ветви при частоте сети 50 Гц и фазном напряжении 220 В. Ток равняется 1 А при cosф= 0. 5. Включите амперметры в линии и в фазы нагрузки, по их показаниям проверьте правильность расчетов. Проверьте выполнение соотношения (6. 16) между фазными и линейными токами для соединения. Нарисуйте векторные диаграммы токов и напряжений. Эксперимент 9. Измерение фазных и линейных токов в схеме при несимметричной нагрузке. Увеличьте вдвое активное и реактивное сопротивления в ветви АВ схемы на рис. 6. 10. Рассчитайте значения фазного и линейных токов. Включите цепь и по показаниям амперметров фазных токов проверьте правильность расчетов. Измерьте линейные токи и проверьте выполнение соотношения (6. 13) между фазными и линейными токами для несимметричной нагрузки. Нарисуйте векторные диаграммы токов и напряжений.

Эксперимент 10. Измерение мощностей в схеме Y/Yo. Откройте файл с6_07 (рис. 6. 11). Рассчитайте значения сопротивлений и индуктивностей в каждой ветви при частоте сети 50 Гц и фазном напряжении 220 В. Ток равняется 1 А при cosф = 0. 5.

Рассчитайте мощность, потребляемую системой нагрузок при вычисленных значениях параметров. Включите схему и проверьте расчет. Эксперимент 11. Измерение мощностей по схеме Арона. Откройте файл с6_08 (рис. 6. 12). Рассчитайте реактивную мощность каждой фазы при значениях параметров, полученных в эксперименте 10. Установите в схеме вычисленные в эксперименте 10 значения параметров нагрузки. Включите схему и по показаниям ваттметров в схеме Арона вычислите активную и реактивную мощности системы источников.

Результаты экспериментов Эксперимент 1. Соотношения напряжений в трехфазном генераторе.
Измеренные величины
Величина

Эксперимент 2. Измерение тока нейтрали в схеме Y/Yо при симметричной нагрузке.

Топографическая векторная диаграмма к эксперименту 2

Топографическая векторная диаграмма к эксперименту 3

Эксперимент 3. Измерение тока нейтрали в схеме Y/Yo при несимметричной нагрузке.

Эксперимент 4. Измерение напряжения смещения нейтрали в схеме Y/Y при симметричной нагрузке.
Комплекс тока в нейтрали

Топографическая векторная диаграмма

Эксперимент 5. Измерение напряжения смещения нейтрали в схеме Y/Y при несимметричной нагрузке.

Топографическая векторная диаграмма

Эксперимент 6. Смещение нейтрали в схеме для определения порядка чередования фаз а) Смещение нейтрали в схеме для определения порядка чередования фаз. Комплекс напряжения смещения нейтрали

б) Проверка чередования фаз с помощью пробника. Правильно размеченные фазы в источнике Star Топографическая векторная диаграмма

Эксперимент 7. Смещение нейтрали при обрыве или коротком замыкании фазы А. Комплекс напряжения смещения нейтрали при обрыве фазы А.

Топографическая векторная диаграмма

Комплекс смещения нейтрали при замыкании фазы А

Топографические векторные диаграммы

Эксперимент 8. Измерение фазных и линейных токов в схеме Y/A при симметричной нагрузке.


Топографические векторные диаграммы

Эксперимент 9. Измерение фазных и линейных токов в схеме Y/A при несимметричной нагрузке.


Топографические векторные диаграммы

Эксперимент 10. Измерение мощностей в схеме Y/Yo.

Эксперимент 11. Измерение мощностей по схеме Арона при соединении .

Расчет активной мощности по результатам измерений

Топографические векторные диаграммы

Вопросы
1. Что такое трехфазная система ЭДС и какие схемы соединения источников ЭДС с потребителями применяются в электротехнике? Укажите достоинства и недостатки различных схем соединения.
2. Какая нагрузка называется симметричной, равномерной, однородной?
3. Укажите соотношение между фазными и линейными напряжениями и токами в различных схемах.
4. Как изменяются при симметричной нагрузке мгновенные мощности в каждой фазе и суммарная мгновенная мощность?
5. Что понимается под "смещением нейтрали"? В каких случаях оно возникает и как определяется аналитически и экспериментально?
6. Что понимается под активной, реактивной и полной мощностью трехфазной системы? Приведите расчетные формулы.
7. Нарисуйте схему Арона для измерения мощностей в трехфазной системе. С помощью векторной диаграммы для симметричной активно-реактивной нагрузки покажите способ вычисления активной и реактивной мощностей. В чем заключается универсальность метода?
8. Можно ли с помощью ваттметра определить реактивную мощность трехфазной симметричной системы? Нарисуйте схему, в которой это возможно.
9. Как изменится мощность, потребляемая симметричной нагрузкой при переключении ее со звезды на треугольник?
Схемы с различным подключением генератора и нагрузки
Методические указания В этом разделе представлены упражнения для самостоятельного решения по трехфазным цепям. Поскольку такие цепи являются разновидностью цепей переменного тока, методика расчета и экспериментальной проверки его результатов на Electronics Workbench не отличается от разобранной в главе 4. Вычисления при этом должны выполняться над полем комплексных чисел, и для их выполнения мы рекомендуем использовать программу Comcal, описание которой приведено в приложении 2. Electronics Workbench позволяет проводить пошаговую проверку результатов расчета путем соответствующих измерений. На каждом шаге расчета мы получаем комплексное сопротивление или комплексы тока и напряжения, которые могут быть измерены косвенно с помощью осциллографа или непосредственно с помощью Боде-плоттера (методика таких измерений изложена в приложении 1). Очень полезным для более глубокого понимания процессов является построение топографических векторных диаграмм для напряжений на элементах совместно с векторными диаграммами токов в ветвях схем. Задачи для самостоятельного исследованияЗадача 1 (с6_11) Как изменятся токи в схеме, если перегорит предохранитель в фазе А?

Задача 2 (с6_12) Определите показания амперметров в схеме.

Задача 3 (с6_13) Определить показания вольтметра. Модули сопротивлений всех фаз нагрузки равны 10м.

Задача 4 (с6_14) Как изменятся токи в схеме, если ключ [Space] в фазе А будет разомкнут?

Задача 5 (с6_15) Определить линейные и фазные токи в схеме.

Задача 6 (с6_16) Определить показания вольтметра в схеме с несимметричной нагрузкой. Модули всех сопротивлений в схеме равны 1 Ом.

Задача 7 (с6_17) Все лампы накаливания имеют одинаковые номинальные мощности и напряжения. Группа ламп в фазе А отключена. Как изменится накал ламп в фазах В и С (по показанием амперметров) при обрыве нулевого провода?

Задача 8 (с6_18) Трехфазная система имеет симметричную нагрузку, соединенную в треугольник. В каком соотношении находятся показания ваттметров, включенных в фазу А и В? Токовые обмотки ваттметров включены соответственно в фазу А и в фазу В. Обмотка напряжения ваттметра фазы А подключена между точками А и С схемы. Обмотка напряжения фазы В подключена между точками В и С схемы.

Задача 9 (с6_19) Трехфазная система имеет несимметричную нагрузку. Модули всех сопротивлений фаз равны 2 Ом. Определить показания амперметров.

Задача 10 (с6_20) Как изменится накал ламп, если перегорит предохранитель в фазе А?

Задача 11 (с6_21) Определить показания вольтметра в схеме, если модули всех сопротивлений одинаковы и равны 1 Ом.

Задача 12 (с6_22) Определить токи в фазах и в нулевом проводе. Модули сопротивлений нагрузки равны 1 Ом. Как изменятся токи в фазах, если будет оборван нулевой провод?

Задача 13 (с6_23) Как изменятся токи в схеме при размыкании ключа [Space]?

Трехфазные цепи

ЭКСПЕРИМЕНТЫ
6. 1. Анализ основных соотношений в трехфазных цепях
УПРАЖНЕНИЯ
6. 2. Схемы с различным подключением генератора и нагрузки
Электротехника и электроника
Исследование простейших цепей
Цель 1. Исследование переходного процесса при разряде конденсатора на сопротивление. 2. Исследование переходного процесса при подключении конденсатора к неидеальному источнику постоянного напряжения. 3. Исследование переходного процесса при подключении конденсатора к неидеальному источнику синусоидального напряжения. 4. Исследование переходного процесса при подключении катушки индуктивности с начальным током на сопротивление. 5. Исследование переходного процесса при подключении катушки индуктивности к неидеальному источнику постоянного напряжения. 6. Исследование переходного процесса при подключении катушки индуктивности к неидеальному источнику синусоидального напряжения.
Краткие сведения из теории
1. Разряд конденсатора через резистор. Если конденсатор емкостью С, заряженный до напряжения Uco, разряжается через резистор R, то процесс в соответствии со вторым законом Кирхгофа описывается уравнением:

где Uc — напряжение на конденсаторе. Решение этого уравнения записывается в виде:

где т = RC.
2. Подключение конденсатора к неидеальному источнику постоянной ЭДС. При подключении конденсатора емкостью С, заряженного до напряжения Uco, к источнику неидеальной ЭДС процесс описывается уравнением:

Решение уравнения:

Отметим, что формула (7. 2) является частным случаем формулы (7. 4) при условии Е=0. 3. Подключение катушки индуктивности с начальным током к резистору. Если катушка с индуктивностью L, в которой протекает ток ILO, подключается к резистору R, то процесс описывается уравнением:

где IL - ток через индуктивность. Решение этого уравнения записывается в виде:

где т = L/R. 4. Подключение катушки индуктивности к неидеальному источнику постоянной ЭДС При подключении катушки индуктивности к источнику неидеальной ЭДС процесс в соответствии со вторым законом Кирхгофа описывается уравнением:

Решение этого уравнения записывается в виде:

формула (7. 8) - это также частный случай формулы (7. 6) при Е=0, следовательно, для расчета переходных процессов в случаях 1... 4 можно всегда использовать формулы (7. 4) и (7. 8). 5. Подключение конденсатора с начальным напряжением UCO к неидеальному источнику синусоидальной ЭДС

Уравнение для переходного процесса в этом случае можно записать в виде

где т = RC - постоянная времени цепи, Uco - начальное напряжение на конденсаторе, Uсуст (t) - напряжение на конденсаторе в установившемся режиме. R - величина внутреннего сопротивления источника ЭДС. Формула (7. 9) является наиболее общей, она применима также и к случаям 1 и 2. При этом Uсуст (t) = UcycT - постоянная величина, равная 0 в случае 1, Е в случае 2. После подстановки выражения для установившегося значения ucycr (t) получим:

в. Подключение катушки индуктивности с начальным током ILO к неидеальному источнику синусоидальной


где


где

Последовательность проведения экспериментов
Эксперимент 1. Разряд конденсатора через резистор. Откройте файл с7_01 (рис. 7. 1). Рассчитайте временные зависимости напряжения на конденсаторе Uc (t) и тока через него ic (t) при закорачивании RC-цепи переключением ключа [Space]. Получите осциллограммы Uc (t) и ic (t). По осциллограммам определите Ic (0+), Uc (0) и постоянную времени т. Сравните их с расчетными значениями. Ic (0+) - ток через конденсатор непосредственно после коммутации.


Эксперимент 4. Подключение катушки индуктивности к неидеальному источнику постоянной ЭДС. Рассчитайте временные зависимости напряжения на катушке UL. (t) и тока через нее iL, (t) при подключении RL-цепи к источнику постоянной ЭДС (рис. 7. 2). Подключение производится переключением ключа [Space]. Получите осциллограммы UL (t) и iL,(t). По осциллограммам определите iL,(0+), UL(O) и постоянную времени т. Сравните их с расчетными значениями.

Эксперимент 5. Подключение конденсатора с начальным напряжением Uco K неидеальному источнику синусоидальной ЭДС.
Откройте файл с7_03 (рис. 7. 3). Рассчитайте временные зависимости напряжения на конденсаторе Uc (t) и тока через него ic (t) при подключении RC-цепи к источнику гармонической ЭДС переключением ключа [Space]. Найдите временную зависимость Auc (t)= Uc(t) - UcycT(t). Получите осциллограммы Uc(t), Uc (t) и ic(t). По осциллограммам определите Ic(0+), Uc(0), AUсо и постоянную времени т. Сравните их с расчетными значениями.

Эксперимент 6. Подключение катушки индуктивности с начальным током ILо к неидеальному источнику синусоидальной ЭДС.
Откройте файл с7_04 (рис. 7.4). Рассчитайте временные зависимости тока в катушке iL(t) и напряжения на ней UL(1) при подключении RL-цепи к источнику гармонической ЭДС переключением ключа [Space]. Найдите временную зависимость AiL(t)= iL(t) - iLycT(t). Получите осциллограммы iL(t), AiL(t) и UL(t). По осциллограммам определите IL(O), UL(O+), AlLo и постоянную времени т. Сравните их с расчетными значениями.

Результаты экспериментов Эксперимент 1. Разряд конденсатора через резистор.

Исходные данные

Эксперимент 2. Подключение конденсатора к неидеальному источнику постоянной ЭДС. Исходные данные

Эксперимент 3. Подключение катушки индуктивности с начальным током к резистору.

Исходные данные

Эксперимент 4. Подключение катушки индуктивности к неидеальному источнику постоянной ЭДС Исходные данные

Эксперимент 5. Подключение конденсатора с начальным напряжением Uco K неидеальному источнику синусоидальной ЭДС.

Исходные данные

Эксперимент 6. Подключение катушки индуктивности с начальным током ILo к неидеальному источнику синусоидальной ЭДС.

Исходные данные

Вопросы
1. Что такое переходный процесс?
2. Возникают ли переходные процессы при коммутации в резистивных схемах? Почему?
3. Сформулируйте законы коммутации при корректных включениях. Может ли энергия в реактивных элементах изменяться скачком?
4. Что такое характеристическое уравнение и как его составить?
5. Как вычисляется постоянная времени переходного процесса в резистивных схемах с одним конденсатором?
6. Как вычисляется постоянная времени переходного процесса в резистивных схемах с одной катушкой индуктивности?
7. Как по графику переходного процесса для схем с одним реактивным элементом измерить постоянную времени?
8. Каковы необходимые и достаточные условия для возникновения в схемах переходного процесса?
9. При каких условиях в эксперименте 5 не возникнет переходной процесс?
10. При каких условиях не возникнет переходной процесс в эксперименте б?
с одним реактивным элементом рассмотрим
Упражнения7. 2. Анализ процессов в сложных схемах
Методические указания Методику расчета и экспериментального исследования процессов в сложных цепях с одним реактивным элементом рассмотрим на конкретных примерах, включающих задачи на постоянное и гармоническое воздействие. Задача 1. Подключение конденсатора к неидеальному источнику постоянной ЭДС.
Рассчитать напряжение uc (t) и ток конденсатора ic (t) при переключении ключа [Space] в схеме, приведенной на рис. 7. 5 (файл с7_11). При расчете принять, что переключения происходят из установившихся режимов. Проверить результаты расчетов с помощью Electronics Workbench. Считать, что ключ [Space] в положении 1 включен (замкнут), а в положении 2 - выключен (разомкнут).

Расчет Шаг 1. Применим общую формулу (7. 9) для расчета напряжения на конденсаторе:

где т = RC - постоянная времени цепи, Uco - начальное напряжение на конденсаторе, Uсчст (t) - напряжение на конденсаторе в установившемся режиме. В соответствии с законом коммутации напряжение на конденсаторе в момент коммутации не изменяется. Поэтому установившееся значение напряжения на конденсаторе при разомкнутом ключе и будет начальным напряжением Uco на нем при замыкании ключа. На рис. 7. 6 изображена схема замещения при разомкнутом ключе. В этой схеме замещения напряжение на конденсаторе установится, когда потенциалы конденсатора и источника сравняются, а напряжение на резисторе и ток через него станут равными нулю. Следовательно, Uyстp= Uco= Ераэ=10 В. Шаг 2. Теперь необходимо найти значение тока в момент t = 0+. Для вычисления значений параметров переходного процесса конденсатор можно заменить источником постоянной ЭДС с выходным напряжением равным Ucoз. При этом получим схему замещения, представленную на рис. 7.7.

Из схемы рис. 7.7:

Шаг 3. Определим установившееся значение напряжения UcycT при замкнутом ключе (рис. 7.8). Поскольку схемы рис. 7.6 и 7.8 идентичны по структуре, установившиеся значения определяются сходным образом: исуст^эаи^О В. Поскольку при замыкании ключа ток ограничивается сопротивлением Raa»i> постоянная времени цепи равна Тз= КэамС= 2 мс. Из выражения (7.9) следует,что:



Шаги 4, 5, 6. Для случая размыкания ключа Ucycтp= = Ераз = 10 В, Uco=Eзам. Предоставим читателю возможность самому разобраться в том, какие схемы замещения и условия необходимо применить, чтобы получить приведенные ниже уравнения для тока и напряжения при размыкании ключа.

Экспериментальная проверка результатов расчета Экспериментальная проверка полученных результатов заключается в измерении величин, характеризующих изменения тока и напряжения конденсатора при замыкании и размыкании ключа. Покажем, как экспериментально определяются четыре величины, относящиеся к размыканию ключа. Измерить их можно по единственной осциллограмме, полученной в схеме рис. 7.9(файл с7_11). Для получения такой осциллограммы необходимо, прежде всего, правильно собрать схему измерений. Общий вывод осциллографа и один из узлов исследуемой схемы нужно заземлить. Для измерения тока можно использовать резистор, включенный в исследуемую ветвь и подсоединенный одним выводом к земле, как это сделано в схеме рис. 7.9а. Однако это не всегда удобно, и лучше измерять ток с помощью универсального датчика тока, каким является источник напряжения, управляемый током (о схеме включения его см. Приложение 1). Напряжение на конденсаторе можно наблюдать непосредственно только в случае, когда один из его выводов также подсоединен к земле. Имеется, однако, возможность исключить это ограничение, пользуясь универсальным датчиком напряжения. В качестве его применяется источник напряжения, управляемый напряжением (схема его подключения приведена в Приложении 1).

Кроме того, очень важна точная настройка осциллографа. Мы рекомендуем читателю прежде, чем приступить к эксперименту, ознакомиться с методикой измерения мгновенных значений напряжения с помощью осциллографа, изложенной в Приложении 1. К чему может привести измерение ненастроенным осциллографом, проиллюстрируем на примере. На рис. 7,9 приведены осциллограммы, получающиеся после каждого шага настройки осциллографа, начиная от настройки по умолчанию. 1. Первая некорректность исходной настройки, которой соответствует осциллограмма на рис. 7.96, заключается в том, что оба канала переведены в режим АС. В уравнениях для переходных процессов присутствуют постоянные составляющие, и чтобы их увидеть, необходимо перевести оба канала А и В осциллографа в режим DC. На рис. 7.9в настройка режима исправлена. 2. Другая некорректность настройки заключается в том, что осциллограмма напряжения на конденсаторе выходит за верхнюю границу экрана (рис. 7.9в). Необходимо выбрать масштаб по напряжению в обоих каналах таким образом, чтобы осциллограммы напряжений имели максимальный размах, не выходя за границы экрана. Если размах осциллограмм очень мал, то напряжения кажутся нулевыми и неопытный экспериментатор может не отличить неверный выбор масштаба от отсутствия переходного процесса. На рис. 7.9г настройка масштаба по напряжению на канале В исправлена. 3. Ещё одна некорректность настройки заключается в выборе слишком большой цены деле-ниия по временной оси (TIME BASE) по сравнению с постоянной времени переходного процесса. При установке по умолчанию масштаба в 0.5 с/дел весь экран соответствует времени 7.2 с, то есть =3600т (т= 2 мс). При этом масштабе получается очень крупный шаг вычисления, при котором погрешность недопустимо велика, что приводит даже к качественному изменению характера функции. Как видно из рис. 7.9г, из-за погрешности процесс изображается колебательным, что невозможно в схемах с одним реактивным элементом. На рис. 7.9д ситуация исправлена и время прохождения экрана лучом равно =7т. В общем случае необходимо стремиться к тому, чтобы время прохождения экрана лучом не превышало =20т. Проблема синхронизации осциллографа в Electronics Workbench, как и в практических измерениях, требует особого внимания. Проще всего она решается, если ключ в схеме управляется вручную. Например, на. рис. 7.5 ключ управляется при нажатии на клавишу [Space] (пробел). Если замедлить процесс расчета настолько, чтобы изображающая точка плавно "плыла" по экрану, то вы наглядно увидите развитие переходного процесса и сможете управлять ключом во время процесса. Это можно сделать, изменяя опцию Time domain points per cycle пункта Analysis Options в меню Circuit. Подробнее об этом см. Приложение 1. При получении осциллограммы рис. 7.9д была выбрана опция 1000 точек /цикл. При изменении настроек осциллографа процесс расчета продолжается, а ключ уже не управляется клавишей. Существует два способа преодоления этой трудности. Вы можете выделить ключ, щелкнув на нем мышкой (он приобретет при этом красный цвет), не прерывая процесс расчета (после этого он снова становится управляемым), а можете снова запустить расчет, активизировав схему заново. Начать получение осциллограммы переходного процесса мы рекомендуем на малой модели осциллографа, поскольку при этом можно одновременно видеть на экране и схему. Однако проводить измерения намного удобнее на расширенной модели осциллографа, появляющейся на экране после нажатия кнопки Zoom. При этом Вас не должно смущать, если на малой модели информативная часть осциллограммы уже "убежала" за экран. На расширенной модели осциллографа вы сможете снова найти ее с помощью поля прокрутки в нижней части осциллографа.
На рис. 7.10 приведена модель осциллографа после нажатия кнопки Zoom в ситуации, показанной на рис. 7.9д. При этом курсоры выставлены таким образом, чтобы нижние табло показывали начальное и установившееся значения напряжения на конденсаторе при размыкании ключа. Переведя курсор с помощью мышки в позицию максимума по каналу А, мы можем измерить ток Imp.

Если сдвинуть курсор 1 вправо на 1 клетку, а курсор 2 — влево на 3. 5 клетки, то можно будет вычислить постоянную времени т по показаниям на табло осциллографа. Выражение для вычисления т:

Также можно измерить начальное и установившееся значения напряжения на конденсаторе при замыкании и размыкании ключа. Переведя с помощью мыши курсор в положение максимума по каналу А, можно измерить ток Iсo. Расчетные и экспериментальные данные приведены в таблице. Таблица 7.1. Сравнение расчета с экспериментом
Задача 2. Подключение конденсатора к активному двухполюснику с постоянным выходным. напряжением.
Рассчитать напряжение на конденсаторе Uc(t), ток через него ic(t) и напряжение на резисторе R3 URa(t) при замыкании и размыкании ключа [Space] в схеме рис. 7.12 (файл с7_12). Исследовать переходной процесс с помощью Electronics Workbench и сверить результаты расчета и эксперимента.

Расчет Шаг 1. Расчет Uc(t) и Ic(t). Задачу на расчет напряжения на конденсаторе и тока через него для сколь угодно сложной схемы, в которой имеется только один конденсатор и ключ на два положения, можно свести к задаче 1 данного раздела, если найти параметры эквивалентных генераторов при замкнутом и разомкнутом ключе (см. главу 2). Схема замещения при разомкнутом ключе приведена на рис. 7.12 В этом случае схема состоит из двух независимых контуров - с источником ЭДС и с источником тока. Потенциал точки "b" равен падению напряжения на резисторе R5:Ub= 30 Ом ЗА= 90 В. Потенциал точки "а" равен напряжению источника ЭДС E1 и составляет 24 В. Разность потенциалов точек а и b равна Uabp= 24 - 90= - 66 В. Для определения эквивалентного сопротивления источники ЭДС заменяются коротким замыканием, а источники тока - разрывом. Эквивалентное сопротивление Rэквр равняется при этом Rэквр=R2 +R5= 38 Ом.

Схема замещения при замкнутом ключе представлена на рис. 7.13. Напряжение холостого хода в этом случае можно определить методом наложения. Напряжение UR3E на резисторе Rg, создаваемое источником ЭДС E1, рассчитаем по формуле делителя напряжений: UR3E= Е1Rз/(Кз+К4) = 24-20/(20+30) = 9.6 В. Напряжение UR3J, создаваемое источником тока J1 на резисторе Rз, найдем с использованием формулы делителя тока: UR3J= -J1R5R3/(R5+R5) = -3.30 20/(20+30)= -36 В.

Разность потенциалов Uabз равна сумме этих составляющих: и.ьэ= URSE + URSJ = 9.6 -36= -26.4 В. Эквивалентное сопротивление: Rэквз = R2 + RslIRs = 8 + 12 = 20 Ом. Выражение RзlIRs означает эквивалентное сопротивление для параллельного соединения Кз и Rs

Таким образом, исходная схема сводится к схеме рис. 7.14 при вычисленных параметрах элементов. Расчет схемы рис. 7.14 проводится аналогично расчету схемы из задачи 1 данного раздела. В результате получим следующие выражения, описывающие напряжение на конденсаторе Uc(t) и ток через него ic(t) для переходного процесса при размыкании ключа:


Выражения, описывающие напряжение на конденсаторе Uc(t) и ток через него ic(t) для переходного процесса при замыкании ключа:

Для расчета напряжения на резисторе Rз применим стандартный алгоритм классического метода расчета переходных процессов. При замыкании ключа

Расчет URstt). Значение URзустз нетрудно определить из схемы замещения на рис. 7.13. Однако для определения URз(0+) нам придется исследовать схему замещения для момента 0+. Исходя из условия коммутации, в исходной схеме конденсатор следует заменить источником ЭДС, напряжение которого по знаку и величине совпадает с Uc(0+). На рис. 7.15 приведена схема замещения для момента 0+ при замыкании ключа. Рассчитать процессы в этой схеме можно методом наложения, частные схемы для которого проведены на рис. 7.16, 7.17, 7.18.

Составляющую напряжения UR3(E1) создаваемую источником ЭДС E1, определим из соотношения:


в котором первый сомножитель равен току источника ЭДС Ei, второй - коэффициенту деления делителя тока, при умножении на который мы получаем ток через сопротивление R5, третий — коэффициенту деления делителя тока, при умножении на который получается ток через сопротивление R3. При умножении на четвертый сомножитель (сопротивление R3) мы получаем напряжение URз(Е1)-Подставив в выражение значения номиналов, получим: UR3(E1) = 3.84 В. Составляющую напряжения URз(uсо), создаваемую источником ЭДС UCO, опре- • делим из соотношения:


После подстановки номиналов получаем: URS(UCO) = - 39. 6 В. Наконец, составляющую напряжения UR3(J1), создаваемую источником тока J1, определим из соотношения:


После подстановки номиналов получаем: UR3(I1) = - 14.4 В. Напряжение на резисторе Rз равно сумме составляющих напряжений, создаваемых на резисторе всеми источниками в схеме: URS= URЗ(Е1) +UR3(UCO) +UR3(Jl) В результате получаем: Uкз = - 50.16 В.
Экспериментальная проверка результатов расчета Шаг 1. Подключая мультиметр в режиме вольтметра и омметра на выходы схем замещения при разомкнутом и замкнутом ключе, проверим расчет Ераз, Езам, Rpaз и Rзaм (рис. 7.19).

Как видно из показаний приборов на рис. 7.20, экспериментальные и расчетные данные совпадают.
Шаг 2. На рис. 7.20(1, б, б, показано измерение составляющих напряжения на резисторе Rз, создаваемых источником ЭДС E1, источником ЭДС UCO и источником тока J1 соответственно, а на рис. 7.20г - измерение суммарного напряжения на резисторе Rз в момент времени (0+). Как видно из приведенных схем, Electronics Workbench позволяет провести пошаговую проверку расчета. Шаг 3. Подключите осциллограф, как показано нa puc. 7,21, и активизируйте схему. На экране осциллографа появятся кривые, отражающие напряжение на конденсаторе Uc и резисторе Uкз в установившемся режиме при замкнутом ключе. При размыкании ключа наблюдается переходный процесс. После того, как напряжения на обоих входах осциллографа установятся, замкнем ключ. На экране осциллографа будет наблюдаться соответствующий переходный процесс (рис. 7.22). На рис. 7.21 входы осциллографа подключены через управляемые источники ЭДС, что позволяет не заботиться о создании общей точки для двух исследуемых сигналов (см. Приложение 1). Для удобства наблюдения и управления необходимо замедлить вывод результатов эксперимента на экран. Это можно сделать, выбрав число точек на цикл равным 1000.



Наличие табло и курсоров позволяет использовать осциллограф как цифровой измерительный прибор мгновенных значений напряжений. Курсоры 1 и 2 на рис. 7.22 расположены таким образом, что на табло наблюдаются значения измеряемых величин в установившемся режиме (как при замкнутом, так и при разомкнутом ключе). Постоянная времени переходного процесса определяется так же, как и в задаче 1 данного раздела. В заключение приведем таблицу, в которой сравниваются результаты расчета и экспериментов. Таблица 7.2. Сравнение расчета с экспериментом
Задача 3. Расчет переходного процесса в цепи с одним реактивным элементом при подключении к неидеальному источнику синусоидального напряжения.
Схема в верхней части рис. 7.23 предназначена для моделирования переходного процесса в цепи с одним конденсатором. Схема в нижней части рис. 7.23 — для моделирования установившегося процесса в той же цепи. Параметры элементов в верхней и нижней части схемы идентичны. Рассчитать напряжение Uc(t), ток и ток конденсатора ic(t) при включении и выключении ключа [Space]. Переключения производить при максимуме напряжения на конденсаторе в нижней схеме рис. 7.23. Рассчитать входное напряжение таким образом, чтобы максимум установившегося напряжения был равен 100 В. Считать ключ в положении 1 включенным (замкнутым), в положении 2 - выключенным (разомкнутым). Файле? 13.са4

Расчет Рассмотрим сначала установившийся процесс (нижняя схема на рис. 7.23). Расчет искомого входного напряжения проведем в программе комплексного калькулятора (файл с7_13.сс). На рис. 7.24 приведено окно комплексного калькулятора с текстом программы и результатом расчета напряжения источника ЭДС. Результат расчета отображен на табло комплексного калькулятора. Напряжение источника ЭДС равно 320 В.



где

Отсчет времени ведется от момента замыкания ключа. Если замкнуть ключ при максимуме установившегося напряжения на конденсаторе, то угол можно определить из условия


Процесс при размыкании ключа в момент максимума установившегося напряжения на конденсаторе представляет собой перезаряд конденсатора через сопротивление R от эквивалентного источника Еэ = ER2/(R1+R2) и описывается выражениями:

Экспериментальная проверка результатов расчета Шаг 1. Подключив осциллограф, как показано на рис. 7.24, и наблюдая на входе В установившийся процесс, переключим ключ [Space] в момент прохождения первого максимума. Получим осциллограмму напряжения на конденсаторе, являющуюся суммой свободной

составляющей






Отметим, что имеется возможность и непосредственного получения осциллограммы свободной составляющей переходного процесса при замыкании ключа, если воспользоваться датчиком напряжения в виде источника напряжения, управляемого напряжением (рис. 7.26). В этом случае постоянная времени t будет определяться формулой:


Задачи для самостоятельного решения 1. Схемы с катушкой индуктивности и одним источником
Задача 1 (с7_21) На рисунке приведены результаты эксперимента по моделированию подключения реле постоянного тока, обмотка которого имеет индуктивность 0.4 Гн и внутреннее сопротивление Rcoil =15 Ом, через дополнительное сопротивление R1 к источнику напряжения Е. Определите сопротивление R1 и величину напряжения Е. Результаты расчета проверьте с помощью Electronics Workbench.

Задача 2 (с7_22) Рассчитайте токи в тех цепях, где включены датчики тока, при замыкании и размыкании ключа [Space] и постройте графики соответствующих временных зависимостей. Результаты расчета проверьте с помощью Electronics Workbench.

Задача 3 (с7_23) Рассчитайте временные зависимости напряжения и тока через катушку L1 при замыкании и размыкании ключа [Space] и постройте соответствующие графики. Результаты расчета проверьте с помощью Electronics Workbench.

Задача 4 (с7_24) Рассчитайте временную зависимость тока через катушку L при замыкании ключа [Space] и постройте на одном графике временные зависимости тока для установившегося и переходного процессов. Замыкание и размыкание производить из установившегося процесса. Результаты расчета проверьте с помощью Electronics Workbench.

Задача 5 (с7_25) Рассчитайте временные зависимости напряжения и тока через катушку L при замыкании ключа [Space]. Постройте соответствующие графики . Результаты расчета проверьте с помощью Electronics Workbench.

Задача 6 (с7_26) Рассчитайте временные зависимости напряжения и тока через катушку L при замыкании ключа [Space]. Постройте соответствующие графики. Результаты расчета проверьте с помощью Electronics Workbench.

Задача 7 (с7_27) Рассчитайте временные зависимости напряжения и тока через катушку L при замыкании ключа [Space]. Постройте соответствующие графики. Результаты расчета проверьте с помощью Electronics Workbench.

Задача 8 (с7_28) Рассчитайте временные зависимости напряжения и тока через катушку L при замыкании ключа [Space]. Постройте соответствующие графики. Результаты расчета проверьте с помощью Electronics Workbench.

Задача 9 (с7_29) Осциллограмма напряжения на катушке получена в схеме, приведенной на рисунке слева. Определите, в какой момент получена осциллограмма (замыкания или размыкания). Является источник Source идеальным источником тока или идеальным источником напряжения? Определите величину напряжения или тока этого источника.


2. Схемы с катушкой индуктивности и двумя источниками
Задача 16 (с7_36) Рассчитайте временные зависимости напряжения и тока через катушку L при пере-ключениях ключа [Space]. Постройте соответствующие графики. Результаты расчета проверьте с помощью Electronics Workbench.

Задача 17 (с7_37) Рассчитайте временные зависимости напряжения и тока через катушку L при пере-ключениях ключа [Space]. Постройте соответствующие графики. Результаты расчета проверьте с помощью Electronics Workbench.

Задача 18 (с7_38) Рассчитайте временные зависимости напряжения и тока через катушку L при пере-ключениях ключа [Space]. Постройте соответствующие графики. Результаты расчета проверьте с помощью Electronics Workbench.

3. Схемы с конденсатором и одним источником
Задача 19 (с7_39) Рассчитайте временные зависимости напряжения и тока через катушку L при пере-ключениях ключа [Space]. Постройте соответствующие графики. Результаты расчета проверьте с помощью Electronics Workbench.

Задача 20 (с7_40) Рассчитайте временные зависимости напряжения и тока через катушку L при пере-ключениях ключа [Space]. Постройте соответствующие графики. Результаты расчета проверьте с помощью Electronics Workbench.

Задача 21 (с7_41) Рассчитайте временные зависимости напряжения и тока через катушку L при пере-ключениях ключа [Space]. Постройте соответствующие графики. Результаты расчета проверьте с помощью Electronics Workbench.

Задача 22 (с7_42) Рассчитайте временные зависимости напряжения на конденсаторе С и тока через резистор R2 при замыкании ключа [Space]. Постройте соответствующие графики. Результаты расчета проверьте с помощью Electronics Workbench.

Задача 23 (с7_43) Рассчитайте временные зависимости напряжения на конденсаторе С и тока через резистор R2 при замыкании ключа [Space]. Постройте соответствующие графики. Результаты расчета проверьте с помощью Electronics Workbench.

Задача 24 (с7_44) Рассчитайте временные зависимости напряжения на конденсаторе С и тока через резистор R2 при замыкании ключа [Space]. Постройте соответствующие графики. Результаты расчета проверьте с помощью Electronics Workbench.

Задача 25 (с7_45) Рассчитайте временные зависимости напряжения на конденсаторе С и тока через резистор R2 при замыкании ключа [Space]. Постройте соответствующие графики. Результаты расчета проверьте с помощью Electronics Workbench.

4. Схемы с конденсатором и двумя источниками
Задача 29 (с7_49) Рассчитайте временные зависимости напряжения на конденсаторе С и тока через него при замыкании ключа [Space]. Постройте соответствующие графики. Результаты расчета проверьте с помощью Electronics Workbench.

Задача 30 (с7_50) Рассчитайте временные зависимости напряжения на конденсаторе С и тока через него при замыкании ключа [Space]. Постройте соответствующие графики. Результаты расчета проверьте с помощью Electronics Workbench.

Задача 31 (с7_51) Рассчитайте временные зависимости напряжения на конденсаторе С и тока через него при замыкании ключа [Space]. Постройте соответствующие графики. Результаты расчета проверьте с помощью Electronics Workbench.

Задача 32 (с7_52) Рассчитайте временные зависимости напряжения на конденсаторе С и тока через него при замыкании ключа [Space]. Постройте соответствующие графики. Результаты расчета проверьте с помощью Electronics Workbench.

Электротехника и электроника
Разряд конденсатора на катушку индуктивности
Цель экспериментов 1. Исследование процесса разряда конденсатора на катушку индуктивности при отсутствии потерь в контуре. 2. Исследование процесса разряда конденсатора на катушку индуктивности при высокой добротности контура (колебательный разряд). 3. Исследование процесса разряда конденсатора на катушку индуктивности при низкой добротности контура (апериодический разряд).
Краткие сведения из теории 1. Разряд конденсатора с начальным напряжением Uco на идеальную катушку индуктивности (R = О). Уравнение для расчета переходного процесса - зависимости напряжения на конденсаторе uc от времени - в этом случае имеет вид:

Корни его характеристического уравнения мнимые сопряженные



Решение уравнения (8.1):

Ток в контуре определяется из выражения:

где

Uco - начальное напряжение на конденсаторе.
Порядок проведения экспериментов
Эксперимент 1. Разряд конденсатора с начальным напряжением на идеальную катушку индуктивности. Откройте файл с8_01 (рис. 8.1). Рассчитайте временные зависимости напряжения на конденсаторе Uc(t) и тока ic(t) через него при переключении реле времени. Получите осциллограммы Uc(t) и ic(t) и зарисуйте их на экране осциллографа в разделе "Результаты экспериментов". По осциллограммам определите величины То и р. Сравните их с расчетными значениями.

Эксперимент 2. Энергетические соотношения при разряде конденсатора с начальным напряжением на идеальную катушку индуктивности. Откройте файл с8_02 (рис. 8.2). Рассчитайте энергию в конденсаторе Wc и энергию в катушке индуктивности WL для моментов времени t= О, То/8, То/4, ЗТо/8, То/2, 5Т„/8, ЗТо/4, 7То/8, То. Время отсчитывается от момента переключения реле. Результаты расчета занесите в соответствующую таблицу в разделе "Результаты экспериментов". Получите осциллограммы Wc(t) и WL(I), зарисуйте их на экране осциллографа в разделе "Результаты экспериментов". По осциллограммам Wc(t) и WL(t) определите экспериментальные значения энергий в указанные моменты времени. Результат также занесите в таблицу.

Эксперимент 3. Разряд конденсатора с начальным напряжением на катушку индуктивности при высокой добротности контура. Откройте файл с8_03 (рис. 8.3). Рассчитайте временные зависимости напряжения на конденсаторе Uc(t) и тока ic(t) через него при срабатывании реле времени, а также рассчитайте величины wсв и б. Получите осциллограммы Uc(t) и ic(t), зарисуйте их на экране осциллографа в разделе "Результаты экспериментов". По осциллограммам определите величины Тсв и 5, сравните их с расчетными значениями.

Эксперимент 4. Энергетические соотношения при колебательном разряде конденсатора с начальным напряжением на катушку индуктивности. Откройте файл с8_04 (рис. 8.4). Рассчитайте энергию в конденсаторе We и катушке индуктивности WL для моментов времени t= 0, Тсв/2, Tсв, 3Tcв/2, 2Тсв, 5Тсв/2, ЗТсв, 7Tсв/2, 4Tсв. Время отсчитывается от момента срабатывания реле времени. Результаты расчета занесите в соответствующую таблицу в разделе "Результаты экспериментов". Получите осциллограммы Wc(t) и WL(t), зарисуйте их на экране осциллографа в разделе "Результаты экспериментов". По осциллограммам Wc(t) и WL(t) определите экспериментальные значения энергий в указанные моменты времени и результаты также занесите в таблицу.

Эксперимент 5. Разряд конденсатора с начальным напряжением на катушку индуктивности при низкой добротности контура. Откройте файл с8_05 (рис. 8.5). Рассчитайте временные зависимости напряжения на конденсаторе Uc(t) и тока ic(t) через него, а также величины p1 и р2 при переключении реле времени. Получите осциллограммы тока ic(t) конденсатора при его разряде на RL-цепь и тока через катушку индуктивности L при подсоединении ее через резистор R к источнику с ЭДС, равной начальному напряжению на конденсаторе (нижняя схема). Зарисуйте полученные осциллограммы на экране осциллографа в разделе "Результаты экспериментов". Сравните осциллограммы тока для обоих случаев. Вычислите постоянную времени 1/p1 и сравните ее с постоянной времени L/R для нижней схемы, отметьте положение соответствующего корня характеристического уравнения на комплексной плоскости. Получите осциллограммы тока ic(t) конденсатора при его разряде на RL-цепь и на резистор с сопротивлением R (правая схема). Зарисуйте их на том же экране осциллографа в разделе "Результаты экспериментов". Сравните осциллограммы тока для всех трех схем. Вычислите постоянную времени 1/р2 и сравните ее с постоянной времени RC правой схемы, отметьте положение соответствующего корня характеристического уравнения на комплексной плоскости.

Результаты экспериментов Эксперимент 1. Разряд конденсатора с начальным напряжением на идеальную катушку индуктивности.


Осциллограммы uc(t) и ic(t)

Положение корней характеристического уравнения на комплексной плоскости

Эксперимент 2. Энергетические соотношения при разряде конденсатора с начальным напряжением на идеальную катушку индуктивности.

Осциллограммы Wc(t) и WL(t)
Энер

Осциллограммы Uc(t) и ic(t)

Положение корней характеристического уравнения на комплексной плоскости

Эксперимент 4. Энергетические соотношения при колебательном разряде конденсатора с начальным напряжением на катушку индуктивности.

Осциллограммы Wc(t) и W^(t)
Энер

Осциллограммы. uc(t) и ic(t)

Положение корней характеристического уравнения на комплексной плоскости

Вопросы 1. Какие характерные точки можно выделить на осциллограммах мгновенных значений энергии в катушке и конденсаторе при разряде конденсатора на идеальную катушку индуктивности?
2. Какое положение на комплексной плоскости занимают корни характеристического уравнения при отсутствии потерь в контуре?
3. Как происходит обмен энергией между компонентами схемы при переходном процессе в отсутствие потерь?
4. Как изменяется форма осциллограмм тока в контуре и напряжений на компонентах при введении в контур небольшого сопротивления (колебательный процесс)?
5. Какими величинами характеризуется затухание тока при колебательном переходном процессе?
6. Какое положение на комплексной плоскости занимают корни характеристического уравнения при колебательном переходном процессе?
7. Сравните форму кривых тока и напряжений при апериодическом переходном процессе с соответствующими кривыми для RL- и RC-цепей.
8. Какое положение на комплексной плоскости занимают корни характеристического уравнения при апериодическом переходном процессе?
с двумя реактивными элементами рассмотрим
Упражнения8.2. Анализ процессов в сложных схемах
Методические указания Методику расчета и экспериментального исследования процессов в сложных цепях с двумя реактивными элементами рассмотрим на конкретном примере, проведя расчет классическим и операторным методами и сравнив результаты расчета и эксперимента. Задача 1. Переходный процесс при мгновенном изменении параметров цепи.
Рассчитать напряжение на конденсаторе Uc(t) и ток ic(t) в катушке в схеме, приведенной на рис. 8.6 (файл с8_06) при закорачивании ключом [Space] сопротивления R2. При расчете принять, что переключение происходит из установившегося режима.

Расчет классическим методом Шаг 1. Нахождение корней характеристического уравнения. Характеристическое уравнение имеет вид:

Шаг 2. Определение констант в уравнении для тока через катушку. Поскольку корни характеристического уравнения комплексно-сопряженные, переходной процесс носит колебательный характер и, следовательно, ток через индуктивность iL(t) выражается следующей зависимостью:

Уравнение (8.10) содержит две константы, для определения которых необходимо решить систему двух уравнений, одним из которых является само уравнение (8.10). Вторым уравнением, содержащим те же константы, является уравнение для производной тока через индуктивность:

Для определения указанных констант при классическом методе расчета используются уравнения (8.10) и (8.11). Рассмотрим порядок вычисления значений этих выражений в момент t = 0+. Закон коммутации для катушки индуктивности формулируется в следующем виде: iL(0+)=iL(0-). (8.12) Подставляя t=0 в уравнение (8.10), получим уравнение, описывающее состояние схемы до коммутации:

Значение iL(0-) является установившимся значением тока при разомкнутом ключе. Схему замещения для определения этого тока получим, заменив катушку индуктивности в исходной схеме проводником, а конденсатор - разрывом (рис. 8.7). Из этой схемы находим ток до момента коммутации: iL(0-)= 125 В/500 Ом = 0.25 А. Ток Iуст является установившимся значением тока при замкнутом ключе. Схему замещения для определения этого тока получим, исключив из схемы рис. 8.7 сопротивление R2, закороченное ключом (рис. 8.8). Из схемы находим ток в установившемся режиме после коммутации: Iуст= 125 В / 300 Ом = 0.417 А. Подставляя вычисленные значения iL(0-) и Iуст в (8.13), получим первое уравнение для вычисления констант: IcвSinфi =-0.167. (8.14) Рассмотрим теперь уравнение для производной тока в момент времени t(0+). Подставив t= 0 в уравнение (8.11), получим следующее выражение:

где правая часть получена из компонентного уравнения:

Значение UL(0+) не регламентируется непосредственно законами коммутации и для его вычисления нужно использовать оба закона коммутации наряду со вторым законом Кирхгофа. Рассмотрим, как изменяются напряжения на отдельных компонентах


схемы при коммутации. Напряжение на идеальном источнике питания не зависит от состояния схемы; напряжение на сопротивлении R1 измениться не может, поскольку не изменяется ток через индуктивность; напряжение на конденсаторе С также не может измениться по закону коммутации. В то же время напряжение на ключе, равное в момент времени t(0—) напряжению на сопротивлении R2, падает после коммутации до 0. Чтобы второй закон Кирхгофа выполнялся для момента t=(0+), это напряжение должно появиться на катушке индуктивности. Подставляя значение этого напряжения в (8.15), получим второе уравнение для вычисления констант:

Далее решаем систему из двух уравнений (8.14) и (8.16). Из уравнения (8.14) получим:

Подставив это выражение в (8.16), определим:

Ток через катушку индуктивности после подстановки констант в (8.10) вычисляется из выражения:

Шаг 3. Определение констант в уравнении для напряжения на конденсаторе. Результат получим, действуя аналогично изложенному в шаге 2: Напряжение на конденсаторе при колебательном переходном процессе выражается зави симостью:

Уравнение для производной напряжения на конденсаторе:

Согласно закону коммутации:

Величина Uc(0+) является установившимся значением напряжения на конденсаторе при разомкнутом ключе. Его можно рассчитать из схемы замещения, представленной на рис. 8.7. Uc(0-)= 125-250/500 = 62.5 В.
Напряжение UycT является установившимся значением напряжения на конденсаторе при замкнутом ключе. Его также можно получить из схемы замещения, представленной на рис. 8.8. Из схемы получим:

Подставляя вычисленные значения в (8.18), получим для момента t = 0:

Производную напряжения для момента t(0+) можно вычислить подставив в (8.19) значение t = 0:

где правая часть получена из компонентного уравнения:

Значение ic(0+) не регламентируется непосредственно законами коммутации и для его вычисления нужно использовать оба закона коммутации наряду с первым законом Кирхгофа. Рассмотрим, как изменяются токи в ветвях, подходящих к узлу 1 на рис. 8.6 при коммутации. По закону коммутации ток через катушку не может измениться; по другому закону коммутации не может измениться и напряжение на конденсаторе (равное напряжению на резисторе Rз), и, соответственно, ток через Rз. Поэтому неизменным остается и ток через конденсатор, который до переключения ключа в установившемся режиме был равен нулю. Подставляя значение этого тока в уравнение (8.22) получаем:

Из уравнения (8.21) получим:

Теперь из уравнения (8.23) можно непосредственно вычислить угол, а затем и Ucв-

Напряжение на конденсаторе после подстановки констант вычисляется из выражения:

Расчет операторным методом Шаг 1. Составление операторной схемы замещения. При составлении операторной схемы замещения (рис. 8.9) элементы замещаются их операторными изображениями: индуктивность заменяется сопротивлением pL и источником ЭДС с напряжением L-iL/O-), отображающим наличие начального тока в катушке, емкость - сопротивлением 1/рс и источником ЭДС с напряжением Uc(0-)/p, отображающим начальное напряжение на конденсаторе, источник постоянной ЭДС - изображением Е/р, изображение резистора при переходе к операторной схеме совпадает с оригиналом. Начальные условия определяются так же, как и при расчете классическим методом, начальные значения тока через индуктивность и напряжения на емкости равны соответственно:

Шаг 2. Определение изображения тока в индуктивности. Найдем изображение тока методом эквивалентного генератора. Замещая эквивалентным генератором схему без левой ветви, найдем:

С учетом параметров эквивалентного генератора изображение тока в левой ветви:

Подставляя значения Uэк(p) и Zэк(p). получим:


Подставляя значения параметров в Fl(p) и F2(p), получим:

Шаг 3. Определение оригинала iL(t) по теореме разложения. В соответствии с теоремой разложения при колебательном характере процесса

Подставляя в формулу (8.25) вычисленные выше значения F1(p) и F3(p) и производя преобразования, получим:

Корни характеристического уравнения F3(p)=0:

Вычисляем производную Fз'(p):

Определим F1(p1):

и, подставив полученное значение в (8.25), определим iL(t):

Аналогично можно определить и величину Uc(t). Экспериментальная проверка Для экспериментального определения величин Uc(t) и iL(t) можно воспользоваться увеличенной моделью осциллографа (рис. 8.10). Установив первый курсор в начале переходного процесса, а второй курсор на отметке текущего времени (800 мкс на рис. 8.10). С табло при этом считываем значения, соответствующие этому моменту времени (см. табл. 8.1). Таблица 8.1. Сравнение результатов расчета и эксперимента
t, мксек

Задачи для самостоятельного решения Задачи с 1 по 6 и с 24 по 26 приведены в книге, остальные задачи (с 7 по 23) вы сможете найти на прилагающихся к книге дискетах. 1. Схемы с конденсатором и катушкой индуктивности
Задача 1 (с8_11) Рассчитайте временные зависимости напряжения на конденсаторе С и тока через катушку индуктивности L при замыкании ключа [Space] и нулевых начальных условиях. Постройте графики соответствующих временных зависимостей. Результаты расчета проверьте с помощью Electronics Workbench.

Задача 2 (с8_12) Рассчитайте временные зависимости напряжения на сопротивлении R и тока через катушку индуктивности L при замыкании ключа [Space] и нулевых начальных условиях. Постройте графики соответствующих временных зависимостей. Результаты расчета проверьте с помощью Electronics Workbench.

Задача 3 (с8_13) Рассчитайте временные зависимости напряжения на конденсаторе С и тока через катушку индуктивности L при размыкании ключа [Space] и постройте графики соответствующих временных зависимостей. Результаты расчета проверьте с помощью Electronics Workbench.

Задача 4 (с8_14) Рассчитайте временные зависимости напряжения на конденсаторе С и тока через катушку индуктивности L при замыкании ключа [Space] и нулевых начальных условиях. Постройте графики соответствующих временных зависимостей. Результаты расчета проверьте с помощью Electronics Workbench.

Задача 5 (с8_15) Рассчитайте временные зависимости напряжения на конденсаторе С и тока через катушку индуктивности L при замыкании ключа [Space] и нулевых начальных условиях. Постройте графики соответствующих временных зависимостей. Результаты расчета проверьте с помощью Electronics Workbench.

Задача 6 (с8_16) Рассчитайте временные зависимости напряжения на конденсаторе С и тока через катушку индуктивности L при замыкании ключа [Space] и нулевых начальных условиях. Постройте графики соответствующих временных зависимостей. Результаты расчета проверьте с помощью Electronics Workbench.

2. Переходные процессы при некорректных включениях
Задача 24 (с8_34) Рассчитайте временные зависимости напряжения на обоих конденсаторах и тока через резистор R при замыкании ключа [Space]. Постройте графики соответствующих временных зависимостей. Результаты расчета проверьте с помощью Electronics Workbench.

Задача 25 (с8_35) Рассчитайте временные зависимости токов через катушки индуктивности L1 и L2 при размыкании ключа [Space]. Постройте графики соответствующих временных зависимостей. Результаты расчета проверьте с помощью Electronics Workbench.

Задача 26 (с8_36) Рассчитайте временные зависимости токов через катушки индуктивности L1 и L2 при размыкании ключа [Space]. Постройте графики соответствующих временных зависимостей. Результаты расчета проверьте с помощью Electronics Workbench.

Электротехника и электроника
Полупроводниковые диоды
Цель 1. Исследование напряжения и тока диода при прямом и обратном смещении р-п перехода. 2. Построение и исследование вольтамперной характеристики (ВАХ) для полупроводникового диода. 3. Исследование сопротивления диода при прямом и обратном смещении по вольтамперной характеристике. 4. Анализ сопротивления диода (прямое и обратное смещение) на переменном и постоянном токе. 5. Измерение напряжения изгиба вольтамперной характеристики.
Краткие сведения из теории Одним из достоинств Elecrtronics Workbench является возможность смоделировать ситуации, возникающие при самых различных уровнях приборной оснащенности исследователя, и освоить методики измерения, соответствующие этим уровням. Рассмотрим эти ситуации на примере измерения вольтамперной характеристики полупроводникового диода. Начинающий радиолюбитель может иметь всего лишь один универсальный прибор - муль-тиметр (который мы привыкли называть тестером), но и в этом случае можно снять вольтам-перную характеристику (ВАХ) диода или любого другого нелинейного двухполюсника. Проще всего в этом случае измерять напряжение на диоде в схеме рис. 9.1, подсоединяя к диоду через резистор источники напряжения различной величины. Ток диода при этом можно вычислять из выражения: 1пр = (Е - Unp)/R, (9.1) где1пр - ток диода в прямом направлении, Е - напряжение источника питания, Unp - напряжение на диоде в прямом направлении. Изменив полярность включения диода в той же схеме рис. 9.1, можно снять ВАХ диода по той же методике и в обратном направлении 1ов = (Е - Uоб)/R,(9.2) где Iов - ток диода в обратном направлении, UOB - напряжение на диоде в обратном направлении.
Точность при таких измерениях оставляет желать лучшего из-за разброса сопротивлений у резисторов одного номинала. И если Вы хотите получить более точную характеристику, используя только один мультиметр, необходимо сначала измерить напряжение в схеме рис. 9.1, а затем ток в схеме рис. 9.2. При этом можно пользоваться по-прежнему только мультиметром, подключая его то как вольтметр, то как амперметр. Гораздо быстрее можно выполнить эту работу, если у Вас имеется и вольтметр и амперметр. Тогда, включив их по схеме рис. 9.3, можно сразу видеть ток и напряжение на табло этих приборов. Вольтамперная характеристика (ВАХ) может быть получена путем измерения напряжений на диоде при протекании различных токов за счет изменения напряжения источника питания Vs. И наконец, наиболее быстро и удобно можно исследовать ВАХ, непосредственно наблюдая ее на экране осциллографа (рис. 9.4). При таком подключении координата точки по горизонтальной оси осциллографа будет пропорциональна напряжению, а по вертикальной - току через диод. Поскольку напряжение в вольтах на резисторе 1 Ом численно равно току через диод в амперах (I=U/R=U/1=U), по вертикальной оси можно непосредственно считывать значения тока. Если на осциллографе выбран режим В/А, то величина, пропорциональная току через диод (канал В), будет откладываться по вертикальной оси, а напряжение (канал А) - по горизонтальной. Это и позволит получить вольтамперную характеристику непосредственно на экране осциллографа.





применений на существенную постоянную составляющую тока диода накладывается небольшая переменная составляющая (обычно при этом говорят, что элемент работает в режиме малых сигналов). В этом случае интерес представляет дифференциальное (или динамическое) сопротивление dU/dI. Величина динамического сопротивления зависит от постоянной составляющей тока диода, определяющей рабочую точку на характеристике.
Порядок проведения экспериментов
Эксперимент 1. Измерение напряжения и вычисление тока через диод. Откройте файл с9_011 (рис. 9.1) и включите схему. Мультиметр покажет напряжение на диоде Unp при прямом смещении. Переверните диод и снова запустите схему. Теперь мульти-метр покажет напряжение на диоде Uоб при обратном смещении. Запишите показания в раздел "Результаты экспериментов". Вычислите ток диода при прямом 1пр и обратном 1ов смещении согласно формулам (9.1) и (9.2).
Эксперимент 2. Измерение тока. Откройте файл с9_012 (рис. 9.2) и включите схему. Мультиметр покажет ток диода 1пр при прямом смещении. Переверните диод и снова запустите схему. Теперь Мультиметр покажет ток 1ов диода при обратном смещении. Запишите показания в раздел "Результаты экспериментов".
Эксперимент 3. Измерение статического сопротивления диода. Измерьте сопротивление диода в прямом и обратном подключении, используя Мультиметр в режиме омметра. Малые значения сопротивления соответствуют прямому подключению. Показания прямого сопротивления различны для разных шкал омметра. Почему?
Эксперимент 4. Снятие вольтамперной характеристики диода. а). Прямая ветвь ВАХ. Отройте файл с9_013 (рис. 9.3). Включите схему. Последовательно устанавливая значения ЭДС источника равными 5 В, 4 В, 3 В, 2 В, 1 В, 0.5 В, О В запишите значения напряжения Unp и тока 1пр диода в таблицу а) раздела "Результаты экспериментов". б). Обратная ветвь ВАХ. Переверните диод. Последовательно устанавливая значения ЭДС источника равными О В, 5 В, 10 В, 15 В запишите значения тока 1ов и напряжения UQB в таблицу б) раздела "Результаты экспериментов". в). По полученным данным постройте графики 1пр (Unp) и IOB (Uos). г). Постройте касательную к графику прямой ветви ВАХ при 1пр = 4 мА и оцените дифференциальное сопротивление диода по наклону касательной. Проделайте ту же процедуру для 1пр = 0.4 мА и 1пр =0.2 мА. Ответы запишите в раздел "Результаты экспериментов". д). Аналогично пункту г) оцените дифференциальное сопротивление диода при обратном напряжении 5 В и запишите экспериментальные данные в раздел "Результаты экспериментов". е). Вычислите сопротивление диода на постоянном токе 1пр = 4 мА по формуле Rcr= Unp/Inp и занесите результат в раздел "Результаты экспериментов". ж). Определите напряжение изгиба. Результаты занесите в раздел "Результаты экспериментов". Напряжение изгиба определяется из вольтамперной характеристики диода, смещенного в прямом направлении, для точки, где характеристика претерпевает резкий излом.
Эксперимент 5. Получение ВАХ на экране осциллографа. Откройте файл с9_014. (рис. 9.4). Включите схему. На ВАХ, появившейся на экране осциллографа, по горизонтальной оси считывается напряжение на диоде в милливольтах (канал А), а по вертикальной - ток в миллиамперах (канал В, 1 мВ соответствует 1 мА). Обратите внимание на изгиб ВАХ. Измерьте и запишите в раздел "Результаты экспериментов" величину напряжения изгиба.
Результаты экспериментов Эксперимент 1. Измерение напряжения и вычисление тока через диод. Измерьте и запишите напряжения на диоде:

Эксперимент 2. Измерение тока. Измерьте и запишите ток при прямом и обратном смещении

Эксперимент 3. Измерение статического сопротивления диода.

Эксперимент 4. Снятие вольтамперной характеристики диода. Вычислите и запишите токи и напряжения.
а). Прямая ветвь ВАХ.
Е,В
Е,В

Обратная ветвь ВАХ

г). Дифференциальное сопротивление диода при прямом смещении, вычисленное по ВАХ.

д). Дифференциальное сопротивление диода при обратном смещении, вычисленное по ВАХ.

Эксперимент 5. Получение ВАХ на экране осциллографа. Напряжение изгиба, определенное из ВАХ, полученной при помощи осциллографа.


Вопросы
1. Сравните напряжения на диоде при прямом и обратном смещении по порядку величин. Почему они различны?
2. Сравнимы ли измеренные значения тока при прямом смещении с вычисленными значениями?
3. Сравнимы ли измеренные значения тока при обратном смещении с вычисленными значениями?
4. Сравните токи через диод при прямом и обратном смещении по порядку величин. Почему они различны?
5. Что такое ток насыщения диода?
6. Намного ли отличаются прямое и обратное сопротивления диода при измерении их мультиметром в режиме омметра? Можно ли по этим измерениям судить об исправности диода?
7. Существует ли различие между величинами сопротивления диода на переменном и постоянном токе?
8. Совпадают ли точки изгиба ВАХ, полученные с помощью осциллографа и построенные по результатам вычислений?
Маломощные выпрямители
Методические указанияОбычно выпрямители однофазного тока выполняются по двухполупериодной схеме. К типовым схемам двухполу периодного выпрямления относятся: 1. Схема с отводом от средней точки вторичной обмотки трансформатора. 2. Мостовая схема. Схема с отводом от средней точки и ее работа на активную нагрузку Схема приведена на рис. 9.38.

На рис. 9.39 показаны следующие временные диаграммы, отражающие работу схемы на активную нагрузку: а). Напряжение и токи во вторичных обмотках трансформатора. б). Напряжение и ток в нагрузке. в). Ток диода. г). Обратное напряжение на диоде. д). Напряжение и ток в первичной обмотке. Среднее значение выпрямленного напряжения при идеальных диодах и трансформаторе:

где Е2 — действующее значение напряжения на вторичной полуобмотке трансформатора,

,откуда

Среднее значение выпрямленного тока в нагрузке:


По условию симметрии среднее значение тока через диод:

Максимальное значение тока через диод:

В проводящую часть периода напряжение на диоде равно нулю (в предположении, что диоды идеальны). В непроводящую часть периода к диоду приложено двойное фазовое напряжение. Поэтому максимальное значение обратного напряжения, приложенного к диоду, равно двойной амплитуде напряжения на вторичной полуобмотке:

Переходя к определению параметров трансформатора, находим вначале действующее значение тока через диод:

Зависимость действующего значения первичного тока от среднего значения выпрямленного тока с учетом коэффициента трансформации Rтр имеет вид:

где Ктр = W1/W2, W1 и W2 - число витков первичной обмотки и вторичной полуобмотки трансформатора соответственно. В рассматриваемой схеме расчетная мощность вторичных обмоток трансформатора:

Расчетная мощность первичной обмотки:

Расчетная мощность трансформатора:

2. Мостовая схема при активной нагрузке. Схема приведена на рис. 9.40. На рис. 9.41 показаны временные диаграммы, отражающие работу схемы диодного моста на активную нагрузку: а). Напряжение и ток во вторичных обмотках трансформатора. б). Напряжение и ток в нагрузке. в). Ток диода. г). Обратное напряжение на диоде. д). Напряжение и ток в первичной обмотке.

Средние значения напряжения и тока такие же, как в предыдущей схеме. В мостовой схеме обратное напряжение на диоде, если пренебречь прямым падением напряжения на нем, определяется напряжением на вторичной обмотке трансформатора:

Из формул (9.40) и (9.46) следует, что обратное напряжение в мостовой схеме при том же значении выпрямленного напряжения Ua в 2 раза меньше, чем в схеме с отводом от средней точки. Формы токов первичной и вторичной обмоток одинаковы. Поэтому действующее значение тока первичной обмотки связано со средним значением тока в диоде тем же коэффициентом, что и в схеме с отводом от средней точки. Расчетные мощности в обоих обмотках также равны. S„=S,=S,=1.23P,. (9.47) При экспериментальной проверке в Electronics Workbench используется модел! диода "ideal", в которой прямое падение напряжения Unp на диоде не равно нулю, а составляет приближенно 0.8 В. Поэтому для точного расчета среднего значения выходного напряжения необходимо использовать вместо формулы (9.35) следующее выражение:

В связи с этим необходимо скорректировать все остальные расчетные формулы. Однако погрешность, вызванная неидеальностью диода не превышает 5%. Это вполне удовлетворительно для проведения инженерных расчетов.

Применение фильтров для сглаживания пульсации в нагрузке Для сглаживания пульсации напряжения в нагрузке в схему выпрямителя включаются реактивные элементы, выполняющие роль фильтров. На. рис, 9,42 приведены простейшие схемы фильтров: индуктивного (рис. 9.42а), емкостного (рис. 9.42в), Г-образного (рис. 9.42г), а также диаграммы напряжений и токов на активной нагрузке (рис. 9.426).

Выпрямленное напряжение содержит постоянную и переменную составляющую. При достаточно большой величине емкости и индуктивности фильтров на их реактивных сопротивлениях падает большая часть переменной составляющей напряжения (рис. 9.426}. Индуктивность в сочетании с конденсатором образует Г-образный фильтр с лучшим качеством фильтрации напряжения. В однополупериодных схемах частота пульсации f1 выходного напряжения равна частоте питающей сети f, в двухполупериодных схемах она вдвое превосходит частоту питающей сети (fi = 2f). Выходное напряжение выпрямителя представляет собой сумму гармоник, кратных частоте сети. В двухполупериодном выпрямителе наибольшую амплитуду имеет первая (основная) гармоника, равная удвоенной частоте сети. Применительно к ней и ведется расчет фильтров. Отношение амплитуды первой гармоники U11max выпрямленного напряжения к среднему значению выпрямленного напряжения Ud принято называть коэффициентом пульсации q1. Для напряжения на выходе двухполупериодного выпрямителя, работающего на активную нагрузку (без фильтра), этот коэффициент равен: q1-U11max/Ud=2/3. (9.49) Допускаемый коэффициент пульсации на выходе фильтра: q2=U12max/Ud2 (9.50) где Ud2 - среднее значение напряжения на выходе фильтра, U12max- амплитуда первой гармоники этого напряжения.
Отношение коэффициентов пульсации на входе и выходе фильтра называется коэффи циентом сглаживания:

При применении индуктивного фильтра (рис. 9.42а) первая гармоника переменной составляющей напряжения на выходе выпрямителя распределяется между индуктивным сопротивлением фильтра XL и нагрузочным сопротивлением Rnp. Когда XL >>Rnp, пульсации выпрямленного напряжения на сопротивлении нагрузки Rnp малы (рис. 9.446). В двухполу периодной схеме коэффициент сглаживания равен:

Зная коэффициент пульсации и сопротивление нагрузки Rnp, величину индуктивности L можно найти по формуле:

Для больших значений коэффициентов сглаживания s емкость конденсатора С или индуктивность катушки L простейших фильтров будут велики, что приведет к очень большим габаритам фильтра. В этом случае рационально применить Г-образный фильтр (рис. 9.44г). Суммарный объем конденсатора и катушки индуктивности в этом случае получается меньше, чем объем одного конденсатора в емкостном фильтре или объем катушки в индуктивном фильтре. Для расчета Г-образного фильтра используется выражение:

где w - частота первой гармоники выпрямленного напряжения, L и С определяются из выражения: wL=l/wC. Расчет схем выпрямителей с фильтром на выходе В предлагаемых задачах провести расчет схемы двухполупериодного выпрямителя с отводом от средней точки, элементы которого имеют различные параметры для каждой задачи. Задачи сформулированы таким образом, чтобы продемонстрировать различия в процессах, происходящих в схеме, для случаев подключения активной нагрузки без фильтра и через индуктивный фильтр, обеспечивающий высокий коэффициент сглаживания. -В этих задачах читатель по существу впервые сталкивается с необходимостью планирования и проведения экспериментов в реальных схемах. Этот процесс потребует от Вас определенного времени и внимания для получения правильного результата и его последующего анализа. Рассмотрим пример, в котором проводится расчет и экспериментальная проверка результата. Задача 1 (файл с9_200) Дано: Двухполупериодный выпрямитель нагружен на сопротивление R. Частота питающей сети 50 Гц (рис. 9.43). Проведены 3 опыта: 1. Нагрузка подключена непосредственно к выпрямителю. В этом случае среднее значение тока в диодах отличается от действующего значения тока на 0.2 А.
2. Нагрузка подключена к выпрямителю через индуктивный фильтр. Индуктивность фильтра 0.5 Гн, коэффициент сглаживания — 10. 3. Нагрузка подключена к выпрямителю через индуктивный фильтр. Индуктивность фильтра настолько велика, что пульсациями тока нагрузки можно пренебречь. Найти: максимальное обратное напряжение на диодах, величину выделяемой в нагрузке активной мощности для 1-го и 3-го опытов. Расчет: 1.Из первого опыта можно определить среднее значение тока Iдр в нагрузке. Из формул (9.38,9.41)следует:

2. Из второго опыта найдем сопротивление нагрузки. Преобразуя формулу (9.52), получим:

3. Воспользовавшись соотношением (9.35), получим действующее значение напряжения на вторичной полуобмотке трансформатора:

4. Обратное напряжение на диодах определяется по формуле 9.40: Ubmax=n0.9U2 = 68.4 В 5. Мощность, выделяемая в нагрузке в первом опыте, определяется действующим значением напряжения на вторичной полуобмотке'трансформатора:

6. Мощность, выделяемая в нагрузке во втором опыте, определяется средним значением напряжения на нагрузке:

Экспериментальная проверка результатов расчета Показания приборов в опыте 1 представлены нарис. 9.43. Они несколько отличаются от расчетных, поскольку прямое падение напряжения на диодах в Electronics Workbench, как отмечалось, не равно нулю. Следует также отметить, что амперметр, включенный последовательно с диодом и переведенный в режим АС, измеряет среднеквадратичное напряжение всех гармонических составляющих (не включая постоянную составляющую) и для вычисления действующего значения необходимо взять корень квадратный из суммы квадратов показаний обоих амперметров, включенных последовательно с диодом (см. Приложение 1). Максимальное обратное напряжение на диоде можно измерить по осциллограмме, снятой с помощью источника ЭДС, управляемого напряжением (см. Приложение 1), включенного параллельно диоду. Максимум напряжения снимается как разница напряжений на

диоде в моменты времени, отмеченные курсорами. Первый курсор выставлен в момент времени, когда диод открыт, второй курсор установлен в момент, когда к диоду приложено максимальное отрицательное напряжение.
Задачи для самостоятельного исследования
В этом разделе приведены условия 6 задач из 40. Условия остальных задач приведены в файлах с9_207.с...с9_240.сс на прилагаемой к книге дискете. Для моделирования используйте файл с9_200.са4. Задача 1 (с9_200) Двухполупериодный выпрямитель нагружен на сопротивление R. Частота питающей сети 50 Гц. Проведены 3 опыта:
1. Нагрузка подключена непосредственно к выпрямителю. Среднее значение тока в диодах отличается от действующего значения тока на 0.2 А. 2. Нагрузка подключена к выпрямителю через индуктивный фильтр. Индуктивность фильтра 0.5 Гн, коэффициент сглаживания — 10. 3. Нагрузка подключена к выпрямителю через индуктивный фильтр. Индуктивность фильтра настолько велика, что пульсациями тока нагрузки можно пренебречь. Найти: Максимальное обратное напряжение на диодах, величину выделяемой в нагрузке активной мощности для 1-го и 3-го опытов.
Задача 2 (с9_201) Двухполупериодный выпрямитель нагружен на сопротивление R. Частота питающей сети 50 Гц. Максимальное обратное напряжение на диодах 50 В. Проведены 3 опыта: 1. Нагрузка подключена непосредственно к выпрямителю. Среднее значение тока в диодах отличается от действующего значения тока вторичных обмоток трансформатора на 0.2 А.
2. Нагрузка подключена к выпрямителю через индуктивный фильтр. Коэффициент сглаживания фильтра 10. 3. Нагрузка подключена к выпрямителю через индуктивный фильтр. Индуктивность фильтра настолько велика, что пульсациями тока нагрузки можно пренебречь. Найти: Индуктивность фильтра во 2-ом опыте, величину выделяемой в нагрузке активной мощности для 1-го и 3-го опытов.
Задача 3 (с9_202) Двухполупериодный выпрямитель нагружен на сопротивление R. Частота питающей сети 50 Гц. Проведены 3 опыта: 1. Нагрузка подключена непосредственно к выпрямителю. 2. Нагрузка подключена к выпрямителю через индуктивный фильтр. Индуктивность фильтра 0.4 Гн, коэффициент сглаживания 15. 3. Нагрузка подключена к выпрямителю через индуктивный фильтр. Индуктивность фильтра настолько велика, что пульсациями тока нагрузки можно пренебречь. В этом случае среднее значение тока в диодах отличается от действующего значения тока на 0.3 А. Найти: Максимальное обратное напряжение на диодах, величины выделяемой в нагрузке активной мощности и потребляемой из сети полной мощности для 1-го опыта.
Задача 4 (с9_203) Двухполу периодный выпрямитель нагружен на сопротивление R. Частота питающей сети 50 Гц. Максимальное обратное напряжение на диодах 50 В. Проведены 3 опыта: 1. Нагрузка подключена непосредственно к выпрямителю. 2. Нагрузка подключена к выпрямителю через индуктивный фильтр. Коэффициент сглаживания фильтра 15. 3. Нагрузка подключена к выпрямителю через индуктивный фильтр. Индуктивность фильтра настолько велика, что пульсациями тока нагрузки можно пренебречь. В этом случае среднее значение тока в диодах отличается от действующего значения тока во вторичных обмотках трансформатора на 0.4 А. Найти: Индуктивность фильтра во 2-м опыте, величину потребляемой из сети полной мощности в 1-м и 3-м опытах.
Задача 5 (с9_204) Двухполупериодный выпрямитель нагружен на сопротивление R. Частота питающей сети 50 Гц. Проведены 3 опыта: 1. Нагрузка подключена непосредственно к выпрямителю. 2. Нагрузка подключена к выпрямителю через индуктивный фильтр. Индуктивность фильтра 0.2 Гн, коэффициент сглаживания 10. 3. Нагрузка подключена к выпрямителю через индуктивный фильтр. Индуктивность фильтра настолько велика, что пульсациями тока нагрузки можно пренебречь. Известно, что величина действующего значения тока диодов в 1-м и 3-м опытах различается на 0.2 А. Найти: Максимальное обратное напряжение на диодах, величину выделяемой в нагрузке активной мощности для 1-го и 3-го опытов.
Задача 6 (с9_205) Двухполупериодный выпрямитель нагружен на сопротивление R. Частота питающей сети 50 Гц. Максимальное обратное напряжение на диодах 60 В. Проведены 3 опыта: 1. Нагрузка подключена непосредственно к выпрямителю. 2. Нагрузка подключена к выпрямителя через индуктивный фильтр. Коэффициент сглаживания фильтра 12. 3. Нагрузка подключена к выпрямителя через индуктивный фильтр. Индуктивность фильтра настолько велика, что пульсациями тока нагрузки можно пренебречь. Известно, что величина действующего тока вторичных обмоток трансформатора в 1-м и 3-м опытах различается на 0.3 А. Найти: Индуктивность фильтра во 2-м опыте, величину выделяемой в нагрузке активной мощности для 1-го и 3-го опытов.
Задача 7(с9_206) Двухполупериодный выпрямитель нагружен на сопротивление R. Частота питающей сети 50 Гц. Проведены 3 опыта: 1. Нагрузка подключена непосредственно к выпрямителю. 2. Нагрузка подключена к выпрямителю через L-фильтр. Индуктивность фильтра составляет 0.3 Гн. Коэффициент пульсации тока нагрузки равен 0.07. 3. Нагрузка подключена к выпрямителю через L-фильтр. Индуктивность фильтра настолько велика, что пульсациями тока нагрузки можно пренебречь. Известно, что величина потребляемой из сети полной мощности в 1-м и 3-м опытах различается на 10 ВА. Найти: Максимальное обратное напряжение на диодах, величину выделяемой в нагрузке активной мощности в 1-м и 3-м опытах.
Задача 8(с9_207) Двухполупериодный выпрямитель нагружен на сопротивление R. Частота питающей сети 50 Гц. Максимальное обратное напряжение на диодах 80 В. Проведены 3 опыта: 1. Нагрузка подключена непосредственно к выпрямителю. 2, Нагрузка подключена к выпрямителю через L-фильтр. Коэффициент пульсации тока нагрузки равен 0.13. 3. Нагрузка подключена к выпрямителю через L-фильтр. Индуктивность фильтра настолько велика, что пульсациями тока нагрузки можно пренебречь. Известно, что величина потребляемой из сети полной мощности в 1-м и 3-м опытах различается на 5 ВА. Найти: Индуктивность фильтра во 2-м опыте, величину выделяемой в нагрузке активной мощности для 1-го и 3-го опытов.
Задача 9(с9_208) Двухполупериодный выпрямитель нагружен на сопротивление R. Частота питающей сети 50 Гц. Проведены 3 опыта: 1. Нагрузка подключена непосредственно к выпрямителю. 2. Нагрузка подключена к выпрямителю через L-фильтр. Индуктивность фильтра составляет 0,4 Гн. Коэффициент пульсации напряжения нагрузки равен 0.13. 3. Нагрузка подключена к выпрямителю через L-фильтр. Индуктивность фильтра настолько велика, что пульсациями тока нагрузки можно пренебречь. Известно, что величина выделяемой в нагрузке активной мощности в 1-м и 3-м опытах различается на 2 Вт. Найти: Максимальное обратное напряжение на диодах, величину потребляемой из сети полной мощности для 1-го и 3-го опытов.
Стабилитроны
Цель1. Построение обратной ветви вольтамперной характеристики стабилитрона и определение напряжения стабилизации.
2. Вычисление тока и мощности, рассеиваемой стабилитроном.
3. Определение дифференциального сопротивления стабилитрона по вольтамперной характеристике.
4. Исследование изменения напряжения стабилитрона при изменении входного напряжения в схеме параметрического стабилизатора.
5. Исследование изменения напряжения на стабилитроне при изменении сопротивления в схеме параметрического стабилизатора.

Краткие сведения из теории При подключении стабилитрона к источнику постоянного напряжения через резистор получается простейшая схема параметрического стабилизатора (рис. 9.5). Ток 1ст стабилитрона может быть определен вычислением падения напряжения на резисторе R, как это было описано в эксперименте 1 раздела 9.1: ICT = (E — UCT)/R. Напряжение стабилизации UCTAB стабилитрона определяется точкой на вольтамперной характеристике, в которой ток стабилитрона резко увеличивается. Мощность рассеивания стабилитрона Рст вычисляется как произведение тока Iст на напряжение UCT:
РСТ = IcT'UcT. Дифференциальное сопротивление стабилитрона вычисляется так же, как для диода, по наклону вольтамперной характеристики.

Порядок проведения экспериментов Эксперимент 1. Измерение напряжения и вычисление тока через стабилитрон. а). Откройте файл с9_021 (рис. 9.5). Измерьте значение напряжения UCT на стабилитроне при значениях ЭДС источника, приведенных в таблице раздела "Результаты измерений", и занесите результаты измерений в ту же таблицу. б). Вычислите ток 1ст стабилитрона для каждого значения напряжения Ucт Результаты вычислений занесите в таблицу. в). По данным таблицы постройте вольтамперную характеристику стабилитрона. г). Оцените по вольтамперной характеристике стабилитрона напряжение стабилизации. д). Вычислите мощность Ррт, рассеиваемую на стабилитроне при напряжении Е = 20 В. е). Измерьте наклон ВАХ в области стабилизации напряжения и оцените дифференциальное сопротивление стабилитрона в этой области. Эксперимент 2. Получение нагрузочной характеристики параметрического стабилизатора. а). Подключите резистор Ri_=75 Ом параллельно стабилитрону. Значение источника ЭДС установите равным 20В. Включите схему. Запишите значение напряжения Uет на стабилитроне в раздел "Результаты экспериментов". б). Повторите пункт а) при коротком замыкании и при сопротивлениях резистора RL 100 Ом, 300 Ом, 600 Ом, 1 кОм. в). Рассчитайте ток I1 через резистор R, включенный последовательно с источником, ток IL через резистор RL, и ток стабилитрона 1ст для каждого значения RL из таблицы, приведенной в разделе "Результаты экспериментов". Результаты занесите в таблицу. Эксперимент 3. Получение ВАХ стабилитрона на экране осциллографа. Откройте файл с9_022 (рис. 9.6). Включите схему. Запишите в экспериментальные данные напряжение стабилизации, полученное из графика на экране осциллографа.

Результаты экспериментов Эксперимент 1. Измерение напряжения и вычисление тока через стабилитрон.
а)... в). Данные для построения ВАХ стабилитрона.
Е,В

д). Напряжение стабилизации.

ж). Дифференциальное сопротивление стабилитрона, определенное по наклону графика в рабочей области.

Эксперимент 2. Измерение точек нагрузочной характеристики параметрического стабилизатора. Напряжение стабилитрона С/ст и значения I1, IL, ICT при Е=20 В
RL.OM


Вопросы
1. Сравните относительное изменение напряжения на стабилитроне с относительным изменением питающего напряжения. Оцените степень стабилизации.
2. Влияет ли значение сопротивления нагрузки на степень стабилизации выходного напряжения стабилизатора?
3. Как изменяется напряжение стабилитрона UCT, когда ток стабилитрона становится ниже 20 мА?
4. Каково значение тока стабилитрона 1ст при входном напряжении 15 В?
5. Каково значение тока стабилитрона 1ст при значении сопротивления R = 200 Ом?
6. Как изменяется напряжениеUст на выходе стабилизатора, при уменьшении сопротивления R?
Мостовой выпрямитель
Цель1. Анализ процессов в схеме выпрямительного диодного моста.
2. Исследование осциллограмм входного и выходного напряжения для выпрямительного моста.
3. Сравнение осциллограмм выходного напряжения выпрямительного моста и двухполу-периодного выпрямителя с выводом средней точки трансформатора.
4. Измерение среднего значения выходного напряжения (постоянная составляющая) в схеме выпрямительного моста.
5. Сравнение максимального напряжения на диодах в мостовом и двухполупериодном выпрямителях.
6. Сравнение частот выходного напряжения в мостовом и двухполупериодвом выпрямителях.
7. Вычисление максимального обратного напряжения Umax на диоде выпрямительного моста.

Краткие сведения из теории Коэффициент трансформации определяется отношением числа витков первичной обмотки к числу витков вторичной обмотки трансформатора в схеме рис. 9.9 составляет 20:1. Среднее значение выходного напряжения Ud (постоянная составляющая) мостового выпрямителя (рис. 9.9) вычисляется по формуле:

где максимум вторичного напряжения на полной обмотке трансформатора U2m вычисляется по формуле:

U1m - максимальное значение напряжения на первичной обмотке трансформатора. Максимальное обратное напряжение Umaх на каждом диоде для схемы с выпрямительным мостом равно напряжению на вторичной обмотке U2m-Частота выходного напряжения f для схемы с двухполупериодным мостовым выпрямителем вычисляется по формуле:

где Т — период напряжения на выходе выпрямителя.

Порядок проведения экспериментов Эксперимент 1. Исследование входного и выходного напряжений мостового выпрямителя. а). Откройте файл с9_041 (рис. 9.9). На вход А осциллографа подается выходной сигнал, а на вход В - входной. Зарисуйте осциллограммы в разделе "Результаты экспериментов". Измерьте максимальные входное и выходное напряжения. б). Измерьте период Т по осциллограмме выходного напряжения и запишите результат в раздел "Результаты экспериментов". Зная период, вычислите частоту выходного сигнала. в). Определите максимальное обратное напряжение Umax на диоде и запишите в раздел "Результаты экспериментов". г). Вычислите коэффициент трансформации как отношение амплитуд напряжений на первичной и вторичной обмотке трансформатора в режиме, близком к холостому ходу. Запишите результат в раздел "Результаты экспериментов". д). Вычислите среднее значение выходного напряжения Ud (постоянная составляющая). Результат запишите в раздел "Результаты экспериментов". Запишите постоянную составляющую напряжения на выходе, измеренную мультиметром.
Результаты экспериментов Эксперимент 1. Исследование входного и выходного напряжений мостового выпрямителя. а).


Вопросы
1. По осциллограммам выходного напряжения, определите, осуществляет ли выпрямительный мост однополу периодное или двухполу периодное выпрямление?
2. Как различаются переменные составляющие напряжений на входе и выходе выпрямительного моста?
3. Чем отличаются выходные напряжения в схемах с выпрямительным мостом и двухпо-лупериодным выпрямителем с отводом от средней точки трансформатора?
4. Сравните максимальные обратные напряжения на диодах для схем выпрямительного моста и двухполупериодного выпрямителя с отводом средней точки трансформатора.
5. Одинаковы ли среднее значение выходного напряжения Ud (постоянная составляющая) выпрямительного моста и двухполупериодного выпрямителя?
6. Одинаковы ли частоты входного и выходного напряжения выпрямительного моста? Как они соотносятся с частотами входного и выходного напряжений двухполупериодного выпрямителя?
7. Превышает ли максимальное обратное напряжение Umax на диоде мостового выпрямителя значение, предельно допустимое для диода 1N4001?
8. Одинаковы ли среднее значение выходного напряжения Ud в схеме выпрямительного моста, вычисленное по формуле (9.5) и измеренное с помощью мультиметра?
Емкостной фильтр на выходе выпрямителя
Цель1. Исследование влияния конденсатора на форму выходного напряжения однополупери-одных и двухполупериодных выпрямителей.
2. Измерение частоты выходного напряжения выпрямителя с емкостным фильтром.
3. Исследование влияния величины емкости конденсатора фильтра на среднее значение выходного напряжения.
4. Сравнение среднего значения выходного напряжения для однополупериодных и двухполупериодных выпрямителей с емкостным фильтром.

Краткие сведения из теории Если включить на выход любого из выпрямителей, рассмотренных в разделах 9.3 и 9.4, конденсатор, то переменная составляющая выходного напряжения будет ослаблена. Среднее значение выходного напряжения Ud выпрямителя с емкостным фильтром может быть приближенно оценено из соотношения:

где U2max и U2min - максимум и минимум выходного напряжения,

Для оценки качества фильтра обычно используют коэффициент пульсации q выходного напряжения, который вычисляется из соотношения:

На рисунках 9.10 и 9.11 показаны соответственно однополупериодный и двухполупериодный выпрямители с емкостным фильтром на выходе.


Порядок проведения экспериментов
Эксперимент 1. Определение коэффициента пульсации однополупериодного выпрямителя. а). Откройте файл с9_051. (рис. 9.10). На вход А осциллографа подается входное напряжение, а на вход В - выходное. Измерьте максимум выходного напряжения U2max и разность между максимумом и минимумом выходного напряжения . Зарисуйте осциллограммы в раздел "Результаты экспериментов". б). Вычислите среднее значение выходного напряжения Ud по результатам измерении. Результат запишите в раздел "Результаты экспериментов". в). Запишите постоянную составляющую выходного напряжения по показаниям мульти-метра. Сравните значения, полученные обоими методами. г). Вычислите коэффициент пульсации выходного сигнала по формуле (9.9).
Эксперимент 2. Определение коэффициента пульсации однополупериодного выпрямителя при изменении емкости фильтра. а). Отключите мультиметр в схеме рис. 9.10. Установите емкость конденсатора равной 100 мкф. Включите схему. Измерьте максимум выходного напряжения и разность между максимумом и минимумом напряжений на выходе выпрямителя по показаниям осциллографа. Результат запишите в раздел "Результаты экспериментов". б). Вычислите среднее значение напряжения Ud по формуле (9.8). в). Вычислите коэффициент пульсации выходного напряжения по формуле (9.9).
Эксперимент 3. Определение коэффициента пульсации однополупериодного выпрямителя при изменении тока нагрузки. а). Установите емкость конденсатора в схеме рис. 9.10 равной 470 мкф. Измените сопротивление резистора нагрузки до 200 Ом. Включите схему. Измерьте максимум выходного напряжения и разность между максимумом и минимумом напряжений на выходе выпрямителя по показаниям осциллографа. Результат запишите в раздел "Результаты экспериментов". б). Вычислите среднее значение напряжения Ud по формуле (9.8). в). Вычислите коэффициент пульсации выходного напряжения по формуле (9.9).
Эксперимент 4. Определение коэффициента пульсации двухполупериодного выпрямителя. а). Откройте файл с9_052. На вход А осциллографа подается входное напряжение, а на вход В - выходное. Измерьте максимум выходного напряжения U2max и разность между максимумом и минимумом выходного напряжения . Зарисуйте осциллограммы в раздел "Результаты экспериментов". б). Вычислите среднее значение напряжения Ud по формуле (9.8). в). Вычислите коэффициент пульсации выходного напряжения по формуле (9.9).
Результаты экспериментов Эксперимент 1. Определение коэффициента пульсации однополупериодного выпрямителя. а).


Эксперимент 2. Определение коэффициента пульсации однополупериодного выпрямителя при изменении емкости фильтра. а). Зарисуйте выходной и входной сигналы на экране осциллографа.


Эксперимент 3. Определение коэффициента пульсации однополупериодного выпрямителя при изменении тока нагрузки. а). Зарисуйте выходной и входной сигналы на экране осциллографа.


Эксперимент 4. Определение коэффициента пульсации двухполупериодного выпрямителя по осциллограмме выходного напряжения. а). Зарисуйте выходной и входной сигналы на экране осциллографа.


Вопросы
1. Выведите формулу для расчета среднего значения выходного напряжения выпрямителя с емкостным фильтром на выходе.
2. В каком диапазоне напряжений может изменяться среднее значение выходного напряжения выпрямителя с емкостным фильтром на выходе?
3. Какие факторы влияют на величину коэффициента пульсации выпрямителя с емкостным фильтром на выходе?
4. Сравните средние значения выходного напряжения для схем однополупериодного и двухполупериодного выпрямителей с емкостным фильтром на выходе при одинаковых нагрузках.
5. Сравните коэффициент пульсации в однополупериодном и двухполупериодном выпрямителях с емкостным фильтром на выходе.
6. Будут ли отличаться средние значения выходного напряжения однополупериодной и двухполупериодной схем выпрямления с емкостным фильтром, если сопротивление нагрузки равно бесконечности?
7. Будет ли влиять частота входного напряжения выпрямителя на среднее значение выходного напряжения и на коэффициент пульсации при фиксированных значениях емкости фильтра и сопротивления нагрузки?
Диодные ограничители
Цель1. Исследование работы последовательного ограничителя.
2. Исследование работы последовательного ограничителя со смещением.
3. Исследование работы шунтирующего ограничителя.
4. Исследование работы шунтирующего ограничителя со смещением.
5. Исследование работы шунтирующего ограничителя на стабилитроне.
6. Исследование работы симметричного шунтирующего ограничителя на стабилитронах.

Краткие сведения из теории Основная функция положительных диодных ограничителей заключается в том, чтобы повторять входное напряжение, если оно не превышает заданный порог, а при превышении — поддерживать выходное напряжение на пороговом уровне. Отрицательные диодные ограничители работают аналогично: напряжение на выходе повторяет входное, если оно выше порогового уровня. Различные схемы ограничителей показаны на рис. 9,12-9.17 Схема для проведения измерений последовательного ограничителя, представлена BSL рис. 9.18. Исследования ограничителей остальных типов проводятся в аналогичных схемах.
Последовательный ограничитель

Последовательный ограничитель со смещением

Шyнтирyющий ограничитель

Шyнтирyющий ограничитель со смещением

Шунтирующий ограничитель на стабилитроне

Симметричный шунтирующий ограничитель на стабилитронах


Порядок проведения экспериментов
Эксперимент 1. Измерение уровня ограничения последовательного ограничителя. Откройте файл с9_061 (рис. 9.12). Включите схему. Зарисуйте в разделе "Результаты экспериментов" осциллограммы входного и выходного напряжения. Запишите максимум входного напряжения, уровень ограничения напряжения.
Эксперимент 2. Измерение уровня ограничения напряжения в последовательном ограничителе со смещением. а). Измерение уровня напряжения при положительном смещении. Откройте файл с9_062 (рис. 9.13). Включите схему. Зарисуйте в разделе "Результаты экспериментов" осциллограммы входного и выходного напряжения. Запишите минимумы входного и выходного напряжения и уровень ограничения напряжения. б). Измерение уровня напряжения при отрицательном смещении. Измените полярность включения источника питания 5 В. Включите схему. Зарисуйте в разделе "Результаты экспериментов" осциллограммы входного и выходного напряжения. Запишите минимумы входного и выходного напряжения и уровень ограничения напряжения.
Эксперимент 3. Измерение уровня ограничения напряжения в шунтирующем ограничителе. Откройте файл с9_063 (рис. 9.14). Включите схему. Зарисуйте в разделе "Результаты экспериментов" осциллограммы входного и выходного напряжений. Запишите максимум входного напряжения, минимум выходного и уровень ограничения напряжения.
Эксперимент 4. Измерение уровня ограничения напряжения в шунтирующем ограничителе со смещением. а). Измерение уровня напряжения при положительном смещении. Откройте файл с9_064 (рис. 9.15). Включите схему. Зарисуйте в разделе "Результаты экспериментов" осциллограммы входного и выходного напряжения. Запишите минимумы входного и выходного напряжения и уровень ограничения напряжения. б). Измерение уровня напряжения при отрицательном смещении. Измените полярность включения источника питания 5 В. Включите схему. Зарисуйте в разделе "Результаты экспериментов" осциллограммы входного и выходного напряжения. Запишите минимумы входного и выходного напряжения и уровень ограничения напряжения.
Эксперимент 5. Измерение уровня ограничения напряжения в шунтирующем ограничителе на стабилитроне. Откройте файл с9_065 (рис. 9.16). Включите схему. Зарисуйте в разделе "Результаты экспериментов" осциллограммы входного и выходного напряжения. Запишите максимум входного напряжения, положительный и отрицательный уровни ограничения напряжения.
Эксперимент 6. Измерение уровня ограничения напряжения в симметричном шунтирующем ограничителе на стабилитронах. Откройте файл с9_066 (рис. 9.17). Включите схему. Зарисуйте в разделе "Результаты экспериментов" осциллограммы входного и выходного напряжения. Запишите максимум входного напряжения, положительный и отрицательный уровни ограничения напряжения.
Результаты экспериментов Эксперимент 1. Измерение уровня ограничения напряжения в последовательном ограничителе.


Эксперимент 2. Измерение уровня ограничения напряжения в последовательном ограничителе со смещением. а). Измерение уровня напряжения при положительном смещении..


6). Измерение уровня напряжения при отрицательном смещении.



Эксперимент 3. Измерение уровня ограничения напряжения в шунтирующем ограничителе.

Эксперимент 4. Измерение уровня ограничения напряжения в шунтирующем ограничителе со смещением. а). Измерение уровня напряжения при положительном смещении.


б). Измерение уровня напряжения при отрицательном смещении.


Эксперимент 5. Измерение уровня ограничения напряжения в шунтирующем ограничителе на стабилитроне.


Эксперимент 6. Измерение уровня ограничения напряжения в симметричном шунтирующем ограничителе на стабилитронах.


Вопросы
1. В чем отличие между уровнями ограничения напряжения в последовательных ограничителях без смещения и со смещением?
2. Что определяет уровень ограничения напряжения в ограничителе со смещением?
3. Почему в последовательном ограничителе ни рис. 9.12 различаются минимумы входного и выходного напряжения?
4. В чем отличие между выходными напряжениями в последовательном и шунтирующем ограничителях нарис. 9.12 и 9.14?
5. Чем определяется уровень ограничения напряжения в шунтирующем ограничителе со смещением?
6. Чем определяются положительный и отрицательный уровни ограничения напряжения в шунтирующем ограничителе на стабилитроне?
7. В чем отличие между шунтирующим ограничителем на стабилитроне и симметричным шунтирующим ограничителем на стабилитронах?
Диодные формирователи
Цель1. Исследование работы положительного формирователя.
2. Исследование работы отрицательного формирователя.
3. Измерение среднего значения сигнала (постоянной составляющей).
4. Исследование влияния амплитуды входного напряжения на выходное напряжение.
5. Исследование влияния напряжения на диоде на выходное напряжение формирователя.

Краткие сведения из теории
В диодных формирователях выходное напряжение представляет собой сумму входного напряжения и некоторой постоянной составляющей. Положительный диодный формирователь добавляет положительную составляющую, отрицательный - составляющую другого знака. Положительный и отрицательный формирователи показаны иа рис. 9.19 и рис. 9.20 соответственно. В формирователе на рис. 9.19 на первой отрицательной полуволне входного напряжения через диод проходит ток. Конденсатор зарядится при этом до напряжения Пахтах - 0.7 В, которое меньше амплитуды входного напряжения на величину прямого падения напряжения на диоде. На положительной полуволне входного напряжения диод заперт. За время, равное периоду, конденсатор разряжается очень мало и снова подзаряжается на отрицательной полуволне. В результате на конденсаторе появится постоянная составляющая. Она вместе с переменной составляющей и составит выходное напряжение. Для такой работы формирователя необходимо, чтобы постоянная времени RC-цепи значительно превышала период входного сигнала.


Порядок проведения экспериментов
Эксперимент 1. Измерение постоянной составляющей выходного напряжения положительного формирователя. а). Откройте файл с9_071 (рис. 9.19). Включите схему. Зарисуйте в разделе "Результаты экспериментов" осциллограммы входного и выходного напряжения. Измерьте амплитуды входного и выходного напряжения. б). По показаниям осциллографа измерьте среднее значение (постоянную составляющую) выходного напряжения. Запишите показания мультиметра.
Эксперимент 2. Измерение постоянной составляющей выходного напряжения положительного формирователя при увеличении входного напряжения. а). Установите амплитуду генератора в схеме рис. 9.19 равной 8 В. Включите схему. Зарисуйте в разделе "Результаты экспериментов" осциллограммы входного и выходного напряжений. Измерьте максимумы входного и выходного напряжения. б). По показаниям осциллографа измерьте среднее значение (постоянную составляющую) выходного напряжения. Запишите показания мультиметра.
Эксперимент 3. Измерение постоянной составляющей выходного напряжения положительного формирователя при уменьшении входного напряжения. а). Установите амплитуду генератора в схеме рис. 9.19 равной. 2 В. Зарисуйте в разделе "Результаты экспериментов" осциллограммы входного и выходного напряжений. Измерьте максимумы входного и выходного напряжения. б). По показаниям осциллографа измерьте среднее значение (постоянную составляющую) выходного сигнала. Запишите показания мультиметра.
Эксперимент 4. Измерение постоянной составляющей выходного напряжения отрицательного формирователя. а). Откройте файл с9_072 (рис. 9.30). Зарисуйте в разделе "Результаты экспериментов" осциллограммы входного и выходного напряжения. Измерьте минимумы входного и выходного напряжения. б). По показаниям осциллографа измерьте среднее значение (постоянную составляющую) выходного сигнала. Запишите показания мультиметра.
Результаты экспериментов Эксперимент 1. Измерение постоянной составляющей выходного напряжения положительного формирователя.


Эксперимент 2. Измерение постоянной составляющей для положительного формирователя напряжения при увеличении входного сигнала.


Осциллограммы входного и выходного сигналов

Покажите максимумы входного и выходного напряжения на осциллограмме.
Эксперимент 3. Измерение постоянной составляющей для положительного формирователя напряжения при уменьшении входного сигнала.

Осциллограммы входного и выходного сигналов

Покажите максимумы входного и выходного напряжения на осциллограмме. Эксперимент 4. Измерение постоянной составляющей для отрицательного формирователя напряжения.

Осциллограммы входного и выходного сигналов

Покажите минимумы входного и выходного напряжения на осциллограмме.
Вопросы
1. Чем отличаются осциллограммы входного и выходного напряжения в положительном формирователе?
2. Каково среднее значение (постоянная составляющая) выходного напряжения положительного формирователя? Чем определяется эта величина?
3. Одинаковы ли среднее значение выходного напряжения для положительного формирователя, измеренное по осциллограмме и полученное по показаниям мультиметра?
4. Как изменится среднее значение напряжения на выходе положительного формирователя при увеличении амплитуды входного напряжения?
5. Как изменится среднее значение напряжения положительного формирователя при уменьшении амплитуды входного напряжения до очень низкого значения? Оцените влияние прямого падения напряжения на диоде.
6. Сравните влияние прямого падения напряжения на диоде для положительного формирователя при низком и высоком напряжении на входе. В каком случае влияние прямого падения напряжения на диоде больше?
7. Сравните выходные напряжения отрицательного и положительного формирователей.
8. Сравните среднее значение выходного напряжения (постоянную составляющую) для отрицательного и положительного формирователей.
Диодные схемы
Методические указания До настоящей главы были рассмотрены процессы в линейных схемах. Однако при анализе схем с реальными элементами, в частности с диодами, приходится учитывать нелинейность их характеристик, что отражается и на методике расчета таких схем. Рассмотрим простейшие методы расчета нелинейных цепей, используемые для решения задач, приведенных в данной и последующих главах. Вольтамперная характеристика диода Анализ физических процессов в диоде позволяет получить выражение для его ВАХ в экспоненциальном виде:
где Is - ток насыщения, (рт - тепловой потенциал, Iд Uд - ток диода и напряжение на нем, соответственно. Это простейший случай задания ВАХ диода в аналитическом виде. Можно снимать характеристику диода экспериментально по точкам, как это делалось в разделе 9.1. Тогда характеристика будет представлена в табличном виде. Наконец, ВАХ может быть представлена в графическом виде, что довольно часто применяется для представления типовых характеристик в справочных данных. ВАХ диода в графическом виде показана на. рис. 9.21.

Графический метод Этот метод основан на непосредственном использовании ВАХ диода, заданной в графическом виде. Графический метод наиболее пригоден, когда в схеме имеется только один диод. Тогда схему можно разделить на две части: линейный неидеальный генератор напряжения или тока (активный двухполюсник) и нелинейный (пассивный двухполюсник), а для расчета использовать метод эквивалентного генератора. Простейшая схема. На рис. 9.22 представлена простейшая схема для такого анализа. Ток Iд диода и напряжение Uд на нем связаны между собой следующими уравнениями:

Уравнение (9.12) описывает ВАХ диода, которая задана в графическом виде на рис. 9.22 (кривая 1). Уравнение (9.11) отражает нагрузочную характеристику неидеального источника ЭДС, которая часто называется нагрузочной прямой (наклонная линия 2 на рис. 9.22). Нагрузочная прямая пересекает ось напряжения в точке А и отсекает на этой оси отрезок ОА, численно равный напряжению холостого хода источника питания Е. Ось тока нагрузочная прямая пересекает в точке В, отсекая на этой оси отрезок 0В, численно равный максимальному току E/R цепи. ВАХ диода и нагрузочная прямая пересекаются в точке С. Эта точка является решением системы уравнений (9.11), (9.12) в графическом виде. Координаты I*пр и U*np точки С являются искомыми током и напряжением диода соответственно. Напряжение источника Питания может иметь любую форму (например, синусоидальную). Построение временной диаграммы тока диода для этого случая показано на рис. 9.23. Для каждого момента времени (t1, t2, tз и т. д.) необходимо найти мгновенные значения напряжения источника питания e(t) и построить соответствующую нагрузочную прямую. Точки пересечения нагрузочных прямых с ВАХ диода определяют при этом мгновенные значения тока диода для моментов времени t1, t2, tз


При последовательном, параллельном или смешанном соединении нескольких диодов в схеме их можно заменить одним нелинейным двухполюсником, после чего задача сводится к предыдущей. Рассмотрим такую методику решения для различных случаев соединения диодов. Последовательное включение диодов. Пусть в схеме два диода включены последовательно, как это показано на рис. 9.24. Прямые ветви ВАХ диодов VI, V2 представлены на рис. 9.24 кривыми 1 и 2 соответственно. Два последовательно включенных диода можно представить как один эквивалентный нелинейный двухполюсник, например эквивалентный диод. Поскольку напряжение Unp на этом эквивалентном диоде равно сумме напряжения Unp1 диода VI и напряжения Unp2 диода V2, для построения ВАХ эквивалентного диода необходимо сложить ВАХ отдельных диодов (кривые 1 и 2 на рис. 9.24) по напряжению. В результате получается кривая 3 (рис. 9.24). Теперь задача сведена к предыдущей. Необходимо провести нагрузочную прямую АВ и найти ее пересечение с ВАХ эквивалентного диода. Эти линии пересекаются в точке С с координатами I*пр и U*np. Зная ток, можно по ВАХ диодов найти напряжения U*np1 и U*np2-В рассмотренном примере диоды смещены в прямом направлении. Рассмотрим такую же схему при обратном смещении (рис. 9.25). Обратные ветви ВАХ диодов VI, V2 представлены на рис. 9.25 кривыми 1 и 2 соответственно. По аналогии с рассмотренным случаем необходимо сложить ВАХ диодов по напряжению. В результате получается кривая 3 (рис. 9.25). Точка С пересечения результирующей ВАХ с нагрузочной прямой дает обратный ток диодов I*ов и обратное напряжение и*ов. Пересечение с характеристиками диодов прямой, параллельной оси напряжений и проходящей через точку С, дает напряжения на диодах U*OBI и U*oB2-Следует обратить внимание на то, что при последовательном включении диодов обратные напряжения на них оказываются неодинаковыми. Причина заключается в неидентичности обратных ветвей ВАХ диодов. Для выравнивания обратных напряжений на диодах необходимо ввести в схему дополнительные элементы (например, включить параллельно диодам выравнивающие резисторы).


Параллельное включение диодов.
Рассмотрим аналогичную методику для параллельного включения диодов (рис. 9.26). Два параллельно включенных диода можно рассматривать как один эквивалентный нелинейный двухполюсник, например эквивалентный диод. Поскольку ток 1пр этого эквивалентного диода равен сумме тока Inp1 диода VI и тока 1пр2 диода V2, для построения ВАХ эквивалентного диода необходимо сложить ВАХ отдельных диодов (ветви 1 и 2 на рис. 9.26) по току. В результате получается кривая 3 нарис. 9.26. Теперь задача сведена к решенной ранее. Необходимо провести нагрузочную прямую АВ и найти ее пересечение с ВАХ эквивалентного диода. Эти линии пересекаются в точке С. В результате получаем напряжение U*np, которое одинаково для обоих диодов VI и V2. Зная это напряжение, можно по ВАХ диодов найти искомые токи I*np1 и I*пр2-Следует обратить внимание на то, что при параллельном включении диодов их токи оказываются неодинаковыми. Причиной этого служит неидентичность прямых ветвей ВАХ диодов. Для выравнивания токов необходимо ввести в схему дополнительные элементы (например, включить последовательно с каждым диодом выравнивающий резистор).

Графоаналитический метод
При графоаналитическом методе имеются два этапа решения. Первый заключается в аппроксимации графически заданной ВАХ аналитическим выражением, второй - в решении систем нелинейных уравнений, составленных по законам Кирхгофа с использованием этого выражения. Если, например, в системе уравнений (9.11), (9.12) в качестве второго уравнения использовать (9.10), то система станет трансцендентной и решение невозможно будет получить в аналитическом виде. Наиболее распространенным видом аппроксимации является линеаризация ВАХ. В этом случае диод замещается моделью из простейших линейных элементов. Для прямой и обратной ветвей ВАХ эти модели различны. На рис. 9.27 показана прямая ветвь ВАХ диода (линия 1) и аппроксимирующий эту ветвь отрезок прямой 2. Уравнение линейной аппроксимации имеет вид: Uд = Кдиф.пр Iд + Uo, (9.13) где Кдиф.пр - дифференциальное сопротивление диода при прямом смещении, Uo - пороговое напряжение. Для определения величины Кдиф. пр необходимо выбрать на аппроксимирующей прямой (прямая 2 на рис. 9.27) две произвольные точки (одна из них может лежать на оси напряжения). Для этих точек нужно найти разность напряжений и разность токов, а затем разделить первую разность на вторую. Это и будет искомая величина. Модель диода при прямом смещении, состоящая из последовательно соединенных идеального источника ЭДС и сопротивления, также показана на рис. 9.27. На рис. 9.28 показана обратная ветвь ВАХ диода (кривая 1) и аппроксимирующий эту ветвь отрезок прямой 2. Уравнение для такой линейной аппроксимации имеет вид:

где Кдиф. ов - динамическое сопротивление диода при обратном смещении, Io - пороговый ток. Величина R диф.ов определяется тем же способом, что и величина Rдиф. пр. Далее прямое и обратное дифференциальное сопротивления диода RдиФ. пр и R диФ. ОБ будем обозначать


одинаково через Rдиф различая эти обозначения лишь там, где это необходимо по тексту. ВАХ диода при обратном смещении описывается выражением (9.14). Это же выражение справедливо для двухполюсника, показанного на рис. 9.28. Поэтому замена диода двухполюсником будет эквивалентной. Поскольку теперь ВАХ диода имеет два различных аналитических выражения и две модели (для прямого и обратного участков характеристики), необходимо определить, какое из них использовать. Для этого следует предварительно выяснить, в каком состоянии (прямом или обратном) находится диод в исходной схеме. В относительно простых схемах состояние диода не вызывает сомнений. В более сложных схемах после окончания расчета необходимо проверить начальное предположение о состоянии каждого из диодов. Если изначально считалось, что диод работает при прямом (обратном) смещении, а в результате расчета его ток оказался отрицательным (положительным), то предположение о состоянии диода неверно. Необходимо использовать другое выражение для ВАХ диода (и другую модель) и повторить расчет. Полученные выражения (9.13) и (9.14) можно использовать для решения конкретных задач. Если прямое падение напряжения на открытом диоде пренебрежимо мало по сравнению с напряжениями на других элементах схемы, то реальную прямую ветвь 1 ВАХ диода на рис. 9.21 можно заменить вертикальным прямым отрезком 3. В этом случае при расчете схемы можно считать, что выводы диода (анод и катод) короткозамкнуты. Если обратный ток закрытого диода пренебрежимо мал по сравнению с токами других элементов схемы, то реальную обратную ветвь 2 ВАХ диода можно заменить горизонтальным отрезком 4. В этом случае при расчете схемы можно считать, что цепь с диодом разорвана. Ясно, что обе идеальные модели являются предельными частными случаями линеаризации характеристик. При этом решение задач тривиально, и такие случаи не рассматриваются. Простейшая схема с одним диодом (рис. 9.22) с учетом аппроксимации (9.13) описывается следующей системой уравнений:

Решение этой системы дает выражение для тока диода:

Последовательное включение диодов. Схема с двумя последовательно включенными диодами при прямом включении (рис. 9.24) описывается системой уравнении:

где Rдиф.np1 Rдиф. при - дифференциальные сопротивления диодов VI, V2 при прямом смещении, Uo1, Uo2 - пороговые напряжения диодов VI, V2. Схема замещения, соответствующая этому случаю, приведена на .рис. 9.29. Ток диодов определяется выражением:

Схема с двумя последовательно включенными диодами при обратном смещении (см. рис. 9.25) с учетом аппроксимации (9.14) описывается системой уравнении:

где Rдиф.OBI, RДИФ.ОБ2 - дифференциальные сопротивления диодов VI, V2 при обратном смещении, lo1, Io2 - пороговые токи диодов VI, V2. Схема замещения, соответствующая этому случаю, приведена на рис. 9.30. Ток диодов определяется выражением:

Ток Ioб отрицателен, так как к диодам приложено обратное напряжение.

Параллельное включение диодов. Схема с двумя параллельно включенными диодами (см. рис. 9.26) с учетом аппроксимации (9.13) замещается схемой рис. 9,31 и описывается системой уравнений:

Напряжение на диодах определяется по методу узловых потенциалов выражением:

Токи диодов VI, V2 можно определить, если подставить (9.30) в выражения для токов (9.28), (9.29). Целесообразность использования того или иного из рассмотренных методов расчета определяется условиями конкретной задачи.

Расчет схем с одним диодом.
Предлагаемые в разделе схемы с одним диодом (файлы с9_080...с9_111) содержат линейную часть с усложненной структурой. Для использования графического метода необходимо предварительно заменить линейную часть схемы эквивалентным генератором. Рассмотрим методику такого преобразования. Пусть в схеме имеется только один нелинейный элемент, например диод. Выделим этот диод из всей схемы, как это показано на рис. 9.32а. Оставшуюся линейную часть схемы можно представить в виде эквивалентного активного двухполюсника, который показан на рис. 9.326. Этот двухполюсник состоит из двух элементов: эквивалентного источника ЭДС ЕЭКВ и эквивалентного резистора Rэкв (см. раздел 2.1 в части, касающейся неидеальных источников напряжения). Величину ЕЭКВ легко измерить в режиме холостого хода, подключив вольтметр вместо диода. Измеренное напряжение и равно искомой величине Едкв. Для определения величины Rэкв можно было бы измерить ток короткого замыкания двухполюсника, а затем разделить Еэкв на этот ток. Такой путь иногда используется при экспериментальном определении параметров эквивалентного двухполюсника. При расчете Rэкв удобнее принять Еэкв=0 и определить сопротивление двухполюсника со стороны его выводов. При определении эквивалентного сопротивления выводы источников ЭДС в исходной схеме необходимо закоротить, а ветви с источниками тока - разомкнуть. То же самое необходимо сделать и в реальной схеме при измерении сопротивления. В схеме измерения, приведенной нa puc. 9.336 выводы источника ЭДС закорочены, а вместо диода к выводам двухполюсника подключен мультиметр в режиме омметра. Расчет схем с несколькими диодами. При расчете схем, приведенных в файлах с9_120...с9_137, необходимо заменить диоды эквивалентными схемами. В результате такой замены будет получена линейная расчетная схема. Методами расчета линейных цепей можно определить токи диодов и напряжения на них. После расчета схемы необходимо проверить начальные предположения о состоянии каждого из диодов (прямое или обратное смещение). В результате расчета может оказаться, что ток диода, замененного эквивалентной схемой для прямого включения, получился отрицательным. Это означает, что изначально было сделано неверное предположение о прямом включении этого диода. Необходимо заменить такой диод его эквивалентной схемой для обратного смещения и повторить весь расчет. В качестве схемы замещения для обратной ветви ВАХ в этих задачах применяется простейший вариант - разрыв. В экспериментах с моделями на основе идеального диода


обратный ток равен нулю. Возможен и другой случай: ток диода, замененного эквивалентной схемой для обратного включения, оказался положительным. Это означает, что изначально было сделано неверное предположение об обратном включении диода. Необходимо заменить диод его эквивалентной схемой для прямого смещения и повторить расчет.
Задачи для самостоятельного исследования Схемы с одним диодом Каждая из представленных ниже задач (файлы с9_80... с9_87) содержит схему с одним диодом. ВАХ этого диода показана на рис. 9.34. Найти ток и напряжение диода графическим методом и проверить решение на Electronics Workbench. Аналогичные задачи с9_88...с9_111 имеются на прилагаемой к книге дискете. При отсутствии дискеты полный перечень задач, прилагаемых к книге, можно взять на сайте издательского дома "ДОДЭКА" (www.dodeca.ru).

Варианты схем








Схемы с несколькими диодами В схемах, представленных в файлах с9_120...с9_137, найти токи и напряжения диодов. Модели диодов, приведенных в этих схемах, получены путем корректировки параметров идеального диода. В обозначении диодов, приведенных в схемах, цифры соответствуют параметрам схемы замещения диода при линейной аппроксимации (рис. 9.27). Цифра, следующая за символом а, обозначает сопротивление диода в Омах, следующая за ней через дефис цифра - прямое падение напряжения в вольтах. Например, d5-0.7: Rдпр= 5 Ом, Uдпр = 0,7 В. Варианты схем


















Схемы на основе стабилитронов
Методические указанияВо всех задачах данного раздела используется модель стабилитрона, полученная путем корректировки параметров идеальной модели. Вольтамперная характеристика используемой модели приведена на рис. 9.35. Для решения задачи рекомендуется использовать графоаналитический метод. Этот метод предполагает замену стабилитрона эквивалентной схемой, которая (как и у диода) представляет собой последовательное соединение резистора Rд (дифференциальное сопротивление диода) и источника ЭДС Uo (пороговое напряжение). Значения параметров Кд и Uo можно получить из вольтамперной характеристики стабилитрона (рис. 9.35). Для этого необходимо аппроксимировать рабочий участок характеристики прямой линией. Рекомендуется провести прямую линию через две точки ВАХ: (10 В, 40 мА) и (10.7 В, 320 мА).

После замены стабилитрона его эквивалентной схемой можно получить расчетную схему параметрического стабилизатора напряжения, показанную на рис. 9.36а. Эта схема является линейной. Для ее анализа удобно использовать метод узловых потенциалов. В результате напряжение на нагрузке (оно же - напряжение на стабилитроне) можно определить из выражения:

В некоторых задачах вместо сопротивления нагрузки Rн дан ток нагрузки 1н. В этом случае эквивалентная схема стабилизатора напряжения примет вид, показанный на рис. 9.366. Напряжение на нагрузке определяется выражением:

Вместо параметров стабилитрона в некоторых задачах задан ток стабилитрона Iст- Эквивалентная схема стабилизатора напряжения для этого случая показана на рис. 9.36в, а напряжение на нагрузке определяется выражением:

Если задан потребляемый от источника питания ток Iи, то справедлива эквивалентная схема, показанная на рис. 9.36г. Напряжение на нагрузке определяется выражением:

При использовании приведенных выражений необходимо помнить, что они справедливы лишь для линейного участка ВАХ стабилитрона. Поэтому величина UH должна лежать в диапазоне от 10 до 11 В, а ток стабилитрона — в диапазоне от 45 до 320 мА. После решения задачи необходимо проверить выполнение указанного условия.

Задачи для самостоятельного исследования
Все задачи имеют одну и ту же формулировку. Схема приведена нарис. 9.37 (файл с9_160), вольтамперная характеристика стабилитрона - на рис. 9.35. Исходные параметры схемы и величины, значения которых необходимо рассчитать и проверить на Electronics Workbench, приведены в условиях задач 1...32. Соответствующие им файлы комплексного калькулятора Comcal c9_160.cc ... с9_191.сс.

Задача 1 (с9_160.сс) Дано: RB = 0.2 кОм, RH = 0.5 кОм, напряжение питания Е изменяется в диапазоне от 30 В до 50 В. Найти: Диапазон изменения напряжения на нагрузке и диапазон изменения тока стабилитрона.
Задача 2 (с9_161.сс) Дано: Е = 40 В, RB = 0.2 кОм, сопротивление нагрузки RH изменяется в диапазоне от 0.1 кОм до 1 кОм. Найти: Диапазон изменения напряжения на нагрузке и диапазон изменения тока стабилитрона.
Задача 3 (с9_162.сс) Дано: RB = 0.2 кОм, напряжение питания Е изменяется в диапазоне от 30 В до 50 В, сопротивление нагрузки RH изменяется в диапазоне от 0.2 кОм до 2 кОм, изменения Е и RH происходят независимо друг от друга. Найти: Максимальный диапазон изменения напряжения на нагрузке и максимальный диапазон изменения тока стабилитрона.
Задача 4 (с9_163.сс) Дано: RB = 0.2 кОм, RH = 0.4 кОм, при увеличении напряжения питания Е на 12 В, напряжение на нагрузке изменяется на 5 % от своего начального значения. Найти: Начальные значения напряжения питания, напряжения на нагрузке и тока стабилитрона.
Задача 5 (с9_164.сс) Дано: Е == 40 В, RB = 0.2 кОм, при увеличении значения сопротивления нагрузки RH на 0.5 кОм, напряжение на нагрузке изменяется на 5% от своей начальной величины. Найти: Начальные значения сопротивления нагрузки, напряжения на нагрузке и тока стабилитрона.
Задача 6 (с9_165.сс) Дано: RH = 0,25 кОм, при изменении напряжения питания Е от 36 В до 50 В напряжение на нагрузке изменяется на 0.6 В. Найти: Сопротивление балластного резистора RB, максимальное напряжение на нагрузке и максимальный ток стабилитрона.
Задача 7 (с9_166.сс) Дано: Е = 40 В, при изменении величины сопротивления нагрузки Rн от 0.24 кОм до 1 кОм напряжение на нагрузке изменяется на 3% от своего начального значения. Найти: Сопротивление балластного резистора RB, максимальное напряжение на нагрузке и максимальный ток стабилитрона.
Задача 8 (с9_167.сс) Дано: RH = 0. 5 кОм, величина напряжения питания Е изменяется в диапазоне от 36 В до 60 В. Найти: Сопротивление балластного резистора RB, при котором ток стабилитрона минимален; определить диапазон изменения напряжения на нагрузке и диапазон изменения тока стабилитрона.
Задача 9 (с9_168.сс) Дано: Е = 40 В, сопротивление нагрузки RH изменяется в диапазоне от 0.2 кОм до 1 кОм. Найти: Сопротивление балластного резистора RB, при котором ток стабилитрона минимален; определить диапазон изменения напряжения на нагрузке и диапазон изменения тока стабилитрона.
Задача 10 (с9_169.сс) Дано: Напряжение питания Е изменяется в диапазоне от 25 В до 40 В, сопротивление нагрузки RH изменяется в диапазоне от 0.5 кОм до 1 кОм. Изменения Е и RH происходят независимо друг от друга. Найти: Сопротивление балластного резистора RB, при котором ток стабилитрона минимален; определить диапазон изменения напряжения на нагрузке и диапазон изменения тока стабилитрона. Условия задач 11...32 находятся в файлах с9_170.сс...с9_191.сс на прилагаемой к книге дискете или по адресу (www.dodeca.ru). ¦
Однополупериодные и двухполупериодные выпрямители
9.3. Однополупериодные и двухполупериодные выпрямителиЦель
1. Анализ процессов в схемах однополупериодного и двухполупериодного выпрямителей.
2. Сравнение форм входного и выходного напряжения для однополупериодного и двухполупериодного выпрямителей.
3. Определение среднего значения выходного напряжения (постоянной составляющей) в схемах однополупериодного и двухполупериодного выпрямителей.
4. Определение частоты выходного сигнала в схемах однополупериодного выпрямителя и двухполупериодного выпрямителя с выводом средней точки трансформатора.
5. Сравнение максимальных значений выходного напряжения для схем двухполупериодного и однополупериодного выпрямителей.
6. Сравнение частот выходного сигнала для схем двухполупериодного и однополупериодного выпрямителей.
7. Анализ обратного напряжения Umax на диоде в схемах однополупериодного и двухполупериодного выпрямителей.
8. Исследование работы трансформатора в схеме выпрямителя.

Краткие сведения из теории Среднее значение выходного напряжения Ид (постоянная составляющая) однополупе-риодого выпрямителя (рис. 9.7) вычисляется по формуле: Ua=Um/п. (9.3.) Значение Ud двухполупериодного выпрямителя (рис. 9.8) вдвое больше: Ud=2Um/п. (9.4.) Частота выходного сигнала f для схемы с однополупериодным или двухполупериод-ным выпрямителем вычисляется как величина, обратная периоду выходного сигнала: f = 1/Т. При этом период сигнала на выходе однополупериодного выпрямителя в два раза больше, чем у двухполупериодного. Максимальное обратное напряжение на диоде однополупериодного выпрямителя равно максимуму входного напряжения. Максимальное обратное напряжение Umax на каждом диоде двухполупериодного выпрямителя с отводом от средней точки трансформатора равно разности удвоенного максимального значения напряжения на вторичной обмотке трансформатора U2м и прямого падения напряжения на диоде Unp: Umax = U2m - Unp.


Порядок проведения экспериментов
Эксперимент 1. Исследование входного и выходного напряжения однополупери-одного выпрямителя. а). Откройте файл с9_031 (рис. 9.7). Включите схему. На вход А осциллографа подается выходной сигнал, а на вход В - входной. Зарисуйте осциллограммы в разделе "Результаты экспериментов". Измерьте и запишите максимальные входные и выходные напряжения. б). Измерьте период Т выходного напряжения по осциллограмме и запишите результат в раздел "Результаты экспериментов". Вычислите частоту выходного сигнала. в). Определите максимальное обратное напряжение Umax на диоде и запишите в раздел "Результаты экспериментов". г). Вычислите коэффициент трансформации как отношение амплитуд напряжений на первичной и вторичной обмотке трансформатора в режиме, близком к холостому ходу. Запишите результат в раздел "Результаты экспериментов". д). Вычислите среднее значение выходного напряжения Ud (постоянная составляющая). Результат запишите в раздел "Результаты экспериментов". Запишите постоянную составляющую напряжения на выходе, измеренную мультиметром.
Эксперимент 2. Исследование входного и выходного напряжении двухполупе-риодного выпрямителя с отводом от средней точки трансформатора. а). Откройте файл с9_032. (рис. 9.8). На вход А осциллографа подается выходной сигнал, а на вход В — входной. Зарисуйте полученные осциллограммы в разделе "Результаты экспериментов". Измерьте и запишите максимальные входные и выходные напряжения. б). Измерьте период Т по осциллограмме выходного напряжения и запишите результат в раздел "Результаты экспериментов". Вычислите частоту выходного сигнала. в). По осциллограмме выходного напряжения, определите максимальное обратное напряжение Umax на диоде. Запишите результат в раздел "Результаты экспериментов". г). Вычислите среднее значение Ud выходного напряжения (постоянная составляющая) Запишите результат в раздел "Результаты экспериментов". Запишите постоянную составляющую напряжения на выходе, измеренную мультиметром.
Результаты экспериментов Эксперимент 1. Исследование входного и выходного напряжения однополупери-одного выпрямителя. а).


Эксперимент 2. Исследование входного и выходного напряжения двухполупери-одного выпрямителя с отводом от средней точки трансформатора. а).


Вопросы
1. Каковы различия между входным и выходным сигналами однополупериодного выпрямителя?
2. Одинаковы ли вычисленное и измеренное мультиметром среднее значение выходного напряжения Ud?
3. Одинаковы ли частоты входного и выходного сигналов в схемах одно- и двухполупери-одного выпрямителей?
4. Как влияет падение напряжения на диоде на выходное напряжение выпрямителя?
5. Превышает ли максимальное отрицательное напряжение Umax на диоде значение, предельно допустимое для диода 1N4001?
6. Зачем необходимы трансформаторы в схемах выпрямителей?
7. Каковы различия между сигналом на входе и на выходе при двухполупериодном выпрямлении?
8. Чем отличается выходное напряжение в схемах однополупериодного и двухполупери-одных выпрямителей?
9. Сравните максимальное обратное напряжение на диодах в однополупериодном и двухполупериодном выпрямителях.
10.Одинаковы ли частоты входного и выходного напряжения двухполупериодного выпрямителя? Как они соотносятся с частотами входного и выходного напряжения для однополупериодного выпрямителя?
Электротехника и электроника
Задание рабочей точки в транзисторном каскаде

Цель 1. Построение нагрузочной линии транзисторного каскада.
2. Задание рабочей точки транзисторного каскада
3. Исследование параметров рабочей точки транзистора.
4. Исследование условий для перевода транзистора в режим насыщения и отсечки.
5. Определение статического коэффициента передачи транзистора по экспериментальным данным.

Краткие сведения из теории 1. Задание тока базы с помощью одного резистора. Схема транзисторного каскада с общим эмиттером представлена на рис. 10.5. Режим, в котором работает каскад, можно определить, построив его нагрузочную линию на выходной характеристике транзистора. Данный способ позволяет описать поведение транзистора в режимах насыщения, усиления и отсечки. Режим насыщения определяется следующим условием: ток коллектора не управляется током базы:

IKH — ток коллектора насыщения, определяется сопротивлением RK в цепи коллектора и напряжением источника питания ЕК:

Этот режим характеризуется низким падением напряжения коллектор-эмиттер (порядка 0.1 В). Для перевода транзистора в этот режим необходимо в базу транзистора подать ток, больший чем ток насыщения базы Iвн:


Ток насыщения базы задается с помощью резистора Rвн с сопротивлением, равным:

где UБЗО - пороговое напряжение перехода база-эмиттер. Для кремниевых транзисторов Uвзо= 0.7 В. В режиме усиления ток коллектора меньше тока 1кн и описывается уравнением нагрузочной прямой:

Рабочая точка в статическом режиме задается током базы и напряжением на коллекторе. Она определяется точкой пересечения нагрузочной прямой и выходной характеристики транзистора. Базовый ток транзистора определяется как ток через сопротивление в цепи базы Ев (см.рис. 20.5):

Ток коллектора вычисляется по формуле:

Напряжение'коллектор-эмиттер определяется из уравнения нагрузочной прямой:

В режиме отсечки ток коллектора равен нулю и не создает на резисторе Rк падения напряжения. Следовательно, напряжение Uкэ максимально и равно напряжению источника питания Ек. Ток коллектора с учетом тепловых токов определяется из следующего выражения:

где Iкэо, IKBO - обратные токи переходов коллектор-эмиттер и коллектор- база соответственно. Коэффициент нестабильности тока коллектора (S) из-за влияния тепловых токов в схеме определяется как:

Как следует из этого выражения, при рассматриваемом способе задания тока базы коэффициент нестабильности зависит от статического коэффициента передачи, который для транзисторов одного и того же типа может сильно различаться. 2. Задание тока базы с помощью делителя напряжения. NPN-транзистор. Схема задания тока базы NPN транзистора с помощью делителя напряжения в каскаде с общим эмиттером представлена на рис. 10.6. Аналогично пункту 1, рассмотрим режимы насыщения, усиления и отсечки. Ток коллектора в режиме насыщения описывается следующим выражением:

Независимо от сопротивления резисторов R1 и R2 делителя напряжения ток насыщения базы определяется из выражения:


а напряжение Uб на базе равно:

Это же напряжение задается делителем напряжения. Зная Ек и Uб, можно определить отношение сопротивлений плеч делителя:

Суммарное сопротивление делителя обычно выбирается так, чтобы ток, протекающий через него был примерно в 10 раз меньше тока коллектора. Составив систему уравнений и решив её, можно найти сопротивления R1 и R2 плеч делителя, которые обеспечивают ток базы, необходимый для перевода транзистора в режим насыщения. Аналогичным образом каскад рассчитывается и в усилительном режиме, но с учетом следующих выражений. Ток коллектора в усилительном режиме описывается уравнением нагрузочной прямой:

где Uэ = IэRэ, Iэ - ток эмиттера.
Ток базы определяется из выражения:

Ток коллектора связан с током эмиттера следующим выражением:

и Напряжение на базе транзистора равно:

Далее рассчитываются сопротивления R1 и R2 делителя напряжения. Суммарное сопротивление делителя должно обеспечивать больший по сравнению с током базы ток делителя (обычно ток делителя берут в 10 раз меньше тока коллектора). Рабочая точка определяется пересечением нагрузочной прямой и выходной характеристики транзистора. При известных значениях сопротивлений R1 и R2 ток базы транзистора равен:

где Uб - напряжение на базе транзистора. Если BRэ >> R2, то:

Ток эмиттера определяется по падению напряжения на сопротивлении Rэ в цепи эмиттера и вычисляется как разность потенциалов

Значение напряжения коллектор-эмиттер Uкэ вычисляется по закону Кирхгофа: Uкэ = Eк-IкRк-IэRэ.
Коэффициент нестабильности тока коллектора (S) из-за влияния тепловых токов в схеме при условии, что Uэ > UБЭО определяется как:

где

Как следует из этого выражения, при данном способе задания тока базы коэффициент нестабильности определяется элементами схемы и практически не зависит от характеристик транзистора, что улучшает стабильность рабочей точки. PNP-транзиетор. Схема задания тока базы с помощью делителя напряжения в каскаде с общим эмиттером на PNP-транзисторе представлена на рис. 10.7. Для данной схемы справедливы выражения, приведенные в предыдущем пункте для схемы с NPN-транзистором, со следующей поправкой: полярность напряжений и направления токов нужно поменять на обратные.

3. Задание тока базы с помощью дополнительного источника в цепи эмиттера. Схема задания тока базы с помощью дополнительного источника в цепи эмиттера в каскаде с общим эмиттером на NPN-тран-зисторе представлена на рис. 10.8. Ток коллектора в режиме насыщения равен:

Ток коллектора в усилительном режиме описывается уравнением нагрузочной прямой:

Напряжение на базе транзистора UB определяется из следующего выражения: UБ = IэRэ -Eэ +UБЭО
Это же напряжение равно падению напряжения на резисторе Ев: UБ=-IБ-RБ. Ток эмиттера вычисляется по падению напряжения на сопротивлении Rэ:


Ток коллектора связан с током эмиттера следующим выражением: IK =Iэ-IБ=Iэ.

Значение напряжения коллектор-эмиттер вычисляется из закона Кирхгоффа для напряжений:

Коэффициент нестабильности тока коллектора (S) определяется как:

Рассматриваемая схема характеризуется таким же коэффициентом нестабильности, как и предыдущая. 4. Задание тока базы с помощью резистора в цепи база-коллектор. Схема задания тока базы с помощью резистора в цепи база-коллектор в каскаде с общим эмиттером представлена на рис. 10.9. Ток коллектора в усилительном режиме описывается уравнением:

Рабочая точка определяется точкой пересечения нагрузочной прямой и выходной характеристики транзистора. Ток базы определяется из выражения:

Как видно из выражения, ток базы зависит от напряжения коллектор-эмиттер, что делает схему менее чувствительной к разбросу значений статического коэффициента передачи устанавливаемых в нее транзисторов. Ток коллектора в схеме определяется по формуле:

Значение напряжения коллектор-эмиттер вычисляется по закону Кирхгофа для напряжений:

Коэффициент нестабильности тока коллектора (S) из-за влияния тепловых токов в схеме с резистором в цепи база-коллектор определяется как:

Как следует из выражения, коэффициент нестабильности этой схемы несколько выше, чем у схем с сопротивлением Rэ в цепи эмиттера.


Статический коэффициент передачи тока BDC определяется отношением тока коллектора к току базы:
Порядок проведения экспериментов
Эксперимент 1. Исследование параметров рабочей точки при задании тока базы с помощью одного резистора. а). Открыть файл с10_005 со схемой, изображенной на рис. 10.10. Включить схему. Записать результаты измерений для тока базы, тока коллектора, напряжения коллектор-эмиттер и напряжения база-эмиттер в раздел "Результаты экспериментов".

б). Для схемы на рис. 10.10 по формулам из раздела "Краткие сведения из теории" вычислить базовый ток, напряжение коллектор-эмиттер. Ток коллектора вычислить, используя значение тока базы, полученное в п. а) и значение Bос, посчитанное в эксперименте 1 предыдущего раздела. Результаты записать в раздел "Результаты экспериментов". Сравните их с экспериментальными данными.
в). В разделе "Результаты экспериментов" построить нагрузочную прямую по постоянному току на выходной характеристике транзистора 2N3904, полученной в эксперименте 3 предыдущего раздела. Используя значения токов и напряжений, полученные в пункте а), определить рабочую точку (Q) на нагрузочной линии и отметить её положение на графике.
г). Двойным щелчком на изображении транзистора открыть диалоговое окно выбора модели транзистора. Строка с наименованием транзистора 2N3904 будет подсвечена. Чтобы редактировать параметры модели транзистора, нажмите Edit. Измените коэффициент передачи по току (PF) до 100, потом нажмите Accept. Нажмите Accept еще раз, чтобы вернуться к схеме. Изменение коэффициента B позволяет убедиться, что замена транзисторов приводит к изменению тока коллектора. Включить схему. Записать результаты измерений для тока базы, тока коллектора и напряжения коллектор-эмиттер в раздел "Результаты экспериментов".
д). По новым значениям напряжения коллектор-эмиттер и тока коллектора определить новую рабочую точку на нагрузочной прямой, построенной в п. с). Отметить ее положение на графике в разделе "Результаты экспериментов".
е). Восстановите прежнее значение коэффициента передачи по постоянному току (PF) транзистора 2N3904 (204).
ж). Подсчитать сопротивление Rв, необходимое для перевода транзистора в режим насыщения. Подставить в схему значение сопротивления Rв, чуть меньше подсчитанного. Включить схему. Записать результаты измерений для тока базы, тока коллектора и напряжения коллектор-эмиттер в раздел "Результаты экспериментов".
з). Уменьшить значение RB на более значительную величину и снова активизировать схему. Если транзистор находится в режиме насыщения, то изменение тока коллектора очень мало даже при очень большом изменении тока базы.
Эксперимент 2. Исследование параметров рабочей точки при задании тока базы с помощью делителя напряжения (NPN-транзистор). а). Открыть файл с10_006 со схемой, изображенной на рис. 10.11. Включить схему. Записать результаты измерений для тока базы, тока коллектора, тока эмиттера, напряжения коллектор-эмиттер и напряжения на базе в раздел "Результаты экспериментов". Вычислить коэффициент передачи Bос. Результат записать в раздел "Результаты экспериментов".

б). Для схемы рис. 10.11 по формулам из раздела "Краткие сведения из теории" вычислить значение напряжения в точке UБ. Вычислить ток эмиттера и рассчитать ток коллектора по полученному значению тока эмиттера (Uвэо = 0.7В), вычислить значение напряжения коллектор-эмиттер по полученным ранее току коллектора и току эмиттера. Результаты записать в раздел "Результаты экспериментов".
в). В разделе "Результаты экспериментов*' построить нагрузочную прямую по постоянному току на выходной характеристике транзистора 2N3904 из эксперимента 3 предыдущего раздела. Используя значения токов и напряжений, полученных в пункте а), определить рабочую точку (Q) и отметить её положение на графике.
г). Двойным щелчком на изображении транзистора открыть диалоговое окно выбора модели транзистора. Строка с наименованием транзистора 2N3904 будет подсвечена. Чтобы редактиро-' вать параметры модели транзистора, нажмите Edit. Измените коэффициент передачи по тoкy (PF) до 100, потом нажмите Accept. Нажмите Accept еще раз, чтобы вернуться к схеме. Изменение коэффициента B позволяет убедиться, что замена транзисторов приводит к изменению тока коллектора. Включить схему. Записать результаты измерений для тока базы, тока коллектора и напряжения коллектор-эмиттер в раздел "Результаты экспериментов".
д). По новым значениям напряжения база-эмиттер и тока коллектора определить положение рабочей точки на нагрузочной прямой, построенной в пункте в) и отметить её положение на графике.
е). Восстановите прежнее значение коэффициента передачи по постоянному току (BF) транзистора 2N3904 (204). ж). Провести изменения параметров цепи базы, необходимые для перевода транзистора в режим насыщения. Записать результаты измерений для тока базы, тока коллектора, напряжения на базе и напряжения коллектор-эмиттер в раздел "Результаты экспериментов".
Эксперимент 3. Задание тока базы с помощью делителя напряжения (PNP-тран-зистор). а). Открыть файл с10_007 со схемой, изображенной на рис. 10.12. Включить схему. Записать результаты измерении для тока базы, тока коллектора, тока эмиттера, напряжения коллектор-эмиттер и напряжения на базе в раздел "Результаты экспериментов". Вычислить статический коэффициент передачи Bое. Результат записать в раздел "Результаты экспериментов".

б). Для схемы рис. 10.12 по формулам из раздела "Краткие сведения из теории" вычислить значение напряжения в точке UB. Вычислить ток эмиттера и рассчитать ток коллектора по полученному значению тока эмиттера (UБЭО =0.7 В), вычислить значение напряжения коллектор-эмиттер по полученным ранее току коллектора и току эмиттера. Результаты записать в раздел "Результаты экспериментов". Сравнить их с экспериментальными данными.
в). Двойным щелчком на изображении транзистора открыть диалоговое окно выбора модели транзистора. Строка с наименованием транзистора 2N3906 будет подсвечена. Чтобы редактировать параметры модели транзистора, нажмите Edit. Измените коэффициент передачи по току (PF) со 180 до 100, потом нажмите Accept. Нажмите Accept еще раз, чтобы вернуться к схеме. Изменение коэффициента B позволяет убедиться, что замена транзисторов приводит к изменению тока коллектора. Включить схему. Записать результаты измерений для тока базы, тока коллектора и напряжения коллектор-эмиттер в раздел "Результаты экспериментов".
г). Восстановите прежнее значение коэффициента передачи по постоянному току (BF) транзистора 2N3906 (180).
Эксперимент 4. Исследование параметров рабочей точки при задании тока базы с помощью дополнительного источника в цепи эмиттера.
а). Открыть файл с10_008 со схемой, изображенной на рис. 10.13. Включить схему. Записать результаты измерений для тока базы, тока коллектора, тока эмиттера, напряжения коллектор-эмиттер и напряжения на базе в раздел "Результаты экспериментов". Вычислить статический коэффициент передачи Bпс. Результат записать в раздел "Результаты экспериментов".
б). Для схемы на рис. 10.13 по формулам из раздела "Краткие сведения из теории" вычислить напряжение в точке UБ по измеренному ранее значению тока базы, рассчитать ток эмиттера и вычислить ток коллектора по величине тока эмиттера (UБЭО = 0-7 В). Вычислить значение напряжения коллектор-эмиттер по полученным значениям тока эмиттера и тока коллектора. Результаты записать в раздел "Результаты экспериментов".
в). В разделе "Результаты экспериментов" для схемы рис. 10.13 построить нагрузочную прямую на выходной характеристике транзистора 2N3904 из эксперимента 3 предыдущего раздела. По результатам, полученным в предыдущем пункте, определите рабочую точку (Q) и отметить её положение на графике.

г). Двойным щелчком на изображении транзистора открыть диалоговое окно выбора модели транзистора. Строка с наименованием транзистора 2N3904 будет подсвечена. Чтобы редактировать параметры модели транзистора, нажмите Edit. Измените коэффициент передачи по току (PF) с 200 до 100, потом нажмите Accept. Нажмите Accept еще раз, чтобы вернуться к схеме. Изменение коэффициента B позволяет убедиться, что замена транзисторов приводит к изменению тока коллектора. Включить схему. Записать результаты измерений для тока базы, тока коллектора и напряжения коллектор-эмиттер в раздел "Результаты экспериментов".
д). По новым значениям напряжения база-эмиттер и тока коллектора определить положение рабочей точки на нагрузочной прямой, построенной в пункте в), и отметить её положение на графике.
е). Восстановите прежнее значение коэффициента передачи по постоянному току (BF) транзистора 2N3904 (204).
Эксперимент 5. Исследование параметров рабочей точки при задании тока базы с помощью резистора в цепи база-коллектор. а). Открыть файл с10_009 со схемой, изображенной на рис. 10.14. Включить схему. Записать результаты измерений для тока базы, тока коллектора, тока эмиттера и напряжения коллектор-эмиттер в раздел "Результаты экспериментов". Вычислить статический коэффициент передачи BDC. Результат записать в раздел "Результаты экспериментов".
б). По формулам из раздела "Краткие сведения из теории" вычислить ток коллектора, используя значение PBDC, вычисленное ранее. Uвэо = 0.7 В. По полученному току коллектора вычислить значение напряжения коллектор-эмиттер. Результаты записать в раздел "Результаты экспериментов".
в). В разделе "Результаты экспериментов" для схемы рис. 10.14 построить нагрузочную прямую на выходной характеристике транзистора 2N3904. По результатам, полученным в предыдущем пункте, определить рабочую точку (Q) и отметить её положение на графике.
г). Двойным щелчком на изображении транзистора открыть диалоговое окно выбора модели транзистора. Строка с наименованием транзистора 2N3904 будет подсвечена. Чтобы редактировать параметры модели транзистора, нажмите Edit. Измените коэффициент передачи по току (PF) с 200 до 100, потом нажмите Accept. Нажмите Accept еще раз, чтобы вернуться к схеме. Изменение коэффициента B позволяет убедиться, что замена транзисторов приводит к изменению тока коллектора. Включить схему. Записать результаты измерении для тока базы, тока коллектора и напряжения коллектор-эмиттер в раздел "Результаты экспериментов".
д). По новым значениям напряжения коллектор-эмиттер и тока коллектора определить положение рабочей точки на нагрузочной прямой, построенной в пункте в), и отметить её положение на графике.
е). Восстановите прежнее значение коэффициента передачи по постоянному току (BF) транзистора 2N3904 (204). Результаты экспериментов Эксперимент 1. Исследование параметров рабочей точки при задании тока базы с помощью одного резистора.


в), г), д). Определение рабочей точки каскада.

Отметьте на графике положение рабочей точки до и после изменения коэффициента передачи транзистора по постоянному току.

Эксперимент 2. Исследование параметров рабочей точки при задании тока базы с помощью делителя напряжения (NPN-транзистор).


в), г), д). Определение рабочей точки каскада.

Отметьте на графике положение рабочей точки до и после изменения коэффициента передачи транзистора по постоянному току.


Эксперимент 3. Задание тока базы с помощью делителя напряжения (PNP-транзистор).


Эксперимент 4. Исследование параметров рабочей точки при задании тока базы с помощью дополнительного источника в цепи эмиттера.

в), г), д). Определение рабочей точки каскада. Отметьте на графике положение рабочей точки до и после изменения коэффициента передачи транзистора по постоянному току.


Эксперимент 5. Исследование параметров рабочей точки при задании тока базы с помощью резистора в цепи база-коллектор.

в), г), д). Определение рабочей точки каскада.

Отметьте на графике положение рабочей точки до и после изменения коэффициента передачи транзистора по постоянному току.

Вопросы
1. Как сильно отличаются расчетные и экспериментальные данные?
2. Изменяется ли положение рабочей точки при изменении статического коэффициента передачи тока?
3. Какое условие необходимо выполнить, чтобы перевести транзистор в режим отсечки?
4. На сколько различаются напряжения на коллекторе в схемах рис. 10.10 и 10.117
5. Чему равно напряжение коллектор-эмиттер в режиме насыщения?
6. Какая связь между током коллектора и током эмиттера?
7. В чем преимущество схемы со смещением в цепи базы над схемой со смещением в цепи эмиттера?
8. В чем преимущество схемы с делителем напряжения в цепи базы над схемой со смещением в цепи эмиттера?
9. Какую роль играет сопротивление Rэ в цепи эмиттера для стабильности работы схемы? В чем она заключается?
10.Какая из всех описанных выше схем обладает большей стабильностью?
Работа транзисторного каскада в режиме малого сигнала.
Цель1. Исследование коэффициента усиления по напряжению в усилителях с общим эмиттером и общим коллектором.
2. Определение фазового сдвига сигналов в усилителях.
3. Измерение входного сопротивления усилителей.
4. Исследование влияния входного сопротивления усилителя на коэффициент усиления по напряжению.
5. Измерение выходного сопротивления усилителей.
6. Анализ влияния нагрузки усилителя на коэффициент усиления по напряжению.
7. Исследование влияния разделительного конденсатора на усиление переменного сигнала.
8. Анализ влияния сопротивления Rэ в цепи эмиттера на коэффициент усиления по напряжению.

Краткие сведения из теории Коэффициент усиления по напряжению определяется отношением амплитуд выходного синусоидального напряжения к входному:

1. Усилитель с общим эмиттером. Схема усилителя с общим эмиттером представлена нa puc. 10.16. Коэффициент усиления по напряжению усилителя с ОЭ приближенно равен отношению сопротивления в цепи коллектора rк к сопротивлению в цепи эмиттера rэ:

где Гц - сопротивление в цепи коллектора, которое определяется параллельным соединением сопротивления коллектора Rк и сопротивления нагрузки RH, (не показанном на рис. 10.15), чью роль может играть, например следующий усилительный каскад:

Гэ - дифференциальное сопротивление эмит-терного перехода, равное т., = 25мВ/1э. Для усилителя с сопротивлением Ra в цепи эмиттера коэффициент усиления равен:

Входное сопротивление усилителя по переменному току определяется как отношение амплитуд синусоидального входного напряжения UBX и входного тока iвх:

Входное сопротивление транзистора ri определяется по формуле: r,=Brэ. Входное сопротивление усилителя по переменному току гвх вычисляется как параллельное соединение сопротивлений ri R1 и R2:


Значение дифференциального выходного сопротивления схемы находится по напряжению Uxx холостого хода на выходе усилителя, которое может быть измерено как падение напряжения на сопротивлении нагрузки, превышающем 200 кОм, и по напряжению uвых, измеренному для данного сопротивления нагрузки RH, из следующего уравнения, решаемого относительно rвых:


2. Усилитель с общим коллектором. Схема усилителя с общим коллектором или эмиттерного повторителя представлена на рис. 10.16. Коэффициент усиления по напряжению усилителя с ОК определяется из следующего выражения:

Как видно из выражения, коэффициент усиления каскада с общим коллектором приближенно равен 1, поскольку Гэ обычно мало по сравнению с сопротивлением Rэ. Из-за этого свойства каскад называют эмиттерным по-

вторителем. Входное сопротивление усилителя Гвх по переменному току определяется как отношение амплитуд синусоидального входного напряжения UBX и входного тока 1вх:

Входное сопротивление эмиттерного повторителя по переменному току определяется следующим выражением:

В данном случае для определения входного сопротивления каскада нужно принять во внимание сопротивление резисторов R1 и R2. С учетом сказанного получим:

Также при расчете схем необходимо учитывать сопротивление нагрузки, которая включается параллельно сопротивлению эмиттера Rэ. Из выражений для входного сопротивления видно, что эмиттерный повторитель обладает высоким входным сопротивлением по сравнению с каскадом с ОЭ. В общем случае выходное сопротивление эмиттерного повторителя в BAC+1 раз меньше сопротивления Rист источника сигнала на входе эмиттерного повторителя:

Если сопротивление Rист источника сигнала на входе эмиттерного повторителя пренебрежимо мало, то выходное сопротивление эмиттерного повторителя будет равно дифференциальному сопротивлению перехода база-эмиттер: rвых = rэ В случае, когда сопротивление Rист источника сигнала на входе очень велико (сравнимо с BACRэ), сопротивление Rэ должно быть учтено как включенное параллельно наиденному выходному сопротивлению эмиттерного повторителя. Экспериментально выходное сопротивление каскада можно определить по результатам двух измерений: измерения напряжения холостого хода Uxx (на выход каскада подключается сопротивление порядка 200 кОм и измеряется падение напряжения на нем) и измерения выходного напряжения Uвых при наличии нагрузки сопротивлением Rн. После измерений выходное сопротивление можно подсчитать по формуле:

Благодаря высокому входному и низкому выходному сопротивлениям каскад с общим коллектором очень часто используют в качестве согласующего между источником и нагрузкой.
Порядок проведения экспериментов Эксперимент 1. Исследование каскада с общим эмиттером в области малого сигнала. а). Открыть файл с10_010 со схемой, изображенной на рис. 10.17. Установочные параметры приборов также должны соответствовать изображению.

б). Включить схему. Для установившегося режима в раздел "Результаты экспериментов" записать результаты измерений амплитуд входного и выходного напряжений, разности фаз входного и выходного синусоидальных сигналов (разность фаз можно определить при помощи Воде-плоттера). По результатам измерений амплитуд входного и выходного синусоидальных напряжений, вычислить коэффициент усиления усилителя по напряжению. Результат записать в раздел "Результаты экспериментов".
в). Для схемы на рисунке определить ток эмиттера. По его значению вычислить дифференциальное сопротивление rэ эмиттерного перехода. Используя найденное значение, вычислить коэффициент усиления каскада по напряжению. Результаты записать в раздел "Результаты экспериментов".
г). Подключить резистор RD между точкой UBX и конденсатором C1, разомкнув ключ [Space]. Включить схему. Измерить амплитуды входного UBX и выходного Uвых напряжения. Вычислить новое значение коэффициента усиления по напряжению по результатам измерений. Результаты записать в раздел "Результаты экспериментов".
д). Переместить щуп канала А осциллографа в узел Us. Снова включить схему и измерить амплитуду UB входного синусоидального напряжения в точке UБ. По результатам измерения напряжения UБ и ивых вычислить коэффициент усиления по напряжению усилительного каскада. По результатам измерения амплитуд напряжения UBX и UB вычислить входной ток 1вх. По значениям Uвх И iвx вычислить входное сопротивление rвх усилителя по переменному току. Результаты записать в раздел "Результаты экспериментов".
е). По значению коэффициента усиления тока B, полученному в эксперименте 1 раздела 10.1, и величине дифференциального эмиттерного сопротивления rэ вычислить входное сопротивление транзистора г,. Вычислить значение rвх, используя значения сопротивлении R1, R2 и ri. Результаты записать в раздел "Результаты экспериментов".
ж). Замкнуть резистор RD между узлом UBX и конденсатором C1, замкнув ключ [Space]. Переместить щуп канала А осциллографа в узел UBX. Установить номинал резистора RL 2 кОм. Затем включить схему и измерить амплитуды входного и выходного синусоидального напряжения. Используя результаты измерений, вычислить новое значение коэффициента усиления по напряжению. Результаты записать в раздел "Результаты экспериментов".
з). Используя результаты измерений амплитуды выходного синусоидального напряжения в пункте б) и пункте ж), значение сопротивления нагрузки в пункте ж), вычислить выходное сопротивление усилителя. Результат записать в раздел "Результаты экспериментов". и). Установить номинал резистора RL 200 кОм. Переставить щуп канала В осциллографа в узелке и включить схему. Измерить постоянную составляющую выходного сигнала и записать результат измерения в раздел "Результаты экспериментов". к). Вернуть щуп канала В осциллографа в узел Uouт. На осциллографе установить масштаб для входа 10 мВ/дел. Убрать шунтирующий конденсатор Сз и включить схему. Измерить амплитуды входного и выходного синусоидального напряжения. По результатам измерений вычислить значение коэффициента усиления каскада с ОЭ с сопротивлением в цепи эмиттера по напряжению. Записать результаты в раздел "Результаты экспериментов". л). По величине сопротивления Гэ и значению сопротивления Rэ вычислить значение коэффициента усиления усилителя с ОЭ с сопротивлением в цепи эмиттера по напряжению.
Эксперимент 2. Исследование каскада с общим коллектором в области малого сигнала. а). Открыть файл с10_011 со схемой, изображенной на рис. 10.18. Установочные параметры приборов в схеме должны соответствовать установочным параметрам приборов на рисунке. Для удобства при проведении эксперимента оставьте увеличенным только изображение осциллографа и мультиметра. Мультиметр должен быть установлен для измерения постоянного напряжения.

б). Включить схему. Измерить постоянные составляющие напряжения в точках UB и Uэ. Вычислить постоянные составляющие напряжения в точках UB, Uэ и ток эмиттера, используя значения параметров компонентов схемы (Uвэ= 0.7 В). Результаты записать в раздел "Результаты экспериментов".
в). Закрыть увеличенное изображение мультиметра, оставив увеличенным только изображение осциллографа. Включить схему. Измерить амплитуды входного и выходного напряжения. Определить разность фаз между входным и выходным напряжением (это можно сделать при помощи Боде-плоттера). По результатам измерений вычислить коэффициент усиления по напряжению. Вычислить коэффициент усиления эмиттерного повторителя по напряжению, используя параметры схемы. Записать результаты в раздел "Результаты экспериментов".
г). Подключить резистор между точкой UBX и конденсатором С1, разомкнув ключ [Space]. Включить схему. Измерить амплитуды входного и выходного синусоидального напряжения. По результатам измерений амплитуды входного синусоидального сигнала в этом и предыдущем пунктах вычислить входной ток. По величинам iвx и UBX вычислить дифференциальное входное сопротивление Гвх. Записать результаты в раздел "Результаты экспериментов".
д). Используя значения параметров компонентов схемы, вычислить входное сопротивление каскада rвх(B = 200).
е). Закоротить резистор, замкнув ключ [Space]. Изменить номинал резистора RL до 200 кОм. Затем включить схему и записать результаты измерения выходного напряжения в раздел "Результаты экспериментов". Это напряжение приблизительно равно напряжению холостого хода, так как сопротивление 200 кОм можно считать разрывом цепи. Уменьшить значение этого сопротивления до 200 Ом и снова включить схему. Измерить амплитуду напряжения на нагрузке. Вычислить выходное сопротивление каскада по результатам измерений. Запишите значения напряжения холостого хода, напряжения на нагрузке и выходного сопротивления каскада в раздел "Результаты экспериментов". Результаты экспериментов
Эксперимент 1. Исследование каскада с общим эмиттером в области малого сигнала.



Эксперимент 2. Исследование каскада с общим коллектором в области малого сигнала.


Вопросы
1. Каково отличие практического и теоретического значений коэффициента усиления по напряжению?
2. Какова разность фаз между входным и выходным синусоидальными сигналами в усилителе с ОЭ? с ОК?
3. Как влияет входное сопротивление на коэффициент усиления по напряжению?
4. Какова связь между входным напряжением (узел Uвх) и напряжением на базе (узел UБ) при включении между ними сопротивления?
5. Каково отличие практического и теоретического значений входного сопротивления для усилителей по переменному току?
6. Каково отличие коэффициента усиления по напряжению, вычисленного в п. к), от коэффициента усиления по напряжению из п. в) эксперимента I? Объяснить ответ.
7. Какое влияние оказывает понижение сопротивления нагрузки на коэффициент усиления по напряжению?
8. Какова связь между выходным сопротивлением усилителя и сопротивлением в цепи коллектора RK?
9. Как влияет сопротивление Rэ на коэффициент усиления по напряжению усилителя?
10.Каково отличие практического и теоретического значений напряжения UБ по постоянному току?
11. Каково отличие практического и теоретического значений напряжения Uэ по постоянному току?
12.Каково отличие практического и теоретического значений коэффициента усиления по напряжению усилителя с ОК?
Почему значение коэффициента усиления по напряжению меньше единицы?
13.Каково отличие практического и теоретического значений входного сопротивления по переменному току усилителя с ОК? Велико ли это значение?
14.Велико ли значение выходного сопротивления усилителя с ОК?
15.Какова разность фаз входного и выходного синусоидальных сигналов?
16. В чем заключено главное достоинство схемы усилителя с ОК? В чем главное назначение этой схемы?
Расчет и исследование параметров рабочей точки
в транзисторных каскадахМетодические указания Транзистор характеризуется двумя семействами вольт-амперных характеристик (ВАХ): входных и выходных ВАХ. Семейство входных ВАХ представляет собой зависимость тока Iв от напряжения Uвэ при различных значениях напряжения Uкэ:

Семейство выходных ВАХ представляет собой зависимость тока коллектора Iк от напряжения на коллекторе Uкэ при различных значениях тока базы IБ.:

Существует несколько методов расчета параметров рабочей точки. Ниже изложены некоторые из них. Графоаналитический метод Этот метод основан на непосредственном использовании ВАХ транзистора, представленных в графическом виде. Рассмотрим схему транзисторного каскада с ОЭ, представленную на рис. 10.19. Для тока базы, можно записать следующие уравнения:

Решение системы в графическом виде представлено на рис. 10.20. Оно представляет собой точку пересечения кривых 1 и 2. Кривая 1 представляет собой входную ВАХ транзистора (уравнение 10.4) при условии, что напряжение Uкэ достаточно велико и его влиянием можно пренебречь. Кривая 2 является нагрузочной линией и описывается уравнением 10.3. Она отсекает на оси токов отрезок, численно равный току Ев/Rв, а на оси напряжений - отрезок, численно равный напряжению EБ. Координаты точки пересечения - ток I*в и напряжение U* вэ - являются искомыми входными током и напряжением транзистора. Для выходной цепи транзистора, т.е. для цепи коллектора, можно записать следующие уравнения:


Уравнение (10.6) описывает выходную ВАХ транзистора для найденного тока базы I*Б. На puc, 10.21 показано семейство выходных ВАХ транзистора для различных значений тока базы. Из этого семейства необходимо выделить ту ВАХ, ток базы которой наиболее близок к полученной величине 1*в. Может оказаться, что токи базы семейства ВАХ существенно отличаются от величины I*в. В этом случае необходимо выбрать две ветви ВАХ (для одной ток базы меньше, а для другой больше I*Б) и методом интерполяции построить ВАХ для заданного значения I*в. Уравнение (10.5) является уравнением нагрузочной прямой, которая показана в виде наклонной линии на. рис. 10.21. Выходная ВАХ и нагрузочная прямая пересекаются в точке С, которая является решением системы уравнений (10.5), (10.6) в графическом виде. Координаты точки С, т. е. ток I*к и напряжение U*кэ, являются, соответственно, искомыми выходными током и напряжением транзистора.


Аналитический метод При использовании этого метода решение систем уравнений (10.3, 10.4) и (10.5, 10.6) требуется найти в аналитическом виде. Поскольку уравнения (10.4) и (10.6) являются нелинейными, невозможно получить аналитическое решение в явном виде. Один из способов решения таких систем заключается в линеаризации нелинейных уравнений. На рис. 10.22 показана входная ВАХ транзистора (кривая 1). Предлагается аппроксимировать её прямой линией (прямая 2). Уравнение для такой аппроксимации имеет вид: Uкэ=UБзо+rвхIБ (10.7) где UБЭО - пороговое напряжение входной цепи, rBX - дифференциальное входное сопротивление транзистора для рабочей области его входной характеристики. В ряде случаев в полученном выражении (10.7) первое слагаемое значительно превышает второе. Поэтому с достаточной для практики точностью это выражение можно упростить: UБЭ=UБЭО. (10.8) На рис. 10.22 такое приближение отражается прямой 3.

На рис. 10.23 показана выходная ВАХ транзистора (кривая 1). Предлагается аппроксимировать эту ВАХ прямой линией. Уравнение для такой аппроксимации имеет вид:

где Р - статический коэффициент передачи тока в схеме ОЭ, IKO тепловой ток коллектора, Rвых - дифференциальное выходное сопротивление.

В выражении (10.9) первое слагаемое показывает, что ток коллектора пропорционален току базы. Второе слагаемое представляет собой обратный ток коллектора, который существует даже при 1в=0. Слагаемое Uкэ/Квых характеризует наклон ВАХ. В большинстве случаев в полученном выражении (10.9) первое слагаемое значительно превышает второе и третье. Поэтому с достаточной для практики точностью это выражение можно упростить:

Последнее выражение позволяет явно выразить ток эмиттера через ток базы:

Выражения (10.8), (10.10) являются удобными аппроксимациями нелинейных ВАХ транзистора, которые можно использовать для решения конкретных задач. Рассмотрим схему, изображенную на рис. 10.26. Ранее эта схема была рассчитана графоаналитическим способом. Используя выражение (10.7), можно определить ток базы в виде:

С помощью выражения (10.10) можно найти напряжение на коллекторе транзистора:

Метод эквивалентных схем. Этот метод основан на замене транзистора его эквивалентной схемой (другое название -схема замещения). Для получения эквивалентной схемы можно воспользоваться аналитическими выражениями для входной и выходной ВАХ транзистора. Линеаризованная входная ВАХ транзистора описывается выражением (10.7). В соответствии с этим выражением входная цепь транзистора представляется последовательно соединенными источником напряжения Uвэо и сопротивлением rвх (рис. 10.24). Линеаризованная выходная характеристика транзистора описывается выражением (10.9). Согласно этому выражению эквивалентная схема (рис. 10.24) выходной цепи транзистора представляется параллельно соединенными источниками тока BIБ и Iко и сопротивлением rвых. На рис. 10.24 представлена эквивалентная схема транзистора, составленная с учетом вышесказанного. Она пригодна для расчета как постоянных, так и переменных составляющих токов и напряжений. Однако для каждой из этих составляющих целесообразно представить эквивалентную схему в упрощенном виде. Расчет переменных составляющих будет рассмотрен в следующем разделе. Для постоянных составляющих, как было указано выше, можно использовать упрощенное выражение (10.10). В соответствии с этим выражением эквивалентная схема транзистора существенно упрощается (рис. 10.25}. Для расчета постоянных составляющих транзистор следует заменять его упрощенной схемой (рис. 10.25). Если принять во внимание выражение (10.8), схема еще более упростится -rБХ можно будет исключить. В условиях задач характеристики транзисторов могут быть представлены как в графическом виде, так и в линеаризованном. При решении задач в первом случае используется графоаналитический метод, во втором - аналитический метод или метод эквивалентных схем. Используются следующие параметры транзистора: UБЭО ~ пороговое напряжение входной цепи, BDC - статический коэффициент передачи тока в схеме с общим эмиттером, rБХ - дифференциальное входное сопротивление транзистора. Поскольку каждый из режимов работы транзистора характеризуется своими параметрами и имеет свою эквивалентную схему, то для расчета электронных схем необходимо, прежде всего, выяснить, в каком режиме работает транзистор. Существует три режима работы транзистора: усилительный режим, режим насыщения'и режим отсечки. Они описываются следующими выражениями: !• UBX < U1 - режим отсечки, 2. U1 < UBX < U2 - усилительный режим, 3. UBX >U2 - режим насыщения, где U1 - напряжение Uвэ, при котором транзистор переходит в усилительный режим, U2 - напряжение UБЭ, при котором транзистор переходит в режим насыщения. В рассматриваемых задачах транзистор работает в усилительном режиме. Эквивалентная схема транзистора в усилительном режиме приведена на. рис. 10.25.


Рассмотрим границы существования усилительного режима работы транзистора в схеме, представленной на рис. 10.26а. На рис. 10.266 для этой схемы показано построение графика зависимости выходного напряжения Пвых от входного напряжения UBX-Пока входное напряжение UBX остается меньше порогового напряжения Usao, транзистор находится в режиме отсечки. Эмиттер-ньш переход транзистора закрыт, ток базы 1в и ток коллектора 1ц равны нулю (в цепи кол-

лектора и в цепи базы текут тепловые токи, значения которых пренебрежимо малы). На резисторе RK отсутствует падение напряжения, выходное напряжение Uвыx равно напряжению источника питания Ек. Как только возрастающее входное напряжение превысит величину UБЭО транзистор переходит в усилительный режим работы. Следовательно, нижняя граница существования усилительного режима определяется просто: U,=UБЭО. (10.14) Работа схемы в усилительном режиме описывается следующими выражениями:

Ток коллектора не может превысить величину тока насыщения: Iкн=Eк/Rк (10.18) При этом насыщающий ток базы определяется выражением:

Эта величина тока определяет верхнюю границу существования усилительного режима работы транзистора: U2=IБНRБUБЭО. (10.20) При дальнейшем увеличении входного напряжения наступает режим насыщения. В этом режиме ток базы продолжает возрастать, а ток коллектора и выходное напряжение не изменяются. Для построения графической зависимости выходного напряжения от входного (см. нижнюю диаграмму на рис. 10.26) достаточно определить граничные значения входных напряжений U1, U2 и соответствующие этим значениям величины выходного напряжения. После этого левее границы U1 и правее границы U2 провести горизонтальные линии (линия отсечки и линия насыщения), а сами граничные точки соединить наклонной линией (линия усилительного режима). После теоретического расчета схемы усилителя Вам предлагается проверить его правильность с помощью программы Electronics Workbench.


Отсюда находим ток базы Iв:

Напряжение определяется по второму закону Кирхгофа:

где ток коллектора

Поэтому:


1 -линеаризованная зависимость выходного напряжения от входного, 2 —реальная зависимость выходного напряжения от входного.

Задачи для самостоятельного исследования Задание рабочей точки, транзисторного каскада На. рис. 10.30 и рис. 10.31 представлены схемы транзисторного каскада с общим эмиттером. Нужно определить один из параметров транзистора: коэффициент передачи тока базы BDC2 или входное сопротивление Rвх3- В каждом варианте дана зависимость выходного сигнала от входного воздействия. На вход подается либо входное напряжение UBX (Uin), либо входной ток IBX (Iin) Выходным сигналом может быть: напряжение нагрузки UH, ток нагрузки Iн, ток коллектора 1к, ток источника питания In. Все приведенные характеристики охватывают три режима работы транзистора: режим отсечки, усилительный режим и режим насыщения. В этом режиме справедливы выражения (10.13), (10.14), (10.15), полученные выше. Там же показано, что входная цепь заменяется последовательной цепочкой UБЭО - RBX (см. рис. 10.24, 10.25). Схемы, поясняющие условия задач, в которых входное сопротивление транзистора пренебрежимо мало


В дальнейшем в тексте задач параметр BDC обозначается просто р. В этом задании рассчитываются постоянные составляющие токов и напряжений. Динамическое входное сопротивление, определяемое изменением разности потенциалов на базе транзистора, равно нулю, поэтому полное входное сопротивление определяется омическим сопротивлением базы и может быть смоделировано с помощью резистора RBX последовательно подключенного к базе транзистора.
Рекомендации по выполнению работы:
1. Создайте при помощи Electronics Workbench одну из схем, изображенных на рис. 20.30 и 10.31, согласно условию задачи. Схемы представляют два случая: входное сопротивление транзистора пренебрежимо мало и входное сопротивление транзистора сопоставимо по величине с сопротивлением резисторов на входе схемы. Подставьте в схему заданные и рассчитанные значения номиналов элементов. Выберите указанный в условии задачи тип транзистора.

Задачи
Задача 10.1.1. Дано:

Транзисторы ZTX327, Q2N2222A, 2N2923. Найти: р.

Задача 10.1.2. Дано:

Транзистор 2N3393. Найти: B.

Задача 10.1.3. Дано:

Транзисторы ZTX327, Q2N2222A. Найти: Rвх.

Задача 10.1.4. Дано:

Транзисторы ZTX327, Т502. Найти: B.

Задача 10.1.5. Дано:

Транзисторы ZTX327, Q2N2222A. Т502. Найти:B.

Задача 10.1.6. Дано:

Транзистор Q2N2222A. Найти: Rвх.

Задача 10.1.7. Дано:

Транзисторы Q2N2222A, 2N3393. Найти:B.

Задача 10.1.8. Дано:

Транзисторы 2N3393 Найти: B.

Расчет транзисторного каскада в режиме малого сигнала
Методические указания В этой части рассматривается принцип расчета усилителя с общим эмиттером (ОЭ) в области малого сигнала. Целью расчета является нахождение постоянных и переменных составляющих токов и напряжений.Расчет постоянных составляющих позволяет найти параметры рабочей точки транзисторного каскада (статический режим). Расчет переменных составляющих -усилительные свойства каскада в этой точке. При расчете каскада транзистор заменяют его упрощенной эквивалентной схемой, причем для расчета постоянных и переменных составляющих используются разные схемы замещения. Эквивалентная схема для расчета каскада на постоянном токе приведена на puc.l0.32a, а на переменном - на рис.10.326. Эквивалентные схемы замещения транзистора при расчете транзисторного каскада: а) для расчета постоянных составляющих токов и напряжении: б) длярасчета переменных составляющих токов и напряжений

С помощью эквивалентной схемы, показанной на рис. 10.32а, легко найти постоянные составляющие тока базы 1вп, тока коллектора 1кп и напряжения на коллекторе Uкп Они определяются следующими выражениями:

Iкп=B Iвп, (10.22) Uкп=Ек-Iкп-Rк. (10.23) Схема на рис. 10.326 позволяет определить амплитуды переменных составляющих тока базы IБ-М. тока коллектора Iк-м и напряжения на коллекторе. При известном значении амплитуды напряжения генератора Егм амплитуды токов и напряжений можно определить с помощью следующих выражений (значок -м означает амплитуду переменной величины): IБ-м=Егм/Rвх, (10.24) Iк-м=BIв-м. (10.25) Uк-м=Iк-м-Rэкв- (10.26)
Выходное напряжение усилителя является переменной составляющей напряжения на коллекторе, поэтому оно также определяется выражением (10.26). Полученные выражения позволяют определить коэффициент усиления по напряжению К как отношение амплитуды выходного напряжения ко входному:

Мгновенные значения токов и напряжений являются суммой постоянных и переменных составляющих. Соответствующие осциллограммы представлены на рис. 10.33. Осциллограммы переменных составляющих тока базы IБ и тока коллектора Iк имеют одинаковую форму, т. к. соответствующие мгновенные значения пропорциональны:

Максимальное значение тока коллектора не может быть больше тока насыщения:

Этому току соответствует насыщающий ток базы:

Мгновенное значение напряжения на коллекторе определяется выражением:

Осциллограммы, показанные ни рис. 10.33, получены для режима Uкn = Ек/2. В этом случае можно получить максимальную величину неискаженного выходного напряжения, максимальное значение амплитуды которого равно половине напряжения источника питания Ек. На рис. 20.34 показаны осциллограммы для двух случаев: Uкп>Ек/2 и Uкп < Ек/2. В обоих случаях величина входного сигнала (напряжение генератора Ег) одинакова. Различие состоит в уровне постоянной составляющей напряжения на коллекторе, которое определяется уровнем базового смещения. При Uкп>Ек/2Iвп = IB-M- В результате постоянные составляющие токов базы и коллектора минимальны, а постоянная составляющая напряжения на коллекторе максимальна. При Uкп<Ек/2 Iвп = IБП - IB-M- В результате постоянные составляющие токов базы и коллектора максимальны, а постоянная составляющая напряжения на коллекторе минимальна. Переменная составляющая тока базы в обоих режимах одинакова, поэтому одинаковы и переменные составляющие тока коллектора. То же самое можно сказать и о переменных составляющих напряжения на коллекторе, следовательно, одинаковы и выходные напряжения для обоих режимов. Рассмотренные осциллограммы (рис. 10.33 и 10.34) соответствуют линейному режиму работы усилителя. При неудачном выборе амплитуды входного сигнала и величины базового смещения возникают искажения. Осциллограммы для этого случая показаны на рис. 10.35. Видно, что осциллограммы переменных составляющих тока коллектора и напряжения на коллекторе (т. е. выходного напряжения) имеют несинусоидальные формы. Для устранения искажений в данном случае, например, можно уменьшить амплитуду входного сигнала.
Осциллограммы работы усилителя в режиме малого сигнала при Uкn = Ек/2

Осциллограммы работы усилителя в режиме малого сигнала для двух случаев:

Для расчета усилителя с общим эмиттером в области малого сигнала Вам предлагается несколько типов заданий: • Задание 10.2 - режим по постоянному току задается с помощью делителя напряжения; • Задание 10.3 - режим по постоянному току задается с помощью одного резистора; • Задание 10.4 - режим по постоянному току уже задан, нужно рассчитать только переменные составляющие токов и напряжений в схеме. В задачах нужно найти либо неизвестные характеристики транзистора усилителя, например статический коэффициент передачи тока, входное сопротивление, либо значения входных и выходных сигналов усилителя (напряжение базового смещения, амплитуду входного переменного сигнала, амплитуды токов нагрузки, коллектора, выходного напряжения). В некоторых заданиях предлагается найти номинальные значения'элементов схемы, например величину сопротивления в цепи базы, коллектора или нагрузки. Перед каждым заданием даются краткие методические указания к решению задач и моделированию схем.
Осциллограммы работы усилителя в режиме искажений

Правильность теоретического расчета схемы усилителя можно проверить с помощью Electronics Workbench®. Для проверки расчета Вам предлагается уже собранная схема, в которой нужно исправить значения номиналов только рассчитанных элементов схемы (изначально они неправильны). С помощью приборов можно убедиться в правильности (или ошибочности) расчета.



(на практике более 10 мВ), то из- за нелинейности входной характеристики изменение величины дифференциального входного сопротивления, а следовательно, и переменной составляющей тока базы, будет носить нелинейный характер. Особенно влияние этого эффекта заметно в случаях, когда постоянная составляющая тока базы равна амплитуде его переменной составляющей. Это выражается в искажении синусоидальной формы напряжения на коллекторе и уменьшении коэффициента усиления усилителя по напряжению при моделировании. Чтобы все-таки проверить правильность расчета, в таких задачах в файле с заданием предусмотрены две схемы: схема с реальным транзистором и схема, где транзистор заменен его упрощенной моделью. Таким образом, если не удается проверить результаты расчета на реальной схеме, воспользуйтесь упрощенной схемой (рис. 10.37).


Схемы для моделирования: а) с реальным транзистором, б) транзистор заменен моделью

Во всех вариантах предлагаемых заданий Rcм>>RБ, поэтому можно принять внутреннее сопротивление эквивалентного источника напряжения rэкв = О, что упрощает дальнейший расчет. Величина Rэкв, используемая в формулах (10.26), (10.27), применительно к заданию 10.2 равна значению Rк.
Рекомендации по выполнению работы: 1. Откройте файл с именем, совпадающим с номером задачи. Подставьте в схему найденные значения номиналов компонентов. 1. 1Для редактирования характеристик транзистора откройте окно свойств транзистора. Это можно проделать, дважды щелкнув мышью по его изображению, или выбрав пункт Model в меню Circuit. В открывшемся окне будет подсвечено наименование транзистора, установленного в схеме. Для редактирования характеристик нажмите кнопку Edit. Коэффициент передачи тока базы устанавливается в строке Forward current gain coefficient (BF), пороговое напряжение UБЭО в строке В - Е junction potential (0e). Затем нажмите Accept для сохранения введенных значений параметров и Accept для возврата к схеме. Параметр Rвх для каждой задачи уже установлен, поэтому его редактировать не надо. 2. Подключите приборы. Включите схему. 3. С помощью осциллографа сравните напряжение источника питания Ек с напряжением на коллекторе транзистора. Если задача решена верно, вид осциллограмм напряжений должен быть сравним с видом осциллограмм на рис. 10.34 (случай Uкп > Ек/2 или случай Uкп< Ек/2), т. е. максимальное (минимальное) мгновенное значение напряжения на коллекторе не должно быть больше напряжения источника питания Ек (меньше нулевого уровня).
Задача 10.2.1. (с10_201)
Дано: Для схемы на рисунке известно следующее: входное сопротивление транзистора равно 20 Ом. В исходном состоянии ключ К1 разомкнут, ключ К2 замкнут. Ток коллектора появляется при R1/R2 = 23, для R1/R2 = 7 этот ток составляет 50mA. В окончательном состоянии оба ключа (К1 и К2) замкнуты, положение движка потенциометра RSM и амплитуда напряжения генератора Eg выбраны такими, что постоянная составляющая напряжения на коллекторе равна 6 В, а выходное напряжение имеет синусоидальную форму и максимально возможную величину.
Найти: Окончательные значения амплитуды напряжения генератора Eg и отношение R1/R2 (это отношение определяет положение движка потенциометра Rsm).

Задача 10.2.2. (с10_202)
Дано: Для схемы на рисунке известны следующие параметры транзистора: коэффициент передачи тока базы равен 50, входное сопротивление транзистора RBX = 25 Ом. В исходном состоянии ключ К1 разомкнут, ключ К2 замкнут. Ток коллектора появляется при R1/R2=31. При перемещении движка вверх ток коллектора увеличивается и для R1/R2 = 11 этот ток равен 12mA. В окончательном состоянии оба ключа (К1 и К2) замкнуты. Положение движка потенциометра RSM и амплитуда напряжения генератора Eg выбраны такими, что постоянная составляющая напряжения на коллекторе равна 20 В, а выходное напряжение имеет синусоидальную форму и максимально возможную величину.
Найти: Значение амплитуды напряжения генератора Eg и отношение R1/R2.

Задача 10.2.3. (с10_203)
Дано: Для схемы на рисунке известны следующие параметры транзистора: входное сопротивление Rвх = 80 Ом. В исходном состоянии ключ К1 разомкнут, ключ К2 замкнут. При Rl=0 ток коллектора равен 100 mA. При движении движка потенциометра вниз ток не изменяется до положения R1/R2=1. При R1/R2=39, ток коллектора спадает к нулю и при дальнейшем перемещении движка вниз ток больше не изменяется. В окончательном состоянии оба ключа (К1 и К2) замкнуты. Положение движка потенциометра RSM и амплитуда напряжения генератора Eg выбраны такими, что максимальное мгновенное значение напряжения на коллекторе составляет 10 В, а выходное напряжение синусоидально и максимально возможно по величине. Найти: Значение амплитуды напряжения генератора Eg и отношение R1/R2.

Задача 10.2.4. (с10_204)
Дано: Для схемы на рисунке известно следующее. Параметры транзистора: коэффициент передачи тока базы B = 100, входное сопротивление RBX = 60 Ом. В исходном состоянии ключ К1 разомкнут, ключ К2 замкнут. При R1=0 ток коллектора составляет 150 mA и до положения движка R1/R2=1 не изменяется. При перемещении движка потенциометра вниз ток коллектора уменьшается и спадает до нуля при R1/R2 = 39. При дальнейшем перемещении движка вниз этот ток больше не изменяется. В окончательном состоянии оба ключа (К1 и К2) замкнуты. Положение движка потенциометра RSM и амплитуда напряжения генератора Eg выбраны так, что минимальное мгновенное значение напряжения на коллекторе составляет 8 В, а выходное напряжение имеет синусоидальную форму и максимально возможную величину.
Найти: Значение амплитуды напряжения генератора Eg и отношение R1/R2.



Задача 10.2.5. (с10_205)
Дано: Для схемы на рисунке известно следующее: входное сопротивление транзистора RBX = 60 Ом. В исходном состоянии ключ К1 разомкнут, ключ К2 замкнут, движок потенциометра RSM находится в крайнем нижнем положении. До положения движка, в котором R1/R2 = 39, напряжение на коллекторе не изменяется, оно равно ЗОВ. При дальнейшем перемещении движка потенциометра вверх напряжение на коллекторе уменьшается, и для R1/R2=4.263 (81%) это напряжение составляет 13.5 В, а ток коллектора равен 55 mA. В окончательном состоянии оба ключа (К1 и КЗ) замкнуты. Положение движка потенциометра RSM и амплитуда напряжения генератора Eg выбраны такими, что постоянная составляющая тока коллектора равна 75 mA, а выходное напряжение имеет синусоидальную форму и максимально возможную величину.
Найти: Значение амплитуды напряжения генератора Eg и отношение R1/R2.



Задача 10.2.6. (с10_206)
Дано: Для схемы на рисунке известно следующее: коэффициент передачи базового тока транзистора B = 40, входное сопротивление транзистора Rвx = 60 Ом. В исходном состоянии ключ К1 разомкнут, ключ К2 замкнут, движок потенциометра RSM находится в крайнем нижнем положении. Движок перемещают вверх. До положения, в котором R1/R2=27, напряжение на коллекторе не изменяется, оно равно 21В. При R1/R2=6 это напряжение составляет 18.6 В, а ток коллектора равен 12 mA. В окончательном состоянии оба ключа (К1 и К2) замкнуты. Положение движка потенциометра RSM и амплитуда напряжения генератора Eg выбраны такими, что постоянная составляющая тока коллектора равна 24 mA, а выходное напряжение имеет синусоидальную форму и максимально возможную величину. Найти: Значение амплитуды напряжения генератора Eg и отношение R1/R2.


Задача 10.2.7. (с10_207.са4)
Дано: Для схемы на рисунке известно следующее: входное сопротивление транзистора RBX=1OO Ом. В исходном состоянии ключ К1 разомкнут, ключ К2 замкнут, движок потенциометра RSM находится в крайнем верхнем положении. Затем движок перемещают вниз. Напряжение на коллекторе появляется при R1/R2=4.6. При дальнейшем перемещении движка потенциометра вниз напряжение на коллекторе увеличивается и достигает 36 В для R1/R2=47. При дальнейшем перемещении движка вниз это напряжение больше не изменяется. В окончательном состоянии оба ключа (К1 и К2) замкнуты. Положение движка потенциометра и амплитуда напряжения генератора Eg выбраны так, что максимальное мгновенное значение тока коллектора равно 90 mA, а выходное напряжение синусоидально и имеет максимально возможную величину.
Найти: Амплитуду напряжения генератора Eg и отношение R1/R2.


Задача 10.2.8. (с10_208.СА4)
Дано: Для схемы на рисунке известно следующее: входное сопротивление транзистора RBX=1OO Ом. В исходном состоянии ключ К1 разомкнут, ключ К2 замкнут, движок потенциометра RSM находится в крайнем верхнем положении. Напряжение на коллекторе появляется при R1/R2=1. При перемещении движка потенциометра вниз напряжение на коллекторе увеличивается. Когда движок дойдет до положения, в котором R1/R2=19, напряжение на коллекторе достигает 15 В, и при дальнейшем перемещении движка вниз это напряжение больше не изменяется. В окончательном состоянии оба ключа (К1 и К2) замкнуты. Положение движка потенциометра RCM и амплитуда напряжения генератора Eg выбраны так, что минимальное мгновенное значение тока коллектора составляет 45 mA, а выходное напряжение синусоидально и имеет максимально возможную величину.
Найти: Амплитуду напряжения генератора Eg и отношение R1/R2.


Задача 10.2.9. (с10_209.са4)
Дано: Для схемы на рисунке известно следующее: входное сопротивление транзистора Bвх=100 Ом. В исходном состоянии ключ К1 разомкнут, ключ К2 замкнут, движок потенциометра RSM перемещают из нижнего положения в верхнее. Когда движок находится в среднем положении (R1=R2), напряжение на коллекторе равно 14.1 В, а ток коллектора 70.5 mA. В крайнем верхнем положении (R1=0) ток коллектора составляет 125 mA. В окончательном состоянии оба ключа (К1 и К2) замкнуты. Движок потенциометра Rsm находится в промежуточном положении, для которого R1/R2=3, а выходное напряжение синусоидально и имеет максимально возможную величину. Найти: Амплитуду напряжения генератора Eg в окончательном состоянии.


Задача 10.2.10. (с10_210.са4)
Дано: Для схемы на рисунке известно следующее: входное сопротивление транзистора Rвх=100 Ом. В исходном состоянии ключ К1 разомкнут, ключ К2 замкнут, движок потенциометра RSM плавно перемещают из нижнего положения в верхнее. Когда движок находится в среднем положении (R1=R2), напряжение на коллекторе составляет 6 В, а ток коллектора равен 20 mA. В крайнем верхнем положении (R1=0) напряжение на коллекторе составляет 2.4 В. В окончательном состоянии оба ключа (К1 и К2) замкнуты. Движок потенциометра RSM находится в промежуточном положении, для которого R1/R2=0.41 (29%), а выходное напряжение синусоидально и имеет максимально возможную величину.
Найти: Амплитуду напряжения генератора Eg в окончательном состоянии.


Задачи 10.2.11...10.2.34 находятся на прилагаемой к книге дискете.
Задание режима по постоянному току с помощью одного резистора В задании рассматриваются схемы, представленные на рис. 10.39. Для определения постоянных составляющих токов и напряжений можно воспользоваться выражениями (10.21), (10.22), (10.23), для расчета переменных составляющих токов базы и коллектора справедливы выражения (10.24), (10.25), переменная составляющая напряжения на коллекторе (она же - напряжение на выходе или нагрузке) находится с помощью выражения (10.26), величина Rэкв в формуле равна сопротивлению резисторов Rк и Rн, соединенных параллельно. Ток смещения задается с помощью резистора в цепи базы Rg. Величина Еэкв в формуле (10.21) применительно к данному заданию равна напряжению источника питания Ек. Схемы для моделирования:

Рекомендации по выполнению работы:
1. Откройте файл с именем, совпадающим с номером задачи. Подставьте в схему найденные значения номиналов компонентов. 1.1 Для редактирования характеристик транзистора откройте окно свойств транзистора. Это можно проделать, дважды щелкнув мышью по его изображению, или выбрав пункт Model в меню Circuit. В открывшемся окне будет подсвечено наименование транзистора, установленного в схеме. Для редактирования характеристик нажмите кнопку Edit. Коэффициент передачи тока базы устанавливается в строке Forward current gain coefficient (BF), пороговое напряжение UБЭО в строке В - Е junction potential . Затем нажмите Accept для сохранения введенных значений параметров и Accept для возврата к схеме. Параметр RBX Для каждой задачи уже установлен, поэтому его редактировать не надо. 2. Подключите приборы. Включите схему. Если полученный результат не сходится с условием, попробуйте использовать вторую схему, где транзистор заменен моделью.
Задача 10.3.1. (с10_301)
Дано: Для схемы на рисунке известно следующее. Параметры транзистора: коэффициент передачи тока базы B = 80, пороговое напряжение Uвэо =0.75 В. Амплитуда напряжения генератора Eg составляет 200 mB. Выходное напряжение синусоидально, его амплитуда равна 40 В. Постоянная составляющая тока базы имеет минимально возможную величину. Найти: Входное сопротивление транзистора и сопротивление Rь в цепи базы.



Задача 10.3.2. (с10_302)
Дано: Для схемы на рисунке известно следующее. Параметры транзистора: коэффициент передачи тока базы (3 = 50, входное сопротивление RBX = 20 Ом, пороговое напряжение UБэо=О.75 В. Выходное напряжение синусоидально, его амплитуда равна 12 В. Постоянная составляющая тока базы имеет минимально возможную величину. Найти: Амплитуду напряжения генератора Eg и сопротивление Кь в цепи базы.

Задача 10.3.3. (с10_303)
Дано: Для схемы на рисунке известно следующее. Параметры транзистора: коэффициент передачи тока базы р = 50, входное сопротивление Rвх= 40 Ом, пороговое напряжение Uбэо = 0.75 В. Выходное напряжение синусоидально. Амплитуда переменной составляющей тока коллектора равна 40 mA. Постоянная составляющая тока базы имеет минимально возможную величину. Найти: Амплитуду напряжения генератора Eg, амплитуду выходного напряжения и сопротивление Rь в цепи базы.

Задача 10.3.4. (с10_304)
Дано: Для схемы на рисунке известно следующее. Параметры транзистора: коэффициент передачи тока базы B = 60, входное сопротивление Rвх = 30 Ом, пороговое напряжение UБЭО = 0.75 В. Выходное напряжение синусоидально. Амплитуда переменной составляющей тока резистора Rк равна 30 mA. Постоянная составляющая тока базы имеет минимально возможную величину. Найти: Амплитуду напряжения генератора Eg и сопротивление Кь в цепи базы.

Задача 10.3.5. (с10_305)
Дано: Для схемы на рисунке известно следующее. Параметры транзистора: коэффициент передачи тока базы B = 50, пороговое напряжение Uвэо =0.75 В. Амплитуда напряжения генератора Eg равна 64 mB. Выходное напряжение синусоидально, его амплитуда равна 16 В. Постоянная составляющая тока базы имеет максимально возможную величину. Найти: Входное сопротивление транзистора и сопротивление Rь в цепи базы.


Задача 10.3.6. (с10_306)
Дано: Для схемы на рисунке известно следующее. Параметры транзистора: коэффициент передачи тока базы B = 50, входное сопротивление Rвх = 30 Ом, пороговое напряжение UБЭО =0.75 В. Выходное напряжение синусоидально, его амплитуда равна 1.5 В. Постоянная составляющая тока базы имеет максимально возможную величину. Найти: Амплитуду напряжения генератора Eg и сопротивление Rb в цепи базы.


Задачи 10.3.7—10.3.30 находятся на прилагаемой к книге дискете.
Расчет и анализ переменных составляющих токов и напряжений в усилителе
В задачах рассматриваются схемы, представленные на рис. 10.40. При решении задач необходимо обратить внимание на различия в характере зависимости напряжения нагрузки Uн и тока нагрузки 1н от величины сопротивления нагрузки Rн. Со стороны выхода транзистор представляет собой источник тока. Нагрузкой выходной цепи транзистора по переменному току являются параллельно соединенные резисторы Rн и Rк- При увеличении Rн величина общего параллельного сопротивления увеличивается, в результате напряжение нагрузки, равное произведению выходного тока транзистора на общее параллельное сопротивление, тоже увеличивается. Характер зависимости тока нагрузки от сопротивления нагрузки противоположный. Переменная составляющая выходного тока транзистора делится между двумя указанными резисторами (Rн и Rк). При увеличении сопротивления одного из этих резисторов ток через него уменьшается (т. е. при увеличении Rн ток нагрузки уменьшается). Характеристики, приведенные в вариантах задания, построены без учета знака "-", (т. е. по модулю) и получены с помощью измерительных приборов (амперметров и вольтметров), включенных на входе и выходе усилителя (в схеме они не показаны). Такие приборы измеряют только действующие значения синусоидальных сигналов. В предлагаемых задачах требуется рассчитать переменные составляющие токов и напряжений, режим работы схемы по постоянному току (т. е. положение рабочей точки на входной характеристике транзистора) уже задан. Схемы для моделирования:

Рекомендации по выполнению работы.: 1. Откройте файл с именем, совпадающим с номером задачи. Подставьте в схему найденные значения номиналов компонентов. 1.1 Для редактирования характеристик транзистора откройте окно свойств транзистора. Это можно проделать, дважды щелкнув мышью по его изображению, или выбрав пункт Model в меню Circuit. В открывшемся окне будет подсвечено наименование транзистора, установленного в схеме. Для редактирования характеристик нажмите кнопку Edit. Коэффициент передачи тока базы устанавливается в строке Forward current gain coefficient (BF), пороговое напряжение UБЭО в строке В - Е junction potential. Затем нажмите Accept для сохранения введенных значений параметров и Accept для возврата к схеме. Параметр RBX Для каждой задачи уже установлен, поэтому его редактировать не надо. 2. Подключите приборы. Включите схему. 3. С помощью вольтметра и амперметра измерьте значения токов и напряжений в схеме, а затем сравните экспериментальные данные с данными в условии задачи. С помощью Боде-плоттера проверьте коэффициент усиления входного сигнала по напряжению. Замечание: Нужно помнить, что приборы измеряют только действующие значения синусоидальных сигналов и амплитуда переменного сигнала устанавливается путем задания в схеме величины действующего значения (например,

Задача 10.4.1. (с10_401)
Дано: B= 50, RIN = 11 Ом. Получены две разные характеристики для разных значений Rr и R: 1.Rн=2000м, 2.Rн=4000м. В первом случае сопротивление генератора Rr вдвое больше, чем во втором (Rr1=2Rr2). Найти: Rr, Rк.

Задача 10.4.2. (с10_402)
Дано: (B= 50, Rin =11 Ом. Получены две разные характеристики для разных значений Rr и Rн: 1.Rн-2000м, 2. Rн = 400 Ом. В первом случае сопротивление генератора Rr вдвое больше, чем во втором (Rг1 = 2Рг2). Найти: Rr, Rк.

Задача 10.4.3. (с10_403)
Дано: RIN = 20 Ом. Получены две разные характеристики для разных значений Rr и Rн: 1. Rr = 20 Ом, Rн = 200 Ом; 2. Rr = 10 Ом, Rн = 300 Ом. Найти: B. Rк.

Задача 10.4.4. (с10_404)
Дано: RBX = 10 Ом. Получены две разные характеристики для разных значений Rr и Rн: 1. Rr = 20 Ом, RH = 200 Ом; 2. Rr = 30 Ом, RH = Rк < 200 Ом. Найти: B, Rк.

Задача 10.4.5. (с10_405)
Дано: B = 60, RBX = 20 Ом. Получены две разные характеристики для разных значений Rr и Rн: 1. Rr = 10 Ом, Rн = 400 Ом; 2. Rr = 20 Ом, Rн = 300 Ом. Найти: Rк. U.

Задача 10.4.6. (с10_406)
Дано: B= 80, Rк = 1 кОм, Rвх - 60 Ом. Получены две разные характеристики для разных значений Rг и Ен: 1.Rн=0.5кОм, 2. Rн = 1 кОм. Сопротивление генератора для второй характеристики составляет 75 % от сопротивления генератора для первой характеристики (Rr= 0.75 Rr1). Найти: Rr, U.

Задача 10.4.7. (с10_407)
Дано: B= 75, Rвх = 30 Ом. Получены две разные характеристики для разных значений Rr и Rн: 1. Rr - 40 Ом, Rн - 420 Ом; 2. Rr = 20 Ом, Rн = 600 Ом. Найти: Rк, Е.

Задача 10.4.8. (с10_408)
Дано: B=100, Rк - 120 Ом, Rвх = 44 Ом. Получены две разные характеристики для разных значений Rг и Rн: 1. Rн=3600м, 2. Rн=240 Ом. Сопротивление генератора для второй характеристики в 3.6 раза превышает сопротивление генератора для первой характеристики. Найти: Rг, Е.

Задачи 10.4.9...10.4.28 находятся на прилагаемой к книге дискете.
Исследование биполярного транзистора
Эксперименты10.1. Исследование биполярного транзистора
Цель
1. Исследование зависимости тока коллектора от тока базы и напряжения база-эмиттер.
2. Анализ зависимости коэффициента усиления по постоянному току от тока коллектора.
3. Исследование работы биполярного транзистора в режиме отсечки.
4. Получение входных и выходных характеристик транзистора.
5. Определение коэффициента передачи по переменному току.
6. Исследование динамического входного сопротивления транзистора.

Краткие сведения из теории Исследуемая схема показана на рис. 10.1. Статический коэффициент передачи тока определяется как отношение тока коллектора IK к току базы Iб:

Коэффициент передачи тока определяется отношением приращения коллекторного тока к вызывающему его приращению базового тока:

Дифференциальное входное сопротивление rвх транзистора в схеме с общим эмиттером (ОЭ) определяется при фиксированном значении напряжения коллектор-эмиттер. Оно может быть найдено как отношение приращения напряжения база-эмиттер к вызванному им приращению тока базы:

Дифференциальное входное сопротивление Гвх транзистора в схеме с ОЭ через параметры транзистора определяется следующим выражением:

где rБ - распределенное сопротивление базовой области полупроводника, rэ - дифференциальное сопротивление перехода база-эмиттер, определяемое из выражения: rэ = 25/1э, где Iэ - постоянный ток эмиттера в миллиамперах. Первое слагаемое ГБ в выражении много меньше второго, поэтому им можно пренебречь:

Дифференциальное сопротивление Гэ перехода база-эмиттер для биполярного транзистора сравнимо с дифференциальным входным сопротивлением rвхов транзистора в схеме с общей базой, которое определяется при фиксированном значении напряжения база-коллектор. Оно может быть найдено как отношение приращения к вызванному им приращению тока эмиттера:

Через параметры транзистора это сопротивление определяется выражением:

Первым слагаемым в выражении можно пренебречь, поэтому можно считать, что дифференциальное сопротивление перехода база-эмиттер приблизительно равно:

Порядок проведения экспериментов Эксперимент 1. Определение статического коэффициента передачи тока транзистора. а). Открыть файл с10_0011 со схемой, изображенной на рис. 10.1. Включить схему. Записать результаты измерения тока коллектора, тока базы и напряжения коллектор-эмиттер в раздел "Результаты экспериментов". По полученным результатам подсчитать статический коэффициент передачи транзистора рос. Результат записать в раздел "Результаты экспериментов".

1 Для удобства снятия характеристик в модели транзистора изменен параметр Forward Beta High-Current Knee Point (Ikf)
б). Изменить номинал источника ЭДС Ев до 2.68 В. Включить схему. Записать результаты измерения тока коллектора, тока базы и напряжения коллектор-эмиттер в раздел "Результаты экспериментов". По полученным результатам подсчитать коэффициент Bпс. Ответ записать в раздел "Результаты экспериментов". в). Изменить номинал источника ЭДС Ецдо 5 В. Запустить схему. Записать результаты измерения тока коллектора, тока базы и напряжения коллектор-эмиттер в раздел "Результаты экспериментов". По полученным результатам подсчитать статический коэффициент передачи транзистора BDс. Результат записать в раздел "Результаты экспериментов". Затем установить номинал Ек равным 10 В. Эксперимент 2. Измерение обратного тока коллектора. На схеме рис. 10.1 изменить номинал источника ЭДС Eб до О В. Включить схему. Записать результаты измерения тока коллектора для данных значений тока базы и напряжения коллектор-эмиттер в раздел "Результаты экспериментов".

Эксперимент 3. Получение выходной характеристики транзистора в схеме с ОЭ. а). В схеме (рис. 10.1) провести измерения тока коллектора Iк для каждого значения Ек и Ев и заполнить таблицу 10.1 в разделе "Результаты экспериментов". По данным таблицы построить график зависимости 1к от Ек. б). Открыть файл с10_002 со схемой, изображенной на рис. 10.2. Включить схему. Зарисовать осциллограмму выходной характеристики, соблюдая масштаб, в разделе "Результаты экспериментов". Повторить измерения для каждого значения Ев из таблицы 10.1. Осциллограммы выходных характеристик для разных токов базы зарисовать в разделе "Результаты экспериментов" на одном графике. в). По выходной характеристике найти коэффициент передачи тока РАС при изменении базового тока с 10 мА до 30 мA, Ек = 10 В. Результат записать в раздел "Результаты экспериментов". Эксперимент 4. Получение входной характеристики транзистора в схеме с ОЭ.
а). Открыть файл с10_001 (рис. 10.1). Установить значение напряжения источника Ек равным 10 В и провести измерения тока базы 1в, напряжения база-эмиттер UБЭ тока эмиттера 1э для различных значений напряжения источника Ев в соответствии с таблицей 10.2 в разделе "Результаты экспериментов". Обратить внимание, что коллекторный ток примерно равен току в цепи эмиттера.

б). В разделе " Результаты экспериментов" по данным таблицы 10.2 построить график зависимости тока базы от напряжения база-эмиттер.
в). Открыть файл с10_003 со схемой, изображенной на рис. 10.3. Включить схему. Зарисовать входную характеристику транзистора, соблюдая масштаб, в разделе "Результаты экспериментов". г). По входной характеристике найти сопротивление rвх при изменении базового тока с 10мA до 30 мA. Результат записать в раздел "Результаты экспериментов". Эксперимент 5. Получение входной характеристики транзистора в схеме с общей базой. а). По данным таблицы 10.2, полученным в п.6, построить график зависимости тока эмиттера от напряжения база-эмиттер. 6). Открыть файл с10_004 со схемой, изображенной на рис. 10.4. Включить схему. Зарисовать осциллограмму полученной характеристики в разделе "Результаты экспериментов".
в). По полученной характеристике найти сопротивление rэ при изменении базового тока с 10мА до 30мА. Результат записать в раздел "Результаты экспериментов". г). Найти сопротивление Гэ по формуле rэ = 25 мВ/Iэ, используя значение 1э из таблицы 10.2 при 1в = 20 мA. Результат записать в раздел "Результаты экспериментов".

Результаты экспериментов Эксперимент 1. Определение коэффициента передачи транзистора по постоянному току.

Эксперимент 2. Измерение обратного тока коллектора.

Эксперимент 3. Получение выходной характеристики транзистора в схеме с ОЭ.
Таблица 10.1

Осциллограммы входных характеристик транзистора для разных токов базы


Эксперимент 4. Получение входной характеристики транзистора в схеме с ОЭ.
Таблица 10.2

Осциллограмма входной характеристики транзистора


Эксперимент 5. Получение входной характеристики транзистора в схеме с ОБ. График зависимости тока эмиттера от напряжения база-эмиттер

Осциллограмма входной характеристики транзистора в схеме с ОБ


Вопросы
1. От чего зависит ток коллектора транзистора?
2. Зависит ли коэффициент Bцс от тока коллектора? Если да, то в какой степени? Обосновать ответ.
3. Что такое токи утечки транзистора в режиме отсечки?
4. Что можно сказать по выходным характеристикам о зависимости тока коллектора от тока базы и напряжения коллектор-эмиттер?
5. Что можно сказать по входной характеристике о различии между базо-эмиттерным переходом и диодом, смещенном в прямом направлении?
6. Одинаково ли значение rвх в любой точке входной характеристики?
7. Одинаково ли значение rэ при любом значении тока эмиттера?
8. Как отличается практическое значение сопротивления rэ от вычисленного по формуле?
Транзисторы и транзисторные схемы

ЭКСПЕРИМЕНТЫ
УПРАЖНЕНИЯ
Электротехника и электроника
Характеристики операционного усилителя
Цель 1. Измерение входных токов операционного усилителя (ОУ). 2. Оценка величин среднего входного тока и разности входных токов ОУ. 3. Измерение напряжения смещения ОУ. 4. Измерение дифференциального входного сопротивления ОУ. 5. Вычисление выходного сопротивления ОУ. 6. Измерение скорости нарастания выходного напряжения ОУ.
Краткие сведения из теории
Интегральный операционный усилитель характеризуется рядом параметров, описывающих этот компонент с точки зрения качества выполнения им своих функций. Среди параметров, обычно приводимых в справочных данных, основными являются следующие. Средний входной ток 1вх. В отсутствие сигнала на входах ОУ через его входные выводы протекают токи, обусловленные базовыми токами входных биполярных транзисторов или токами утечки затворов для ОУ с полевыми транзисторами на входе. Входные токи, проходя через внутреннее сопротивление источника входного сигнала, создают падения напряжения на входе ОУ, которые могут вызвать появление напряжения на выходе в отсутствии сигнала на входе. Компенсация этого падения напряжения затруднена тем, что токи входов реальных ОУ могут отличаться друг от друга на 10...20% Входные токи ОУ можно оценить по среднему входному току, вычисляемому как среднее арифметическое токов инвертирующего и неинвертирующего входов:

где I1 и I2 соответственно токи инвертирующего и неинвертирующего входов.
Разность входных токов определяется выражением:

В справочниках указывают модуль этой величины. Схема для измерения входных токов представлена на рис. 11.1. Коэффициент усиления напряжения на постоянном токе Ко - показатель ОУ, определяющий насколько хорошо выполняет ОУ основную функцию - усиление входных сигналов. У идеального усилителя коэффициент усиления должен стремиться к бесконечности. Коэффициент усиления напряжения схемы усилителя на ОУ (рис. 11.2} вычисляется по формуле:

Напряжение смешения Uсм - значение напряжения, которое необходимо подать на вход ОУ, чтобы напряжение на его выходе было равно нулю. Напряжение смещения Uсм можно вычислить, зная выходное напряжение при отсутствии напряжения на входе и коэффициент усиления:

Эксперимент 3. Измерение входного и выходного сопротивлений.
а). Откройте файл с11_003 со схемой, изображенной на рис. 11.3. Включите схему. Измерьте входной ток Iвх и выходное напряжение Uвых, запишите показания в раздел "Результаты экспериментов". Переключите ключ клавишей [Space]. Измерьте входной ток после переключения ключа. Рассчитайте изменения входного напряжения и тока. По полученным результатам вычислите дифференциальное входное сопротивление ОУ. Результаты занесите в раздел "Результаты экспериментов". б). Уменьшайте сопротивление нагрузочного резистора RL до тех пор, пока выходное напряжение Uвых не будет примерно равно половине значения полученного в п. а). Запишите значение сопротивления RL, которое в этом случае приблизительно равно выходному сопротивлению UвыхОУ, в раздел "Результаты экспериментов".

Эксперимент 4. Измерение времени нарастания выходного напряжения ОУ.
Откройте файл с11_004 со схемой, изображенной на.рис. 11.4. Включите схему. Зарисуйте осциллограмму выходного напряжения в раздел "Результаты экспериментов". По осциллограмме определите величину выходного напряжения, время его установления и вычислите скорость нарастания выходного напряжения в В/мкс. Запишите результат в раздел "Результаты экспериментов".

Результаты экспериментов

Эксперимент 4. Измерение времени нарастания выходного напряжения ОУ.


Вопросы
1. Отличается ли измеренное значение среднего входного тока 1вх от его номинального значения для ОУ LM741, взятого из паспортных данных?
2. Существенно ли отличие разности входных токов от номинального значения для ОУ LM741?
3. Совпадают ли измеренное значение напряжения смещения с номинальным значением для ОУ LM741?
4. Сравните величину измеренного входного сопротивления с паспортными данными на ОУ LM741.
5. Сравните величину измеренного выходного сопротивления с паспортными данными на ОУ LM741.
6. Сравните между собой величины входного и выходного сопротивлений ОУ. Какова схема замещения ОУ как элемента электрической цепи?
7. Отличается ли экспериментальное значение скорости нарастания выходного напряжения от номинального значения?
8. В чем причина возникновения входных токов ОУ и разности входных токов? К чему они приводят при работе схем на ОУ?

• средний входной ток ОУ 0,08 мкА;
• разность входных токов ОУ 0,02 мкА;
• напряжение смещения ОУ 1 mВ;
• входное сопротивление ОУ 2 Мом;
• выходное сопротивление ОУ 75 Ом;
• скорость нарастания выходного напряжения ОУ 0,5 В/мкс.
Интегрирующие и дифференцирующие схемы
Методические указанияРеакция дифференциатора на одиночный импульс В задачах данного раздела требуется найти выходное напряжение при воздействии на схему одиночным импульсом. Рекомендуется рассмотреть переходный процесс на двух временных интервалах: интервале импульса и интервале паузы после окончания импульса. На каждом из этих интервалов необходимо найти временную зависимость тока входной цепи. Этот ток протекает через резистор в цепи обратной связи и создаёт на нём падение напряжения, которое без учета знака и является выходным напряжением схемы.
Пример решения задачи:
Задача 1
Файлс11_105 Дано: Положительный импульс прямоугольной формы, амплитудой 5 В, длительностью 1 мс, подан на вход схемы. По окончании импульса напряжение на входе схемы равно нулю. Найти: Напряжение u(t) на выходе.

Расчет. Введем обозначения: iвx - входной ток, uвых выходное напряжение, t = R1C - постоянная времени входной цепи, Uc(t) - напряжение на конденсаторе. 1). Рассмотрим интервал импульса: 0 < t < 1и.

т = 1 к- 0.1 мкф=0.1 мс.

т.е. конденсатор зарядится за время <;и до величины близкой к амплитуде импульса. 2). Рассмотрим временной интервал после прохождения импульса -t > tи.

Ответ. В интервале 0 < t < tи:

в интервале t > tи:

tи = 1 мс, t =0.1 мс.
По результатам расчета можно построить временные зависимости входного и выходного напряжении, которые удобно сравнивать с экспериментальными результатами (рис. 11.45). Экспериментальная проверка результатов расчета Качественное совпадение экспериментальных и расчетных результатов заметно при сравнении рис. 11.45 и рис. 11.46, на которых представлены осциллограммы входного и выходного напряжений схемы. Если перевести осциллограф в расширенную модификацию нажатием кнопки Zoom, то можно проверить и количественное совпадение.


Работа мультивибратора В задачах, размещенных в файлах с11_116...с11_127, приведены различные варианты схемы мультивибратора, построенного на основе схемы компаратора, рассмотренного в разделах 11.4 и 11.8. Так как операционный усилитель в схеме работает в режиме компаратора, то его выходное напряжение принимает одно из двух значений напряжения ограничения (в нашем случае либо +12 В, либо -12 В). Принцип действия мультивибратора, изображенного на рис. 11.47, заключается в том, что конденсатор стремится зарядиться до величины напряжения ограничения (+12 В или -12 В). Как только напряжение на конденсаторе (оно же — напряжение на инвертирующем входе) сравняется с пороговым напряжением на неинвертирующем входе, происходит изменение выходного напряжения на противоположное и процесс повторяется снова. Для расчета необходимо найти пороговые напряжения компаратора (это рассмотрено в разделе 11.8) и напряжение на конденсаторе, которое описывается выражением:

Для определения периода колебаний будем считать, что в начальном состоянии напряжение на конденсаторе равно пороговому, а выходное напряжение имеет соответствующее значение напряжения ограничения (например, +12 В). Далее необходимо рассмотреть процесс заряда конденсатора и определить напряжение на неинвертирующем входе. Пример решения задачи. Задача 1
Файл с11_116.са4 Дано: Значение напряжения на выходе изменяется в диапазоне от -12 В до +12 В. Найти: Частоту работы мультивибратора, построить осциллограммы напряжений Uвых, Uc.

Расчет 1). Найдем пороги срабатывания по методу узловых потенциалов:

Un1=7B, Uп2=-5B, т = 0.1 мкФ10к = 1 мс. 2). Интервал Ti (процесс заряда конденсатора до напряжения, равного Uп1).


3). Интервал Т2 (процесс разряда конденсатора до напряжения Uп1).

По полученным результатам расчета можно построить графики временных зависимостей входного и выходного напряжений, которые удобно будет сравнивать с экспериментальными результатами (рис. 11.48).
Экспериментальная проверка результатов расчета Предоставим читателю возможность самому убедиться в степени совпадения расчета и эксперимента по представленным нарис. 11.49 осциллограммам.

Задачи для самостоятельного исследования Реакция дифференцирующего ОУ на одиночный импульс
Задача 1.(с11_105)
Дано: Положительный импульс прямоугольной формы, амплитудой 5 В, длительностью 1 мс, подан на вход схемы. Найти: Напряжение u(t) на выходе.

Задача 2. (с11_106)
Дано: Положительный импульс прямоугольной формы, амплитудой 6 В, длительностью 5 мс, подан на вход схемы Найти: Напряжение u(t) на выходе.

Задача 3.(с11_107)
Дано: Положительный импульс прямоугольной формы, амплитудой 8 В, длительностью 5 мс, подан на вход схемы. Найти: Напряжение u(t) на выходе.

Задача 4. (cll_108.ca4)
Дано; Положительный импульс прямо- угольной формы, амплитудой 8 В, длительностью 2 мс, подан на вход схемы. Найти: Напряжение U(t) на выходе схемы.

Задача 5. (с11_109. ca4 )
Дано: Положительный импульс прямоугольной формы, амплитудой 12 В, длительностью 4 мс, подан на вход схемы. Найти: Значение U(t) на выходе схемы.

Задача 6 (с11_110. ca4)
Дано: Положительный импульс прямоугольной формы, амплитудой 12 В, длительностью 4 мс, подан на вход схемы. Найти: Значение U(t) на выходе схемы.

Файлы с11 111...с11_115 с задачами 4...11 размещены на прилагаемой к книге дискете.
Работа мультивибратора
Задача 1.(с11_116)
Дано: Значение напряжения на выходе изменяется в диапазоне от -12 В до +12 В. Найти: Частоту импульсов на выходе мультивибратора, построить графики напряжения на выходе схемы и на конденсаторе.

Задача 2. (с11_117)
Дано: Значение напряжения на выходе изменяется в диапазоне от -12 В до +12 В. Найти: Частоту импульсов на выходе мультивибратора, построить графики напряжения на выходе схемы и на конденсаторе.

Задача 3. (с11_118)
Дано: Значение напряжения на выходе изменяется в диапазоне от -12 В до +12 В. Найти: Частоту импульсов на выходе мультивибратора, построить графики напряжения на выходе схемы и на конденсаторе.

Задача 4. (cll_119.ca4)
Дано: Значение напряжения на выходе изменяется в диапазоне от -12 В до 4-12 В. Найти: Частоту работы мультивибратора, построить осциллограммы напряжений Uвых, Uc.

Задача 5. (с11_120. ca4)
Дано: Значение напряжения на выходе изменяется в диапазоне от -12 В до +12 В. Найти: Частоту работы мультивибратора, построить осциллограммы напряжений Uвых, Uc.

Задача 6. (с11_121. ca4)
Дано: Значение напряжения на выходе изменяется в диапазоне от -12 В до +12 В. Найти: Частоту работы мультивибратора, построить осциллограммы напряжений Uвых, Uc.

Файлы с11_122...с11_127 с задачами 4...12 размещены на прилагаемой к книге дискете.
Неинвертирующие усилители
Цель1. Измерение коэффициента усиления неинвертирующего усилителя на ОУ
2. Определение разности фаз между выходным и входным синусоидальным напряжением ОУ.
3. Исследование влияния коэффициента усиления усилителя на постоянную составляющую выходного напряжения.

Краткие сведения из теории Коэффициент усиления схемы неинвертирующего усилителя на ОУ (рис. 11.5) вычисляется по формуле:

Постоянная составляющая выходного напряжения усилителя Новых определяется произведением напряжения смещения Ucm на коэффициент усиления схемы Ку:

Порядок проведения экспериментов
Эксперимент 1. Работа неинвертирующего усилителя в режиме усиления синусоидального напряжения.
Откройте файл с11_005 со схемой, изображенной на рис. 11.5. Рассчитайте коэффициент усиления напряжения Ку усилителя по заданным значениям параметров компонентов схемы. Включите схему. Измерьте амплитуды входного Uвх и выходного Uвых синусоидальных напряжений. Также измерьте постоянную составляющую выходного напряжения Uовых и разность фаз между входным и выходным напряжениями. По результатам измерений вычислите коэффициент усиления по напряжению Ку усилителя. Результаты занесите в раздел "Результаты экспериментов". Используя значение напряжения смещения Uсм, вычисленное в разделе 11.1, и вычисленное теоретическое значение коэффициента усиления, вычислите постоянную составляющую выходного напряжения Uовых Результаты расчета также занесите в раздел "Результаты экспериментов".

Эксперимент 2. Исследование влияния параметров схемы на режим её работы.
В схеме, приведенной на рис. 11.5, уменьшите значение сопротивления R1 с 100кОм до 10кОм, амплитуду синусоидального напряжения генератора увеличьте до 100 мВ. Установите масштаб напряжения на входе А осциллографа 100 mV/div, а на канале В - 500 mV/div. Включите схему. Повторите все операции эксперимента 1 при новых параметрах компонентов. Результаты занесите в раздел "Результаты экспериментов".
Результаты экспериментов
Эксперимент 1. Работа неинвертирующего усилителя в режиме усиления синусоидального напряжения.

Эксперимент 2. Исследование влияния параметров схемы на режим её работы.

Вопросы
1. Из каких условий выводится выражение для коэффициента усиления схемы нарис. 11.57
2. Какова разность фаз между входным и выходным сигналами неинвертирующего усилителя на ОУ?
3. Существенно ли различие в значениях измеренной и вычисленной постоянной составляющей выходного напряжения схемы на рис. 11.5?
4. Чем определяется постоянная составляющая выходного напряжения схемы на puc. 11.5?
5. С помощью какого прибора Electronics Workbench можно экспериментально измерить коэффициент усиления схемы на ОУ?
Компараторы
Цель1. Исследование схем детекторов нулевого уровня.
2. Исследование схем детекторов ненулевого уровня.

Краткие сведения из теории
Функциональное назначение компаратора заключается в изменении состояния выхода при переходе входным напряжением некоторого порогового значения. В качестве компаратора может применяться ОУ. При этом ОУ работает преимущественно в области положительного или отрицательного ограничения выходного напряжения, проходя область усилительного режима только вблизи порога. В данном разделе исследуются основные схемы компараторов, построенных на базе операционных усилителей. На рис. 11.7 и 11.8 приведены схемы и виды характеристик детекторов нулевого уровня, имеющих близкое к нулю пороговое напряжение. Схемы различаются способом подачи входного сигнала на вход ОУ. Использование разных входов ОУ для подачи входного сигнала позволяет реализовать фиксацию уровня входного напряжения положительным или отрицательным перепадом напряжения на выходе компаратора.


На рисунках приводится вид характеристики "выход-вход". По вертикальной оси откладывается выходное напряжение, по горизонтальной оси - входное. Наклон характеристик вызван конечной скоростью нарастания выходного напряжения. На рис. 11.9 и 11.10 приведены схемы и виды характеристик детекторов положительного и отрицательного уровней входного напряжения. Пороговый уровень входного напряжения в этих схемах задается величиной напряжения смещения, подаваемого на инвертирующий вход ОУ. Напряжение смещения может задаваться стабилитроном, как показано на рис. 11.11.



Максимальное и минимальное значение выходного напряжения может задаваться при помощи внешних элементов. На рис. 11.12 приведена схема детектора нулевого напряжения с фиксацией уровней выходного напряжения при помощи стабилитрона. Компаратор, показанный на рис. 11.13, позволяет фиксировать наличие входного напряжения в определенном диапазоне значений. Если входное напряжение изменяется в пределах пороговых значений, устанавливаемых внешними элементами, то выходное напряжение имеет низкий уровень. При выходе за установленные пределы пороговых значений выходное напряжение изменяется на высокий уровень. При работе с компараторами могут возникнуть неприятности, проявляющиеся в том, что вместо однократного изменения уровня выходного напряжения при достижении входным напряжением порогового значения, могут иметь место быстрые колебания между уровнями выходного напряжения, особенно в том случае, когда во входном сигнале присутствует значительный шум. При таком явлении может нарушиться нормальное функционирование некоторых типов схем. Можно избежать этого, если характеристика компаратора имеет гистерезис. Одной из схем такого рода является триггер Шмитта. Схема и её характеристика представлена на рис. 11.14. Для идеального ОУ, имеющего одинаковые напряжения ограничения, положительное значение входного порогового напряжения может быть вычислено по формуле:



Отрицательное значение входного порогового напряжения определяется выражением:

где Е - напряжение ограничения ОУ. Для всех рассмотренных схем анализ их работы можно осуществить по двум характеристикам. Первая из них представляет собой характеристику вход-выход и устанавливает соотношения между входным и выходным напряжением схемы в статическом режиме. Для наблюдения такой характеристики на экране осциллографа необходимо сигнал с канала, подключенного к выходу схемы, откладывать по вертикальной оси, а сигнал с канала, подключенного ко входу схемы, - по горизонтальной оси, на вход схемы подается синусоидальное напряжение. Динамику переключения выходного напряжения схемы можно проследить по осциллограммам входного и выходного напряжения. При снятии этой характеристики на вход схемы подается синусоидальное напряжение и двухлучевым осциллографом фиксируется входное и выходное напряжение.

Порядок проведения экспериментов
Эксперимент 1. Исследование характеристик детектора нулевого уровня с подачей сигнала на неинвертирующий вход ОУ. а). Характеристика выход-вход. Откройте файл с11_007 со схемой, изображенной на рис. 11.15. Включите схему. В полученной на экране характеристике отклонение луча по оси Y (канал В) определяется выходным напряжением Uвых- а по оси Х (канал А) - входным Uвх. Зарисуйте характеристику выход-вход в разделе "Результаты экспериментов" и по характеристике определите пороговое напряжение.

б). Осциллограммы входного и выходного напряжения. Переведите осциллограф в режим Y/T, установите масштаб напряжения на входе А 2 V/div. Включите схему. Зарисуйте полученные осциллограммы входного Uвх и выходного Uвых напряжения в разделе "Результаты экспериментов". Определите пороговое значение входного напряжения Uвх и сравните его со значением, определенным в предыдущем пункте. Значение порогового напряжения запишите в раздел "Результаты экспериментов".
Эксперимент 2. Исследование характеристик детектора нулевого уровня с подачей сигнала на инвертирующий вход ОУ. а). Характеристика выход-вход. Откроите файл с11_008 со схемой, изображенной на рис. 11.16. Включите схему. Зарисуйте характеристику выход-вход в разделе "Результаты экспериментов" и по характеристике определите пороговое напряжение.

б). Осциллограммы входного и выходного напряжения. Переведите осциллограф в режим Y/T, установите масштаб напряжения на входе А 2 V/div. Включите схему. Зарисуйте полученные осциллограммы входного Uвх и выходного Uвых напряжения в разделе "Результаты экспериментов". Определите пороговое значение входного напряжения Uвх и сравните его со значением, определенным в предыдущем пункте. Значение порогового напряжения запишите в раздел "Результаты экспериментов".
Эксперимент 3. Исследование характеристик компаратора с положительным опорным напряжением. а). Характеристика выход-вход. Откройте файл с11_009 со схемой, изображенной на рис. 11.17. Включите схему. Зарисуйте характеристику выход-вход в разделе "Результаты экспериментов" и по характеристике определите пороговое напряжение.
б). Осциллограммы входного и выходного напряжения. Переведите осциллограф в режим Y/T, установите масштаб напряжения на входе А 2 V/div. Включите схему. Зарисуйте полученные осциллограммы входного Uвх и выходного Uвых напряжения в разделе "Результаты экспериментов". Определите пороговое значение входного напряжения Uвх и сравните его со значением, определенным в предыдущем пункте. Значение порогового напряжения запишите в раздел "Результаты экспериментов".

Эксперимент 4. Исследование характеристик компаратора с отрицательным опорным напряжением.
а). Характеристика выход-вход. Откроите файл с11_010 со схемой, изображенной на рис. 11.18. Включите схему. Зарисуйте характеристику выход-вход в разделе "Результаты экспериментов" и по характеристике определите пороговое напряжение. б). Осциллограммы входного и выходного напряжений. Переведите осциллограф в режим Y/T, установите масштаб напряжения на входе А 2 V/div. Включите схему. Зарисуйте полученные осциллограммы входного Uвх и выходного Uвых напряжения в разделе "Результаты экспериментов". Определите пороговое значение входного напряжения Uвх и сравните его со значением, определенным в предыдущем пункте. Значение порогового напряжения запишите в раздел "Результаты экспериментов".

Эксперимент 5. Исследование характеристик компаратора с опорным напряжением, задаваемым стабилитроном. а). Характеристика выход-вход. Откройте файл с11_011 со схемой, изображенной на рис. 11.19. Включите схему. Зарисуйте характеристику выход-вход в разделе "Результаты экспериментов" и по характеристике определите пороговое напряжение. б). Осциллограммы, входного и выходного напряжения. Переведите осциллограф в ре-

жим Y/T, установите масштаб напряжения на входе А 2 V/div. Включите схему. Зарисуйте полученные осциллограммы входного Uвх и выходного Uвых напряжения в разделе "Результаты экспериментов". Определите пороговое значение входного напряжения Uвх и сравните его со значением, определенным в предыдущем пункте, а также с напряжением стабилизации стабилитрона. Значение порогового напряжения запишите в раздел "Результаты экспериментов". Эксперимент 6. Исследование характеристик компаратора с фиксацией выходного напряжения. а). Осциллограммы входного и выходного напряжения. Откройте файл с11_012 со схемой, изображенной на рис. 11.20. Включите схему. Зарисуйте полученные осциллограммы входного и выходного напряжения в разделе "Результаты экспериментов". По осциллограммам определите уровни выходного напряжения и пороговое напряжение. б). Осциллограммы входного и выходного напряжения при обратном включении стабилитрона. В схеме рис. 11.20 измените направление включения стабилитрона на обратное. Включите схему. Повторите операции пункта а) и занесите результаты в раздел "Результаты экспериментов".

Эксперимент 7. Исследование характеристик компаратора с фиксированной зоной входного напряжения. а). Осциллограммы входного и. выходного напряжения. Откройте файл с11_013 со схемой, изображенной на. рис. 11.21. Включите схему. Зарисуйте полученные осциллограммы входного Uвх и выходного Uвых напряжения в разделе "Результаты экспериментов". Определите пороговые напряжения Uнижн и Uверхн-

Эксперимент 8. Исследование характеристик триггера Шмитта. а). Характеристика выход-вход. Откройте файл с11_014 со схемой, изображенной на рис. 11.22. Включите схему. Зарисуйте характеристику выход-вход в разделе "Результаты экспериментов" и по характеристике определите верхнее и нижнее значение порогового напряжения.

б). Осциллограммы входного и выходного напряжения. Переведите осциллограф в режим Y/T, установите масштаб напряжения на входе А 2 V/div. Включите схему. Зарисуйте полученные осциллограммы входного Uвх и выходного Uвых напряжения в разделе "Результаты экспериментов". По осциллограммам определите значения пороговых напряжений и сравните их со значениями, определенными в предыдущем пункте. Значения пороговых напряжений запишите в раздел "Результаты экспериментов".
Результаты экспериментов Эксперимент 1. Исследование характеристик детектора нулевого уровня с подачей сигнала на неинвертирующий вход ОУ.
а). Характеристика выход-вход.

6). Осциллограммы.


Эксперимент 2. Исследование характеристик детектора нулевого уровня с подачей сигнала на инвертирующий вход ОУ.
а). Характеристика выход-вход

б). Осциллограммы.


Эксперимент 3. Исследование характеристик компаратора с положительным опорным напряжением.
а). Характеристика выход-вход

б). Осциллограммы.


Эксперимент 4. Исследование характеристик компаратора с отрицательным опорным напряжением.
а). Характеристика выход-вход.

б). Осциллограммы.


Эксперимент 5. Исследование характеристик компаратора с опорным напряжением, задаваемым стабилитроном.
а). Характеристика выход-вход.

б). Осциллограммы.


Эксперимент 6. Исследование характеристик компаратора с фиксацией выходного напряжения.


а). Осциллограммы при прямом включении стабилитрона.

б). Осциллограммы при обратном включении стабилитрона.

Эксперимент 7. Исследование характеристик компаратора с фиксированной зоной входного напряжения. а). Осциллограммы.


Эксперимент 8. Исследование характеристик триггера Шмитта.

а). Характеристика выход-вход.

б). Осциллограммы.

Вопросы
1. Каковы особенности применения ОУ в схемах компараторов?
2. Перечислите способы построения схем детекторов положительного уровня входного напряжения.
3. Чем определяется точность задания порогов входного напряжения в схемах детекторов уровня на основе ОУ?
4. На чем основана работа компаратора с фиксированной зоной входного напряжения?
5. Можно ли в компараторе на основе триггера Шмитта сделать уровни порогов входного напряжения разными? Если да, то каким образом?
Суммирование напряжений в схемах на ОУ
Цель1. Анализ работы схемы суммирующего усилителя на ОУ.
2. Исследование суммирования двух постоянных входных напряжений.
3. Исследование суммирования постоянного и переменного входного напряжения.
4. Исследование суммирования двух переменных входных напряжений.

Краткие сведения из теории В суммирующем усилителе, показанном на рис. 11.23, пренебрегая входными токами и напряжением смещения, выполняются следующие соотношения:

Из полученных соотношений можно получить следующее выражение для выходного напряжения:

Последнее выражение справедливо при R = R1 = R2. Порядок проведения экспериментов Эксперимент 1. Суммирование постоянных напряжении. а). Откройте файл с11_015 со схемой, изображенной на рис. 11.23. Включите схему. Запишите показания приборов в раздел "Результаты экспериментов". б). По заданным номиналам элементов схемы рассчитайте значения токов I1, l2, loc и, используя значения напряжений U1 и U2, вычислите выходное напряжение Uвыx. Результаты запишите в раздел "Результаты экспериментов".

Эксперимент 2. Суммирование постоянного и переменного напряжения. а). Откройте файл с11_016 со схемой, изображенной на рис. 11.24. Включите схему. Зарисуйте осциллограммы входного и выходного напряжения в разделе "Результаты экспериментов". Измерьте постоянную составляющую и амплитуду выходного напряжения Uвых Вычислите постоянную составляющую и амплитуду выходного напряжения Uвых используя значения напряжений U1 и U2. Результаты запишите в раздел "Результаты экспериментов".

б). Установите значение сопротивления R2 равным 2.5 кОм. Включите схему. Зарисуйте осциллограммы входного и выходного напряжения в разделе "Результаты экспериментов". Измерьте постоянную составляющую и амплитуду выходного напряжения Uвых- Вычислите постоянную составляющую и амплитуду выходного напряжения Uвых- используя значения напряжений U1 и U2. Результаты запишите в раздел "Результаты экспериментов". Эксперимент 3. Суммирование переменных напряжений. а). Откройте файл с11_017 со схемой, изображенной на рис. 11.25. Включите схему. Зарисуйте осциллограммы входного и выходного напряжения в разделе "Результаты экспериментов". Измерьте амплитуды входных и выходного напряжения. Вычислите амплитуду выходного напряжения Uвых по известным значениям амплитуд напряжений U1 и U2. Результаты запишите в раздел "Результаты экспериментов".

Результаты экспериментов Эксперимент 1. Суммирование постоянных напряжений. Напряжение первого суммируемого сигнала U1 = 5 В, Напряжение второго суммируемого сигнала U2 = 3 В.

Эксперимент 2. Суммирование постоянного и переменного напряжения. а). Сопротивление R2=5 кОм. Осциллограммы входного и выходного напряжения.



Осциллограммы входного и выходного напряжения

Эксперимент 3. Суммирование переменных напряжений. Осциллограммы входного и выходного напряжения


Вопросы
1. Объясните влияние напряжения смещения ОУ на ошибку суммирования постоянных напряжений в схеме карие. 11.23.
2. Из каких условий выводится соотношение между входным и выходным напряжением в схеме сумматора на основе ОУ?
3. Как можно реализовать схему для суммирования трех или более входных напряжений?
4. Как изменятся основные соотношения для схемы рис. 11.23, если на неинвертирующий вход ОУ подать постоянное напряжение?
5. Перечислите возможные способы изменения коэффициентов суммирования сигналов в схеме рис. 11.23. 6. При каких ограничениях на входные сигналы схема сумматора работает в линейном режиме?
Схемы компараторов
Методические указанияСхема компаратора на ОУ, охваченном положительной обратной связью, приведена на рис. 11.36. В задачах требуется найти выходное напряжение как функцию входного. Так как компаратор имеет, как известно, гистерезис, то рекомендуется сначала рассмотреть поведение схемы при нарастании входного напряжения, а затем — при убывании. Рассмотрим сначала случай, когда входное напряжение меньше напряжения отрицательного питания. Например, пусть напряжение на входе составляет - 100 В (оговоримся, что такая величина приемлема лишь теоретически, на практике необходимо учитывать предельно допустимое входное напряжение). Очевидно, что выходное напряжение в этом случае будет равно положительному напряжению ограничения, поскольку напряжение на инвертирующем входе ниже напряжения на неинвертирующем входе. Теперь можно найти конкретное значение напряжения на неинвертирующем входе. Это облегчается тем, что входной ток ОУ принимается равным нулю, а его входное сопротивление - бесконечности. Полученная величина напряжения на неинвертирующем входе является искомым порогом срабатывания. Действительно, компаратор срабатывает (то есть изменяет своё выходное напряжение от уровня близкого к +12 В до уровня примерно - 12 В) в том случае, когда напряжения на инвертирующем и неинвертирующем входе будут примерно равны. Далее, по аналогии с изложенным выше, необходимо рассмотреть случай изменения входного напряжения в обратном направлении. Для этого сначала необходимо допустить, что входное напряжение имеет значительную положительную величину. Повторив предыдущие рассуждения, придем к выводу, что выходное напряжение компаратора равно -12 В. Затем определим напряжение на неинвертирующем входе, оно и будет пороговым. В задачах, схемы которых находятся в файлах с11_096...11_099, используются диоды. Их следует считать идеальными. Это означает, что прямое падение напряжения и обратный ток диода равны нулю. Рассмотрим пример решения задачи. Задача 1
Файлс11_088 Дано: Значение напряжения на выходе изменяется в диапазоне от -12 В до +12 В. Найти: Зависимость выходного напряжения от входного напряжения и построить график этой зависимости.

Расчет Пороговые напряжения вычисляются по методу узловых потенциалов и равны:

Ответ. Зависимость выходного напряжения от входного имеет гистерезисный характер. Пороговое напряжение при нарастании входного напряжения равно 8 В, при убывании - О В. График зависимости приведен на рис. 11.38.
Экспериментальная проверка результатов расчета
Измерить пороговые напряжения можно по осциллограммам входного и выходного напряжений (рис. 11.39), курсоры на экране осциллографа выставлены на моменты времени, соответствующие пороговым напряжениям. На табло молено прочесть значения порогов, положительное и отрицательное напряжения ограничения для ОУ. На puc. 11.40 приведена характеристика выход-вход, полученная в режиме В/А, на которой также можно видеть пороговые напряжения в точках пересечения характеристики с осью абсцисс. Наклон линий, соответствующих переключениям компаратора, вызван конечной скоростью нарастания выходного напряжения операционного усилителя.




Задачи для самостоятельного исследования
Задача 1.(с11_088) Дано: Значение напряжения на выходе изменяется в диапазоне от -12 В до +12 В. Найти: График выходного напряжения как функцию от входного напряжения.

Задача 2. (с11_089) Дано: Значение напряжения на выходе изменяется в диапазоне от-12 В до +12 В. Найти: График выходного напряжения как функцию от входного напряжения.

Задача 3. (cll_090.ca4) Дано: Значение напряжения на выходе изменяется в диапазоне от -12 В до +12 В. Найти: График выходного напряжения как функцию от входного напряжения.

Задача 4. (с11_091) Дано: Значение напряжения на выходе изменяется в диапазоне от -12 В до +12 В. Найти: График выходного напряжения как функцию от входного напряжения.

Файлы с11_092...с11_099 с задачами 5...12 размещены на прилагаемой к книге дискете.
Дифференцирующие и интегрирующие схемы на основе ОУ
11.6. Дифференцирующие и интегрирующие схемы на основе ОУЦель
1. Исследование схемы интегратора на ОУ.
2. Анализ влияния входных воздействий на выходной сигнал интегратора.
3. Исследование влияния параметров элементов интегратора на выходной сигнал.
4. Исследование схемы дифференциатора на ОУ.
5. Анализ влияния входных воздействий на выходной сигнал дифференциатора.
6. Исследование влияния параметров элементов дифференциатора на выходной сигнал.

Краткие сведения из теории На основе ОУ можно построить почти идеальные интеграторы. На рис. 11.26 показана простейшая схема, выполняющая эту функцию. Ее выходное напряжение Uвых связано с входным напряжением Uвх следующими соотношениями:

Недостатком этой схемы является дрейф выходного напряжения, обусловленный напряжением смещения и входными токами ОУ. Это нежелательное явление можно ослабить, если к конденсатору С подключить резистор R2 с большим сопротивлением (рис. 11.27), обеспечивающий стабилизацию рабочей точки за счет обратной связи по постоянному току. Резистор обратной связи R2 предотвращает также на-


сыщение ОУ поели заряда конденсатора, когда ток через конденсатор станет равным нулю. Выходное напряжение этой схемы при подаче на нее скачка входного напряжения амплитудой Uвх изменяется в соответствии с выражением:

На начальном интервале переходного процесса при t<

Для схемы дифференциатора (рис. 11.28) выходное напряжение Uвых пропорционально скорости изменения входного сигнала и вычисляется по формуле:

Порядок проведения экспериментов
Эксперимент 1. Переходный процесс в схеме интегратора. Откройте файл с11_018 со схемой, изображенной нарис. 11.29. Включите схему. Зарисуйте осциллограммы входного и выходного напряжения схемы при подаче на вход напряжения в виде последовательности прямоугольных импульсов в разделе "Результаты экспериментов". Измерьте амплитуду входного напряжения и определите по осциллограмме скорость изменения выходного напряжения. Для установившегося процесса измерьте амплитуду выходного напряжения. Результаты запишите в раздел "Результаты экспериментов".
Эксперимент 2. Влияние амплитуды входного напряжения на переходный процесс в схеме интегратора. В схеме, изображенной на рис. 11.29, установите амплитуду генератора равной 2 В и установите масштаб напряжения на входах А и В осциллографа 2 V/div. Включите схему. Зарисуйте осциллограммы входного и выходного напряжения в разделе "Результаты экспериментов". Измерьте амплитуду входного напряжения и определите по осциллограмме скорость изменения выходного напряжения. Сравните осциллограммы выходного напряжения, полученного в этом и предыдущем экспериментах. Для установившегося процесса измерьте амплитуду выходного напряжения. Результаты занесите в раздел "Результаты экспериментов".
Эксперимент 3. Влияние параметров схемы на переходный процесс в схеме интегратора. а) В схеме рис. 11.29 установите сопротивление R1 равным 5 кОм, амплитуду генератора 5 В. Включите схему. Зарисуйте осциллограммы входного и выходного напряжения в разделе "Результаты экспериментов". Запишите амплитуду входного напряжения и определите по осциллограмме скорость изменения выходного напряжения в начале процесса. Сравните осциллограмму выходного напряжения, полученную в данном эксперименте с осциллограммой, полученной в эксперименте 1.

б). В схеме рис. 11.29 установите емкость конденсатора равной 0.02 мкф. Включите схему. Зарисуйте осциллограммы входного и выходного напряжения в разделе "Результаты экспериментов". Запишите амплитуду входного напряжения и определите по осциллограмме скорость изменения выходного напряжения в начале процесса. Сравните осциллограмму выходного напряжения, полученную в данном эксперименте, с осциллограммой, полученной в эксперименте 1.
Эксперимент 4. Переходный процесс в схеме дифференциатора на ОУ. а). Откройте файл с11_019 со схемой, изображенной на рис. 11.30. Включите схему. Зарисуйте осциллограммы входного и выходного напряжения в разделе "Результаты экспериментов". По полученным осциллограммам определите скорость изменения входного напряжения и амплитуду выходного напряжения, результат запишите в раздел "Результаты экспериментов". б). По заданным параметрам схемы и наиденному значению скорости изменения входного напряжения рассчитайте амплитуду выходного напряжения. Результат запишите в раздел "Результаты экспериментов".
Эксперимент 5. Влияние частоты входного напряжения на выходное напряжение дифференциатора. а). В схеме рис. 11.30 установите частоту генератора равной 2 кГц. Включите схему. Зарисуйте осциллограммы входного и выходного напряжения в разделе "Результаты экспериментов". По полученным осциллограммам определите скорость изменения входного напряжения и амплитуду выходного напряжения. Результаты запишите в раздел "Результаты экспериментов". Сравните осциллограмму выходного напряжения, полученную в данном эксперименте, с осциллограммой, полученной в эксперименте 4. б). По заданным параметрам схемы и найденному значению скорости изменения входного напряжения рассчитайте амплитуду выходного напряжения. Результат запишите в раздел "Результаты экспериментов".

Эксперимент 6. Влияние сопротивления в цепи обратной связи на выходное напряжение дифференциатора. а). В схеме рис. 11.30 восстановите начальную частоту генератора, а величину сопротивления в цепи обратной связи установите равной 10 кОм. Включите схему. Зарисуйте осциллограммы входного и выходного напряжения в разделе "Результаты экспериментов". По полученным осциллограммам определите скорость изменения входного напряжения и амплитуду выходного напряжения. Результат запишите в раздел "Результаты экспериментов". Сравните осциллограмму выходного напряжения, полученную в данном эксперименте, с осциллограммой, полученной в эксперименте 4. б). По заданным параметрам схемы и найденному значению скорости изменения входного напряжения рассчитайте амплитуду выходного напряжения. Результат запишите в раздел "Результаты экспериментов".
Эксперимент 7. Влияние емкости конденсатора на выходное напряжение дифференциатора. а). В схеме рис. 11.30 восстановите первоначальные значения параметров схемы, а величину емкости конденсатора установите равной 0.1 мкФ. Включите схему. После установления процесса зарисуйте осциллограммы входного и выходного напряжения в разделе "Результаты экспериментов". По полученным осциллограммам определите скорость изменения входного напряжения и амплитуду выходного напряжения. Результат запишите в раздел "Результаты экспериментов". Сравните осциллограмму выходного напряжения, полученную в данном эксперименте, с осциллограммой, полученной в предыдущем эксперименте. б). По заданным параметрам схемы и найденному значению скорости изменения входного напряжения рассчитайте амплитуду выходного напряжения. Результат запишите в раздел "Результаты экспериментов".
Результаты экспериментов
Эксперимент 1. Переходный процесс в схеме интегратора. Осциллограммы входного и выходного напряжений


Эксперимент 2. Влияние амплитуды входного напряжения на переходный процесс в схеме интегратора. Осциллограммы входного и выходного напряжений


Эксперимент 3. Влияние параметров схемы на переходной процесс в схеме интегратора. а). Сопротивление R1 = 5 кОм. Осциллограммы входного и выходного напряжения


б). Емкость конденсатора С = 0.02 мкф. , Осциллограммы входного и выходного 'напряжения


Эксперимент 4. Переходный процесс в схеме дифференциатора на ОУ. а).

Осциллограммы входного и выходного напряжения

б).

Эксперимент 5. Влияние частоты входного напряжения на выходное напряжение дифференциатора. а). Осциллограммы входного и выходного напряжения


Эксперимент 6. Влияние сопротивления в цепи обратной связи на выходное напряжение дифференциатора. а) Осциллограммы входного и выходного напряжения


Эксперимент 7. Влияние емкости конденсатора на выходное напряжение дифференциатора.
а) Осциллограммы входного и выходного напряжения


Вопросы
1. Сравните скорость изменения выходного сигнала в экспериментах 1 и 2.
2. Какую роль играет сопротивление R2, подключенное параллельно конденсатору в схеме на. рис. 11.29?
3. На какие параметры переходного процесса в схеме рис, 11.30 влияет величина сопротивления R2?
4. Является ли схема рис. 11.29 идеальным интегратором входного напряжения?
5. От параметров каких компонентов схемы рис. 11.29 зависит точность интегрирования входного напряжения?
6. От параметров каких компонентов схемы рис. 11.29 зависит скорость изменения выходного напряжения при подаче на вход скачка напряжения?
7. Выведите соотношение между входным и выходным напряжением для схемы рис. 11.29.
8. Выведите соотношение между входным и выходным напряжением для схемы рис.11.30.
9. Почему схема рис. 11.30 является дифференцирующим каскадом?
10.0т параметров каких компонентов схемы рис. 11.30 зависит величина выходного напряжения при подаче на вход линейно изменяющегося напряжения?
11. Зависит ли выходное напряжение дифференцирующего каскада от скорости изменения входного напряжения? Пояснить.
12. Зависит ли выходное напряжение дифференцирующего каскада от величины сопротивления в цепи обратной связи?
13.Зависит ли выходное напряжение дифференцирующего каскада рис. 11.30 от емкости конденсатора С?
14. Почему выходное напряжение дифференцирующего каскада пропорционально отрицательному значению производной входного напряжения?
Инвертирующий усилитель
11.3. Инвертирующий усилительЦель
1. Измерение коэффициента усиления инвертирующего усилителя на ОУ.
2. Определение разности фаз между выходным и входным синусоидальным напряжением ОУ
3. Исследование влияния коэффициента усиления схемы на постоянную составляющую выходного напряжения.

Краткие сведения из теории Коэффициент усиления инвертирующего усилителя на ОУ с обратной связью (рис. 11.в) вычисляется по формуле:

Знак "минус" в формуле означает, что выходное напряжение инвертирующего усилителя находится в противофазе с входным напряжением. Постоянная составляющая выходного напряжения Uовых усилителя зависит от коэффициента усиления Ку схемы и напряжения смещения Ucм и вычисляется по формуле: Uовых = UcmКy Порядок проведения экспериментов Эксперимент 1. Работа усилителя в режиме усиления синусоидального напряжения. Откроите файл с11_00б со схемой, изображенной на рис. 11.6. Рассчитайте коэффициент усиления напряжения Ку усилителя по значениям параметров компонентов схемы. Включите схему. Измерьте амплитуду входного Upx и выходного Uвых синусоидального напряжения, постоянную составляющую выходного напряжения Новых и разность фаз между входным и выходным напряжением. По результатам измерений вычислите коэффициент усиления по напряжению Ку усилителя. Результаты занесите в раздел "Результаты экспериментов". Используя значение входного напряжения смещения Ucm, полученное в разделе 11.1 и найденное значение коэффициента усиления, вычислите постоянную составляющую выходного напряжения Uовых. Результаты вычислений также занесите в раздел "Результаты экспериментов".

Эксперимент 2. Исследование влияния параметров схемы на режим её работы. Установите значение сопротивления R1 равным 10 кОм, амплитуду синусоидального напряжения генератора - 100 мВ. Установите масштаб напряжения на входе А осциллографа 100 mV/del, а на канале В - 500 mV/del. Включите схему. Для новых параметров схемы повторите все измерения и вычисления эксперимента 1. Результаты занесите в раздел "Результаты экспериментов".
Результаты экспериментов
Эксперимент 1. Работа усилителя в режиме усиления синусоидального входного сигнала.

Эксперимент 2. Исследование влияния параметров схемы на режим её работы.

Вопросы
1. Как рассчитать коэффициент усиления схемы на рис. 11.6?
2. Как измерить разность фаз между входным и выходным напряжением в схеме на рис. 11.6?
3. Оцените различия между измеренной и вычисленной постоянной составляющей выходного напряжения.
4. Сколько процентов от амплитуды выходного напряжения, измеренного в эксперименте 1, составляет постоянная составляющая в выходном напряжении?
5. Какие параметры схемы на рис. 11.6 влияют на ее коэффициент усиления?
6. Как влияет коэффициент усиления схемы рис. 11.6 на постоянную составляющую выходного напряжения?
Работа схем ОУ на переменном токе
11.9. Работа схем ОУ на переменном токеМетодические указания
В этих задачах рассматривается инвертирующий усилитель. Поскольку усилители работают в области малого сигнала, цепи можно рассчитывать как линейные. Входные сигналы являются гармоническими, поэтому процессы в цепях можно описывать в символической форме. Входная цепь и цепь обратной связи имеют при этом сопротивления комплексного характера. Рекомендуется решать эти задачи в комплексном виде. Для решения этих задач полезно предварительно ознакомиться с задачами главы 4, поскольку методики решения в обоих случаях содержат много общего. Входные сигналы, сопротивления входной цепи и обратной связи необходимо представить в комплексной форме. Выходное напряжение в этом случае получится тоже в комплексной форме. Боде-плоттер позволяет экспериментально проверить комплексные изображения выходного напряжения. В результате решения следует найти оригинал выходного напряжения во временной области и, представив выходное напряжение в виде временной зависимости, проверить решение по осциллограммам. Рассмотрим пример решения задачи.
Задача 1
Файлс11_101 Дано: Источник ЭДС е = EmSin(2pit), где Еm = 1 В, f = 1кГц. Найти: Значение напряжения u(t) на выходе.

Расчет Текст из программы комплексного калькулятора с результатами (файл с11_101.сс) ! Расчет схемы из трех пассивных элементов с одним источником ! Исходные данные F=1000 Е=0.7 R1=10е3 R2=10e3 С=0.01е-6 !Найти временную зависимость выходного напряжения Преобразуем схему к следующему виду, представленному на рис. 11.42. Конденсатор на входе никакой роли не играет, так как напряжение на нем очень близко к нулю и ток через него на рабочей частоте пренебрежимо мал. Обычно он включается параллельно входу для того, чтобы погасить высокочастотные помехи.

Текст из программы комплексного калькулятора с результатами
! Определяем токи, комплексные сопротивления на входе и в обратной связи ОУ
Операция
/ Определяем комплекс выходного напряжения
Переходя к изображению во временной области, получим:

Экспериментальная проверка результатов расчета Результаты экспериментальной проверки представлены на рис. 11.43, где можно увидеть показания и осциллографа и Боде-плоттера. Как видно из рисунка, фаза выходного напряжения, измеренная Боде-плоттером, приблизительно совпадает с расчетным значением.


Если перевести Боде-плоттер в резким MAGNITUDE, то можно будет измерить отношение амплитуд выходного и входного напряжения. Поскольку амплитуда входного напряжения по условию равна 1 В, то измеренное значение будет численно равно амплитуде выходного напряжения. При нажатии на кнопку MAGNITUDE на табло Боде-плоттера выводится значение 1.9, что совпадает с результатами расчета. Показания остальных приборов также совпадают с расчетом. На левом табло осциллографа во второй строке отражается измеренное значение амплитуды входного напряжения - 0.988 В, вольтметр на выходе схемы показывает действующее значение выходного напряжения - 1.32 В.
Задачи для самостоятельного исследования
Задача 1. (с11_101) Дано: Источник ЭДС

где Еm = 1 В, f = 1 кГц. Найти: Значение напряжения u(t) на выходе.

Задача 2. (с11_102) Дано: Источник ЭДС

Источник тока

гдеЕm=1В,Im=0.1мА, f = 1 кГц. Найти: Значение напряжения u(t) на выходе.

Задача 3.(с11_103) Дано; Источники ЭДС

где Еm = 1 В, f = 1 кГц. Найти: Значение напряжения u(t) на выходе.

Задача 4. (с11_104) Дано: Источник тока

где Im = 0.1 мА, f = 1 кГц. Найти: Значение напряжения u(t) на выходе.

При моделировании всех задач данной
Упражнения
Методические указания В задачах этого раздела рассматриваются инвертирующие и неинвертирующие усилители на основе ОУ, во входной цепи которых действует источник постоянной ЭДС Е или постоянного тока I неизвестной величины. При этом операционный усилитель находится в режиме усиления. Общая схема, по которой формулируются условия для задач данного раздела, представлена на рис. 11.31.

При расчетах следует использовать следующие допущения: так как коэффициент усиления схемы много меньше коэффициента усиления самого операционного усилителя, выход ОУ стремится к тому, чтобы разность напряжений Uвх между его входами была равна 0:

В схемах задач один из входов ОУ заземлен, поэтому потенциал другого входа также можно считать равным "нулю", следовательно:

где ЕЕ - ЭДС эквивалентного генератора, образованного источниками искомой ЭДС или тока E1, Е2 - ЭДС источников смещения, RE, R1, R2 - сопротивления в цепях смещения, UOUT - выходное напряжение, Roc - сопротивление в цепи обратной связи ОУ, IROC, IRE, IRI, 1R2 - токи через соответствующие сопротивления. Проведя преобразования, получаем:

Схемы с управляемым вручную ключом во входной цепи Разность между выходным напряжением U1i и U2 (при разомкнутом и замкнутом ключе соответственно) задана в условии. Выражая эту разность через параметры схемы до и после замыкания ключа, получим уравнение для определения неизвестной ЭДС или неизвестного тока. При составлении уравнения необходимо предварительно выяснить, в каком случае выходное напряжение больше (до или после замыкания ключа). Если выяснить это обстоятельство сложно, то рекомендуется рассмотреть оба возможных случая и для каждого из них составить уравнение. Условию задачи будет удовлетворять решение только одного уравнения. Если, например, в задаче 1 в результате решения одного из таких уравнений неизвестное напряжение Е окажется отрицательным, то это не будет соответствовать условию задачи Е > 0. Решение другого уравнения будет положительно и именно оно даст верный ответ. Рассмотрим пример решения задачи. Задача 1
Файлс11_020 Дано: При замыкании ключа [Space] показания U вольтметра V изменяются на 2 В; известно, что Е > 0. Найти: Значение источника ЭДС Е, показания вольтметра U1 до замыкания ключа и U2 после его замыкания.

Расчет Рассматриваемая схема приводится к виду, представленному на рис. 11.31 и описывается выражением (11.2). До замыкания ключа К сопротивление RE = 4 кОм образуется последовательным соединением двух сопротивлений по 2 кОм и после подстановки значений параметров компонентов схемы в уравнение (11.2) получаем выходное напряжение U1 при разомкнутом ключе:

После замыкания ключа точка 1 оказывается подключенной к делителю напряжений, который можно заменить эквивалентным генератором. Напряжение холостого хода его равно Е/2, а эквивалентное сопротивление равно сопротивлению параллельного соединения сопротивлений в плечах делителя. После подстановки параметров компонентов схемы получим выходное напряжение Ug при замкнутом ключе:

Уравнение для определения Е:

Откуда: Е=12В. Так как по условию Е>0, то полученное значение ЭДС является искомым. U1= -E/2-2 = -8 В, U2= -Е/3-2 = -6 В. Результаты расчета: Напряжение источника ЭДС Е=12В. Показания вольтметра: - при разомкнутом ключе U1 = - 8В, - при замкнутом ключе U2 = - 6В. Экспериментальная проверка результатов расчета. Результаты экспериментальной проверки, приведенные на рис. 11.33, подтверждают правильность расчета.

Схемы с реле в цепи обратной связи Как и в предыдущих задачах, во входных цепях операционного усилителя имеется контактная группа, но в задачах данного раздела эти контакты управляются не вручную, а с помощью электромагнитного реле К. На обмотку этого реле поступает выходное напряжение усилителя. Известно напряжение срабатывания реле. Неизвестно выходное напряжение усилителя, подводимое к его обмотке. Таким образом, в этих задачах заранее неизвестно состояние реле, то есть неизвестно, замкнута или разомкнута контактная группа во входной цепи усилителя. Рекомендуется определить выходное напряжение при обоих состояниях контактной группы. При этом возможно два устойчивых состояния схемы. Если и при замкнутых и при разомкнутых контактах напряжение на выходе больше напряжения срабатывания, то реле сработает и замкнет контакты. Если же в обоих состояниях напряжение на обмотке меньше напряжения срабатывания, то реле не сработает и контакты будут разомкнуты. Рассмотрим пример решения задачи.
Задача 2
Файлс11_060 Дано: Электромагнитное реле К срабатывает при напряжении на его обмотке не менее 4 В. Найти: Напряжения на выходе усилителя (при расчете прямое напряжение на диодах принять равным нулю). Следует обратить внимание на то, что в первых четырех задачах рассматривается инвертирующий усилитель, а в последующих - неинвертирующий.

Расчет 1). Определим выходное напряжение U1 схемы при разомкнутых контактах реле, подставив значения параметров схемы в (11.2):

¦-6¦ > 4 В - выходное напряжение достаточно для срабатывания реле. 2). Определим теперь выходное напряжение U2 на выходе при замкнутых контактах:

¦- 5¦ > 4 В - выходное напряжение достаточно для срабатывания реле. Следовательно, реле сработает независимо от начального состояния и выходное напряжение составит -5 В. Экспериментальная проверка результатов расчета. Результаты экспериментальной проверки, приведенные на рис. 11.34, подтверждают правильность расчета. 3. Схемы с компаратором в цепи обратной связи. В схемах, содержащихся в файлах с11_068 ... 11_083 первый операционный усилитель работает в усилительном режиме, а второй операционный усилитель работает в режиме компаратора. Его выходное напряжение, в зависимости от выходного напряжения первого усилителя, может быть равно уровню положительного (+12 В) или отрицательного (- 12 В) ограничения. Выходное напряжение компаратора поступает во входные цепи первого усилителя и в результате определяет выходное напряжение этого усилителя. В этих задачах возникает та же ситуация, что и в задачах предыдущего раздела, где электромагнитное реле дискретно изменяло напряжение во входных цепях усилителя. Компаратор в рассматриваемых задачах играет ту же роль, что и реле в задачах предыдущего раздела, и в процессе решения здесь возникает та же неопределённая ситуация - изначально неизвестно состояние компаратора (в задачах предыдущего раздела было неизвестно начальное состояние электромагнитного реле). Поскольку выходное напряжение компаратора дискретно принимает одно из двух возможных значении, для решения задач рекомендуется рассмотреть оба случая. Например, сначала можно предположить, что выходное напряжение компаратора равно +12 В. Затем необходимо определить напряжение на выходе первого усилителя. Зная это напряжение, можно найти выходное напряжение компаратора. Если оно окажется равным +12 В, то начальное предположение верно. В противном случае необходимо задаться другим значением выходного напряжения компаратора (- 12 В) и повторить все расчеты. Рассмотрим пример решения задачи. Задача 3
Фаил с11_068 Дано: Значения напряжений U1, U2 изменяются в диапазоне от-12 В до+12 В. Найти: Значения напряжений U1, U2. Расчет 1). Допустим, что U2 = -12В. Подставляя значения параметров в (11.3), получим:

Напряжение U2- на инвертирующем входе компаратора равно:

Поскольку напряжение на неинвертирующем входе U2-> U2+, начальное допущение о том, что U2 = -12 В, верно. 2). Допустим теперь, что U2=+12 В.

В этом случае начальное допущение неверно, поскольку U2- > V2+-Ответ. Напряжение U1= 5В, напряжение U2 = -12В.
Экспериментальная проверка результатов расчета Результаты экспериментальной проверки, приведенные на рис. 11.35, подтверждают правильность расчета. Схемы двухкаскадных усилителей с обратной связью Файлы с11 084 ... с11_087 содержат схемы с двумя операционными усилителями, ра ботающими в усилительном режиме. Для решения задачи рекомендуется составить уравнение для каждого операпионного усилителя и объединить эти уравнения в систему из двух уравнений с двумя неизвестны ми. В первом уравнении выходное напряжение первого усилителя U1 выражается через выходное напряжение второго усилителя U2. Во втором уравнении U2 выражается через U1. Решение системы этих уравнений позволяет найти искомое напряжение усилителей. Рассмотрим пример решения задачи. Задача 4
Файл.с11_084 Дано: Все параметры указаны в схеме Найти: Значения напряжения в точках U1, U2.

Расчет Для составления системы уравнении можно по-прежнему воспользоваться уравнением, подобным (11.2) и уравнением, составленным по методу узловых потенциалов:

После подстановки и преобразований получаем: U1=7-3.6U1-14.4; 4.6U1=-7.4; 1i=-1.61B, U2= 1.8 Ч (-1.61+4) = 4.3 В. Экспериментальная проверка результатов расчета Результаты экспериментальной проверки, приведенные непосредственно на рис. 11.36 подтверждают правильность расчета.
Задачи для самостоятельного исследования Схемы с управляемым вручную ключом во входной цепи
Задача 1.(с11_20) Дано: При замыкании ключа [Space] показания U вольтметра изменяются на 2 В; известно, что Е > 0. Найти: Значение источника ЭДС Е, показания вольтметра U1 до замыкания ключа и U2 после его замыкания.

Задача 2. (с11_021) Дано: При замыкании ключа [Space] показания U вольтметра изменяются на 3 В; известно, что Е < 0. Найти: Значение источника ЭДС Е, показания вольтметра U1 до замыкания ключа и U2 после его замыкания.

Задача 3.(с11_022) Дано: При замыкании ключа [Space] показания U вольтметра изменяются на 5 В; известно, что Е > 0. Найти: Значение источника ЭДС Е, показания вольтметра U1 до замыкания ключа и U2 после его замыкания.

Задача 4. (c11_023) Дано: При замыкании ключа [Space] показания U вольтметра изменяются на 4 В; известно, что Е < 0. Найти: Значение источника ЭДС Е, показания вольтметра U1 до замыкания ключа и U2 после его замыкания.

Задача 5. (с11_024) Дано: При замыкании ключа [Space] показания U вольтметра изменяются на 5 В; известно, что Е > 0. Найти: Значение источника ЭДС Е, показания вольтметра U1 до замыкания ключа и U2 после его замыкания.

Задача 6. (с11_025) Дано: При замыкании ключа [Space] показания U вольтметра изменяются на 2 В; известно, что Е < 0. Найти: Значение источника ЭДС Е, показания вольтметра U1 до замыкания ключа и U2 после его замыкания.

Файлы с11_026...с11_059 с задачами 7...21 помещены на прилагаемой к книге дискете.
Схемы с реле в цепи обратной связи
Задача 1.(с11_060) Дано: Электромагнитное реле К срабатывает при напряжении на его обмотке не менее 4 В (независимо от полярности). Найти: Напряжение на выходе усилителя (при расчете прямое напряжение на диодах принять равным нулю).

Задача 2. (с11_061) Дано: Электромагнитное реле К срабатывает при напряжении на его обмотке не менее 4 В (независимо от полярности). Найти; Напряжение на выходе усилителя (при расчете прямое напряжение на диодах принять равным нулю).

Задача 3.(с11_062) Дано! Электромагнитное реле К срабатывает при напряжении на его обмотке не менее 4 В (независимо от полярности). Найти: Напряжение на выходе усилителя (при расчете прямое напряжение на диодах принять равным нулю).

Задача 4. (с11_063) Дано: Электромагнитное реле К срабатывает при напряжении на его обмотке не менее 4 В (независимо от полярности). Найти: Напряжение на выходе усилителя (при расчете прямое напряжение на диодах принять равным нулю).

Файлы с11_064...с11_067 с задачами 5...8 помещены на прилагаемой к книге дискете.
Схемы, с компаратором в цепи обратной связи
Задача 1.(с11_068) Дано: Значения напряжений U1, U2 изменяются в диапазоне от-12 В до+12 В. Найти: Значения напряжений U1,U2.

Задача 2. (с11_069) Дано: Значения напряжений U1, U2 изменяются в диапазоне от-12 В до+12 В. Найти: Значения напряжений U1.U2.

Задача 3. (с11_070) Дано: Значения напряжений U1, U2 изменяются в диапазоне от-12 В до+12 В. Найти: Значения напряжений U1.U2.

Задача 4. (с11_071) Дано: Значения напряжений U1, U2 изменяются в диапазоне от-12 В до+12 В. Найти: Значения напряжений U1,U2.

Файлы с11_072...с11_083 с задачами 5...16 помещены на прилагаемой к книге дискете.
Схемы двухкаскадных усилителей с обратной связью
Задача 1. (с11_084) Дано: Значения напряжений Ul, U2 изменяются в диапазоне от-12 В до+12 В. Найти: Значения напряжений U1.U2.

Задача 3. (с11_085) Дано: Значения напряжений Ul, U2 изменяются в диапазоне от -12 В до +12 В. Найти: Значения напряжений U1,U2.

Задача 4. (с11_086) Дано: Значения напряжений Ul, U2 изменяются в диапазоне от -12 В до +12 В. Найти: Значения напряжений U1,U2.

Задача 5. (с11_087) Дано: Значения напряжений Ul, U2 изменяются в диапазоне от-12 В до+12 В. Найти: Значения напряжений U1.U2.

Электротехника и электроника
Логические схемы и функции
Цель работы1. Исследование логических схем.
2. Реализация логических функций при помощи логических элементов.
3. Синтез логических схем, выполняющих заданные логические функции.

Краткие сведения из теории
1. Аксиомы алгебры логики. Переменные, рассматриваемые в алгебре логики, могут принимать только два значения - 0 или 1. В алгебре логики определены: отношение эквивалентности (обозначается знаком =) и операции: сложения (дизъюнкции), обозначаемая знаком v, умножения (конъюнкции), обозначаемая знаком & или точкой, и отрицания (или инверсии), обозначаемая надчеркиванием или апострофом'. Алгебра логики определяется следующей системой аксиом:

2. Логические выражения. Запись логических выражений обычно осуществляют в конъюнктивной или дизъюнктивной нормальных формах. В дизъюнктивной форме логические выражения записываются как логическая сумма логических произведений, в конъюнктивной форме - как логическое произведение логических сумм. Порядок действии такой же, как и в обычных алгебраических выражениях. Логические выражения связывают значение логической функции со значениями логических переменных. 3. Логические тождества. При преобразованиях логических выражений используются логические тождества:

4. Логические функции. Любое логическое выражение, составленное из п переменных xn,xn-1... X1 с помощью конечного числа операций алгебры логики, можно рассматривать как некоторую функцию п переменных. Такую функцию называют логической. В соответствии с аксиомами алгебры логики функция может принимать в зависимости от значения переменных значение 0 или 1. Функция п логических переменных может быть определена для 2" значений переменных, соответствующих всем возможным значениям п-разряд-ных двоичных чисел. Основной интерес представляют следующие функции двух переменных х и у:






5. Логические схемы. Физическое устройство, реализующее одну из операций алгебры логики или простейшую логическую функцию, называется логическим элементом. Схема, составленная из конечного числа логических элементов по определенным правилам, называется логической схемой. Основным логическим функциям соответствуют выполняющие их схемные элементы.
6. Таблица истинности. Так как область определения любой функции п переменных конечна (2n значений), такая функция может быть задана таблицей значений f(Vi), которые она принимает в точках Vi, где i= 0,1. -.2n—1. Такие таблицы называют таблицами истинности. В таблице 12.1 представлены таблицы истинности, задающие указанные выше функции.
Таблица 12.1
i
i= 2х+у - число, образованное значениями переменных.
7. Карты Карно и диаграммы Вейча. Если число логических переменных не превышает 5-6, преобразования логических уравнений удобно производить с помощью карт Карно или диаграмм Вейча. Цель преобразований - получение компактного логического выражения (минимизация). Минимизацию производят объединением наборов (термов) на карте Карно. Объединяемые наборы должны иметь одинаковые значения функции (все 0 или все 1). Для наглядности рассмотрим пример: пусть требуется найти логическое выражение для мажоритарной функции fm трех переменных X, Y, Z, описываемой следующей таблицей истинности:
Таблица 12.2. Мажоритарная функция
N
Составим карту Карно. Она представляет собой нечто похожее на таблицу, в которой наименования столбцов и строк представляют собой значения переменных, причем переменные располагаются в таком порядке, чтобы при переходе к соседнему столбцу или строке изменялось значение только одной переменной. Например, в строке XY таблицы 12.3 значения переменных XY могут быть представлены следующими последовательностями: 00,01,11,10 и 00,10,11,01. Таблицу заполняют значениями функции, соответствующими комбинациям значений переменных. Полученная таким образом таблица выглядит, как показано ниже (таблица 12.3). Таблица 12.3. Карта Карно мажоритарной функции

На карте Карно отмечаем группы, состоящие из 2n ячеек (2, 4, 8,...) и содержащие 1, т. к. они описываются простыми логическими выражениями. Три прямоугольника в таблице определяют логические выражения XY, XZ, YZ. Каждый прямоугольник, объединяющий две ячейки, соответствует логическим преобразованиям:

Компактное выражение, описывающее функцию, представляет собой дизъюнкцию полученных при помощи карт Карно логических выражений. В результате получаем выражение в дизъюнктивной форме: fm = XY v XZ vYZ. Для реализации функции мажоритарной логики трех логических переменных необходимо реализовать схему, которая при подаче на ее входы трех сигналов формировала бы на выходе сигнал, равный сигналу на большинстве входов (2 из 3 или 3 из 3). Эта схема полезна для восстановления истинного значения сигналов, поступающих на 3 входа, если возможен отказ на одном из входов. Для реализации функции на элементах 2И-НЕ преобразуем полученное выражение в базис элементов И-НЕ, т. е. запишем выражение при помощи операций логического умножения и инверсии. Проверить справедливость каждого из приведенных выражений для fm можно прямой подстановкой значений X, Y, Z из таблицы 12.2:

Соответствующая схемная реализация приведена на рис. 12.1.

Порядок проведения экспериментов Эксперимент 1. Исследование логической функции И. а). Задание уровней логических сигналов. Откройте файл с12_01 со схемой, изображенной на рис. 12.2. В этой схеме два двухпозиционных переключателя А и В подают на входы логической схемы И уровни 0 (контакт переключателя в нижнем положении) или 1 (контакт переключателя в верхнем положении). Включите схему. Установите переключатель В в нижнее положение. Измерьте вольтметром напряжение на входе В и определите с помощью логического пробника уровень логического сигнала. Установите переключатель В в верхнее положение. Определите уровень логического сигнала и запишите показания вольтметра; укажите, какой логический сигнал формируется на выходе Y. Результаты занесите в раздел "Результаты экспериментов".

б). Экспериментальное получение таблицы истинности элемента И. Подайте на входы схемы все возможные комбинации уровней сигналов А и В и для каждой комбинации зафиксируйте уровень выходного сигнала Y. Заполните таблицу истинности логической схемы И (табл. 12.4 в разделе "Результаты экспериментов"). в). Получение аналитического выражения для функции. По таблице 12.4 составьте аналитическое выражение функции элемента И и занесите его в раздел "Результаты экспериментов".
Эксперимент 2. Исследование логической функции И-НЕ. а). Экспериментальное получение таблицы истинности логического элемента 2И-НЕ, составленного из элементов 2И и НЕ. Соберите схему, изображенную на рис. 13.3. Включите схему. Подайте на входы схемы все возможные комбинации уровней входных сигналов и, наблюдая уровни сигналов на входах и выходе с помощью логических пробников, заполните таблицу истинности логической схемы 2И-НЕ (табл. 12.5 в разделе "Результаты экспериментов").

б). Экспериментальное получение таблицы истинности логического элемента 2И-НЕ. Соберите схему, изображенную на рис. 12.4. Включите схему. Подайте на входы схемы все возможные комбинации уровней входных сигналов и, наблюдая уровни сигналов на входах и выходе с помощью логических пробников, заполните таблицу истинности логической схемы 2И-НЕ (табл. 12.6 в разделе "Результаты экспериментов"). Сравните таблицы 12.5 и 12.6 между собой.

Эксперимент 3. Исследование логической функции ИЛИ. а). Экспериментальное получение таблицы истинности логического элемента ИЛИ. Соберите схему рис. 12.5. Включите схему. Подайте на входы схемы все возможные комбинации уровней входных сигналов и, наблюдая уровни сигналов на входах и выходе с помощью логических пробников, заполните таблицу истинности логической схемы ИЛИ (табл. 12.7 в разделе "Результаты экспериментов"). б). Получение аналитического выражения для функции. По таблице 12.7 составьте аналитическое выражение функции и занесите его в раздел "Результаты экспериментов".

Эксперимент 4. Исследование логической функции ИЛИ-НЕ. а). Экспериментальное получение таблицы истинности логического элемента 2ИЛИ-НЕ, составленного из элементов 2ИЛИ и НЕ. Соберите схему, изображенную на рис. 12.6. Включите схему. Подайте на входы схемы все возможные комбинации уровней входных сигналов и, наблюдая уровни сигналов на входах и выходе с помощью логических пробников, заполните таблицу истинности логической схемы 2ИЛИ-НЕ (табл. 12.8 в разделе "Результаты экспериментов").

б). Экспериментальное получение таблицы истинности логического элемента 2ИЛИ-НЕ. Соберите схему, изображенную на рис. 12.7. Включите схему. Подайте на входы схемы все возможные комбинации уровней входных сигналов и, наблюдая уровни сигналов на входах и выходе с помощью логических пробников, заполните таблицу истинности логической схемы 2ИЛИ-НЕ (табл. 12.9 в разделе "Результаты экспериментов"). Сравните таблицы 12.8 и 12.9 между собой.

Эксперимент 5. Исследование логических схем с помощью генератора слов. а). Сведения об исследуемой микросхеме. Откройте файл с12_02 со схемой, изображенной на рис. 12,8. Включите схему. Укажите, к каким выводам микросхемы 7400 подключается источник питания, сколько элементов 2И-НЕ содержит микросхема, сколько элементов используется в данном эксперименте и как обозначены на схеме используемые входы и выходы. Заполните таблицу сведений о микросхеме (табл. 12.10 в разделе "Результаты экспериментов").

б). Экспериментальное получение таблицы истинности логического элемента 2И-НЕ. Запрограммируйте генератор слов так, чтобы на выходе генератора получать последовательно следующие комбинации:00, 01, 10, 11. Переведите генератор в режим пошаговой работы нажатием кнопки "Step" на увеличенном изображении генератора. Каждое нажатие кнопки "Step" вызывает переход к очередному слову заданной последовательности, которое подается на выход генератора. Последовательно подавая на микросхему слова из заданной последовательности, заполните таблицу истинности элемента 2И-НЕ (табл. 12.11 в разделе "Результаты экспериментов").

Эксперимент 6. Реализация логической функции 3-х переменных. а). Синтез схемы., реализующей функцию, заданную логическим выражением. Реализуйте функцию f = ab v bc на элементах 2И-НЕ.

Соберите в Electronics Workbench схему на элементах 2И-НЕ, соответствующую полученному выражению. Подключите к входам схемы генератор слов, к выходу - логический пробник. Генератор слов запрограммируйте на формирование последовательности из восьми слов, соответствующих числам от 0 до 7: 0=000; 1=001; 2=010; 3=011; 4=100; 5=101; 6=110; 7=111. В пошаговом режиме, последовательно подавая на вход полученной схемы все слова последовательности, определите при помощи логического пробника уровень сигнала на выходе схемы. По полученным результатам заполните таблицу 12.12 в разделе "Результаты экспериментов".
6). Синтез схемы, реализующей заданную функцию при помощи логического преобразователя. Для получения схемы, реализующей функцию, описываемую логическим выражением f = ab v bc , можно воспользоваться логическим преобразователем.
Для этого проделайте следующее: • вызовите логический преобразователь • введите в нижнее окно панели преобразователя логическое выражение ab v be с клавиатуры (операции ИЛИ соответствует знак +, инверсия обозначается апострофом); • для реализации схемы на элементах И-НЕ нажмите клавишу А В —> NAND на панели логического преобразователя.
Логический преобразователь выводит на рабочее поле схему, реализующую функцию, описываемую введенным логическим выражением. Полученная схема приведена на рис. 12.9. К схеме подключите генератор слов, запрограммированный на формирование восьми слов, соответствующих числам от 0 до 7: 0=000; 1=001; 2=010; 3=011; 4=100; 5=101; 6=110; 7=111. Переведите генератор слов в пошаговый режим. Включите схему. Последовательно подавая на входы схемы указанные слова и определяя уровень сигнала на выходе схемы логическим пробником, заполните таблицу истинности (табл. 12.13 в разделе "Результаты экспериментов").
Вычислите промежуточные значения и занесите их в таблицу истинности (табл. 12.13 в разделе "Результаты экспериментов"). Они определяют логические сигналы на входе третьего элемента 2И-НЕ в схеме (для контроля результатов вычисления можно к его входам подключить логические пробники).

Результаты экспериментов Эксперимент 1. Исследование логической функции И. а). Задание уровней логических сигналов.

б). Экспериментальное получение таблицы истинности элемента И, Таблица 12.4
Входы
Аналитическое выражение для функции
Эксперимент 2. Исследование логической функции И-НЕ. а). Элемент 2И-НЕ, составленный из 2И а НЕ. Таблица 12.5
Входы
Входы
Входы
Аналитическое выражение для функции

Эксперимент 4. Исследование логической функции ИЛИ-НЕ. а). Элемент ИЛИ-НЕ, составленный из ИЛИ и НЕ. Таблица 12.8
Входы
Входы
Число элементов И-НЕ в микросхеме
Bходы


Таблица 12.12
а

Вопросы
1. Что такое логическая переменная и логический сигнал? Какие значения они могут принимать?
2. Что такое логическая функция?
3. Может ли быть логическим сигналом уровень напряжения? Состояние контакта? Свечение светодиода?
4. Какая логическая функция описывает поведение системы пуска трехфазного двигателя (двигатель может быть запущен, если три датчика подтверждают наличие фазных напряжений)?
5. Датчик температуры состоит из контакта, который замыкается (размыкается) при превышении температуры. При замыкании контакта вырабатывается сигнал логической единицы, при размыкании - логического нуля. Какую схему следует использовать для обнаружения срабатывания хотя бы одного датчика пожарной сигнализации? а) при повышении температуры в датчике происходит замыкание контакта; б) при повышении температуры в датчике происходит размыкание контакта
6. Какой сигнал должен быть подан на неиспользуемые входы элемента 8И-НЕ, если требуется реализовать функцию 5И-НЕ?
7. Какой сигнал должен быть подан на неиспользуемый вход элемента 4ИЛИ-НЕ при реализации функции ЗИЛИ-НЕ?
8. В вашем распоряжении имеются логические элементы 2И-НЕ. Как на их основе сделать схему ЗИ? Достаточно ли 4-х элементов 2И-НЕ для выполнения этой задачи?
9. Как будет вести себя схема И, если на одном из входов вследствие внутренней неисправности будет постоянно присутствовать логическая единица? Логический нуль? Составьте таблицу истинности для неисправной схемы ЗИ. Определите поведение схемы И-НЕ при тех же условиях.
10. Как будет вести себя схема ИЛИ, если на одном из входов вследствие внутренней неисправности будет постоянно присутствовать логическая единица? Логический, нуль? Составьте таблицу истинности для неисправностей схемы ЗИЛИ. Определите поведение схемы ИЛИ-НЕ при тех же условиях.
Синтез и исследование логических схем
Задачи для самостоятельного исследования Задача].Разработать логические схемы для реализации частично определенных логических функции F 4-х аргументов, заданных таблицами. Каждая комбинация значений аргументов двоичных переменных ABCD отображается числом N, равным: 23D + 22C + 2'В + 2°А. Значения функций при неуказанных комбинациях значений аргументов необходимо доопределить для получения схемы с минимальным числом элементов. Минимизацию логической функции проводить с помощью карт Карно или при помощи логического преобразователя.
Разработку провести на базе следующих типов элементов и схем:
• Элементы 2И, 2ИЛИ, НЕ;
• Элементы 2И-НЕ;
• Элементы 2ИЛИ-НЕ;
• Логические схемы серии 74, содержащие указанные элементы.
Пример: таблица 12.15 соответствует таблице 12.14. Таблица 12.14
N
Таблица 12.15
N
Из карты Карно, составленной при помощи таблицы 12.15, следует, что минимальный вариант решения задачи имеет вид:

Варианты таблиц к задаче 1:
1
N
2
N
3
N
4
N
5
N
6
N
7
N
8
N
9
N
10
N
Задача 9.
Вызовите генератор слов и логический анализатор. Запрограммируйте генератор на формирование последовательности четырехразрядных слов, соответствующих числам натурального ряда от 0 до 15. Подключите его выходы к соответствующим входам схемы, приведенной на рисунке (А - младший разряд числа, D - старший). Исследуйте работу схемы в режимах "STEP" и "CYCLE".

Нарисуйте временные диаграммы сигналов на выходах всех логических элементов схемы для всех возможных комбинаций входных сигналов. Проверьте правильность выполнения задания с помощью логического анализатора. Задача 10.
Проведите анализ работы схемы, изображенной на рисунке, для чего составьте таблицы реализуемых функций, если сигнал в точке 1 воспринимается элементом ИЛИ а) как логическая 1, б) как логический 0. Выберите необходимые инструменты для проведения экспериментальной проверки схемы и определите, как воспринимается сигнал на неподключенном входе при работе базовых элементов.

Задача 11.
Определите, как изменится работа схемы, приведенной в задаче 8, если произошел обрыв во входной цепи одного из элементов И, как показано на рисунке. Изменится ли характер восприятия сигнала на оборванном входе при замене логического элемента И на ИЛИ?

Задача 12.
Проведите анализ работы логического устройства, собранного на микросхемах 7404 и 7410, показанного на рисунке. Определите, какую математическую операцию выполняет данное устройство, если комбинации логических уровней на входе рассматривать как числа. Соберите схему, подключите необходимые приборы и проведите экспериментальное исследование работы схемы.

Задача 13.
Составьте логическое выражение, описывающее работу схемы, приведенной на рисунке. Определите, какую математическую операцию выполняет данная схема. Преобразуйте схему таким образом, чтобы получить устройство для выполнения той же операции над двумя 4-разрядными числами.

Задача 14.
Разработайте схему устройства, которое формирует на выходе сигнал, равный 1 при выполнении условия N1>N2, где N1 и N2 - трехразрядные числа, определяемые комбинациями логических уровней на входах схемы. Выполните задание: а) на элементах И, ИЛИ и НЕ; б) на элементах ИСКЛЮЧАЮЩЕЕ ИЛИ, И, НЕ. Укажите, какая элементная база позволяет получить более простые схемотехнические решения устройств сравнения. Задача 15.
Разработайте схему, формирующую на выходе сигнал F из входных сигналов А, В, С, как показано на рисунке.

Соберите схему. При проверке ее работы для формирования входных сигналов используйте: а) источники логических сигналов, б) генератор слов. Задача 16.
Разработайте схему, содержащую минимально возможное число базовых элементов, работа которой описывается временными диаграммами на рисунке (А, В, С - входы, F - выход схемы).

Задача 17.
Произведите изменения в приведенной на рисунке схеме, необходимые для того, чтобы она реализовала ту же функцию, что и в задаче 16. Указание: Минимальные изменения требуют введения элемента НЕ в разрыв одной из цепей.

Задача 18.
Как можно упростить схему предыдущей задачи, чтобы выполняемая схемой функция не изменилась? Задача 19.
При монтаже схемы, приведенной на Рис. а, была допущена ошибка: вместо элемента исключающее ИЛИ был использован элемент ИЛИ (Рис. б). Найдите комбинации входных сигналов, которые позволяют выявить ошибку монтажника.

Электротехника и электроника
Логические схемы и функции
Цель работы1. Исследование логических схем.
2. Реализация логических функций при помощи логических элементов.
3. Синтез логических схем, выполняющих заданные логические функции.

Краткие сведения из теории
1. Аксиомы алгебры логики. Переменные, рассматриваемые в алгебре логики, могут принимать только два значения - 0 или 1. В алгебре логики определены: отношение эквивалентности (обозначается знаком =) и операции: сложения (дизъюнкции), обозначаемая знаком v, умножения (конъюнкции), обозначаемая знаком & или точкой, и отрицания (или инверсии), обозначаемая надчеркиванием или апострофом'. Алгебра логики определяется следующей системой аксиом:

2. Логические выражения. Запись логических выражений обычно осуществляют в конъюнктивной или дизъюнктивной нормальных формах. В дизъюнктивной форме логические выражения записываются как логическая сумма логических произведений, в конъюнктивной форме - как логическое произведение логических сумм. Порядок действии такой же, как и в обычных алгебраических выражениях. Логические выражения связывают значение логической функции со значениями логических переменных. 3. Логические тождества. При преобразованиях логических выражений используются логические тождества:

4. Логические функции. Любое логическое выражение, составленное из п переменных xn,xn-1... X1 с помощью конечного числа операций алгебры логики, можно рассматривать как некоторую функцию п переменных. Такую функцию называют логической. В соответствии с аксиомами алгебры логики функция может принимать в зависимости от значения переменных значение 0 или 1. Функция п логических переменных может быть определена для 2" значений переменных, соответствующих всем возможным значениям п-разряд-ных двоичных чисел. Основной интерес представляют следующие функции двух переменных х и у:






5. Логические схемы. Физическое устройство, реализующее одну из операций алгебры логики или простейшую логическую функцию, называется логическим элементом. Схема, составленная из конечного числа логических элементов по определенным правилам, называется логической схемой. Основным логическим функциям соответствуют выполняющие их схемные элементы.
6. Таблица истинности. Так как область определения любой функции п переменных конечна (2n значений), такая функция может быть задана таблицей значений f(Vi), которые она принимает в точках Vi, где i= 0,1. -.2n—1. Такие таблицы называют таблицами истинности. В таблице 12.1 представлены таблицы истинности, задающие указанные выше функции.
Таблица 12.1
i
i= 2х+у - число, образованное значениями переменных.
7. Карты Карно и диаграммы Вейча. Если число логических переменных не превышает 5-6, преобразования логических уравнений удобно производить с помощью карт Карно или диаграмм Вейча. Цель преобразований - получение компактного логического выражения (минимизация). Минимизацию производят объединением наборов (термов) на карте Карно. Объединяемые наборы должны иметь одинаковые значения функции (все 0 или все 1). Для наглядности рассмотрим пример: пусть требуется найти логическое выражение для мажоритарной функции fm трех переменных X, Y, Z, описываемой следующей таблицей истинности:
Таблица 12.2. Мажоритарная функция
N
Составим карту Карно. Она представляет собой нечто похожее на таблицу, в которой наименования столбцов и строк представляют собой значения переменных, причем переменные располагаются в таком порядке, чтобы при переходе к соседнему столбцу или строке изменялось значение только одной переменной. Например, в строке XY таблицы 12.3 значения переменных XY могут быть представлены следующими последовательностями: 00,01,11,10 и 00,10,11,01. Таблицу заполняют значениями функции, соответствующими комбинациям значений переменных. Полученная таким образом таблица выглядит, как показано ниже (таблица 12.3). Таблица 12.3. Карта Карно мажоритарной функции

На карте Карно отмечаем группы, состоящие из 2n ячеек (2, 4, 8,...) и содержащие 1, т. к. они описываются простыми логическими выражениями. Три прямоугольника в таблице определяют логические выражения XY, XZ, YZ. Каждый прямоугольник, объединяющий две ячейки, соответствует логическим преобразованиям:

Компактное выражение, описывающее функцию, представляет собой дизъюнкцию полученных при помощи карт Карно логических выражений. В результате получаем выражение в дизъюнктивной форме: fm = XY v XZ vYZ. Для реализации функции мажоритарной логики трех логических переменных необходимо реализовать схему, которая при подаче на ее входы трех сигналов формировала бы на выходе сигнал, равный сигналу на большинстве входов (2 из 3 или 3 из 3). Эта схема полезна для восстановления истинного значения сигналов, поступающих на 3 входа, если возможен отказ на одном из входов. Для реализации функции на элементах 2И-НЕ преобразуем полученное выражение в базис элементов И-НЕ, т. е. запишем выражение при помощи операций логического умножения и инверсии. Проверить справедливость каждого из приведенных выражений для fm можно прямой подстановкой значений X, Y, Z из таблицы 12.2:

Соответствующая схемная реализация приведена на рис. 12.1.

Порядок проведения экспериментов Эксперимент 1. Исследование логической функции И. а). Задание уровней логических сигналов. Откройте файл с12_01 со схемой, изображенной на рис. 12.2. В этой схеме два двухпозиционных переключателя А и В подают на входы логической схемы И уровни 0 (контакт переключателя в нижнем положении) или 1 (контакт переключателя в верхнем положении). Включите схему. Установите переключатель В в нижнее положение. Измерьте вольтметром напряжение на входе В и определите с помощью логического пробника уровень логического сигнала. Установите переключатель В в верхнее положение. Определите уровень логического сигнала и запишите показания вольтметра; укажите, какой логический сигнал формируется на выходе Y. Результаты занесите в раздел "Результаты экспериментов".

б). Экспериментальное получение таблицы истинности элемента И. Подайте на входы схемы все возможные комбинации уровней сигналов А и В и для каждой комбинации зафиксируйте уровень выходного сигнала Y. Заполните таблицу истинности логической схемы И (табл. 12.4 в разделе "Результаты экспериментов"). в). Получение аналитического выражения для функции. По таблице 12.4 составьте аналитическое выражение функции элемента И и занесите его в раздел "Результаты экспериментов".
Эксперимент 2. Исследование логической функции И-НЕ. а). Экспериментальное получение таблицы истинности логического элемента 2И-НЕ, составленного из элементов 2И и НЕ. Соберите схему, изображенную на рис. 13.3. Включите схему. Подайте на входы схемы все возможные комбинации уровней входных сигналов и, наблюдая уровни сигналов на входах и выходе с помощью логических пробников, заполните таблицу истинности логической схемы 2И-НЕ (табл. 12.5 в разделе "Результаты экспериментов").

б). Экспериментальное получение таблицы истинности логического элемента 2И-НЕ. Соберите схему, изображенную на рис. 12.4. Включите схему. Подайте на входы схемы все возможные комбинации уровней входных сигналов и, наблюдая уровни сигналов на входах и выходе с помощью логических пробников, заполните таблицу истинности логической схемы 2И-НЕ (табл. 12.6 в разделе "Результаты экспериментов"). Сравните таблицы 12.5 и 12.6 между собой.

Эксперимент 3. Исследование логической функции ИЛИ. а). Экспериментальное получение таблицы истинности логического элемента ИЛИ. Соберите схему рис. 12.5. Включите схему. Подайте на входы схемы все возможные комбинации уровней входных сигналов и, наблюдая уровни сигналов на входах и выходе с помощью логических пробников, заполните таблицу истинности логической схемы ИЛИ (табл. 12.7 в разделе "Результаты экспериментов"). б). Получение аналитического выражения для функции. По таблице 12.7 составьте аналитическое выражение функции и занесите его в раздел "Результаты экспериментов".

Эксперимент 4. Исследование логической функции ИЛИ-НЕ. а). Экспериментальное получение таблицы истинности логического элемента 2ИЛИ-НЕ, составленного из элементов 2ИЛИ и НЕ. Соберите схему, изображенную на рис. 12.6. Включите схему. Подайте на входы схемы все возможные комбинации уровней входных сигналов и, наблюдая уровни сигналов на входах и выходе с помощью логических пробников, заполните таблицу истинности логической схемы 2ИЛИ-НЕ (табл. 12.8 в разделе "Результаты экспериментов").

б). Экспериментальное получение таблицы истинности логического элемента 2ИЛИ-НЕ. Соберите схему, изображенную на рис. 12.7. Включите схему. Подайте на входы схемы все возможные комбинации уровней входных сигналов и, наблюдая уровни сигналов на входах и выходе с помощью логических пробников, заполните таблицу истинности логической схемы 2ИЛИ-НЕ (табл. 12.9 в разделе "Результаты экспериментов"). Сравните таблицы 12.8 и 12.9 между собой.

Эксперимент 5. Исследование логических схем с помощью генератора слов. а). Сведения об исследуемой микросхеме. Откройте файл с12_02 со схемой, изображенной на рис. 12,8. Включите схему. Укажите, к каким выводам микросхемы 7400 подключается источник питания, сколько элементов 2И-НЕ содержит микросхема, сколько элементов используется в данном эксперименте и как обозначены на схеме используемые входы и выходы. Заполните таблицу сведений о микросхеме (табл. 12.10 в разделе "Результаты экспериментов").

б). Экспериментальное получение таблицы истинности логического элемента 2И-НЕ. Запрограммируйте генератор слов так, чтобы на выходе генератора получать последовательно следующие комбинации:00, 01, 10, 11. Переведите генератор в режим пошаговой работы нажатием кнопки "Step" на увеличенном изображении генератора. Каждое нажатие кнопки "Step" вызывает переход к очередному слову заданной последовательности, которое подается на выход генератора. Последовательно подавая на микросхему слова из заданной последовательности, заполните таблицу истинности элемента 2И-НЕ (табл. 12.11 в разделе "Результаты экспериментов").

Эксперимент 6. Реализация логической функции 3-х переменных. а). Синтез схемы., реализующей функцию, заданную логическим выражением. Реализуйте функцию f = ab v bc на элементах 2И-НЕ.

Соберите в Electronics Workbench схему на элементах 2И-НЕ, соответствующую полученному выражению. Подключите к входам схемы генератор слов, к выходу - логический пробник. Генератор слов запрограммируйте на формирование последовательности из восьми слов, соответствующих числам от 0 до 7: 0=000; 1=001; 2=010; 3=011; 4=100; 5=101; 6=110; 7=111. В пошаговом режиме, последовательно подавая на вход полученной схемы все слова последовательности, определите при помощи логического пробника уровень сигнала на выходе схемы. По полученным результатам заполните таблицу 12.12 в разделе "Результаты экспериментов".
6). Синтез схемы, реализующей заданную функцию при помощи логического преобразователя. Для получения схемы, реализующей функцию, описываемую логическим выражением f = ab v bc , можно воспользоваться логическим преобразователем.
Для этого проделайте следующее: • вызовите логический преобразователь • введите в нижнее окно панели преобразователя логическое выражение ab v be с клавиатуры (операции ИЛИ соответствует знак +, инверсия обозначается апострофом); • для реализации схемы на элементах И-НЕ нажмите клавишу А В —> NAND на панели логического преобразователя.
Логический преобразователь выводит на рабочее поле схему, реализующую функцию, описываемую введенным логическим выражением. Полученная схема приведена на рис. 12.9. К схеме подключите генератор слов, запрограммированный на формирование восьми слов, соответствующих числам от 0 до 7: 0=000; 1=001; 2=010; 3=011; 4=100; 5=101; 6=110; 7=111. Переведите генератор слов в пошаговый режим. Включите схему. Последовательно подавая на входы схемы указанные слова и определяя уровень сигнала на выходе схемы логическим пробником, заполните таблицу истинности (табл. 12.13 в разделе "Результаты экспериментов").
Вычислите промежуточные значения и занесите их в таблицу истинности (табл. 12.13 в разделе "Результаты экспериментов"). Они определяют логические сигналы на входе третьего элемента 2И-НЕ в схеме (для контроля результатов вычисления можно к его входам подключить логические пробники).

Результаты экспериментов Эксперимент 1. Исследование логической функции И. а). Задание уровней логических сигналов.

б). Экспериментальное получение таблицы истинности элемента И, Таблица 12.4
Входы
Аналитическое выражение для функции
Эксперимент 2. Исследование логической функции И-НЕ. а). Элемент 2И-НЕ, составленный из 2И а НЕ. Таблица 12.5
Входы
Входы
Входы
Аналитическое выражение для функции

Эксперимент 4. Исследование логической функции ИЛИ-НЕ. а). Элемент ИЛИ-НЕ, составленный из ИЛИ и НЕ. Таблица 12.8
Входы
Входы
Число элементов И-НЕ в микросхеме
Bходы


Таблица 12.12
а

Вопросы
1. Что такое логическая переменная и логический сигнал? Какие значения они могут принимать?
2. Что такое логическая функция?
3. Может ли быть логическим сигналом уровень напряжения? Состояние контакта? Свечение светодиода?
4. Какая логическая функция описывает поведение системы пуска трехфазного двигателя (двигатель может быть запущен, если три датчика подтверждают наличие фазных напряжений)?
5. Датчик температуры состоит из контакта, который замыкается (размыкается) при превышении температуры. При замыкании контакта вырабатывается сигнал логической единицы, при размыкании - логического нуля. Какую схему следует использовать для обнаружения срабатывания хотя бы одного датчика пожарной сигнализации? а) при повышении температуры в датчике происходит замыкание контакта; б) при повышении температуры в датчике происходит размыкание контакта
6. Какой сигнал должен быть подан на неиспользуемые входы элемента 8И-НЕ, если требуется реализовать функцию 5И-НЕ?
7. Какой сигнал должен быть подан на неиспользуемый вход элемента 4ИЛИ-НЕ при реализации функции ЗИЛИ-НЕ?
8. В вашем распоряжении имеются логические элементы 2И-НЕ. Как на их основе сделать схему ЗИ? Достаточно ли 4-х элементов 2И-НЕ для выполнения этой задачи?
9. Как будет вести себя схема И, если на одном из входов вследствие внутренней неисправности будет постоянно присутствовать логическая единица? Логический нуль? Составьте таблицу истинности для неисправной схемы ЗИ. Определите поведение схемы И-НЕ при тех же условиях.
10. Как будет вести себя схема ИЛИ, если на одном из входов вследствие внутренней неисправности будет постоянно присутствовать логическая единица? Логический, нуль? Составьте таблицу истинности для неисправностей схемы ЗИЛИ. Определите поведение схемы ИЛИ-НЕ при тех же условиях.
Синтез и исследование логических схем
Задачи для самостоятельного исследования Задача].Разработать логические схемы для реализации частично определенных логических функции F 4-х аргументов, заданных таблицами. Каждая комбинация значений аргументов двоичных переменных ABCD отображается числом N, равным: 23D + 22C + 2'В + 2°А. Значения функций при неуказанных комбинациях значений аргументов необходимо доопределить для получения схемы с минимальным числом элементов. Минимизацию логической функции проводить с помощью карт Карно или при помощи логического преобразователя.
Разработку провести на базе следующих типов элементов и схем:
• Элементы 2И, 2ИЛИ, НЕ;
• Элементы 2И-НЕ;
• Элементы 2ИЛИ-НЕ;
• Логические схемы серии 74, содержащие указанные элементы.
Пример: таблица 12.15 соответствует таблице 12.14. Таблица 12.14
N
Таблица 12.15
N
Из карты Карно, составленной при помощи таблицы 12.15, следует, что минимальный вариант решения задачи имеет вид:

Варианты таблиц к задаче 1:
1
N
2
N
3
N
4
N
5
N
6
N
7
N
8
N
9
N
10
N
Задача 9.
Вызовите генератор слов и логический анализатор. Запрограммируйте генератор на формирование последовательности четырехразрядных слов, соответствующих числам натурального ряда от 0 до 15. Подключите его выходы к соответствующим входам схемы, приведенной на рисунке (А - младший разряд числа, D - старший). Исследуйте работу схемы в режимах "STEP" и "CYCLE".

Нарисуйте временные диаграммы сигналов на выходах всех логических элементов схемы для всех возможных комбинаций входных сигналов. Проверьте правильность выполнения задания с помощью логического анализатора. Задача 10.
Проведите анализ работы схемы, изображенной на рисунке, для чего составьте таблицы реализуемых функций, если сигнал в точке 1 воспринимается элементом ИЛИ а) как логическая 1, б) как логический 0. Выберите необходимые инструменты для проведения экспериментальной проверки схемы и определите, как воспринимается сигнал на неподключенном входе при работе базовых элементов.

Задача 11.
Определите, как изменится работа схемы, приведенной в задаче 8, если произошел обрыв во входной цепи одного из элементов И, как показано на рисунке. Изменится ли характер восприятия сигнала на оборванном входе при замене логического элемента И на ИЛИ?

Задача 12.
Проведите анализ работы логического устройства, собранного на микросхемах 7404 и 7410, показанного на рисунке. Определите, какую математическую операцию выполняет данное устройство, если комбинации логических уровней на входе рассматривать как числа. Соберите схему, подключите необходимые приборы и проведите экспериментальное исследование работы схемы.

Задача 13.
Составьте логическое выражение, описывающее работу схемы, приведенной на рисунке. Определите, какую математическую операцию выполняет данная схема. Преобразуйте схему таким образом, чтобы получить устройство для выполнения той же операции над двумя 4-разрядными числами.

Задача 14.
Разработайте схему устройства, которое формирует на выходе сигнал, равный 1 при выполнении условия N1>N2, где N1 и N2 - трехразрядные числа, определяемые комбинациями логических уровней на входах схемы. Выполните задание: а) на элементах И, ИЛИ и НЕ; б) на элементах ИСКЛЮЧАЮЩЕЕ ИЛИ, И, НЕ. Укажите, какая элементная база позволяет получить более простые схемотехнические решения устройств сравнения. Задача 15.
Разработайте схему, формирующую на выходе сигнал F из входных сигналов А, В, С, как показано на рисунке.

Соберите схему. При проверке ее работы для формирования входных сигналов используйте: а) источники логических сигналов, б) генератор слов. Задача 16.
Разработайте схему, содержащую минимально возможное число базовых элементов, работа которой описывается временными диаграммами на рисунке (А, В, С - входы, F - выход схемы).

Задача 17.
Произведите изменения в приведенной на рисунке схеме, необходимые для того, чтобы она реализовала ту же функцию, что и в задаче 16. Указание: Минимальные изменения требуют введения элемента НЕ в разрыв одной из цепей.

Задача 18.
Как можно упростить схему предыдущей задачи, чтобы выполняемая схемой функция не изменилась? Задача 19.
При монтаже схемы, приведенной на Рис. а, была допущена ошибка: вместо элемента исключающее ИЛИ был использован элемент ИЛИ (Рис. б). Найдите комбинации входных сигналов, которые позволяют выявить ошибку монтажника.

Электротехника и электроника
Исследование дешифраторов
Цель работы1. Ознакомление с принципом работы дешифраторов.
2. Исследование влияния управляющих сигналов на работу дешифраторов.
3. Реализация и исследование функциональных модулей на основе дешифраторов.

Краткие сведения из теории
1. Комбинационные схемы. Комбинационной схемой называется логическая схема, реализующая однозначное соответствие между значениями входных и выходных сигналов. Для реализации комбинационных схем используются логические элементы, выпускаемые в виде интегральных схем. В этот класс входят интегральные схемы дешифраторов, шифраторов, мультиплексоров, демультиплексоров, сумматоров.
В этой главе для удобства вместо схемы дешифратора используется схема демультиплексора, это возможно благодаря сходству алгоритмов работы.
2. Дешифраторы. Дешифратор - логическая комбинационная схема, которая имеет п информационных входов и 2n выходов. Каждой комбинации логических уровней на входах будет соответствовать активный уровень на одном из 2n выходов. Обычно п равно 2,3 или 4. На рис. 13.1 изображен дешифратор' с п = 3, активным уровнем является уровень логического нуля. На входы С, В, А можно подать следующие комбинации логических уровней: 000, 001, 010...Ill, всего 8 комбинаций. Схема имеет 8 выходов, на одном из которых формируется низкий потенциал, на остальных - высокий. Номер этого единственного выхода, на котором формируется активный (нулевой) уровень, соответствует числу N, определяемому состоянием входов С, В, А следующим образом: N = С22 + В2' + А'2°. Например, если на входы подана комбинация логических уровней 011, то из восьми выходов микросхемы (YO, Y1...Y7) на выходе с номером N=3 установится нулевой уровень сигнала (Y3=0), a все остальные выходы будут иметь уровень логической единицы. Этот принцип формирования выходного сигнала можно описать следующим образом:


Видно, что уровень сигнала на выходе Y3 описывается выражением:

В таком же виде можно записать выражения для каждого выхода дешифратора:

Помимо информационных входов А,В,С дешифраторы обычно имеют дополнительные входы управления G. Сигналы на этих входах, например, разрешают функционирование дешифратора или переводят его в пассивное состояние, при котором, независимо от сигналов на информационных входах, на всех выходах установится уровень логической единицы. Можно сказать, что существует некоторая функция разрешения, значение которой определяется состояниями управляющих входов. Разрешающий вход дешифратора может быть прямым или инверсным. У дешифраторов с прямым разрешающим входом активным уровнем является уровень логической единицы, у дешифраторов с инверсным входом — уровень логического нуля. На рис. 13.1 представлен дешифратор с одним инверсным входом управления. Принцип формирования выходного сигнала в этом дешифраторе с учетом сигнала управления описывается следующим образом:

У дешифратора с несколькими входами управления функция разрешения, как правило, представляет собой логическое произведение всех разрешающих сигналов управления. Например, для дешифратора 74138 с одним прямым входом управления G1 и двумя инверсными G2A и G2B (рис. 13.2) функции выхода Yi и разрешения G имеют вид:


Обычно входы управления используются для каскадирования (увеличения разрядности) дешифраторов или при параллельной работе нескольких схем на общие выходные линии.
3. Использование дешифратора в качестве демультиплексора. Дешифратор может быть использован и как демультиплексор - логический коммутатор, подключающий входной сигнал к одному из выходов. В этом случае функцию информационного входа выполняет один из входов разрешения, а состояние входов С, В и А задает номер выхода, на который передается сигнал со входа разрешения. Порядок проведения экспериментов
Эксперимент 1. Исследование принципа работы дешифратора 3х8 в основном режиме. Откройте файл с13_01 со схемой, изображенной на рис. 13.3. Включите схему. Подайте на вход G уровень логической единицы. Для этого клавишей G ключ G установить в верхнее положение. Определите и запишите уровни сигналов на выходах YO...Y7 в таблицу истинности при G = 1 (табл. 13.1 в разделе "Результаты экспериментов"). Подайте на вход G уровень логического нуля (ключ G установите в нижнее положение). Убедитесь, что дешифратор перешел в рабочий режим и на одном из выходов установился уровень логического нуля. Подавая все возможные комбинации уровней логических сигналов на входы А, В, С с помощью одноименных ключей и определяя с помощью логических пробников уровни логических сигналов на выходе схемы, заполните таблицу истинности дешифратора при G=0 (табл. 13.1. в разделе "Результаты экспериментов").

Эксперимент 2. Исследование принципа работы дешифратора 3х8 в режиме 2х4. а). В схеме рис. 13.3 подключите вход С к общему проводу (земле), задав С=0 (рис. 13.4). Изменяя уровни сигналов на входах В и А и наблюдая уровни сигналов на выходах схемы, с помощью пробников заполните таблицу истинности дешифратора (табл. 13.2 в разделе "Результаты экспериментов"). Укажите выходы, на которых уровень сигнала не меняется. б). Проделайте пункт а) при С=1, для чего вход С подключите к источнику логической единицы. Заполните таблицу истинности дешифратора (табл. 13.3 в разделе "Результаты экспериментов"). в). Проделайте пункт а), заземлив вход В (В=0), а на входы А и С подавая все возможные комбинации логических уровней. Заполните таблицу истинности (табл. 13.4 в разделе "Результаты экспериментов"), там же укажите номера выходов, на которых уровень логического сигнала не изменяется.
Эксперимент 3. Исследование работы дешифратора в качестве демультиплексора. Откройте файл с13_02 со схемой, изображенной на рис. 13.5. Включите схему. В пошаговом режиме работы генератора слов подайте на входы С, В, А демультиплексора слова, эквивалентные числам от 0 до 7. Наблюдая при помощи логических пробников уровни сигналов на выходах, заполните таблицу функционирования (табл. 13.5 в разделе "Результаты экспериментов"). Убедитесь, что изменяющийся сигнал на входе G поочередно появляется на выходах дешифратора.


Эксперимент 4. Исследование дешифратора 3х8 с логической схемой на выходе. Откройте файл с13_03 со схемой, изображенной на рис. 13.6. Включите схему. Установите генератор слов в пошаговый режим. Последовательно подавая слова от генератора на вход схемы и наблюдая уровень логического сигнала на выходе схемы с помощью логического пробника, составьте таблицу истинности функции F, реализуемой схемой на выходе (табл. 13.6 в разделе "Результаты экспериментов"). По таблице запишите аналитическое выражение функции и занесите полученное выражение в раздел "Результаты экспериментов".

Эксперимент 5. Исследование микросхемы 74138. а). Откройте файл с13_04 (рис. 13.7). Установите генератор слов в пошаговый режим. Включите схему. С помощью соответствующих ключей установите состояние управляющих входов G1=0, G2A=G2B=1. Подавая на входы А, В, С слова от генератора слов и наблюдая состояние выходов с помощью логических пробников, заполните таблицу функционирования дешифратора 74138 (табл. 13.7 в разделе "Результаты экспериментов"). б). Повторите операции пункта а) при G1=G2A=1, G2B=0. Заполните таблицу функционирования дешифратора 74138 (табл. 13.8 в разделе "Результаты экспериментов").

в). Повторите операции пункта а) при G1=1, G2A=G2B=0. Заполните таблицу функционирования дешифратора 74138 (табл. 13.9 в разделе "Результаты экспериментов").
Эксперимент 6. Исследование микросхемы 74138 с помощью логического анализатора. Откроите файл с13_05 (рис. 13.8). Установите генератор слов в пошаговый режим. Включите схему. С помощью соответствующих ключей установите состояние управляющих входов G1=1, G2A=G2B=0. Подавая слова от генератора слов, получите временные диаграммы работы дешифратора на экране логического анализатора и зарисуйте их в разделе "Результаты экспериментов". Сопоставьте временные диаграммы с таблицей 13.9.

Результаты экспериментов Эксперимент 1. Исследование работы дешифратора 3х8 в основном режиме. Таблица 13.1
С

Эксперимент 2. Исследование дешифратора 3х8 в режиме 2х4. a) Таблица 13.2
С

б)- Таблица 13.3
С

в) . Таблица 13.4
С

Эксперимент 3. Исследование работы дешифратора в качестве демультиплексора. Таблица 13.5
С

Эксперимент 4. Исследование дешифратора 3х8 с логической схемой на выходе. Таблица 13.6
G
1

Эксперимент 5. Исследование микросхемы 74138. а). Таблица 13.7
С
С
С

Вопросы
1. Какие логические функции выполняет дешифратор?
2. Каково назначение входов управления в дешифраторе, как влияет сигнал управления на выходные функции дешифратора?
3. Какие дополнительные логические элементы необходимы для реализации логических функции п аргументов на основе дешифратора с прямыми выходами? А с инверсными?
4. Как выглядит схема дешифратора 2х4, выполненная в базисе И, ИЛИ, НЕ? Входы дешифратора А, В, выходы YO, Yl, Y2, Y3. Сколько элементов каждого типа для этого требуется?
5. Как надо видоизменить схему дешифратора 2х4 в предыдущем случае, чтобы оснастить её прямым управляющим входом? Инверсным? Обозначьте входы дешифратора А, В, управляющий вход G или

7. Как на основе нескольких дешифраторов 2х4 с управляющим входом сделать дешифратор 4х16? Сколько дешифраторов 2х4 потребуется для решения этой задачи, если не использовать другие элементы?
8. Как на основе дешифратора 2х4 сделать схему, фиксирующую совпадение двух бит (А=В=1, А=В=0) и реализующую функцию

9. Как на основе дешифратора сделать логическую схему, реализующую функцию

Исследование мультиплексоров
Цель работы1. Ознакомление с принципом работы мультиплексора.
2. Реализация и исследование функциональных модулей на основе мультиплексоров.

Краткие сведения из теории
1. Мультиплексоры. Мультиплексор - комбинационная логическая схема, представляющая собой управляемый переключатель, который подключает к выходу один из информационных входов данных. Номер подключаемого входа равен числу (адресу), определяемому комбинацией логических уровней на входах управления. Кроме информационных и управляющих входов, схемы мультиплексоров содержат вход разрешения, при подаче на который активного уровня мультиплексор переходит в активное состояние. При подаче на вход разрешения пассивного уровня мультиплексор перейдет в пассивное состояние, для которого сигнал на выходе сохраняет постоянное значение независимо от значений информационных и управляющих сигналов. Число информационных входов у мультиплексоров обычно 2, 4, 8 или 16. На рис. 13.9 представлен мультиплексор 8х1 с инверсным входом разрешения G, прямым Y и инверсным W-выходами


2. Уравнение мультиплексора. Функционирование мультиплексора, представленного нарис. 13.9, описывается характеристическим уравнением, связывающим сигнал на выходе (Y) с разрешающим (G), входными информационными (DO...D7) и управляющими (А, В, С) сигналами:

Как видно из уравнения, на мультиплексоре можно реализовать логические функции, для чего нужно определить, какие сигналы и логические константы следует подавать на входы мультиплексора.
3. Реализация заданной функции с помощью мультиплексора. Логическая функция п переменных определена для 2" комбинация значений переменных. Это позволяет реализовать функцию п-переменных на мультиплексоре, имеющем п-управляющих и 2n информационных входов. В этом случае каждой комбинации значений аргументов соответствует единственный информационный вход мультиплексора, на который подается значение функции. Например, требуется реализовать функцию

Эта функция определена только для 8 комбинаций значений переменных, поэтому для её реализации молено использовать мультиплексор 8х1 с тремя управляющими входами. Составим таблицу истинности функции:
N
Из таблицы видно, что для реализации функции на мультиплексоре необходимо подать на информационный вход мультиплексора с номером N сигнал, значение которого равно соответствующему значению функции F1, т. е. на входы с номерами 1, 2, 4, 5 следует подать уровень логического нуля, а на остальные - уровень логической единицы. Таким образом, при подаче комбинации логических уровней на управляющие входы мультиплексора, к его выходу подключится вход, значение сигнала на котором равно соответствующему значению функции. Схемная реализация приведена на рис. 13.10. При реализации логических функций на информационные входы можно подавать не только константы, но и изменяющиеся входные сигналы. Так, например, рассмотрим другой способ реализации функции F1, рассмотренной выше. Для этого минимизируем выражение функции:

Составим таблицу истинности функции в зависимости от значений переменных а и b:
N
Заданную такой таблицей функцию реализуют, как и в предыдущем случае, подав на вход с номером N сигнал, значение которого соответствует значению функции F1. В данном случае сигналы с и с', соответствующие переменной с, подаются на информаци-

онные входы, как указано в таблице истинности. При этом сокращается число управляющих входов. Схемная реализация такого способа задания функции представлена на рис. 13.11. Так как используются только два адресных входа, управляющий вход С можно заземлить. При этом состояние информационных входов D4...D7 безразлично. Уровень сигнала на выходе схемы определяется комбинацией уровней сигналов в точках А, В, С, соответствующих переменным а, Ь, с. Схема рис.13.11. по существу представляет собой мультиплексор 4х1 с двумя управляющими и четырьмя информационными входами. Если функцию можно представить в виде произведения одночлена на многочлен, то её также можно реализовать при помощи мультиплексора. Как следует из уравнения мультиплексора, сигнал, соответствующий одночлену, нужно подать на вход разрешения. Например, требуется реализовать функцию F2, описываемую следующим выражением:

При реализации данной функции на мультиплексоре сигнал, соответствующий переменной х, следует подать на его разрешающий вход. Рассмотрим, какие сигналы необходимо подать на управляющие входы мультиплексора. Выражение в скобках можно рассматривать как некоторую функцию / пяти переменных: а, Ь, с, d, e, из которых наиболее часто используются переменные а, Ь и с. Поэтому сигналы, соответствующие этим переменным, нужно подать на управляющие входы мультиплексора. Определим, какие сигналы следует подать на информационные входы, чтобы реализовать функцию /. Для этого составим таблицу истинности функции в зависимости от значений переменных а, Ь и с: Из таблицы видно, что на информационные входы с номерами N = 0, 2, 4, 6 нужно подать уровень логического нуля. Сигнал, соответствующий переменной d, нужно подать на входы с номерами N = 1, 5, сигнал, соответствующий переменной e, - на вход с номером 3. Соответствующая схемная реализация представлена на рис. 13.12.
N

Порядок проведения экспериментов
Эксперимент 1. Исследование мультиплексора.
а). Откройте файл с13_06 со схемой, изображенной на. рис. 13.13. Включите схему. С помощью ключа G установите на входе G мультиплексора уровень логического нуля. Поочередно подавая все возможные комбинации логических уровней при помощи ключей А, В, С на соответствующие входы мультиплексора, для каждой комбинации с помощью логических пробников определите, переключение какого из ключей в левой части схемы изменяет состояние выходов мультиплексора. Обозначение соответствующего входа мультиплексора запишите в таблицу 13.10 в разделе "Результаты экспериментов", указав при этом, как передается входной сигнал на выходы мультиплексора (напрямую или с инверсией). Например, если переключение ключа 4 изменяет состояние выходов мультиплексора, в таблице в строке с соответствующей комбинацией уровней сигналов на входах А, В, С следует записать для выхода Y - D4, для выхода W - D4. б). Установите при помощи ключа G уровень логической единицы на входе G микросхемы. В раздел "Результаты экспериментов" запишите обозначения выводов, которые при переключении соответствующих ключей в левой части схемы не влияют на состояние выходов микросхемы.

Эксперимент 2. Исследование мультиплексора с помощью генератора слов.
Откройте файл с13_07 со схемой, изображенной на рис. 13.14. Включите схему. Подавая в пошаговом режиме слова от генератора слов на входы мультиплексора и наблюдая уровни сигналов на выходах Y и W при помощи логических пробников, заполните таблицу 13.11 в разделе "Результаты экспериментов".

Эксперимент 3. Реализация заданной функции с помощью мультиплексора. а). Определите значение функции F1 для каждой комбинации значений аргументов и заполните графу F1paсч в разделе "Результаты экспериментов". Откройте файл с13_08 со схемой, изображенной на рис. 13.15. Включите схему. Подайте при помощи ключей А, В, С все возможные комбинации логических сигналов на входы мультиплексора и, определяя уровень сигнала на выходе Y логическим пробником F1, заполните графу F1a) в таблице 13.12 в разделе "Результаты экспериментов". Убедитесь, что функция, реализуемая мультиплексором, описывается выражением:

б). Откройте файл с13_09 со схемой, изображенной на. рис. 13.16. Включите схему. Подавая в пошаговом режиме слова от генератора слов на входы мультиплексора и наблюдая уровень сигнала на выходе Y логическим пробником F1, заполните графу F16) в таблице 13.12 в разделе "Результаты экспериментов". Убедитесь, что сигнал на выходе также определяется функцией F1. в). Откройте файл с13_10 со схемой, изображенной на рис. 13.17. Последовательно подавая на входы схемы все возможные комбинации уровней логических сигналов, убедитесь, что уровень логической единицы на выходе появляется только в случаях, когда на входах схемы действуют комбинации, описываемые шестнад-цатеричными эквивалентами 07Н, 09Н, ОСН, ODH, OFH, 13h, 17H, 19Н, 1ВН, 1СН, 1DH, 1FH, при которых функция F2 принимает значение 1.


Эксперимент 4. Исследование мультиплексора 74153.
а). Откройте файл с13_11 со схемой, изображенной на рис. 13.18. Исследуйте работу сдвоенного четырехканального мультиплексора (микросхема 74153). Составьте таблицу функционирования схемы для выходов Y1 и Y2. Для этого установите ключами 1 и 2 уровень логического нуля на входах G1 и G2. Затем в пошаговом режиме последовательно подайте от генератора все слова последовательности для каждой комбинации логических уровней на входах А и В. Для каждого шага определите входы, сигналы с которых проходят на выходы микросхемы. Обозначения входов занесите в таблицу 13.12 в разделе "Результаты экспериментов".

б). При помощи ключа 1 установите уровень логической единицы на входе 1G микросхемы. Подавая на входы микросхемы слова от генератора, определите, какой из выходов микросхемы перестал реагировать на изменение состояния входов. Запишите обозначение этого вывода в раздел "Результаты экспериментов". в). Повторите действия пункта б), установив на входе 2G уровень логической единицы, а на входе 1G — уровень логического нуля.

Результаты экспериментов
Эксперимент 1. Исследование мультиплексора. а).
Таблица 13.10
А

Эксперимент 2. Исследование мультиплексора с помощью генератора слов.
Таблица 13.11
А
Таблица 13.12
А
А

Вопросы
1. Функцию какого электрического устройства выполняет мультиплексор для логических сигналов?
2. Каким аналитическим уравнением описывается работа мультиплексора 2х1 с управляющим входом? В уравнении используйте следующие обозначения: входы - А, В, выход - Y, разрешающий вход G. Какие и в каком количестве логические элементы требуются для реализации этого уравнения?
3. Как реализовать схему мультиплексора 2х1 с управляющим входом на элементах И-НЕ?
4. Как можно на основе двух мультиплексоров 2х1 сделать один мультиплексор 4х1? Какие дополнительные элементы понадобятся для этого?
5. Функции скольких переменных можно реализовать без дополнительных элементов (за исключением инверторов) на одном мультиплексоре 4х1? На мультиплексоре 8х1? На мультиплексоре 16х1?
6. При какой форме аналитического представления логической функции, предназначенной для реализации на мультиплексоре, управляющий вход G может быть использован для подачи одного из входных сигналов?
7. Какими логическими уравнениями описывается работа микросхемы сдвоенного мультиплексора 74153?
Применение дешифраторов
Задачи для самостоятельного решенияЗадача 1.
Соберите схему, изображенную на рис. 13.19, микросхема 74139 - сдвоенный четырехканальный мультиплексор. Составьте таблицу функционирования схемы. К какому типу относится схема?

Задача 2.
Разработайте и соберите при помощи Electronics Workbench схему дешифратора 4х16 на основе ДВУХ базовых дешифраторов 3х8. Убедитесь в правильности его функционирования. Рассмотрите варианты использования оставшихся входов разрешения для организации режима разрешения.
Задача 3.
Разработайте и соберите по аналогии с предыдущим заданием при помощи Electronics 'Workbench схему дешифратора 5х32 на основе четырех дешифраторов 3х8. Убедитесь в I правильности его функционирования


(для формирования последнего произведения необходим элемент НЕ).
Задача 4.
Разработайте, соберите и испытайте схемы на основе базового дешифратора и элементов 2И-НЕ или 2И, реализующие заданную функцию F. На входе разрешения установить активный уровень. Варианты задач приведены ниже.

Задача 5.
Разработайте, соберите и испытайте схемы на основе дешифратора 3х8 и элемента И-НЕ, реализующие заданную функцию F. Один из входов разрешения использовать для подачи аргумента одного из сигналов. Варианты задач приведены ниже.

Задача 6.
Разработайте, соберите и испытайте схемы на основе дешифратора, формирующие нули на указанных выходах при следующих комбинациях логических уровней на входах, заданных шестнадцатеричными числами:
Применение мультиплексоров
Задачи для самостоятельного решенияЗадача 1.
Разработать, собрать и проверить работу схемы на основе мультиплексора 8х1, реализующую заданную логическую функцию У. Варианты задач:

Задача 2.
Выполнить задачи 1)...5) предыдущего задания на мультиплексоре 4х1. Выполнить задачи 6)...12) предыдущего задания на мультиплексоре 4х1 и логических элементах 2И-НЕ.
Триггеры
Цель1. Изучение структуры и алгоритмов работы асинхронных и синхронных триггеров.
2. Исследование функций переходов и возбуждения основных типов триггеров.
3. Изучение взаимозаменяемости триггеров различных типов.

Краткие сведения из теории
Триггер - простейшая цифровая схема последовательностного типа. У рассмотренных в предыдущих разделах комбинационных схем состояние выхода Y в любой момент времени определяется только текущим состоянием входа X: Y = Г(Х). В отличие от них, состояние выхода последовательностной схемы (цифрового автомата) зависит еще и от внутреннего состояния схемы Q: Y=F(X,Q). Другими словами, цифровой автомат является не только преобразователем, но и хранителем предшествующей и источником текущей информации (состояния). Это свойство обеспечивается наличием в схемах обратных связей. Основой последовательностных схем являются триггеры. Триггер имеет два устойчивых состояния: Q=1 и Q=O, поэтому его иногда называют бистабильной схемой. В каком из этих состояний окажется триггер, зависит от сигналов на входах триггера и от его предыдущего состояния, т. е. он имеет память. Можно сказать, что триггер является элементарной ячейкой памяти. Тип триггера определяется алгоритмом его работы. В зависимости от алгоритма работы, триггер может иметь установочные, информационные и управляющие входы. Установочные входы устанавливают состояние триггера независимо от состояния других входов. Входы управления разрешают запись данных, подающихся на информационные входы. Наиболее распространенными являются триггеры RS, JK, D и Т-типов.
1. Триггер типа RS RS-триггер - простейший автомат с памятью, который может находиться в двух состо-яниях. Триггер имеет два установочных входа: установки S (set - установка) и сброса R (reset - сброс), на которые подаются входные сигналы от внешних источников. При подаче на вход установки активного логического уровня триггер устанавливается в 1 (Q = 1,



Каждое состояние устойчиво и поддерживается за счет действия обратных связей. Для триггеров этого типа является недопустимой одновременная подача активного уровня на оба входа установки, т. к. триггер по определению не может одновременно быть установлен в ноль и единицу. На практике подача активного уровня на установочные входы приводит к тому, что это состояние не может быть сохранено и невозможно определить, в каком состоянии будет находиться триггер при последующей подаче на установочные входы сигналов пассивного уровня. На рис. 14.1 и 14.2 показаны два вида RS-триггеров, выполненных на элементах ИЛИ-НЕ и И-НЕ. Для схемы на рис. 14.1 активным уровнем является уровень логической единицы, для схемы на рис. 14.2 - уровень логического нуля. Схема на рис. 14.2 получила название RS-триггера с инверсными входами - RS-триггер. RS-триггер является основным узлом для построения последовательностных схем. Название схем такого типа «последовательностные» означает, что состояние выхода зависит от того, в какой последовательности на входы подаются входные наборы и каково было предшествующее внутреннее состояние. Так, если в RS-тригге-ре (рис. 14.1) вначале установить комбинацию R=0, S=1 (сокращенная запись - 01), а потом перейти к R=0, S=0 (00), то состояние выхода Q= I. Если же вначале установить комбинацию 10, а потом перейти к 00, то состояние выхода будет другим - Q=0, несмотря на одинаковые комбинации сигналов на входах. Таким образом, при одном и том же входном наборе 00 выход триггера может находиться в разных состояниях. Условия переходов триггеров из одного состояния в другое (алгоритм работы) можно описать табличным, аналитическим или графическим способами. Табличное описание работы RS-триггера (рис. 14.1) представлено в таблице 14.1 (таблица переходов) и таблице 14.2 (таблица функций возбуждения).


Таблица 14.1
R
Таблица 14.2
Qt
В таблицах использованы следующие обозначения: Qt - предшествующее состояние выхода; Qt+1 - новое состояние, устанавливающееся после перехода (возможно Qt+1= Qt); х - безразличное значение сигнала: 0 или 1; — - неопределенное состояние. Аналитическое описание (характеристическое уравнение) можно получить из таблиц 14.1, 14.2 по правилам алгебры логики:

Зависимость Qt+ 1 от Qt характеризует свойство запоминания предшествующего состояния. Описание работы RS-триггера можно дополнить графом рис. 14.3 (графический способ).


График на рис. 14.3а показывает, что схема, которая находилась в состоянии Q=0, сохраняет это состояние как при воздействии входного набора R=0, S=0, так и при воздействии R=1, S=0. Если же на вход схемы, находящейся в состоянии 0=0, подействовать набором R=0, S=1, то она переходит в состояние Q=1 и сохраняет его при входных наборах Н=0, S=1, либо R=0, S=0. На рис. 14.36 тот же граф триггера нарисован более компактно. Входные сигналы, которые могут принимать любые значения (как 0, так и 1), обозначены как X, а позиция обозначения соответствует последовательности R, S. 2. JK-триггер Триггер JK-типа имеет более сложную, по сравнению с RS-триггером, структуру и более широкие функциональные возможности. Помимо информационных входов J и К и прямого и инверсного выходов Q и Q, JK-триггер имеет вход управления С (этот вход также называют тактирующим или счетным), а также асинхронные установочные R и S-вхо-ды. Обычно активными уровнями установочных сигналов являются нули, как в схеме на рис. 14.2. Установочные входы имеют приоритет над остальными. Активный уровень сигнала на входе S устанавливает триггер в состояние 0=1, а активный уровень сигнала на входе R - в состояние 0=0, независимо от сигналов на остальных входах. Если на входы установки одновременно подать пассивный уровень сигнала, то состояние триггера будет изменяться по фронту импульса на счетном входе в зависимости от состояния входов J и К, как показано в таблицах переходов (табл. 14.3) и функций возбуждения (табл. 14.4).
Таблица 14.3
Таблица 14.4
Qt


Работа JK-триггера описывается характеристическим уравнением:

Один из вариантов функциональной схемы JK-триггера со входами установки логическим нулем и его условное графическое обозначение (УГО) приведены на рис. 14.4а,б. Временные диаграммы его работы при R=S=1 приведены на рис. 14.5.

Подобно RS-триггеру, изменение состоянии JK- триггера можно изобразить графом переходов (рис, 14.6). Входные сигналы, которые могут принимать любые значения (как О, так и 1), обозначены как X, а позиция обозначения соответствует последовательности J, К. Этот рисунок не должен вводить в заблуждение: если Х=1,то при JK=11 схема будет переходить из состояния Q=0 в состояние Q=1. Но из этого состояния схема должна возвратиться в Q=0 и т. д. Этот граф ' описывает работу автогенератора. В данном случае все изменения выхода происходят только в момент отрицательного перепада тактового сигнала С. Действительно, если J=K=1, то с каждым новым тактовым импульсом выход будет изменять свое значение на противоположное и триггер будет выполнять функцию делителя частоты на 2, а не автогенератора. 3. D-триггер. D-триггер имеет один информационный вход D (data - данные). Информация со входа D заносится в триггер по положительному перепаду импульса на счетном входе С и сохраняется до следующего положительного перепада на счетном входе триггера. Помимо счет-

ного С и информационного D входов, триггер снабжен асинхронными установочными R и S входами. Установочные входы приоритетны. Они устанавливают триггер независимо от сигналов на входах С и D. функционирование D-триггера описывается таблицей переходов (табл. 14.6), таблицей функций возбуждения (табл. 14.6) и диаграммами входных и выходных сигналов (рис. 14.7).
Таблица 14.5
D
Таблица 14.6
Qt

Характеристическое уравнение D-триггера: Q.„=D, Уравнение показывает, что состояние триггера на (t+1)-такте равно входному сигналу в момент, предшествующий тактовому перепаду сигнала С. Условное обозначение D-триггера представлено на рис. 14.8.


Функциональная схема D-триггера может быть получена из схемы JK-триггера (puc.l4.5d) путем подключения входа К ко входу J через инвертор: D=J=K. 4. Т-триггер (счетный триггер) На основе JK-триггеров и D-триггеров можно построить схемы, осуществляющие так называемый счетный режим. Такие схемы называют Т-триггерами или счетными триггерами, связывая с этим способ их функционирования. На рис. 14.9 представлены схемы

организации Т-триггера на основе JK и D-триггеров. Счетный режим иллюстрируется временными диаграммами рис. 14.10. В JK-триггере со входами установки логическим нулем счетный режим реализуется путем подачи констант J=K=1 и R=S=1 и входного сигнала Т на вход С. В соответствии с таблицей функционирования (табл. 14.3 и 14.4) при каждом отрицательном перепаде входного сигнала Т состояние триггера изменяет свое значение на противоположное. В D-триггере счетный режим реализуется при помощи обратной связи (на вход D подается сигнал с инверсного выхода). Таким образом, всегда существует неравенство сигнала на входе D и сигнала на выходе Q: еслиQ=1, D=0. Следовательно, при каждом положительном перепаде сигнала на счетном входе С, в соответствии с принципом действия D-тригге-ра состояние выхода будет изменяться на противоположное. Таким образом, на каждые два входных тактовых импульса Т-триггер формирует один период выходного сигнала Q. Следовательно, триггер осуществляет деление частоты fт на его входе на 2:

где fQ — частота следования импульсов на выходе триггера.
Порядок проведения экспериментов Эксперимент 1. Исследование RS-триггера.
а). Откройте файл с14_01 со схемой, изображенной на рис. 14.11. Включите схему. Последовательно подайте на схему следующие сигналы: S=0, R=1; S=0, R=0; 8=1, R=0; S=0, R=0. Убедитесь в том, что: • при S=0, R=1 триггер устанавливается в состояние Q=0; • при переходе к 8=0, R=0 триггер сохраняет прежнее состояние выхода Q=0; • при S=1, R=0 триггер устанавливается в состояние 0=1; • при переходе к 8=0, R=0 триггер сохраняет прежнее состояние выхода Q=1. б.) Для каждого перехода (изменения состояния или сохранения предыдущего) нарисуйте в разделе "Результаты экспериментов" граф перехода по типу рис. 14.3. в). По результатам эксперимента заполните таблицу функций возбуждения для схемы рис. 14.11, приведенную в разделе "Результаты экспериментов" (табл. 14.7).

Эксперимент 2. Исследование RS-триггера.
а). Откройте файл с14_02 со схемой, изображенной на рис. 14.12. Включите схему. Последовательно подайте на схему следующие сигналы: S=1, R=0; S=0, R=0; 8=0, R=1; 8=0, R=0. Убедитесь в том, что: • при 8=1, R=0 триггер устанавливается в состояние, при котором выход Q=0; • при переходе к 8=R=1 триггер сохраняет прежнее значение выхода Q=0; » при 8=0, R=1, триггер устанавливается в состояние, при котором Q=1; • при переходе к 8=1, R=1 прежнее значение выхода 0=1 сохраняется. б.) Для каждого перехода (изменения состояния или сохранения предыдущего) нарисуйте в разделе "Результаты экспериментов" граф перехода по типу рис. 14.3. е). По результатам эксперимента заполните таблицу функций возбуждения для схемы рис. 14.12, приведенную в разделе "Результаты экспериментов" (табл. 14.8).

Эксперимент 3. Исследование JK-триггера. а). Откройте файл с14_03 со схемой, изображенной на рис. 14.13. Включите схему. Убедитесь в том, что: • при R=1, 8=0 триггер устанавливается в 1 (Q=1, Q'=0) независимо от состояния остальных входов; • при R=0, 8=1 триггер устанавливается в О (Q=0, Q'=1) независимо от состояния остальных входов.
б.) Установите S'=R'1, проверьте истинность таблицы функций возбуждения (табл. 14.4), по результатам эксперимента заполните таблицу 14.9 в разделе "Результаты экспериментов".

в.) Составьте временные диаграммы работы триггера для всех возможных комбинаций Qt, Jt, Кt и зарисуйте их в раздел "Результаты экспериментов".

Эксперимент 4. Исследование JK-триггера в счетном режиме (Т-триггер). Соберите схему, изображенную на рис. 14.14. Включите схему. Изменяя состояние входа С соответствующим ключом, зарисуйте в разделе "Результаты экспериментов" диаграммы работы триггера в счетном режиме.

Эксперимент 5. Исследование JK-триггера, построенного на базе логических элементов и RS-триггеров. Откройте файл с14_04 со схемой, изображенной на рис. 14.15. Включите схему. Изменяя уровень сигнала на входе С, составьте временные диаграммы сигналов на выходах Q1 и Q2 обоих RS-триггеров и зарисуйте их в разделе "Результаты экспериментов". Укажите режим работы триггера. Определите моменты изменения сигналов Q1 и Q2 по отношению к моментам изменения сигнала С. Отразите различие во временах переключения RS-триггеров на диаграммах.

Эксперимент 6. Исследование D-триггера. а). Откройте файл с14_05 со схемой, изображенной на рис. 14.16. Включите схему. Убедитесь в том, что: • при R=1, 8=0 триггер устанавливается в 1 (Q=1, Q*=0) независимо от состояния остальных входов; • при R=0, S=1 триггер устанавливается в О (Q=0, Q*=1) независимо от состояния остальных входов. б). Установите S' = R' = 1, проверьте истинность таблицы функций возбуждения (табл. 14.6), по результатам эксперимента заполните таблицу 14.10 в разделе "Результаты экспериментов". в). Составьте временные диаграммы работы триггера для всех возможных комбинаций Qt, Dt и зарисуйте их в раздел "Результаты экспериментов".

Эксперимент 7. Исследование работы D-триггера в счетном режиме. Соберите схему, изображенную на рис. 14.17. Подавая на счетный вход С тактовые импульсы с помощью ключа [С] и определяя состояние выходов триггера при помощи пробников, составьте временные диаграммы работы триггера в счетном режиме и занесите их в раздел "Результаты экспериментов".

Результаты экспериментов Эксперимент 1. Исследование RS-триггера. б). Графы переходов.

в). Таблица функций возбуждения.
Таблица 14.7
Q.
Эксперимент 2. Исследование RS-триггера. б). Графы переходов.

в). Таблица функций возбуждения. Таблица 14.8
Q.

Эксперимент 3. Исследование JK.-триггера. б). Таблица функций возбуждения. Таблица 14.9
Qt
в). Диаграмма работы триггера.

Эксперимент 4. Исследование JK-триггера в счетном режиме (Т-триггер). Диаграмма работы триггера.

Эксперимент 5. Исследование JK-триггера, построенного на базе логических элементов и RS-триггеров. Диаграмма работы триггера.

Эксперимент 6. Исследование D-тригтера. б). Таблица функций возбуждения, Таблица 14.10.
Q.

Эксперимент 7. Исследование работы D-триггера в счетном режиме. Диаграмма работы триггера.

Вопросы
1. Является ли элементом памяти выключатель настольной лампы?
2. Если продолжить предыдущий вопрос, то как можно охарактеризовать: а) кнопочный выключатель (один раз нажал — лампа горит; второй раз нажал — лампа погасла); б) клавишный переключатель-коромысло: нажал на одно плечо — лампа зажглась или продолжает оставаться горящей; нажал на другое плечо — погасла. Аналогия с какими видами триггеров напрашивается?
3. Чем отличается работа RS-триггера с прямыми входами от работы RS-триггера с инверсными входами?
4. Почему комбинация сигналов 11 на входах RS-триггера называется «запрещенной»?
5. В чём отличие таблицы переходов триггера от таблицы функций возбуждения?
6. Как свойство запоминания отражается в характеристических уравнениях триггеров?
7. В чём принципиальное отличие работы синхронных триггеров от асинхронных?
8. Какова приоритетность информационных и установочных входов в синхронных триггерах?
9. Почему JK-триггер при J=K=1 не превращается в автогенератор?
10.Почему Т-триггер получил название счетного? Какое число импульсов он может сосчитать?
11.Как работает D-триггер, если D=Q?
Счетчики
Цель1. Изучение структуры и исследование работы суммирующих и вычитающих счетчиков.
2. Изучение способов изменения коэффициента пересчета счетчиков.
3. Исследование работы счетчиков с коэффициентом пересчета, отличным от 2".

Краткие сведения из теории
1. Счетчики. Счетчик - устройство для подсчета числа входных импульсов. Число, представляемое состоянием его выходов по фронту каждого входного импульса, изменяется на единицу. Счетчик можно реализовать на нескольких триггерах. В суммирующих счетчиках каждый входной импульс увеличивает число на его выходе на единицу, в вычитающих счетчиках каждый входной импульс уменьшает это число на единицу. Наиболее простые счетчики - двоичные. На. рис. 14.18 представлен суммирующий двоичный счетчик и диаграммы его работы. 2. Изменение направления счета. Как уже говорилось ранее, счетчики можно реализовать на триггерах. При этом триггеры соединяют последовательно. Выход каждого триггера непосредственно действует на тактовый вход следующего. Для того, чтобы реализовать суммирующий счетчик, необходимо счетный вход очередного триггера подключать к инверсному выходу предыдущего. Для того, чтобы изменить направление счета (реализовать вычитающий счетчик), можно предложить следующие способы: а). Считывать выходные сигналы счетчика не с прямых, а с инверсных выходов триггеров. Число, образуемое состоянием инверсных выходов триггеров счетчика, связано с числом,

образованным состоянием прямых выходов триггеров следующим соотношением:

где n - разрядность выхода счетчика. В таблице 14.11 приведен пример связи числа на прямых выходах с числом на инверсных выходах триггеров счетчика. б). Изменить структуру связей в счетчике: подавать на счетный вход следующего триггера сигнал не с инверсного, а с прямого выхода предыдущего, как показано на рис. 14.19. В этом случае изменяется последовательность переключения триггеров. Таблица 14,11
Состояния прямых выходов
Изменение коэффициента пересчета. ' 3. Счетчики характеризуются числом состояний в течение одного периода (цикла). Для схем на рис. 14.18 и 14.19 цикл содержит N = 23 = 8 состояний (от 000 до 111). Часто число состояний называют коэффициентом пересчета Ксч, который равен отношению числа импульсов Nc на входе к числу импульсов NQСT на выходе старшего разряда за период:

Если на вход счетчика подавать периодическую последовательность импульсов с частотой fc, то частота fq на выходе старшего разряда счетчика будет меньше в Ксч раз: Ксч =Fс/FQ. Поэтому счетчики также называют делителями частоты, а величину Ксч - коэффициентом деления. Для увеличения величины Ксч приходится увеличивать число триггеров в цепочке. Каждый дополнительный триггер удваивает число состояний счетчика и число Ксч. Для уменьшения коэффициента Ксч можно в качестве выхода счетчика рассма-

тривать выходы триггеров промежуточных каскадов. Например, для счетчика на трех триггерах Ксч = 8, если взять выход 2-го триггера, то Ксч = 4. При этом Ксч является целой степенью числа 2: 2, 4, 8, 16 и т. д. Можно реализовать счетчик, для которого Ксч ~ любое целое число. Например, для счетчика на трех триггерах можно сделать Ксч от 2 до 7, но при этом один или два триггера могут быть лишними. При использовании всех трех триггеров можно получить Ксч = 5...7: 22 < Ксч <23. Счетчик с Ксч ^ должен иметь 5 состояний, которые в простейшем случае образуют последовательность: {О, 1, 2, 3, 4}. Циклическое повторение этой последовательности означает, что коэффициент деления счетчика равен 5. Для построения суммирующего счетчика с Ксч =5 надо, чтобы после формирования последнего числа из последовательности {О, 1, 2, 3, 4} счетчик переходил не к числу 5, а к числу 0. В двоичном коде это означает, что от числа 100 нужно перейти к числу 000, а не 101. Изменение естественного порядка счета возможно при введении дополнительных связей между триггерами счетчика. Можно воспользоваться следующим способом: как только счетчик попадает в нерабочее состояние (в данном случае 101), этот факт должен быть опознан и повлечь последующую выработку сигнала, который перевел бы счетчик в состояние 000. Рассмотрим этот способ более детально. Факт попадания счетчика в нерабочее состояние описывается логическим уравнением:

Состояния 110 и 111 также являются нерабочими и поэтому учтены при составлении уравнения. Если на выходе эквивалентной логической схемы F = 0, значит счетчик находится в одном из рабочих состояний: Ovlv2v3v4. Как только он попадает в одно из нерабочих состояний 5v6v7, формируется сигнал F = 1. Появление сигнала F = 1 должно переводить счетчик в начальное состояние 000, следовательно, этот сигнал нужно использовать для воздействия на установочные входы триггеров счетчика, которые осуществляли бы сброс счетчика в состояние Q1 = Q2 = Q3 = 0. При реализации счетчика на триггерах со входами установки логическим нулем для сброса триггеров требуется подать на входы сброса сигнал R=0. Для обнаружения факта попадания в нерабочее состояние используем схему, реализующую функцию F и выполненную на элементах И-НЕ. Для этого преобразуем выражение для функции:

Соответствующая схемная реализация приведена на рис. 14.20.

Счетчик будет работать следующим образом: при счете от 0 до 4 все происходит как в обычном суммирующем счетчике с Кдч=8. Установочные сигналы равны 1 и естественному порядку счета не препятствуют. Счет происходит по положительному фронту импульса на счетном входе С. В тот момент, когда счетчик находится в состоянии 4 (100), следующий тактовый импульс сначала переводит счетчик в состояние 5 (101), что немедленно (задолго до прихода следующего тактового импульса) приводит к формированию сигнала сброса, который поступает на установочные входы сброса триггеров. В результате счетчик сбрасывается в 0 и ждет прихода следующего тактового импульса на счетный вход. Один цикл счета закончился, счетчик готов к началу следующего цикла. Применяя такие схемы с обратной связью для сброса счетчика, нужно иметь в виду, что операция сброса занимает конечное время, поэтому непосредственно перед сбросом счетчика в 0 на выходе первого триггера появляются кратковременные импульсы, или "иголки". Это не имеет значения при подключении счетчика напрямую к индикатору, но при использовании этого выхода счетчика в качестве источника тактовых импульсов могут возникнуть определенные проблемы. Схема, в которой это явление устранено, приведена на рис. 14.21. Важным отличием является то, что схема обнаруживает не факт попадания в нерабочее состояние 101, а факт попадания в состояние 100 и в следующем такте вырабатывает сигнал сброса.

Порядок проведения экспериментов Эксперимент 1. Исследование суммирующего счетчика.
Откройте файл с14_06 со схемой, изображенной на рис. 14.22. Включите схему. Подавая на вход схемы тактовые импульсы при помощи ключа С и наблюдая состояние выходов счетчика при помощи логических пробников, составьте временные диаграммы работы суммирующего счетчика. Определите коэффициент пересчета счетчика. Результаты занесите в раздел "Результаты экспериментов". Обратите внимание на числа, формируемые состояниями инверсных выходов счетчика.

Эксперимент 2. Исследование вычитающего счетчика.
а). Откройте файл с14_07 со схемой, изображенной на рис. 14.23. Включите схему. Зарисуйте временные диаграммы работы вычитающего счетчика в раздел "Результаты экспериментов". б). В схеме на рис. 14. 23 входы логического анализатора подключите к инверсным входам триггеров. Включите схему. Зарисуйте полученные временные диаграммы в раздел "Результаты экспериментов" и сравните их с диаграммами, полученными в эксперименте 1.

Эксперимент 3. Исследование счетчика с измененным коэффициентом пересчета.
а). Откройте файл с14_08 со схемой, изображенной на рис. 14.24. Включите схему. Подавая на вход схемы тактовые импульсы при помощи ключа С и наблюдая состояние выходов счетчика при помощи логических пробников, составьте временные диаграммы работы счетчика и определите коэффициент пересчета. Результаты занесите в раздел "Результаты экспериментов".

б). Измените структуру комбинационной части счетчика в соответствии со схемой на рис. 14.20. Подавая на вход схемы тактовые импульсы при помощи ключа С и наблюдая состояние выходов счетчика при помощи логических пробников, составьте временные диаграммы работы счетчика на 5. Результаты занесите в раздел "Результаты экспериментов". Эксперимент 4. Исследование регистра Джонсона. Откройте файл с14_09 со схемой, изображенной на рис. 14.25. Счетное устройство, приведенное на рисунке, получило название регистра Джонсона или регистра с перекрестными связями. Включите схему. Постройте временные диаграммы сигналов на выходах триггеров. Определите коэффициент пересчета регистра Джонсона. Результаты занесите в раздел "Результаты экспериментов".

Эксперимент 5. Исследование регистра Джонсона, реализованного на JK-триггерах.
а). Откройте файл с14_10 со схемой, изображенной на рис. 14.26. Установите ключ S в верхнее положение (на вход S второго триггера подается сигнал логической единицы). Включите схему. Постройте временные диаграммы работы схемы и занесите их в раздел "Результаты экспериментов". Сравните полученные диаграммы с результатами эксперимента 4. б). Установите схему в состояние 000. Подайте при помощи ключа S кратковременный импульс на вход S второго триггера. При этом схема должна установиться в состояние 010. Подавая на вход С схемы тактовые импульсы при помощи соответствующего ключа и наблюдая состояние выходов схемы при помощи логических пробников, составьте временные диаграммы работы устройства. Определите коэффициент пересчета схемы. Результаты занесите в раздел "Результаты экспериментов".


Результаты экспериментов
Эксперимент 1. Исследование суммирующего счетчика. Временные диаграммы.

Эксперимент 2. Исследование вычитающего счетчика. а). Временные диаграммы.

б). Временные диаграммы.

Эксперимент 3. Исследование счетчика с измененным коэффициентом пересчета. а). Временные диаграммы.

б). Временные диаграммы.

Эксперимент 4. Исследование регистра Джонсона. Временные диаграммы.

Эксперимент 5. Исследование регистра Джонсона, реализованного на JK-триггерах. а). Временные диаграммы.

б). Временные диаграммы.

Вопросы.
1. Почему при подключении счетных входов триггеров к инверсным выходам предыдущих каскадов счетчик на D-триггерах работает как суммирующий, а при подключении к прямым -как вычитающий?
2. В каком режиме будет работать счетчик на JK-триггерах при подключении счетных входов триггеров к прямым выходам предыдущих каскадов? Как изменится режим работы счетчика при подключении счетных входов триггеров к инверсным выходам?
3. Какой коэффициент пересчета имеет регистр Джонсона?
4. Какими способами можно изменить коэффициент пересчета счетчика?
5. Сколько триггеров должен содержать счетчик с коэффициентом пересчета Ксч =(3,5,7,9, 10,12,14,15,24,30}?
6. В двоичном счетчике коэффициент пересчета равен 8, число триггеров - 3. При поступлении тактовых импульсов на счетный вход счетчик изменяет своё состояние в следующей последовательности: 000-001-010-011-100-101-110-111-000. Сколько триггеров в счетчике изменяют свое состояние одновременно на каждом из переходов? Действительно ли триггеры изменяют своё состояние одновременно? Как происходит переход счетчика из состояния 111 в состояние ООО? Какой из триггеров первым изменит своё состояние? Что послужит причиной переключения второго триггера? Как развивается процесс изменения состояния триггеров при переходе счетчика из состояния 011 в состояние 100?
7. Цифровые часы в метро реализованы на основе счетчиков. Иногда можно заметить, что четное число секунд на табло часов сохраняется заметно дольше, чем нечетное (возможна и обратная закономерность). Почему это происходит?
8. Какую разрядность должен иметь счетчик, отсчитывающий секунды и десятки секунд при наличии генератора импульсов частотой 10 кГц?
Счетчики и триггеры
Задача 1.Предложите схему на основе RS-триггера, которая даст возможность запомнить появление хотя бы одного кратковременного перерыва (спада к нулю) напряжения 5 В, которое подается на вход схемы. Проверьте полученное решение с помощью Electronics Workbench.
Задача 2.
Предложите схему на основе RS-триггера, которая даст возможность запомнить появление хотя бы одного импульса помехи в контролируемой линии. Проверьте полученное решение с помощью Electronics Workbench.
Задача 3.
На рис. 14.20 приведена схема счетчика с коэффициентом пересчета 5. Предложите иные способы построения счетчиков с таким же коэффициентом пересчета. Проверьте полученное решение с помощью Electronics Workbench.
Задача 4.
Разработайте схему, соберите ее и проверьте работу счетчиков со следующими последовательностями изменения состояний:
а) 1, 2, 3, 4, 5 6)2,3,4,5,6 в) 3,4, 5,6, 7 г) 4, 5, 6, 7,0
д) 0,4, 5, 6, 7 е)0, 1, 5,6, 7 ж)0, 1,2,6, 7 3)0, 1,2,3, 7.
Все остальные состояния, не принадлежащие указанным множествам, запрещены. Задача 5.
Разработайте схему, соберите ее и проверьте работу счетчика с Ксч'^5, взяв за основу счетчик на вычитание со следующими последовательностями изменения состояний:
а) 7, 6, 5, 4,3 6)6,5,4,3,2 в) 5, 4, 3, 2, 1 г) 4. 3,2, 1,0
Д) 3,2, 1,0, 7 е)2, 1,0, 7,6 ж) 1, 0, 7, 6, 5 з)0, 7,6,5,4.
Задача 6.
Разработайте схему и проверьте работу суммирующего счетчика с числом состояний 6 (Ксч=6) для следующих последовательностей состояний:
а) О, 1, 2,3,4, 5 б) 1, 2, 3, 4, 5, 6 в)2,3,4,5,6, 7 г) 0,1, 4, 5, 6, 7
д)0, 1,2,3,6, 7 е)0,3,4, 5,6, 7 ж) 1,2, 3, 5,6, 7 3)1,3,4,5,6,7.
Задача 7.
Выполните предыдущее упражнение на основе вычитающего счетчика (порядок счета изменить на противоположный).
Задача 8
Разработайте схему преобразователя выходных кодов регистра Джонсона в сигналы 1,2,3,4,5,6 в соответствии с диаграммами рис. 14.27. Схема преобразователя должна быть минимизирована с учетом избыточных состояний сигналов Ql, Q2 и Q3.

Задача 9.
Разработайте, соберите и проверьте работу преобразователя выходных кодов счетчика на 6 в сигналы 1, 2, 3, 4, 5 и 6 в соответствии с диаграммами рис. 14.28. Схему преобразователя минимизируйте с учетом избыточных состояний счетчика.

Электротехника и электроника
Измерение мгновенных значений напряжения
с помощью осциллографаИзмерения простой моделью осциллографа Наблюдение за изменением мгновенных и их измерение производится в Workbench с помощью осциллографа. Осциллограф (Oscilloscope в Electronics Workbench) является программой, имитирующей измерительный прибор, используемый в лабораторной практике и обладающий достаточно широким спектром возможностей для наблюдения за процессами в схемах и измерения напряжений в различных точках схемы. В то же время для того, чтобы наблюдать за процессом необходимо предварительно настроить этот довольно сложный инструмент. Описание процесса настройки будет наиболее наглядным, если мы рассмотрим конкретный пример исследовательской задачи. Пусть мы хотим исследовать переходный процесс в RC-цепи с параметрами, приведенными на рис. 1, при включении ее на источник переменного напряжения с частотой S кГц. При этом мы намерены измерить максимальное напряжение на резисторе R на третьем периоде тока и начальную точку пересечения тока с осью абсцисс на этом периоде. Для решения этой задачи необходимо прежде всего подключить осциллограф к резистор) (рис. 2).Для этого сначала нужно мышью вытащить осциллограф на рабочее поле и затем подключить к схеме: вход канала В подключаем к незаземленному выводу конденсатора, верхний правый вывод осциллографа заземляем. При этом мы иммитируем действия, которые производятся при подключении реального прибора к реальной схеме.

Если теперь просто запустить моделирование, то через несколько секунд мы придем к печальному результату приведенному на рис. 2. Мы получили совершенно неинформативную картинку и вдобавок израсходовали какие-то ресурсы о чем сообщает нам программа. Сообщение на экране гласит: "Диск, используемый для записи результатов моделирования, заполнен". Это означает, что превышен объем памяти, отведенной для хранения данных моделирования. В качестве выхода из создавшейся ситуации предлагается выбор: "Остановить моделирование" "Очистить диск и продолжить моделирование " Воспользуемся первой из возможностей, вернув расчет к исходному состоянию. Прямоугольник в левой стороне экрана свидетельствует о том, что цена деления по оси Y нас не устраивает, необходимо раздвинуть картинку , чтобы увидеть вместо прямоугольника синусоиду. Учитывая, что период при частоте 2 кГц составляет 0.5 мс выберем цену деления такой, чтобы период составлял примерно две клетки. Для этого в поле TIME BASE осциллографа установим значение этого параметра 0.2 мс / дел (ms / div). Теперь в меню Circuit выберем пункт Analysis Optous. Открывшееся окно (рис. 3) предлагает выбор различных опций моделирования и информирует о ресурсах. В самой нижней строке приведена информация об объеме временного файла, используемого для хранения данных моделирования. Снова запустив программу на расчет, мы получим уже более информативную картинку (рис. 4).

Однако это мало похоже на переходной процесс. И действительно, то что мы получили -это установившийся режим в данной схеме. Чтобы понять, почему это так, обратимся опять к рис. 3. В верней графе таблицы выделена опция Steady State (установившийся режим). Это 1 означает, что в качестве начальных условий программа использует данные, полученные в установившемся режиме (ненулевые начальные условия). Поскольку наша задача состоит в исследовании переходного процесса, то необходимо выбрать опцию Transient. В этом случае для моделирования программа использует нулевые начальные условия. Если мы теперь запустим программу, то она сменит экран осциллографа три раза, сохранив в результате картинку не отличающуюся практически от рис. 4. Получилось так, что осциллограмма переходного процесса "убежала" за левый край экрана осциллографа.


Выберем теперь в меню Analysis Options в разделе Oscilloscope Dysplay опцию "Pause after each screen" - "Пауза после каждого экрана". Кроме того, увеличим для канала В размах кривой напряжения на экране осциллографа.В результате, после запуска схемы получим картинку, удобную для решения нашей задачи: измерения максимума напряжения на третьем периоде и точки пересечения с осью абсцисс кривой тока в начале этого периода (рис. 5). Амплитуда вычисляется по формуле:

а время Т - по формуле:

Здесь Nгориз и- Nверт - число делений по горизонтальной и вертикальной шкалам, DV и DT - цены делений вертикальной и горизонтальной шкал, считанные с соответствующих табло. Измерения расширенной моделью осциллорафа (Режим Zoom) В настоящее время в серьезной исследовательской практике большое применение находят цифровые запоминающие осциллографы и в версиях Electronics Workbench, начиная с четвертой, модель такого осциллографа вызывается при двойном щелчке на позиции Zoom простого осциллографа. Процедура измерения расширенной моделью не отличается от процедуры измерения простой моделью осциллографа.


На лицевой панели расширенной модели осциллографа имеется три дополнительных табло. Величины отражаемые на них соответственно обозначают Т1 - время, соответствующее позиции первого курсора, VA1 - напряжение на входе А в этой позиции, VB1 - напряжение на входе В в этой позиции, Т2 - время, соответствующее позиции второго курсора, VA2 - напряжение на входе А в этой позиции, VB2 - напряжение на входе В в этой позиции. Третье табло показывает непосредственно разность величин, соответствующих позициям курсоров. Таким образом, подведя курсор к соответствующей точке, можно непосредственно считать с табло мгновенное значение напряжения и момент времени. Поскольку цифровые осциллографы хранят в памяти информацию для всего измеренного ряда мгновенных значений, этапы снятия и обработки информации в них могут быть разделены. Таким же свойством обладает и рассматриваемая модель. Линейка прокрутки внизу экрана позволяет сдвигать картинку от конца процесса до самого начала, прослеживая его в удобном временном масштабе и проводя необходимые измерения мгновенных напряжений и временных интервалов. Пожалуй, единственным недостатком этой модели является то, что она занимает много места на экране монитора.
Реализация дифференциального входа для осциллографа Аналогом дифференциальных усилителей в Electronics Workbench являются зависимые источники напряжения, управляемые напряжением. На рис. 7 показаны схема и осциллограммы измерения сдвига фаз между напряжениями на конденсаторе и катушке индуктивности. Поскольку входное сопротивление этих источников бесконечно велико, они не вносят искажений в режим схемы, а выходной их потенциал при заземлении одного зажима (как на рис. 7) пропорционален (а при единичном коэффициенте передачи просто равен) входному напряжению. Измерение более чем двух напряжений с помощью осциллографа Часто необходимо проследить за изменением сразу трех сигналов (например при исследовании трехфазных цепей). В то же время в программе Electronics Workbench имеется только двухлучевой осциллограф. Для расширения его возможностей можно использовать коммутатор, как это делается в реальных осциллографах. Для этого можно использовать управляемые ключи, имеющиеся среди компонентов Electronics Workbench. Внутренняя структура блока commut представлена на схеме рис. 8. Схема содержит два ключа, управляемых напряжением, один из которых нормально замкнут (если напряжение ниже 0.1 В), другой -нормально разомкнут. Ключи, управляемые с частотой 1 кГц от источника тактовой частоты, включаются попеременно, переключая вход осциллографа с одного входного потенциала на другой. На схеме рис. 9 приведены схема для измерения фазных напряжений в трехфазной сети с использованием коммутатора commut и соответствующие осциллограммы.


Как видно из рис. 9, напряжение на фазе А подано на вход Л непосредственно и рисуется сплошной кривой, напряжения же на фазах В и С поданы через коммутатор и могут быть определены по огибающим. Буквы у кривых проставлены лишь на рис. 9, на экране осциллографа они, конечно, отсутствуют.
Измерение мгновенных значений мощности
Мгновенная мощность любого двухполюсника является произведением мгновенных значений тока и напряжения. В Electronics Workbench имеется специальный компонент — умножитель, позволяющий получить на выходе сигнал, равный произведению двух входных напряжений. Подав на входы этого компонента напряжения, пропорциональные току и напряжению (рис. 13), а его выход подключить к осциллографу, можно получить осциллограмму мгновенной мощности.
Использование осциллографа в режиме характериографа
В реальные осциллографы зачастую встраиваются усилители, позволяющие подать сигнал на пластины горизонтальной развертки (усилители X). Такой режим предусмотрен и в осциллографе Electronics Workbench. В режиме В/А сигнал по оси Х разворачивается входом В, а сигнал по оси Y усилителем А, в режиме А/В - наоборот. Схемы для снятия вольтамперных характеристик активных и пассивных двухполюсников имеют в своем составе одни и те же элементы: источник гармонического напряжения и резистор шунта, однако из-за традиционного расположения обеих характеристик в первом квадранте построение схем несколько отличается. При снятии характеристик активных двухполюсников шунт должен быть включен между землей и источником питания (рис. 14, 15), а для пассивных - между землей и нагрузкой (рис. 16,17).



Измерение мощности при постоянном входном сигнале
В реальном практикуме для измерения мощностей также используется простой прибор, показывающийц лишь одно значение для мощности каждого двухполюсника- ваттметр. Однако по неясным для нас причинам создатели Workbench не включили этот прибор в совокупность компонентов программы. Тем не менее можно достаточно просто собрать приставку к вольтметру, при использовании которой измеряемое им напряжение в вольтах будет в точности соответствовать мощности в ваттах. Приставка, внутренняя структура которой представлена на рис. 19, включает в себя три компонента: источник напряжения, управляемый током в качестве датчика тока, источник напряжения, управляемый напряжением в качестве датчика напряжения, иумножитель, дающий на выходе напряжение, численно равное мощности.
I
Вольтметр на выходе приставки также измеряет не постоянное мгновенное значение, а вычисляет и показывает постоянную составляющую функции мгновенных значений мощности в соответствии с выражением:

Схема измерения мощности в цепи постоянного тока вольтметром с такой приставкой

Измерения при постоянном входном сигнале
Измерение комплекса напряжения
Для того, чтобы полностью характеризовать гармонический сигнал, необходимо знать три величины: частоту, амплитуду и начальную фазу. При моделировании гармонических воздействий частоту можно считать заданной частотой источника сигнала. В этом случае любой ток или напряжение в схеме можно характеризовать двумя оставшимися величинами, по которым можно вычислить мгновенные значения в любой момент времени. Эти две величины образуют, таким образом, комплекс величин, который полностью определяет гармонический сигнал. Этот комплекс величин дает компоненты комплексного числа (изображаемого точкой на комплексной плоскости), которое моделирует гармонический сигнал при применении символического метода расчета. Измерение комплекса напряжения является основной операцией в измерениях при воздействии гармонических сигналов, поскольку на ней основаны операции измерения комплекса тока и сопротивления. Комплекс напряжения представляет собой совокупность двух величин: действительной и мнимой части при записи в алгебраической форме и модуля и начальной фазы при записи в показательной форме. При измерениях обычно определяют именно вторую совокупность величин, поскольку модуль инвариантен по отношению к начальному углу и измеряется обычно не фаза, а фазовый сдвиг различных напряжений, который также инвариантен к начальному углу.В Electronics Workbench имеется две возможности измерения комплекса напряжения.
1. С помощью осциллографа, который является универсальным измерительным прибором, можно непосредственно измерить модуль и фазу потенциала любой точки схемы. На самом деле с помощью осциллографа определяется не фазовый, а временной сдвиг, и для вычисления фазового сдвига необходимо провести еще некоторые вычисления. Необходимо отметить, однако, что для измерения комплекса напряжения на любом участке цепи один из концов этого участка должен быть заземлен. Однако осциллограф не показывает компоненты комплекса непосредственно и выводит избыточную информацию.
2. В Electronics Workbench имеется прибор, который в соответствующих режимах и при правильно собранной схеме позволяет получить компоненты комплекса непосредственно на табло. Это Воде-плоттер, применяемый в качестве измерителя на фиксированной частоте. Измерение с помощью осциллографа Схема измерения с помощью осциллографа приведена на рис. 21. На рис. 22 представлен осциллограф с увеличенным экраном, показывающий осциллограммы напряжений в схеме рис. 21. Подведя курсор 1 к максимуму, можно получить мгновенное значение напряжения в точке кривой на табло VA1. Для вычисления модуля это значение нужно разделить на V2. Выставив курсор 1 на ноль тока, а курсор 2 на ноль напряжения, можно измерить временной сдвиг между током и напряжением непосредственно на табло Т2 - Т1. Но для того чтобы вычислить фазовый сдвиг, нужно провести еще дополнительные вычисления по формуле: ф = 360°- (Т2 - Т1)/Т - - 45°.

Знак минус соответствует отставанию тока от напряжения. Таким образом, при измерениях с помощью осциллографа для получения и модуля и фазового сдвига требуются дополнительные вычисления.

Измерение с помощью Боде-плоттера Наиболее просто измерение комплекса напряжения производится с помощью Боде-плоттера. Для того, чтобы значение модуля и фазы коэффициента передачи, измеряемого Боде-плоттером, численно равнялось модулю и фазе потенциала точки В, на вход Боде-плоттера (зажимы IN на рис. 23) должен быть подключен источник напряжения той же частоты, что и у сигнала с модулем 1 В и фазой 0°. Вид вертикальной шкалы должен быть выбран линейным (иначе отношение модулей будет выведено в децибелах), а начальная частота должна быть установлена равной частоте источников. В этом случае не придется сдвигать курсор, отыскивая требуемую частоту, и при выборе вида измерений MAGNITUDE на табло будет показан модуль (верхнее изображение плоттера на рис. 23), а при выборе PHASE - фаза комплекса (нижнее изображение плоттера). Большим удобством этого метода является непосредственное считывание результатов без всяких промежуточных выкладок.

Измерение комплекса сопротивления
По закону Ома для комплексных чисел комплекс сопротивления является частным от деления комплекса напряжения на комплекс тока
Если на любой двухполюсник подать питание от источника тока с действующим значением в 1 А и фазой 0°, то напряжение на двухполюснике будет численно равно его комплексному сопротивлению. Таким образом, схему измерения комплекса напряжения, представленную на рис. 23, можно использовать и в качестве схемы измерения комплекса сопротивления.
Измерение комплекса тока
3.2. Измерение комплекса токаИмеется три возможности измерения комплекса тока 1. Модуль действующего значения тока может быть измерен амперметром или мульти-метром. В простых цепях, измерив модули нескольких токов, часто удается вычислить и фазовый сдвиг (аналогично тому, как это продемонстрировано для напряжений). Две другие возможности связаны с преобразованием тока в пропорциональный ему потенциал и измерением этого потенциала с помощью осциллографа или Боде-плоттера, по приведенным ранее методикам. Простейший способ преобразования тока в потенциал заключается во включении в цепь измеряемого тока резистора с небольшим сопротивлением, как это делается в реальных схемах. Один из концов резистора должен быть заземлен и измеряется потенциал другого конца пропорциональный току. На схеме рис. 24 показана схема для такого измерения тока и приведены соответствующие осциллограммы.

Измерения при гармоническом входном сигнале
3. Измерения при гармоническом входном сигналеИзмерения при произвольной форме
1. Измерения при произвольной форме входного сигналаМощностей двухполюсника
Мгновенная мощность двухполюсника является произведением мгновенных значений тока и напряжения. В Electronics Workbench имеется специальный компонент — умножитель, позволяющий получить на выходе сигнал, равный произведению двух входных потенциалов. Подав на входы этого компонента потенциалы, пропорциональные току и напряжению (рис. 25), и присоединив его выход к осциллографу, можно получить осциллограмму мгновенной мощности (рис. 26). Мгновенная мощность, осциллограмма которой представлена на рис. 26, вычисляется по формуле:

На постоянную составляющую, равную активной мощности двухполюсника Р, наложена гармоническая составляющая с амплитудой, равной полной мощности S, поэтому минимальное и максимальное значения мгновенной мощности (отмеченные на осциллограмме курсорами 1 и 2 соответственно) связаны с Р и S выражениями


Измерив максимальное и минимальное значение мощности (в нашем примере это 160 Вт и - 40 Вт), можно вычислить активную и полную мощности из (2) и (3)


Зная Р и S, можно определить и реактивную мощность Q

По осциллограмме мгновенной мощности можно определить и фазовый угол (р. Временной сдвиг AT между двумя ближайшими (друг относительно друга ) нулями осциллограммы соответствует этому углу

В приведенной методике величины Р, Q и S измеряются косвенно. Однако величина активной мощности может быть измерена и непосредственно. На рис. 9 она измеряется вольтметром постоянного напряжения, подключенным на выход умножителя. Хотя авторы Workbench не ввели в состав компонентов ваттметра, его несложно создать в виде блока (subcircuit). Структура такого блока с потенциально развязанными входами тока и напряжения представлена на рис. 27а, а схема измерения активной мощности с его помощью на рис. 276. Некоторое несоответствие заключается в том, что на показывающем приборе высвечены несоответствующие единицы измерения (вольты, а не ватты). Для того, чтобы получить развязанные входы ваттметра, ток и напряжение на умножитель подаются через зависимые источники: источник напряжения, управляемый током, и источник напряжения, управляемый напряжением, соответственно. Включение источника напряжения, управляемого током, равносильно введению в измеряемую цепь последовательного сопротивления. Это сопротивление выбрано равным 0.0001 Ом, что вносит пренебрежимые искажения практически во все исследуемые цепи. Чтобы компенсировать малую величину сигнала, коэффициент умножения в умножителе увеличен до 10000, что позволяет получить на вольтметре величину мощности в ваттах. Пользовательский блок wattmetr по свойствам и схеме включения вполне соответствует реальным ваттметрам, применяемым для измерения на переменном и постоянном токе.


Осциллографа
Измерение мгновенных значений тока с помощью осциллографа связано с преобразованием тока в пропорциональный ему потенциал и измерением этого потенциала по приведенным выше методикам. Простейший способ преобразования тока в потенциал заключается во включении в цепь измеряемого тока резистора с небольшим сопротивлением, как это делается в реальных схемах. Один из выводов резистора должен быть заземлен и измеряется потенциал другого вывода, который в данном случае пропорционален току. На рис. 10 показана схема для измерения тока в RC-цепи при питании от источника гармонического напряжения и приведены соответствующие осциллограммы. Именно такой метод наиболее распространен в лабораторной практике и его необходимо освоить в первую очередь, научившись оценивать степень искажения исследуемого процесса включением дополнительного элемента (шунта) и способам включения шунта и подсоединения его к осциллографу.


Чем меньше сопротивление шунта, тем меньше его влияние на процессы в схеме, но тем меньше и снимаемый с него сигнал. Чтобы усилить, его можно подключить между шунтом и осциллографом усилитель. Идеальным является случай, когда сопротивление шунта стремится к нулю. Такой способ измерения можно реализовать в Electronics Workbench, включив последовательно в измеряемую цепь вход источника напряжения, управляемого током, заземлив один из его выходов, а второй подключив к осциллографу (рис. 11). Напряжение, измеряемое в этом случае осциллографом, вычисляется по формуле :

Uосц - сигнал на входе осциллографа,Iизм - мгновенное значение измеряемого тока, Кп - коэффициент передачи источника. Поскольку входное сопротивление зависимого идеального источника равно нулю, включение его в ветвь не влияет на процессы в схеме, а коэффициент передачи позволяет выбрать удобный для наблюдения масштаб сигнала, если для этого не хватает возможностей, заложенных в осциллографе.

МЕТОДИКА ПРОВЕДЕНИЯ ИЗМЕРЕНИЙ С ПОМОЩЬЮ ИНСТРУМЕНТАРИЯ ELECTRONICS WORKBENCH
ПРИЛОЖЕНИЯ
В конденсаторе и катушке индуктивности
Наличие в Electronics Workbench умножителя позволяет получить на выходе сигнал, пропорциональный энергии, запасенной в конденсаторе при подключении к нему обоих входов умножителя. Если при этом коэффициент передачи умножителя выбран равным половине емкости конденсатора, то напряжение на его выходе в каждый момент будет численно равно запасенной в конденсаторе энергии. Аналогично, если на оба входа умножителя подключить сигнал, численно равный току через индуктивность, а коэффициент передачи умножителя выбрать равным половине индуктивности катушки, то сигнал на выходе будет численно равен энергии, запасенной в катушке. На рис. 13 приведена схема включения, в которой измеряются мгновенные значения энергии в накопителях обоих типов.
Входном сигнале
Если при сложной форме сигнала напряжение и ток каждого элемента характеризуются большим числом величин (в идеале бесконечно большим числом мгновенных значении), то при постоянном сигнале каждая из этих величин характеризуется только одним числом. Для его получения можно, конечно, воспользоваться осциллографом, но для таких простых измерений он неоправданно сложен. Одну величину проще всего показать на одном цифровом табло, автоматизировав настройку прибора.
Такие простые приборы - вольтметр и амперметр - имеются в составе компонентов Electronics Workbench в поле индикаторов, которое можно открыть, щелкнув мышью на пиктограмме. Если вставить амперметр последовательно в любую ветвь исследуемой схемы
Работа с информацией: Безопасность - Защита - Софт - Криптография
- Информационная безопасность
- Аспекты информационной безопасности
- Системы информационной безопасности
- Софт и информационная безопасность
- IInternet Information Services
- Защита и безопасность
- Защита с Firewall
- Атаки и информационная безопасность
- Информационная безопасность в интернет
- Борьба с вирусами
- Антивирусы против вирусов
- Хакеры и информационная безопасность
- Криптография



