Телефонный фильтр для модема
Телефонный фильтр для модема
Сергей Светлов. С-Петербургs_svetlov@bk.ru FIDO: 2:5030/1551.25 Sergey Svetlov.

Данный фильтр предназначен для улучшения связи через модем. Схема является примитивным ФСЧ. Светодиод индицирует подключение модема к телефонной линии. Всю схему можно свободно расположить в корпусе для телефонной розетки, а светодиод крепится сверху на клею в отверстии корпуса. Так же может потребоваться регулировка резистора Rn, он ограничивает напряжение через светодиод и частично влияет на параметры фильтра - зависит от типа модема и АТС, среднее значение около 100ом. При подключении следует соблюдать полярность! Конечно, фильтр не является полной панацеей для улучшения связи, но мне он немного помог.
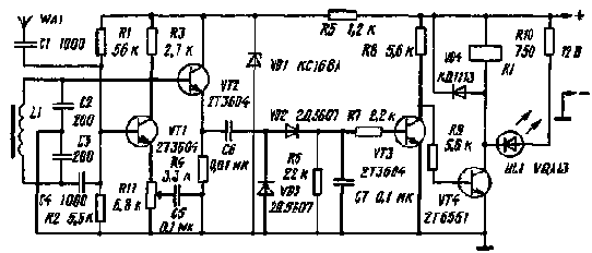
УСТРОЙСТВО СИГНАЛИЗАЦИИ ПРИ ПРИБЛИЖЕНИИ К ОБЪЕКТУ
Подобные устройства обычно срабатывают тогда, когда человек или другой объект соприкасается в охраняемой зоне с чувствительной антенной или приближается к ней.На рисунке приведена схема такого устройства. Оно работает по принципу изменения емкостной нагрузки, вносимой через антенну в высокочастотный генератор, работающий на границе срыва возбуждения. Антенна является частью колебательного контура этого генератора. В результате при увеличении емкости между антенной и общим проводом в колебательный контур вносятся дополнительные потери, его добротность ухудшается и происходит срыв генерации. Это и используется для включения сигнализации (звуковой, световой и иного рода) через исполнительное реле.

Транзистор VT1 с подключенными к нему элементами и колебательным контуром L1C2C3 образуют генератор по схеме емкостной трехточки. Генератор устанавливают на порог возбуждения переменным резистором R11. Антенна подключена к базе транзистора VT1 через конденсатор С1. Генератор работает с частотой около 300 кГц и имеет малое выходное сопротивление благодаря использованию эмиттерного повторителя на транзисторе VT2. Напряжение питания каскадов на транзисторах VT1 и VT2 стабилизировано элементами R5.VD1.
Сигнал с выхода эмиттерного повторителя выпрямляется выпрямителем VD2VD3R6C7 и подается на базу транзистора VT3 через резистор R7. На транзисторах VT3 и VT4 выполнен усилитель постоянного тока. Нагрузкой второго каскада служит исполнительное реле К1.
В режиме генерации транзистор VT3 открыт, напряжение на его коллекторе близко к нулю. В этом состоянии транзистор VT4 закрыт и реле К1 не срабатывает.
При прикосновении к антенне генерация срывается и на выходе выпрямителя напряжение падает до нуля. Транзистор VT3 закрывается, а к базе VT4 через резистор R9 подается положительное напряжение с коллектора VT3. Транзистор VT4 переходит в режим насыщения, и реле К1 срабатывает. Одновременно загорается светодиод HL1, сигнализируя о срабатывании устройства.
Предложенный вариант устройства не имеет системы дежурного режима оповещения после первого срабатывания, а возвращается в исходное состояние после устранения влияния на антенну.
Чтобы не пропустить момента срабатывания системы, достаточно между коллектором и эмиттером транзистора VT4 включить одну из групп с нормально разомкнутыми контактами того же реле К1. При срабатывании эта группа контактов удерживает реле включенным до принудительного отключения устройства оператором.
Регулировку устройства производят при подключенной антенне, в качестве которой может быть использован обычный провод, подсоединенный одним концом к конденсатору С1. Второй остается свободным или его подключают к какой-либо металлической детали охраняемого объекта (дверь, ворота и др.). Вначале, прикоснувшись к антенне, перемещают движок переменного
резистора от нижнего (по схеме) вывода и добиваются возбуждения генератора - индикатором служит срабатывание реле К1 и загорание светодиода. Затем движок возвращают обратно до момента отключения реле. Далее можно поэкспериментировать с антенной, ее расположением и найти такое положение движка переменного резистора, при котором чувствительность устройства максимальна - при прикосновении к антенне или приближении к ней устройство срабатывает, а при удалении - возвратится в исходное состояние.
Экземпляр устройства с антенной в виде металлической пластины размерами 200х120 мм и толщиной 0,2 мм срабатывал при приближении к пластине руки на расстояние 30...50 мм.
В устройстве можно использовать транзисторы серий КТ3102 (VT1 -VT3) и КТ615 (VT4). Катушка L1 на С6-23-17а, обмотка должна иметь индуктивность 1 мГн. Реле любого типа с током срабатывания 10...100 мА при напряжении 9..12В.
Бизнес: Предпринимательство - Малый бизнес - Управление
- Бизнес
- Разновидности бизнеса
- Планирование бизнеса
- Управление бизнесом
- Предпринимательство
- Русское предпринимательство
- Управление и предпринимательство
- Малый бизнес
- Виды малого бизнеса
- Русский малый бизнес
- Управление малым бизнесом
- Posix для малого бизнеса
- Телефония как малый бизнес
- Телефония на Java для малого бизнеса