Прибор для ремонта телефонных аппаратов
Прибор для ремонта телефонных аппаратов.Прибор предназначен для тех, кто занимается ремонтом телефонных аппаратов и значительно облегчает поиск неисправностей. Его особенностью является питание непосредственно от телефонной линии. Прибор позволяет оперативно проконтролировать работу импульсного номеронабирателя, уровень передачи (т. е. работу микрофона), выявить короткое замыкание и обрыв в аппарате. При этом исправный телефонный аппарат можно использовать по назначению т. е. вести разговор с другим абонентом.
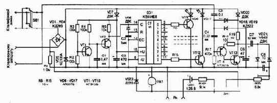
Принципиальная схема содержит следующие узлы счетчик импульсов, индикатор уровня, выпрямитель питания, пробник для прозвонки цепей.

Устройство включается в разрыв одного из проводов телефонной линии последовательно с телефонным аппаратом и получает питание из линии.
Падение напряжения на приборе составляет 3-4 вольта.
Счетчик импульсов собран на микросхеме DD1. ключах VT3-VT12, светодиодах VD8-VD17 (индикаторы состояния счетчика) и двух транзисторах VT1, VT2 (формирователи счетных импульсов).
В качестве DD1 использована микросхема К561ИЕ8 которая, согласно ТУ, может работать при питающем напряжении 3 В и выше.
На деле же питающее напряжение может быть ниже. Две наугад взятые микросхемы нормально работали при напряжении 1 8 В, что и позволило уменьшить общее падение напряжения на приборе до 3-4 В. Для устойчивой работы микросхемы светодиоды, индицирующие состояние счетчика, включаются ключами и питаются непосредственно из телефонной линии, а сама микросхема питается через развязывающую цепочку - диод VD7 и конденсатор С2.
Установка счетчика в нулевое состояние обеспечивается цепочкой VD6C3. Конденсатор СЗ заряжается через резистор R5 и обратное сопротивление германиевого диода VD6 (около I МОм). При поступлении импульсов на вход счетчика с коллектора транзистора VT2 конденсатор СЗ быстро разряжается через прямое сопротивление диода VD6 и открытый транзистор VT2. На шине R DD1 устанавливается напряжение логического нуля и микросхема работает в режиме счёта.
Спустя примерно секунду после окончания последнего импульса конденсатор СЗ зарядится и на шине R появится напряжение, устанавливающее счётчик в нулевое состояние.
Индикатор уровня сигнала состоит из усилителя на транзисторах VT13 и VT14, выпрямителя с удвоением напряжения на диодах VD21, VD22 и микроамперметра РА1. Измеряемое напряжение звуковой частоты подается через конденсатор С5 на ограничитель VD1B, VD19 и далее через С4 на вход усилителя. Усиленное напряжение выпрямляется и регистрируется РА1.
Микроамперметр РА1 используется также для измерения тока я линии. В этом случае РА1 переключателем SA1 подключается к резистору РЛ.
В третьем положении переключателя SA1 микроамперметр включается в цепь пробника, который удобен при прозвонке цепей.
Переключатель SB2 необходим для переполюсовки питания телефонного аппарата, так как неисправности бывают полярные - при одной полярности питающего напряжения телефонный аппарат работает, а при противоположной - нет.
Прибор собран в жестяном корпусе размерами 158 ж 88 х 30 мм. Стрелочный индикатор М476 1. В первом варианте прибора использовался М68501, который лучше, но тогда габариты прибора увеличиваются. В этих индикаторах шкалы преднамеренно сделаны нелинейными, что, конечно, сказывается на точности измерений, особенно в пробнике. Если требуется большая точность необходимо применить микроамперметр другого типа.
Переключатель SA1 типа МПН-1, SB1 -тумблер П2Т -1 - 1В. Электролитические конденсаторы применены типа К50-16, но не исключено применение других типов. В.Булатов
Радиохобби 2/2001
Бизнес: Предпринимательство - Малый бизнес - Управление
- Бизнес
- Разновидности бизнеса
- Планирование бизнеса
- Управление бизнесом
- Предпринимательство
- Русское предпринимательство
- Управление и предпринимательство
- Малый бизнес
- Виды малого бизнеса
- Русский малый бизнес
- Управление малым бизнесом
- Posix для малого бизнеса
- Телефония как малый бизнес
- Телефония на Java для малого бизнеса