Оборудование для производства сахарных кондитерских изделий
Аппараты для термической обработки какао-бобов и орехоплодных ядер
При термической обработке жиросодержащего сырья происходят удаление влаги и летучих кислот, улучшение вкуса, аромата и окраски. Ядра какао-бобов, орехи и семена становятся хрупкими и легко дробятся и измельчаются.
Для термической обработки применяются цилиндрические и шаровые (сферические) обжарочные аппараты периодического действия и сушилки непрерывного действия.
Шаровой обжарочный аппарат типа «Сирокко». Внутри шарообразного кожуха 8 (рис. 2.1) на горизонтальном валу 17 вращается полый сварной шар 4. Спицами 18 шар крепится к двум полым цапфам 16 и 26, которые свободно вращаются на валу 17. На одном конце вала расположена звездочка 14 цепной передачи, а на другом — штурвал 28 с фиксирующим штифтом 29, который входит в отверстие сектора 27, закрепленного на полой цапфе 26 шара 4. Таким образом, вращение от вала 17 передается шару 4 через штифт 29 и сектор 27. Стенки шара имеют отверстия для выгрузки продукта, закрытые шиберными заслонками 5, расположенными на стенках 6, которые закреплены на валу 17.
Сырье (какао-бобы или орехи) загружают в воронку 3. При открывании шиберной заслонки оно попадает во внутреннюю полость шара 4. Для перемешивания служат лопасти 7. Аппарат работает на газе.

Рис. 2.1. Шаровой обжарочный аппарат типа «Сирокко»
Вентилятор 1 засасывает через полость шара смесь воздуха и топочных газов, получаемых при сжигании кокса или газа в топке 15.
Одновременно вентилятор удаляет из аппарата пары влаги и газообразные продукты, выделяемые из какао-бобов или орехов. Воздух засасывается через патрубок 13. Количество горячей воздушно-газовой смеси, поступающей в аппарат, регулируется шиберными заслонками 11 и 12. Температура газов, выходящих из аппарата, контролируется термометром 2. Отсасываемые вентилятором газы поступают в циклон 25, где происходит отделение частиц оболочки какао-бобов.
После обжаривания продукта аппарат останавливают, штифт 29 оттягивают, поворачивают штурвал 28 так, чтобы заслонки 5 открыли отверстия в стенке шара 4, и отпускают штифт 29, который входит в соответствующее отверстие сектора 27.
После этого включают привод и продукт при вращении шара высыпается в коническую часть 19 кожуха, откуда через шиберную заслонку 20 поступает в приемник 21 охлаждающего устройства. Здесь продукт перемешивается вращающимися лопастями 22. Вентилятор 24 просасывает воздух через слой какао-бобов или орехов, находящихся на сетчатом дне 23 приемника 21.
При разгрузке аппарата шиберы 11 и 12 закрыты, а шибер 10 открыт. Горячие газы из топки проходят по трубопроводу 9, минуя обжарочный аппарат.
Аппарат снабжен устройством для автоматического контроля процессов обжаривания. Один из подшипников вала 17 опирается на весовое устройство, которое фиксирует массу внутреннего шара с находящимся в нем продуктом. По мере удаления влаги масса какао-бобов или орехов уменьшается. Когда она уменьшится до заданной величины, весовое устройство подает сигнал об окончании процесса обжаривания.
В последнее время аппараты снабжают приборами для контроля и регулирования температуры, расхода газа и массы продукта при его обжаривании.
Шаровые аппараты выпускаются вместимостью 160, 250, 400 и 750 кг.
Вертикальная одноканальная сушилка STT фирмы «Бюлер» (Швейцария). Предназначена для предварительной сушки и обжаривания целых какао-бобов и какао-крупки, ядер лесного ореха, миндаля, арахиса и т.п.
Сушилка (рис. 2.2) представляет собой вертикальную рамную конструкцию 17, на которой крепятся необходимые узлы. Сушилка имеет три зоны, причём в зонах I и II происходит сушка или обжаривание продукта, а в зоне III продукт охлаждается. Соответственно зоны снабжены фильтрами 1, 2, 10, паровыми или масляными нагревателями 3 и 9, шнеками 4, 12, 15 для отвода пыли и отводными патрубками 5, 11 и 14. Зоны II и III разделены заслонкой 13.
Продукт поступает в бункер 8, снабженный заслонкой 7 с пневматическим приводом. Пройдя в щель заслонки, продукт попадает

Ширину канала, а следовательно и толщину слоя можно менять. Продукт опускается по каналу постепенно и равномерно, оставаясь рыхлым благодаря свободному перемещению частиц продукта. Поскольку нет соударений и вибрации, удается избежать повышенного сдавливания и образования крошки.
В I и II зонах воздух всасывается через фильтры 10 и 2, очищается от пыли, нагревается в калориферах 9 и 3, отдает теплоту обрабатываемому продукту и выбрасывается из сушилки через патрубки 5 и 11. Прошедший через продукт воздух уносит пыль, которая после прохождения через канал оседает и шнеками 4 и 12 выводится наружу. Таким же образом происходит движение воздуха в зоне III, только в ней воздух не подогревается. Если прекратить подачу в неё воздуха, то в этой зоне можно дополнительно обжаривать продукт.
Обжаренный и охлажденный продукт выводится из сушилки через разгрузочное устройство 16 (роторный шлюзовой затвор). Изменяя время обжаривания, можно регулировать производительность разгрузочного устройства.
Установленные на входе в сушилку между зонами обжаривания и охлаждения секторные заслонки 7 и 13 облегчают запуск и работу сушилки на холостом ходу (в это время заслонки находятся в закрытом состоянии).
Подача воздуха в сушилку, его дополнительная очистка после сушилки осуществляются тремя отдельно стоящими циклонами-осадителями и тремя вентиляторами. Воздушно-очистительная система работает под разрежением. Таким образом, отсутствие в конструкции сушилки вентиляторов значительно снижает опасность возгорания.
Производительность выпускаемых фирмой «Бюлер» сушилок (по какао-бобам) составляет 200...2000 кг/ч.
В некоторых типах сушилок какао-бобы движутся самотеком в вертикальной шахте с неподвижными наклонными полками. Какао-бобы, пересыпаясь с полки на полку, проходят через три горячие зоны, а затем поступают в зону охлаждения. Нагретый паровыми калориферами воздух при помощи вентиляторов поступают в зазоры между полками шахты, осуществляя таким образом поперечное продувание какао-бобов.
Фасование кондитерских изделий и склеивание тары
ГЛАВА 10. ФАСОВАНИЕ КОНДИТЕРСКИХ ИЗДЕЛИЙ И СКЛЕИВАНИЕ ТАРЫ
На предприятиях кондитерской промышленности все большее применение находит оборудование, на котором незавернутые или поштучно завернутые изделия фасуют в целлофановые пакеты, машины для фасования какао-порошка в коробки, а также машины для укладки конфет в коробки.
Все кондитерские изделия порциями определенной массы упаковывают в картонные ящики, для склеивания клапанов которых применяются специальные машины.
Машинно-аппаратурная схема производства шоколада и какао-порошка
На кондитерских фабриках в соответствии с ассортиментом выпускаемых шоколадных изделий устанавливают поточные линии для производства шоколадных плиток, батончиков, конфет «Ассорти» и др. При этом из части какао тертого отпрессовывают какао-масло, которое затем подают на линию производства шоколада. Из какао-жмыха получают какао-порошок, часть которого используется в кондитерском производстве, а часть фасуется и отправляется в торговую сеть.
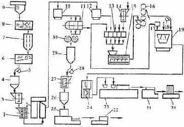
Поскольку оба производства (шоколадных изделий и какао-порошка) используют одно и то же сырье — какао-бобы, то и вырабатывают эти изделия на одном и том же оборудовании. На рис. 5.1 представлена машинно-аппаратурная схема поточной линии производства шоколадных изделий и какао-порошка.
Какао-бобы из силосов или из мешков взвешивают на весах 9, а затем подают в очистительно-сортировочную машину 8, где их очищают от механических примесей.
После очистки какао-бобы подаются конвейерами в шахтную сушилку 7, где они проходят термическую обработку в течение 45...60 мин при температуре 140...180 °С. При этом содержание влаги в какао-бобах уменьшается с 7 % до 2 %, оболочка какао-бобов становится хрупкой и легко отделяется от ядра. В процессе обжаривания в какао-бобах образуются вещества, определяющие вкус и аромат какао.

Рис. 5.1. Машинно-аппаратурная схема механизированной поточной линии производства шоколада и какао-порошка
Сушилка, кроме зоны обжаривания, имеет зону охлаждения, где температура какао-бобов снижается до 35...40 °С. Обжаренные и охлажденные какао-бобы поступают в дробильно-сортировочную машину 6, в которой они раздавливаются и разделяются на какао-крупку и оболочку, которая называется какаовеллой. Выход какао-крупки после дробления должен составлять не менее 87 % обжаренных какао-бобов. Содержание какао-крупки в какаовелле не должно превышать 0,5 %. Для отделения ферропримесей какао-крупка проходит через магнитный сепаратор 5.
Из дробильно-сортировочной машины какао-крупка пневматически подается в бункер 4, расположенный над размольным агрегатом, который состоит из молотковой дробилки 3, дисковой 1 и шариковой 2 мельниц.
При измельчении происходит разрыв клеток какао-бобов, из которых вытекает какао-масло. Полученная суспензия поступает в сборники 10 и 12 двух линий: для получения какао-масла и шоколада.
Какао-масло получают на гидропрессовой установке 11 путем прессования какао-тертого. Прессование происходит при температуре 90...96 °С. Гидравлический пресс установки имеет 6...14 рабочих камер, расположенных последовательно. Каждая камера снабжена двумя фильтрующими элементами, что позволяет ускорить процесс отжатия какао-масла. Из пресса диски какао-жмыха направляются на предварительное грубое измельчение в жмыходробилку 30. Полученные гранулы жмыха поступают в бункер 29, где они охлаждаются до температуры цеха. После охлаждения гранулы жмыха проходят магнитоулавливатель 28, а затем направляются в размольный агрегат 27. Полученный какао-порошок охлаждается, отделяется от воздуха, подается в расходный сборник 26 и упаковывается на фасовочном автомате. Какао-порошок фасуют в картонные коробки, которые затем оклеивают целлофаном в машине 22. Какао-масло из пресса подается в дозаторы 13,17.
Какао-тертое, которое было подано в сборник 12 на линию приготовления шоколада, сначала поступает в рецептурно-смесительный комплекс, который снабжен дозаторами 13 и смесителем 15. Кроме какао-тертого дозаторы подают в смеситель какао-масло, сухое молоко (или сухие сливки), сахарную пудру и другие добавки. Так как сахарную пудру сложно транспортировать, сахар-песок измельчают в молотковой дробилке 14 непосредственно перед подачей на дозирование.
Полученная смесь конвейером направляется к пятивалковым мельницам 16. После вальцевания смесь проходит магнитоулавливатель 18 и подается в шоколадоотделочные машины 19, в которых ее разводят какао-маслом, поступающим из дозатора 17. На этой же стадии в шоколадную массу добавляют разжижитель.
Массу перемешивают в течение 15...20 мин. при температуре 40...45 °С, а затем обрабатывают в течение 3...5 ч для обыкновенного шоколада и до 72 ч для десертных сортов шоколада (в этом случае температура обрабатываемой массы должна быть 60...70 °С)
Полученную шоколадную массу перед формованием из нее изделий темперируют на автоматической непрерывно-действующей машине 24. Температура готовой шоколадной массы после темперирования должна быть 30...31 °С.
Затем шоколадную массу отливают на автоматическом формующем агрегате 23 в предварительно нагретые до 33...35 °С формы.
Температура шоколада освобожденного из форм должна быть 12... 15 °С. Готовый шоколад подают на упаковывание в заверточную машину 21. Упакованные изделия укладывают в гофрокороба, клапаны которых заклеивают на машине 20.
В полученном шоколаде должно быть (%): сахара - 55...66, какао тертого и какао-масла — 20...45, влаги — 1,2...5, клетчатки — не более 3...4. Степень измельчения (по методу Реутова) — 92...96 % частиц размером менее 30 мкм.
Из приведенного описания схемы видно, что шоколад получают на оборудовании, которое можно объединить в следующие группы:
оборудование для подготовки и первичной обработки какао-бобов;
оборудование для приготовления шоколадных масс;
оборудование для формования (отливки) шоколадных изделий;
оборудование для прессования какао-тертого и производства какао-порошка;
оборудование для завертывания шоколадных изделий и фасования какао-порошка.
Машинно-аппаратурные схемы производства халвы
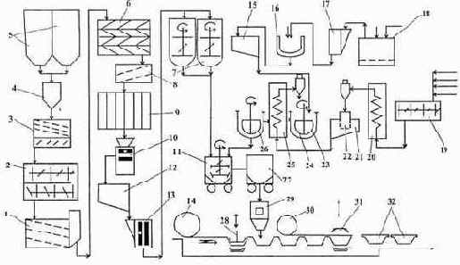
Механизированные поточные линии производства тахинной халвы. Тахинную халву получают из кунжутного семени.
Семя со склада (рис. 7.1,а) механическим или пневмотранспортом поступает в силосы 5. Переработка начинается с мойки семян в моечной машине 4, где семена очищаются от минеральных загрязнений.
Особенностью семян кунжута является то, что оболочки их плотно облегают ядро и трудно отделяются. Однако при замачивании оболочки значительно набухают, становятся эластичными и легко оделяются от ядра. После мойки семена поступают в шнековую замочную машину 3, где они в течение 0,5-3 ч находятся под слоем теплой воды температурой 40-50 °С. При замочке семена набухают, их масса увеличивается на 30—50 %, а содержание в них повышается с 6-10 до 38-40 %.
Оболочку от ядра отделяют путем интенсивного перетирания семян. Для этого их подают в обрушивающую машину 2. Шнеком семена подаются внутрь корпуса, где они интенсивно перемешиваются и перемещаются к выходному отверстию лопастями, установленными на горизонтальном рабочем валу.

Рис. 7.1, а. Механизированная поточная линия производства тахинной халвы мокрым способом.
От трения кунжута о стенки цилиндрического корпуса машины и взаимного трения семян между собой оболочки отделяются от ядра.
Выходящая из обрушивающей машины масса состоит из смеси оболочки и ядер кунжута, которую называют рушкой. Для отделения ядер от оболочки используется разность значений их плотности. Ядро, содержащее значительное количество жира, имеет плотность около 10—70 кг/м3, в то время как плотность оболочки, состоящей в основном из клетчатки, около 1500 кг/м3. Разделение осуществляют в жидкости, значение плотности которой находится в интервале плотностей ядра и оболочки. Таким раствором является раствор поваренной соли концентрацией 17—19 % и плотностью 1120—1150 кг/м3. Такой раствор называется соломуром. Этим раствором заполняют соломурную машину 1, в которую подается рушка. При соломурировании оболочка тонет (опускается на дно), ядро же всплывает на поверхность раствора.
Затем его промывают водой и наклонным шнеком подают в центрифугу 23. В ней ядро отделяется от воды и направляется в сушилку 6. Термическую обработку ведут при температуре 130—170 °С.
В процессе обжаривания удаляется почти вся оставшаяся влага, содержание сухих веществ доводится до 98,5—99 %, а за счет химических изменений составных частей ядра появляются характерные приятный вкус и аромат. Изменяются и структурно-механические свойства: ядро становится хрупким, что способствует последующему измельчению.
Обжаренное ядро, во избежание порчи за счет разложения жира сразу же после термической обработки охлаждают до 30—50 °С. Для этого в нижней части сушилки предусмотрена зона охлаждения, после которой ядро подается в воздушно-ситовой сепаратор 10, где от ядра отделяются остатки оболочки, необрушенные и слипшиеся ядра. После отвеивания ядро пропускают через магнитный сепаратор 11 для очистки его от ферропримесей.
Охлажденное и очищенное ядро подвергают измельчению на раз-мольной установке 13, в результате чего образуется масса сметанообразной консистенции, с размером частиц 30—60 мкм. Для предотвращения расслаивания измельченную массу следует перемешивать. Для этого насос-дозатор подает белковую массу в машину 22.
Карамельная масса, применяемая для получения халвы, обладает пластичными свойствами за счет введения большого количества патоки. Подготовленный сироп из сборника 18 плунжерным насосом-дозатором подается в змеевиковую варочную колонку 17. Кипящая смесь, состоящая из уваренной карамельной массы (содержание сухих веществ 94-95%) и вторичного пара, после змеевиковой колонки поступает в вакуум-камеру 16, где происходит отделение вторичного пара. Карамельная масса при температуре 105—110 °С поступает в аппарат 12 для взбивания с экстрактом мыльного корня. Он применяется для того, чтобы карамельная масса приобрела пористую, легкую структуру.
Экстракт мыльного корня готовят следующим образом. Мыльный корень закладывают в бак 14 и промывают водой для отделения различных примесей.
Затем корень перекладывают в бак 15 для замачивают в теплой воде в течение 10—15 ч. Замоченный мыльный корень дробят на корнерезке 7 и загружают в открытый варочный котел 8. В сборнике 9 готовят отвар необходимый плотности, который подают во взбивальный аппарат 12. Взбитая карамельная масса вместе с приготовленной тахинной массой поступает в установку 22 для вымешивания халвичной массы. Рецептурой предусмотрено следующие соотношение: на 54 массовые части белковой массы приходится 46 частей взбитой карамельной массы. Халву вымешивают при температуре 60—65 °С.
Вымешанная халва из машины 22 направляется в приемную воронку формующего агрегата 21 или для фасования в фанерные дощатые ящики, а также в короба 20 из гофрированного картона вместимостью до 10 кг. Ящики и короба внутри застилают пергаментом и взвешивают на весах 19 до и после заполнения.
Халву формуют в виде брикетов, которые завертывают в пачки массой 200 г либо упаковывают в пластмассовые коробочки. Некоторые сорта халвы формуют прокаткой и резанием на корпуса с последующим глазированием и завертыванием в фольгу.
Описанная выше схема предусматривает отделение оболочки об ядра с помощью жидкости. Такой способ называется «мокрым».
На рис. 7.1,б приведена машинно-аппаратурная схема приготовления тахинной халвы «сухим» способом.
На механизированной поточной линии производится халва, упакованная в полистироловые стаканчики массой по 200 г.
Технологический процесс происходит следующим образом. Извлеченное из мешков кунжутное семя загружается в силосы 5 бестарного хранения и взвешенными порциями передается в промежуточную емкость 4. Из нее с помощью вибродозатора семя подается в воздушно-ситовую машину 3, где происходит предварительная очистка сырья от песка, пыли, камней, веток, металлических и других примесей. Машина снабжена виброкорпусом с 3-мя ситами, шелушильным барабаном и магнитоуловителем.
Очищенное семя направляется в горизонтальную шелушильную машину 2, где в результате трения семян друг о друга и стенки 2-х цилиндров оболочки отделяются от кунжутного семени.
В каждом цилиндре вращаются два лопастных вала. Трению и отделению оболочки способствует увлажнение семян водой и паром.
Обрушенный кунжут перемещается в просеивающую машину 1, где рушанка (очищенные ядра) и шелуха отделяются друг от друга.

Рис. 7.1, б. Машинно-аппаратурная схема приготовления тахинной халвы «сухим» способом.
Просеивающая машина представляет собой систему сит, заключенных в корпус, совершающий круговое колебательное движение. Кроме разделения фракций по размерам, машина снабжена пневмосепарирующей колонкой, в которой большая часть оболочки уносится воздухом, осаждается в циклоне и засыпается в мешки.
Кунжутные ядра с небольшим количеством шелухи поступают в обжарочный агрегат 6, состоящий из девяти горизонтальных барабанов с паровым обогревом. Барабаны расположены друг под другом и в каждом из них вращается ротор, обеспечивая перемещение сырья последовательно через все барабаны. При обжаривании кунжутные ядра приобретают приятный вкус и аромат.
Обжаренные кунжутные ядра дополнительно очищаются в 2-х ситовой воздушно-очистительной машине 8 и загружаются в бункер 9 вместимостью 5 т для охлаждения. Бункер снабжен регуляторами температуры и влажности.
Охлажденные обжаренные кунжутные ядра из бункера 9 направляются на измельчение. Оно осуществляется в две стадии: в мельнице 10 происходит предварительное измельчение, а в мельнице 13 — окончательное. Для непрерывности процесса между мельницами устанавливается промежуточная емкость 12. Размер измельченных частиц составляет 110—200 мкм.
В результате измельчения происходит разрыв клеток кунжутного ядра и истечение из них масла, которое называется сезамовым. Таким образом, измельчение приводит к образованию суспензии, состоящей из твердых частиц и жидкой фазы — масла. Эта суспензия называется тахинной массой. Она перекачивается в накопительно-расходные сборники 7, снабженные мешалками, предотвращающими расслоение тахинной массы.
Карамельную массу готовят следующим образом. Просеянный сахар-песок, патока, инвертный сироп, вода дозируются в смеситель 19 и полученная кашица поступает в змеевик теплообменника 20.
В нем происходит растворение сахара, а полученный сироп фильтруется в фильтре 22 и собирается в емкости 21.
Уваривание сиропа происходит в теплообменнике 25. Порция карамельной массы попеременно дозирируется в чащу 23, снабженную сбивальной лопастью 24 или в аналогичную чашу 26. В них дозируется также порция отвара мыльного корня.
Мыльный корень промывается в ванне 18, изрезается в машине 17 и вываривается в котле 16. Отвар собирается в накопительно-расходной емкости 15.
Карамельная масса, сбиваясь с отваром мыльного корня, насыщается воздухом и становится легкой. В таком состоянии она дозируется в тележку 11, в которую подается также тахинная масса. Тележка подкатывается к месильной машине, где происходит вымешивание халвы. Готовая халвичная масса из тележки 27 конвейером подается в делительную машину 29. Машина имеет делительно-дозирующее устройство, состоящее из нагнетательного поршня и делительной головки с мерными карманами. Деление осуществляется по объемному принципу с точностью дозирования ±3%.
Дозирование порции халвы происходит в стаканчики из полистироловой ленты. Лента разматывается из рулона 14. Пресс 28 штампует из нее стаканчики, которые затем заполняются порцией халвы. Сверху стаканчики закрываются фольгой, разматываемой из рулона 30. На фольге нанесен рисунок, название халвы и другие, предусмотренные ГОСТом данные. Края стаканчиков и фольги прогреваются, привариваются и отрезаются друг от друга механизмом 31. Готовые стаканчики 32 подаются на укладку.
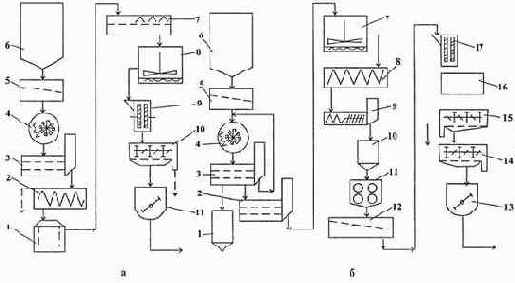
Машинно-аппаратурная схема приготовления тертой подсолнечной массы «мокрым» способом приведена на рис. 7.3,а.
Подсолнечное семя элеватором из силоса 6 подается на сепаратор 5 для очистки от посторонних примесей, а из сепаратора в семенорушку 4. После этого рушанка отвеивается на веечной машине 3. Последующая очистка ядра от лузги и содержащих ее фракций проводится в шнековой моечной машине 2. Промытое ядро поступает в центрифугу 1, а затем подсушивается на ситовой вибрационной установке 7. В жаровне 8 ядро обжаривается, измельчается на дисковой мельнице 9 без добавления подсолнечного масла во время размола.
Полученная тертая масса для дополнительной очистки от оставшихся частиц лузги проходит через протирочную машину 10, а затем собирается в сборнике 11, снабженной мешалкой.
При дополнительной очистке обрушенного ядра «сухим» способом его сразу же после обработки на ситовеечных машинах подают на обжаривание. После обжаривания и охлаждения ядро направляют на повторное обрушивание, которое осуществляется так же, как и первое, на бичерушке, с той лишь разницей, что эта бичерушка имеет меньшее число бичей (до 10) и меньшую частоту вращения бичевого барабана (около 600 мин-1). Лузга и тонкая околоплодная пленка после обрушивания обжаренного ядра удаляется с помощью вентилятора. На этой стадии обработки происходит значительное уменьшение содержания в ядре лузги за счет обрушивания необрушенного и частично обрушенного семени. Количество ее при этом снижается примерно с 11,8 до 5,4 %.
Машинно-аппаратурная схема приготовления тертой подсолнечной массы «сухим» способом представлена на рис. 7.3,б.
Семя поступает в бункер 6 рушильного цеха, где его взвешивают, а затем подают на сепаратор 9 для очистки от посторонних примесей. Очищенное семя обрушивают на бичерушке 4. Полученную рушанку подсолнечного семени подают на веечную машину 3 Для разделения на фракции и отвеивания лузги. Отделенное на веечной машине от рушанки целое необрушенное семя возвращается на бичерушки 4. Образовавшуюся при обрушивании семени мучку (масличную пыль) удаляют из цеха. Лузга после отвеивания поступает в бункер 1, где накапливается. Освобожденную от лузги, необрушенного семени и мучки рушанку подают в сепаратор 2 для дополнительной очистки. Ядро с примесями необрушенного семени и дробленные ядра подаются в жаровню 7. Затем, обжаренное ядро направляется в шнековый охладитель 8. Охлажденное ядро подается в рушильную машину 9 для повторного обрушивания содержащегося в нем частично обрушенного семени. После повторного обрушивания ядро подается в бункер 10, откуда поступает на валковую дробилку 11. Лузга из рушильной машины удаляется вентилятором.
Полученную на валковой дробилке крупку для дополнительного освобождения от лузги просеивают на вибросите 12.

Рис. 7.2. Машинно-аппаратурная схема приготовления тертой подсолнечной массы:
а — мокрым способом; б — сухим способом.
Крупку размалывают в тертую массу на дисковой мельнице 17. Полученная тертая подсолнечная масса собирается в сборнике 16, откуда насос перекачивает ее в сдвоенную протирочную машину 14, 15. При протирке массы содержание лузги в ней снижается с 3,2 до 1,4—1,2 %. Готовая тертая подсолнечная масса поступает в сборник 13.
При «мокром» способе очистки остаточное содержание лузги в обжаренном ядре (или в тертой массе) обычно находится в пределах 0,4-0,9 %, что в халве составляет примерно 0,3-0,5 %, а при «сухом» способе 1,3—1,4 %, что в халве составляет 0,7—0,8 %. Следовательно, «мокрый» способ очищения ядра от лузги намного лучше, чем «сухой», но при этом повышаются технологические потери, которые при «мокром» способе составляют 18%, а при «сухом» 14%,
Машинно-аппаратурные схемы производства карамели
§ 1. Машинно-аппаратурные схемы производства карамели
Механизированная поточная линия производства завернутой карамели с начинкой. Предназначена для производства завернутой карамели с непрозрачной тянутой оболочкой.
Схема (рис. 3.1) наиболее полно отражает основные стадии процесса: приготовление сиропа и его уваривание (участок I), приготовление начинки (участок II), охлаждение карамельной массы и формование из нее изделий (участок III), а также завертывание карамели и ее упаковывание (участок IV).
Основное сырье для производства карамели с фруктовой начинкой — сахар, патока, фруктовые и ягодные заготовки, а также вода.
Сахар-песок из мешков, силосов или сахаровозов подается в просеиватель 26, где отделяются посторонние примеси. При движении сахара по лотку просеивателя с помощью постоянных магнитов из него удаляются ферропримеси. Очищенный сахар поступает через дозатор 27 в смеситель 28. В этот же смеситель из емкости 22 непрерывно в необходимом количестве дозатором 23 подается предварительно подогретая водопроводная вода.

Рис. 3.1. Механизированная поточная линия производства завернутой карамели с фруктовой начинкой
Патоку, доставленную в автоцистернах, сливают в металлические резервуары 1 с обогревом. В каждом резервуаре имеется отделение, в котором размещены змеевики 2 для подогрева патоки. Менее вязкая патока насосом 3 перекачивается в резервуар 24, где она нагревается до температуры, близкой к 90 °С. Плунжерный насос-дозатор 25 подает патоку в нужном количестве в тот же смеситель 28, в который одновременно поступают очищенный сахар-песок и вода, а из смесителя плунжерный насос 29 нагнетает полученную кашицеобразную смесь в варочную змеевиковую колонку (растворитель) 30. Пройдя через фильтр 31 смесь (сироп) концентрацией сухих веществ 84...88 % стекает в закрытый сборник 32.
Двухплунжерный насос-дозатор 33 с регулируемой подачей перекачивает сироп в варочную змеевиковую колонку 34 вакуум-аппарата. Здесь сироп уваривается в карамельную массу до концентрации сухих веществ 98,5 %.
Вторичный пар, получаемый в результате уваривания сиропа, поступает из вакуум-камеры 35 в конденсатор 43, откуда смесь образовавшегося конденсата и охлаждающей воды откачивается мокровоздушным насосом 44.
Готовая карамельная масса из вакуум-камеры 35 периодически поступает в загрузочную воронку охлаждающей машины 36, из которой она выходит в виде тонкого пласта на наклонную охлаждающую плиту. При этом на движущийся пласт карамельной массы из дозаторов непрерывно подаются эссенция, лимонная кислота и красители.
Охлажденная до 90...95 °С карамельная масса конвейером 37 передается на тянульную машину 38, где масса непрерывно перетягивается, перемешиваясь с красящими и ароматизирующими добавками, и насыщается воздухом.
Тянутая масса непрерывно подается ленточным конвейером 39 в карамелеобкаточную машину 40. Начинконаполнитель 41 нагнетает начинку по гибкому шлангу и трубе внутрь карамельного батона. По мере обкатывания карамельный батон превращается в жгут.
Выходящий из карамелеобкаточной машины карамельный жгут с начинкой проходит через жгутовытягивающую машину 42, которая калибрует изделие до нужного диаметра. Откалиброванный карамельный жгут непрерывно поступает в карамелеформующую машину 45, которая формует и разделяет его на отдельные изделия соответствующей формы с рисунком на поверхности.
Отформованная карамель температурой 60...65 °С непрерывной цепочкой с тонкими перемычками поступает на узкий ленточный охлаждающий конвейер 46, на котором происходит охлаждение перемычек и предварительное охлаждение поверхности карамели (образование корочки) и который подает ее в охлаждающий шкаф 47. Охлаждающий воздух температурой 8...10°С непрерывно подается вентилятором по воздуховодам на узкий охлаждающий конвейер и в шкаф.
Воздух для охлаждающих аппаратов подготавливают в специальных кондиционерах, в которых регулируется не только его температура, но и относительная влажность.
На охлаждающем конвейере и в шкафу карамельная цепочка разбивается на отдельные изделия и охлаждается до температуры 40...45 °С.
Продолжительность охлаждения около 4 мин, расход охлаждающего воздуха до 8 тыс. м3/ч. Охлажденная карамель из шкафа поступает на распределительный конвейер 48, вдоль которого установлены карамелезаверточные машины 49. Под распределительным конвейером расположен ленточный конвейер 50 для сбора завернутой продукции.
Карамель, двигаясь по распределительному конвейеру, подается по наклонным желобам с регулируемыми затворами в автоматические питатели заверточных машин. Завернутая карамель промежуточным конвейером 51 или по спуску подается на весы 52, где ее взвешивают и упаковывают в картонные ящики 53, которые затем закрывают и оклеивают бандеролью на машине 54.
Начинку готовят следующим образом. Из резервуара 4, предназначенного для хранения фруктовой пульпы (плоды, обработанные консервантом, например SO2, используемые для получения фруктово-ягодного пюре), пульпа насосом 5 подается в десульфитатор 6. Здесь она размешивается и пропаривается, из нее удаляется сернистый газ — оксид серы (IV). Затем пульпа поступает в измельчитель 7, а оттуда — насосом 8 в протирочную машину 9.
Протертая плодовая мякоть (пюре) насосом 10 подается в сборник-накопитель 11, который для предотвращения расслаивания пюре снабжен лопастным валом. Из сборника 11 пюре насосом 12 перекачивается в смеситель 13. В этот же смеситель насосом 33 подается сироп из сборника 32. Полученная рецептурная смесь влажностью 42 % насосом-дозатором 14 подается в змеевиковый варочный аппарат (колонку непрерывного действия) 15, где уваривается до содержания влаги 16...30 %. Из пароотделителя 16 колонки вторичный пар отсасывается вентилятором, или при уваривании под вакуумом вторичный пар поступает в конденсатор. Из пароотделителя начинка стекает в сборник 17, где она смешивается с эссенцией и охлаждается до температуры, которая примерно на 10°С ниже температуры карамельной массы в карамелеобкаточной машине.
После охлаждения начинка насосом 18 перекачивается в промежуточный сборник 19, откуда порциями подается по мере необходимости в расходный сборник 20.
Насос-дозатор 21 соединен с темперирующим сборником 20 трубопроводом, по которому перемещается начинка. Трубопровод проходит над несколькими обкаточными машинками. Через отводные патрубки начинка может подаваться в начинконаполнитель.

Рис. 3.2. Механизированная поточная линия производства глянцованной или обсыпной карамели

Рис. 3.3. Механизированная поточная линия производства карамели с начинкой, переслоенной карамельной массой
Механизированная поточная линия производства глянцованной или обсыпной карамели. Эта схема (рис. 3.2) отличается от схемы, приведенной на рис. 3.1, наличием оборудования для обсыпки, глянцевания, фасования и упаковывания карамели.
Карамель из охлаждающего шкафа 1 по лотку 2 подается в агрегат 3 для отделки (непрерывного глянцевания или обсыпки). После отделки карамель типа «подушечка» или «шарик» наклонным конвейером 4 направляется в фасовочно-упаковочную машину 5 для фасования в картонные коробки, которые затем укладывают в картонные ящики.
Механизированная поточная линия производства карамели с начинкой, переслоенной карамельной массой. Эта схема отличается от схемы, приведенной на рис. 3.1, наличием оборудования для приготовления начинок.
На рис. 3.3 приведена схема получения карамели с ореховой и шоколадной начинками, переслоенными карамельной массой.
Орехи, подлежащие переработке, поступают в очистительно-сортировочную машину 1, а оттуда — в обжарочный аппарат 2, где из них удаляется излишняя влага, а под воздействием высокой температуры в результате биохимических реакций появляются приятный вкус и аромат. Обжаренные орехи остывают в тележке 3, а затем их подают на измельчение в трехвалковую комбинированную мельницу 4, где они сначала измельчаются в дисковом или штифтовом измельчителе, затем проходят через зазоры между валками и направляются в сборник с лопастным валом. В результате измельчения происходит разрыв клеток орехов и истечение из них жидкого масла. Поэтому измельченный орех представляет собой жидкую подвижную массу (тертый орех).
Густую (ореховую или орехово-шоколадную) начинку готовят в меланжере 5 смешиванием ореховой массы с сахарной пудрой, какао-маслом или другим жиром и в случае необходимости — с какао тертым. Сахарная пудра поступает из дробилки 6.
Полученная смесь подается в пятивалковую мельницу 7, а затем отминается в месильной машине 8. После отминки густую начинку загружают в приемную воронку начинконаполнителя 9. Для снижения вязкости ореховой или шоколадной смеси воронку снабжают рубашкой с водяным обогревом, а смесь подвергают вибрационным воздействиям.
Начинконаполнитель перекачивает смесь в неподвижную трубу 10, расположенную на оси внутри обкаточной машины 11. С ленточного конвейера 12 в обкаточную машину поступает карамельная масса, формуемая в виде конуса, внутрь которого начинконаполнителем подается густая начинка. Из образовавшегося конуса жгутовытягивающая машина 13 формует жгут. Затем жгут поступает на промежуточный конвейер 14, лента которого имеет несколько меньшую скорость, чем скорость жгута. В результате этого жгут укладывается на ленте в виде волнистой линии, что обуславливает равномерное чередование поперек оси конвейера слоев карамельной массы и густой начинки, т.е. слои начинки переслаиваются.
Переслоенная начинка поступает в обкаточную машину 15, где с конвейера 12 на нее накладывается порция карамельной массы. Таким образом, жгутовытягиватель 16 формует жгут, состоящий из карамельной оболочки, внутри которой находится густая ореховая или орехово-шоколадная начинка, переслоенная карамельной массой. Далее жгут поступает на формование изделий.
Автоматизированная поточная линия производства леденцовой завернутой карамели. Предназначена для производства леденцовой карамели типа «Театральная», изготовляемой в форме параллелепипеда и завертываемой на ирисоформующе-заверточных машинах. Машинно-аппаратурная схема линии представлена на рис. 3.4.
Патока и сахарный сироп из соответствующих емкостей 1 двухплунжерным насосом 2 подаются в смеситель 3. Затем смесь шесте ренным насосом 4 перекачивается в расходный бак 5, а далее плунжерным насосом 6 в выпарной аппарат 7.

Уваренная карамельная масса вместе с вторичным паром поступает в вертикальную трубу, где пар отделяется от карамельной массы и отсасывается вентилятором через патрубок 11. Карамельная масса непрерывно стекает вниз по трубе, при этом из дозаторов 10 и 13 в нее подаются добавки. В реверсивно-поворотном наконечнике 9 трубы 12 карамельная масса перемешивается с добавками и равномерно распределяется в приемной воронке 8 охлаждающей машины 17. В приемную воронку из дозатора 14 непрерывно подается также эссенция.
После охлаждения на барабане 15 лента карамельной массы скользит по наклонной охлаждающей плите и подвижными лемешками свертывается в жгут, который захватывается двумя зубчатыми барабанами 16, осуществляющими проминку карамельной массы. Далее карамельный жгут переходит на верхнюю ветвь конвейера 18, наклоненного к горизонту под большим углом. В конце конвейера установлен нож 19 гильотинного типа, разрезающий карамельную массу на отдельные жгуты длиной около 1200 мм.
Отрезанные жгуты поступают на промежуточный конвейер 20, а с него на распределительный ленточный конвейер 21. Над этим конвейером установлены поворотные сталкиватели, которые, работая последовательно, сталкивают жгуты по наклонным спускам 22 в обкаточные машины агрегатов ИЗМ-2. В линии перпендикулярно оси конвейера установлено пять таких агрегатов, один из которых является резервным.
Скорость распределительного конвейера 21 выбрана с таким расчетом, чтобы первый жгут успел сойти в последнюю машину линии до того, как на конвейер поступит второй жгут. Промежуточный конвейер 20 работает с переменной скоростью: в период перехода на него жгута с конвейера 18 его скорость равна скорости конвейера 18 (v1=2,94 м/мин), а в период передачи жгута конвейером 21 в обкаточную машину он имеет повышенную скорость (v2=29,4 м/мин), близкую к скорости распределительного конвейера 21 (v3=32,4 м/мин). Скорость конвейера 20 изменяется с помощью двухступенчатой коробки передач 26.
Завернутая на машинах 24 карамель передается поперечными конвейерами 25 на отводящий ленточный конвейер 23, на котором она охлаждается, а затем поступает на фасование.При недостаточной ширине помещения агрегаты ИЗМ-2 могут быть установлены параллельно оси распределительного конвейера.
Из описания машинно-аппаратурных схем поточных линий карамельного производства видно, что для приготовления карамельного сиропа и начинок на кондитерских предприятиях применяется то или иное описанное в главе 2 оборудование, которое компонуется в виде сироповарочных и начиночных комплексов и агрегатов, причем для них отводятся специальные помещения, а сироп и начинки в линии перекачивают по трубопроводам насосами.
Из описания схем видно также, что каждая из приведенных выше линий обычно состоит из следующих основных групп оборудования, предназначенных: для приготовления карамельной массы; охлаждения и обработки карамельной массы; формования карамели; охлаждения и отделки карамели.
Агрегатированные сироповарочные комплексы и начиночные агрегаты описаны в гл. 2.
Машинно-аппаратурные схемы производства конфет и ириса
Механизированная поточная линия производства отливных глазированных конфет с автоматическим завертыванием. Предназначена для изготовления и автоматического завертывания отливных глазированных конфет с помадными, помадно-молочными, фруктово-желейными и другими корпусами.
На линии механизированы следующие процессы: приготовление различных конфетных масс, формование корпусов конфет отливкой в крахмал, ускоренная выстойка отлитых корпусов конфет в потоке, очистка их от крахмала, глазирование шоколадной или жировой глазурью, завертывание глазированных конфет в потоке, и транспортировка завернутых конфет, взвешивание и упаковывание их в торговую тару. При этом процесс взвешивания, завертывания и упаковывания изделий в торговую тару автоматизированы.
Линия (рис. 4.1) включает в себя технологический комплекс для приготовления конфетных масс, отливочный полуавтомат с установкой ускоренной выстойки корпусов, агрегаты глазировочный, автоматического завертывания и упаковывания конфет.
Компоненты, необходимые для приготовления различных конфетных масс (сироп, патока, сгущенное молоко, фруктово-ягодное пюре) подаются по трубопроводам в расходные баки 1. Плунжерные насосы-дозаторы 2 перекачивают компоненты в секционный смеситель 3. Смесь компонентов в виде сиропа из смесителя, пройдя сквозь фильтр 4, плунжерным насосом 5 подается на уваривание в змеевиковый варочный аппарат (колонку) 6. Здесь сироп уваривается до содержания влаги 8... 12 %.
При приготовлении помадных и других подвергающихся взбиванию масс сироп после уваривания поступает через пароотделитель 7 в помадовзбивальную машину 8, из которой взбитая масса направляется в промежуточный сборник 9, а затем насосом 10 перекачивается в рецептурные темперирующие машины 11 с мешалкой. Здесь маску нагревают до 68...75° С и вводят в нее предусмотренные рецептурой вкусовые, красящие и ароматические добавки. Затем масса насосом 12 перекачивается в приемную воронку 13 конфетоотливочной машины 14.

Рис. 4.1. Механизированная поточная линия производства отливных глазированных конфет с автоматическим завертыванием.
Конфетоотливочная машина объединена в единый агрегат с установкой 15 для непрерывной ускоренной выстойки отлитых корпусов конфет и связана с ней промежуточными цепными транспортерами. В конфетоотливочной машине выполняются следующие операции: заполнение лотков кукурузным крахмалом, выштамповывание в нем ячеек, соответствующих по форме корпусам конфет, отливка конфетной массы в ячейки при помощи расположенной под воронкой системы дозирующих поршневых насосов, а также очистка корпусов конфет от крахмала после выстойки.
Лотки с отлитыми корпусами конфет с помощью промежуточного цепного конвейера направляются в установку ускоренной выстойки 15, в которой в течение 38 мин корпуса конфет находятся в потоке охлажденного до 6...10 °С воздуха. Сначала они поднимаются по одной вертикальной шахте вверх, а затем по другой опускаются вниз (см. на рис. 4.1 направление движения, указанное стрелками) и по окончании цикла выстойки возвращаются с затвердевшими корпусами в загрузочную часть отливочной машины. Здесь корпуса конфет очищаются от крахмала системой сит и щеток.
Очищенные от крахмала корпуса конфет по отводному конвейеру поступают на саморасклад 16 глазировочной машины. На глазирование поступают корпуса конфет температурой до 22...25 °С.
Неглазированные сорта конфет поступают на завертывание, минуя глазировочный агрегат.
В процессе прохождения через глазировочную машину 17 корпуса конфет покрываются слоем шоколадной глазури, которая застывает при последующем прохождении конфет через охлаждающую камеру 18 агрегата, где поддерживается режим охлаждения воздухом в пределах 8...10 °С. С конвейера охлаждающей камеры глазированные конфеты переходят на ленту промежуточного конвейера 19. С помощью поворотных устройств 20 конфеты поступают в ленточные питатели конфетозаверточных машин 21.
Завернутые конфеты отводятся от заверточных машин поперечными конвейерами на горизонтальный конвейер готовой продукции 22. Затем конфеты направляются на автоматические весы 23 и далее на упаковку в гофрированные короба 24.
Заклеивание клапанов коробов 26 и склеивание их бандеролью осуществляется на установленной в конце линии оклеечной машине 25.
В результате внедрения таких линий обеспечивается комплексная механизация процесса производства конфет; уменьшается длительность технологического цикла в 7...10 раз благодаря ускоренной выстойке корпусов конфет и автоматическому завертыванию в потоке; сокращаются потребности в производственных площадях в 1,5...2 раза; увеличивается производительность труда в 1,5 раза; резко сокращаются потери основного сырья, возвратных отходов, расхода прокладочной бумаги, формовочного крахмала; значительно уменьшается (более чем в 10 раз) количество лотков; полностью ликвидируется промежуточная тара; улучшаются санитарно-гигиенические условия труда, так как работа на линии осуществляется без применения ручного труда.
Механизированная поточная линия производства пралиновых конфет с формованием жгутов выпрессовыванием. Предназначена для производства конфет и батончиков, изготовляемых из жирных пралиновых масс, преимущественно на ореховой основе. На линии осуществляются следующие процессы: приготовление пралиновых конфетных масс, формование заготовок корпусов конфет или батончиков (в виде жгутов или полос соответственно круглого или прямоугольного сечения) выпрессовыванием, охлаждение в потоке отформованных жгутов, резка их на отдельные корпуса конфет или батончики, глазирование шоколадной глазурью (при изготовлении глазированных конфет), транспортирование изделий к заверточным машинам, завертывание и упаковывание в торговую тару. При этом завертывание изделий в такой линии может быть полуавтоматическим или автоматическим.
Основное оборудование линии — машины для формования пралиновых корпусов конфет и батончиков выпрессовыванием, а именно шнековый пресс, формующий механизм с валковым или шестеренным нагнетателем или при небольших масштабах полумеханизированного производства — шнековый пресс. Кроме того, в состав линии может входить оборудование для приготовления пралиновых масс, включая первичную переработку жиросодержащих ядер: сортировочная машина, обжарочный барабан, меланжер, вальцовки, смесители и другое оборудование, описание которого приведено в главе 2.
При выпуске глазированных конфет с пралиновыми корпусами в состав линии может входить глазировочная машина.
На поточной линии для выработки глазированных конфет с корпусом из пралиновой массы (рис. 4.2) выпускаются конфеты типа «Белочка», «Маска», «Кара-Кум» и другие массовые сорта.

Рис. 4.2. Механизированная поточная линия производства пралиновых глазированных конфет
Готовую ореховую массу (пралине) загружают в воронку 1, снабженную червячным лопастным валом, с помощью которого масса отминается, подогревается и приводится в состояние, пригодное для формования. Конвейер 2 подает массу в формующую машину 3. В качестве формующей машины могут быть использованы прессы ШВФ-22, ШГФ-22 или ШПФ с соответствующим количеством выходных отверстий в матрице (от 5 до 22). Количество отверстий регламентируется шириной раскладочного полотна глазировочного агрегата (при ширине полотна 800 мм — 22 жгута; при ширине 620 мм — 18 жгутов и т.д.).
Из формующей машины пралиновая масса выдавливается на ленту приемного конвейера 4 в виде непрерывных жгутов, которые поступают в охлаждающий шкаф 5. В шкафу расположены охлаждающие батареи и вентиляторы, поддерживающие циркуляцию воздуха температурой 6...8 °С.
Жгуты остывают в охлаждающем шкафу и на выходе из него делятся на корпуса гильотинным ножом на резательной машине 6. Нож совершает возвратно-поступательное движение в вертикальной и горизонтальной плоскостях. Меняя ход ножа, можно изменять длину отрезаемых корпусов конфет. Обычно корпус имеет размеры сечения 18x10 мм, а длину 38...40 мм.
Корпуса конфет поступают на промежуточный (раскладочный) конвейер 7, а затем в глазировочную машину 8, где покрываются шоколадной массой. Для затвердевания шоколадной оболочки конфеты конвейером 9 направляются в охлаждающий шкаф 10, устройство которого аналогично охлаждающему шкафу 5.
Охлажденные готовые изделия из шкафа 5 поступают на конвейер 11, над которым располагаются ленточные преобразователи рядов 12. Последний представляет собой бесконечный ремень, приводимый в движение шкивом с вертикальной осью вращения.
Несколько рядов конфет, перемещающихся на ленте конвейера 11 и надвигающихся на ремень преобразователя 12, выстраиваются вдоль него в один ряд и поступают на индивидуальный ленточный питатель 13, подающий их в заверточную машину 14. В зависимости от производительности линии устанавливают 9... 12 заверточных машин. Этому количеству соответствует число преобразователей рядов. По узким конвейерам 15 завернутые изделия поступают на сборочный конвейер 17, который направляет их на взвешивание и упаковывание в картонные ящики.
Если какая-либо машина перегружена или не работает, конфеты с конвейера 11 сбрасываются на конвейер 16, в конце которого они собираются в лотки и далее направляются к отдельно стоящим заверточным машинам, снабженным индивидуальными питателями.
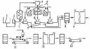
Механизированная поточная линия производства корпусов конфет «Грильяж в шоколаде». Предназначена для изготовления корпусов конфет из грильяжной массы с последующим их глазированием и автоматическим завертыванием.
На рис. 4. 3 представлен участок приготовления корпусов конфет из грильяжной массы. На участке осуществляются процессы механизированного, непрерывного получения расплава сахара, грильяжной массы и корпусов конфет.
Участок линии включает вертикальный аппарат для плавления сахара-песка, горизонтальный смеситель с дозаторами для приготовления грильяжной массы, оборудование для ее охлаждения, прокатки, резки и отделения корпусов конфет друг от друга.

Рис. 4.3. Участок приготовления корпусов конфет из грильяжной массы
В состав рецептуры грильяжной массы входят сахар-песок, крупка орехов, возвратных отходов и сливочное масло. Просеянный и очищенный от ферропримесей сахар-песок поступает в накопительный бункер 1, который опирается на упругие опоры 2 и подвергается вибрационному воздействию от дебалансного вибратора, что предотвращает зависание сахара-песка и способствует более равномерному его истечению в шнековый дозатор 4. Бункер 1 связан с дозатором 4 эластичным рукавом 3.
Сахар-песок непрерывным потоком поступает в верхнюю часть вертикального пленочного аппарата 7 роторного типа, снабженного электрообогревом.
Под воздействием теплопередающей поверхности сахар-песок нагревается и начинает плавиться в пленочном слое. Одновременно с нагреванием происходят дробление, истирание сахара-песка и перемешивание расплава до однородного состояния. Продукт перемещается сверху вниз под действием собственной массы.
Внутри конической и цилиндрической частей аппарата происходит вертикальный вал 8, снабженный лопатками 9 сложной конструкции. Вал 8 имеет частоту вращения 350 мин-1. Под влиянием центробежных сил сахар-песок отбрасывается лопатками к стенкам аппарата, где дробится и истирается. Одновременно происходит постепенный прогрев частиц сахара-песка до температуры плавления, а затем — плавление. Время плавления сахара-песка в аппарате составляет 15...30 с.
Аппарат имеет три температурных зоны: в верхней поддерживается температура стенок 140 °С, в средней зоне — 200...210 °С, в нижней — 160 °С. Из пленочного аппарата непрерывным потоком вытекает прозрачный карамелизованный расплав сахара красновато-коричневого цвета температурой 190...205 °С.
В верхней части аппарата размещены патрубки 5 и 6. Патрубок 5 служит для локальной вытяжки, предотвращающей поступление горячего влажного воздуха внутрь корпуса шнекового дозатора 4, а оттуда в бункер 1. Через патрубок 5 обеспечивается полная вытяжка продуктов сгорания и горячего влажного воздуха.
Грильяжную массу получают непрерывным способом путем смешивания в лопастном смесителе 13 сахарного расплава, поступающего из аппарата 7, ореховой крупки в смеси с ванилином и крошки грильяжной массы, поступающих соответственно из шнековых дозаторов 10 и 11, а также расплавленного сливочного масла, перекачиваемого насосом-дозатором 12. Полученная текучая смесь температурой 120...140 °С из смесителя 13 поступает в охлаждающую машину, где смесь прокатывают в пласт и охлаждают до температуры 100 ± 5 °С.
Охлаждающая машина представляет собой круглый вращающийся стол 15 в виде желоба . Желоб шириной 288 мм имеет металлическое днище с двумя бортами высотой 20 мм.
Борта и дно желоба облицованы фторопластом и охлаждаются водой температурой 55...60 °С. Над желобом смонтированы три круглых конических вала 14, которые, вращаясь, формуют пласт. Валки, охлаждаемые водой, приводятся в движение через конические шестерни от вертикального приводного вала круглого стола. Зазор между наружной поверхностью каждого валка и дном желоба можно регулировать в пределах 2... 10 мм.
Для дополнительного охлаждения грильяжный пласт перед третьим валком обдувают воздухом. Продолжительность охлаждения пласта регулируется в пределах 4...8 мин. На охлаждающей машине получают пласт толщиной 8...10 мм, затем его разрезают на части длиной 30...40 см и направляют на дополнительную выстойку и охлаждение на охлаждающий стол 16.
Охлажденные до 75...80 °С пласты подают на валковую прокатную машину, где с помощью двух пар рифленых валков 17 и 18 пласты отминают и предварительно калибруют. После двойной прокатки пласт направляют на подающий конвейер формующей машины. Формующая машина имеет две пары калибрующих валков 20 и 33, 21 и 32, механизм продольной резки с дисковыми ножами 23 и валком 31.
Пласт грильяжной массы с конвейера 19 поступает на предварительное калибрование в зазор между валками 20 и 33. Валок 20 выполнен в виде полой шестерни, что улучшает проминку массы, а также способствует подаче пласта в зазор между валками 21 и 31, которые окончательно калибруют пласт по толщине и ширине. Валки окончательного калибрования рифленые. Откалиброванный пласт проходит камеру и разрезается дисковыми ножами 23 на жгуты. Калиброванные жгуты отделяются от ножей съемниками 22 и 24 и поступают на отводящий конвейер 25, где жгуты разрезаются поперек гильотинным ножом 26. Полученные корпуса охлаждаются в шкафу 27.
При разделении пласта грильяжной массы на жгуты и корпуса дисковые ножи и гильотинный нож прорезают его не полностью. На нижней плоскости пласта между корпусами остаются перемычки толщиной 0,5 мм и шириной 0,2...0,3 мм. Таким образом, на охлаждение поступает разделенный на корпуса пласт температурой 65...70 °С.
После охлаждения в течение 6... 7 мин при температуре воздуха 4...6 °С температура пласта снижается до 23...25 °С. При этой температуре корпуса приобретают прочность, а перемычки — хрупкость.
Окончательное разделение охлажденного пласта на корпуса производится при помощи специального устройства, установленного на выходе из охлаждающего шкафа. Устройство выполнено в виде двух вращающихся по ходу движения пласта барабанов. Верхний барабан 28 имеет вогнутую поверхность, а нижний 30 — выпуклую. Барабаны установлены с зазором, равным высоте корпуса конфет. Между барабанами проходит конвейерная лента 25 с разделенным на корпуса охлажденным пластом. При прохождении пласта между вогнутой и выпуклой поверхностями барабанов перемычки ломаются и пласт разделяется на корпуса. На конвейере 25 отбирают бракованные корпуса, а стандартные отделяются от крошки на вибролотке 29 и подаются на глазирование.
Механизированная поточная линия производства кремовых сбивных конфет куполообразной формы. Куполообразную форму имеют конфеты, «Трюфели», «Красная Москва», «Вечерний звон» и т.п.
Линия (рис. 4.4) предназначена для получения кремовых сбивных конфет куполообразной формы, покрытых шоколадной глазурью или обсыпанных сверху какао-порошком.
В состав линии входит шоколадоотделочная машина или меланжер, темперирующая, взбивальная и отсадочная машины, охлаждающий шкаф, передающий конвейер и обкаточный барабан с дозаторной станцией для какао-порошка и сахарной пудры.
Процесс производства конфет «Трюфели» состоит из следущих стадий: приготовление шоколадной массы, включающей операции разводки и темперирования, взбивания массы формования корпусов с последующим охлаждением и обсыпки какао-порошком.

Рис. 4.4. Механизированная поточная линия производства кремовых сбивных конфет куполообразной формы.
Полученную обычным способом шоколадную массу с содержанием жира 26,5...27 % в порошкообразном состоянии загружают в меланжер 1 с паровым обогревом или шоколадоотделочную машину, куда предварительно заливают разогретые до температуры 40...45 °С какао-масло и кокосовое масло.
Здесь масса перемешивается до однородной консистенции в течение 2...3 ч. За 10...15 мин до окончании разводки добавляют эссенцию.
Шоколадную массу насосом 2 перекачивают в автоматическую темперирующую машину 3 и охлаждают до температуры 26...27 °С. Далее оттемперированная масса поступает в двухвальную лопастную горизонтальную непрерывнодействующую взбивальную машину 4, снабженную охлаждающей водяной рубашкой. Массу взбивают в течение 4 мин. В процессе взбивания трюфельная масса насыщается воздухом, который равномерно распределяется в массе, что значительно улучшает вкус изделий.
Взбитая масса при температуре 25...26 °С сливается в воронку отсадочной машины 5. С помощью нагнетающего устройства (в данном случае — шнеков) масса продавливается через двенадцать отверстий с формующими насадками, которые периодически отрываются отсекающей планкой, на конвейерную ленту 6. Участок ленты, находящийся под формующими насадками, в момент выдавливания массы перемещается вертикально вверх, навстречу массе. В начале процесса отсадки лента вместе со столиком находится в верхнем положении, затем резко опускается, отрывая отсаженный ряд корпусов конфет от формующих насадок матрицы. Затем конвейер направляет ряд конфет на охлаждение в шкаф 8.
Охлаждение длится 6...7 мин при температуре воздуха 10 °С. Из шкафа 8 конфеты по конвейеру 9 и лотку 11 подаются на обсыпку во вращающийся барабан 12, куда из дозирующей станции 10 поступает смесь какао-порошка и сахарной пудры. Внутри барабана смонтированы заслонки, служащие для регулирования продолжительности обсыпки конфет смесью. Из барабана 12 конфеты поступают на виброрешетку 13 с отверстиями диаметром около 10 мм, где отделяется избыток вводимой в барабан смеси. Выходящие из барабана конфеты собираются в лотки и направляются на завертывание.
Производительность линии при выпуске конфет «Трюфели» около 65 кг/ч.
Механизированная поточная линия производства литого ириса. Линия предназначена для производства завернутого ириса типа «Золотой ключик», «Молочный» и т.п.
На линии осуществляются процессы механизированного приготовления рецептурной смести и ее уваривания, охлаждения ирис-ной массы, деления ее на порции, формование, завертывание и охлаждение ириса.

В состав линии (рис. 5.5) входят технологические комплексы приготовления молочно-сахарных сиропов для ириса, уваривания сиропа, охлаждающая машина, передающие конвейеры, четыре обкаточно-калибрующие машины КРМ-2 и четыре ирисозаверточные машины.
В состав рецептуры литого ириса входят жир, сахаро-паточный сироп и сгущенное молоко. Жир растапливается в аппарате 1, снабженном рубашкой для обогрева паром или горячей водой, решеткой и мешалкой, предотвращающей расслаивание жира. Расплавленный жир насосом 2 перекачивается в сборник 4, установленный на циферблатных платформенных весах 3. В этот же сборник из бачков 5 поступают сгущенное молоко и сироп.
Дозирование всех компонентов ведется автоматически по заданной программе в следующей последовательности: жир, сгущенное молоко, сироп. Команда дозаторам и насосу подается от весов, которые в определенной последовательности включают их в работу.
При достижении необходимой массы (окончание подачи сахаро-паточного сиропа) одновременно отключается подача сиропа в сборник 4 и включается насос 7, соединенный со сборником гибким шлангом 6, что обеспечивает свободу вертикальному перемещению сборника 4 при заполнении компонентами в момент взвешивания.
Насос 7 подает рецептурную смесь из сборника 4 в смеситель 8 с паровой рубашкой, где обеспечивается необходимая однородность смеси.
Из смесителя смесь подается насосом 9 в двухкамерный теплообменник 11 с паровым обогревом, где доводится до кипения. Перед подачей смеси необходимо прогреть теплообменник. Для этого на трубопроводе устанавливается трехходовой кран 10, который позволяет многократно перепускать рецептурную смесь из верхней камеры теплообменника 11 в смеситель 8 до тех пор, пока ее температура не достигнет 105...108 °С. После прогревания теплообменника процесс получения сиропа протекает непрерывно без возврата его в смеситель.
В процессе прогревания в теплообменнике происходит томление входящего в смесь молока.
Пройдя теплообменник, кипящая рецептурная смесь по трубопроводу поступает в пароотделитель 12. Подваренный сироп с содержанием влаги 15... 16 % стекает в нижнюю часть пароотделителя и через трехходовой кран 13 поступает в накопительный сборник 14.
На трубопроводе подачи рецептурной смеси в пароотделитель установлен датчик температуры, благодаря которому в любой момент можно определить содержание сухих веществ в смеси, с которым температура кипения связана определенной экспериментальной зависимостью. На сборнике 14 установлены датчики верхнего и нижнего уровня, которые предназначены для управления процессом подваривания сиропа. При достижении сиропом в сборнике верхнего уровня уменьшается подача пара и сиропа в теплообменник 11. При достижении нижнего уровня подача сиропа и пара увеличивается.
Сироп из накопительного сборника 14 насосом 15 перекачивается в расходный сборник 16, из которого плунжерным насосом-дозатором 17 подается на уваривание в змеевиковую варочную колонку 18, которая является греющей частью унифицированного вакуум-аппарата 33-А-10. Двигаясь внутри змеевика, обогреваемого снаружи паром, сироп нагревается до температуры 115...118 °С. При этом значительная часть влаги переходит в парообразное состояние, а в получающейся ирисной массе остается 4...6 % влаги. Пар отделяется в пароотделителе 20, а затем отсасывается вентилятором, а уваренная масса поступает в качающуюся трубу 19, внутри которой расположен лопастной вал. Труба имеет отверстия, через которые в массу вводятся вкусовые добавки (эссенция и при необходимости кислота).
Горячая ирисная масса стекает из трубы 19 в воронку однобарабанной охлаждающей машины 21. Благодаря колебаниям трубы 19, масса равномерно распределяется по длине воронки и в виде ленты одинаковой толщины перемещается и охлаждается до температуры 80 °С на вращающемся барабане. Затем с помощью подвертывателей масса складывается в пласт шириной 200 мм.
На выходе пласта из машины установлены проминальные вальцы, которые продвигают ирисный пласт с наклонной охлаждающей плиты машины на передаточный конвейер 22. После охлаждающей машины температура ирисной массы равна 45...48 °С. В конце конвейера 22 установлен нож 23. Ирисная масса разрезается на куски длиной 1400 мм и подается на раздаточный сетчатый конвейер 25. Конвейер поочередно с помощью четырех заслонок 27 направляет куски ирисной массы в обкаточные машины 29. Последняя заслонка установлена стационарно, перекрывая сетку конвейера. Порядок открытия и закрытия заслонок зависит от количества установленных обкаточных машин. Сигнал на открытие и закрытие заслонок подается с помощью конечного выключателя, установленною на конвейере 22.
В машине 29 из бесформенного куска ирисной массы формуется конический батон, из вершины которого вытягивается и калибруется жгут, поступающий в ирисозаверточную машину 24. Завернутый ирис отводящим конвейером 28 из каждой машины транспортируется и собирается на сетчатом трехъярусном конвейере 26. Два нижних яруса конвейера обдуваются воздухом. Охлажденный и затвердевший ирис подается затем на взвешивание и упаковывание в картонные ящики.
Из приведенных машинно-аппаратурных схем видно, что каждая линия состоит из:
оборудования для приготовления конфетных масс, из которых изготавливаются изделия (причем это оборудование не всегда устанавливается непосредственно в потоке линии);
оборудования для формования корпусов конфет, заготовок или изделий, их выстойки и охлаждения (отливки и выстойки корпусов конфет; формования, охлаждения и выстойки с последующей резкой пластов или жгутов формуемых масс);
оборудования для глазирования корпусов конфет (устанавливается в линиях для получения глазированных конфет);
оборудования для завертывания, фасования (со взвешиванием) и упаковывания готовых изделий.
На предприятиях небольшой мощности фруктово-желейные массы обычно уваривают в открытых варочных котлах, сферических вакуум-аппаратах и в змеевиковых варочных аппаратах.
На фабриках большой мощности помадные и фруктово-желейные массы получают в универсальных комплексах, что позволяет сократить производственные площади и улучшить санитарное состояние производства
Для производства конфет на ореховой основе создаются специализированные поточные линии.
Основные операции при приготовлении ореховых масс: подготовка и измельчение ядер орехов или других жиросодержащих ядер и смешивание их с другими компонентами — сахаром, жиром и т.п. Измельчение ядер производится на различных мельницах, описание которых дано в главе 1.
Ореховые массы смешивают в меланжерах или рецептурно-смесительных комплексах.
Машинно-аппаратурные схемы производства мармелада и пастилы
Механизированная поточная линия производства формового яблочного мармелада. В состав линии (рис. 6.1) входят рецептурный и варочный комплексы, мармеладоотливочная машина и сушилка. Пюре, предварительно протертое на протирочной машине через сито с диаметром ячеек 1,5 мм, подается насосом в смесители 1, которые служат для составления купажированного пюре с целью получения однородной массы пюре необходимой кислотности и желирующей способности.

Рис. 6.1. Машинно-аппаратурная схема механизированной поточной линии производства формового яблочного мармелада
Из смесителей пюре насосом 2 перекачивается в протирочную машину 3 для контрольной протирки через сито с отверстиями диаметром 0,8 мм. Протертое пюре по металлическому спуску поступает в приемный сборник 4 и далее шестеренным насосом 5 перекачивается в смеситель 10 для сахаро-яблочный смеси. Необходимое количество пюре определяется по уровню.
Смеситель снабжен горизонтальной механической мешалкой с П-образными лопастями, укрепленными на валу по винтовой линии. В смеситель 10 согласно рецептуре загружается сахар, пюре, лактат натрия, патока и отходы. Сахар-песок перед загрузкой в смеситель просеивают, пропускают через магнитные уловители и ковшовым элеватором подают в бункер 7 автовесов 6. Патоку подают из мерного бачка 8, а лактат натрия — из бачка 9.
Из смесителя сахаро-яблочная смесь, пройдя фильтр 11, шестеренным насосом 12 подается в варочный котел 13 с мешалкой, где доводится до кипения. Далее плунжерный насос 14 подает смесь в непрерывно-действующий трехкамерный варочный аппарат 15 на безвакуумное уваривание. Из варочного аппарата уваренная масса поступает в пароотделитель 16. Конечная влажность мармеладной массы 30-32 %, температура массы на выходе 106-107 °С.
Уваренная масса из пароотделителя 16 поступает в темперирующую машину 17, а оттуда плунжерным насосом-дозатором 18 в отливочную головку 21 отливочной машины. В смеситель 20 добавляют эссенцию, пищевой краситель и кислоту. Смеситель всего четыре. Отливочная головка также разделена на 4 секции, что позволяет отливать мармелад четырех цветов.
В нижней части отливочной головки установлен дозирующе-отливочный механизм с двадцатью плунжерами.
Отливочная машина имеет цепной пластинчатый конвейер 22; в ячейки металлических пластин вмонтировано по четыре ряда форм, отштампованных из нержавеющей стали. Дозирующий механизм заливает массу в ячейки форм движущегося конвейера. Верхняя ветвь транспортера проходит после заливки форм через охлаждающую камеру 19 с вентилятором 36 и холодильной батареей 37, где происходит желирование и структурообразование мармеладной массы. Формы с конвейера переходят затем в нижнюю часть машины, нагреваются от змеевика 23 и подходят к механизму 4 выборки мармелада.
При нагревании форм несколько оплавляется поверхность изделий, соприкасающаяся с металлом. В результате этого ослабевает связь между изделиями и материалом форм. Изделия извлекаются из форм пневматически. Для этого формы имеют общую полость, а дно каждой ячейки соединяется с ней несколькими отверстиями. На участке выборки к форме прижимается камера, в которую от компрессора в пульсирующем режиме подается сжатый воздух. Через общую полость и отверстия воздух давит в донышки изделий и выталкивает их на лоток, установленный на конвейере 33.
Лотки поступают в мармеладо-отливочную машину на конвейере 34, затем два полочных вертикальных конвейера 35 снимают их, поднимают и устанавливают на конвейер 33 под механизмом выборки 24.
Конвейер 33 подает лотки с мармеладом в сушилку 25. Сушилка предназначена для непрерывной сушки и охлаждения мармелада. Сушилка выполнена в виде сварного каркаса, теплоизолированного щитами, внутри которого смонтированы два замкнутых вертикальных полочных конвейера 26, служащих для подъема лотков и два аналогичных транспортера 30 для их опускания. Вертикальные конвейеры связаны между собой верхним транспортером 27. Во время подъема вверх лотки обдуваются горячим воздухом, который подается вентиляторами 28. Нагревается воздух от паровых калориферов 29. Транспортер 27 снимает лотки с полок транспортеров 26 и устанавливает на полки конвейеров 30, которые опускают их вниз.
Двигаясь в вертикальных шахтах, мармелад обогревается горячим воздухом и высушивается.
При прохождении последних ярусов второй шахты, перед выходом лотков из сушилки, мармелад обдувается из вентилятора 32 воздухом цеха и охлаждается.
Нижний конвейер 31 выводит лотки с мармеладом из сушилки. Пустые лотки возвращаются на транспортер 34 к отливочному агрегату для загрузки, а мармелад поступает на укладку.
Производительность линии составляет 290 кг/ч.
Полумеханизированная поточная линия производства трехслойного желейного мармелада. Из сборника 1 (рис. 6.2) сахаро-агаровый сироп плунжерным насосом-дозатором 2 подается в змеевиковый варочный аппарат 3. Уваренный до необходимого содержания влаги сироп поступает в темперирующие машины 5 на приготовление цветных слоев изделий и в взбивальную машину 6 на приготовление взбивного слоя. Вторичный пар от уваренного сиропа отводится в пароотделитель 4.

Рис. 6.2. Машинно-аппаратурная схема полумеханизированной поточной линии производства трехслойного желейного мармелада
При изготовлении желейной массы для верхнего и нижнего слоев пласта в темперирующую машину добавляют патоку, яблочное пюре, кислоту, краситель и эссенцию. После перемешивания желейная масса поступает в разливочную машину 7. При изготовлении массы для среднего слоя пласта в взбивальную машину добавляют яичный белок. Взбитая масса также подается в разливочную машину 7. Слои наносятся последовательно с определенными промежутками времени, необходимыми для желирования каждого из слоев.
Наносить слои из шланга можно в установленные на передвижные стеллажи 8 лотков. После разливки верхнего слоя лотки на передвижных стеллажах 8 поступают в выстоечную камеру 9 или остаются в цехе.
Готовые мармеладные пласты укладывают на загрузочный транспортер резательной машины 10, которая разрезает их на отдельные дольки и где их посыпают сахаром. Нарезанный мармелад раскладывают на решета, устанавливаемые на стеллажные тележки и подают в сушилку 11. Высушенный мармелад после охлаждения укладывают в тару на конвейере 12.
Производительность линии до 4 т в смену.
Механизированная поточная линия производства резной пастилы. В производстве резной клеевой пастилы, кроме основного сырья: фруктовых заготовок, сахара, патоки применяют агар в воздушно-сухом виде с содержанием влаги 15—28 % или в виде 1%-го водного студня, эссенцию и красители. Обычно выпускают пастилу белого и розового цвета.
Схема линии показана на рис. 6.3. Поступающие на фабрику бочки с консервированными дольками яблок (пульпой) после обмывки с помощью бочкоопрокидывателя 1 разгружают в дробилку 2, а затем измельченная пульпа из сборника 3 насосом 4 подается в варочный котел 5 с вертикальной мешалкой и вытяжной вентиляцией для удаления вторичного пара с выделяющимся в процессе десульфитации сернистым газом — оксидом серы (IV). Разгрузочный штуцер котла расположен над воронкой протирочной машины 6. Десульфитированное яблочное пюре из котла 5 самотеком поступает в протирочную машину 6. Протертое пюре из протирочной машины 6 поступает в сборник 7, который представляет собой прямоугольную емкость с наклонным дном, откуда масса шестеренным насосом 8 перекачивается в цилиндрический мерный сборник 11.
Из мерника пюре самотеком поступает в автовесы 10, которые взвешивают определенную дозу и подают ее в смеситель 9 сахаро яблочной смеси с лопастной мешалкой. Вместе с пюре в смеситель 9 подается сахар, предварительно просеянный на вибросите. Далее просеянный сахар пневматически транспортируется в бункер 14, откуда шнеком 15 направляется в автовесы 16, взвешивается и поступает по лотку 17 в смеситель 9. В этот же смеситель подаются возвратные отходы. Предварительно отходы поступают в сборник 32, разделенный перегородкой на две части соответственно для розовой и белой пастилы.

Рис. 6.3. машинно-аппаратурная схема механизированной поточной линии производства резной пастилы с безлотковой разливкой и выстойкой
После протирки в машине 31 отходы из сборника 30 насосом 29 по трубопроводу поступают в один из сборников: для розовых отходов — в сборник 12 или для белых отходов — в сборник 13.
Затем отходы поступают в автовесы 10, где они взвешиваются и в виде определенной дозы подаются в смеситель 9, из которого смесь перекачивается шестеренным насосом 18 в емкость 39. Подготовленная сахаро-яблочная смесь из этой емкости транспортируется плунжерным насосом-дозатором 40 с регулируемым ходом плунжера в первый корпус агрегата 41 для непрерывного взбивания пастильной массы.
Параллельно с приготовлением сахаро-яблочной смеси готовится сахаро-паточно-агаровый сироп. В двутельный варочной аппарат 20 подаются определенные порции заранее замоченного агара, патоки, сахара и воды.
Патока поступает на фабрику в автоцистернах и сливается в сборник 28, снабженный паровым змеевиком, который обеспечивает подогрев необходимого количества патоки. Подогретая патока шестеренным насосом 27 перекачивается в сборник 23 с поплавковым устройством, откуда через мерник 24 в определенной пропорции дозируется в варочный аппарат 20.
Сахар подается из емкости 14 шнеком 22 в автовесы 21. Взвешенная порция сахара засыпается в варочный аппарат 20. Одновременно из мерника 25 в варочный аппарат 20 поступает вода.
Смесь, состоящая из агара, патоки и воды перемешивается и уваривается до однородной массы, затем через фильтрующий сборник 26 насосом 19 подается в сборник 33, а оттуда насосом-дозатором 34 в варочный аппарат 35 на уваривание. В качестве варочного аппарата используется греющая часть змеевикового вакуум-аппарата. Из аппарата уваренный сироп поступает в пароотделитель 36, который представляет собой цилиндрическую емкость с решеткой внутри. Уваренный сироп, ударяясь об эту решетку, выделяет вторичный пар, отсасываемый вентилятором, а затем частично охлажденный сироп сливается в сборник 37, откуда плунжерным насосом-дозатором 38 перекачивается во второй корпус агрегата 41 для непрерывного взбивания пастилы.
Кроме сахаро-яблочной смеси и сахаро-паточно-агарового сиропа в агрегат дозаторами 42 вводятся белок, эссенция, кислота и пищевой краситель.
Готовая пастельная масса из сбивального агрегата 41 заполняет бункер 43 разливочной головки агрегата безлотковой разливки, которая наносит массу равномерным слоем на клеенчатую ленту 55, находящуюся на несущей стальной ленте 54.
Для устранения растекания массы у краев ленты установлено два ограничительных конвейера 56. Стальная лента непрерывно охлаждается водой с помощью разбрызгивающего устройства 44.
При прохождении через камеры 46 и 47 с принудительным током воздуха от вентилятора 48 непрерывный пласт полностью выстаивается и переходит затем на наклонный ленточный конвейер 49. Обратная ветвь клеенчатого конвейера непрерывно промывается в ванне 45.
Выстоявшийся пастильный пласт подается затем в установленную в потоке резательную машину, где дисковые ножи 50 разрезают его на шесть продольных полос.
Укрепленные на бесконечной цепи, ножи 51 разрезают полосы поперек на отдельные пастилки, которые укладываются на решета, движущиеся на цепном конвейере 52.
Наполненные заготовками пастилы решета укладываются на вагонетки, которые при помощи тяговой цепи, вмонтированной в пол, проходят через туннельную сушилку 53. После сушки пастилу укладывают на конвейер опудривающей машины 57, который передает ее на упаковывание.
Производительность линии с агрегатом безложковой разливки массы до 4,5 т в смену.
Производство зефира осуществляется по аналогичной машинно-аппаратурной схеме и отличается лишь заключительными операциями: взбитая масса подается в зефироотсадочную машину, отсаженные на лотки половинки изделий выстаиваются, а затем склеиваются и посыпаются сахарной пудрой.
Машины для фасования кондитерских изделий
§ 1. Машины для фасования кондитерских изделий
В кондитерской промышленности применяют фасовочные машины с весовыми и объемными дозаторами. Они применяются для фасования и упаковывания карамели, драже, какао-порошка и др. На этих машинах

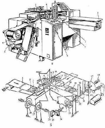
Машина АЛ-1Б-М. Предназначена для фасования карамели, драже и какао-порошка. На станине 1 машины (рис. 10.1) смонтированы три горизонтальных, периодически поворачивающихся операционных ротора. На первом, пакетировочном, роторе 2 формуются пачки из подаваемых из кассеты 9 картонных красочных заготовок, пропускаемых через клеевой аппарат 10; на втором, насыпном, роторе 3 пачки заполняются продуктом с помощью объемного дозатора 4; на третьем, упаковочном, роторе 7 пачки заклеиваются.
Объемный дозатор 4 состоит из укрепленных на валу двух дисков с мерными стаканами. Вал дисков вращается синхронно с валами автомата. Нижний диск может перемещаться вверх и вниз, тем самым достигается изменение объема мерных стаканов. Над верхним диском находится узел равномерной засыпки карамели в стаканы. Дозатор смонтирован на стойках, которые крепятся к станине автомата. При необходимости дозатор может быть отключен от машины.
Наполненные и заклеенные пачки с продуктом отводятся по отводящему конвейеру 8 и укладываются в торговую тару.
Для правильной работы машины предусмотрена механическая и электрическая блокировка, позволяющая в случае неполадок приостановить выполнение операций, а при необходимости отключить машину. Световая сигнализация извещает о включении электромагнитов, нагревательных элементов и подсушивающей плиты.
Привод машины осуществляется от электродвигателя 6 через клиноременную передачу и фрикционную муфту. На приводном валу машины расположен маховик 5 для проворачивания вала вручную при наладке.
Машина с одним операционным ротором. Машина расфасовывает какао-порошок во внутренний пакет из подпергамента и наружной этикетки (высечки из картона), который затем складывается машиной в коробочку (пачку) прямоугольной формы.
Машина (рис. 10.2, а) состоит из станины 9, на которой смонтирован операционный ротор 10 с механизмами заклеивания 8 нижних и бокового клапанов коробки, из питателя этикеток 1, питателя подпергамента из рулона 2, конвейера 5 с механизмами заклеивания 4 верхних клапанов коробки и дозатора какао-порошка 3. Ручной проворот валов осуществляется штурвалом 7, электропитание и управление с пульта 6.

Машина работает следующим образом (рис. 10.2,б). Подпергамент подается с рулона 3, разматывается (поз. 4) и от него отрезается заготовка для внутреннего пакета (поз. 5). После нанесения полоски клея на оправках пакетоделающего барабана (поз. 2 и 6) из заготовки формируется внутренний пакет.
Из штабеля 1 вакуум-присосом и валиком подается картонная высечка, на которую также наносится клей. После этого из высечки поверх находящегося на оправке пакета формируется картонная коробка (поз. 22 и 21) и одновременно заклеивается продольный шов, а в поз. 20 подгибаются фиксируемые клеем боковые клапаны и наносится дата выработки. Коробки с вставленными пакетами снимаются с оправки (поз. 19) и передаются перевернутыми под углом 90° (поз. 7) на продольный периодически движущийся конвейер, который перемешает открытые сверху коробки под наполнитель (поз. 18).
Затем какао-порошок по горизонтальному шнеку 8, поступает в вертикальный шнек 9, совершающий периодическое движение и заполняющий коробки.
После контрольного взвешивания и уплотнения содержимого коробки вибратор отгибает клапаны 17, упаковывает внутренний пакет 15, 16, подгибает торцевые клапаны 14, наносит клей на боковой клапан 13 и закрывает боковые клапаны 12. Готовые коробки накапливаются на продольном конвейере 11 для фиксации клея, затем они снимаются по три штуки и перемещаются на поперечный штабелирующий конвейер 10 для укладывания в торговую тару.
В машине предусмотрены контрольные устройства, которые останавливают ее при обрыве бумаги, израсходовании рулона или комплекта заготовок в магазине. Магазин может заполняться картонными заготовками на ходу.
При отсутствии коробки фасуемый продукт не подается.
Машина фасует до 70 коробок в минуту.
Машина ДА-2РС. Предназначена для фасования мелкой карамели, монпансье, драже и других кондитерских изделий в целлофановые пакеты с предварительным изготовлением этих пакетов из термосклеивающегося рулонного целлофана.
На станине 1 (рис. 10.3) расположены питатель для рулонного целлофана, направляющий 7 и формующий 6 пустотелые цилиндры для образования трубки из целлофана, механизмы 5 для сварки продольного 5 и поперечного 4 шва, приемный бункер 12 для изделий, объемный дозатор 11, приводной механизм с электродвигателем и электрошкаф.
Питатель крепится к станине с помощью двух кронштейнов и снабжен рулонодержателем 10, тормозными

Изделия ковшовым конвейером 13 поступают в машину на фасование. Продукт загружается в приемный бункер 12 через воронку 14. В нижней части бункера смонтирован электромагнитный вибратор, благодаря которому карамель не задерживается в бункере. Дозатор 11 имеет два диска и восемь мерных телескопических стаканов. Изменением объема стаканов можно регулировать порцию продукта.
Механизм 4 для сварки поперечного шва состоит из сдвоенных сварочных головок с нагревательными элементами, двух несущих штанг и ножа для отрезания пакета. Машина имеет также маховичок для плавного изменения угловой скорости кулачкового вала и маховичок 2 для проворачивания вручную при наладке.
Электрическая схема управления снабжена кнопками для пуска и остановки, включения и выключения нагревательных элементов сварочных головок, а также световой сигнализацией. В схему управления входят также системы автоматического контроля температуры нагревательных элементов и фиксирования положения рисунка на пакете.Кроме того, в машине предусмотрена электрическая блокировка, позволяющая в случае неполадок приостановить выполнение отдельных операций или полностью остановить машину.
В целях безопасного обслуживания машины механизм для сварки поперечного шва и отрезания пакета закрыт прозрачным ограждением 3.
Машины для завертывания плиточного шоколада и других шоколадных изделий
§ 2. Машины для завертывания плиточного шоколада и других шоколадных изделий
На кондитерских фабриках получают шоколадные плитки разной массы (15, 18, 50 и 100 г и др. ) и шоколадные батоны с начинкой массой 50 г.

В зависимости от величины плиток и типа завертки машины, используемые для завертывания, отличаются друг от друга лишь устройством рабочих органов, однако кинематика всех машин этой группы аналогична
Заверточная машина для упаковывания конфет типа «Ассорти» и полых фигурок. Представлена на рис 9.11, а. Изделия высыпаются или укладываются на приемный стол б и вручную укладываются в ячейки диска-питателя 7. Диск вращается прерывисто, подавая изделие к узлу обтяжки 4. Если это предусмотрено видом упаковывания, то из кассеты 1 на изделие накладывается вкладыш В узле обтяжки изделие заворачивается в фольгу, поступающую из рулона 5. Обернутое изделие отводящим конвейером 3 выталкивается на столик 2 и вручную укладывается в картонный ящик или лоток.
Процесс упаковывания в обтяжку показан на рис. 9.11, б.
В положении 1 изделие 9 лежит в ячейке диска-питателя 10. Снизу к изделию подходит подъемный столик 11 и поднимает его вверх, выталкивая из ячейки диска. В это время на изделие накладывается отрезанная от рулона этикетка 8 из фольги.
Изделие 9 вместе с фольгой верхним держателем 5 прижимается к подъемному столику 11. Они поднимают изделие с фольгой вверх, протаскивая его через рамку 6 с внутренней щеткой 7 (положение II).
Конфигурация внутренней поверхности рамки соответствует изображению изделия в плане. При проходе через рамку изделие хорошо обтягивается фольгой со всех сторон за исключением дна.
Над рамкой б изделие с боков сжимается лапками 2. После этого подъемный столик 11 опускается вниз, а держатель 5 поднимается вверх (положение III).
Подгибатели 4 подвертывают кромки фольги под дно изделия с двух взаимно противоположных сторон. По окончании этой операции подгибатель 3 подгибает под изделие кромку фольги с третьей стороны. При еще не закончившемся движении изделие поворачивается лапками 2 и фольга с четвертой стороны подгибается неподвижным валиком 1, стоящим на пути изделия. Для более плотного облегания фольги валик укреплен на пружинах.
Основные операции упаковывания шоколадных плиток на заверточных машинах представлены на рис. 9.12.
При упаковывании в фольгу, подвертку и этикетку (рис. 9.12, а) шоколадные плитки 4 подают к узлу завертывания. Туда же из рулонов 7 и 8 поступает подвертка и фольга. Необходимая длина фольги и подвертки отрезается в поз. 5, а сверху на них подается заранее отрезанная этикетка 6. В узле завертывания край этикетки смазывается клеем, а затем весь упаковочный материал проходит стадию образования клапанов 3, которые подгибаются в поз. 2. При этом клей схватывается и обеспечивает плотное облегание плитки упаковочным материалом. После этого плитки укладываются на ребро и накапливаются перед групповым упаковывателем 1.
При сложной упаковке кроме перечисленных (фольги, подвертки и этикетки) могут применяться наклейки, подкладки, вкладыши и другие элементы, предназначенные для обеспечения большей прочности упаковки, увеличения ее информативности и красоты.
На рис. 9.12, б показана схема упаковывания шоколадных плиток в две стадии: на первой стадии изделия 1 пересекают ленту фольги, поступающей из рулона 2, заворачиваются в отрезанную от ленты полоску сначала с трех, а затем с четырех сторон (поз. 3) с последующей заделкой шва (поз. 4). На упакованную в фольгу плитку из стопки 18 подается полоска бумаги, которая в поз. 5 и 6 оборачивает ее. В поз. 6 из стопки 7 на бумажную обертку наклеивается полоска, на которой могут быть отпечатаны поздравления, фирменный знак и др.

При дальнейшем движении в поз. 8 начинается вторая стадия упаковывания. На изделие дополнительно накладывают верхнюю этикетку из стопки 16, пленку полимерного материала из рулонов 14 и 17 и картонную полоску 15.
Эти материалы соединяются в поз. 13 и направляются в поз. 8. После этого плитка с упаковочным материалом проходит через формующую рамку 9, затем заделываются клапаны 10, 11 и уложенные на ребро плитки собираются в штабель 12.
Шоколадные плитки, батончики, медали, полые фигуры, конфеты «Ассорти» упаковывают на машинах, снабженных общими структурными элементами: питателями для изделий и упаковочного материала, узлом завертывания, приводам и др.

Рис. 9.13. Заверточная машина для упаковывания плиточного шоколада:
а — общий вид, б - структурная схема
Заверточная машина для упаковывания шоколадных плиток. Все
рабочие органы смонтированы на станине 3 (рис. 9.13, а), внутри которой расположены электропривод, вакуум-насос и передаточные механизмы. Фольга и подвертка в виде рулонов 6 крепятся в питателе 5 упаковочного материала. Нарезанные этикетки укладываются в кассету 2.
Пуск и остановка машины осуществляются посредством кнопок 4. Изделия укладываются на ленточный конвейер питателя 1 и поступают к узлу завертывания 8. Туда же подается упаковочный материал. Завернутые изделия направляются на отводящий конвейер 7, снабженный щеточно-проглаживающим и поворотным устройствами.
Структурная схема заверточной машины для плиток представлена на рис. 9.13, б.
Питатель 1 подает плитки 2. Они сдвигаются толкателем 3, приводимым в движение кулачком 28, на подъемный столик 5, который поднимает и опускает кулачок 22. Сверху на плитку ножницы 4 накладывают подвертку и фольгу 13, поступающие с рулонного питателя для упаковочного материала, и наружную этикетку из питателя 12. Затем кулачок 27 опускает на этикетку верхний держатель 9. Плитка с подверткой, фольгой и этикеткой, будучи зажатой между подъемным столиком и верхним держателем, поднимается вверх и протаскивается через обертывающую рамку 10. Торцевые подгибатели 11 подвертывают упаковочный материал под плитку. Подгибатели получают движение от кулачка 17, будучи связаны друг с другом рычажной 8 и кинематической цепью.
Боковой подгибатель 7 и толкатель 6 подвертывают упаковочный материал под плитку и сдвигают завернутую плитку на плоскость 14 под направляющую 15.Толкатель б перемещается кулачком 23. За время прохождения завернутой плитки под направляющей 15 этикетки склеиваются. Кулачок 21 поднимает столик 20 и направляет завернутую плитку в накопитель 16. Все кулачки машины посажены на один или несколько кулачковых валов 24 и 2, соединенных зубчатыми колесами 25. Кулачковые валы приводятся в движение от электродвигателя 19. Кулачковый вал поворачивается вручную штурвалом 18.
Контрольные вопросы
1. Из каких основных элементов состоит заверточная машина?
2. Как устроена и работает машина ЕФ для завертывания карамели?
3. Какие основные операции выполняет машина ЗКЦА?
4. Какие модификации индивидуального механического питателя А2-ШПШ Вы знаете?
5. Как упаковывают шоколадные плитки?
Оборудование для формования карамели
§ 4. Оборудование для формования карамели
Для формования карамели из жгута применяются следующие формующие машины:
цепные карамелережущие машины для формования карамели типа «подушечка»;
цепные карамелештампующие машины для формования карамели в виде «шарика», овальной, удлиненно-овальной, плоскоовальной («кирпичик») и другой фигурной карамели;
цепные карамелеформующе-закатывающие машины для формования фигурной карамели;
рольные карамелеформующие машины для той же карамели;

Рис. 3.12. Принципиальная схема получения карамели на цепной формующей машине
ротационные карамелеформующие машины для формования различной фигурной карамели и таблеток;
монпансейные машины (вальцы) для формования фигурного монпансье и других леденцовых изделий («Апельсиновые дольки», «Горошек», «Миндаль», фигурки на палочках и др.);
формующе-заверточные агрегаты для формования и завертывания леденцовой карамели и ириса.
Кроме перечисленных существует еще ряд разновидностей карамелеформующих машин, имеющих меньшее распространение. Наибольшее распространение на кондитерских фабриках получили цепные карамелережущие и карамелештампующие машины, монпансейные формующие вальцы и формующие заверточные агрегаты.
Цепные карамелеформующие машины. Принципиальная схема формования карамели на цепной машине приведена на рис. 3.12.
Карамельный жгут, состоящий из оболочки 1 и начинки 2 (или без нее), пройдя последнюю пару роликов 3 жгутовытягивающей машины (равняльные барабаны или калибрующие ролики), поступает в пространство между двумя специальными цепями: верхней 6 и нижней 13. Цепи приводятся в движение от роликов 8 и 12 и огибают направляющие ролики 4 и 16. Цепи снабжены пластинами-ножами 5 и 15. Расстояние между соседними ножами одной цепи соответствует одному из размеров карамели (длине или ширине).
Огибая ролики 4 и 16, верхняя и нижняя цепи на участке I сближаются по направляющим 7 и 14. Ножи цепей сжимают карамельный жгут и формуют изделие. На участке II цепи движутся без изменения. На этом участке происходит закрепление формы.
На участке III ножи цепей расходятся, а готовые изделия 10, соединенные перемычками 9, поступают на ленту отводящего конвейера 11. Если необходимо нанести на изделие рисунок, то на верхней цепи устанавливают пуансоны - штампики, перемещающиеся в плоскости, перпендикулярной движению цепей.

Рис. 3.13. Цепная карамелережущая машина ЛРМ
Цепная карамелережущая машина ЛРМ. Предназначена для формования карамели с начинкой в форме мелкой «подушечки» (открытые сорта) и удлиненной «подушечки», «лопатки» (завернутые сорта) путем разрезания карамельного жгута на отдельные изделия с помощью сменных карамелережущих цепей. В качестве рабочих органов машина имеет комплект карамелережущих цепей (верхнюю и нижнюю).
На двух стойках 11 (рис. 3.13) смонтированы две ведущие звездочки 10, на стойке 3 — направляющие ролики 6, по которым движутся формующе-режущие цепи 4. Карамельный жгут, непрерывно подаваемый жгутовытягивателем, направляется через втулку 5 в зазор между лезвиями ножей. Цепи постепенно сближаются и лезвиями ножей разрезают карамельный жгут на отдельные изделия в форме выпуклой «подушечки». При формовании карамели карамелережущими цепями с площадками между ножами, которые при сближении цепей одновременно режут и сжимают жгут, получается карамель в форме удлиненной «подушечки» и «лопатки». Размеры карамели определяются диаметром жгута и расстоянием между ножами (шагом цепи).
Сближение ножей режущих цепей регулируется винтами 7. Они перемещают полозки 8, которые служат направляющими для цепей. Натяжение цепей производится перемещением стойки 3 с помощью рукоятки 1 и винта 2 после предварительного ослабления болтов, закрепляющих стойку 3. Отформованная карамель по лотку 15 поступает на узкий охлаждающий транспортер 18 предварительного охлаждения. При формовании между карамельками остаются тонкие перемычки толщиной 1...2 мм, благодаря которым отформованная карамель в виде цепочки движется по узкому охлаждающему транспортеру.
Нижняя ведущая звездочка 10 приводится в движение от электродвигателя 20, ременных передач, шкива 14 и горизонтального вала 13.
От вала 13 через зубчатую пару 12 получает вращательное движение верхняя ведущая звездочка 10, а через цепную передачу 16 — барабан 19 охлаждающего транспортера 18. Верхняя лента транспортера закрывается кожухом 17, в который нагнетается холодный воздух.
Верхняя ведущая звездочка 10 имеет регулировочное устройство 9, которое необходимо при установке комплекта цепей для совпадения режущих кромок ножей верхней и нижней цепей. После проворачивания и совпадения кромок положение звездочки жестко фиксируется винтами.
Цепная карамелештампующая машина Ш-3. Предназначена для штампования фигурной карамели различных формы и размеров с начинкой или без нее при помощи сменных рабочих органов — карамелештампующих цепей.
Машина (рис. 3.14) состоит из станины, системы звездочек и роликов, устройств для перемещения пуансонов штампующих цепей, механизмов регулирования и привода.
На звездочки и ролики устанавливают штампующие и боковые цепи. Верхнюю штампующую цепь 16 монтируют на ведущей звездочке 17, натяжном ролике 12 и направляющем ролике (закрыт ограждением 9). Для монтажа нижней штампующей цепи 22 предусмотрены ведущая звездочка 23 и поддерживающий ролик, а для боковых цепей — ведущие звездочки 15 и поддерживающие ролики. На кронштейнах закреплен приводной барабан 24 узкого охлаждающего транспортера, который приводится в движение цепной передачей 21. Направляющая втулка 8 предназначена для подачи карамельного жгута в машину.
Привод ведущих звездочек и барабана 24 осуществляется от электродвигателя 2 через ременную передачу 4, коробку передач 3, цепную передачу и систему зубчатых колес 18 и 19. Коробка передач обеспечивает четырехступенчатое переключение угловых скоростей звездочек и барабана. Рукоятки 7 коробки передач выведены на внешнюю поверхность станины 1 машины. Подвижные детали машины размещены внутри станины или закрыты ограждениями 20, в том числе верхней крышкой 9, при открывании которой электродвигатель автоматически выключается.

Рис. 3.14. Цепная карамелештампующая машина Ш-3
Основные рабочие органы машины — сменные штампующие 16, 22 и боковые 25 цепи. Первые служат для формования карамели, вторые — для приведения в движение пуансонов штампующих цепей путем нажатия на торцы их хвостовиков. Натяжение штампующих цепей достигается при монтаже путем перемещения стоек, на которых закреплены направляющие ролики, при помощи маховичка. Более плавное натяжение верхней цепи производят храповым устройством, снабженным стопорной собачкой 13 и храповым колесом 14, закрепленным на валу 10. Подъем натяжного ролика 12 с цепью 16 добиваются вращением зубчатого вала 10, расположенного в стойке 11 с реечным зацеплением. Боковые цепи натягивают перемещением передней стойки 26, на которой закреплены звездочки боковых цепей 25. Величину зазора между верхней и нижней штампующими цепями регулируют вращением зубчатых пар 6, соединенных с эксцентриками, которые прижимают полозки к внутренним поверхностям цепей. Сближение пуансонов регулируют вращением маховичка 5.

Рис. 3.15. Верхняя штампующая цепь машины.
Калиброванный карамельный жгут непрерывно поступает из жгутовытягивающей машины в зазор между верхней и нижней цепями. При их сближении режущие ножи верхней и нижней цепей делят жгут на заготовки, затем их начинают сжимать сближающиеся пуансоны верхней цепи. Внутренние поверхности площадок цепей и рифленые фигурные поверхности пуансонов сжимают заготовку со всех сторон, в результате чего она приобретает форму и рисунок готового изделия. После этого цепи и пуансоны расходятся и изделия направляются на узкий охлаждающий транспортер. Процесс формования происходит непрерывно. Отформованный жгут выходит в виде цепочки готовых изделий, соединенных перемычками.
Штампующие цепи различают по форме пуансонов (штампиков): удлиненно-овальная, «шарик» или «кирпичик», а также по размерам формуемой карамели, что зависит от величины шага цепи (20, 30 или 38 мм).
Верхняя штампующая цепь машины показана на рис. 3.15. Она собрана из П-образных звеньев 1 и щечек 7, соединенных между собой осями 4.
На звеньях смонтированы пуансоны 9, которые могут перемещаться. Пуансоны сближаются при помощи хвостовиков 3, которые упираются во время штампования в боковые цепи. Возвращение их в исходное положение осуществляется шпильками 2, которые входят в контакт с направляющими, а также пружинами 5, установленными на хвостовиках 3. Мостики 8 снабжены режущими кромками, а на оси надеты вращающиеся ролики 6. На участке I происходит приближение пуансонов 9 к карамельному жгуту, на участке II — нанесение на изделия рисунка, на участке III — разведение пуансонов 9.
Нижняя цепь машины только режет и состоит из мостиков 8, соединенных между собой щечками.
Недостаток описанных карамелеформующих машин — быстрая изнашиваемость рабочих органов цепей.
Ротационная карамелеформующая машина А2-Ш Ф К. Предназначена для формования леденцовой карамели и карамели с начинкой различных формы и размеров. Рабочий орган ротационной машины — ротор, снабженный откидными ножами и штампиками (при производстве штампованной карамели).
Машина (рис. 3.16,а) состоит из следующих основных узлов: станины с приводом, ротора, крышки с копирами, приемного стола, подающих роликов, лотка и пульта управления.
Литая станина 2 машины состоит из двух частей. В нижней части машины находится привод, который работает от электродвигателя 17 и цепного вариатора с редуктором 1, в верхней — привод ротора 13. На станине также размещены устройства для смазки ротора и его блокировки.
На крышке 9 размещены копиры для открывания пуансонов и закрывания ножей ротора. Пуансоны закрываются с помощью боковых копиров, которые расположены с обеих сторон крышки.
Шкив 4, вращающий промежуточный вал 3, приводится в движение от выходного вала вариатора через клиноременную передачу. От промежуточного вала через зубчатую пару 5, главный вал 6 с маховиком 15 и шестерню 7 вращение передается зубчатому венцу 8, к которому крепится ротор 13.
В комплект машины входят три съемных ротора, предназначенные для штамповки и резки карамели разных размеров (18, 30 и 36 мм).
Каждый из роторов крепится на оси 14 в углублении верхней части станины и зажимается крышкой. Частота вращения ротора изменяется с помощью цепного вариатора.
Ротор представляет собой зубчатый диск с ячейками. В каждой ячейке с двух сторон установлены штампики 12 (один против другого), а также откидные ножи 10. Внутренние поверхности штампиков, ячеек ротора и откидных ножей образуют формующую камеру 11, в которой находится карамельный жгут. Количество формующих камер по периметру ротора определяется размерами изделий.
Ротор для формования карамели без рисунка выполнен аналогично ротору для штамповки и отличается от него только тем, что у него отсутствуют штампы. Отформованная карамель отводится ленточным транспортером, приводимым в движение от барабана 16.
Принципиальная схема получения штампованной карамели на ротационной формующей машине показана на рис. 3.16,6.
Карамельный жгут, пройдя направляющие ролики 1, поступает

Работой ножей ротора управляют четыре копира: два из них закрывают ножи, а два других открывают их. Копиры установлены на пружинных амортизаторах, что смягчает удары во время формования.
Для смазки ротора подсолнечным маслом внутри машины имеется поршневой насос, рукоятка которого выведена на фронтальную часть станины рядом со штурвалом для ручного привода.
Машина снабжена блокировочным устройством, с помощью которого отключается электродвигатель привода машины в случае, если два жгута одновременно накладываются на венец ротора.
Конечный выключатель служит для остановки машины при поднятой крышке ротора. Ротационная машина снабжена съемным устройством для ротора.
Достоинство ротационных карамелеформующих машин — постоянство длины (шага) карамели, определяемой жесткой конструкцией ротора. Однако по сравнению с цепными ротационные машины более сложны в эксплуатации.
Оборудование для формования корпусов конфет
Отливкой получают корпуса конфет из помадных и фруктово-желейных конфетных масс, которые при температуре 60 .80 °С обладают достаточной текучестью. Конфетные массы готовят на универсальных или специализированных рецептурно-смесительных комплексах. Корпуса конфет формуют на конфетоотливочных машинах, а для ускорения процесса структурообразования их охлаждают в установках ускоренной выстойки шахтного и люлечного типа.
Универсальный комплекс для приготовления конфетных масс. Изображен на рис. 4.1 (поз. 1...12). Комплекс предназначен для приготовления помадных и фруктово-желейных масс. Сахарная помада представляет собой систему, состоящую в основном из двух фаз: твердой фазы — кристаллов сахарозы и окружающей ее жидкой фазы, представляющей собой насыщенный раствор сахарозы и патоки или инвертного сиропа. Третьей фазой можно считать содержащееся в помаде незначительное количество воздуха (около 2%). Помада хорошего качества содержит кристаллы сахарозы размером не более 12 мкм.
Помаду из уваренного концентрированного конфетного сиропа получают на универсальном комплексе в помадовзбивальной машине.

Рис. 4.6. Помадовзбивальная машина ШАЕ с охлаждаемым шнеком.
Помадовзбивальная машина ШАЕ с охлаждаемым шнеком. Машина (рис. 4.6) состоит из станины, на которой установлены электропривод, секционный корпус, к которому подведены магистрали водяного охлаждения.
Корпус машины состоит из трех рабочих секций 13, 16 и 17, приемной секции 11 и двух опорных секций 10 и 18. Секции соединены друг с другом при помощи фланцев, имеющих центрирующие выступы. Все секции, кроме опорных, крепятся кронштейнами 21 к станине 1 машины. Наибольшая длина секций 730 мм.
Внутри секций проходит полый шнек, в который по трубе 7 подается охлаждающая вода. Отработанная вода через расширитель 8 сливается в воронку 5. Шнек приводится в движение от электродвигателя 2 клиноременной передачей 3. Передача закрыта ограждением 9.
Приемная секция 11 предназначена для приема уваренного сиропа из пароотделителя.
Она изготовлена из стальной трубы, к которой приварена конусообразная воронка 12. Через нее сироп из пароотделителя поступает в машину. В верхней части воронки расположен фланец, к которому крепятся стойки, поддерживающие пароотделитель. Рубашки для охлаждения в приемной секции нет.
Рабочие секции 13 и 16 предназначены для интенсивного охлаждения сиропа и взбивания его в помаду. Корпус секций состоит из двух труб: наружной стальной трубы диаметром 351x8 мм и внутренней медной диаметром 310x5 мм. Пространство между трубами служит охлаждающей рубашкой, изготовленной в виде спиральных каналов. Последние образуются стальными спиральными полосами, приваренными к внутренней стенке наружной трубы и плотно прилегающими к поверхности внутренней трубы. Штуцера для ввода и вывода воды находятся соответственно в начале и конце спирального канала. Холодная вода подается в рубашки по трубопроводу 6, а нагретая отводится через патрубки 15 по трубопроводу 4. Воздух из рубашек удаляется через вентили 14.
Вода, движущаяся по спиральному каналу рубашки, равномерно омывает внутреннюю стенку; при этом вследствие малого сечения канала возрастает скорость воды, тем самым повышая коэффициент теплоотдачи от стенки к воде, что способствует интенсивному охлаждению сиропа.
Рабочая секция 17 по конструкции несколько отличается от описанных выше секций 13 и 16. Она предназначена для интенсивного взбивания помады при некотором снижении интенсивности охлаждения, поэтому водяная рубашка ее не имеет спиральных каналов, а внутренняя труба, как и наружная, изготовлена из стали. В секции установлено тридцать стальных пальцев 20, которые ввинчиваются в кольца, проходящие сквозь водяную рубашку секции, и своими концами входят в углубления - впадины зубчатого шнека. При вращении шнека помада многократно ударяется о неподвижные пальцы 20. При этом происходит интенсивное взбивание помады. Пальцы охлаждаются водой, циркулирующей в рубашке. Готовая помада выводится из секции через отверстие 19.
Опорные секции 10 и 18 служат для крепления в них вращающегося шнека.
Они изготовлены из стальных труб с ребрами жесткости и фланцами, которыми они крепятся к основным секциям корпуса. В секциях предусмотрены сальниковое уплотнение и съемные корпуса для установки подшипников. В корпусе секции 10 установлен радиальный сферический двухрядный роликоподшипник, а в корпусе секции 18 два подшипника: один — радиальный сферический двухрядный роликовый, а другой — упорный двойной шарикоподшипник.
Уваренный сироп из пароотделителя через воронку поступает в приемную секцию машины, где он захватывается лопастями четырехзаходного шнека, продвигается вперед в рабочей секции и, соприкасаясь с холодными стенками поверхности секции и корпусом шнека, интенсивно охлаждается. Одновременно с охлаждением быстровращающийся зубчатый шнек взбивает сироп в помаду. Окончательное взбивание происходит в третьей рабочей секции с неподвижными пальцами, входящими в углубление зубцов шнека. Пальцы замедляют движение помады вдоль оси корпуса и вращение ее вместе со шнеком. Вследствие многократных ударов сиропа о неподвижные пальцы происходит окончательное взбивание его в помаду.
Продукт проходит через машину за 34 с. Готовая помада через сливное отверстие непрерывно стекает в сборник.
Помадовзбивальная машина агрегата ПСА с неохлаждаемым шнеком. Машина (рис. 4.7) представляет собой четырехсекционный цилиндрический корпус, внутри которого вращается вал с лопастями. Две секции — 3 и 7 имеют водяные рубашки 8 для охлаждения сиропа, из которых отработанная вода удаляется по трубам 4 в воронку 5. Рубашки снабжены кранами для спуска воды.

Рис. 4.7. Помадовзбивальная машина агрегата ПСА с неохлаждаемым шнеком.
Промежуточная секция 6 снабжена крышкой с семью отверстиями для отвода пара, выделяющегося из сиропа при его охлаждении и смешивании.
Последняя секция 2, так же как и секция 6, не имеет водяного охлаждения. Выходное отверстие снабжено поворотной заслонкой 1, при помощи которой можно регулировать степень заполнения цилиндра помадой.
Шнек состоит из вала 20, на котором под загрузочной воронкой закреплено несколько витков шнека 10, а в зоне секций 3, 6 и 7 — четырехлопастные крыльчатки 9.
Ширина лопасти крыльчаток 25 мм. Они установлены на валу с шагом 40 мм и с последующим поворотом на угол 25...30° через одну. В последней секции 2 на валу установлены двухлопастные крыльчатки. Правый конец вала соединен муфтой с валом шкива 15 клиноременной передачи от электродвигателя 17. По условиям техники безопасности передача закрыта ограждением 16. На этот же вал посажен шкив 18 клиноременной передачи к вентилятору 19, который нагнетает воздух по трубе 14 в нижнюю часть загрузочной воронки 11.
Сироп подается из варочной колонки по трубе 13 и стекает в воронку 12 с сетки двенадцатью тонкими струйками, которые обдуваются воздухом. Охлаждение струек воздухом вызывает пересыщение раствора сахара и образование мелких кристаллов — центров кристаллизации. Сироп попадает на вращающиеся лопасти крыльчаток, интенсивно перемешивается ими и охлаждается стенками водяных рубашек. При этом образуется большое число центров кристаллизации. Для того чтобы кристаллы не были слишком крупными, в рубашку секции 3 ограничивают поступление охлаждающей воды, в результате чего рост кристаллов замедляется.
Готовая помада должна иметь температуру 55...60 °С. В помадовзбивальную машину сироп поступает температурой 117...121 °С в зависимости от сорта и назначения помады. Таким образом, вода, подаваемая в охлаждающие рубашки, должна понизить температуру сиропа до 55...60 °С, кроме того, отнять у сиропа теплоту, выделенную за счет скрытой теплоты кристаллизации.
Технологический комплекс ШПА с пленочным аппаратом-кристаллизатором. Комплекс предназначен для получения высококачественной помады.
Комплекс (рис. 4.8) состоит из варочного котла 1 с мешалкой, сборника 2 для сиропа с фильтрирующей сеткой, плунжерного насоса-дозатора 3, змеевикового подогревателя 4, пленочного аппарата-кристаллизатора 5 для получения помады, темперирующего сборника 8 с комбинированной мешалкой и шестеренного насоса 9 для перекачки готовой помады на отливку. Все оборудование связано между собой материалопроводами, которые обогреваются паром и снабжены теплоизоляцией.
Снабжение паром централизованное — от главной магистрали 7. Через соответствующие вентили пар подается в рубашки варочного котла, теплообменника и темперирующего сборника. В системе пароснабжения предусмотрена продувка материалопроводов паром. Подогрев сиропа в змеевиковом подогревателе 5 осуществляется также паром путем теплообмена «труба в трубе». Отработанный пар в виде конденсата через конденсатоотводчик направляется на повторное использование.

Рис. 4.8. Технологический комплекс ШПА с пленочным аппаратом-кристаллизатором для приготовления помады
Сироп охлаждается в кристаллизаторе 5 холодной водой, поступающей в водяные рубашки двух зон. Для контроля и регулирования подачи холодной воды в зоны на водяных магистралях установлены поплавковые расходомеры 6. Отработанная вода из кристаллизатора и темперирующего сборника направляется на повторное использование.
Комплекс работает следующим образом. В открытом варочном котле 1 готовят конфетный сироп и уваривают его до содержания влаги 12...14 %, после чего его фильтруют и сливают в приемный сборник 2. Из сборника сироп плунжерным насосом-дозатором 3 перекачивают через змеевиковый подогреватель 4, который предназначен для дополнительного уваривания сиропа и при необходимости для растворения кристаллов сахара, которые могут образоваться в клапанной коробке плунжерного насоса.
Из подогревателя сироп поступает в пленочный кристаллизатор 5. При вращении диска-распределителя жидкости кипящий сироп, стекая вниз, равномерно распределяется по внутренней охлаждаемой поверхности теплообмена и попадает под действие быстровращающихся скребков роторного устройства Охлаждение сиропа в тонком слое и интенсивное его перемешивание способствует кристаллизации сиропа и получению помады мелкокристаллической структуры.
Охлаждению сиропа способствует также вентиляторный эффект от вращающихся скребков, в результате чего воздух засасывается через выходное отверстие для помады. Соприкасаясь со стекающей пленкой продукта, воздух дополнительно охлаждает ее и вместе со вторичным паром выводится через пароотделитель, расположенный в верхней части кристаллизатора.
Вытекающая из кристаллизатора помада поступает в темперирующий сборник 8, где она смешивается со вкусовыми и ароматическими веществами. Подготовленная и подогретая до 70...85 °С помада насосом перекачивается в конфетоотливочную машину.
Производительность комплекса 60...150 кг/ч.
Рецептурно-смесительный комплекс приготовления помадных масс холодным способом. Отличается от помадоварочных комплексов тем, что у него отсутствуют операции приготовления сиропа, его уваривания, охлаждения и кристаллизации (помадообразования). Принятый технологический процесс построен так: вначале готовят растворы-сиропы (т.е. в практически сухой сахар-песок вводят большое количество влаги), а на последующих стадиях сироп уваривают до определенного содержания воды. Способ холодного одностадийного приготовления помадных масс непосредственно из составляющих компонентов сырья позволяет значительно сократить технологический цикл, энергетические затраты и улучшить качество конфетных масс. Холодный способ включает две операции — приготовление сухой смеси и последующее смешивание ее периодическим способом с водой или другими жидкими компонентами. Таким образом, можно получить различные конфетные массы на помадной основе, обладающие оригинальным вкусом, существенно отличающиеся от обычных помадных конфет (помадно-ореховые, сливочные, фруктово-грильяжные и др.).
Механизированная поточная линия производства новых видов конфет холодным способом, в которую входит рецептурно-смесительный комплекс, представлена на рис. 4.9. Она состоит из месильной машины периодического действия 8, вибросмесителя непрерывного действия 5 с дозаторами 1, 2 и 3, винтового насоса 6 и отводящего шнека 4.
Мелкодисперсная сахарная пудра из вибродозатора 1 подается в вибросмеситель непрерывного действия 5. Туда же в зависимости от рецептуры могут подаваться дробленый орех дозатором 3 и сухое молоко дозатором 2. Если необходимо приготовить помадно-кремовую конфетную массу, то сливочное масло и сухое молоко дозируют в месильную машину 8, снабженную двумя Z-образными лопастями, а затем сюда же подают сгущенное молоко, патоку и фруктовые подварки.

Рис. 4.9. Схема приготовления помады холодным способом
Подготовленная смесь заполняет промежуточный сборник 7, из которого она дозируется винтовым насосом 6 в воронку вибросмесителя. Готовая конфетная масса шнеком 4 подается на формование.
Разработка холодного способа получения помадных масс и создание на его основе механизированных поточных линий открывает широкие возможности использования новых видов сырья и полуфабрикатов, создания новых видов изделий, обладающих высокими вкусовыми и питательными свойствами
Конфетоотливочные машины. Предназначены для отливки конфетных масс в формы из кукурузного крахмала Форма представляет собой деревянный лоток, заполненный крахмалом В крахмале отштамповывают углубления — ячейки, конфигурация которых соответствует форме корпусов конфет. После заливки ячеек конфетной массой формы выстаиваются, пока масса не затвердеет. Затем отвердевшие корпуса удаляются из крахмала, а лоток вновь заполняется крахмалом и направляется на штамповку ячеек и отливку.
Продолжительность выстойки помадных корпусов в условиях цеха составляет 3...3,5 ч, фруктово-желейных — 4...6 ч и ликерных — 5...7 ч.
Для формования необходим мелкозернистый крахмал влажностью 5...6 % и температурой 14...15 °С. Такой крахмал не осыпается при штамповании ячеек, поглощает некоторое количество влаги с поверхности корпусов конфет и легко счищается с их поверхности.
Для отливки корпусов конфет в формы из крахмала применяются следующие виды машин:
Конфетоотливочные машины с одним отливочным механизмом, на которых получают монолитные корпуса из массы одного сорта;
машины с двумя последовательно установленными отливочными механизмами, на которых получают двухслойные корпуса из различных конфетных масс.
Конфетоотливочная машина, отливающая помаду в крахмальные формы, состоит из следующих основных узлов и механизмов: конвейера для подачи лотков, каретки для переворачивания лотков, устройства для заполнения лотков крахмалом, штампа, отливочного механизма, системы сит для отделения и очистки крахмала и щеточного устройства для очистки корпусов конфет.

Рис. 4.10. Машина для отливки помады в крахмальные формы
Принципиальная схема машины с одним отливочным механизмом приведена на рис. 4.10. В начале процесса производства пустые деревянные лотки или лотки с затвердевшими корпусами конфет, отлитыми ранее, устанавливают вручную в штабель 1. При наличии установки ускоренной выстойки штабель не нужен. Конвейер для подачи лотков 2 своими гонками вставляет лоток в каретку 3. После этого каретка поворачивается на угол 360° и останавливается. Во время поворота содержимое лотка (крахмал и корпуса конфет) высыпается на поверхность сита 21, совершающего возвратно-поступательное движение вдоль оси машины. Освободившийся лоток выдвигается из каретки следующим лотком на конвейер 4, совершающий периодическое движение. Для правильного и полного перехода лотка на конвейер имеется досылатель, рычаг 5 которого упирается с внутренней стороны лотка в его передний борт и несколько продвигает его вперед. Далее лоток входит в механизм для заполнения крахмалом, который состоит из двухцепного элеватора 7. Ковш 6 элеватора забирает крахмал снизу, поднимает его и на верхней горизонтальной ветви высыпает в лоток.
При дальнейшем движении лотка поверхность крахмала выравнивается приспособлением 10. После этого лоток проходит мимо неподвижных щеток, которые очищают его продольные борта. По — перечные борта лотка очищаются вращающейся щеткой. Затем лоток останавливается под штампом 11. При опускании штампа в крахмале отштамповываются ячейки по форме корпусов конфет. Штамп снабжен приспособлением для остукивания, во время которого поверхность ячеек слегка подпрессовывается и крахмал отделяется от пуансонов. Конвейер, совершая периодическое движение, перемещается каждый раз на расстояние, равное шагу между соседними лотками.
Лоток с отштампованными ячейками переходит на цепной конвейер 12, подающий его под дозирующее устройство 14 отливочного механизма, снабженного загрузочной воронкой 13. Конвейер 12 периодически перемещается на расстояние, равное шагу между рядами ячеек в лотке.
После заливки всех рядов лотка конвейер получает ускоренное движение от механизма обгона и продвигается на расстояние, равное шагу между крайними рядами соседних лотков. Лотки снимают с конвейера 12 и устанавливают на стеллажи для выстойки, или подают в установку ускоренной выстойки.
На сите 21 происходит отделение корпусов конфет от крахмала. С поверхности сита корпуса конфет сходят на корытообразную щетку 19, закрепленную на общей с ситом 21 раме и совершающую вместе с ним возвратно-поступательное движение вдоль оси полуавтомата. Над этой щеткой совершает поперечное качательное движение щетка 18, очищающая поверхность корпусов от крахмала. Со щетки 19 корпуса сходят на поперечный ленточный конвейер 15, с которого они ссыпаются во внутрицеховую тару и передаются к глазировочной машине.
Для лучшей очистки корпусов установлен вентилятор 9, нагнетающий воздух в продольной короб 17 качающейся щетки 18. Крахмал, отделенный щетками от корпусов конфет, скребковым конвейером 16 отводится к ковшам наполнительного элеватора. Крахмал с крошками конфетной массы, пройдя через отверстие сита 21, движется по его поддону 22 и поступает на поверхность сита 20. Крошки сходят с сита в сборник, расположенный в хвостовой части машины, а чистый крахмал собирается на поддоне 23 и сходит с него под ковши наполнительного элеватора.
При заполнении лотков крахмалом, штамповании ячеек и очистке корпусов образуется много крахмальной пыли. Для отсоса пыли установлен вентилятор 8, который направляет запыленный воздух в рукавный матерчатый фильтр.
Привод машины осуществляется от электродвигателя 25 и коробки передач 24. Для изменения хода конвейера в зависимости от количества рядов ячеек в лотке отливочный механизм снабжен коробкой передач 26.
Щеточные очистительные устройства конфетоотливочных машин очищают поверхность корпусов конфет не полностью, оставляя значительные следы крахмала. Для корпусов, которые в дальнейшем будут покрыты шоколадной глазурью, это не имеет большого значения, а корпуса конфет, поступающие в продажу без глазирования, например, молочные, необходимо дополнительно очищать от крахмала.
Для этого используют, крахмалоочистительные машины или устройства для очистки корпусов конфет сжатым воздухом на отводном конвейере.
В конфетоотливочных машинах применяются поршневые или плунжерные дозирующие устройства с горизонтальным или вертикальным расположением поршней.

Рис. 4.11. Дозирующие устройства отливочных механизмов:
а — с горизонтальным расположением поршней; б — с вертикальным расположением поршней.
На рис. 4.11, а показана схема дозирующего устройства с горизонтальными поршнями. Устройство устанавливают на машине с одним отливочным механизмом. Поршни 8, закрепленные в общей траверсе 10, совершающей возвратно-поступательное движение в горизонтальных направляющих 9, движутся в цилиндрических полостях плиты 3, которая привертывается болтами к плите 4 загрузочной'воронки 5. Воронка снабжена обогревающей рубашкой 6.
В плите 3 установлена золотниковая планка 2 прямоугольного сечения, совершающая возвратно-поступательное движение в направлении, перпендикулярном плоскости чертежа. В планке имеется 24 угловых отверстия, соединяющих полости всех цилиндров с каналами выходных насадок 1, как это показано на рисунке. Отверстия расположены в золотниковой планке с шагом, равным шагу установки поршней в траверсе и шагу между осями цилиндров. Между этими отверстиями в планке находятся 24 угловых отверстия, соединяющих полости цилиндров с каналами воронки (на рисунке эти отверстия показаны пунктиром). При передвижении планка золотника займет положение 2а, полость цилиндра соединится с воронкой и разъединится с каналом насадки 1.
Когда золотниковая планка занимает положение 2а, поршень движется вправо и засасывает массу из воронки в цилиндр. При крайнем правом положении поршня планка передвинется и соединяет цилиндр с выходной насадкой 1. Поршень получает движение влево и выдавливает массу через насадку в ячейку крахмальной формы. Объем дозы конфетной массы можно регулировать, изменяя ход поршней при помощи кулисного механизма.
Поршни имеют уплотнительные кольца 12.
Для предотвращения засахаривания массы на поверхности поршня в отверстия 7 подают капли воды. На нижнюю поверхность поршня вода поступает через отверстие 11, когда при движении поршня оно совместится с отверстием 7.
На рис. 4.11,6 показана схема дозирующего механизма с вертикально движущимися поршнями. Хвостовики поршней 8 вставлены в паз траверсы 4, которая движется в направляющих 3, закрепленных на пластине 2 корпуса загрузочной воронки 1. Поршни движутся в цилиндрах, выполненных в общей колодке 7. Уплотнение поршня осуществляется сальниковой набивкой 6 и гайкой 5. Колодка цилиндров вставлена в паз корпуса воронки.
В нижней части цилиндра находится золотниковая планка 11, совершающая возвратно-поступательное движение в направлении, перпендикулярном плоскости чертежа. В планке имеются каналы 12, соединяющие полость цилиндра с воронкой; расстояние между каналами равно шагу установки поршней и шагу осей цилиндров. Между каналами в планке просверлены отверстия 8. Когда золотниковая планка займет положение 11а, отверстия 9 соединят полости цилиндра с выходными насадками 10. Канал 12 планки уйдет из-под цилиндра и разделит цилиндр и воронку. При движении поршней вверх произойдет всасывание массы из воронки в цилиндр, при движении поршней вниз - выдавливание массы через насадки 10.
Установки для ускоренной выстойки отливных корпусов конфет. До создания полностью механизированных поточных линий производства отливных конфет некоторые операция были связаны с большой затратой ручного труда: загрузка и разгрузка конфетоотливочных машин лотками, перевозка стеллажей с лотками по цеху к специальным камерам выстойки или к отведенным непосредственно в цехе местам. Механизация этих операций затруднялась из-за больших затрат времени на выстойку корпусов конфет.
Исследования показали, что при проведении выстойки в воздухе температурой около 10 °С продолжительность выстойки помадных корпусов конфет может уменьшена с нескольких часов до 30...38 мин, фруктово-желейных — до 40...60 мин.
Столь значительное сокращение выстойки корпусов конфет дало возможность создать специальные установки с непрерывным механизированным перемещением лотков с корпусами конфет.
Установка К-52Д ускоренной выстойки корпусов конфет шахтного типа. Установка монтируется в единый агрегат с конфетоотливочной машиной и состоит из двух вертикальных закрытых шахт 8 и 18, соединенных в верхней части закрытым конвейером 16 с дверцами 17 (рис. 4.12).
Шахта 18 установлена у выходной части конфетоотливочной машины 23 и соединена с ней подающим конвейером 22. Шахта 8 установлена у входной части конфетоотливочной машины и также соединена с ней конвейером 11. Внутри шахт движутся вертикальные цепные конвейеры с горизонтальными направляющими полками 19. Восходящая и нисходящая ветви конвейеров имеют по сорок две полки. В камере 16, расположенной над конфетоотливочной машиной, движется горизонтальный конвейер 14 с гонками 12, соединяющий верхние части вертикальных конвейеров шахт 8 и 18.

Рис. 4.12. Установка К-52Д ускоренной выстойки корпусов конфет шахтного типа.
Лотки с ячейками, заполненными конфетной массой, выходят из конфетоотливочной машины и конвейером 22 с ведущим валом 28 входят в нижнюю часть шахты 18 до упора 26. Каждые пять лотков, вошедшие в шахту, подхватываются полками 19 и периодически поднимаются вверх на высоту, равную расстоянию между полками. Перед подъемом конвейера поднимается штырь 20 отсекателя лотков и задерживает первый лоток следующей партии, состоящей также из пяти лотков. Таким образом, при подъеме вертикального конвейера отсекатель прекращает подачу лотков в шахту. По окончании подъема штырь опускается и открывает доступ лоткам в шахту. Движение штыря осуществляется от кривошипа через систему рычагов и тяг 30.
Периодическое движение вертикальных конвейеров осуществляется механизмами мальтийских крестов, смонтированными в редукторах 4 и 24.
Когда перемещаемые в вертикальном направлении группы по пять лотков приходят в верхнее положение, гонок 13 верхнего цепного конвейера 14 сдвигает лотки с полок вертикального конвейера шахты 18 на направляющие 15 и передвигает по ним лотки 12 к шахте 8.
Вертикальный конвейер шахты 8 принимает с направляющих 15 на свои полки по пять лотков, опускает их периодически вниз и оставляет на разгрузочном конвейере 9, имеющем упоры.
Затем конвейер 9 выносит по пять лотков с выстоявшимися корпусами конфет из шахты 8 и передает их на промежуточный конвейер 11, который направляет эти лотки в загрузочную часть конфетоотливочной машины 23.
Если установка ускоренной выстойки, не предусмотрена, то конвейеры 11 и 22 конфетоотливочной машины изготовлены поворотными: конвейер 11 может быть повернут вокруг вала 10 и поднят к шахте 8, а конвейер 22 повернут вокруг оси 21 и поднят к шахте 18.
Привод установки ускоренной выстойки и конфетоотливочной машины осуществляется от одного электродвигателя. Через трансмиссионный карданный вал 31 и конические передачи 1 и 29 движение передается вертикальным валам 2 и 27, а от них горизонтальными валами 3 и 25 редукторов 4 и 24 с мальтийскими крестами приводятся в движение конвейеры установки.
Мальтийский крест вращается в закрытом кожухе редуктора 4, водило мальтийского креста посажено на вал червячного колеса, получающего вращение от червяков горизонтального вала 3.
С вала 3 цепной передачей движение передается промежуточному валу 5, а от него второй цепной передачей — ведущему валу 6 транспортера 13. При помощи конических передач и вертикального вала 7 вращение передается также ведущему валу 10, движущему цепной конвейер 9.
Установка шахтного типа, имея единый привод с конвейером отливочной машины, работает с ней синхронно; ее конвейеры имеют цепи небольшой длины с относительно малой вытяжкой, надежную конструкцию несущего устройства. Габаритные размеры установки позволяют разместить ее над конфетоотливочной машиной.
Благодаря сокращению времени выстойки кристаллы в помадных корпусах более мелкие, качество корпусов гораздо выше, чем качество корпусов, полученных при выстойке в помещении цеха.
Использование установок ускоренной выстойки позволило фабрикам резко сократить площади, необходимые для выстойки корпусов конфет, улучшить санитарно-гигиенические условия производства, значительно сократить число лотков и уменьшить количество крахмала, находящегося в обороте, повысить производительность труда.
Расход воздуха составляет около 25 000 м3/ч, а холода — около 75 кВт.
На рис. 4.13 представлена поточная линия производства конфет отливкой в силиконовые формы, которые можно изгибать и тем самым легко извлекать конфеты из ячеек.
Технологический процесс формования конфет происходит следующим образом. В пустые формы 5, повернутые механизмом 7 ячейками вверх, из отливочной головки 8 дозируется горячая жидкая помадная конфетная масса. Затем формы люлечным конвейером 10 транспортируются в охлаждающий шкаф 9. Поворот ные устройства 11 обеспечивают постоянное положение форм в процессе охлаждения.

Рис. 4.13. Поточная линия производства конфет отливкой в силиконовые формы
Понижение температуры приводит к выпадению кристаллов сахара из насыщенного раствора (жидкой фазы). Они образуют прочный каркас и приводят к затвердеванию конфет. Поворотное устройство 2 конвейера 10 ориентирует формы таким образом, что они ячейками прижимаются к шестиграннику 1 ротора 3 и оказываются на конвейером 4 в перевернутом состоянии. Поэтому, когда формы подвергаются прогибу в механизме 6, затвердевшие конфеты извлекаются из ячеек, падают на ленту конвейера 4 и выводятся для дальнейшей обработки. В поворотном устройстве 7 формы снова занимают нормальное положение, т.е. располагаются ячейками вверх. Производительность линии в зависимости от конструкции составляет 500-3500 кг/ч.
Для выстойки молочных конфет типа «Старт» создана аналогичная установка с двухступенчатым тепловым режимом. В первой шахте циркулирует воздух температурой около 22 °С, а во вторую шахту подается воздух температурой 8...10 °С.
Оборудование для формования шоколадных изделий
Шоколадные изделия формуют на специальных агрегатах, которые представляют собой комплекс технологических машин, последовательно соединенных между собой системой транспортирующих устройств.
В основном шоколадные изделия формуют отливкой шоколадных масс в металлические (иногда пластмассовые) формы. В зависимости от вида шоколадных изделий агрегаты для формования можно разделить на три группы:
агрегаты для формования шоколадных изделий без начинок;
агрегаты для формования шоколада с начинками и изготовления пустотелых шоколадных фигур;
агрегаты универсальные для изготовления шоколадных изделий как с начинкой, так и без начинки.
Агрегат 317-Е-9 для формования плиточного шоколада с двумя отливочными головками. Агрегат (рис. 5.12,а) предназначен для формования изделий из шоколадных масс с минимальным содержанием жира (26%). Конструкция отливочных машин позволяет формовать шоколад с различными добавками (например, с дроблеными орехами, вафлями и т.п.), вводимыми в массу. Наличие двух отливочных машин позволяет вырабатывать одновременно два вида шоколадных плиток. Отличительная особенность агрегата — автоматическая подача шоколадных плиток в заверточные автоматы.
Оттемперированная шоколадная масса отливочными машинами 10 и 9 заливается в формы, которые непрерывно поступают по нижней ветви транспортера 8 из зоны 6 подогрева форм, расположенной под вибротранспортерами 7. В ней смонтировано 90 нагревателей инфракрасного излучения мощностью по 300 Вт, которые разделены на три группы. Комбинация этих групп позволяет включать 20, 40, 60 и 100 % нагревателей и соответственно более слабо или интенсивно подогревать формы.

Формы шарнирно закреплены на цепном транспортере 8 длиной около 200 м, их можно легко снять или поставить на транспортер в месте поворота транспортера перед отливочными машинами.
При изготовлении шоколадных плиток различной массы (например, 50 и 100 г) формы для этих видов изделий устанавливают на конвейере поочередно. Каждая из отливочных машин заполняет соответствующие формы (24 формы в минуту).
Заполненные шоколадной массой формы поступают на вибротранспортеры 7. Для снижения шума, обычно возникающего при встряхивании форм, секции вибротранспортера заключены в деревянный кожух, а сами формы принудительно перемещаются цепями над поверхностью постоянных магнитов. Каждая из шести секций вибротранспортеров регулируется самостоятельно.
После вибротранспортера формы поступают в охлаждающую камеру 5. Последовательно пройдя девять ветвей охлаждающего транспортера, формы опускаются по его вертикальному участку, перевертываются и движутся обратно, в сторону отливочных машин. На этом участке под действием вибротранспортеров шоколадные плитки выпадают из форм на пластинчатый транспортер 3, а пустые формы на пути к отливочным машинам подогреваются.
В камере 5 формы с шоколадом охлаждаются в течение 19 мин. Циркуляция воздуха в зоне более интенсивного охлаждения 12 и в нижней зоне 11 — зоне акклиматизации - создается четырьмя расположенными попарно центробежными вентиляторами 4, которые включаются самостоятельно. Режим охлаждения контролируют при помощи термометров Охлаждение шоколадных плиток до температуры, близкой к температуре воздуха цеха, позволяет направлять их на завертывание без длительной выстойки.
К заверточным машинам плитки поступают с пластинчатого транспортера 2 четырьмя ленточными питателями 1. Плитки, лежащие параллельными рядами на пластинах конвейера 2, автоматически сбрасываются на ленточные конвейеры, расположенные попарно с обеих сторон конвейера 2. В случае вынужденной остановки одной из заверточных машин плитки поступают на резервный ленточный конвейер 3, с которого их снимают вручную.
Дозирующее устройство (рис. 5.12,б) формующей машины предназначено для формования плиточного шоколада различной массы ленточным способом. Производительность (до 24 форм/мин) регулируется бесступенчато.
Устройство состоит из приемной воронки, формующей головки с дозирующими устройствами и механизма синхронной подачи и отвода форм (каретки). Приемная воронка снабжена водяной рубашкой 6 для обогрева.
Подогретая вода подается в рубашку циркуляционным насосом, излишки воды вытекают свободно. Для подогрева воды и поддержания ее температуры на заданном уровне (в пределах 32...38 °С) служит бачок, оборудованный нагревательным элементом и терморегулятором. Бачок соединен с насосом трубопроводом.
Над воронкой установлена пластинка, отполированная до зеркального блеска, которая служит для наблюдения за процессом заполнения воронки. Находящаяся в воронке шоколадная масса непрерывно перемешивается мешалкой, предупреждая таким образом расслаивание и одновременно создавая дополнительный напор, необходимый для заполнения ячеек золотника И. Поворачиваясь на определенный угол, золотник занимает положение, при котором его ячейки поочередно соединяются либо с воронкой, либо с мерными цилиндрами. Дозирование шоколадной массы осуществляется группой поршней 2, которые совершают в мерных цилиндрах 5 возвратно-поступательное движение, сообщаемое коромыслом 1 и шатуном 3, соединенными осью 4. Напротив каждого цилиндра в золотнике просверлено сквозное отверстие, заканчивающееся мундштуком 9 с щелевыми отверстиями, перекрываемыми ножом-отсекателем 10.
При движении поршня вправо шоколадная масса всасывается из приемной воронки и ячеек золотника и поступает в мерные цилиндры. При последующем движении поршней вперед она выталкивается из цилиндров через проходные отверстия в мундштуке и заполняет ячейки форм 8, закрепленные в держателях 7. Из отверстий мундштука шоколадная масса поступает в движущиеся формы в виде ленты и равномерно распределяется по поверхности ячеек.
По окончании дозирования золотник поворачивается и одновременно отводит нож-отсекатель от упора, освобождая крепящие его пружины Под действием пружин нож-отсекатель скользит по нижней поверхности мундштука и перекрывает все щелевые отверстия, предотвращая образование потеков и капель. Золотник может быть заменен после удаления щеки 12, фиксируемой винтом 13.
Синхронизация скоростей движения форм и формование массы осуществляются с помощью каретки, движущейся в противоположном потоку форм направлении.
Ход и положение каретки регулируются, благодаря чему обеспечивается различная скорость движения форм под формующей головкой. Это регулирование необходимо при изменении вязкости или дозы шоколадной массы, что позволяет точно установить начало и конец заполнения ячеек формы. После заполнения шоколадной массой формы поступают для дальнейшей обработки на виброконвейер.
Агрегат для формования шоколадных фигур. В агрегате используются раскрывающиеся шарнирные формы, состоящие из двух частей.
Принципиальная схема агрегата приведена на рис. 5.13,а. Пустые раскрытые формы 2 зачерненным днищем вверх подаются конвейером 3 для подогрева в зону инфракрасного излучения 1 Затем подогретые до температуры 32 °С формы продвигаются к отливочному механизму 12. Шоколадная масса отливается только в одну, переднюю половинку формы и автоматически закрывается устройством 11, после чего форма начинает вибрировать на виброконвейере 10 и одновременно поворачивается вокруг своей продольной и поперечной оси. Благодаря вращению шоколадная масса равномерно распределяется по стенкам обеих половинок формы.

Рис. 5.13. Агрегат для формования пустотелых шоколадных фигур:
а — схема, б — дозирующее устройство
Вращательное движение на участке 9 продолжается и в охлаждающем шкафу 8 на верхней ветви цепного конвейера. При переходе на нижнюю ветвь конвейера, т.е. на участке 7, формы перестают вращаться и движутся в горизонтальном положении. Устройство 6 раскрывает формы и на вибраторе 5 они освобождаются от готовых изделий. Ленточный конвейер 4 выводит изделия из агрегата.
Управление агрегатом производится оператором с пульта.
Общая синхронизация обеспечивается жесткими кинематическими цепями от общего привода. При перегрузках срабатывает система блокировок и агрегат автоматически выключается. На пульте управления высвечиваются причины отключения.
Производительность агрегата зависит от числа отливов, количества ячеек в форме и массы изделий. В агрегате используются формы, размер которых в раскрытом виде равен 275x462 мм.
В такой форме может быть 8 половинок форм размером 60x195 мм, или 24 половинки изделий размером 30x120 мм, или 48 фигурок размером 30x60 мм, или 12 фигурок массой по 50 г, а также 18 фигурок массой по 40 г.
Дозирующее устройство (рис. 5.13,б) отливочной машины агрегата снабжено рубашкой 1 для обогрева воронки и рубашкой 10 для обогрева сменных мерных цилиндров 9. В корпусе 11 расположен цилиндрический канал 20, в котором находится золотник 21 с каналами 19 и 22. Дозирующее устройство имеет от 12 до 24 поршней 8, которые крепятся к бруску 7 верхней 4 и нижней 6 планками, стягиваемыми болтом 3. Брусок 7 с шатуном 5 соединен шарнирно. Шатун получает движение от коромысла 2. Насадки 13 ввернуты в валики 16, которые поворачивают насадки при поступлении шоколадной массы в ячейки 15 форм с шарниром 14. При повороте золотника 21 имеющиеся в нем каналы 19 и 22 соединяют мерные цилиндры то с воронкой, то через каналы 12 и 17 с насадками 13. Валы и насадки можно легко заменить. Кроме того, с помощью специальных насадок можно заполнить одну форму из двух мерных цилиндров.
Золотник с торца закрыт крышкой 23 и снабжен винтом с рукояткой 24. Механизм поворота золотников закрепляется планкой 18.
После заполнения шоколадной массой формы механически закрываются. В таком положении половинки форм удерживаются пружинной защелкой.
При дальнейшем движении форма совершает два взаимно перпендикулярных вращения. В процессе вращения форма подвергается вибрации, которая делает массу более подвижной (текучей), что позволяет получить полые фигуры со стенками равномерной толщины.
Универсальные агрегаты для формования шоколадных изделий с начинкой и без начинки. Во всех агрегатах технология изготовления шоколадных изделий «Ассорти» с начинкой принципиально одинакова. На рис. 5.14 показана схема основных технологических операций изготовления этих изделий.Формы с фигурными ячейками подаются под отливочный механизм (см. рис. 5.14,а, б), затем в вибрационное устройство и на опрокидыватель (рис. 5.14,в), где заполненные формы перевертываются дном вверх; около 75% массы при этом выливается из ячеек, а на стенках остается небольшой слой.
Далее формы поступают в центробежную машину, где слой шоколадной массы выравнивается и достигает толщины 1...1,7 мм.
Затем формы проходят через охлаждающую камеру. После очистки формы подаются под отливочные механизмы (см. рис. 5.14,г) для заливки начинки в ячейки, стенки которых покрыты застывшей шоколадной массой. При этом ячейки заполняются начинкой не до краев (см. рис. 5.14,д), с тем, чтобы осталось место для последующей заливки донышка шоколадных фигурок.
Заполненные начинкой формы проходят через вибратор и охлаждающую камеру. Далее форма поступает под электронагреватель, который подогревает и размягчает верхние кромки шоколадной оболочки ячеек. После этого форма поступает в отливочную машину для заливки шоколадной массой донышка изделий (см. рис. 5.14,е). После удаления с поверхности и боковых сторон формы излишков шоколадной массы скребками формы поступают в охлаждающую камеру, из которой передаются на машину для выборки изделий из ячеек (см. рис. 5.14,ж).
Универсальный агрегат (рис. 5.15) по компоновке представляет собой замкнутую в горизонтальной плоскости двухлинейную систему машин. Формы к транспортерам не крепятся. На линии можно вырабатывать шоколадные изделия с начинками (батоны, «Ассорти») и без начинок (плиточный и узорчатый шоколад, медали).
При изготовлении шоколада с начинками линия работает следующим образом. Пустые формы, проходя по транспортеру 2, поступают в подогреватель форм 3 длиной 10 м, разделенный на две зоны. На этом участке формы подогреваются в течение двух минутах до 28...30°С горячим воздухом температурой около 70°С.

Рис. 5.15. Универсальный двухлинейный шоколадоформующий агрегат
Ячейки подогретых форм с помощью многопоршневой двусторонней отливочной машины 4 заполняются порциями шоколадной массы. При помощи двух групп поршней (по 36 в каждой) машина дозирует массу одновременно во все ячейки форм. Для направления шоколадной массы точно в ячейки служат пронумерованные для каждого вида изделий съемные пластины. Отливочные машины такого типа позволяют использовать формы с любым расположением ячеек.
Отливочная машина снабжена обогреваемой воронкой, внутри которой вращается мешалка с лопастью, зачищающей стенки воронки. Температура воды, циркулирующей в водяной рубашке воронки, поддерживается на заданном уровне автоматически посредством электрического подогревателя с термостатом. К отливочной машине оттемперированная шоколадная масса подается из автоматической темперирующей машины по трубопроводу с водяной рубашкой, который заканчивается трубчатым фильтром.
Формы, заполненные шоколадной массой, проходят через вибрационный стол 5 с четырьмя группами вибраторов, уплотняющих и разравнивающих шоколадную массу в формах, а также удаляющих из массы пузырьки воздуха. Затем в опрокидывателе 6 формы переворачиваются на 180° и в этом положении проходят через вибратор 7 для удаления излишков шоколада из ячеек и образования оболочки изделия.
Затем формы переходят на вибратор 8, который сообщает им круговое колебательное движение с целью выравнивания толщины оболочки. Шоколадная масса, удаляемая из форм, накапливается в ванне и перекачивается насосом обратно в темперирующую машину. Затем устройство 9 переворачивает формы на 180°, занимая первоначальное положение (ячейками вверх).
Излишки шоколада с поверхности форм снимаются зачищающим валковым механизмом 10 (вращающийся навстречу движению форм полый металлический валок плотно прижимается к поверхности форм). Захватываемая валком шоколадная масса счищается с его поверхности ножом и отводится при помощи шнека в приемник.
Очищенные формы поступают в вертикальную охлаждающую камеру 11 шахтного типа. Затем поперечным цепным транспортером 12 с гонками формы передаются на вторую ветвь линии к отливочным машинам 14 для заполнения форм начинкой.
При отливке изделий с заспиртованной вишней или целым орехом перед отливочными машинами для начинок подключается дозатор 13, в бункер которого заранее загружают калиброванную вишню или орех.
Пройдя вибротранспортер 15 для уплотнения начинки, формы поступают в вертикальную охлаждающую камеру 16, а затем проходят через электрический подогреватель 18 для оплавления кромок оболочки изделия, что способствует более надежному соединению ее с донышком, заливаемым на отливочной машине 19.
Загрузочная воронка этой машины также снабжена трубчатым фильтром. Далее формы поступают в механизм 20, где их поверхность очищается пластинчатым ножом.
Очищенные формы проходят по вибротранспортеру 22 поступают в основную охлаждающую камеру 23 шахтного типа с автоматическим регулированием температуры.
За охлаждающей камерой установлен механизм 24, который накладывает на формы пластмассовые или картонные листы, заранее уложенные в кассету. Форма, накрытая листом, переворачивается кантователем 25 на угол 180° и передается на вибрационную выколоточную машину 26.
Готовые изделия отводятся транспортером 27, а освобожденные формы проходят через кантователь 1, возвращающий их в исходное положение — ячейками вверх, и поперечным транспортером направляют на первую ветвь поточной линии.
Для производства изделий без начинок на транспортер 2 устанавливают соответствующие формы, ставят на отливочную машину пластину требуемого профиля и регулируют по ней работу насосов. Для отливки изделий используют отливочную машину 4 или одну из машин 14 для заливки начинок. В последнем случае опрокидыватели, вибраторы, устройство для зачистки форм, первая и вторая охлаждающие камеры и другие механизмы не используют. В остальном процесс проводится так же, как описано выше.
Для приготовления плиточного шоколада с начинками на транспортер 2 устанавливают соответствующие формы и используют те же механизмы линии, что и при производстве батонов или «Ассорти» с начинками.
При получении шоколада с твердыми добавками процесс ведут, используя лишь участок подогрева форм и механизмы второй ветви агрегата, начиная с отливочной машины 17. В этом случае порции дробленого или целого ореха и другие добавки смешивают с шоколадной массой непосредственно в приемной воронке отливочной машины 17. Добавки вводят при помощи установленного над отливочной машиной механического дозатора карманного типа.
Отливочная машина имеет шестнадцать поршней диаметром 40 мм и широкие выходные патрубки прямоугольного сечения.
Такая конструкция машины позволяет легко дозировать смесь шоколада с целым или дробленым ядром ореха, изюмом и т.п. При использовании целого ядра и добавок крупного размера формы перед охлаждающей камерой следует подвергать вибрации особенно интенсивно, чтобы происходило максимально возможное выравнивание внешней поверхности изделий.
Привод агрегата осуществляется от общего электродвигателя. От него движение передается отдельным машинам через редуктор 21 посредством карданных валов, обеспечивающих синхронную работу всех механизмов агрегата. Самостоятельные электродвигатели имеют только отдельные вспомогательные механизмы (вентиляторы, насосы и т.п.).
Пуск агрегата и контроль за его работой осуществляется с центрального пульта управления, на котором смонтированы пусковые устройства и лампы, сигнализирующие о нарушениях режима работы устройств агрегата. Привод имеет бесступенчатое регулирование скорости (от 8 до 20 форм в минуту), осуществляемое с помощью двух кнопок («больше» — «меньше»).
Производительность агрегата зависит от количества заполняемых в минуту форм и от массы изделий в одной форме. С одной формы можно получить 12 плиток шоколада с начинкой (1200 г), 7 плиток шоколада с орехами (700 г), 80 шт. «Ассорти» (800 г), 16 батонов (800 г) и 90 шт. узорчатого шоколада (225 г). При нормальной скорости конвейера, обеспечивающей заливку 15 форм в минуту, производительность агрегата составит соответственно 1080, 630, 720, 720 и 202 кг/ч.
Дозирующее устройство шоколадоформующего агрегата с мундштуком и подвижным отсекателем используются для формования шоколадных масс с целыми орехами и другими твердыми добавками.
Это устройство отличается большей по своим размером поршневой камерой и более широкими каналами золотника и мундштука. Перекрытие отверстий мундштука (канала золотника) препятствует образованию отеков и нитей из шоколадной массы, загрязняющих поверхность форм.
Оборудование для формования жгута из карамельной массы
Формованию карамельных и других кондитерских изделий (например, ириса) предшествует приготовление жгута из пластичной массы. При этом в зависимости от ассортимента изделий готовят жгут с прожилкой начинки внутри или без начинки.
Путем обкатки формуемой массе сначала придают форму конусного батона, который затем вытягивается, калибруется в жгут необходимого диаметра и подается не формование изделий.
Для подготовки жгутов карамельных и других масс применяют карамелеобкаточные машины, придающие массе форму конусного батона с помощью вращающихся конических рифленых веретен, и жгутовытягивающе-калибрующие устройства, вытягивающие и калибрующие из карамельного батона жгут нужных размеров с помощью системы роликов.
На рис. 3.9 показана принципиальная схема образования жгутов из

К оборудованию для формования жгута относятся: горизонтальные карамелеобкаточные машины с начинконаполнителем (для карамели с начинкой) или без него (для леденцовой карамели и ириса); жгутовытягиватели для вытягивания и калибрования жгута из батона; равняльные барабаны и калибрующие ролики.
Горизонтальная карамелеобкаточная машина КПМ. Предназначена для обкатки карамельного батона и придания ему формы конуса; устанавливается между тянульной машиной и жгутовытягивателем.
Машина (рис. 3.10,а) состоит из станины 1, корытообразного корпуса, 12, закрываемого выдвижной крышкой 11, веретен 13, начинконаполнителя 18 с воронкой 10 и кривошипным приводом 2, привода и коробки передач 4.
Основным рабочим органом машины служат рифленые конические веретена 13.
Вращение веретен осуществляется или только в одну сторону — по часовой стрелке, или с переменным переключением вращения то в одну, то в другую сторону (реверсированием).
Вращение в одну сторону придается веретенам обычно при изготовлении массовых сортов карамели в том случае, если карамельный батон формуется непосредственно в обкаточной машине и начинка вводится в батон при помощи начинконаполнителя.
Вращение с реверсированием придается веретенам, когда батон с начинкой в виде «пирога» готовится отдельно и укладывается вручную на веретена машины.
Для изменения направления вращения веретен служит коробка передач 4 с ручками переключения 3.
Карамельная масса при вращении веретен приобретает форму конуса, ось которого имеет уклон к месту выхода жгута. Величина уклона может изменяться путем подъема (вращение вокруг оси 15) левой части корпуса при помощи винта и маховичка 17. Веретена получают движение от привода через коробку передач 4, верти кальный вал 5, конические и цилиндрические шестерни 6, насаженные на веретена.

Рис. 3.10. Горизонтальная карамелеобкаточная машина КПМ:
а — общий вид; б — схема привода веретен
Для предотвращения охлаждения массы во время обкатки корпус машины снабжен паровым обогревом 16 и крышкой 11, которая при подъеме уравновешивается противовесом 7 и упирается в кронштейн 8.
Толщина жгута, выходящего из обкаточной машины, регулируется рукоятками 14. Груз 9 служит для сближения верхних веретен и обеспечения контакта веретен с карамельной массой.
Схема привода веретен и образования карамельного конуса представлена на рис. 3.10,6. Веретено 14 получает вращательное движение от электродвигателя 2 через ременную передачу 8, червячную передачу 7, коническую пару б, вертикальный вал 9 и коническую пару 10. Через систему зубчатых передач, состоящих из промежуточных («паразитных») шестерен 11 и ведомых шестерен 12, получают движение два веретена 13. Аналогично от веретена 14 вращение передается другим веретенам. Промежуточные шестерни нужны для того, чтобы обеспечить вращение всех веретен в одном направлении.
Веретена имеют коническую форму и располагаются в корытообразном сосуде 18, образуя коническую поверхность. Поэтому при вращении веретен карамельная масса обкатывается ими и приобретает форму конуса 17. Чтобы масса при обкатке не отодвигалась назад к основанию конуса, предусмотрен грушевидный упор 16.
Внутри конуса 17 вдоль оси располагается конец трубы 15, по которой из начинконаполнителя поступает начинка. Начинконаполнитель представляет собой плунжерный насос 1, который приводится в движение от общего электродвигателя 2 кривошипом 4. При необходимости с помощью рукоятки 5 и муфты 3 начинконаполнитель можно остановить, не прекращая работы карамелеобкаточной машины.
Начинконаполнитель имеет устройство для регулирования количества подаваемой начинки путем изменения хода плунжера.
Начинконаполнитель поставляется заводом-изготовителем в комплекте с карамелеобкаточной машиной и как самостоятельный сменный узел. Кроме плунжерных применяют шестеренные начинконаполнители, но они получили меньшее распространение. Горизонтальные обкаточные машины изготавливаются и без начинконаполнителя. Они поставляются в комплекте с формующе-заверточными машинами для производства леденцовой завернутой карамели.
Жгутовытягиватель ТМ-1. Предназначен для вытягивания поступающего с карамелеобкаточной машины карамельного батона в жгут и калибрования его до нужного размера перед подачей на формование; устанавливается между карамелеобкаточной и карамелеформующей машинами.
Жгутовытягиватель ТМ-1 (рис. 3.11) состоит из трех пар вертикально расположенных калибрующих роликов, которые устанавливаются на концах валиков с наружной стороны коробки 3. К чугунным стойкам 1 крепится коробка, которая состоит из передаточного механизма и механизма регулирования. При помощи механизма регулирования в зависимости от требуемого диаметра жгута изменяется расстояние между центрами последней пары роликов.

Ролики вращаются от привода карамелеформующей машины посредством шкива или звездочки 7, ременной передачи и системы цилиндрических шестерен 6, расположенных в коробке 3. Во время работы ролики закрываются съемным ограждением 8. Из карамелеобкаточной машины конусный батон карамельной массы в виде жгута диаметром примерно 54...60 мм пропускается через приемный 2 и калибрующие 4 ролики, постепенно вытягивается, уменьшается в диаметре до величины, необходимой для выработки карамели заданного сорта, калибруется и подается на карамелеформующую машину.
Частота вращения приводного шкива зависит от линейной скорости формующих цепей. Производительность жгутовытягивателя соответствует производительности формующей машины.
Оборудование для формования жгутов и корпусов конфет выпрессовыванием, отсадкой и резкой
§ 3. Оборудование для формования жгутов и корпусов конфет выпрессовыванием, отсадкой и резкой
Значительное количество конфетных масс (пралиновые, кремовые и т.п.) обладают высокой вязкостью, поэтому из них невозможно формовать изделия методом отливки. Изделия из таких масс формуют выпрессовыванием, отсадкой и резкой.
Машины для формования выпрессовыванием и отсадкой. Под выпрессовыванием подразумевают процесс непрерывного или периодического выдавливания профилированных изделий бесконечной или ограниченной длины через формующую матрицу определенного сечения. Формование конфет выпрессовыванием имеет ряд преимуществ: более высокая производительность, возможность создания механизированного поточного производства, универсальность, экономичность, возможность автоматизации процесса.
По типу нагнетателя выпрессовывающие машины, применяемые в конфетном производстве, делятся на шнековые, шестеренные и валковые.
Нагнетатели шнекового типа характеризуются непрерывностью подачи, возможностью создания необходимого для выпрессовывания массы давления, простотой загрузки материала и т.д. Машины со шнековыми нагнетателями делятся на одношнековые, многошнековые, с одним или несколькими цилиндрами.
Шестеренные нагнетатели в качестве основных рабочих органов имеют прямозубые или спиральные, зацепляющиеся между собой шестерни, вращающиеся в неподвижном корпусе. Нагнетатель работает как шестеренный насос, обеспечивая подачу конфетной массы по объемному принципу.
Валковые нагнетатели имеют ограниченное применение из-за недостаточного давления, развиваемого в зоне нагнетания. Они используются в основном при формовании пластов, причем формуемые массы должны быть достаточно текучими, для чего их перед формованием подогревают.
Под отсадкой понимают процесс формования штучных изделий выдавливанием конфетной массы через профилирующие насадки на приемную поверхность при цилиндрическом взаимодействии рабочих органов.
Отсадочные машины характеризуются наличием нагнетателя периодического действия или золотникового отсекателя.
Машина МФБ- 1 со шнековым нагнетателем. Предназначена для формования батончиков и корпусов конфет (прямоугольного сечения) из пралиновых масс путем выпрессовывания жгутов. Применяется преимущественно на кондитерских предприятиях средней и малой мощности.
Машина МФБ-1 (рис. 4.14) состоит из станины 1 с кронштейном 13, смонтированной на чугунной плите 16, привода с червячным редуктором 14 и электродвигателем 15, корпуса 4 с вращающимися шнеком 3 и формующей матрицей 2, головки 7 со смонтированной внутри парой конических шестерен 8 и загрузочной воронки 5 со спиралью 11.
Смонтированный внутри чугунного корпуса 4 стальной сварной шнек 3 соединен со средним горизонтальным валом. Для восприятия осевого усилия, возникающего в результате нагнетания массы шнеком, предусмотрен упорный шарикоподшипник. На горизонтальном валу насажена двухрядная звездочка 12 для привода шнека.
Внутри головки 7 вращаются верхний горизонтальный вал 9 с конической шестерней и звездочкой 10, а также вертикальный вал 6 с конической шестерней и спиралью 11. Последняя служит для подачи конфетной массы в корпус машины 4 и непрерывного перемешивания ее в загрузочной воронке 5.
Конфетная масса поступает в загрузочную воронку 5, из которой спиралью 11 подается в корпус 4. Шнек 3, вращаясь, перемещает массу к формующим матрицам 2, пройдя сквозь которые конфетная масса выходит в виде пяти бесконечных жгутов.

При отсутствии производственных площадей для установки охлаждающего конвейера с закрытой камерой в линию с машиной жгуты вручную разрезают на отрезки длиной до 800 мм, которые укладывают на фанерные лотки. Затем отрезки жгутов подвергают охлаждению и выстойке.
Отформованные и охлажденные заготовки, для батончиков поступают на резку и завертывание.
При установке сменной матрицы с каналами прямоугольного сечения на этой машине можно формовать полосы с последующим разрезанием их на корпуса конфет, имеющие форму параллелепипеда.
Шнековые машины имеют недостатки, связанные с неравномерностью давления по длине матрицы.
Вследствие различных давлений у отверстий матрицы скорость выхода жгутов из отверстий неодинакова.
Машина ШПФ с шестеренным нагнетателем. Выдавливание жгутов осуществляется нагнетателем, состоящим из двух шестеренных роторов.

Рис. 4.15. Машина ШПФ с шестеренным нагнетателем для формования жгутов конфетных масс
На рис. 4.15 представлен общий вид машины. Формующая часть монтируется на станине 2. Конфетная масса поступает в воронку 15. Из цилиндрической камеры 13 масса шнеком 12 направляется в камеру 14, где она захватывается зубьями вращающихся шестеренных роторов 11. Последние нагнетают массу в камеру сменной матрицы 21, закрепленной в рамке 20. Привод шнека 12 осуществляется от электродвигателя 6, редуктор 5, цепную передачу 9 с ведомой звездочкой 10. Привод одного из роторов осуществляется от электродвигателя 1, редуктор 3, цепную передачу 4 с ведомой звездочкой, и зубчатую передачу 8.
Шнек 12 можно извлечь из камеры 13, для чего необходимо снять торцевую крышку 16 камеры.
Выходящие из каналов матрицы 21 жгуты 23 равномерно ложатся на конвейерную ленту 22 и обдуваются воздухом, подаваемым из диффузора. Вследствие этого на поверхности жгутов образуется несколько затвердевшая пленка, предотвращающая прилипание жгутов к ленте конвейера и устраняющая ее загрязнение. Лента 22 со жгутами 23 укладывается на сетчатый конвейер 24 охлаждающей камеры, в которой жгуты затвердевают.
Камера 18 нагнетающих роторов снабжена водяной рубашкой 17 для поддержания необходимой температуры формуемой массы. Вода подается в штуцер 19.
По длине нагнетательных роторов 500 мм матрица может иметь 18...19 каналов диаметром 21 мм.

Оборудование для глазирования корпусов конфет и других кондитерских изделий
В кондитерской промышленности для глазирования конфет, вафель, печенья, зефира и других кондитерских изделий применяют глазировочные агрегаты.

Рис. 4.21. Агрегат для глазирования кондитерских изделий
Агрегат (рис. 4.21) состоит из саморасклада 1, приемного конвейера 2, глазировочной машины 3 и охлаждающей камеры 4 с конвейером 5 внутри. Корпуса конфет укладывают на приемный ленточный конвейер самораскладом 1 (или вручную) ориентированными продольными рядами. Приемный ленточный конвейер 2 передает их на сетчатый конвейер глазировочной машины 3, где они покрываются слоем глазури. Покрытые глазурью конфеты переходят на ленточный конвейер 5 охлаждающей камеры 4, где глазурь охлаждается, кристаллизуется и затвердевает.
Готовые глазированные конфеты с конвейера 5 поступают на завертывание или упаковывание.
Глазировочные агрегаты различаются по ширине рабочего полотна (ленты). На предприятиях средней мощности используют машины с шириной ленты 420 и 620 мм, на крупных предприятиях с шириной 800 и 1000 мм.
Саморасклад к глазировочному агрегату. Саморасклад (рис. 4.22) состоит из бункера 1, наклонного конвейера 2, плоского 4 и желобчатого 8 вибростола, ворошителя 5, приводов конвейера и вибростолов.
Одной из стенок бункера 1 является наклонный конвейер 2, на ленте которого через равные промежутки размещены угольники 3.

Рис. 4.22. Саморасклад для ориентирования корпусов конфет в ряды
Плоский и желобчатый вибростолы стойками установлены на сварной раме 14. Колебательное движение вибростолы получают от электродвигателя 11 через ременную передачу 12, эксцентриковый горизонтальный вал 13 и шатун 7. Над плоским вибростолом перед гребенкой 6 установлен ворошитель 5, представляющий собой вал с набором резиновых звездочек.
Наклонный конвейер и ворошитель приводятся в движение от индивидуальных электродвигателей 15 и 10 соответственно через редукторы и систему ременных передач.
Изделия из бункера захватываются угольниками наклонного конвейера и высыпаются на плоский вибростол.
Ворошитель отбрасывает изделия, движущиеся в верхнем слое, и пропускает только нижний слой. Гребенкой и желобками вибростола изделия ориентируются в ряды и движутся в направлении наибольшей оси. Поверхности вибростолов и гребенки выполнены из винипласта, что обеспечивает необходимое скольжение изделий, чистоту поверхностей, а также удобство очистки и мойки.
Положение ворошителя регулируют изменением его высоты над плоским вибростолом наклон вибростолов — изменением длины стоек 9 и 16.
Производительность саморасклада до 1000... 1200 кг/ч.
Приемный конвейер. Служит для передачи ориентированных в продольные ряды изделий от саморасклада к глазировочной машине, а также для раскладки изделий (корпуса сбивных сортов конфет, а также с вафельной прослойкой и пр.) вручную при отсутствии саморасклада или невозможности их распределения.
Глазировочная машина. Машина (рис. 4.23) состоит из сетчатого конвейера 2, воронки 1 для глазури, вентилятора 3 высокого давления, сборника 5 для неиспользованной глазури, темперирующей установки, резервуара 4 для вновь подаваемой глазури, перекачивающих устройств и электропривода.
Сквозь машину проходит сетчатый металлический конвейер 2, на который изделия 18 поступают с приемного конвейера. Сетчатый конвейер движется с большей скоростью, чем лента приемного конвейера, что приводит к увеличению расстояния между изделиями. Раздвинутые изделия правильными рядами попадают под воронку 1, из продольной щели которой непрерывным потоком стекает шоколадная масса, образуя сплошную завесу. Ширина щели и поток массы регулируются заслонкой. Изделия, проходя через завесу, покрываются шоколадной глазурью сверху и с боков, кроме нижней части, соприкасающейся с сеткой. Для покрытия глазурью донышка под сетчатым конвейером устанавливают или другой сетчатый конвейер, движущийся с меньшей скоростью, или несколько валиков, или поддон.
Покрытые глазурью изделия обдуваются струей воздуха, подаваемого вентилятором 3. Воздух сдувает излишнюю часть глазури, отчего поверхность изделия становится волнистой.
Благодаря быстрому охлаждению полученный рельеф закрепляется на поверхности. Изменением скорости подачи воздуха регулируют толщину слоя глазури. Образующиеся на изделии наплывы в нижней части снимает быстровращающийся валик, установленный в конце сетчатого конвейера. Этот же валик заглаживает глазурь на донышке изделий. Далее глазированные изделия поступают на клеенчатый конвейер охлаждающей камеры агрегата.

Рис. 4.23. Глазировочная машина
Глазировочная машина снабжена системой приема, двойного темперирования и подачи темперированной шоколадной массы на покрытие изделий. Система циркуляционного темперирования шоколадной глазури с двойным потоком работает следующим образом. Нетемперированная шоколадная масса температурой 38...49 °С автоматически подается из цеховых емкостей в приемный сборник 4. Затем масса переливается по трубе 14 в подогревающий шнек 13. Количество поступающей нетемперированной глазури в 3...8 раз больше ее количества, необходимого для глазирования изделий. Подогретая глазурь из шнека поступает в смесительную камеру 15, куда по трубе 16 из промежуточного сборника 5 поступает некоторое количество темперированной глазури, не использованной при глазировании. Смешанная масса темперируется еще раз в камере 7, в конце которой по трубопроводу 6 из сборника 5 добавляется еще порция темперированной глазури. В результате нагревания массы до 40 °С кристаллы какао-масла, которые могут быть в глазури, расплавляются. После этого в цилиндре 9 шоколадная масса охлаждается до температуры 29...32 °С, а затем насос 10 перекачивает оттемперируемую массу по трубе 11 в воронку 1.
Избыток шоколадной глазури, проходя сквозь сетчатый конвейер, возвращается в промежуточный сборник 5. Количество массы в нем контролируется с помощью регулятора уровня 17. Излишки глазури из сборника 5 поступают в приемный сборник 4. В воронке поддерживается постоянная температура. Температура массы определяется и регулируется термометрами 8 и 12 и соединенными с ними датчиками.
Охлаждающая камера туннельного типа с горизонтальным конвейером внутри. Предназначена для охлаждения глазури, нанесенной на корпуса конфет в глазировочной машине.
В современных охлаждающих камерах для отвода теплоты от конфет применяются следующие способы: конвективный, радиационный, контактный и комбинированный. Расчеты показали, что 50 % всей теплоты, отдаваемой глазированными конфетами, поглощается системой контактного охлаждения, 30 % всей теплоты отдается конвекцией окружающему воздуху и оставшиеся 20 % теплоты изделия передают излучением, главным образом верхним поверхностям, расположенным около потолка охлаждающего канала. Для интенсификации охлаждения излучением эти поверхности окрашивают в черный цвет.
Контактное охлаждение предполагает, что лента конвейера с изделиями проходит в камере, непосредственно соприкасаясь с плитами, которые снизу охлаждаются циркулирующей водой температурой 10...14 °С. При конвективном охлаждении понижение температуры глазури достигается в результате передачи теплоты циркулирующему в камере воздуху, охлажденному до температуры 12...14 °С. Воздух охлаждают в общефабричных холодильных установках или автономно в индивидуальной холодильной установке.
Охлаждающая камера в зависимости от длины снабжается одним или несколькими автоматическими осушителями воздуха, с помощью которых уменьшается относительная влажность воздуха внутри шкафа. Это предотвращает конденсацию влаги внутри охлаждающей камеры; кроме того, подсушивание воздуха способствует улучшению стойкости глазури при хранении.
Охлаждающая камера по длине обычно разделяется на регулируемые зоны. Для того чтобы избежать конденсации влаги на холодной поверхности изделий, температура воздуха на входе изделий должна составлять 17...18°С, в середине до 12...14°С и на выходе до 16°С. Конденсация влаги на изделиях может привести к поседению глазури. Продолжительность охлаждения в камере составляет 3...4 мин для шоколадной массы и 5...7 мин — для молочно-шоколадной.
Охлаждающие камеры выпускают длиной 12...60 м и более. Они состоят из отдельных секций. Скорость ленты конвейера охлаждающей камеры регулируется бесступенчато, что позволяет синхронизировать скорость ленты со скоростью сетчатого конвейера глазировочной машины, а также изменять время охлаждения.
Управление ведется с пульта глазировочной машины. Промежуточные валы приводной станции конвейера снабжают обогреваемыми электричеством зачищающими скребками. Для обеспечения прямого, без отклонений движения ленты конвейер снабжается специальными пневматическими и фотоэлектрическими устройствами.
При правильной эксплуатации глазировочных агрегатов в соответствии с оптимальными параметрами глазированные конфеты должны иметь блестящую поверхность и хорошую стойкость при хранении.
Контрольные вопросы
1. Из каких основных стадий состоит производство завернутых глазированных конфет с помадными корпусами?
2. Из каких основных стадий состоит производство завернутого литого ириса?
3. Как устроены помадосбивальная машина ШАЕ-800?
4. Как происходит формование помадных корпусов в конфеточной машине?
5. Как устроена и как работает установка, отливающая помаду в постоянные формы?
6. Какие типы нагнетающих устройств формующих машин для конфетных масс Вы знаете?
7. Какие способы резания конфетных масс Вы знаете?
8. Из каких основных элементов состоит глазировочный агрегат?
Оборудование для изготовления мармелада
§ 2. Оборудование для изготовления мармелада
К оборудованию для изготовления мармеладо-пастильных изделий относятся аппараты для уваривания мармеладных масс и машины для формования заготовок мармеладных изделий: мармеладоотливочные машины для формового фруктового и желейного мармелада, резательные машины для желейного мармелада и оборудование для изготовления лимонных и апельсиновых долек. Отформованные заготовки мармелада сушат в сушилках.
При уваривании мармеладных масс из сахаро-яблочной смеси Удаляют излишки влаги и одновременно сернистый газ — оксид серы (IV), который добавляют при консервировании яблочного пюре. Сахаро-яблочная смесь имеет начальную влажность 43...45 %, сахаро-паточно-агаровый сироп 30...33 %. Конечная влажность мармеладной массы колеблется в пределах 24...33 % и зависит от рецептуры и вида изделий.

Рис. 6.4. Мармеладоотливочный агрегат ШФ1-М6
Для уваривания мармеладных масс на крупных предприятиях используют змеевиковые варочные аппараты непрерывного действия, а на предприятиях с небольшой выработкой применяют трехкамерные, сферические или универсальные вакуум-варочные аппараты.
Мармеладоотливочный агрегат ШФ1-М6. Предназначен для производства формового яблочного и желейного мармелада разливкой массы в формы. На агрегате выполняют следующие операции: дозирование вкусовых и красящих веществ и перемешивание их с мармеладной массой; одновременная отливка в формы мармеладной массы четырех цветов; желирование мармелада в формах; извлечение мармелада из форм на лотки; посыпка желейного мармелада сахаром; подача лотков от питателя к механизму выборки; мойка форм.
Мармеладоотливочный агрегат ШФ1-М6 (рис. 6.4) состоит из камеры желирования, отливочной головки, конвейера с формами и питателя лотков.
Смесь кислоты, красителя и эссенции перемешивается с мармеладной массой в вертикальном бункере 3. Таких бункеров на агрегате четыре, следовательно, можно готовить мармеладную массу четырех цветов. Порция подготовленной мармеладной массы насосами-дозаторами 4 по трубороводу 5 перекачивается в соответствующие секции бункера 6.
Бункер имеет четыре секции и рубашку для циркуляции горячей воды. Температуру массы контролируют термометром 7. Внутри бункера находится вал с лопастями, которые непрерывно перемешивают массу, не допуская ее налипания на стенках бункера.
К нижней части бункера прикреплена золотниковая коробка 8, в которой находятся двадцать вертикальных плунжеров и золотников. Привод плунжеров и золотников осуществляется через систему рычагов от кулачкового вала. Объем разливаемой мармеладной массы регулируется как с общего привода, так и с каждого плунжера отдельно, что позволяет добиться точной дозировки порции.
Устройства подготовки и отливки мармеладной массы расположены под конвейером 9 с формами. Он состоит из двух бесконечных цепей с закрепленными на них четырьмя пластинами, каждая из которых имеет два ряда выштампованных формочек различной конфигурации с рельефным рисунком. Объем формочки рассчитан на одно изделие массой 14 г.
Формы с отлитой в них мармеладной массой направляются в камеру желирования 2, которая представляет собой закрытый тепло-изолированный шкаф, разделенный на два отделения. В верхнем отделении движется многоярусный цепной конвейер с формами. В отделении находится воздухоохладитель, состоящий из двух рассольных батарей и вентиляторной установки. Воздух, проходя через воздухоохладитель, охлаждается и затем подается для охлаждения мармелада. На перекрытии камеры желирования установлено два патрубка 1 прямоугольного сечения для подсоса свежего воздуха и удаления увлажненного. Патрубки перекрываются шиберными заслонками.
По окончании желирования формы с мармеладом в перевернутом виде выводятся из камеры желирования и поступают к механизму выборки, который установлен внутри станины машины и состоит из подогревателя и пневматического встряхивателя. При нагревании поверхность изделий оплавляется и у них ослабляется связь с материалом форм. Кроме того, к тыльным сторонам ячеек, в которых просверлено 8... 10 отверстий диаметром 0,3 мм, подводится сжатый воздух.
Под давлением воздух выталкивает мармелад на лотки.
Лотки устанавливают в бункер подающего конвейера 11, который отделяет из стопки один нижний лоток и вводит его в машину. Системой двух вертикальных полочных конвейеров лоток поднимается к механизму выборки и после заполнения мармеладом выводится из машины конвейером 10.
При выпуске желейного мармелада на конвейер 10 дополнительно устанавливают ленточный конвейер, на который производится выборка мармелада. Конвейер сбрасывает мармелад в лотки с сахаром. Время желирования может изменяться с помощью вариатора, входящего в привод агрегата.
Принципиальная технологическая схема агрегата приведена на рис. 6.1 (поз. 19-24, 33-37).
Агрегат для производства мармелада типа лимонных и апельсиновых долек. В агрегате осуществляются следующие операции: разливка и студнеобразование цветного и белого слоя корочки, разливка массы на поверхность корочки и студнеобразование батонов, а также обсыпка батонов сахаром, их выстойка и резка на дольки.

Рис. 6.5. Схема агрегата для производства мармелада типа лимонных и апельсиновых долек
Агрегат (рис. 6.5) состоит из отливочных головок 3 и 5 для образования корочки; взбивальной машины 6; механизма 9 резки корочки на полосы; отливочной головки 10 для образования батона; желобчатого конвейера 11 для формования батонов; устройства для обсыпки батонов сахаром; резательной машины; темперирующих машин для подготовки мармеладных масс к разливке; системы ленточных конвейеров, на которых происходит желирование корочек и батонов.
Сахаро-паточно-агаровый сироп уваривается в змеевиковой варочной колонке до содержание влаги 27—28 % и охлаждается до температуры 40—50 °С. В охлажденный сироп добавляют ароматические вещества, красители и кислоту.
Для верхней корочки долек сироп окрашивают в два цвета: желтый — для лимонных долек, оранжевый или красный — для апельсиновых долек.
Подкрашенные сиропы подают в две секции головки 3 отливочного механизма, одновременно разливающего на ленточный конвейер 1 верхние слои корочки двух цветов.
Сироп дозируют через двухсекционный щелевой кран. Толщина слоя сиропа составляет 1...1,5 мм. Поверхность слоя разравнивается ножевой пластиной. Пройдя охладитель 4, слой желируется и подходит под отливочную головку 5.
В воронку головки 5 из взбивальной машины 6 подается белая взбитая масса для внутреннего слоя корочки. Масса выливается через щелевой кран механизма и наносится ровным слоем на первый слой. Второй слой также разравнивается ножевой пластиной. Двухслойный пласт толщиной до 3 мм проходит камеру 7, где обдувается воздухом. После охлаждения в камере 7 пласт переходит на дополнительный ленточный конвейер и проходит под дисковыми ножами 9. Ножи разрезают пласт на продольные полосы шириной 70 мм.
Нарезанные полосы переходят в продольные желоба полукруглого сечения желобчатого конвейера 11. По конструкции он представляет собой цепной пластинчатый конвейер, пластины которого имеют каналы полукруглого сечения. При смыкании пластин друг с другом образуются непрерывные каналы — желоба, в которые и укладываются полосы пласта, выстилающие всю их поверхность.
Поршневой разливочный механизм 10 заполняет желоба желейным сиропом для батонов. Быстрому застыванию сиропа способствует подача в шкаф 12 воздуха, охлажденного до температуры 8...10 °С.
После желирования батоны переходят на наклонный ленточный конвейер 15, который предварительно посыпают сахаром-песком. При переходе на этот конвейер батоны также обсыпаются сахаром. Устройство для подачи сахара снабжено двумя вибрирующими ситами 18, элеватором 16 для возврата излишков песка и дозатором 17.
С конвейера 15 обсыпанные батоны переходят на ленточный конвейер 19 для выстойки. В короб 20 подается холодный воздух. После выстойки батоны передающим конвейером 21 направляются под гильотинный нож 22 резательной машины. Нарезанные дольки посыпаются сахаром-песком из дозатора 23 и выводятся из машины конвейером 24.
На обратных ветвях ленты коркообразующего конвейера 1 и желобчатого пластинчатого конвейера 11 установлены очищающие скребки и моечные устройства 8 и 13.
Для устранения прилипания массы к ленте конвейер 1 смазывают инвертным сиропом при помощи намазывающего валика 2. Воронки разливочных механизмов подогревают и снабжают мешалками.
Агрегат входит в механизированную поточную линию производства лимонных и апельсиновых долек. Производительность линии составляет 150 кг/ч; мощность электродвигателей — 30 кВт; габаритные размеры (мм): 16660 х 5000 х 3600; масса 10 т.
Машина для резки трехслойного желейного мармелада, лимонных и апельсиновых долек. Машина состоит из следующих основных узлов (рис. 6.6,а): подающего конвейера 1, режуще-укладывающего устройства 6, приемного транспортера 7, элеватора для сахара-песка 4, бункеров 3 и вибрационных сит 2 и 5.
Мармелад в виде батонов или трехслойного пласта укладывается на конвейер 1, который движется периодически, каждый раз продвигаясь на толщину нарезаемого изделия. Перед подачей к режущему устройству поверхность батонов или пласта обсыпается сахаром при помощи вибрационного сита 2.
Батоны для лимонных и апельсиновых долек режут гладким гильотинным ножом, совершающим возвратно-поступательное движение по вертикали. При резке пластов трехслойного мармелада гладкий нож заменяется гофрированным, с короткими продольными лезвиями. Резка осуществляется в момент остановки подающего конвейера.

Рис. 6.6. Машина для разрезания трехслойного желейного мармелада, лимонных и апельсиновых долек:
а — общий вид; б — схема режуще-раскладывающего устройства
На рис. 6.6,б показана схема режуще-раскладывающего устройства. Мармеладный пласт 2, сойдя с ленты подающего конвейера 1, опирается на мостик 4. Боковые борта 3 предотвращают смещение пласта. Нож 7 закреплен на траверсе, к которой прикреплена прижимная планка 5 с пружинным амортизатором. Отрезанные дольки мармелада снимаются с поверхности ножа лопастями вращающейся гребенки 8, проходят по лотку 9 и подхватываются вращающейся гребенкой 10. С лопастей гребенки 10 дольки переходят на наклонную гребенку 11. Качающийся упор 13 выравнивает ряды долек и опускает их на конвейер 14.
В процессе движения по лотку 9 дольки посыпают сахаром при помощи вибрационного сита 6. Излишки сахара направляются шнеком 12 к просеивателю, смонтированному в нижней части машины, оттуда в элеватор, который возвращает сахар в бункер для обсыпки мармелада.
Оборудование для измельчения
§ 3. Оборудование для измельчения
При подготовке кондитерского сырья к переработке широко применяется измельчение для получения частиц такого размера, который позволил бы значительно облегчить или ускорить тепловую обработку, перемешивание, дозирование и другие процессы обработки.
Измельчение осуществляется раздавливанием, истиранием, ударом или их комбинацией, например раздавливанием и истиранием, истиранием и ударом.
В зависимости от преобладания того или иного способа измельчения оборудование может быть истирающе-раздавливающего действия (меланжеры, мельницы) и ударного действия (дробилки).
На кондитерских фабриках применяются валковые, дисковые и шариковые мельницы, молотковые и штифтовые дробилки.
Мельницы истирающего и раздавливающего действия. Двухвалковая мельница фирмы «Бюлер» (Швейцария). Относится к оборудованию истирающе-раздавливающего действия. Применяется для предварительного измельчения шоколадных, пралиновых и других аналогичных рецептурных смесей, в которые вводят не измельченный в пудру сахар-песок.
Два валка (рис. 1.9, а), закрытые кожухом 9, расположены между двумя станинами 1 и 8. Над валками установлен приемный бункер 4. На станине 1 расположены щиток 2 электронного управления мельницей и сигнальная лампочка 3. Система контрольного управления предназначена для надежного регулирования и управления мельницей в автоматическом режиме и наблюдения за ее работой. Во избежание несчастных случаев верхняя часть валков 4 закрыта с обеих сторон решеткой 5. Для экстренного останова мельницы служит кнопка 7, расположенная на станине 8. Прибор б показывает силу тока в питающей электрической сети.

Рис. 1.9. Двухвалковая мельница фирмы «Бюлер»:
а — общий вид; б — схема
Подлежащая измельчению рецептурная смесь поступает в бункер 4 (рис. 1.9,б), дно которого закрыто заслонкой 5. Последняя перемещается при помощи гидравлического цилиндра 3, снабженного штоком 2.
Валки 6 приводятся в движение от электродвигателя 1 через ременную и зубчатую передачи.
Выделяющаяся при измельчении теплота отводится с помощью индивидуальной системы автоматического охлаждения валков. Рецептурная смесь, прошедшая через зазор между валками, измельчается до размеров частиц 120...220 мкм. С валков смесь снимается скребками 8 и по кожуху 7 ссыпается в отводящий шнек 9. Производительность двухвалковых мельниц составляет 2...6,5 т/ч, установленная мощность 30...45 кВт.
Пятивалковая мельница SFLЕ. Относится к оборудованию истирающе-раздавливающего действия. Применяется для вальцевания шоколадных рецептурных смесей, глазури (шоколадной или жировой), конфетных пралиновых масс.
На рис. 1.10,а представлен один из вариантов современной пятивалковой мельницы, разработанной фирмой «Бюлер» (Швейцария). Пять валков 12 расположены между двумя боковыми стойками 1 и 11, внутри которых смонтированы зубчатые передачи, системы смазки и регулирования работы мельницы. Привод валков осуществляется от электродвигателя 5, установленного на траверсе 4, соединяющей боковые стойки. Бункер-дозатор 7 снабжен подвижной заслонкой-днищем, поворачивающейся с помощью пневмоцилиндра 8. Бункер подвешен на опорах 6, которые могут перемещаться, отодвигая бункер от валков если их нужно осмотреть. На уровне плеча вальцовщика валки закрываются решеткой 10. На траверсе 4 смонтирован подвижный электронный пульт управления 9, который предназначен для оптимального и надежного управления работой мельницы в автоматическом режиме, регулирования и наблюдения за ее работой. В верхней части панели управления размещены индикаторы на жидких кристаллах, функциональные клавиши, сенсорная клавиатура для ввода данных. Устройство пульта позволяет вводить или отображать на дисплее:
заданные и фактические значения угла раскрытия дозирующей заслонки, зазора между вальками, давления прижатия, температуры валков, износостойкости ножевого разравнивателя;
номера рецептур, по которым в памяти хранится соответствующая информация (до 100 номеров);
дату, время, количество часов работы, а также идентифицирующий код машины;
различные параметры, например, разрешаемые допуски, предельные отклонения для регулируемых или контролируемых функций и др.

Рис. 1.10. Пятивалковая мельница типа SFLE:
а - общий вид, б - схема
В нижней части панели пульта располагаются переключатели, необходимые для ручной работы; цифровые индикаторы силы тока и величины зазора в первом проходе; мнемосхема мельницы со светодиодами, сигнализирующими о неисправностях; светодиоды - указатели уровня продукта в бункере-дозаторе. Наличие электронного управления позволяет включать мельницу в автоматизированные производственные линии.
Для экстренного отключения мельницы на боковой стойке 1 расположена кнопка 2 красного цвета. Приборы 3 показывают силу тока и напряжение в сети.
Мельница работает следующим образом. Рецептурная смесь (рис. 1.10,6) скребком снимается с ленты конвейера 12 и заполняет бункер-дозатор 11, дно которого закрыто подвижной заслонкой 4. Бункер-дозатор крепится двумя опорами 10 к подвижному штоку 13 гидроцилиндра 15. Пальцы 9 опор 10 снабжены тензометрическими датчиками, которые регистрируют количество рецептурной смеси в бункере-дозаторе. По достижении заданной массы прекращается поступление продукта с ленты конвейера 12. Количество порций и их масса регистрируются в запоминающем устройстве электронного пульта управления мельницей.
С пульта поступает сигнал на пневмоцилиндр 8, в который втягивается шток 6, и заслонка 4 раскрывается. Величина перемещения заслонки задается заранее и корректируется датчиком 5, контролирующим количество рецептурной смеси в приемной воронке 2. Специальное устройство разравнивает продукт по длине валка I, а затем поступает в первый зазор между валками I-II. Скорость валка II больше, чем валка I, поэтому измельчаемая масса прилипает к валку II и поступает в зазор между ним и валком III. Датчик 7 контролирует толщину измельчаемой массы на валке III. Валки III-V вращаются с нарастающей скоростью, в результате чего продукт раздавливается и истирается. Скребок 17 снимает массу с верхнего валка V и по наклонному лотку 19 направляет на ленту отводящего конвейера 20.
Сверху лоток 19 закрывается дверцами 18, которые можно открывать для осмотра. В лотке над провальцованной массой устанавливаются постоянные магниты, улавливающие ферропримеси.
Привод валков осуществляется от электродвигателя 16 через ременную и зубчатую передачи. Натяжение ременной передачи осуществляется с помощью гидроцилиндра 14, шток которого шарнирно связан с плитой, на которой установлен электродвигатель.
Для предотвращения поломки опорные подшипники валка I снабжены устройством со срезным штифтом. При попадании постороннего предмета штифт срезается и валок I отходит влево, при этом электродвигатель отключается. Безопасность персонала, обслуживающего мельницу, обеспечивается наличием предохранительных решеток 3 и 21. Мельница устанавливается на виброгасящие опоры 1.
Валки мельницы изготавливают из отбеленного чугуна способом центробежного литья и имеют высокую износостойкость и оптимальную теплопроводность.
Валковые мельницы снабжены централизованной гидравлической системой регулирования положения валков и зазора между ними, которая обеспечивает стабильность давления и простоту управления. В мельнице автоматически поддерживаются температурный режим вальцевания и подача воды в валки при пуске и остановке машины. Электрическая блокировка отключает машину при нехватке воды, охлаждающая вода поступает только в те валки, которые вращаются в прижатом состоянии. Электрическая блокировка обеспечивает контроль за уровнем рецептурной смеси в приемной воронке и управление заслонкой на выходе из бункера-дозатора, что позволяет блокировать работу мельницы на холостом ходу при отсутствии массы в бункере-дозаторе.
Фирма «Бюлер» выпускает три варианта пятивалковых мельниц с длиной валков 1300, 1800 и 2500 мм, что соответствует производительности 1200, 1600 и 1800 кг/ч при диаметре частиц 20...30 мкм.
После регулирования и проверки работы пятивалковой мельницы на различных режимах степень измельчения полученной массы контролирует лаборатория. Показатели давления на манометрах гидравлической системы регулирования, температуру охлаждающей воды, степень измельчения и производительность записывают в таблицу.
В дальнейшем эти данные используют при наладке машины, чтобы получить массу требуемой степени измельчения.
Перед началом работы необходимо разжать валки, включить мельницу и, убедившись, что она работает нормально, отрегулировать до минимума зазор между валками I и II, не допуская их перекоса. Отрегулировав установочными винтами с обеих сторон машины положение боковых клиньев, бункер полностью заполняют массой, включают воду и начинают регулировать остальные валки. При правильно отрегулированных валках масса должна идти по ним совершенно ровным слоем. Когда валки I и II слишком прижаты и плохо подают массу, их необходимо слегка развести. Если слой неравномерен, значит валки перекошены и их положение нужно выправить поворотом соответствующих штурвалов или вентилей. Если масса накапливается при переходе с одного валка на другой и сползает по сторонам, значит зазор между валками очень мал и его нужно увеличить. Если вышележащий валок покрыт массой неравномерно, а нижележащий покрыт ею нормально, то зазор между этими валками велик и его необходимо уменьшить. Верхний валок регулируют так, чтобы провальцованная масса снималась с него ножом в виде совершенно ровного и однородного слоя. Положение ножа относительно поверхности валка регулируют двумя установочными винтами так, чтобы он был прижат к валку плотно и ровно по всей длине. Чем сильнее сжаты валки, тем лучше будет измельчен продукт, но производительность мельницы при этом уменьшится.

Рис. 1.11. Роторная мельница типа SCS:
а - общий вид; б — схема
Производительность пятивалковых мельниц в зависимости от конструкции составляет 450...1800 кг/ч, мощность установленных электродвигателей 50...110 кВт.
Роторная мельница типа SCS фирмы «Бюлер» (Швейцария). Относится к машинам истирающего действия. Мельница (рис. 1.11,а) состоит из следующих основных узлов: питателя, в который входят подающий патрубок 10, роторный питатель 11, питающий шнек, расположенный на корпусе 13; двух размольных роторов, разгрузочного шнека, расположенного в корпусе 3; промежуточного сборника 20 с датчиком уровня продукта 19; разгрузочного роторного шлюзового затвора 22; станины 2, установленной на четырех лапах 1; привода роторов, установленного внутри станины.
Роторный питатель 11 приводится в движение от регулируемого привода 12, а питающий шнек - от мотора-редуктора 16 через ременную передачу, закрытую ограждением 14. Расположенный в корпусе 3 разгрузочный шнек приводится в движение мотором-редуктором 4, а шлюзовой затвор 22 - мотором 21.
Двери 6 и 9 двух размольных роторов прижимаются к станине штурвалами 5 и 8. Накладная пластинка 7, приваренная к двери 6, блокирует раскрытие двери 9, т. е. она может быть открыта только в том случае, если открыта дверь 6. В то же время закрепленный на двери 6 рычаг 17 взаимодействует с конечным выключателем 18, блокирующим пуск мельницы при открытых дверях. Кнопка 15 предназначена для аварийной остановки мельницы.
Процесс измельчения продукта в роторной мельнице происходит в две ступени. Продукт ( рис. 1.11,6 ) через приемный патрубок 9 поступает на магнитную решетку 10, улавливающую ферропримеси, и, пройдя ее, заполняет карманы роторного питателя 11, выполняющего одновременно роль шлюзового затвора, предотвращающего поступление воздуха вместе с продуктом. За продвижением продукта после питателя можно следить через окно 12.
Питающий шнек 13 обеспечивает постоянную подачу продукта в зону первой ступени измельчения. Частоту вращения шнека можно легко варьировать, что позволяет регулировать производительность мельницы.
Зона первой ступени измельчения состоит из ротора 6 с укрепленными и выступающими на его поверхности пластинами-молотками 7. Ротор приводится в движение от электродвигателя, расположенного внутри станины. Какао-крупка, обжаренные и очищенные ядра орехов и т.п. попадают в зазор между вращающимися с частотой вращения 3000 мин-1 ротором 6 и неподвижной рифленой (отражающей) поверхностью 8. Продукт отбрасывается центробежной силой на поверхность 8 и истирается пластинами-молотками 7. Измельченная в зоне первой ступени масса через соединительное отверстие 14 поступает в зазор между рифленой поверхностью 3 и ротором 4, вращающимся с частотой вращения 4200 мин-1. Рифленая поверхность 3 расположена на дуге под углом 180°.
Ротор 4 снабжен аналогичными пластинами-молотками, как и ротор б первой ступени.
Зона второй ступени измельчения имеет не только отражательную поверхность, но и щелевое сито 2, через которое проходят измельченные до необходимого размера частицы. Измельчение сопровождается разрывом клеток и истечением из них жира. Поэтому через сито 2 проходит суспензия, в которой дисперсной средой являются частицы размером 70... 100 мкм.
Измельченный продукт стекает в обогреваемый корпус шнека 1 и перемещается в промежуточный сборник 16, расположенный над роторным шлюзовым затвором 17. Сборник 16 снабжен датчиком уровня 15, который регулирует производительность мельницы путем изменения частоты вращения шнека 13. Через отводящий шлюзовой затвор 17 готовый продукт (какао тертое, тертый орех и т.п.) поступают на дальнейшую переработку.
При измельчении какао-крупки из разорванных клеток выделяются пары легко летучих дубильных веществ, придающих шоколаду неприятный вкус. Для их удаления мельница снабжена патрубком 5, через который замкнутое пространство обеих ступеней измельчения (роторные шлюзовые затворы 11 и 17 герметизируют вход продукта и выход измельченной массы) соединяется с отдельным блоком, комплектуемым водокольцевым насосом и необходимой арматурой.
Двухступенчатое измельчение и конструкция мельницы с вакуумным оборудованием позволяет при щадящем режиме измельчать сырую или предварительно просушенную до 5% -ной влажности какао-крупку, с последующим ее обезвоживанием в процессе измельчения. Мельница выпускается и без вакуумного оборудования. В этом случае в ней отсутствуют роторные шлюзовые затворы на входе и выходе продукта.
Производительность роторной мельницы фирмы «Бюлер» (Швейцария) в зависимости от влажности какао крупки и степени измельчения варьируется в пределах 800...1200 кг/ч, установленная мощность 85...93 кВт, масса до 2980 кг.
Шариковая мельница Nova 2000 фирмы «Бюлер» (Швейцария). Относится к оборудованию истирающе-раздавливающего действия, в которой измельчение частиц происходит за счет их многократного взаимодействия с движущимися металлическими шариками диаметром 3...5 мм.
Мельница состоит (рис. 1.12,а) из камеры измельчения 9, привода, расположенного под ограждением 11, насоса 17 и пульта управления 13, установленных на станине 18. В комплект мельницы также входят сливной лоток 7, снабженный магнитоуловителем ферропримесей, сборник 5 для приема измельченного продукта, перекачивающий насос 2, соединительный 1 и напорный 6 трубопроводы.
Какао-тертое с частицами размером 150...200 мкм из обогреваемого трубопровода 12 через пробковый кран 14 и соединительный угольник 16 насосом 17 подается в камеру измельчения 9. В нагнетательный трубопровод 15 врезан обратный клапан 4. Сам трубопровод соединяется с камерой измельчения через отверстие в диске 3.
Камера измельчения снабжена водяной рубашкой, в которую по трубопроводу 8 поступает холодная вода. Температура измельченного какао тертого измеряется манометрическим термометром 10.
Схема камеры измельчения шариковой мельницы представлена на рис. 1.12, б. Внутри вертикального цилиндра (статора) 16 расположен полый вал (ротор) 8. На внутренней поверхности цилиндра и наружной поверхности вала закреплены пальцы 17 и 18. Пространство между ротором и статором, в котором происходит измельчение, плотно заполнено стальными шариками 19. Шарики приводятся в движение пальцами ротора и многократно отклоняются пальцами статора. Под воздействием непрерывно соударяющихся и трущихся друг о друга шариков твердые частицы какао- тертого, поступающего в камеру измельчения по патрубку 3, раздавливаются и истираются.

Рис. 1.12. Шариковая мельница Nova 2000:
а — общий вид; б — камера измельчения
В нижней части камеры измельчения расположено нажимное устройство с запасом шариков и гидропневматическим приводом, состоящим из цилиндров 20 и 23, в которых перемещаются поршни 21 и 24, соединенные между собой штоком 22. В зависимости от нагрузки поршень 21 под давлением гидравлической жидкости, поступающей через патрубок 2, подает необходимое количество шариков в зону измельчения. Таким способом поддерживается постоянство давления шариков, а следовательно, стабильное качество измельчения частиц какао тертого.
При снятии давления гидравлической жидкости поршень 21 опускается благодаря воздуху, подаваемому под давлением через патрубок 1 в пространство над поршнем 24.
В верхней части камеры измельчения установлен разделительный (сепарирующий) диск 14, узкая щель 15 которого отделяет шарики от измельченной массы, вытекающей по наклонному лотку 13. От подшипников 10, установленных в опоре 11, какао тертое отделяется лабиринтным уплотнением 12.
По сигналу датчика температуры вытекающего какао тертого регулируется охлаждение ротора и статора. Через патрубок 4 вода поступает в рубашку 5, теплая вода вытекает из патрубка 6. По трубе 7 охлаждающая вода поступает в ротор, а удаляется через патрубок 9. Теплая вода поступает в теплообменник, охлаждается и вновь подается в водяные рубашки камеры измельчения и вала. Замкнутый контур охлаждения в значительной степени препятствует загрязнению камеры отложениями извести и коррозии. Встроенный в контур электронагреватель позволяет прогревать камеру измельчения и вал перед началом работ до необходимой рабочей температуры и предотвращает застывание какао тертого при длительных остановках мельницы.
Мельница фирмы «Бюлер» (Швейцария) снабжена системой многопозиционного регулирования, которое обеспечивает прецизионное регулирование трех важнейших параметров: мощности привода ротора, объемного расхода и температуры продукта. Благодаря такому регулированию при постоянной дисперсности поступающего продукта обеспечивается стабильность дисперсности конечного продукта.
Все детали мельницы, находящиеся в зоне измельчения, выполнены из износостойкой легированной стали. Ротор, статор и разделительное (сепарирующее) кольцо можно устанавливать в перевернутом положении, что удлиняет срок их службы.
Производительность мельницы в зависимости от дисперсности измельченного какао тертого может колебаться в пределах 600...1500 кг/ч, установленная мощность электродвигателей 66 кВт, масса 3500 кг.
Шариковая мельница, как правило, является составной частью размольного агрегата, так как применяется для раздавливания предварительно измельченного продукта, в который входит жидкая фаза.
Размольный агрегат состоит из дисковой или роторной мельницы, сборника, насоса и шариковой мельницы. Сначала продукт поступает в дисковую или роторную мельницу, в которой происходит разрыв клеток орехов или какао-бобов и истечение из них жира. Измельченная масса стекает в сборник и насосом перекачивается в шариковую мельницу на окончательное измельчение.
Мельницы ударного действия. Для измельчения кристаллического и сыпучего сырья (сахар-песок, какао-крупка, обжаренные орехи, ядра семян и др.) применяются мельницы ударного действия и комбинированные (ударно-истирающие).
Молотковая дробилка. На небольших предприятиях для этой цели используют дробилки типа 8М. На внутренней части корпуса 1 дробилки (рис. 1.13) крепится рифленая отбойная доска 5. Загрузочная воронка 10 снабжена предохранительной решеткой 9 и сеткой 8 с отверстиями размером 3x3 мм для предотвращения попадания в мельницу крупных кусков сахара и посторонних предметов.

Рис. 1.13. Молотковая дробилка 8М:
а — разрез; б - кинематическая схема
Ротор 2 (рис. 1.13,б) с радиально подвешенными на осях 4 молотками 3 приводится в движение от электродвигателя 18 через клиноременную передачу 16, а двухзаходный шнек 6 — через другую клиноременную передачу 17 и червячную передачу 19. Все механизмы смонтированы на станине.
Шнек 6 (см. рис. 1.13,а) равномерно подает сахар-песок из воронки в рабочую камеру дробилки. Вращающиеся молотки разбивают частицы сахара-песка и отбрасывают их на отбойную доску 5. При ударе о доску частицы снова дробятся и, отскакивая, вновь встречают молотки. Измельченная пудра в воздушном потоке, который возникает вследствие вращения ротора, проходя через отверстия сита 11 (диаметр отверстий 0,5 мм), поступает в бак 14.
К корпусу дробилки присоединяется рукавный фильтр, снабженный уплотнительным кольцом 13. Вследствие потери скорости пудр осаждается в баке, а отработанный воздух уходит в цех через фланелевый рукав 15, задерживающий пылевидные частицы пудры.
Подача сахара-песка из воронки регулируется шибером 7.
Для замены бака без остановки мельницы предварительно перекрывают подачу пудры шиберной заслонкой 12.
Роторы дробилок вращаются с большой частотой (5000...6000 мин-1), поэтому необходимо производить их динамическую балансировку. Если ротор не будет уравновешен, то центробежная сила разрушит подшипники.
Установка для получения сахарной пудры с воздушной классификацией. Состоит из участка приготовления сахарной пудры, включающего в себя шнек 3 для подачи сахара-песка (рис. 1.14,а), роторного шлюзового затвора-дозатора 4, дисмембратора 13, роторного классификатора 6, циклона 7 с шлюзовым затвором-разгрузителем 8, вентилятора 14 и системы трубопроводов.
Сахар-песок, прошедший затвор-дозатор 4, измельчается в дисмембраторе 13. Полученная сахарная пудра подается в трубопровод 12, смешивается с воздухом и проходит через классификатор 6, в котором сахарная пудра разделяется на две фракции — мелкодисперсную (до 20...30 мкм) и грубую. Мелкодисперсная пудра направляется в циклон 7, где она освобождается от воздуха и через шлюзовый затвор-разгрузитель 8 непрерывно поступает в смеситель 9. Грубая фракция пудры по трубопроводу 5 возвращается в дисмембратор 13 для повторной переработки.
Для того чтобы частицы сахарной пудры не попали в цех, на участке трубопровода 12 после вентилятора 14 устанавливают отвод с регулируемой заслонкой 15. По отводу часть воздуха (до 30%) поступает в фильтр 16. При этом остальная часть трубопровода (участки 1 и 2), измельчитель, классификатор, циклон оказываются под разрежением. Для уменьшения количества воздуха, отводимого на фильтр, установка выполнена с замкнутой циркуляцией воздуха осуществляемой вентилятором 14.
Циклон 7 расположен непосредственно над смесителем 9, поэтому пудра поступает на смешивание самотеком. Распыленная пудра смешивается с жидкими компонентами, подаваемыми дозатором 10 из сборника 11. Таким образом, в процессе смешивания создаются благоприятные условия для равномерного распределения пудры в жидкой фазе, что значительно сокращает продолжительность технологического процесса.
В комплект установки входят классификатор и дисмембратор (штифтовая бесситовая мельница). Классификатор служит для выделения из воздушно-сахарного потока мелкодисперсных частиц сахара-песка и возвращения более крупных на повторный размол. Сахарная пудра после измельчения на дробилке представляет собой смесь частиц сахара-песка разной величины, условный диаметр которых колеблется в пределах 5...200 мкм.
В коническом корпусе 5 классификатора (рис. 1.14,6) вращается ротор 7 в виде усеченного конуса. На его боковой поверхности закреплены ребра-лопатки 6. Нижние концы ребер изготовлены заподлицо с фланцем — основанием ротора, верхние выступают над поверхностью ротора. Вал 3, укрепленный в двух опорах, приводится в движение от электродвигателя 1 с помощью ременной передачи 2.
Воздушно-сахарный поток, выходящий из стояка 8, попадает в нижнюю полость классификатора. За счет увеличения сечения, в котором движется смесь, скорость ее резко падает. Так как воздушный поток при определенной скорости может перемещать частицы сахара-песка только определенных размеров, то после выхода из вертикальной трубы более крупные частицы ссыпаются в патрубок 9. Отделенная от самых крупных частиц воздушно-сахарная смесь вращающимися лопатками ротора отбрасывается к стенкам конуса, по которому крупные частицы также ссыпаются в возвратный патрубок 9.

Рис. 1.14. Установка для получения сахарной пудры с воздушной классификацией:
а — схема, б — роторный классификатор, в — штифтовая бесситовая мельница
Остальной поток смеси, изменяя направление, поднимается вверх под крышку классификатора. При этом происходит дополнительное осаждение крупных частиц, ударяющихся о крышку классификатора и теряющих свою скорость.
Аэросмесь, содержащая тонкую фракцию, поступает через выводной патрубок 4 в циклон-осадитель.
Дисмембратор. Это штифтовая бесситовая мельница с одним подвижным диском, применяется как отдельно, так и в составе измельчающего агрегата, который комплектуется воздуходувным устройством, циклонами (отделителями паров, частиц, капель жидкости), конденсаторами, воздухоохладителями и т.п.
Измельчаемый продукт через коническое отверстие 1 (рис. 1.14,в) крышки 2 вместе с воздухом поступает в пространство между дисками 5 и 7. В дисках по концентрическим окружностям расположены штифты 6, причем штифты одного диска входят в пространство между штифтами другого. Диск 5 крепится к неподвижной крышке 2. Диск 7 соединен с планшайбой 8, которая получает вращение от вала 14. Частота вращения вала около 6000 мин-1, что достигается наличием одноступенчатого мультипликатора из зубчатых колес 13 и 15. Зубчатое колесо 15 приводится в движение от вала 16, частота вращения которого 3000 мин-1. Попадая в пространство между неподвижными и подвижными штифтами, продукт многократно измельчается и выводится из дробилки через отверстие 20.
При измельчении выделяется большое количество теплоты, что может привести к ухудшению качества продукта или к его возгоранию. Для предотвращения возгорания крышка 2 и корпус 11 дробилки имеют полости 3 и 10, в которые через отверстия 19 и 21 подается холодная вода. Для слива воды служат отверстия 4 и 9.
Машинное масло, необходимое для смазки мультипликатора и подшипников, заливается в патрубок 12. Для слива масла служит пробка 18, над которой расположено смотровое окно 17.
Рабочие органы дробилки — штифты изготавливаются из легированной, термически обработанной, вязкой, износоустойчивой стали. После термообработки они подвергаются шлифованию. Штифты в отверстия диска должны входить плотно, при легком постукивании молотком. Отверстия обрабатываются по второму классу точности.
При работе дробилки образуется высокий потенциал статического электричества, поэтому заземление дробилки следует проверять в 2 раза чаще, чем другого оборудования, снабженного электроприводом.
При эксплуатации штифтовых дробилок ежедневно следует проверять исправность магнитной защиты от металлических примесей.
Если болт или гайка попадут в межштифтовое пространство, может произойти разрыв корпуса дробилки. При замене деталей ротора его необходимо обязательно отбалансировать как под статической, так и под динамической нагрузкой.
Даже незначительное смещение центра тяжести ротора от оси вращения вызывает неуравновешенную центробежную силу.
Роторная центробежная мельница SBC. Предназначена для измельчения обжаренных какао-бобов, жиросодержащих ядер орехов и т.п. Разрушение происходит за счет удара продукта, двигающегося с большой скоростью, о неподвижную поверхность.
На рис. 1.15 представлена центробежная мельница фирмы «Бюлер» (Швейцария). Мельница состоит из цилиндрического корпуса 2, на внутренней поверхности 5 которого установлены отбойные планки 6; быстро вращающегося ротора 4, получающего движение от электродвигателя 9 через ременную передачу, закрытую ограждением 10. Для того чтобы обеспечить натяжение ременной передачи, следует переместить электродвигатель относительно плиты 7 вращая винт с рукояткой 8.
Предназначенный продукт поступает в отверстие полого ротора 4, частота вращения которого равна 3000 мин-1. За счет центробежных сил продукт получает большую скорость, разгоняется и разрушается за счет удара о неподвижные планки 6. Конструкция мельницы позволяет легко менять износившиеся планки. Для того чтобы вынуть планки из корпуса, достаточно поместить их в позицию 3.
К фланцу 1 крепится сборный конус для измельченных частиц. Полученная ударным измельчением какао крупка более однородна по фракциям, поэтому ее легче отделить от оболочки, получая больший выход какао продуктов.
Комбинированная мельница МДН-400. Эта измельчающая машина ударного и истирающе-

Обжаренные орехи поступают в воронку 5 (рис. 1.16) шнекового дозатора 4, обеспечивающего равномерную подачу орехов. Пройдя магнит 3 орехи попадают в зазор между вращающимися в противоположных направлениях дисками 2 и 6. По концентрическим окружностям на дисках расположены штифты (пальцы) 7, зазор между пальцами дисков равен 0,3...0,5мм.В результате соударения с пальцами орехи измельчаются и через патрубок 8 поступают в зазор между валками 1 и 12. Валок 12 вращается быстрее, чем валок 1, поэтому измельчаемая масса, пройдя зазор между ними, переходит на валок 12.

Производительность комбинированной мельницы 250 кг/ч.
Оборудование для охлаждения и обработки карамельной массы
§ 2. Оборудование для охлаждения и обработки карамельной массы
К оборудованию этой группы относятся: охлаждающие и паровые (теплые) столы; охлаждающие машины, применяемые в механизированных поточных линиях взамен охлаждающих столов; проминальные машины и устройства и тянульные машины для перетягивания карамельной массы периодического или непрерывного действия.
Охлаждающая машина КОМ-2 для карамельной массы. Предназначена для непрерывного охлаждения карамельной массы и механизированного введения в нее предусмотренных рецептурой добавок. Машина применяется в механизированных поточных линиях. Как правило, ее устанавливают после змеевикового вакуум-аппарата.
Охлаждающая машина (рис. 3.5) состоит из загрузочной воронки 3, вращающихся охлаждающих барабанов 5 и 6, наклонной охлаждающей плиты 7, дозаторов 8 и 9 для кристаллической кислоты, эссенции и пищевых красителей, завертывающих желобков 10, тянульных зубчаток 11. Пустотелые барабаны 5, 6 и плита 7 непрерывно охлаждаются проточной водой температурой 12...18 °С, подаваемой из водопроводной сети. Привод рабочих органов машины осуществляется от электродвигателя 1 через редуктор 2 и систему зубчатых и цепных передач.

Рис. 3.5. Охлаждающая машина КОМ-2 для карамельной массы
Уваренная до содержания влаги 1,5...3 % карамельная масса поступает из вакуум-аппарата в приемную воронку 3, проходит между вращающимися охлаждающими барабанами 5 и 6 и непрерывно движется в виде калиброванной ленты толщиной 4...5 мм и шириной 400...500 мм по наклонной охлаждающей плите 7. За время прохождения по поверхности нижнего охлаждающего барабана на ленте карамельной массы образуется корочка, препятствующая прилипанию и способствующая лучшему движению карамельной ленты по наклонной охлаждающей плите 7, установленной под углом 12°30'. При этом угле наклона масса скользит по плите с постоянной, равномерной скоростью. Зазор между барабанами 5 и 6 регулируется маховичком 4.
Над плитой 7 перед завертывающими желобками установлены дозаторы 8 и 9, из которых на поверхность ленты карамельной массы в определенных соотношениях непрерывно подаются кристаллическая лимонная кислота, красители и эссенция.
Количество подаваемых вкусовых и красящих добавок регулируется в зависимости от сорта карамели и производительности машины.
В нижней части охлаждающей плиты карамельная лента проходит между желобками (лемешками) 10, завертывающими края ленты охлажденной корочкой вверх, добавками внутрь. Затем масса поступает под тянульные зубчатки 11, поддерживающие равномерное движение ленты по плите и частично проминающие ее.
Производительность машины регулируется путем изменения толщины ленты карамельной массы задвижкой в загрузочной воронке 3.
Лента карамельной массы проходит по охлаждающей машине в течение примерно 20 с и за это время охлаждается со 125...130 до 90...95 °С. Конечная температура массы регулируется изменением подачи охлаждающей воды и толщины слоя массы.
Производительность охлаждающей машины может снижаться при уменьшении содержания патоки в карамельной массе, так как при этом увеличивается температур массы и ее приходится подавать более тонким слоем. В летнее время, когда температура водопроводной воды достигает 20 °С, масса может прилипать к охлаждающим барабанам, поэтому для их охлаждения рекомендуется подводить артезианскую или искусственно охлажденную воду температурой 3 ...6 °С.
Для увеличения коэффициента теплопередачи целесообразно периодически протравливать внутренние полости валков и плиту 10%-ным раствором гидроксида натрия (NaOH).
Введение в карамельную массу кислоты, красителей и эссенции осуществляется дозирующими устройствами.
Для подачи кристаллической кислоты используют тарельчатый дозатор (рис. 3.6,а), состоящий из конической емкости 1 без дна, под которой укреплен диск 6. В нижней части емкости находится регулировочное кольцо 8 для изменения расстояния между выходным отверстием и диском.
Внутри емкости помещен вертикальный вал 3, на котором закреплены ворошитель 4 и лопасти 5. Вал приводится в движение от синхронного малогабаритного электродвигателя 2 (частота вращения вала 4 мин-1). Кристаллическая кислота загружаются в бункер сверху При вращении лопастей кислота сбрасывается с диска и шарнирными створками 7 направляется на поверхность ленты карамельной массы Расход кислоты регулируют кольцом 8 в соответствии с рецептурой.
В дозаторе предусмотрен сигнализатор уровня кислоты 9.

Рис. 3.6. Дозаторы:
a — тарельчатый для кристаллической кислоты, б - дисковый для эссенции и красителей.
Для введения красителей и эссенции применяются дисковые дозаторы. Дозатор (рис. 3.6,б) состоит из емкости 1, вращающегося диска 2, желобка 3 и винтового регулирующего устройства 4.
В емкость 1 заливают дозируемую жидкость. При вращении диска поверхность его смачивается жидкостью, находящейся в дозаторе. По желобку 3, примыкающему к боковой поверхности диска, жидкость стекает не ленту карамельной массы. С помощью винтового устройства 4 регулируется площадь съема жидкости и, следовательно, производительность дозатора.
Диск дозатора выполнен из нержавеющей стали. Привод диска осуществляется от охлаждающей машины посредством цепной и шестеренной передач. На охлаждающей машине устанавливают блок, состоящий из двух дисковых дозаторов - для эссенции и красителя. Диски дозаторов располагаются на одном валу, а под каждым из дисков устанавливают емкости для эссенции и для раствора красителя.
Производительность дозатора для подачи эссенции до 100 см3/мин, вместимость 3-4 л, диаметр диска 320 мм, частота вращения диска 40 мин-1. Точность дозирования ±2 %.
Тарельчатый и дисковый дозаторы имеют самостоятельные приводы, что затрудняет одновременное регулирование их производительности.
Тянульные машины. Предназначены для перетягивания карамельной массы, перемешивания ее с красящими и ароматизирующими веществами и насыщения ее воздухом. В полумеханизированных линиях карамельного производства при изготовлении карамели с непрозрачной оболочкой применяют машины периодического действия, которые устанавливают между паровыми столами и карамелеобкаточной машиной.
В механизированных поточных линиях производства карамели используют тянульные машины непрерывного действия.
Тянульная машина К-4 непрерывного действия с планетарным движением п а л ь ц е в. В этой машине осуществляется совмещенный процесс продвижения и перетягивания карамельной массы на наклонных планетарно движущихся пальцах и ее механизированная выгрузка щелевым съемником.
Основные рабочие органы машины (рис. 3.7): подвижные пальцы 15, укрепленные на вращающемся двуплечем рычаге 12, и неподвижный палец 16, установленный на кронштейне 19. Подвижные и неподвижные пальцы защищены кожухом

Движение рабочим органам передается от электродвигателя 1 клиноременной передачей 2 на приводной вал 3, затем через систему цилиндрических шестерен валу 6 и двуплечему рычагу 12, на котором жестко закреплены подвижные пальцы 15.
Двуплечий рычаг 12 вращается вокруг оси промежуточного вала 10 и вала 6; диск 5 с контргрузом 4 является поводком для шестерни 11. При вращении поводка эта шестерня катится по неподвижной шестерне 9, сидящей на неподвижно укрепленной втулке 8, которая крепится к корпусу машины шпонкой 7. Карамельная масса обрабатывается путем многократного растягивания и складывания. Двуплечий рычаг 12 с подвижными пальцами совершает планетарное движение вокруг неподвижной оси втулки 8.
Для обеспечения непрерывности растягивания и складывания массы корпус машины 20 и рабочие пальцы расположены под углом 9° к горизонту. Тянутая масса непрерывно выгружается через щелевой съемник 17.
Карамельная масса ленточным транспортером 13 непрерывно подается в сборник 14, а затем на приемную рамку неподвижного пальца 16. При попеременном складывании и растягивании масса насыщается воздухом, образующим в ней тончайшие параллельные капилляры. Постепенно плотность массы уменьшается, масса теряет прозрачность и приобретает блестящий шелковистый вид.
При растягивании и складывании карамельной массы на наклонных пальцах масса постепенно передвигается в осевом направлении вдоль пальцев. В стенке разгрузочного съемника 17 имеется прорезь, через которую один из подвижных пальцев тянущую массу в полость съемника и одновременно вытесняет обработанную массу на ленточный транспортер, непрерывно передающий массу в карамелеобкаточную машину.
Время обработки массы в машине 1,5...2 мин.
Тянульная машина РЗ-ШТП непрерывного действия с круговым движением пальцев. Машина

К последним относятся вал 14 и рычаг 15 с пальцем 10, вал 17 и рычаг 16 с пальцем 9. Кроме того, имеются неподвижный средний палец 7, закрепленный не кронштейне 5 со съемником 6, и разгрузочное устройство 3. Машина установлена между подающим и отводящим транспортерами.
При включении машины валы 14 и 17 вращаются в противоположных направлениях, причем вал 17 — по часовой стрелке (со стороны выхода массы).
Карамельная масса поступает в машину по транспортеру 8. Рабочие пальцы растягивают и складывают ее в виде прядей, насыщая воздухом. Одновременно они перемещают массу от входа к выходу. Обработанная масса со свободных концов пальцев 10 и 9 накладывается на съемник 6, а затем с помощью разгрузочного устройства выгружается на отводящий транспортер 4.
Технологические операции растягивания и складывании прядей массы совмещаются с ее постоянным принудительным перемещением вдоль пальцев благодаря специальному приводу рабочих органов. Непрерывность процесса обеспечивается тем, что выходные валы расположены под углом друг к другу. Поэтому плоскости вращения пальцев также наклонены одна относительно другой, а расстояние между концами пальцев в продольном направлении изменяется в течение одного оборота валов. В результате вся карамельная масса, находящаяся на пальцах, непрерывно перемещается к выходу из машины.
При эксплуатации тянульных машин в поточных линиях важное значение имеет правильное темперирование массы на охлаждающих машинах. Для обеспечения перетягивания массы в течение 1,5...2 мин требуется определенная вязкость и температура массы в пределах 83...88 °С. При более высоких температурах масса слишком быстро проходит расстояние до съемника и перетягивается неравномерно, а при пониженной температуре масса задерживается на пальцах, в результате чего ухудшаются ее пластические свойства, а следовательно, и условия дальнейшего формования массы.
Оборудование для охлаждения и отделки карамельных изделий
К группе оборудования для охлаждения карамели относятся:
открытые узкие ленточные конвейеры для предварительного охлаждения отформованной цепочки карамели;
открытые инерционные конвейеры для охлаждения готовой карамели и монпансье;
закрытые сетчатые конвейеры.
К оборудованию для отделки открытых сортов карамели относятся:
дражировочные котлы для глянцевания и обсыпки карамели;
агрегаты для непрерывного глянцевания карамели, которые устанавливают в механизированных поточных линиях производства глянцованной карамели.
Узкий ленточный конвейер. Предназначен для предварительного охлаждения карамели с образованием на ней тонкой наружной корочки, предохраняющей изделия от деформирования при дальнейшем охлаждении, и достаточного охлаждения тонких перемычек между изделиями для облегчения их разделения при переходе на основной охлаждающий конвейер. Узкий охлаждающий конвейер одновременно служит для передачи отформованных изделий на основной охлаждающий конвейер. Эти конвейеры обычно изготавливаются фабриками на месте.
Конвейер имеет прорезиненную или тканевую ленту шириной до 100 мм; длина конвейера должна быть в пределах 12...16 м. Ведущий и ведомый барабаны и натяжное устройство транспортера монтируют на легкой металлической раме. Конвейер закрывают коробом, в который подают охлаждающий воздух. Привод осуществляется обычно от привода карамелеформующей машины, при этом скорость конвейера должна быть равна скорости движения выходящей из формующей машины карамельной цепочки.
Инерционные конвейеры. Назначение этих конвейеров — окончательное охлаждение карамели, поступающей после формования с узкого охлаждающего конвейера. Применяются преимущественно в полумеханизированных линиях для охлаждения леденцовой карамели.

Рис. 3.17. Охлаждающий агрегат АОК-2
Одноярусный конвейер представляет собой несколько наклоненный в сторону схода продукта лоток из нержавеющей стали или другого металла, смонтированный на наклонных пружинных стойках (или роликовых подшипниках). По краям лотка на его поверхности делают отверстия для отсева карамельной крошки.
На выходе с конвейера устанавливают регулирующую заслонку. Открытые охлаждающие конвейеры обычно имеют длину 10... 15 м и ширину 600...800 мм.
Поверхность инерционного конвейера, по которому карамель движется одним слоем, непрерывно обдувается охлаждающим воздухом, подаваемым из воздуховодов с регулируемыми заслонками. Оптимальная температура охлаждающего воздуха 16...18 °С.
Общий расход охлаждающего воздуха на оба конвейера при таком способе охлаждения 6000...9000 м3/ч.
Недостатки таких конвейеров - значительная длина, распыл крошек в цехе, неэффективное использование охлаждающего воздуха Поэтому при создании поточных линий были разработаны более компактные и производительные закрытые охлаждающие конвейеры и агрегаты.
Охлаждающий агрегат АОК с сетчатым конвейером закрытого типа. Представляет собой компактную одноярусную конструкцию, предназначенную для охлаждения любых сортов отформованной карамели с начинкой и без нее в механизированных и полумеханизированных поточных линиях. В агрегате происходит комбинированный (конвективно-радиационный) отвод теплоты, ускоряющий процесс охлаждения карамельных изделий.
Агрегат АОК-2 (рис. 3.17)состоит из питателя 1 для подачи карамели с узкого охлаждающего конвейера на сетчатый конвейер 3, охлаждающей камеры 2, разгрузочного вибролотка 4 для отбора охлажденной карамели, привода 5 и воздухоохладителя.
Питатель агрегата АОК-2 (рис. 3.18) включает в себя систему, состоящую из лотка-встряхивателя 13, лотка-распределителя 14 и вибролотка 15. От электродвигателя 1 через ременные и зубчатые передачи получают вращение три горизонтальных вала 3, 6 и П.
Лоток-встряхиватель 13 совершает качательное движение в вертикальной плоскости и служит для разделения цепочки при подаче карамели с формующей машины. Движение он получает от диска 8 через шатун 9 и вертикальный шток 12. От штока 12 лоток-встряхиватель 13 подбрасывается вверх, а вниз он

На валу 11 закреплен кривошип 10, от которого через шатун 7 и рычаг 5 совершает колебательное движение в горизонтальной плоскости лоток-распределитель 14. Он служит для равномерного распределения поступающей карамели по ширине третьего вибролотка 15.
Вибролоток 15 совершает возвратно-поступательное движение в горизонтальной плоскости, которое передается ему от шатуна 2 и эксцентрика 4, закрепленного на валу 3. Вибролоток 15 направляет карамель на сетчатый конвейер охлаждающей камеры. Для удаления крошки с сетчатого конвейера в средней части лотка предусмотрены отверстия, пройдя сквозь которые, крошка поступает в специальный сборник.
Охлаждающая камера агрегата АОК-2 (рис. 3.19) представляет собой стальной каркас 1, внутри которого проходит сетчатый конвейер 2 и установлены две автономные системы охлаждения и транспортирования воздуха. Система охлаждения состоит из воздухоохладителя 9, вентилятора 10, воздуховода 3 и распределительного короба 4.

Рис. 3.19. Охлаждающая камера агрегата АОК-2
Горячая карамель поступает на сетчатый конвейер и перемещается под распределительным коробом. Из короба через щели 6 поступает холодный воздух, который охлаждает карамель и направляется на повторное охлаждение. Кроме того, поверхности 5 распределительного короба, обращенные к охлаждаемой карамели, окрашены черной краской, что приводит к поглощению ими теплоты, излучаемой карамелью. От нагретых поверхностей теплота отбирается воздухом.
При эксплуатации охлаждающего агрегата регулярно проверяют его исправность, тщательность очистки лотков и сетчатого конвейера от остатков карамельной массы и начинки, тепловую изоляцию и герметичность охлаждающего шкафа. Конструкция агрегата предусматривает полную рециркуляцию холодного воздуха и обеспечивает надежную работу агрегата независимо от сезонных и метеорологических условий. Проникающие внутрь агрегата теплота и влага (если шкаф закрыт неплотно) увеличивают тепловую нагрузку на холодильное оборудование, вызывают намокание сетки и других деталей агрегата.
При пуске агрегата открывают вентили подачи рассола (или фреона), включают вентиляторы и регулируют температуру охлаждающего воздуха путем изменения давления рассола. Затем включают питатель, сетчатый конвейер и отводящий вибролоток. После этого с узкого охлаждающего конвейера подают отформованную карамельную цепочку.
Во время работы агрегата поддерживают температуру охлаждающего воздуха в пределах 0...3 °С и относительную влажность не выше 60 %. Температура рассола в воздухоохладителе от -12 до -15 °С, давление 0,5...О,6 МПа. Постоянно следят за правильной укладкой карамельной цепочки на сетку, регулируют число колебаний лотков питателя в зависимости от линейной скорости формующей цепи, контролируют режим охлаждения карамели. Температура оболочки отформованной карамели, поступающей в агрегат после узкого конвейера, должна быть в пределах 65...70 °С, а охлажденной в агрегате — не выше 40...45 °С.
По окончании работы в конце смены, не выключая охлаждающего оборудования, очищают поверхности лотков и сетки конвейера от остатков карамельной массы и начинки, тщательно промывают их теплой водой с щеткой и просушивают. Сетку моют на выходе ее наружу, в зоне приводного барабана, постепенно проворачивая привод сетчатого конвейера. Промывные воды отводят в сливной трап.
Из-за большой скорости воздушного потока в агрегате возможны унос и распыление влаги, поэтому воду нужно немедленно удалить через трапы, а агрегат после мытья тщательно просушить.
Охлаждающее оборудование агрегатов необходимо регулярно выключать, чтобы стаяла снежная шуба с воздухоохладителей, очищать и просушивать камеры. Влага при оттаивании собирается в поддоны 8 и сливается через патрубок 7. Кроме того, периодически следует удалять пыль и загрязнения с поверхностей воздухоохладителей и радиационных панелей.

Дражировочный котел ДР-5М. Котел (рис. 3.20) — периодического действия, с ручной загрузкой и выгрузкой.
Котел имеет сферическую форму, изготовлен из листовой стали. Станина 5 литая чугунная, состоит из двух частей. В верхней части станины расположены котел 1 и главный вал 3 с червячной парой 4. Электродвигатель смонтирован на кронштейне. Передача движения котлу осуществляется от электродвигателя через муфту и червячную пару 4. Для пуска и остановки котла предусмотрена рукоятка 2.
Агрегат для непрерывного глянцевания и обсыпки карамели. Предназначен для непрерывного глянцевания открытых сортов карамели и создания на изделиях защитного слоя с блестящей или шероховатой поверхностью, состоящей из кристаллов сахара (для обсыпных сортов).
Агрегат УКГ-3 (рис. 3.21) состоит из барабана 2, дозатора для поливочного сахарного сиропа 4, дозаторов для воско-жировой смеси (глянца) 5, для талька 16, ковшового элеватора для сахара-песка 19, калорифера 15 с вентилятором, загрузочного 3 и разгрузочного 17 вибролотков, подъемного механизма 1, скребкового конвейера 18 и пульта управления.
Основная часть агрегата — барабан 2 состоит из обечайки, двух бандажей 9, установленных на ней, и венечной шестерни 10. Барабан опирается на четыре роликовые опоры, смонтированные на раме 20. Со стороны загрузки крепится съемный конус 7, а со стороны выгрузки — разгрузочный конус 14. Внутренняя поверхность обечайки покрыта гофрированной жестью.
Внутри барабана установлены три регулируемые перегородки 8, представляющие собой секторы с углом, равным 175°, и разделяющие барабан на секции. Первая перегородка установлена на расстоянии 500 мм от начала загрузочного конуса, вторая — на расстоянии 500 мм от первой, а третья - в выходном отверстии разгрузочного конуса 14. В местах размещения перегородок, приварены уплотняющие кольца.

Рис. 3.21. Агрегат УКГ-3 для непрерывного глянцевания карамели
Перегородки установлены на оси барабана 2, которая смонтирована на двух стойках. Ось одновременно является воздуховодом. В ней на длине 300 мм просверлено семь отверстий диаметром 15 мм. Для поворота первой и третьей перегородок вокруг оси служат рукоятки б и 13, а вторая перегородка поворачивается вместе с осью.
Привод барабана осуществляется от электродвигателя 12 клиноременной передачей через цилиндрический редуктор 11. Для фиксирования барабана на роликовых опорах на раме установлено два упорных ролика.
Дозирующими устройствами для сахарного сиропа и воско-жировой смеси являются насосы кулачкового типа. Насос состоит из корпуса, кулачка, крышки, отсекателя с пружиной, колпачка отсекателя, трубки и сальника. Насосы устанавливают в дозаторах 4 и 5.
Кулачковые насосы-дозаторы приводятся в движение от электродвигателя через клиноременную передачу и червячный редуктор, выходной вал которого шарнирно соединен с валом кулачкового насоса. Сахарный сироп или воско-жировая смесь подаются из дозаторов в барабан по трубе с электрообогревом. Дозаторы 4 и 5 смонтированы на общей раме. Насос дозатора кулачкового типа работает по принципу объемного дозирования.
Сахар-песок дозируется ковшовым элеватором 19. Привод элеватора осуществляется от электродвигателя через клиноременную передачу и червячный редуктор.
Дозатор 16 для подачи талька в барабан состоит из емкости цилиндрической формы и конусного днища, в котором установлен турникет. Дозирование основано на принципе пневмоподачи талька в распыленном виде через вращающийся турникет и выбрасывании его из трубы в третью секцию барабана.
Разгрузочный вибролоток-просеиватель 17 состоит из желоба с бортами и сеткой, каркаса и двух отражателей, которые устанавливают со стороны поступления карамели из барабана. Обработанная карамель из барабанов поступает при помощи скребкового транспортера 18 в приемный бункер на фасование.
Охлажденная до 40...45 °С карамель с охлаждающего транспортера непрерывно поступает по загрузочному вибролотку 3 в первую секцию вращающего барабана, в которую одновременно из дозатора 4 подается сахарный сироп с содержанием влаги 17...19 % и температурой около 100 °С.
При поступлении карамели во вторую секцию барабана на нее наносится воско-жировая смесь, подаваемая из дозатора 5 при температуре 65...70 °С.
При переходе карамели из второй секции в третью для подсушивания ее внутрь барабана подается воздух, подогретый калорифером до температуры 30...40 °С, с относительной влажностью 60...65 %.
В этой же секции в течение 4... 5 мин глянцованную карамель посыпают тальком, подаваемым дозатором 16. Затем карамель непрерывно выгружается через разгрузочный лоток 17.
При обсыпке карамели вместо глянца из дозатора подается сахар-песок. Процесс происходит в две стадии: сначала карамель загружается в первую секцию, где ее поливают сахарным сиропом в конце второй стадии; обрабатывают сахаром-песком, а затем выгружают. При обсыпке первую и вторую секции барабана объединяют в одну путем поднятия первой перегородки.
Контрольные вопросы
1. Какие основные стадии производства завернутой карамели с фруктово-ягодной начинкой Вы знаете?
2. Какое оборудование применяется для производства карамели с переслоенными начинками?
3. Как в машине НОМ-2 можно изменить толщину ленты карамельной массы?
4. Какое оборудование применяется для насыщения карамельной массы воздухом?
5. Какое оборудование применяется для образования жгута карамельной массы?
6. В каких машинах формуется карамель с рисунком и без рисунка?
7. Из каких сборочных единиц состоит охлаждающий агрегат АОК-2?
8. Как устроен дражировочный котел ДР-5М?
Оборудование для подготовки и первичной обработки какао-бобов
Очистительно-сортировочные и дробильно-сортировочные машины. Поступающие на фабрики какао-бобы содержат большое количество посторонних примесей в виде пыли, камешков, волокон мешковины, бумаги и т.п., которые перед обработкой какао-бобов необходимо удалить. Кроме того, какао-бобы бывают различных размеров, при ферментации некоторые их них сдваиваются, а при транспортировании многие какао-бобы ломаются и дробятся. Для получения равномерно обжаренных какао-бобов необходимо разделять их и сортировать по размерам.
Какао-бобы очищают от примесей и сортируют по размерам на очистительно-сортировочных машинах.
Для отделения примесей, различающихся по размерам от сырья, применяют оборудование, рабочим органом которого является систему подвижных или неподвижных сит.
Подвижные сита могут совершать возвратно-поступательное, вращательное и вибрационное движения. Возвратно-поступательное движение сит в горизонтальной или наклонной плоскости осуществляется кривошипно-шатунными, эксцентриковыми или самобалансными механизмами.
Размер многих примесей может соответствовать размерам основного сырья. Такие примеси нельзя отделить ситовым способом. Поэтому для выделения примесей, отличающихся от сырья по аэродинамическим признакам, применяют воздушную сепарацию.
Основным параметром, определяющим возможность разделения сырья и примесей по аэродинамическим свойствам, является скорость витания, т.е. скорость воздуха, при которой частица будет двигаться вместе с потоком воздуха, при меньшей величине частица упадет на дно пневмосепарирующего канала.
Наибольшее распространение получили машины с плоскими вибрирующими ситами, но имеются также машины и с цилиндрическими ситами.
Перечисленные машины по конструктивному признаку можно разделить на ситовые (с плоскими и цилиндрическими ситами) и воздушно-ситовые.
Очистительно-сортировочные машины для первичной очистки какао-бобов используются на предприятиях с бестарным хранением какао-бобов в силосах большей вместимости.
Перед заполнением силосов какао-бобы необходимо очистить от примесей для лучшего их хранения.
Эта очистка, осуществляемая на складах, получила название предварительной или первичной. Очистку с сортированием поступающих на производство какао-бобов непосредственно перед их переработкой называют вторичной.
Воздушно — ситовая очистительная машина MTRA фирмы «Бюлер» (Швейцария). Предназначена для скоростной очистки какао-бобов перед подачей их в силосы для длительного хранения и перед обжариванием (сушкой). Качество очистки достигается за счет замены сит с отверстиями различной конфигурации и диаметра. Сита могут иметь круглые, продолговатые или треугольные отверстия, а также комбинации из таких отверстий, собранные в группы с различно ориентированными осями.
Машина (рис. 5.2,а) состоит из следующих основных узлов: приемного бункера 1, ситового кузова 3 и вертикального воздушного сепаратора 4. Ситовый кузов опирается на гибкие опоры-пружины 5, установленные на раме 8. К кузову с двух сторон планшайбами 7 крепятся мотор-вибраторы 6. Изменяя наклоны мотор-вибраторов, можно подобрать оптимальный режим колебаний ситового кузова, обеспечивающий хорошую очистку какао-бобов при максимальной производительной машины. Для контроля за состоянием сит предусмотрена съемная крышка 2. При необходимости (замена сит и др.) можно откинуть шарнирно закрепленный к ситовому кузову приемный бункер 1.

Рис. 5.2. Схема очистительно-сортировочной машины MTRA
для какао-бобов:
а — общий вид; б — схема очистки
Машина работает следующим образом (рис. 5.2,б). Поступающие на очистку какао-бобы через приемный патрубок 9 по гибкому рукаву 8 поступают на распределительные поверхности 7, расположенные в приемном бункере 6. Спиральная форма выходного отверстия приемного патрубка 9 способствует расширению выходящего потока. Падая на поверхности 7, загрязненные какао-бобы распределяются по всей ширине сита 4 и движутся по нему за счет вибрации ситового кузова 2. Заслонка 5 регулирует толщину слоя поступающих на очистку какао-бобов. Сходом по ситу 4 идут крупные камни, веревки, ветки и другие примеси, имеющие большие размеры, чем какао-бобы.
Крупные примеси собираются в лотке 11 и выводятся из кузова. Проход через сито 4 попадает на сито 3, отверстия которого (8...9 мм) меньше диаметра какао-бобов. Поэтому они движутся сходом по ситу 3 и ссыпаются в вертикальный канал воздушного сепаратора 12. Проход через сито 3 в виде мелких примесей (песок и др.) собирается на днище ситового кузова и через канал 1 выводится из машины.
Очищенные от крупных и мелких примесей какао-бобы, падая вниз в вертикальном канале воздушного сепаратора 12, обдуваются воздухом, который подхватывает пыль, листья, частицы оболочки и другие легкие примеси. Вместе с воздухом примеси отделяются от какао-бобов и уносятся по каналу 14 из воздушного сепаратора. Качество очистки какао-бобов от легких примесей определяется скоростью воздуха, которая регулируется заслонкой 13 и положением передвижной стенки 15.
Расположенные в ситовом кузове два сита крепятся к деревянным рамам, которые продольными и поперечными брусками (перегородками) делят подситовое пространство на ячейки. В каждой ячейке находятся свободно перемещающиеся по сетчатому поддону резиновые или пластмассовые шарики 10. Ударяясь при вибрации об основные сита, они очищают их от прилипших частичек, уменьшающих размер отверстий.
Производительность выпускаемых фирмой «Бюлер» воздушно-ситовых очистительных машин 20...100 т/ч, если их устанавливают перед силосами, и 5...24 т/ч, если их устанавливают в цехе перед сушильными аппаратами.
Сита сортирующих машин изготавливают из листовой стали, в которой штампуют отверстия различной формы, преимущественно круглой или продолговатой. Сита с круглыми отверстиями задерживают частицы, ширина которых больше диаметра этих отверстий. Поэтому на таких ситах можно разделять продукт по ширине отдельных частиц. Сита с продолговатыми отверстиями задерживают частицы, толщина которых больше ширины этих отверстий. Такие сита пригодны для разделения продукта по толщине отдельных частиц.
Круглые отверстия обычно пробивают в металлических листах в шахматном порядке: каждое отверстие находится как бы в центре правильного шестиугольника, вершины которого составляют центры смежных отверстий.
Такое расположение отверстий наиболее выгодно в отношении количества отверстий, располагаемых на определенной площади сита
При разделении продукта на сите необходимо, чтобы частица нашла отверстие, через которое она может пройти. Поэтому очень важно, чтобы разделяемая на фракции смесь перемещалась относительно сита. Относительную скорость смеси можно создать, изменяя частоту вращения электродвигателей вибраторов. Однако большая скорость затрудняет проход через отверстие, поэтому его размер берут на 20...30 % больше размера частицы, которая должна пройти через него.
Частоту колебаний сита подбирают так, чтобы продукт не только опережал сито, но и отставал от него и чтобы продукт не подпрыгивал.
Перед пуском машины нужно тщательно проверить все крепежные детали, особенно ситового блока, а также герметичность воздуховодов и шлюзового затвора.
После обжаривания какао-бобы освобождаются от оболочки — какаовеллы. Для этого какао-бобы подвергают грубому измельчению раздавливанием или ударом. При этом какао-бобы и оболочка раскалываются на неодинаковые части, отличающиеся по размерам и аэродинамическим свойствам. Поэтому полученную какао-крупку отделяют от частиц оболочки на дробильно-сортировочных машинах с помощью воздушно-ситовой сепарации.
Дробильно-сортировочно-очистительная машина с параллельно расположенными ситами. Машина (рис. 5.3) состоит из ковшового элеватора; корпуса; размольного механизма ударного действия; ситового блока каскадного типа; системы воздушной сепарации с осадительными камерами, вентилятором и циклоном; электродвигателей-вибраторов.

Рис. 5.3. Схема дробильно-сортировочной машины
Из воронки 1, снабженной встряхивающим механизмом, предотвращающим зависание продукта, обжаренные какао-бобы поступают в ковшовый элеватор 2. При движении по малому виброситу 3 от какао-бобов отделяется мелкая фракция; минуя дробильный механизм, эта фракция подается на верхнее сито 6 ситового блока 15.
Дробильный механизм состоит из двух шестигранных валков 4 и двух отбойных рифленых дек 5, одна из которых расположена горизонтально, а другая вертикально.
Попадая на грани быстровращающихся валков, какао-бобы разгоняются и ударяются о неподвижные деки, раскалываясь на куски. Смесь крупки, оболочки и неразбитых какао-бобов поступает на сито 6, сквозь которое проходят крупка и оболочка, а неразбитые какао-бобы по каналу 17 возвращаются в башмак элеватора 2 на повторное измельчение.
Из пяти сит сито 6 — самое верхнее в ситовом блоке 15, который пружинами 13 и 19 опирается на корпус 18. Все пять сит расположены в блоке каскадом, а размер отверстий в ситах по мере пересыпания (просеивания) смеси уменьшается.
В конце каждого сита над ним расположен вертикальный аспирационный канал 7. Частицы какао-крупки и оболочки, не прошедшие сквозь соответствующее сито (сход), проходят под каналом. Поток воздуха подхватывает оболочку и по каналу уносит ее в осадительную камеру 8 большого объема. Скорость воздуха здесь резко снижается, оболочка падает вниз и шнеком 9 выводится из машины в сборный желоб, расположенный с правой стороны ситового блока. Запыленный воздух из осадительных камер через каналы с регулировочными заслонками 11 отсасывается вентилятором 12 и направляется в циклон для отделения от мельчайших частиц крупки и какаовеллы.
Фракции крупки, очищенные от какаовеллы, в конце каждого сита собираются в разгружающих устройствах 10 и по ним выводятся из машины в наклонный виброжелоб 14 (показан пунктирной линией), расположенный с левой стороны ситового блока.
Сход крупки по нижнему ситу содержит ростки (зародыши) какао-бобов длиной 4 и шириной 1 мм. В обжаренных какао-бобах содержание ростка в среднем не превышает 0,8...0,9 %. Он обладает значительно большей твердостью, чем она, измельчается на вальцовых мельницах. Содержание жира в ростке не превышает 3,5 %, и по сравнению с крупкой он является малоценной и засоряющей частью. Для удаления ростка фракцию крупки, отделенную на сите с ячейками 4...5 мм, пропускают через триер.
Степень очистки фракции крупки от оболочки зависит от скорости и количества воздуха, проходящего через аспирационные каналы 7.
Количество воздуха регулируют поворотом заслонок 11. Если в крупке имеются частицы какаовеллы, то щель увеличивают.
Регулирование ведется с помощью рукояток, установленных на корпусе машины 18.
Частицы крупки больших размеров очищаются лучше и поэтому идут на изготовление шоколада высших сортов. Наиболее мелкая крупка содержит примеси какаовеллы и используется для рецептурных смесей низших сортов шоколада или начинок.
Ситовый блок 15 получает колебательное движение от двух электродвигателей вибраторов 16.
Существуют аналогичные машины с валковым или дисковым дробящим устройством, где сита колеблются в вертикальной плоскости. Ситовый блок может получать колебательное движение от эксцентрикового механизма, а крепиться к корпусу машины на рессорных стойках или подвесках.
Размольное агрегаты. Размер частиц какао-крупки, сахара-песка и т.п. в шоколаде не должен превышать 30...60 мкм. Поэтому очищенная от оболочки какао-крупка и сахар-песок измельчаются, для чего применяются как оборудование, описанное в главе 1, так и специальное оборудование, в частности размольные агрегаты. В состав размольных агрегатов входят молотковые, штифтовые, дисковые, шариковые и другие дробилки и мельницы.
Агрегат с ударно-штифтовой мельницей. Агрегат (рис. 5.4) состоит из мельницы 5, охлаждающего устройства 4, циклона 24, приемной емкости для какао тертого 3, конденсатора 23 с приемной емкостью 19, центробежного вентилятора 21, циклона 16 с емкостью 17, воздуховода 15 с заслонкой 25 и центробежного насоса 22, создающего циркуляцию воды в системе охлаждения агрегата.

Рис. 5.4. Размольный агрегат с ударно-штифтовой мельницей.
Мельница 5 снабжена бункером 11, ниже которого расположен электрический вибратор 10 мощностью 500 Вт. Вибратор связан с регулирующим реостатом на пульте управления, который регулирует подачу какао-крупки в дезинтегратор. На течке смонтирован постоянный магнит 13 для улавливания металлических примесей. Течка лотка 14 связывает вибратор с шлюзовым питателем 9, обеспечивающим равномерную подачу крупки в дезинтегратор.
Измельчающий механизм мельницы 5 состоит из подвижного и неподвижного дисков 8 и 7, на которых шестью концентрическими рядами расположены круглые штифты из легированной стали. Между группами штифтов в радиальном направлении на каждом диске расположено по восемь проходов.
Подвижный диск 7 приводится в движение от электродвигателя 6 с частотой вращения 2930 мин-1. Диск дезинтегратора приводится в движение через одноступенчатый шестеренный редуктор электродвигателя с частотой вращения 6000 мин-1.
Мельница снабжена водяной рубашкой, через которую пропускают холодную воду. Какао-крупку размалывают при температуре 104...110 °С.
Какао тертое получают следующим образом. Какао-крупка по течке лотка 14 электровибратора 10, проходное сечение которой регулируется рукояткой 12, поступает в шлюзовой затвор-питатель 9 барабанного типа, а затем равномерно подается в центральную часть мельницы. Под воздействием центробежной силы и струй воздуха, поступающего от вентилятора 21, частицы массы какао тертого через трубопровод 15 и заслонку 25 направляются в охлаждающее устройство 4. Оно представляет собой сосуд прямоугольной формы с расположенными внутри горизонтальными трубками, по которым циркулирует холодная вода. Омывая их, какао тертое охлаждается, а затем сливается в емкость 3 вместимостью 50 л, которая одновременно используется в качестве гидравлического затвора для системы циркуляции воздуха. Шестеренный насос 2 с паровым обогревом непрерывно перекачивает какао тертое в темперирующие сборники. Насос приводится в движение от электродвигателя мощностью 2,8 кВт (1420 мин-1).
Воздух, выбрасываемый с массой какао тертого в охлаждающее устройство 4, по трубопроводу направляется в циклон 24, где от него отделяются капельки какао тертого, увлеченные воздухом из охлаждающего устройства. Последние, собираясь в конусной части циклона, по трубопроводу 1 самотеком направляются обратно в сборник какао тертого, а воздух поступает в верхнюю часть конденсатора 23. Последний представляет собой трубчатый теплообменник с горизонтальными трубами, по которым противотоком по отношению к продукту движется холодная вода.
Центробежный насос 22 создает в системе охлаждения циркуляцию воды.
В нижней конусной части конденсатора располагается емкость 19, которая соединяется с ним накидным кольцевым затвором 20 что позволяет легко отделить емкость и слить собравшийся в ней конденсат (водный раствор летучих кислот с резким запахом и неприятным вкусом). Емкость 19 снабжена пробкой 18, позволяющей спустить излишки конденсата во время работы агрегата без отделения емкости. При охлаждении из конденсата выделяется отстой, который представляет собой частицы какао тертого, механически увлеченного воздухом. После промывки холодной водой какао тертое может быть использовано на производстве.
В процессе работы воздух поступает в конденсатор с температурой 80...85 °С и выходит из него, имея температуру 50...55°С. Вентилятором 21 воздух нагнетается во второй циклон 16, где отделяются увлеченные воздушным потоком капельки воды, собирающиеся в расположенный под циклоном емкости 17. Далее воздух по воздуховоду 15 через регулирующую заслонку 25 вновь направляется в дезинтегратор.
Комбинированный размольный а г р е г а т. Агрегат (рис. 5.5) состоит из молотковой 3, дисковой 14 и шариковой 23 мельницы, перекачивающих насосов, дозаторов и системы водяных коммуникаций.

Рис. 5.5. Комбинированный размольный агрегат
Молотковая мельница 3 снабжена вибродозатором 6, с помощью которого путем изменения амплитуды колебаний регулируют подачу какао-крупки в мельницу. При движении крупки по поверхности 7 с регулируемым наклоном магнит 8 извлекает из нее ферропримеси. Шнек 5 подает продукт внутрь мельницы. В корпусе вращается ротор 4 с шарнирно закрепленными на нем четырьмя молотками 10, которые разгоняют какао-крупку и ударят ее о рифленую поверхность 9. В результате какао-крупка измельчается, происходит разрыв и какао-масло вытекает из клеток. Частицы какао-крупки, имеющие размер меньший, чем отверстия в сетке 2, проходят сквозь нее вместе со свободным какао-маслом. Полученная в результате дробления жидкая суспензия насосом 1 перекачивается в приемную воронку дисковой мельницы 14.
Шнек 11 подает суспензию в зазор между вращающимися в одном направлении, но с разной скоростью дисками 13 и 15. Степень измельчения в мельнице регулируется путем изменения зазора между дисками. Диски выполнены из корунда и укреплены на металлических основаниях 12 и16.
Прошедшая измельчение суспензия вытекает из мельницы 14 и поступает на ситовый фильтр 17. Фильтрование ускоряется благодаря тому, что сито вибрирует. Отфильтрованная суспензия стекает по наклонной поверхности 18 и собирается в промежуточном сборнике 19, откуда насосом 20 перекачивается в шариковую мельницу 23.
Шариковая мельница 23 представляет собой вертикальный цилиндр с водяной рубашкой, внутри которого вращается вал 25 с горизонтальными дисками 24. Внутренний объем цилиндра заполнен металлическими шариками диаметром 4...6 мм. Движущиеся сквозь слой перемешиваемых шариков частицы какао-крупки окончательно измельчаются. Полученное какао тертое проходит через дисковый фильтр 26, препятствующий выходу шариков, стекает в накопительный сборник 27 и насосом 28 перекачивается на дальнейшую переработку.
Для прокачивания суспензии через шариковую мельницу необходимо создавать давление до 0,25 мПа, которое контролируется по манометру 21. По окончании работы продукт из шариковой мельницы и промежуточного сборника выпускается через трехходовой кран 22.
Рассмотренный агрегат представляет собой комбинацию из трех измельчающих установок. В зависимости от производственных задач могут применяться молотковая дробилка в сочетании с дисковой или шариковой мельницей или дисковая с шариковой мельницей. Агрегат может применяться для измельчения не только какао-бобов, но и других жиросодержащих семян и ядер орехов.
Оборудование для прессования какао тертого и производства какао-порошка
§ 5. Оборудование для прессования какао тертого и производства какао-порошка
Для выработки шоколадных изделий требуется большое количество какао-масла, которое получают, прессуя какао тертое на гидравлических прессах. Твердый остаток (какао-жмых), образующийся после прессования, перерабатывают в товарный или производственный какао-порошок.
Выход масла составляет 44...47 % от массы какао тертого. При этом в какао-жмыхе остается 10,5...17 % жира. Выход какао-масла, т.е. его количество, отжимаемое прессованием, при одинаковых условиях ведения процесса может колебаться и зависит главным образом от содержания жира в исходном продукте.
При получении какао-масла прессованием на полуавтоматических и автоматических прессах необходимо иметь в виду, что стабильность их работы и получаемые результаты зависят от вязкости, содержания влаги и степени измельчения какао тертого, температуры, продолжительности вымешивания и процесса прессования, конечного давления, достигнутого при прессовании, от способа и характера препарирования, а также содержания в какао тертом какаовеллы.
Таким образом, важную роль в производстве какао-порошка играет не только сам процесс прессования, но и вся технологическая подготовка полуфабриката - какао тертого к процессу прессования.
При тонком измельчении какао тертого стенки клеток, в которых находится какао-масло, полностью разрушаются. Очень важно, чтобы содержание влаги какао тертом не превышало 1,5...2,5 %. В результате многочасового вымешивания и нагревания какао тертого до 85—90 °С снижается содержание влаги, уменьшается его вязкость и облегчается отделение какао-масла. Продолжительность прессования может быть значительно сокращена при использовании какао тертого с содержанием влаги не выше 1,2...1,5 %.
Из какао тертого с более высоким содержанием жира, (более 1...1,5 %), тонко измельченного, полученного из хорошо обжаренных какао-бобов и прошедшего процесс препарирования, масло извлекается прессованием легче.
При прессовании обычно наблюдаются небольшие колебания количества какао тертого, загружаемого в пресс, и неодинаковое содержание жира в жмыхе, извлеченном из различных чаш пресса (отклонение от средней величины составляют ±1,2...2,6 %).
Полученный после прессования какао-жмых измельчают и получают какао-порошок.
Гидропрессовые установки. В кондитерской промышленности применяются гидропрессовые установки, которые состоят из гидравлического пресса (вертикального или горизонтального), дозатора какао тертого, гидравлического насоса высокого давления и пульта управления. Установки с горизонтальным прессом дополнительно снабжают устройствами для приема и транспортирования какао-жмыха.
Гидравлический пресс обычно имеет 3, 6, 12, 14 или 22 рабочие камеры (чаши), расположенные друг над другом (вертикальный пресс) или одна за другой (горизонтальный пресс). Рабочая камера представляет собой цилиндр, закрытый с торцов фильтрующими элементами, один из которых может входить внутрь, создавая

Рабочие камеры (рис. 5.16) располагаются между боковой плитой 1 и гидравлической камерой 9, которые соединяются двумя или тремя траверсами (стяжками) 2.
При работе горизонтального пресса осуществляются три последовательных цикла (I, II, III). Первый цикл — заполнение чаш 5 пресса какао тертым.
При этом прессовые столы 4, на торцевой поверхности которых закреплены сетчатые фильтры 6, прижаты к чашам 5, внутрь которых под давлением поступает определенный объем какао тертого.
После заполнения чаш пресса начинается второй (II) цикл — прессование. Рабочая жидкость поступает в камеру 9 плунжера 8 пресса, и он, двигаясь вперед, действует на прессовые столы, в результате чего находящееся в чашах какао тертое с большой силой сдавливается с двух сторон. Отпрессованное какао-масло проходит через сетки фильтров и выводится из пресса.
Затем наступает третий цикл (III) - разгрузка пресса и подготовка его к заполнению.
Гидравлическая система возвращает плунжер 8 пресса в первоначальное положение. Отжимные цилиндры, сдавливая пружины 7 пресса, вводят пуансоны 3 прессовых столов в чаши и выталкивают из них жмых, который падает вниз и выводится из пресса разгрузочным устройством. После снятия давления в отжимных цилиндрах чаши и прессовые столы вновь принимают положение, обеспечивающее возможность заполнения пресса какао тертым.

Рис. 5.17. Гидропрессовая установка ННР 14/1 с горизонтальным 14-чашечным прессом
Процесс извлечения какао-масла осуществляется при температуре 90... 100 °С. Для поддержания этой температуры прессовые столы обогревают паром давлением 0,2...0,25 мПа. Пар подводится по гибким металлическим шлангам.
Гидропрессовая установка ННР 14/1 с горизонтальным 14-чашечным п р е с с о м. Гидропрессовая установка ННР 14/1 (рис. 5.17) предназначена для отжатия какао-масла из какао тертого. Она состоит из следующих основных частей: темперирующего сборника 1 с перемешивающим устройством 2, фильтра 34, расходомера 8 какао тертого, трубы-коллектора 14, гидравлического пресса, виброконвейера 20, сборника 22 для отпрессованного какао-масла, установленного на весах 28, пульта управления 12, гидравлического насоса высокого давления и двух шестеренных насосов 32 для какао тертого и 21 для какао-масла.
Гидравлический пресс включает четырнадцать рабочих камер (чаш) 16, расположенных между двумя боковинами 11 и 17 и соединенных колоннами-стяжками 9 и 10. В боковине 11 находится гидравлический цилиндр, который выдвигаясь из боковины, создает давление в чашах, благодаря чему начинается процесс отжатия. Опорами 30 и 18 пресс крепится к полу. Чаши пресса обогреваются паром.
Технологический процесс прессования происходит следующим образом. По трубе 4 при открытом пневматическом клапане 3 какао тертое поступает в сборник 1, снабженный паровой рубашкой и нагревается при перемешивании до температуры 100...115 °С. Подогретое какао тертое через кран 35 и фильтр 34 по трубе 33 закачивается шестеренным насосом 32 в обогреваемую трубу-коллектор 14, разделенную перегородкой 13 на две части.
По гибким шлангам 15 какао тертое заполняет чаши 16 пресса. Количество какао тертого контролируется расходомером 8. После полного заполнения чаш, насос 32 продолжает закачивать какао тертое в трубу-коллектор. Благодаря этому начинается процесс отжатия какао-масла и в каждую чашу подается больший объем какао тертого, чем геометрическая вместимость чаши. При дальнейшем увеличении давления подача какао тертого уменьшается за счет того, что открывается пружинный клапан 31. При необходимости открывается пневматический клапан 5, установленный на возвратной трубе 6. Эта магистраль используется для прогрева и очистки всех трубопроводов, в качестве теплоносителя используется какао тертое. Наличие какао тертого в трубе 33 определяют с помощью крана 7.
Во время прессования какао-масло из каждой чаши собирается в желоб 25 и по трубе 27 через пневмоклапан 26 собирается в сбор-нике 22, установленном на весах 28. После отжима заданного количества какао-масла процесс прессования прекращается, чаши пресса освобождаются от дисков 24 какао-жмыха, которые поступают на виброконвейер 20. Последний опирается на пружинные стойки 19 и 29. Виброконвейер совершает колебательное движение от мотора-вибратора 23. Затем какао-жмых выводится из-под пресса и поступает на измельчение.
Оборудование для производства какао-порошка. Полученный после прессования какао-жмых перед дроблением должен быть охлажден до 30...35 °С, иначе при размоле будет выделяться расплавленное какао-масло, которое замажет рабочие органы оборудования.
Какао-жмых измельчается в две стадии. С помощью зубовалковых мельниц на первой стадии получается грубое, предварительное измельчение, и с помощью агрегатов, снабженных молотковой или штифтовой дробилкой и устройств для механической, воздушной или комбинированной (механической и воздушной) сепарации какао-порошка получается тонкое, окончательное измельчение.
Зубовалковая мельница 95/1 с одной парой валков. Валки мельницы (рис. 5.18) вращаются с одинаковой скоростью. Блок жмыха поступает в мельницу через щель 8, которая ограничена снизу наклонной поверхностью 7, а сверху - ограждающей решеткой 9.
Жмых захватывается выступающими зубьями 2 вращающихся валков 6 и И. Валки набираются из дисков, закрепленных на валках 3 и 12. Диски соединяются тремя стяжками 4. Привод валка 6 осуществляется от электродвигателя — редуктора 15 через зубчатые передачи 16 и 14. Верхний валок 11 приводится в движение от нижнего через зубчатую передачу.
Жмых, попадая в зазор между валками, раздавливается зубьями, рассыпаясь на различные куски, которые падают вниз и попадают в шнек 1. Последний выводит их из мельницы. Шнек приводится в движение от электродвигателя — редуктора 15 цепной передачей 17.

Рис. 5.18. Зубовалковая мельница 95/1 с одной парой валков
Оптимальный зазор между валками устанавливают путем перемещения верхнего валка 11 с помощью регулировочного устройства 10. Перед пуском дробилки проверяют правильность расположения и надежность гребенок 5 и 13, служащих для зачистки пространства между зубьями дисков.
Размольный агрегат SCR с теплообменником «труба в трубе» фирмы «Бюлер» (Швейцария). Предназначен для измельчения гранул какао-жмыха в какао-порошок. Агрегат (рис. 5.19) состоит из дезинтегратора 12, трубчатых охладителей порошка 14 и воздуха 9, циклона-осадителя 4 и вентилятора 2.
Гранулы какао-жмыха через вибродозатор 7 проходят отделитель ферропримесей 6 и через роторный шлюзовой затвор 13 поступают в дезинтегратор 12. Последний имеет два штифтовых ротора, вращающихся навстречу друг другу. Роторы снабжены отдельным приводом. Частота вращения одного ротора регулируется преобразователем частоты, другого - с помощью съемных шкивов клиноременной передачи. Относительная скорость между роторами возможна в пределах 120-240 м/с.
Полученный в результате измельчения какао-порошок температурой около 100 °С поступает в охладитель 14, представляющий собой теплообменник «труба в трубе». Охлажденный какао-порошок осаждается в циклоне-осадителе 4, из которого выгружается роторным шлюзовым затвором 3. Очищенный воздух из циклона-осадителя 4 отсасывается вентилятором 2 и после охлаждения в трубчатых охла дителях 10 и 9 нагнетается в дезинтегратор 12.
Таким образом воздух движется по замкнутой системе без выброса в окружающую среду. В агрегате предусмотрена система автоматической очистки трубчатого теплообменника. Шлюзы 1 и 11 служат для ввода очищающего устройства, а шлюзы 5 и 8 для его удаления из теплообменника.

Рис. 5.19. Размольный агрегат SCR для какао-порошка с теплообменником «труба в трубе»
Теплообменник охлаждается рассолом (11%-ный хлорид кальция температурой от -4 до +1 °С), трубы покрыты теплоизоляцией. Для поддержания постоянного расхода

Вся система работает под разрежением, поэтому пыли при работе агрегата не образуется и потери какао-порошка минимальные. На агрегате получают какао-порошок высокого качества.
Производительность агрегатов составляет 1000...3000 кг/ч.
Размольный агрегат со шнековым теплообменником. Показан на рис. 5.20. Предварительно измельченный до размера кусков 8... 12 мм какао-жмых подается питателем 3 в дисмембратор 11. Горячий какао-порошок, полученный в результате измельчения кусков ударами штифтов, подхватывается воздухом и по трубе 10 направляется к теплобменному аппарату 9, который представляет собой «трубу в трубе» со шнеком внутри. В кольцевом пространстве между трубами течет 11 %-ный раствор хлорида кальция температурой минус 14 °С. В этом теплообменнике температура какао-порошка снижается до 16 °С. Охлажденный какао-порошок по воздуховоду 8 направляется в циклоны 5 с вибраторами 6. В них частицы какао-порошка опускаются вниз и поступают в шнек 7, который направляет порошок к фасовочным машинам.
Из циклонов воздух засасывается вентилятором 4 и затем нагнетается во второй теплообменный аппарат 2. Здесь температура воздуха снижается до 10 °С. Большая часть воздуха из теплообменного аппарата поступает в первый теплообменник 9, а меньшая часть — в дисмембратор.
Количество поступающего в дисмембратор воздуха регулируется заслонкой 1.
Какао-порошок, изготовленный на том или ином агрегате, обычно фасуют на какаофасовочных машинах, описание которых приведено в главе 11.
Контрольные вопросы
1. Из каких основных стадий состоит производство шоколадки и какао-порошка?
2. В чем особенность воздушно-очистительных и дробильных машин для какао-бобов и какао-крупки?
3. Какие агрегаты применяются для получения какао-тертого?
4. Какое оборудование входит в поточную линию изготовления шоколадных масс с предварительным измельчением сахара-песка?
5. Как устроены и работают горизонтальные и вертикальные коншмашины?
6. Как устроены и работают темперирующие машины для шоколадных масс?
7. Каким образом в шоколадоформирующих агрегатах изменяют массу порции шоколада, отливаемой в форму?
8. Из каких основных операций складывается приготовление шоколадных изделий с начинкой?
9. Из каких циклов состоит работа горизонтального гидравлического пресса?
10. Как устроен размольный агрегат для какао-порошка?
Оборудование для приема, хранения и транспортирования сыпучего и жидкого сырья
§ 1. Оборудование для приема, хранения и транспортирования сыпучего и жидкого сырья
Оборудование для приема, хранения и транспортирования сыпучего сырья. К сыпучему сырью относят сахар-песок, муку и какао-бобы.

Рис. 1.1. Схема бестарного приема, хранения и транспортирования сахара-песка с промежуточным подсушиванием.
Для бестарного приема, хранения и транспортирования сыпучего сырья используют специальное оборудование, которое позволяет механизировать наиболее трудоемкие операции.
Оборудование для бестарного приема, хранения и комбинированного транспортирования сахара-песка с промежуточным подслушиванием. Если влажность сахара-песка более 0,02-0,04 %, то при хранении в силосах он может слеживаться, что резко ухудшает возможность его разгрузки и транспортирования. В этом случае перед загрузкой в силосы сахар-песок подсушивают.
Схема бестарного приема, хранения и транспортирования сахара-песка с промежуточным подсушиванием представлена на рис. 1.1. Погрузчик 17 снимает контейнеры 1, с автомобиля 18 затем они раскрываются, и сахар-песок поступает в ковшовый элеватор 5. Из разгрузочный головки элеватора 5 сахар-песок направляется в цилиндрическую сушилку 7, куда одновременно поступает горячий воздух от калорифера 6. Увлажненный воздух из сушилки отсасывается вентилятором 8. Частички сахара, уносимые вентилятором, осаждаются в рукавном фильтре 9.
Подсушенный сахар-песок из сушилки через роторный питатель 11 разгружается в пневмосистему, где смешивается с воздухом, нагнетаемым воздуходувным устройством 10 (компрессором, воздуходувкой и др.), и переключателем 12 направляется в один из силосов 14, снабженных фильтрами 13. Силосы 14 разгружаются роторными питателями 15 в пневмосистему, куда компрессором 16 подается воздух.
Если сахар-песок поступает на предприятие в бункере 4 сахаровоза 3, то в этом случае он сначала разгружается в весовой бункер 2, а затем поступает в ковшовый элеватор 5.

Рис. 1.2. Схема бестарного хранения какао-бобов:
а — с механическим транспортированием;
б — с комбинированным транспортированием
Установка для бестарного хранения и механического транспортирования какао-бобов. Схема представлена на рис. 1.2,а. Какао- бобы из растаренных мешков через приемную воронку нории 1, поступают в автоматические весы 5. После взвешивания какао-бобы направляются в сортировочно-очистительную машину 4. Примеси собираются в мешках 2. Отсортированные какао-бобы поступают в приемник нории 3, поднимаются наверх и с помощью скребкового конвейера 6 и распределительных устройств загружаются в силосы 7, из которых по мере необходимости через разгрузочные устройства 8 они подаются в скребковый конвейер 9, направляющий их на переработку, или в приемник нории 3. Таким способом какао-бобы могут перемещаться из одного силоса в другой. Управление работой всех механизмов склада бестарного хранения какао-бобов осуществляется дистанционно с диспетчерского пульта.
Установка для бестарного хранения и комбинированного транспортирования какао-бобов. Схема установка представлена на рис. 1.2,б. Какао-бобы выгружают из автомашин 1 на приемной площадке и засыпают в воронку ковшового элеватора 2. Поднятые им какао-бобы реверсивным конвейером могут быть поданы по двум направлениям. Не загрязненные и не зараженные шоколадной огневкой какао-бобы влажностью, не превышающей 8 %, направляются в силосы 5, а засоренные, повышенной влажности или зараженные шоколадной огневкой какао-бобы перед загрузкой на хранение проходят предварительную обработку. Для этого они направляются в сепарационную очистительно-сортировочную машину 4, где происходит очистка их от пыли, камней, металлопримесей и других загрязнений. Затем какао-бобы подсушивают и охлаждают в камере 3.
Такая обработка необходима, так как какао-бобы влажностью свыше 8 % при продолжительном хранении в силосах легко подвергаются плесневению, что снижает их качество. Кроме того, при хранении такие какао-бобы могут образовывать комки и своды.
После подсушивания какао-бобы по элеватору 2 спускаются в фумигационную камеру 6.
Обработанные какао-бобы вновь направляются в приемную воронку элеватора 2 и распределяются по силосам. Во избежание повторного заражения огневкой в дальнейшем какао-бобы хранят в условиях пониженной температуры.
Из силосов 5 какао-бобы разных сортов поступают на взвешивание в дозаторы 7 и далее через роторный питатель 8 в пневмосеть, где они смешиваются с воздухом, нагнетаемым компрессором 9.
Силосы прямоугольной (или круглой) формы монтируют из стандартных элементов, изготовляемых из листовой стали. Внутри силосы покрывают слоем специальной краски и оборудуют спусками каскадного или спирального типа, препятствующими свободному падению и дроблению какао-бобов при загрузке камер. Центральная разгрузочная труба, проходящая через всю камеру снизу вверх, облегчает разгрузку и устраняет нежелательные явления трения и дробления какао-бобов. Управление работой силоса осуществляется с пульта.
Защита складов бестарного хранения сыпучих продуктов от статического электричества. В процессе пневматического транспортирования по трубопроводам частицы сыпучих продуктов соприкасаются между собой и подвергаются трению о стенки трубопровода, что вызывает электризацию.
Электрический потенциал заряженных частиц и трубопроводов достигает больших значений, измеряемых десятками тысяч вольт. Это делает пневматические установки опасными, так как при появлении искрового разряда могут возникнуть взрывы и пожары. Взрывоопасная концентрация, например, смеси сахара-песка, лежит в пределах 20...100 г на 1 м3 воздуха.
Величина статического заряда зависит от материала, из которого изготовлен трубопровод пневматической установки. На предприятиях используют трубопроводы, выполненные из разного материала. Для присоединения автоцистерны к продуктопроводу склада применяют прорезиненный шланг, сам продуктопровод обычно выполняют из стальных труб, а для удобства наблюдения за движением сырья отдельные участки изготавливают из органического стекла.
На участках прорезиненного шланга и вставок из органического стекла скапливается большое количество статических зарядов, которые могут вызвать появление искрового заряда и воспламенить воздушно-продуктовую смесь в продуктопроводе.
Чтобы предотвратить возникновение высокого потенциала электростатического заряда при пневматическом транспортировании в бестарных установках, необходимо соблюдать следующие правила:
1. Металлические трубопроводы должны быть подсоединены к
заземляющим устройствам.
2. Все оборудование и механизмы, являющиеся источниками возникновения опасных потенциалов статического электричества, т. е. дозаторы, металлические емкости, шнеки, питатели и т. п., должны быть надежно заземлены.
3. Все фланцевые соединения трубопроводов должны быть шунтированы гибкими перемычками, а матерчатые фильтры прошиты тонкой медной проволокой и заземлены.
4. Все параллельно расположенные трубопроводы для выравнивания потенциала и предотвращения искрения должны быть соединены между собой токопроводящими перемычками через каждые 20—25 см.
5. Все смотровые вставки из органического стекла в трубопроводах и прорезиненные шланги должны быть шунтированы с внутренней и наружной сторон, а наконечник шланга должен быть выполнен из металла (бронза, алюминий), не дающего искр при ударе.
6. Автоцистерны в момент разгрузки должны присоединяться к общезаводской сети защитного заземления.
7. Заземляющие устройства для защиты от статического электричества должны удовлетворять требованиям, изложенным в главе 1—8 первого раздела «Правил устройства электроустановок».
Оборудование для приема, хранения и транспортирования жидкого сырья. Вспомогательное сырье (жиры, молочные и фруктовые продукты и др.) поступает на предприятия тарным (в бочках, картонной таре) или бестарным способом. Для бестарного приема, хранения и транспортирования вспомогательного сырья применяют специальные установки, которые позволяют механизировать основные операции.
Установка для бестарного приема, хранения и транспортирования жидкого жира. Установка (рис 1.3) состоит из двух емкостей 1 с мешалками, устройства для перекачки жира 2, фильтра 3 для очистки воздуха, двух расходных баков 4 с мешалками и подогревом и воздушного компрессора 5.
Емкость для хранения жира представляет собой резервуар вместимостью 2 м3 из нержавеющей стали с пропеллерной мешалкой, пароводяной рубашкой. На съемной крышке аппарата установлена гильза термометра и технологические штуцера. Емкость оснащена автоматическим регулятором для поддержания постоянной температуры жира в пределах 40-45°С с сигнализирующим устройством. Удаление продукта осуществляется через нижний спуск.
Установка для приема, хранения и транспортирования молока и молочных продуктов. Позволяет полностью механизировать прием, хранение и внутризаводское транспортирование молочных продуктов. Установка состоит из приемных резервуаров, насосов и расходных производственных емкостей.

Рис. 1.3. Установка для бестарного приема, хранения и транспортирования жира

Рис. 1.4. Установка для бестарного приема, хранения и транспортирования молока и молочных продуктов
Из автоцистерны 14 (рис. 1.4) по гибкому шлангу 13 насосом 12 молоко перекачивается в емкость 6, которая снабжена охлаждающей рубашкой. Температура холодной воды, поступающей в рубашку, не должна превышать 12—14°С. Использованная вода не сливается в канализацию, а идет на технологические нужды предприятия. По мере необходимости молоко насосом 11 через сливной кран 7 подается на производство.
Освободившуюся емкость 6 необходимо тщательно мыть. Сначала при вращающихся соплах 5 (вертушка) из бака 1 насосом 2 через открытый кран 4 под давлением подают теплую воду. Полученные замывные воды через открытый кран 8 (при закрытых кранах 7и 9) направляются на производство для приготовления сиропов и т. п. Для тщательной промывки емкости в баке 1 готовят смесь из теплой воды и моющего средства. Моющее средство растворяют в воде путем циркуляционной перекачки смеси насосом 2 через открытый кран 3 при закрытом кране 4. После этого кран 3 закрывают, открывают кран 4 и промывают емкость б. Сливные воды перекачиваются насосом 11 через открытый кран 9 при закрытом кране 10 в канализацию.
Описанная схема бестарного хранения молока может быть использована и для приема жира, но при этом емкость не моют, а в рубашку емкости 6 подают горячую воду.
Для организации такой схемы на предприятиях применяют типовое, серийно выпускаемое оборудование.

Рис. 1.5. Установка для бестарного приема фруктово-ягодного сырья
Установка для бестарного, тарного приема и транспортирования фруктово-ягодного сырья. Если фруктово-ягодные заготовки поступают бестарным путем, то они из машины 1 (рис. 1.5) сливаются в емкость 2, откуда по мере необходимости насосом 3 перекачиваются в десульфитатор-шпаритель 7. Если заготовки поступают на предприятия в бочках 4, то бочки сначала обмывают теплой водой в бочкомойке 5, а затем ошпаривают кипятком для уничтожения микробов и бактерий на поверхности бочки. Очищенную бочку устанавливают в бочкоподъемник 6, выбивают верхнее днище и переворачивают над воронкой десульфитатора-шпарителя 7. Здесь фруктово-ягодные заготовки перемешивают и пропаривают, благодаря чему из них удаляется оксид серы (SO2), который используется в качестве консерванта. Далее десульфитированная заготовка поступает в измельчитель 8, а оттуда насосом 9 перекачивается в протирочную машину 10. Протертая плодовая мякоть (пюре) из протирочной машины насосом 11 поступает в сборник 12 с лопастным валом, вращение которого предотвращает расслаивание сырья. Насос 13 перекачивает подготовленное пюре к местам потребления.
Если фруктово-ягодные заготовки поступают несульфитированными, то их в шпаритель 7 не подают.
Оборудование для приготовления белковых масс и отвара мыльного корня
В поступающих на предприятия масличных семенах содержатся различные примеси — минеральный и растительный сор, зерна других культур, пустые семена, ферропримеси и другие загрязнения. Поэтому перед поступлением на производство сырье подвергают очистке от примесей на веялках, буратах, воздушно-ситовых сепараторах. Очищенные маслосодержащие семена подвергают обрушиванию. Процесс обрушивания заключается в снятии с ядра семенной оболочки. Так как связь оболочки с ядром кунжута, подсолнечника и арахиса различна, то и способы их обрушивания существенно отличаются.
Для очистки масличных семян от посторонних примесей применяют воздушно-ситовые сепараторы типа ЗСМ.
Сепаратор типа ЗСМ (рис. 7.3) состоит из станины 1, питающего устройства 4, нескольких рядов сит 2 с лопатками для удаления отходов, эксцентрикового колебателя 3, инерционных щеточных механизмов 6 и двух вентиляторов 5.
Семена поступают в сепаратор через питающее устройство 4, в котором равномерность подачи регулируется при помощи распределительного гравитационного устройства. Поступившие семена

Сепараторы 1ипа ЗСМ применяются на предприятиях с механическим внутренним транспортом, какими являются большинство халвичных цехов и предприятий. На предприятиях с внутренним пневматическим транспортом применяются сепараторы ЗСП, которые отличаются от сепараторов ЗСМ способом подачи и транспортирования семян. Для очистки семян от примесей могут также применяться воздушно-ситовые машины, описанные в главе 1 (§ 2).
Магнитные сепараторы. Для отделения семян от фероомагнитных примесей применяют магнитные сепараторы. Они различаются между собой по способу получения магнитного поля и в зависимости от этого бывают с постоянным магнитным полем и электромагнитные.
Сепараторы с постоянным магнитным полем состоят из подковообразных магнитов, уложенных одноименными полюсами в сплошной широкий магнит. Между полюсами находится пластина (накладка из немагнитного материала), закрепленная на деревянном бруске. Для лучшего распределения семян в магнитном потоке служит заслонка для регулирования скорости их движения, благодаря чему ферромагнитные примеси улавливаются значительно лучше Прикрепившиеся к магнитам примеси удаляют вручную, для чего сначала прекращают подачу продукта, а затем очищают магниты деревянным скребком. Магниты массой 1 кг перемагничиваются через 5-6 мес.
Электромагнитный сепаратор (рис. 7.4) состоит из станины 1 ; крыльчатого побудителя 8; заслонки 7 для

Проходя по каналу 3 мимо магнитного экрана 5, который имеет ступенчатую, несколько вогнутую форму, семена очищаются от ферромагнитных примесей. В станине предусмотрено два ящика для сбора ферромагнитных примесей.
Промывочная машина. Для удаления посторонних примесей из кунжутных семян применяют промывочные машины.
Промывочную машину можно устанавливать в линию после воздушно-ситового сепаратора или использовать самостоятельно.
Машина (рис. 7.5) состоит из закрытого съемного кожуха 7, предотвращающего разбрызгивание воды, цилиндрического сита 4, приводного вала 3 с четырьмя лопастями 5, загрузочного бункера 1, штуцера для подачи воды 2, отверстия 9 в поддоне 8 для вывода примесей, разгрузочного лотка 6 для кунжутного семени.

Рис. 7.5. Промывочная машина
Семена поступают в машину через загрузочный бункер 1, а вода — через штуцер 2. Под действием центробежной силы, лопастей и воды примеси проходят сквозь отверстия сита и удаляются вместе с водой в

По физическим свойствам и связи с ядром оболочка кунжута отличается отсутствием хрупкости, значительной эластичностью и плотным, без зазоров, прилеганием к ядру. Между оболочкой и ядром имеется слой, легко набухающий в воде. При этом оболочка, ставшая еще более эластичной, может быть легко снята с ядра при механическом воздействии на семя. Такой способ обрушивания называется «мокрым». Для замочки кунжутного семени применяют металлические, деревянные, цементные чаны (периодический способ) вместимостью от 0,1 до 0,5 м3 или машины непрерывного действия.
Схема машины непрерывного действия представлена на рис. 7.6. В шнековой камере (корытообразном сосуде) 3, расположенной наклонно и снабженной крышками 5, периодически вращается шнек 4. Кунжут поступает на замачивание через воронку 1, а выходит через патрубок 6. Две трети длины сосуда заполнено водой, здесь семя кунжута замачивается, а на одной трети сосуда оно отлеживается.
Постоянный уровень воды в шнековой камере поддерживается электронными сигнализаторами уровня 2. В нижней части шнековой камеры имеется отвод с краном 8 для слива воды. Отверстие отвода закрыто сеткой 7. Для обеспечения полного стекания воды из зоны отлеживания шаг шнека уменьшен, поэтому скорость движения семени замедляется.
Для ускорения процесса замачивания кунжутное семя перед загрузкой в машину предварительно промывается в реконструированной протирочной машине. Реконструкция заключается в изменении устройства лопастей и смене сетчатого барабана.
Семя замачивается в воде температурой 40 °С и вылеживается в течение от 45 мин до 5 ч в зависимости от сорта кунжута. Для ускорения замачивания можно применять 1%-ный содовой раствор. Необходимое соотношение продолжительности замочки и вылеживания 2 : 1.
В течение этого времени содержание влаги в семенах доходит до 30-35%, а в оболочке до 40-45%. Оболочка у набухших семян несколько растягивается, отслаивается от ядра, легко разрывается и отделяется при надавливании и трении.
Кунжут обрушивают в машинах, принцип действия которых основан на том, что движущийся рабочий

В машинах периодического действия (рис. 7.7, а, в) порцию кунжута загружают в емкость 1, в которой расположен вал 2 с лопастями 3. Обрушенный кунжут в виде смеси оболочки и ядра выгружают через люк 4 во время вращения вала с лопастями.
В машине непрерывного действия (рис. 7.7,б) кунжутное семя из воронки 1 попадает в цилиндр 2. Внутри цилиндра вращается вал 3, на котором расположены питающий шнек 4, а затем лопасти 5, образующие по оси вала винтовую линию. Обрушенный кунжут непрерывно выходит через патрубок 7. Для осмотра и очистки машины предусмотрены отверстия с крышками 6. Недорушенные семена должны составлять не более 2 %.
Кунжут можно обрушивать и без предварительного замачивания. Оно проводится в рушильной машине, схема которой представлена на рис. 7.7, в. В емкость загружают 75-90 кг кунжута и заливают его 10—12 кг воды. Длительность процесса обрушивания (15—25 мин) зависит от качества и сорта кунжута. В этом случае недорушенные семена составляют 1—2,5 %. Две трети от количества оболочек отделяется затем в промывочной машине типа протирочной.
Бичерушка МРН. Применяется для обрушивания подсолнечного семени.
Основными частями машины (рис. 7.8) являются: питающее устройство, состоящее из бункера 3, рифленого валика 4 и заслонки 2, бичевой барабан 5, на котором укреплено шестнадцать стальных бичей 6, и рифленая поверхность (дека) 1.
Машина приводится в действие от электродвигателя через ременную передачу. Частота вращения

Она регулируется при помощи вариатора скоростей в зависимости от влажности, крупноты и масличности поступающих семян. В зависимости от этих же параметров устанавливают зазор между бичами и декой (8—50 мм).
Семена поступают в машину через питающее устройство и равномерно распределяются при помощи заслонки по всей длине щели. От правильной регулировки заслонки во многом зависит нормальная работа рушильной машины. Затем семена попадают на бичи барабана, ударяются о них, отбрасываются на деку, потом вновь ударяются о бичи и т. д. до тех пор, пока обрушенные семена не пройдут по всей длине деки.
Веечная машина. Для разделения рушанки подсолнечного семени на фракции (составные части) наиболее широко применяется веечная машина МИС-50.
Основными частями машины (рис. 7.9) являются: рассев 3, аспирационный корпус 1 и приводной вал (веретено) 2.
Рассев служит для разделения рушанки по размерам на ситах и состоит из приводного механизма, рамы с подвесками и деревянного короба с ситами, приемным и выходным устройствами. На приводном механизме

Аспирационный корпус представляет собой прямоугольный деревянный короб, разделенный на шесть каналов. В каждом канале установлены металлические полочки (жалюзи), положение которых можно регулировать. Все шесть аспирационных каналов присоединены к центробежному вентилятору. Попадая в аспирационный корпус, каждая фракция рушанки, разделенная на рассеве, через питатель подается на жалюзи. При пересыпании продукта по наклонным полочкам более легкие частицы уносятся воздушным потоком и оседают в конусах веялки. В первом конусе оседают более тяжелые частицы (частицы ядра), во втором — более легкая часть (лузга), а в третьем - мелкая лузга и пыль. Очищенное ядро выводится из машины шнеком, а лузга — пневмотранспортом в циклон для осаждения.
Установки для отделения оболочки от ядер кунжута. После обрушивания необходимо отделить ядра кунжута от остатков оболочки.
Для этого используют разницу в их плотности. Оболочка содержит много клетчатки и имеет большую плотность (около 1500 кг/м3). В ядре много жира, плотность которого 920 кг/м3, благодаря чему плотность ядра составляет 1070 кг/м3. Для разделения ядра и оболочки применяют жидкость с промежуточной между ними плотностью — 17-19 %-ный раствор соли плотностью 1130-1150 кг/м3 (при 13 °С), который называется соломуром. При соломурировании ядро всплывает на поверхность солевого раствора, а оболочка оседает на дно. Ядра собирают и промывают в течение 5—6 мин чистой холодной водой для удаления соли. После промывания ядра содержат около 40—50% воды и до 0,1 % соли (тахинная масса, поэтому имеет слабый солоноватый вкус).
Отделение оболочек от ядер кунжута и промывание ядер можно проводить на различных установках.
В установке периодического действия (рис. 7.10,а) рушанку загружают в чан 1 с раствором соли и тщательно размешивают ее лопастью, а затем выдерживают несколько минут для всплытия ядра и оседания оболочки. В чане имеется три крана. Кран 2 служит для взятия пробы и определения окончания разделения ядра и оболочки. Через кран 3 из чана удаляют оболочку. Через кран 4 очищенное кунжутное ядро спускают в мешки 5, подвешенные на тележках 6. Соломур собирается в емкость 9, а затем возвращается в чан 1. После заполнения половины объема тележки передвигаются по направляющим 7 под душ 8 для промывки с целью удаления из ядра соли. Из сборника 10 промывная вода уходит в сборник и после соответствующей очистки - в канализацию. Окончание промывки определяют органолептически (по отсутствию соленого привкуса).
В установке (рис. 7.10,б) с кольцевой схемой для соломура рушанка подается норией 1 в больший из чанов 2, из которого всплывшее ядро с примесью оболочки перетекает в соседний, а затем и в третий чан. Оболочка оседает на дно чанов и периодически удаляется через сливную трубку 3. Очищенное ядро кунжута из третьего чана перетекает в сборник 5 с сеткой 6, через которую соломур фильтруется, а затем собирается в емкости 7 и насосом 4 перекачивается в больший чан 2.

Рис. 7.10. Схемы установок для отделения оболочки от ядер кунжута:
а — периодического действия; б — с кольцевой системой; в — непрерывного действия
Соломуромоечная машина непрерывного действия (рис. 7.10,в) представляет собой две суживающиеся книзу ванны 5 и 10, разделенные перегородкой. Ванна 5 — моечная машина, ванна 10 — соломурная машина. В соломурную машину поступает рушанка, перемешиваемая лопастями двух мешалок 1. Оболочка оседает и выводится из машины шнеками 8 и 11. В сетчатом коническом барабане 9 происходит некоторое отжатие оболочки от соломура. Ядро кунжута переливается в желоб 2 с наклонным дном. Он обеспечивает попадание ядер в конический сетчатый барабан 3 со шнеком 4. Отжатое от соломура ядро кунжута передается в моечную машину 5. Соломур стекает в бачок 12 и насосом 13 возвращается в ванну соломурной машины. В моечную машину поступает чистая вода, в которой ядра кунжута промываются от соли, тонут и шнеком 6, а затем норией 7, имеющей перфорированные ковши 14, выводятся из машины.
Центрифуга ТВ-600. Содержащаяся в кунжутных ядрах влага разделяется на два вида: поверхностная и внутренняя. Поверхностная влага удаляется довольно легко при помощи центрифугирования.

Рис. 7.11. Центрифуга типа ТВ-600
Наиболее часто для удаления поверхностной влаги из ядер в халвичном производстве применяются центрифуги типа ТВ-600 периодического действия с ручной выгрузкой.
Центрифуга ТВ-600 (рис. 7.11) состоит из вертикально расположенного сетчатого вращающегося барабана 3, насаженного на вал 4, электродвигателя 5 и неподвижного кожуха 2. Для уменьшения вибрации станина с кожухом, барабаном и электроприводом подвешена при помощи вертикальных тяг на трех стойках 1, расположенных под углом 120°. В барабане есть отверстия размером 3 мм для подсолнечных ядер и 1,5 мм для кунжутных.
Центрифугу включают после загрузки ее ядром. Под действием центробежной силы ядра прижимаются к сетчатому барабану, через отверстия которого удаляется влага. Продолжительность центрифугирования 2-3 мин, после чего машину выключают и ядро выгружают вручную совком.
После центрифугирования доля сухих веществ в ядре повышается до 72-74 %. Такое ядро поступает на термическую обработку.
В результате термической обработки (сушки или обжарки) в ядре кунжута происходят сложные биохимические процессы, способствующие образованию специфического вкуса и аромата. Одновременно с этим повышается доля сухих веществ, что существенно влияет на процесс измельчения ядра.
Измельчение очищенных и обжаренных ядер семян может осуществляться на оборудовании, описанном в главе 1. Однако наиболее часто применяются дисковые мельницы.
Дисковая мельница с двумя вращающимися относительно вертикальной оси в одном направлении дисками. Продукт поступает в бункер 7, который снабжен измерителем 8 наличия продукта в бункере (рис. 7.12,а). При понижении уровня продукта измеритель отключает машину, предотвращая работу дисков без продукта. Из бункера продукт направляется на колеблющийся лоток 9 с электромагнитным вибратором 10. Далее продукт поступает на плиту 6 с магнитами, где задерживаются металлопримеси. Затем продукт попадает на валки 5, которые измельчают крупную фракцию и равномерно подают продукт через отверстие диска 11 в зону более тонкого измельчения.

Рис. 7.12. Дисковая мельница:
а — разрез; б — структурная схема работы дисков
Проходя через зазор и измельчаясь, продукт в результате разрыва клеток и истечения жидкой фракции — масла превращается в полужидкую массу, которая равномерно выходит из зазоров по всей наружной кромке диска, так как центробежное ускорение во много раз выше ускорения свободного падения. Масса стекает со стенок охлаждаемого корпуса 12 и по каналу 14 выводится из машины. При этом она продувается воздухом, который поступает через патрубок 4. На верхнем диске 11 расположены приливы 3, которые играют роль лопаток вентилятора. Воздух дополнительно охлаждает продукт.
Верхний 11 и нижний 13 диски снабжены корундовыми кольцами 2 с канавками для удаления продукта. Продолжительность работы колец составляет 800 ч. Их смена осуществляется за 30 мин.
Зазор между дисками регулируется штурвалом 1.
Размеры получаемых частиц зависят от структурно-механических свойств продукта и зазора между дисками.
На рис. 7.12,б приведена структурная схема работы дисков мельницы. От электродвигателя 8 через ременную передачу 10 вращение передается вертикальному валу 1 с жестко закрепленным на нем верхним диском 7 и шестерней 2, которая через зубчатый блок 9 вращает зубчатое колесо 3 с нижним диском 6.

Корнерезка. Предназначена для измельчения мыльного или солодкового корня.
Корнерезка (рис. 7.13) состоит из станины 6, загрузочной воронки 2, корпуса с крышкой 3, диска с ножами 4, электропривода 1, желоба 5 для вывода измельченного корня.
Замоченный промытый корень периодически загружают в воронку 2, в машине он дробится дисковыми ножами и выводится по желобу 5.
Для вываривания измельченного мыльного или солодкового корня применяют варочные котлы вместимостью 60 или 150 л.
Карамельную массу готовят увариванием карамельного сиропа в вакуум-аппаратах периодического или непрерывного действия. Открытые варочные котлы и вакуум-аппараты описаны в главе 2 (§ 2, 4).
Оборудование для приготовления шоколадных масс
Процесс приготовления шоколадных масс очень важен, так как от качества масс зависит качество получаемого шоколада. В процессе приготовления и обработки шоколадных масс складываются вкусовые и ароматические свойства шоколада.
Схема приготовления шоколадных масс состоит из следующих операций: взвешивания рецептурных компонентов, смешивания их, измельчения, разводки маслом, гомогенизации и конширования.
Рецептурные компоненты взвешивают и смешивают в рецептурно-смесительных комплексах, которые комплектуют в механизированные поточные линии. В состав линии входят: емкости для бестарного хранения полуфабрикатов, стальные ленточные конвейеры, пятивалковые мельницы, коншмашины и сборники для хранения шоколадных масс.
По принципу действия рецептурно-смесительные комплексы можно разделить на два вида: непрерывного действия с дозированием рецептурных компонентов в потоке и периодического действия с взвешиванием и смешиванием рецептурных компонентов и непрерывной подачей массы на дальнейшую обработку. При этом сахар-песок перед дозированием может предварительно быть измельчен в сахарную пудру отдельно или вместе с другими компонентами после получения рецептурной смеси.
Поточная линия приготовления шоколадных масс с предварительным измельчением сахара-песка, весовым дозированием и периодическим смешиванием рецептурных компонентов. Сахар-песок (рис. 5.6,а) из бункера 1 шнеком 2 подается в молотковую дробилку 12, где измельчается в сахарную пудру, которая затем направляется в приемник 13. В приемник 11 поступает сухое молоко (или сухие сливки), подаваемые шнеком 2 из емкости 5. Перемешивающий лопастной вал 4, расположенный в емкости 5, предназначен для предотвращения зависания сыпучего продукта. Из темперирующих сборников 6 и 7 насосами 8 в приемники 9 и 10 подают жидкие компоненты: какао тертое и какао-масло. Шнеки 2, 3 и насосы 8 снабжены системой автоматического управления, получающей импульс от взвешивающего устройства 15, на платформе 14 которого установлены приемники 9, 10, 11, 13.
Взвешенные порции компонентов загружаются последовательно в смеситель 16 (сначала сыпучие, затем жидкие) вместимостью 500 л и смешиваются там в течение 10...30 мин двумя валами 17, снабженными фигурными лопастями. Валы приводятся в движение от индивидуальных электродвигателей мощностью 29,5 кВт. Емкость смесителя имеет продолговатую форму и снабжена водяной рубашкой (температура смешивания 40...45 °С). Время смешивания задается с помощью реле времени.
Масса разгружается в сборник-накопитель 18 через нижние отверстия, закрывающиеся заслонками 19. Вместимость сборника-накопителя 1000 л. Он служит для накапливания и непрерывной подачи рецептурной смеси на вальцевание.
Сборник-накопитель представляет собой ванну, снабженную водяной рубашкой и двумя мешалками 20 ленточного типа.
Рецептурная смесь выгружается из сборника-накопителя 18 системой, состоящей из двух горизонтальных и одного вертикального шнеков 21, и подается на стальной ленточный конвейер 23, связанный с группой пятивалковых мельниц 24.
В полученной рецептурной смеси содержатся крупные частицы сахара-песка, какао тертого и других компонентов. Для тонкого измельчения этих частиц (до размера менее 30 мкм) и придания шоколаду нежного и приятного вкуса рецептурную смесь один или несколько раз пропускают через многовалковые мельницы. Такая обработка называется вальцеванием, которое осуществляется исключительно на быстроходных пятивалковых мельницах.

Рис. 5.6. Поточная линия приготовления шоколадных масс с предварительным измельчением сахара-песка:
а — схема, б — смеситель
Рецептурная смесь с конвейера 23 направляется на пятивалковые мельницы 24 с помощью разгрузочных устройств 22. Параллельная установка валковых мельниц создает хорошие условия для маневрирования, особенно при использовании резервной мельницы.
Отвальцованная масса с пятивалковых мельниц собирается на ленточном транспортере 26 и загружается в одну или несколько установленных в линии ротационных конмашинах 27. В эти же машины автоматическим дистанционным дозатором 25 подаются какао-масло и разжижители.
После конширования, которое длится 4...10 ч или более, операция приготовления шоколадной массы заканчивается. Готовый продукт насосами 28 перекачивается на производственные участки.
Двухвальный смеситель - основная машина рецептурно-смесительного комплекса для приготовления шоколадных смесей. В корытообразном корпусе 1 (рис. 5.6,б) расположены два горизонтальных вала 3 и 4. Валы снабжены фигурными лопастями 6 и 8, осуществляющими интенсивное перемешивание сыпучих и жидких компонентов и пластификацию рецептурной смеси во всем объеме смесителя. Каждый вал получает вращение от зубчатой передачи 18. Косозубая передача позволяет передавать на вал значительные усилия и уменьшает производимый при вращении шум. Лопасти получают движение от вала через шпонки 5, которые крепятся в ступицах лопастей, стягиваемых болтами 7.
Теплая вода подается в рубашку смесителя по патрубкам 16, а отводится по патрубкам 9. Для увеличения жесткости рубашки смеситель снабжен стяжками 2, укрепленными между наружной и внутренней стенками корпуса. К станине смеситель крепится лапами 17.
Приготовленная рецептурная смесь выгружается из смесителя через отверстия 14 и 15, расположенные в корпусе. Для этого с пульта управления включается мотор-редуктор, который через цепную передачу поворачивает звездочку 10, закрепленную на винте 12. Вращаясь, винт перемещает гайку 11 и жестко связанную с ней пластину-заслонку 13. На рис. 5.6 показан момент, когда отверстия в корпусе открыты (заслонка находится в крайнем правом и левом положении). Отключение мотора-редуктора в крайних правом и левом положениях происходит нажатием на конечные выключатели.
Поточно-механизированная линия производства шоколадной массы. Линия предложена фирмой «Бюлер» (Швейцария). Сахар-песок, сухое молоко (рис. 5.7) из силосов 4, какао-тертое и часть какао-масла из сборников 5 дозируются по массе в смеситель 3, установленный на весовой платформе. В смесителе компоненты тщательно перемешиваются, образуя однородную тестообразную массу температурой не выше 40°С и массовой долей жира до 28 %.

Рис. 5.7. Поточная линия приготовления шоколадных масс с предварительным измельчением сахара-песка.
Затем масса поступает в бункер 2 двухвалковой мельницы 1. В мельнице кристаллы сахара-песка измельчаются до размеров частиц клетчатки какао тертого, в результате чего фракционный состав рецептурной смеси становится однородным. Затем масса распределяется по пятивалковым мельницам 10, число которых в зависимости от производительности смеси может достигать семи. Мельницы измельчают частицы дисперсной фазы, и общая поверхность частиц становится значительно большей. На этой увеличенной поверхности адсорбируется свободное какао-масло, отчего масса становится как бы сухой. Легко комкующаяся при сжатии пальцами масса с верхних валков мельниц ссыпается и подается в коншмашины 9, где порция шоколадной массы обрабатывается длительное время. В процессе конширования в шоколадную массу из сборников б и 7 вводят вторую часть какао-масла с небольшим количеством фосфатидов.
После конширования шоколадную массу перекачивают в темперирующие сборники 8, в которых она постепенно охлаждается с 55—75 до 50—40 °С. При этой температуре и энергичном перемешивании масса хранится до последующего использования. Перемешивание предотвращает расслаивание суспензии.
Рецептурно-смесительные комплексы и поточные линии могут быть также использованы для приготовления конфетных масс на ореховой и орехово-шоколадной основе, которые применяются в качестве начинок для конфет типа «Ассорти».
Машины для конширования шоколадных масс. После многократного вальцевания и смешивания с какао-маслом готовая шоколадная масса направляется на формование обыкновенных сортов шоколада. Масса, предназначенная для изготовления десертных сортов, подвергается дополнительной обработке в коншмашинах. При коншировании улучшаются вкусовые и ароматические свойства массы и достигается полная ее гомогенизация. Коншмашины изготавливаются двух типов — горизонтальные и вертикальные.

Рис. 5.8. Горизонтальная коншмашина:
а — внешний вид, б — рабочие органы машины, в — схема работы
Горизонтальная коншмашина DUC-C. Горизонтальная коншмашина DUC-C разработана фирмой «Фриссе», дочерней фирмой «Бюлер» (Швейцария). Машина (рис. 5.8,а) представляет собой трехсекционный корпус 15 сложной конфигурации, внутри которого расположены три лопастных вала 2. Под установленным на станине 14 корпусом находятся соосно соединенные между собой муфтой 12 электродвигатели 11 и 13. Вал одного электродвигателя имеет частоту вращения 750 мин-1, вал другого — 1500 мин-1. Движение валам 2 передается через муфту 10, промежуточный вал 9, ременную передачу 8 и редуктор 7. На боковой стенке корпуса расположены пульты электронного 5 и силового 6 управления. Панель управления 4 позволяет вести контроль за работой машины, выдает сообщения о неполадках, графически представляет ход процесса конширования, напоминает параметры процесса по последним 100 отработанным рецептурам и др.
Все необходимые по рецептуре компоненты поступают в машину через крышку 3. Готовая масса фильтруется и откачивается винтовым насосом 1.
На рис. 5.8,б представлены рабочие органы горизонтальной коншмашины — валы 1, 9 и 11. На валах с различным шагом и развернутые под углом к их осевым линиям установлены фигурные лопасти 2, 6 и 8. Для интенсификации процесса валы снабжены еще и рамными мешалками. На валах 1 и 9 вращаются однорядные мешалки, состоящие из лопаток 4 и 10, соединенных с валами стойками 3 и 7. Вал 11 вращает двухрядную мешалку, состоящую из лопаток 12 и 14, соединенных стойками 5 и 13.
Процесс конширования протекает следующим образом (рис. 5.8,в). Поступающие в машину компоненты интенсивно перемешиваются рабочими органами — лопастными и рамными мешалками (позиции на рис. те же, что и на рис. 5.8,в). Валы вращаются синхронно и в противоположных направлениях. При этом траектории лопастей и рамных мешалок пересекаются. В областях I и II коншируемая масса подвергается наиболее интенсивной обработке. Лопасти и лопатки сжимают, сдвигают и измельчают обрабатываемые частицы. Благодаря этому и различию в скоростях вращения наружных валов по отношению к центральному валу создаются зоны сжатия не только у стенок корпуса, но и в центре конмашины (зоны I и II).
Процесс конширования осуществляется в три этапа. На первом этапе в рецептурную смесь подают не более 1/3 жира от предусмотренного рецептурой. Происходит «сухое» интенсивное перемешивание, сопровождаемое обволакиванием всех частиц смеси жиром. В этот период двигатель работает с частотой вращения вала 750 мин-1 при значительных затратах мощности. Валы соответственно вращаются: наружные — с частотой вращения 19...30 мин-1, центральный - 9,5...20 мин-1.
Второй этап характеризуется образованием вязко-пластичной массы. На этом этапе рабочим органам приходится преодолевать наибольшее сопротивление. Коншмашина работает с наибольшей мощностью. При этом из массы испаряется влага. По мере обезвоживания и нагревания рецептурная смесь размягчается. Затрачиваемая мощность несколько снижается, а частота вращения валов увеличивается.
Третий этап характеризуется образованием жидкой рецептурной массы. Весь жир, предусмотренный рецептурой, равномерно распределяется во всем объеме. Валы вращаются с максимальной скоростью. В этот период электродвигатель работает с частотой вращения 1500 мин-1, а валы вращаются соответственно: наружные — с частотой вращения 38...60 мин-1, центральный — 19 мин-1.
По заданной программе валы периодически изменяют направление вращения на обратное.
В процессе конширования вследствие образования большой свободной поверхности для удаления влаги и летучих кислот происходит интенсивное образование вкуса и аромата шоколада.
Конструкция и режим работы машины позволяют значительно сократить время конширования. При полезной вместимости (по массе) 1000...9000 кг установленная мощность составляет 100...460 кВт.
Вертикальные ротационные коншмашины. Существует ряд типов ротационных машин, в которых масса обрабатывается за 6...12 ч.
Ротационная машина периодического действия (рис. 5.9,а) состоит из цилиндрической емкости с водяной рубашкой, внутри которой расположены перемешивающие и измельчающие рабочие органы, способствующие интенсивной аэрации шоколадной массы.
На постаменте 1 установлена емкость 12 с водяной рубашкой 11. Внутри емкости расположена гранитная конусная чаша 6, внутри которой вращаются три подвесных гранитных конуса 5. Наружной поверхностью конусы обкатывают внутреннюю поверхность конической чаши. Сила прижатия конусов к чаше, а следовательно, и зазор между ними регулируется.
В ванне, образованной кольцевым пространством между гранитной чашей 6 и емкостью 12 машины, совершают планетарное вращательное движение три фасонные мешалки 7. Внутренняя поверхность корпуса непрерывно очищается ножом 8.
Порошкообразная шоколадная масса после вальцевания загружается в ванну коншмашины сверху, через патрубок 10, перемешивается фасонными мешалками 7 при температуре 50...60 °С, постепенно переходя из порошкообразного в пастообразное состояние.
После этого в машину согласно рецептуре подают какао-масло, разжижители и штурвалом 2 открывают заслонку 3, соединяющую ванну корпуса с внутренним пространством гранитной чаши. Принудительную циркуляцию шоколадной массы в чаше обеспечивает шнек 16, расположенный на вертикальному валу 17. Попадая в за зор между вращающимися конусами и чашей, шоколадная масса обрабатывается.

Рис. 5.9. Вертикальные коншмашины:
а — ротационная однокамерная; б — трехкамерная
Привод рабочих органов осуществляется от электродвигателя 13. Через ременную передачу 14 и редуктор 15 вращательное движение получает вертикальный вал 17, от верхнего конца которого, расположенного в планетарном редукторе 9, приводятся в движение конусы 5, лопасти 7 и нож 8.
Готовая шоколадная масса выгружается через разгрузочное устройство 4, которое закрывается задвижкой.
Машина снабжена пультом управления, на котором расположены приборы показывающие нагрузку электродвигателя, температуру массы и степень закрытия заслонки 3.
На ротационных машинах этих типов возможно конширование «густых» масс с содержанием какао-масла 24...26 %. При «сухом» коншировании обработка масс происходит быстрее, в результате чего достигается экономия какао-масла.
Вертикальная трехкамерная машина непрерывного действия осуществляет двухстадийное («сухое» и обычное) непрерывное конширование. Процесс конширования проводится в единой закрытой системе, в условиях интенсивной механической обработки шоколадной массы в тонком слое при высоких скоростях, непрерывной подачи и удаления воздуха. При этом технологический режим задается и поддерживается автоматически.
В процессе непрерывного «сухого» конширования изменяется структура дисперсной системы. На ее изменение затрачивается основная часть механической работы, которая в обычных коншмашинах превращается в тепловую энергию. Благодаря использованию высоких скоростей и нагреванию, воздействующих на тонкий слой обрабатываемой массы, ускоряются все процессы, протекающие при коншировании. Для более эффективной обработки в шоколадную массу добавляют поверхностно-активные вещества, которые вводят в количестве 0,1 % через патрубки, расположенные в верхней части смесителей. Консистенция шоколадной массы при этом изменяется, ее вязкость резко снижается, и масса свободно вытекает в промежуточный сборник.
Вертикальная трехкамерная коншмашина (рис. 5.9,б) состоит из сборника для приема провальцованной шоколадной массы, двух вертикальных цилиндров-смесителей для сухого конширования, промежуточного сборника, связанного трубопроводом с насосом и весовым дозатором, индивидуальных дозаторов, гомогенизатора и пульта управления.
Коншмашина работает следующим образом. Провальцованная шоколадная масса, содержащая до 27 % жира, непрерывно поступает ленточным конвейером в приемник 17, снабженный двумя мешалками с индивидуальными приводами. Затем шнековые дозаторы 16 и 18 направляют ее в вертикальные смесители 15 и 19, в которые по патрубкам 14, 20 подается кондиционированный воздух, а по трубопроводам 1 и 5 вводится лецитин. Смесители 15 и 19 работают одновременно и перемещают шоколадную массу снизу вверх. Смесители оборудованы лопастными мешалками и индивидуальными электродвигателями. В каждом смесителе по периметру его внутренней кольцевой поверхности закреплены направляющие (сбрасыватели), расположенные по спирали шестью ярусами (по четыре направляющих в каждом).
После введения в смесители 15 и 19 небольшого количества лецитина вязкость шоколадной массы снижается и она поступает в промежуточный сборник 3. Здесь воздух отделяется и через патрубок 2 выбрасывается в атмосферу. Из сборника 3 шоколадная масса перекачивается по трубопроводу 4 в дозатор периодического действия 8, сблокированный с автоматическими циферблатными весами «Рапидо». С помощью индивидуальных дозаторов 6 и 7 в него последовательно поступает задаваемое по рецептуре количество какао-масла или жира, эмульгаторов (ПАВ) или ароматизаторов, а затем насосом 21 из промежуточного сборника 3 периодически подается очередная порция шоколадной массы.
С помощью весового дозатора 8 и индивидуальных дозаторов 6 и 7 можно автоматически согласно задаваемому режиму и рецептуре провести операцию разведения и получить окончательный состав шоколадной массы. С помощью мешалки, специального скребка и трех загрузочных отверстий в весовом дозаторе осуществляется перемешивание, загрузка и зачистка. Затем шоколадная масса поступает в промежуточный сборник 13, откуда насосом 12 перекачивается в гомогенизатор 11, в котором заканчивается вторая фаза конширования. После обработки в гомогенизаторе готовая шоколадная масса насосом 9 по трубопроводу 10 перекачивается на участок переработки или для хранения в емкости (сборники), оборудованы мешалками и водяными рубашками.
Температурный режим конширования регулируется с помощью подогретой или холодной воды, подаваемой в рубашки отдельных машин и трубопроводов.
Все параметры технологического процесса (температура воды и воздуха, его расход) задаются, фиксируются и регулируются с помощью программируемой системы и пульта управления, оборудованного пневмосхемой, сигнальными лампами, акустическими сигналами, стоповыми и пусковыми кнопками, контрольно-измерительными приборами.
При эксплуатации коншмашины обеспечиваются высокая точность соблюдения рецептуры, достигается экономия дорогостоящего сырья и стабильное качество готового продукта.
Основные преимущества вертикальной трехкамерной коншмашины, кроме высокой производительности (до 1,0...1,3 т/ч) и непрерывности процесса, снижение производственной'площади и массы оборудования на 50 %, уменьшение удельной нагрузки на перекрытия (до 5...18 кПа), сокращение расхода электроэнергии по 50...70 кВт/ч на 1 т десертной шоколадной массы, пара и воды — на 40 % по сравнению с горизонтальными четырхкорытными коншмашинами.
Одновременно за счет автоматизации процесса, снижения тепловыделения и отвода отработанного воздуха улучшаются условия труда работающих. Одна трехкамерная машина может заменить шесть — восемь вертикальных ротационных коншмашин.
Автоматические машины для темперирования шоколадных масс. Во избежание выделения кристаллов жира и сахара на поверхности шоколадных изделий («поседения» шоколада) массу перед формованием подвергают темперированию — охлаждению при одновременном энергичном перемешивании. Для этой цели применяются автоматические шнековые темперирующие машины. Шоколадная масса выходит из машины с температурой 31...32 °С, при которой она хорошо формуется.
Темперирующие машины бывают с горизонтальной и вертикальной камерой, которые имеют две, три или четыре зоны охлаждения. Перемещаясь по зонам, шоколадная масса охлаждается до 30 °С при непрерывном перемешивании. Это обеспечивает переход какао-масла из неустойчивых форм в стабильную и предотвращает жировое «поседение» глазури.
Трех- и четырехзонные машины по принципу действия и устройству одинаковы, но различаются системой охлаждения. Процесс темперирования глазури в этих машинах происходит непрерывно, в очень тонком слое и при интенсивном перемешивании. Каждая частица шоколадной массы, прежде чем она выйдет из камеры темперирования, проходит большой путь и приобретает требуемую по условиям процесса температуру. Благодаря специальным устройствам (контактным термометрам и электромагнитным клапанам, регулирующим поступление охлаждающей воды в каждую зону) в темперирующих машинах автоматически поддерживается заданная температура.

Рис. 5.10. Темперирующая машина с четырехзонной горизонтальной камерой.
Производительность машин можно изменять в широких пределах с помощью бесступенчатого вариатора скорости. Перемешивающий орган — шнек создает давление, обеспечивающее перемещение оттемперированной массы по трубопроводу на расстояние до 25 м.
Темперирующая машина с четырехзонной горизонтальной камерой. Машина (рис. 5.10) состоит из приемной воронки, цилиндрической горизонтальной камеры, пульта управления, привода и системы трубопроводов.
В горизонтальном цилиндре, разделенном на зоны 1, находится пятизаходный шнек, который приводится в движение от электродвигателя 4 через вариатор скорости 3 и горизонтальный вал 2. От вала через систему цепных и зубчатых передач движение передается вертикальному валу, очищает стенки воронки 7 от шоколадной массы. Торец горизонтального цилиндра снабжен переходной камерой 16. Камера снабжена крышкой 15 со сливным патрубком, который закрывается задвижкой, а также двумя патрубками, перекрываемыми кранами 12 и 14. По вертикальной трубе 13, минуя кран 14, глазурь поступает в глазировочный агрегат, а по трубе 9, минуя кран 12, возвращается обратно в воронку 7.
На пульте управления 10 установлено четыре (соответственно для каждой зоны) электроконтактных манометрических термометра 11, связанных капиллярными трубками с датчиками 17.
Машина работает следующим образом. Шоколадная масса температурой 40...45 °С загружается в приемную воронку. Благодаря перемешиванию и холодной воде, подаваемой в рубашку 5 воронки, температура ее постепенно снижается. Из воронки масса захватывается пятизаходным шнеком и перемещается по внутренней поверхности цилиндрического корпуса. За счет небольшой высоты (2...5 мм) витков шнека масса тонким слоем распределяется в кольцевом пространстве между шнеком и корпусом.
Последовательно проходя через зоны, в рубашки которых непрерывно подается холодная или подогретая вода, масса приобретает нужную температуру.
Между зонами горизонтальной части машины расположены кольцевой формы датчики 17, которые передают сигнал о величине температуры термометрам пульта управления. Термометры имеют две стрелки: черную — показывающую и красную — установочную. Черные стрелки термометра показывают температуру глазури, выходящей из соответствующей зоны, или температуру циркулирующей воды. Красные стрелки, сблокированные с реле и электромагнитными клапанами, позволяют устанавливать и автоматически поддерживать температуру на заданном уровне.
Температура воды, поступающей в темперирующую машину, равна 13...16 °С.
Наличие в водяной коммуникации предохранительного вентиля предотвращает повышение давления в системе.
В каждую зону темперирующей машины вода может подаваться из основной распределительной магистрали двумя путями: непосредственно из нее или через электромагнитный клапан. В последней зоне и в трубопроводе, подающем массу на формование, циркулирует вода постоянной температуры.

Производительность темперирующих машин до 750 кг/ч.
При работе на автоматических темперирующих машинах приемную воронку следует заполнять шоколадной массой и пополнять ее, поддерживая постоянной уровень массы.
По окончании работы массу сливают, освобождая воронку, цилиндр, возвратную трубу и трубопроводы, по которым шоколадная масса перекачивается на формование.
Темперирующая машина с вертикальной камерой. Машина (рис. 5.11) состоит из приемной емкости, двухзонной вертикальной камеры, возвратной трубы, системы водяных коммуникаций и пульта управления.
Приемная емкость 6 снабжена водяной рубашкой, в которую через вентили 32 и 33 может подаваться холодная или теплая вода. Внутри емкости на валу 7 укреплена рамная мешалка 8, которая приводится во вращение от электродвигателя-редуктора 11. На валу 7 крепится также шнек 4, который проходит через зоны 5 и 2 машины. В конце первой зоны установлен датчик 3, а в конце второй зоны датчик 16.
Датчики передают сигналы термометрам 14 и 15, показывающим температуру шоколадной массы в конце зоны.
Машина снабжена бачком-смесителем 21, в который подается горячая вода, и вода, поступающая из второй зоны через переливной бачок 13. В случае необходимости по сигналу, поступающему от термометра 20, включается нагреватель 22. Из смесителя вода подается во вторую зону насосом 18 через обратный клапан 19.
Холодная вода поступает в зоны темперирующей машины через фильтр 23 и вентиль 24. В первую зону холодная вода поступает через автоматический клапан 26 и вентиль 29, а во вторую зону — через автоматический клапан 27 и вентиль 28.
Автоматические клапаны пропускают холодную воду по сигналам, поступающим от термометров 14 и 15.
Перед пуском машину прогревают, для чего в водяной коммуникации предусмотрено ручное управление. Через открытый вентиль 25 теплая вода поступает в рубашку приемной емкости зоны машины при открытых вентилях 30, 31 и 32. Вентили 24, 28 и 33 при этом закрыты. Вода из зон сливается в бак 34.
После прогревания в машину подают шоколадную массу, которую предварительно фильтруют через сетку 10, приводимую в колебательное движение от электродвигателя-вибратора 9. Если температура шоколадной массы выше 50 °С, то в рубашку емкости через вентиль 33 вручную подают холодную воду. Если температура понизилась, то через вентиль 32 в рубашку направляют теплую воду. Из емкости масса последовательно проходит через все зоны машины, темперируется и шнеком 4 подается в трубопровод, откуда через кран 17 она направляется на формование. Если в данный момент масса не нужна, то по трубе 12 она возвращается в приемную емкость 6.
По окончании работы шоколадную массу сливают через отверстие, расположенное в торце горизонтальной трубы, открывая заслонку 1.
Оборудование для производства пастилы и зефира
Пастильные и зефирные массы получают во взбивальных машинах периодического действия и на непрерывнодействующих агрегатах. Пастилу формуют на машинах для разливки пастильной массы, полученные пласты режут на заготовки изделий на пастилорезательных машинах, после чего пастилу сушат в специальных сушилках.

Рис. 6.7. Трехкамерный взбивальный агрегат К-18 непрерывного действия для пастилы и зефира
Для формования зефира применяют зефироотсадочные машины.
Трехкамерный взбивальный агрегат К-18 непрерывного действия. Предназначен для непрерывного приготовления пастильной и зефирной массы путем: взбивания смеси яблочного пюре с сахаром и яичным белком; перемешивания взбитой смеси с сахаро-паточно-агаровым сиропом, красителем, кислотой и эссенцией.
Агрегат (рис. 6.7) состоит из двух взбивальных машин 14 и 16 и одного смесителя 20, смонтированных на сварной станине 26.
Верхняя взбивальная машина 14 представляет собой горизонтально расположенный цилиндрический корпус из нержавеющей стали, в нижней части которого расположена водяная рубашка 27, необходимая для темперирования смеси яблочного пюре с сахаром. К корпусу приварены стальные фланцы 12, к которым на болтах крепятся торцевые крышки 13 с двумя кронштейнами 6, служащими для установки на них подшипников 7 вала 23 с лопастями 25.
Лопасти 25 предназначены для взбивания массы и перемещения ее вдоль корпуса. На валу расположено шесть крестовин 24, состоящих из втулок, к которым приварены лопасти под углом 15° к образующей цилиндра. В каждой лопасти имеется по три отверстия, сквозь которые пропущены продольные прутки для взбивания смеси, закрепленные на крайних крестовинах.
Все части крестовин и лопастей изготовлены из нержавеющей стали. Вал выполнен из стали 45 и в местах соприкосновения с массой закрывается чехлами, изготовленными из нержавеющих труб.
На корпусе имеются патрубок 8 для приема смеси пюре и сахара, патрубок И для спуска массы из первой взбивальной машины во вторую и патрубок 10 для присоединения к вытяжному вентилятору, который удаляет оксид серы (IV), выделяющийся из яблочного пюре во время взбивания.
Для очистки машины в корпусе предусмотрены четыре крышки 9, которые в процессе работы закрыты.
Конструкция нижней взбивальной машины 16 аналогичная. Разница только в том, что масса движется в противоположном направлении и, следовательно, лопасти крестовин и лопасти для перемещения массы повернуты в обратную сторону. Кроме того, входной и выходной патрубки имеют одинаковый диаметр.
Смеситель 20 по конструкции аналогичен взбивальным машинам.
На валу 29 закреплены Т-образные лопасти 30, которые расположены так, что занимают одну треть вала, а на остальной части размещены четыре пары лопастей 28, сквозь которые пропущены две планки из нержавеющей стали для очистки стенок корпуса от массы. Т-образные лопасти могут быть повернуты в пределах 15° к продольной оси вала. Две пары средних лопастей расположены под углом 15° к оси вала, а крайних — под углом 45° в сторону вращения, что обеспечивает лучшую очистку торцевых стенок от массы.
Корпус смесителя имеет входной 2 и выходной 22 патрубки; два смотровых люка 4 и 21 с откидными крышками, которые расположены под углом 15° к вертикальной плоскости, проходящей через осевую линию цилиндра; патрубок 3 для подачи агарового клея, патрубок для подачи красителя и эссенции и две крышки 5.
Привод взбивальных машин состоит из электродвигателя 1 и двух ременных передач. Электродвигатель через ременную передачу сообщает вращение лопастному валу нижней взбивальной машины, с другого конца которого через ременную передачу с передаточным отношением 1:1 вращение передается лопастному валу верхней машины. Для натяжения ремней предусмотрен натяжной ролик 15.
Привод смесителя состоит из электродвигателя 17, червячного редуктора 18 с передаточным отношением 1:16. Вал червячного колеса редуктора при помощи эластичной муфты 19 соединен с лопастным валом взбивальной машины.
Сахаро-яблочная смесь и агаровый клей дозируются плунжерными сиропными насосами, которые применяются в карамельном производстве. Только вместо клапанов в них используются поворотные крановые золотники.
Дозатор яичного белка представляет собой бачок постоянного уровня с поплавковым клапаном на входной линии и пробковым выпускным клапаном в днище.
Дозирующие устройства непрерывно подают яблочное пюре, сахар-песок и яичный белок через загрузочную воронку в верхнюю взбивальную машину. При непрерывном перемешивании в массе яблочного пюре и белка сахар полностью растворяется. Полученная однородная масса по мере взбивания постепенно густеет, насыщается воздухом и увеличивается в объеме. Одновременно она перемещается лопастями вдоль корпуса машины. Затем масса через разгрузочную воронку поступает в нижнюю взбивальную машину.

Рис. 6.8. Схема агрегата ШЗД для взбивания зефирной массы под давлением
Из второй машины масса попадает в смеситель, куда плунжерным насосом непрерывно подается сироп, а через специальные мерники — красители и эссенция. Лопасти вращающегося вала тщательно перемешивают массу, перемещая ее к выходному отверстию. Готовая пастильная масса влажностью около 40% при температуре 38—42 °С через разгрузочную воронку поступает для разливки в лотки.
Агрегат ШЗД для непрерывного приготовления зефирной массы под давлением. Рецептурную смесь для взбивания готовят в смесителе 10 (рис. 6.8), в который непрерывно подают все компоненты смеси - яблочное пюре из сборника 1 через бачок постоянного уровня 2 с плунжерным насосом 3, яичный белок насосом 5 из бачка 4 и уваренный сахаро-паточно-агаровый сироп из сборника 6 плунжерным насосом 7. Сахар-песок поступает в воронку смесителя из сборника 16 через магнитный уловитель 15 и дозирующее устройство 14. Для дозирования кислоты и красителя с эссенцией установлены бачки 8 и 9. Рецептурный смеситель снабжен водяной рубашкой для темперирования смеси.
Готовая рецептурная смесь поступает из смесителя 10 в приемный бачок 11 (с подогревом), из которого шестеренным насосом 12 непрерывно подается в роторный центробежный смеситель-эмульсатор 13, при этом в смесь под давлением вводится воздух, поступающий из ресивера 20.
Для регулирования давления воздуха установлен воздушный редуктор 19 с манометрами 17.
Количество поступающего воздуха измеряется ротаметром 18.

Рис. 6.9. Шестиручьевая машина для резки пастилы
Установка для взбивания состоит из разъемной взбивальной камеры и привода с вариатором. Внутри взбивальной камеры помещено два статора, один из которых неподвижно скреплен с корпусом, а второй — с крышкой камеры. На внутренней стороне каждого статора имеются зубья, расположенные шестнадцатью концентрическими рядами. Между зубьями статоров проходят зубья ротора; размеры зубьев выбраны так, что образуется кольцевой канал извилистой формы шириной 1 мм. Рецептурная смесь вместе с воздухом, поступающим от компрессора, и под давлением 0,4-0,6 мПа подается внутрь камеры. Ротор изготовлен из бронзы и имеет диаметр 384 мм. Внутренняя поверхность взбивальной камеры выполнена из нержавеющей стали, а статоры из бронзы. Взбивальная камера снабжена рубашкой для водяного охлаждения.
Шестиручьевая пастилорезательная машина. Предназначена для резки пластов пастильной массы на заготовки пастилы размером 73x21x20 мм. Основные узлы машины (рис. 6 9): ленточный конвейер 3 для приемки пастильного пласта, насос, вибрирующее сито 1 для посыпки конвейера сахарной пудрой, механизм 4 для резки пласта на продольные полосы, шестиленточный конвейер 5 для подачи полос к механизму поперечной резки 6, конвейер 2 с рычажным механизмом 12 для подачи решет на цепь и механизмом обгона 7, привод 8, шнек 9 для возврата обрезков боковых сторон пласта при продольной резке. Все механизмы смонтированы на станине 11.
Механизм продольной резки состоит из вала, на котором укреплено семь дисковых ножей диаметром 100 мм. Диски установлены на расстоянии 73 мм один от другого, так что ширина нарезанных полос также равна 73 мм. Режущие кромки дисков проходят между лентами шестиленточного конвейера 5 и прижимаются к резиновым дискам, закрепленным на валике, установленном под лентами. Окружная скорость ножей равна скорости движения пласта. Каждый режущий диск снабжен двусторонним пружинным скребком, очищающим его поверхность от налипшей пастильной массы.
При переходе с конвейера 2 на шестиручьевой конвейер 5 пласт поддерживается снизу свободно вращающимся валиком 10.

Рис. 6.10. Механизм поперечной резки пастилы:
а — общий вид, б — расположение брусков пастилы на решете
По мере приближения к механизму поперечной резки 6 ленты ручьевого конвейера расходятся в горизонтальной плоскости, отодвигая полосы пастильной массы друг от друга.
Механизм (рис. 6.10) поперечной резки пастилы состоит из цепного конвейера 4; приводного вала 7, на котором посажены ведущие звездочки и барабан 6; натяжного вала 2 с ведомыми звездочками; подпружиненного ролика и защитного ограждения 1. Шаг цепей равен ширине бруска пастилы (21 мм). Звенья обеих цепей связаны попарно поперечными ножами, плоскость которых расположена к оси звена цепи под углом 84°. Центральная ось конвейера наклонена к горизонту под углом 30°, а угол между поверхностью шестиленточного конвейера и нижней ветвью цепного конвейера с ножами составляет 6°. Скорости этих конвейеров равны.
Ножи при движении цепи постепенно врезаются в полосы пастилы перпендикулярно их поверхности, но разрезают их не полностью во избежание повреждения конвейерных лент. Окончательно полосы разрезаются на прижимном барабане 8, обтянутом слоем пищевой резины. Разрезанные бруски пастилы, зажатые соседними ножами, переносятся ими к месту укладки на лоток.
Укладка происходит следующим образом: при набегании цепи на ведущие звездочки угол между соседними ножами увеличивается и концы ножей расходятся, что облегчает удаление нарезанных брусков пастилы из межножевого пространства. Окончательное выталкивание брусков на решета производится принудительно выталкивающим приспособлением в виде барабана, прикрепленного к ведущим звездочкам ножевого конвейера. Внутри барабана расположены тридцать два продольных радиально расположенных паза, в каждом из которых находится пуансон, представляющий собой стальную штангу с шестью выступами. К ним крепятся выталкиватели. Концы пуансонов выходят из барабана наружу и цапфами входят в пазы кулачков 5, которые прикреплены с обеих сторон к подшипникам вала ведущих звездочек.
При вращении ведущих звездочек вращается и барабан, а следовательно, и пуансоны, хвостовики которых своими концами перемещаются в пазах неподвижных кулачков. Пуансоны при этом совершают сложное движение — вращательное и радиальное. Благодаря радиальному перемещению пуансоны своими выталкивателями плавно нажимают на бруски пастилы в тот момент, когда ножи расходятся, и бруски выпадают на решета.
Для удобства мойки ножей предусмотрено моечное устройство 3, которое состоит из кожуха, барботера и отводящего шланга. Горячая вода подается в барботер, откуда через отверстия стекает на ножи, смывая с них прилипшую пастильную массу, собирается в ванночке и затем по шлангу отводится в канализацию.
Решета подаются к месту загрузки цепным конвейером 2 с шагом цепи 35 мм. На рис. 6.10,6 показана схема укладки брусков пастилы по длине решет. Когда заканчивается укладка брусков на первое решето, механизм обгона сообщает конвейеру ускоренное движение и следущий ряд брусков укладывается на передний край следующего решета, не попадая в зазор между решетами.
Машина снабжена трехступенчатой коробкой передач.
Кроме описанной шестиручьевой пастилорезательной машины имеются и четырехручьевые машины, которые не получили широкого распространения.
Зефироотсадочная машина. Предназначена для формования половинок зефира осадкой на поверхность лотков.
Машина состоит из следующих основных узлов и механизмов (рис. 6.11,а): бункера 3, дозировочно-отсадочного механизма 2, цепного конвейера 1, приводного механизма 5 и станины 6.
Цепной конвейер представляет собой две параллельно расположенные бесконечные цепи с шагом t = 35 мм. Для фиксирования положения лотков на цепи предусмотрены звенья с упорами. Во время отсадки зефира на лоток конвейер имеет равномерное движение. В момент прохождения стыков двух лотков под зубчатыми наконечниками дозировочно-отсадочного механизма конвейер получает ускоренное движение.

Рис. 6.11. Зефироотсадочная машина:
а - общий вид, б - принципиальная кинематическая схема привода дозировочно-отсадочного механизма
Машина приводится в движение от электродвигателя через клиноременную передачу и дисково-колодочный вариатор скоростей.
Загрузочный бункер выполнен из алюминиевых листов. Для обогрева зефирной массы в процессе отсадки бункер снабжен водяной рубашкой. Температура массы контролируется термометром 4.
В нижней части бункера на болтах прикреплен дозировочно-отсадочный механизм (рис. 6.11,б), снабженный золотниковой коробкой 7 и золотником б, который представляет собой полый цилиндр, разделенный перегородками на шесть камер с одинаково расположенными вырезами. Золотник совершает переменное вращательное движение под углом 90° под воздействием пазового кулачка 11 через систему рычагов.
Шесть плунжеров 8 прикреплены к общей траверсе, которой сообщается возвратно-поступательное движение пазовым кулачком 10 через систему рычагов. При помощи кулисного механизма 9 можно плавно регулировать ход плунжеров 8 и тем самым обеспечивать заранее заданную дозировку порции массы, отсаживаемой на лоток. Когда плунжеры выходят из золотниковой коробки, их поверхность смачивается растительным маслом для предотвращения налипания зефирной массы.
Шесть гибких гофрированных шлангов 5 соединяют выводные штуцера золотниковой коробки с зубчатыми наконечниками 3. Подвижная каретка 4, несущая на себе рамку с закрепленными на ней зубчатыми наконечниками, совершает возвратно-поступательное движение вдоль конвейера и поперек него под воздействием торцевого 1 и цилиндрического 2 кулачков через рычажную систему с пружиной.
Залитая в бункер зефирная масса при том положении золотников, когда окна золотниковой коробки совмещены с бункером, при движении плунжеров засасывается в дозировочное цилиндры. После отхода плунжеров в крайнее заднее положение золотник поворачивается на 90°, и таким образом соединяет дозировочные цилиндры с выпускными окнами золотниковой коробки. Затем плунжеры, двигаясь вперед, выдавливают зефирную массу из дозировочных цилиндров через выпускные окна золотниковой коробки и далее через гибкие шланги и зубчатые наконечники на лоток, движущийся по конвейеру.При этом подвижная каретка с закрепленными на ней зубчатыми наконечниками совершает сложное продольно-поперечное движение, благодаря чему каждая отсаживаемая порция зефирной массы приобретает круглую форму зефира с рифленой поверхностью («ракушка»).
В конце процесса отсадки для отрыва отсаженной зефирной массы от наконечников направление скорости движения каретки резко меняется на противоположное, что достигается сжатием спиральных пружин, прикрепленных к подвижной каретке.
Оборудование для просеивания
§ 2. Оборудование для просеивания
Просеивание сыпучего сырья — основная операция подготовки сырья к переработке. При этом от сырья отделяются ферромагнитные и другие примеси.
Во всех просеивателях сырье движется по поверхности сита. Мелкие частицы, которые проходят сквозь отверстия сита, называются проходом, а крупные частицы, которые остаются на поверхности сита и сходят с него, — сходом.
Для просеивания сахара-песка применяют сита из металлической сетки, сотканной из отожженной стальной проволоки с низким содержанием углерода (0,06—0,2 %). Сетки различают по номерам. Номер сита определяется размером (мм) стороны его отверстия в свету. Для просеивания сахара-песка применяют сита с номерами не более 3.
Для просеивания применяют машины с плоскими и барабанными ситами. Машины с плоскими ситами имеют возвратно-поступательное или вибрационное движение сит. Машины с барабанными ситами бывают с вращающимися или неподвижными ситами цилиндрической или призматической формы.
При очистке орехов, жиросодержащих семян и какао-бобов просеивание через сито проводят, комбинируя с воздушной сепарацией, которая позволяет разделить одинаковые по размерам частицы, но различающиеся по аэродинамическим свойствам.
К просеивателям с цилиндрическими (барабанными) ситами относится пирамидальный бурат ПБ -1,5 и «Пионер», к воздушно-ситовым (сортировочно-очистительным) — машина К-549.
Пирамидальный бурат ПБ -1,5. Бурат (рис. 1.6) выполнен в виде ситового пятигранного барабана, укрепленного спицами на горизонтальном валу 6 в подшипниках качения 3.
Грани барабана представляют собой съемные рамки, на которые натянуты плоские сита. Рамки установлены на каркасе барабана 8 с помощью спиц 10. Вал 6 и отводящий шнек 13 приводятся в движение от электродвигателя (Р = 0,5 кВт, n = 1400 мин-1) через червячный редуктор, цепные передачи и звездочки 1 и 2.
Продукт поступает через входной бункер 4 и коротким шнеком 5 перемещается внутрь барабана 8, который вращается с частотой 40-60 мин-1. Просеянный продукт, рассекаясь на два потока щитком 11, проходит мимо полюсов магнита 12 и очищается от ферропримесей.
Очищенный продукт поступает в отводящий шнек 13 и через выпускное отверстие 14 направляется в производственные цеха. Примеси (сход), перемещаясь вдоль барабана, поступает по каналу 7 в сборник.

Рис. 1.6. Пирамидальный бурат ПБ - 1,5
Магниты находятся в коробках, которые с помощью шарниров можно поворачивать на 90° для очистки. Магниты очищают не реже трех раз за смену. Барабан и все элементы бурата заключены в металлический корпус 9.
Производительность бурата 1,5—3 т/ч, габаритные размеры (мм): 2900x855x1810.
Вертикальный центробежный просеиватель П-2П. Просеиватель (рис. 1.7) состоит из загрузочного бункера с крышкой и предохранительной решеткой, вертикального шнека, ситового барабана, магнитного уловителя и приводного механизма.
Приемное отверстие загрузочного бункера 22 закрывается крышкой 21. На дне бункера вращаются две спиральные лопасти 2, направляющие продукт через отверстие в корпус вертикального шнека 4, заключенного в металлическую трубу. Шнек при вращении поднимает продукт и подает в просеивающее устройство.
Просеивающее устройство состоит из цилиндрического сита 8 с круглыми отверстиями (для задержания крупных примесей), вращающихся вертикальных лопастей 9 с наклонными лопатками 10 и внешней ситовой рамки 7, образующей со сплошным металлическим листом 15 ситовой барабан. Лопасти 9 приварены к конусу 11, полукруглая съемная ситовая рамка 7 прикреплена к корпусу машины. Снаружи ситовая рамка закрывается металлическим кожухом.
Магнитный уловитель снабжен постоянными магнитами 6, полюсы которых обращены вниз и находятся на близком расстоянии от поверхности наклонной плоскости. Магнитные дуги намагничиваются без извлечения их из аппарата; для этого они снабжены постоянными катушками, в которые подводится электрический ток.

На корпусе просеивателя установлены кнопки 16 «Пуск» и «Стоп» и магнитный пускатель 19.
Продукт засыпают в бункер, где он перемешивается спиральными лопастями, затем шнек 4 поднимает продукт в ситовой барабан, где происходит двойное просеивание: сначала через сито с круглыми отверстиями, затем через внешнее сито, на которое продукт, захваченный вращающимися лопастями, отбрасывается центробежной силой. Просеянный продукт проходит под полюсами магнитов и высыпается в лоток 5
Крупные примеси, оставшиеся при первом просеивании внутри цилиндрического сита, поднимаются шнеком на поверхность конуса 11; отсюда они центробежной силой сбрасываются через отверстие 13 в сборник для примесей. Мелкие примеси, задержанные внешним ситом, поднимаются наклонными лопатками 10 и выбрасываются в тот же сборник для примесей.
Для безопасной работы обслуживающего персонала в просеивателе предусмотрена электроблокировка: при снятии предохранительной решетки 20 через рычаг 18 срабатывает конечный выключатель 17. Он разрывает электрическую цепь управления электродвигателем, и просеиватель останавливается.
Производительность просеивателя 1,25—1,5 т/ч. Масса машины 281 кг.
Горизонтальный центробежный просеиватель типа MKZ фирмы «Бюлер» (Швейцария). Предназначен для просеивания муки, сахара-песка и других более сложных по дисперсному составу сыпучих продуктов. Просеиватель (рис. 1.8,а) состоит из корпуса 5 с люками 6 и 8, смотровым окном 7, загрузочным отверстием 9 и электродвигателя 10, разгрузочных патрубков 12 и 13 для продукта и патрубка 14 для отходов. Просеиватель крепится к фундаменту четырьмя опорами 11. Очистка и ремонт сита осуществляются при открытой дверце 3, которая крепится к корпусу двумя винтами 4. При этом накладкой 2 замыкается контакт блокировочного выключателя 1, предотвращающего запуск электродвигателя 10 при открытой дверце 3.

Рис. 1.8. Горизонтальный ценробежный просеиватель типа MKZ фирмы «Бюлер»:
а — общий вид; б — схема
На рис. 1.8,б изображена схема горизонтального центробежного просеивателя.
В корпусе 1 установлено цилиндрическое сито 2. В зависимости от назначения сито может иметь одинаковые по размеру отверстия. Если же размер отверстий разный (над отводящим патрубком 9 — меньший, а над отводящим патрубком 10 — больший), то смесь можно разделить на две фракции (орехи, какао-крупка и т.п.).
Сито изготавливается из нейлона или перфорированного металлического листа. Внутри сита расположен вал 4 с двумя розетками (крестовинами) 5, к которым крепятся планки-лопасти 3 (минимальный зазор 0,5...1 мм), примыкающие к ситу 2. Под загрузочным отверстием 7 на валу 4 закреплен шнек 6. Вал приводится в движение от электродвигателя 8.
Продукт, предназначенный для просеивания, поступает в отверстие 7 и шнеком 6 перемещается внутрь сита 2. Здесь он подхватывается планками-лопастями 3 и отбрасывается на сито. Частицы с меньшим диаметром, чем отверстия в сите, проходят через сито и ссыпаются в патрубки 9 и 10, не прошедшие через сито частицы выводятся через патрубок 11.
Оборудование для смешивания сырья и получения однородных масс
§ 4. Оборудование для смешивания сырья и получения однородных масс
Для приготовления рецептурных смесей, эмульсий, кремов, растворов и других кондитерских масс применяются смешивающие и взбивальные машины.
Смешивающие машины позволяют получить массу, состоящую из нескольких компонентов, которые могут находиться в различном агрегатном состоянии. Компоненты могут быть жидкими и твердыми (сыпучими). При необходимости рецептурные смеси насыщают воздухом — взбивают с помощью взбивальных машин.
Перемешивание и взбивание происходят принудительно, вследствие подвода к обрабатываемой массе извне механической энергии.
В зависимости от структурно-механических свойств исходных и конечных продуктов применяемое оборудование подразделяется на машины периодического и непрерывного действия, по конструктивным признакам — на лопастные, пропеллерные, турбинные роторные машины.
Оборудование периодического действия. Перемешивающие, месильные и взбивальные машины периодического действия имеют горизонтальный, вертикальный или совершающий сложное движение рабочий орган. Рабочим органом обычно служат один и два вала с фигурными лопастями, обеспечивающими максимальный эффект перемешивания.
Месильная машина с Z-образными лопастями. Машина (рис. 1.17,а) состоит из станины 1, месильной емкости 4, двух Z-образ-ных месильных органов 2, крышки 6, привода месильных орган и приводного механизма для опрокидывания и возврата месильной емкости. Приводной механизм месильных органов состоит из электродвигателя 13, передающего через клиноременную передачу 12 и две пары цилиндрических косозубых шестерен 10 и 11 движение месильным органам, вращающимся с одинаковой частотой.
В крышке 6 имеются отверстия 7 и 8, через которые происходит загрузка жидких и сыпучих компонентов. Последние можно загружать, подняв откидную плиту 5. Через нее можно также осуществлять контроль за процессом смешивания. Движущиеся части машины закрыты ограждениями 3 и 9. Электродвигатель 14 служит для привода поворотного механизма.

Рис. 1.17. Месильная машина с Z-образными лопастями
По окончании процесса смешивания емкость 7 (рис. 1.17,6) поворачивается на 90° вокруг оси 8 переднего месильного органа. Это происходит следующим образом. От электродвигателя 1 через ременную передачу 2 приводится в движение горизонтальный винт 4, на котором расположена гайка 5. Палец 3 входит в прорезь рычага б, жестко соединенного с емкостью 7. Горизонтальное перемещение пальца 3 вызывает вращательное движение рычага б, а следовательно, и поворот корыта.
Рецептурные компоненты поступают в месильную емкость в соответствии с заданной рецептурой. Затем включают электродвигатель, приводящий в движение Z-образные лопасти, вращающиеся с различной частотой.
По окончании смешивания выключают электродвигатель привода и включают электродвигатель опрокидывания емкости. Как только емкость повернется в положение выгрузки смеси, концевые выключатели автоматически отключат электродвигатель. Для облегчения выгрузки смеси из опрокинутой емкости в подкатную дежу или на ленточный конвейер можно включить электродвигатель привода лопастей, нажимая одновременно на две кнопки: на кнопку пуска электродвигателя привода лопастей и блокировочную кнопку. При этом лопасти будут работать только при постоянном нажатии блокировочной кнопки.
Электрическая схема смонтирована так, что при работе лопастей машины нельзя включить электродвигатель опрокидывания емкости и, наоборот, при работе электродвигателя опрокидывания емкости нельзя пустить привод лопастей. Для возвращения емкости в исходное положение необходимо нажать кнопку «Опрокидывание назад и возврат емкости». После возвращения емкости в положение «Смешивание» электродвигатель автоматически выключается. Производительность машины по тесту 570 кг/ч.
В кондитерской промышленности применяются смешивающие машины с двумя месильными лопастями Z-образной формы и полезной вместимостью от 0,05 до 0,45 м3.
Смеситель SMP-TS с вертикальным валом и измельчителем. Фирма «Бюлер» (Швейцария) разработала универсальный смеситель, предназначенный для приготовления различных кондитерских масс и полуфабрикатов: пралиновых, шоколадных и жировых глазурей, теста и пр.
Особенностью смесителя является то, что наряду с перемешиванием смеситель осуществляет измельчение компонентов, входящих в рецептурную смесь.
Смеситель (рис. 1.18) состоит из подкатной емкости (дежи) 2; колонного смесителя с электродвигателем 17; траверсы 15; вала смесителя 7 и вала измельчителя 8; гидравлического подъемника 19; станины 22 и пульта управления 21.
Подкатная дежа вместительностью 850 л крепится при помощи лент 3 с цепью 25, имеющей замок, связанный со штоком гидроцилиндра 23. Шток через цепь и ленту прижимает дежу к двум упорам 24 (второй упор расположен с обратной стороны) и таким образом приводит дежу в стационарное положение.

Рис. 1.18. Смеситель SMP-TS с вертикальным валом и измельчителем
На дежу сверху одевается крышка 9, снабженная люком 10 для загрузки компонентов. Если процесс смешивания производится под вакуумом, то на крышке устанавливают вакуумметр 11. Подъем и опускание крышки осуществляются штоками 12 и 18, связанными с гидроцилиндрами 14 и 16.
С траверсой 15 соединены полые цилиндры 13, которые входят в отверстия крышки 9. Внутри цилиндров находятся два вала 7 и 8. На валу 7 закреплен трехлопастной смеситель 4. На конце одной из лопастей шарнирно установлен скребок 5, защищающий внутреннюю боковую поверхность дежи во время работы машины. На валу 8 закреплена ножевая режущая головка, имеющая три диска 6, каждый из которых имеет три ножевых поверхности. Вал 8 вращается значительно быстрее вала 7, благодаря чему частицы, попадающие на ножевые поверхности, измельчаются.
Траверса 15 может подниматься и опускаться на гидравлической колонне 19, две штанги 20 служат для траверсы направляющими.
Смеситель работает так. Через люк 10 в установленную заранее дежу 2 подаются сыпучие и жидкие компоненты. Включается электродвигатель 17, который приводит во вращение смеситель 4 и ножевую режущую головку 6. Процесс перемешивания происходит во всем объеме дежи, так как траверса 15 поднимается и опускается на гидравлической колонне 19. Вместе с ней на величину 1180 мм перемещаются смеситель и ножевая режущая головка.
Крупные компоненты ( крупка орехов, засахаренный миндаль, нуга и др.) измельчаются и смешиваются с другими компонентами.
По окончании смешивания крышка поднимается над дежой, траверса со смесителем и ножевой режущей головкой тоже поднимаются, после чего дежа откатывается и разгружается через донное отверстие, которое открывается нажатием педали 1.
Пульт управления 21 подвешен на кронштейне для того, чтобы можно было осуществлять поворот и наклон. Пульт снабжен переключателями управления для работы смесителя в автоматическом и ручном режимах, имеет мнемосхему с индикацией неполадок и электронную систему управления, а также сенсорную клавиатуру для ввода данных. Все это позволяет программировать на месте до 20 этапов процесса на каждую рецептуру, вводя следующие настраиваемые параметры: частоту вращения вала мешалки, высоту подъема, включение и выключение автоматики подъема, включение и выключение вакуума и продолжительность процесса смешивания.
Взбивальная машина МВ-60 с вертикальным валом. Предназначена для насыщения рецептурных смесей воздухом при приготовлении сбивных начинок, кремов и т.п.
Машина (рис. 1.19) состоит из взбивального устройства, бачка с механизмом подъема и электропривода.
В литой чугунной станине 22 смонтированы привод взбивателя и механизм подъема бачка. Привод взбивателя состоит из электродвигателя 15, ременного вариатора, зубчатой передачи и планетарного механизма.
Вариатор состоит из двух шкивов с раздвижными конусными дисками, вариаторного ремня 10 и механизма регулирования. Нижний диск ведущего шкива закреплен на валу электродвигателя неподвижно, а верхний, поджатый пружиной 14, может перемещаться относительно нижнего. В ведомом шкиве верхний диск 11 непод вижно закреплен на валу 12 зубчатой передачи, а нижний может перемещаться при вращении винта с маховиком 8 механизма регулирования.

При вращении маховика против часовой стрелки частота вращения взбивателя увеличивается.
Вращение от ведомого шкива через вал-шестерню 12 и зубчатое колесо 13 передается
валу 7 планетарного механизма, ось которого совпадает с осью бачка 1. В корпусе 5 планетарного механизма размещен вал 4 взбивателя с шестерней 6. При вращении корпуса шестерня обкатывается по зубчатому колесу 16, закрепленному в корпусе 5, в результате чего взбиватель получает сложное движение: быстрое вращение вокруг своей оси и медленное вокруг оси бачка.
Вал взбивателя на выходе уплотнен самоподвижным каркасным сальником и войлочным кольцом. Сменные взбиватели 2 крепятся при помощи штифта на конце вала 4 с фигурным вырезом. В зависимости от вида взбиваемого продукта применяют один из трех прилагаемых к машине взбивателей.
На бачке устанавливается насадка 3, предотвращающая разбрызгивание взбиваемых продуктов. Бачок устанавливают на кронштейне 21, который имеет пластину 19, скользящую по вертикальным направляющим 17 станины 22 при помощи червячной пары, шестерни и рейки. Поднимают и опускают бачок вручную маховиком 18.
Бачок, насадку и взбиватель перед использованием тщательно моют горячей водой. Продукты загружают в бачок в соответствии с рецептурой. Не следует заполнять бачок до краев, так как при взбивании объем смеси увеличивается.
Бачок 1, снабженный рукоятками 20, устанавливают на кронштейн 21 и поднимают вверх до упора регулировочным маховиком 18. Нажимают на кнопку «Пуск», включают машину и устанавливают необходимую частоту вращения взбивателя. Частоту вращения регулируют только в процессе работы машины. По окончании взбивания электродвигатель выключают, опускают бачок, снимают взбиватель, насадку, а затем бачок.
Лопастной смеситель SMKN периодического действия с двумя горизонтальными лопастными валами фирмы «Бюлер» (Швейцария). Предназначен для интенсивного перемешивания, разминания и пластификации кондитерских масс (шоколадной, пралиновой и т.п.) со средней или высокой вязкостью.
Смеситель (рис. 1.20) состоит из корпуса 4, установленного на станине 10, закрытой со всех сторон ограждениями 14.
Внутри корпуса расположены два горизонтальных вала 6, на которых закреплены фигурные лопасти 5, развернутые относительно осей валов на 60°. Такое расположение, а также наличие в лопастях цилиндрических отверстий создает условия для эффективного получения однородной массы из смешиваемых компонентов, поступающих в корпус 4 через решетку 8 при открытой крышке 9. Валы вращаются в опорах 3 и приводятся в движение от электродвигателя 13 через ременную передачу 1 и специальный редуктор 2.
В смесителе массы движутся навстречу друг другу вдоль стенок корпуса. При этом лопасти разделяют смешиваемую массу на слои и направляют их в соседние зоны. Полученная однородная масса загружается через патрубок 12, который во время смешивания закрыт заслонкой.
Корпус смесителя снабжен рубашкой 7, заполненной парафиновым маслом, которое нагревается электрическими подогревателями. Конструкцией смесителя предусмотрен контроль количества загружаемой рецептурной смеси и отдельных ее компонентов, если они подаются последовательно. Для этого служат четыре встроенных датчика 11. В зависимости от вместимости единовременно можно загружать 1000...2500 кг и осуществлять 4 смешивания в час.

Рис. 1.20. Лопастный смеситель SMKN периодического действия с двумя горизонтальными лопастными валами
Перемешивающие, месильные и взбивальные машины непрерывного действия, применяемые на кондитерских фабриках, по расположению оси рабочего органа делятся на горизонтальные и вертикальные, а по конструкции перемешивающего органа — на лопастные, дисковые и роторные.
Роторный центробежный смеситель - эмульсатор Ш З Д. Предназначен для непрерывного взбивания рецептурных смесей путём интенсивного перемешивания. Применяется в станциях для приготовления жидкого теста, взбивания зефирной массы и т.д.
Смеситель состоит из корпуса с водяной рубашкой, взбивальных неподвижных статоров и взбивального ротора. Последний 7 (рис. 1.21) жестко закреплен на горизонтальном валу 2, который получает вращение от шкива 1. Жидкая смесь и воздух поступают соответственно через патрубки 4 и 3 в камеру 5, а затем в пространство между ротором 7 и двумя неподвижными статорами 9, укрепленными на стенках 8 взбивальной камеры.
На внутренней стороне каждого статора концентрическими рядами расположены зубья, а между ними - зубья ротора. Размеры зубьев подобраны таким образом, что образуется кольцевой канал извилистой формы шириной 1 мм.

Рис. 1.21. Роторный центробежный эмульсатор ШЗД
Ротор и статоры изготовлены из бронзы, внутренняя поверхность камеры - из нержавеющей стали. Насыщенная воздухом смесь выходит через отверстие 10. На выходе из взбивальной камеры установлен регулятор давления, который поддерживает в ней постоянное избыточное давление 0,05...0,09 мПа.
Для регулирования и стабилизации температуры смеси взбивальная камера 5 снабжена водяной рубашкой 11, состоящей из двух секций, в каждой из которых имеются соответственно патрубки 12 для подвода и патрубки 6 для отвода воды. Производительность роторного смесителя 75...600 кг/ч, в зависимости от назначения смесителя частота вращения варьируется в пределах 280...700 мин -1.
Контрольные вопросы
1. Какое оборудование используют для приема, хранения и транспортирования сахара-песка и какао-бобов?
2. Какое оборудование применяется для подготовки к производству фруктово-ягодного сырья?
3. Какие фракции сыпучего сырья при просеивании называются «сходом» и «проходом»?
4. Благодаря какому фактору происходит истирание сырья в валковых мельницах?
5. Как работает шариковая мельница?
6. В чем сущность воздушной классификации?
7. Что относится к рабочим органам месильной машины?
8. Благодаря каким процессам происходит взбивание кондитерской массы в роторном центробежном эмульсаторе?
Оборудование для вымешивания и формования халвы
В отличие от обычной карамельной массы, применяемой для выработки различных сортов карамели, халвичная карамельная масса содержит до 40 % редуцирующих веществ, благодаря большему содержанию в ней патоки. Вследствие этого карамельная масса получается вязкой, пластичной и не кристаллизуется при сбивании и вымешивании.
Для получения халвы с волокнистой структурой необходимо, чтобы карамельная масса, используемая для замеса, обладала высокой вязкостью, пластичностью и пористостью. Карамельная масса с такими свойствами получается путем сбивания ее с экстрактом мыльного или солодкового корня.
Во время сбивания прозрачная светло-желтая карамельная масса превращается в белую пышную массу, насыщенную пузырьками воздуха.
Аппарат для сбивания карамельной массы с экстрактом мыльного или солодкового корня изображен на рис. 7.14. Он состоит из станины, двустенного котла 1 с паровым обогревом, электродвигателя с редуктором,

Частота вращения вала мешалки 100—120 мин-1, продолжительность сбивания 15—20 мин, температура карамельной массы при этом 105—110 °С. Снижение температуры приводит к увеличению вязкости карамельной массы, а следовательно, к ухудшению пенообразования. При недостаточном сбивании масса получается грубоволокнистой, а при длительном - имеет короткие рвущиеся нити. Недостаточное введение экстракта мыльного корня приводит к тому, что масса также получается недостаточно пышной, при излишнем количестве приобретает горький вкус.
Сбитая масса выгружается из варочного котла и поступает на вымешивание.
В последнее время для сбивания карамельной массы стали применять сферический начиночный вакуум-аппарат периодического действия с мешалкой и обогреваемым выпускным патрубком.
Оборудование для вымешивания халвы. При вымешивании необходимо обеспечить равномерное распределение белковой и карамельной масс и получить однородную слоисто-волокнистую структуру. Это достигается путем вытягивания карамельной массы с образованием волокон, между которыми размещается белковая масса. Карамельная масса получает при вымешивании сильно развитую поверхность, на которой распределяется белковая масса, удерживаемая в халве преимущественно благодаря наличию твердого каркаса из волокон карамельной массы. Кроме того, белковая масса связана с карамельной массой силами поверхностного натяжения.

Халву вымешивают на модернизированных тестомесильных машинах или в бетономешалках.
Вымешивание халвы в тестомесильной машине с дежой (рис. 7.15,а) происходит в два приема. Сначала карамельная и белковая масса загружается во вращающуюся дежу 2, куда входит месильный орган 1, совершающий сложное движение, перемещаясь относительно стенок и дна дежи с зазором 3—5 мм. Длительность замеса 1—1,5 мин, температура массы в конце замеса 75 °С. После этого дежа с халвичной массой подается к дежеподъемнику, с помощью которого масса выгружается в бункер 3 тянульного механизма, имеющего рифленую поверхность 5. Угол наклона этой поверхности можно менять винтом 4, что позволяет регулировать толщину слоя халвичной массы и растягивающее усилие. В процессе движения по волнистой поверхности халвичная масса растягивается, в результате чего вытягиваются нити карамельной массы.
Вымешанная халва поступает на приемный стол 6 и по конвейеру 7 направляется на формование.
Смесительный барабан 2 модернизированной бетономешалки (рис. 7.15,б) вращается по направлению стрелки на валу 1. Внутри барабана 2, куда загружается карамельная и белковая масса, укреплены лопасти 4 с пальцами. Халва вымешивается лопастями при вращении барабана. Вымешанную массу выливают из бетономешалки, вручную, поворачивая барабан вокруг опоры 3.
Оборудование для формования халвы. Халву формуют двумя способами — делением массы или прокаткой и резкой.
Отделение от общей массы определенной порции достигается на машине с поршневым нагнетателем

Линия, формующая брикеты прокаткой, разработана проф. О.Г. Луниным и доц. М.Е. Калачевым. Линия (рис. 7.16,б) состоит из прокатных валков, охлаждающего шкафа и резательной машины. Из воронки 1 халва поступает в зазор между вращающимися валками 2 и 3. Валок 3 снабжен дисковыми ножами, благодаря которым халва из зазора выдавливается на конвейер в виде жгута 4 прямоугольного сечения. После охлаждающего шкафа 5 жгуты халвы поступают на пластинчатый конвейер 7 резательной машины. Дисковые ножи 6 совершают сложное движение: перемещаясь вместе с пластинчатым конвейером, они одновременно режут жгуты на брикеты, двигаясь перпендикулярно оси жгутов.
Затем брикеты халвы окончательно охлаждают в камере 8 и завертывают в пачки массой 200 г.Кроме того, халву фасуют в жестяные коробки, фанерные дощатые ящики, а также в короба из гофрированного картона вместимостью до 10 кг. Ящики и короба внутри застилают пергаментом. Халву фасуют при температуре 55—60 °С.
Контрольные вопросы
1. Из каких основных стадий состоит производство тахинной халвы «мокрым» и «сухим» способами?
2. Из каких основных стадий состоит производство подсолнечной халвы «мокрым» и «сухим» способами?
3. Как устроена и работает промывочная машина?
4. Как устроена и работает центрифуга типа ТВ-600?
5. На каком оборудовании сбивается карамельная масса с отваром мыльного корня?
6. Какое оборудование используется для вымешивания халвы?
7. Какие существуют способы формования изделий из халвичной массы?
Оборудование для взвешивания кондитерских изделий и оклеивания тары
Завернутые изделия (карамель, конфеты, ирис и т. п.) засыпают в ящики из гофрированного картона. Порцию взвешивают вручную или на специальных автоматических весовых дозаторах. Ящик с порцией изделий обандероливают и заклеивают вручную, или на специальной машине.
Шоколадные конфеты типа «Ассорти» укладывают в коробки с пластмассовой прокладкой (коррексом), где отштампованы углубления, профиль которых соответствует профилю конфет. Сверху конфеты также покрывают простыми (из рулона) или сложными (гофрированными, из стопы) салфетками. Для укладывания конфет в коробки применяют комплекты машин, объединенных транспортными устройствами, которые последовательно выполняют операции укладывания конфет в коробки и комплектуют их в блоки. С этой же целью используют конвейеры, которые механизируют подачу конфет для ручного укладывания их в коробки.
Кольцевой укладочный конвейер. Предназначен для механизации транспортных операций процесса укладывания конфет «Ассорти» в коробки. Конвейер (рис. 10.4) горизонтально замкнутый, на нем расположены площадки 6 для лотков 3 с конфетами и площадки 5 для пустых коробок. Конвейер движется вдоль рабочих столов 7. Работницы снимают коробки с площадок 5 и вкладывают в них изделия с лотков, движущихся на площадках 6. Бракованные изделия сбрасывают в окна 8, расположенные в столе. Заполненные конфетами коробки накрывают крышками и укладывают на ленточный конвейер 2, который передает их на окончательное оформление. Конвейеры и рабочие столы закреплены на стойках 4, закрытых снаружи ограждениями 1, внутри которых находится привод конвейеров.

Рис. 10.4. Кольцевой укладочный конвейер.
Автоматизированный участок для укладывания конфет в коробки. Предназначен для укладывания конфет «Ассорти» в коробки. Производительность линии 40 коробок в минуту.
Сначала из заготовок в специальной машине 7 формируются донышки коробок (рис. 10.5). Готовые донышки поступают на ленточный конвейер 6. с которого они направляются на скребковый конвейер, совершающий прерывистое движение.
При помощи распределительного устройства 5, работающего подобно шлагбауму, каждая коробка попадет в ячейку между двумя скребками. Продвигаясь по желобу скребкового конвейера 4, донышко коробки поступает на укладку коррексов. Эту операцию выполняет машина 8. Из магазина коррексов при помощи пневматических присосок коррекс укладывается в донышко.
Если шоколадный набор идет без коррекса, то коробка направляется в устройство 3, которое вкладывает в нее гофрированную бумажную прокладку.

Рис. 10.5. Автоматизированный участок для укладывания конфет в коробки.
Подготовленные таким образом донышки идут на заполнение конфетами, которые подаются питателями 2. Конфеты подаются с лотков в питатель вручную. Питатель представляет собой систему конвейеров, при помощи которых конфеты выстраиваются в ряды по 7...8 шт. На линии установлено три питателя. Каждый питатель доставляет к месту укладки определенный вид конфет из набора «Ассорти».

Рис. 10.6. Схема группового упаковывания в картонные футляры:
а — плиток; б — батончиков
Донышко коробки продвигается по желобу конвейера, и каждый питатель укладывает в коробочку один ряд конфет. Укладывание производится при помощи пневматических присосок. После того, как коробка пройдет последний питатель, она оказывается заполненной и поступает на отбраковку. Эта операция выполняется на автоматических весах 1. Неукомплектованные коробки сталкиваются с конвейера. Затем специальное устройство 9 вкладывает в коробку целлофановую прокладку. Если набор праздничный, то устройство 17 укладывает в коробку поздравительные этикетки. Устройство 10 укладывает специальные гофрированные бумажные салфетки, и машина 11 надевает при помощи пневматических присосок на донышко крышку. Последняя формируется из заготовок аналогично донышкам. Далее коробка проходит через прижимной ролик 12, где крышка окончательно закрывает донышко.
Коробка сходит со скребкового конвейера и поступает на повернутное устройство 13, разворачивается на угол 90° и направляется на ленточный конвейер 14, который доставляет коробку к машине 15, где коробки заворачивают в целлофан.
Готовое изделие поступает в упаковывающую машину 16, которая укладывает коробки в картонные короба, а затем их оклеивает.
На рис. 10.6 показаны схемы упаковывания шоколадных изделий в картонные футляры, которые формируют из заранее подготовленных заготовок.
Если упаковывают завернутые шоколадные плитки (рис. 10.6,а), то из положения плашмя 7 плитки укладываются на ребро 6 и плотно группируются в положение 5. Группа плиток 4 останавливается около картонной заготовки и вместе с ней проталкивается через формующую рамку. При этом заготовка плотно облегает группу изделий с трех сторон 3. Затем закрывается картоном четвертая сторона 2 заготовки. Далее подгибаются короткие клапаны с пятой и шестой сторон футляра, а затем закрываются и оклеиваются длинные клапаны 1 по этим же сторонам.
На рис. 10.6,б показана схема упаковывания шоколадных изделий типа батончики. В этом случае батончики 7 плотно сдвигаются в положение 6, от них отделяется группа изделий 5, порции штабелируются, а штабель 4 устанавливается около картонной заготовки. Дальнейшие операции аналогичны ранее описанным (см. рис. 10.6, а).
Автоматический весовой дозатор ГОМ-2. Предназначен для взвешивания готовой завернутой карамели порциями по 7,5 кг, которые затем высыпаются в картонные ящики.
Дозатор ГОМ-2 представляет собой двухчашечные весы с ручным взвешиванием. Весовой дозатор (рис. 10.7) состоит из питающих ленточных транспортеров для грубого и точного взвешивания, чаш верхних и

Процесс взвешивания порции карамели делится на предварительное (на 500-800 г меньше полной массы) и точное взвешивание. Предварительное взвешивание осуществляется весовым устройством в чаше 5, окончательное — в чаше 1.
Изделия со сборочного транспортера 12 по лотку 11 поступают на транспортеры 6 и 8. Ширина транспортера 8 составляет четвертую часть ширины транспортера 6, движение его постоянно.
На первом этапе взвешивания все изделия с транспортера 8 направляются на транспортер 6 заслонкой 9, получающей движение от электромагнита 10, т. е. весь поток карамели движется в чашу 5. Изделия будут поступать в чашу до тех пор, пока их масса не уравновесит массу гирь, установленных на гиредержателе 17.
Чаша и гиредержатель через призмы подвешены на плечах коромысла 18, опирающегося на призму 23. При уравновешивании коромысла магнитное поле постоянного магнита 15 воздействует на магнитоуправляемый контакт 16, замыкая его. Через контакт 16 сигнал подается в электропульт весов, откуда поступает сигнал управления на электромагнитный механизм 13, воздействующий на кулачковую муфту 14. Через муфту 14 приводится в движение барабан транспортера 6. Сигналом управления муфта отключается, транспортер 6 останавливается и, следовательно, прекращается поступление карамели в чашу 5. На этом взвешивание заканчивается.
Затем если чаша 1 пустая и на гиредержателе 21 установлены гири, подается сигнал на электромагнитный механизм 4, который раскрывает створки 3 дна чаши 5, и карамель пересыпается в предварительно приподнятую над призмой электромагнитным механизмом 28 чашу 1.
По мере заполнения чаши 1 карамелью коромысло 22 поворачивается на призме 27 и магнитное поле постоянного магнита 19 прекращает свое воздействие на магнитоуправляемый контакт 20. Вследствие этого снимается сигнал управления с электромагнитного механизма 4 и створки 3 под действием грузов 26 закрываются и фиксируются защелками.
Через 2 с после перегрузки карамели из чаши 5 в чашу 1 подается сигнал на электромагнитные механизмы 10, 13 и 28. При этом муфта 14 включает транспортер 6, который начинает подавать новую порцию карамели в чашу 5; заслонка 9 поворачивается параллельно движению ленты транспортера 8, с которого единичные изделия по желобу 7 ссыпаются в чашу 1, минуя заслонку 25; электромагнитный механизм 28 опускает чашу 1.
Благодаря тому, что поток изделий с транспортера 8 невелик, создаются условия для более точного, чем в верхней чаше 5, контроля за моментом уравновешивания коромысла 22.
В момент достижения заданной массы порции изделий подается управляющий сигнал на электромагнитный механизм 10 и заслонка 9, повернувшись, снова отклоняет поток изделий с транспортера 8 на транспортер 6. Сигнал подается также на электромагнитный механизм 24, который заслонкой 25 перекрывает проход по желобу 7. На этом заканчивается второй этап взвешивания.
Теперь необходимо выгрузить изделия из нижней чаши 1 в картонный ящик 29, установленный на цепном транспортере 30. Транспортер снабжен двумя гонками-упорами 32. Если ящик установлен и гонок уперся в него, то поступает сигнал на электромагнитный механизм 2, створки днища чаши 1 открываются и порция высыпается в ящик. После этого створки закрываются и фиксируются защелками, чаша 1 через 1 с арретируется (приподнимается над призмой весов) механизмом 28, цикл заполнения нижней чаши 1 повторяется.
Гонком цепного транспортера 30 заполненный ящик перемещается на платформенные весы 31 для контрольного взвешивания. После этого транспортер 30 останавливается и фиксируется тормозом.
На дозаторе можно проводить 8 отвесов в минуту, по 7,5 кг каждый.
Оклеивающая машина ОМ. Предназначена для закрывания и приклейки клапанов ящиков из гофрированного картона, наполненных кондитерскими изделиями, с последующей оклейкой ящиков контрольной лентой-бандеролью.
Машина (рис. 10.8, а) состоит из рамы 1; привода с электродвигателем 16; цепного транспортера 2; неподвижных 5, 8 и подпружиненных 7 направляющих; клеевой ванны 6 с механизмом намазки клеем клапанов картонного ящика с подгибателем клеевого и прижимного устройства для обандероливания, состоящего из прокатывающего ролика 13, толкателя 12 механизма 10 раскрывания и закрывания подающих щипцов 9, держателя бобины гуммированной ленты, водяной ванны, смачивающей ленту, ножниц и роликов 11 и 14; прижимных щеток 15, конечного выключателя 3 и электромагнита 4, управляющих работой толкателя 13 и щипцов 9.

Рис. 10.8. Машина для упаковывания и вклеивания картонных ящиков с кондитерскими изделиями:
а — общий вид; б — технологическая схема
Технологическая схема полуавтомата приведена на рис. Х.8, б. Наполненный продуктом ящик с раскрытыми боковыми и торцевыми клапанами устанавливается на приемную часть (поз. 1), а затем перемещается цепным транспортером с толкателями. Боковые клапаны в начале перемещения ящика удерживаются в открытом положении неподвижными направляющими (поз. 2), торцевые же клапаны с помощью подгибателя и направляющей закрываются (поз. 4), а с помощью неподвижной направляющей (поз. 5) и подпружиненной направляющей или ролика (поз. 6) боковые клапаны закрываются и приклеиваются. После этого щипцы захватывают конец гуммированной ленты и поднимает ее, разматывая с рулона (поз. 7). При этом лента, проходящая через ванну с горячей водой, смачивается. При подходе ящика к ленте щипцы вместе с лентой начинают опускаться: лента по мере продвижения ящика приклеивается на торцевую, верхнюю и нижнюю стороны. Затем щипцы открываются и ножницы отрезают ленту (поз. 9). В конце ящик проходит мимо прижимных щеток, обеспечивающих плотное, без воздушных прослоек прилегание ленты к ящику.
Кроме описанных выше машин для завертывания карамели и конфет на кондитерских фабриках применяются также другие виды машин для завертывания некоторых сортов конфет и шоколадных изделий: для завертывания шоколадных трюфелей и конфет куполообразной формы в бантик, для завертывания конфет только в фольгу с оклейкой бумажной бандеролью, для штампования и завертывания шоколадных медалей, для завертывания шоколадных плиток, батонов, зефира и пастилы, брикетов халвы и т. д. Сведения об этих машинах можно найти в специальной литературе.
Контрольные вопросы
1. Какие кондитерские изделия фасуют в коробки и пакеты?
2. Как устроены и работают фасовочные машины с одним и тремя операционными роторами?
3. Каким образом в машине ДА-2РС из ленты целлофана формируется труба?
4. Для чего предназначен кольцевой укладочный конвейер?
5. Какие операции проводят при укладке конфет типа «Ассорти» в коробки?
6. Как устроен и работает весовой дозатор ГОМ-2?
7. Какие операции проводят при склеивании ящиков из гофрированного картона?
Оборудование общего назначения
Часть I. ОБОРУДОВАНИЕ ОБЩЕГО НАЗНАЧЕНИЯ
ГЛАВА 1. ПРИЕМ, ХРАНЕНИЕ И ПОДГОТОВКА СЫРЬЯ К ПЕРЕРАБОТКЕ
Основным сырьем кондитерского производства являются сахар-песок, мука, какао-бобы, жиры, молоко (сгущенное, сухое), сухие сливки, орехи, ароматизирующие и красящие вещества. Сырье поступает на предприятие железнодорожным или автомобильным транспортом тарным (в мешках, ящиках, картонных коробках, бочках, банках) или бестарным способом. Наибольшее количество сырья в грузопотоке приходится на сахар-песок, муку и какао-бобы, которые в последние годы начали перевозить и хранить бестарным способом. Применение бестарной перевозки и хранения сырья позволяют комплексно механизировать многочисленные погрузочно-разгрузочные и транспортные операции по его доставке и внутри-фабричному транспортированию.
При бестарном приеме и хранении сыпучего сырья применяется пневмотранспортирование. Для этого склады бестарного хранения снабжают необходимым оборудованием для приема сырья, подачи его в смеси с воздухом в материалопровод (питатели); емкостями для хранения сырья; фильтрами и генераторами сжатого воздуха.
При механическом транспортировании сыпучего сырья россыпью применяют шнековые, скребковые конвейеры и ковшовые элеваторы. Тарные грузы транспортируют ленточными конвейерами, гравитационными спусками и погрузчиками.
Склады для приема, хранения и транспортирования сырья оборудуют также вспомогательным оборудованием: пылесосами, мешкоочистителями и др.
При бестарном хранении сырье направляют в силосы, которые в зависимости от их назначения делятся: на складские силосы для хранения больших количеств, приемораздаточные (проходные) силосы, устанавливаемые на предприятиях для приема и кратковременного хранения в них двух- трех- сменного запаса, и внутрицеховые силосы, которые служат промежуточными емкостями.
Для создания нормальных условий хранения силосные склады снабжают системами для притока свежего воздуха и вентилирования сырья.
Отсадочная машина шок со шнековым нагнетателем для формования конфет куполообразной формы
Нагнетатель такого типа может применяться для выпрессовывания конфетного пласта на размазном конвейере взамен кареток. В этом случае матрица должна иметь не ряд каналов, а одну щель, ширина которой должна быть равна толщине пласта.
Отсадочная машина ШОК со шнековым нагнетателем. Предназначена для формования конфет куполообразной формы («Трюфели», «Красная Москва» и др.) отсадкой. Конфетные массы, предназначенные для производства таких конфет, обладают большой текучестью.
Машина (рис. 4.16) состоит из приемной воронки, камеры нагнетания с четырьмя шнеками, предматричной камеры с отсекателем и насадками, привода рабочих органов и станины 15.
Формуемая масса поступает в воронку 11 машины и в камере нагнетания б распределяется по четырем шнекам 10. Для термостатирования конфетной массы камера нагнетания снабжена водяной рубашкой. Шнеки получают вращение от главного распределительного вала 1, цепной передачи с ведущей звездочкой 2, горизонтального вала 8, конической передачи 9 и зубчатых передач 7.
Шнеки непрерывно нагнетают конфетную массу в предматричную камеру 12, на дне которой расположена матрица с двенадцатью отверстиями, снабженными насадками 13. Отверстия перекрываются подвижной планкой 5 с таким же количеством отверстий. Планка получает возвратно-поступательное движение от главного вала 1, через кривошипно-шатунный механизм 3 и кулачок 4. Во время движения планки ее отверстия совпадают с отверстиями в матрице и формуемая конфетная масса из предматричной камеры поступает на конвейерную ленту 14, которая в этот момент останавливается. Периодическое движение лента 14 получает от храпового механизма.
В начале процесса отсадки конфет остановившаяся лента перемещается в вертикальном направлении подъемным столиком, который приводится в движение от рычажного механизма 16. Затем столик резко опускается и прилипшие к ленте изделия отрываются от формующих насадок матрицы. После этого конвейер направляет ряд конфет в следующую позицию.
Рассмотренная машина не обеспечивает стабильной массы каждого изделия в ряду и в соседних рядах.
Это объясняется неравномерностью истечения массы из разных отверстий матрицы вследствие неравномерного распределения давления в общей предматричной камере, сочетания непрерывной работы нагнетательных шнеков с периодической работой отсекателя, что вызывает повышение давления в массе в тот момент, когда формующие отверстия матрицы перекрыты.
Для устранения перечисленных недостатков в предматричную камеру машины монтируют устройство, которое состоит из двенадцати цилиндров (по числу отверстий), снабженных поршнями. Формуемая масса заполняет цилиндр, объем которого соответствует предусмотренной рецептуре массе изделия, а в момент совпадения отверстий отсекающей планки и матрицы поршни выталкивают отмеренную порцию через насадки на ленту транспортера. Привод цилиндров и поршней осуществляется от главного вала машины кулачково-рычажным механизмом. Машина производит 18 отсадок в 1 мин, т.е. ее производительность равна 216 шт./мин. Установленная мощность электродвигателя 1,1 кВт, габаритные размеры машины 1500x700x340 мм.
Отсадочная машина с шестеренно-роторным нагнетателем. Предназначена для отсадки конфет «Сливочная помадка».
Машина (рис. 4.17,а) состоит из станины 1 сварной конструкции, нагнетательной головки 3 с приемной воронкой 5; подъемно-опускного столика 2 (закрыт ограждением), магазина 4 для поддонов, цепного конвейера 6 периодического действия и привода.

Рис. 4.17. Отсадочная машина с шестеренно-роторным нагнетателем:
а — общий вид; б — принципиальная схема
Магазин (рис. 4.17,6) состоит из четырех, установленных на станине, стоек 3, в пространство между которыми закладывается стопка поддонов 4. Нагнетательная головка состоит из загрузочной воронки 8, корпуса 6, полость 5 которого заполняется темперирующей водой; пары рифленых незацепляющихся валков 7 и 9, выполняющих роль питателя; пары зацепляющихся зубчатых роторов 10 -дозирующего и нагнетающего органа, сменной матрицы 11. Цапфы валков соединены с цапфами роторов зубчатыми передачами. Валки и роторы приводятся в реверсивное (прямой и обратный ход) вращательное движение от кривошипно-коромыслового и храпового механизмов.
Резательная машина с дисковыми ножами. Предназначена для резки конфетных пластов. Машина (рис. 4.18,а) состоит из стола со станиной, привода и режущих механизмов в виде набора дисковых ножей, расположенных друг от друга на определенном расстоянии: один набор ножей по ширине конфеты — для продольной резки, другой по ее длине — для поперечной резки. В машинах одного типа наборы ножей устанавливаются параллельно друг другу (рис. 4.18,б), в машинах другого типа — перпендикулярно (рис 4.18,в).

Рис. 4.18. Машина с дисковыми ножами для резки конфетных пластов:
а — схема, б, в — параллельное и перпендикулярное расположение ножей в машине
Пласт конфетной массы, уложенный на фанерный или металлический лист, продвигается вручную под ножи, сначала для продольной, а затем для поперечной резки. Поперечная резка осуществляется или перемещением нарезанных полос под дисковые ножи, расположенные под углом 180°, с поворотом пласта, или перемещением под ножи, установленные под углом 90° к первым (см. рис 4.18,в).
Ножи разрезают пласт не до конца, оставляя неразрезанными примерно 0,5 мм толщины слоя. Ножи 1 (см. рис. 4.18,а), изготовляемые из листовой инструментальной стали толщиной до 1 мм, монтируют на стальной скалке 3 между текстолитовыми или стальными втулками 2. Размеры отрезаемых полос, соответствующих ширине или длине конфеты можно изменять сменой втулок. Валик 5 способствует равномерному продвижению листа с пластом.
Если масса будет прилипать к ножам, последние могут захватить нарезанные полосы и оторвать их со стола. Гребенка 4, расположенная над поверхностью пласта, препятствует подъему нарезанных полос, отрывая их от ножей.

Рис. 4.19. Машина с гильотинным ножом для резки конфетных жгутов:
а — общий вид, б — кинематическая схема
Движение режущих механизмов осуществляется от электродвигателя через редуктор и цепную передачу.
Резательная машина с гильотинным ножом. Предназначена для резки конфетных жгутов.
Машина (рис. 4 19,а) состоит из станины 7, ножа 4 гильотинного типа, механизмов поперечного и продольного перемещения ножа и привода.
Конфетные жгуты 2 перемещаются конвейером 1 из охлаждающей камеры под нож 4, закрытый сверху ограждением 3. Нож одновременно перерезает все жгуты, отделяя от них корпуса конфет 5, которые собираются в лотке 6. Отсюда конфеты поступают на конвейер для глазирования или на завертывание.
Гильотинный нож совершает сложное движение, обусловленное непрерывным движением жгутов. При этом необходимо, чтобы нож не только перерезал жгуты (поперечное перемещение), но и в момент разрезания имел горизонтальную скорость, равную скорости движущихся жгутов. Поэтому нож приводится в движение от двух механизмов: поперечного и продольного перемещения.
Кулачковый вал 8 приводится во вращение от электродвигателя 16 (рис. 4.19,б) через цепную передачу 15 и зубчатую пару 13. Кулачок 9, воздействуя на ролик 10, поворачивает рычаг 3, который через траверсу 14 и два штока 12 перемещает нож в вертикальном направлении. Кулачок 7, воздействуя на ролик 6, установленный на штуцере 5, поворачивает рычаг-коромысло 1, которое через два рычага 4 перемещает нож 11 в горизонтальном направлении. Коромысло 1 снабжено кулисным механизмом для регулирования продольного размера отрезаемых конфет. Для этого проворачивают маховик 2. При этом изменяется размах качания коромысла 1, а следовательно, и величина горизонтального перемещения ножа и продольный размер конфеты.
Производительность машины с гильотинным ножом определяется производительностью формующей машины линии, а длина ножа зависит от ширины лены конвейера, подающего жгуты
Резательная машина непрерывного действия комбинированного типа. Предназначена для поточной линии производства многослойных конфет.
Машина (рис. 4.20) состоит из ленточного конвейера 2, механизмов продольной резки 3 с дисковыми ножами, поперечной резки 4 с ножом гильотинного типа и приводных механизмов, смонтированных на станине 1.
Лента конвейера получает движение от ведущего барабана 9 и движется с постоянной скоростью.
Дисковые ножи продольной резки установлены в шахматном порядке, вращаются на двух параллельных скалках.
Нож поперечной резки крепится на траверсе 5, которая закреплена на двух штоках 6, совершающих возвратно-поступательное движение по вертикали от двух качающихся рычагов 10. Качание рычагов осуществляется кулачком 15. Нож совершает около 50 ходов в минуту. Штоки движутся в направляющих, закрепленных в общей каретке, которая может передвигаться по горизонтальным направляющим 7.
Возвратно-поступательное движение каретки вдоль машины осуществляется качающимся коромыслом 8, которое получает движение от кулачка 12 через тягу 13. Кулачки спрофилированы таким образом, что во время опускания ножа вниз (резание) каретка с ножом движется вперед со скоростью конвейера. После того как нож, поднимаясь вверх, выйдет из толщи конфетного пласта, каретка получает движение назад и нож при новом опускании встретит следующую полосу конфетного пласта.

Рис. 4.20. Резательная машина непрерывного действия комбинированного типа
Коромысло 8 снабжено кулисным механизмом для регулирования продольного размера отрезаемых конфет. Вращением маховика 14 шарнир 11 передвигается вдоль оси коромысла. При этом меняется размах качания коромысла, а следовательно, и величина хода каретки в продольном направлении и продольный размер конфеты.
Достоинство описанной машины в том, что в ней пласт режется на изделия без поворота на 90°, как это имеет место в машинах с дисковыми ножами, и ее конвейер движется непрерывно, что позволяет использовать машину в поточных линиях.
Струнные машины для резки пластов. Такие машины применяются преимущественно для резки пластов пралиновых конфетных масс с вафельными прослойками при изготовлении корпусов конфет типа «Мишка косолапый», «Красная шапочка» и т.п. Наибольшее применение эти машины получили для резки вафельных пластов при производстве вафель с начинками.
Производство халвы
ГЛАВА 7. ПРОИЗВОДСТВО ХАЛВЫ
Халву получают смешиванием измельченных обжаренных ядер масличных семян и карамельной массы, сбитой с пенообразующим веществом. В процессе смешивания должно произойти образование нитей карамельной массы и равномерное распределение между ними белковой массы. В результате этого смесь приобретает слоисто-волокнистую структуру, которая является отличительной особенностью халвы как кондитерского изделия.
Название халвы зависит от вида маслосодержащих ядер или семян, из которых она изготовлена: подсолнечная, арахисовая, соевая и т. п. Халва, полученная из кунжута, называется тахинной. Точно также называется и белковая масса, полученных из ядер кунжута.
Процесс приготовления халвы состоит из следующих стадий:
приготовления белковой массы;
приготовления сахарного сиропа и уваривания его до получения карамельной массы;
приготовления отвара мыльного корня;
сбивания карамельной массы с отваром мыльного корня;
вымешивания халвы;
формования, фасования и упаковывания халвы.
В зависимости от вида масличных семян, используемых при получении халвы, применяется разнообразное оборудование, в котором осуществляются технологические процессы подготовки сырья к производству (очистка, отделение оболочки, обжаривание), приготовления халвичных масс (измельчение, взбивание, уваривание, вымешивание), формования изделий. Конструкции многих машин и аппаратов описан в ч. I, некоторые из них будут описаны ниже.
Производство карамели и драже
Карамельные изделия составляют около 20...22 % всей выработки кондитерской продукции в стране.
Основное сырье для производства карамели и драже - это сахар, патока и различные фруктово-ягодные заготовки. Кроме фруктовых масс при изготовлении карамели различного ассортимента для начинок применяются помадные, орехово-шоколадные, ликерные, молочные, сбивные и другие кондитерские массы.
Карамель изготовляют путем уваривания предварительно приготовленного сахаро-паточного карамельного сиропа влажностью 15...16 % в карамельную массу влажностью 1,5...2,5 % и последующего формования охлажденной и обработанной карамельной массы. Отформованную карамель затем охлаждают до 40...45°С, завертывают или фасуют в пачки и упаковывают в торговую тару.
Ассортимент карамели делится на две основные группы: карамель с начинками, составляющая примерно 90 %, и леденцовая карамель — без начинки. Карамель с начинками выпускается завернутой и открытой (без обертки), фасованной.
Открытую карамель, изготовляемую обычно в форме мелкой «подушечки», «шарика» и т.п., для увеличения сроков хранения и слипания глянцуют, нанося на поверхность карамели тонкий воско-жировой слой (глянец), и покрывают защитным слоем сахара-песка, какао-порошка и т.п. (обсыпка, дражирование, кондирование). Глянцованную карамель фасуют в картонные коробки (пачки) или в целлофановые пакеты.
Леденцовую карамель выпускают в форме параллелепипеда (с двумя прямоугольными или квадратными гранями) с поштучной заверткой («Театральная», «Дюшес», «Барбарис», «Мятная» и т.п.), в виде карамельных таблеток, завернутых в тюбики, в виде штампованных фигурок (монпансье), расфасованных преимущественно в жесткие коробки.
На кондитерских предприятиях в зависимости от ассортимента применяют следующие разновидности поточных линий производства карамели:
полумеханизированные поточные линии производства различных сортов карамели;
механизированные поточные линии производства завернутой карамели с начинкой (фруктово-ягодной, переслоенной и др.);
механизированные поточные линии производства открытой глянцованной (или обсыпной) карамели с начинкой (с последующей фасовкой);
автоматизированные поточные линии производства леденцовой завернутой карамели.
Кроме перечисленных поточных линий применяется специальное оборудование для производства широкого ассортимента карамельных изделий.
Кондитерские фабрики выпускают также большой ассортимент драже (драже сахарное и шоколадное, драже с неровной поверхностью и драже с хрустящей корочкой).
Процесс производства драже состоит из приготовления корпусов драже, дражирования и глянцевания, фасования и упаковывания.
Производство конфет и ириса
ГЛАВА 4. ПРОИЗВОДСТВО КОНФЕТ И ИРИСА
В общем объеме производства кондитерских изделий конфеты и ирис занимают 25%.
Конфеты и ирис — это кондитерские изделия преимущественно мягкой консистенции, изготовляемые на сахарной основе. Ассортимент этих изделий весьма разнообразен; в него входят следующие основные группы изделий:
конфеты, глазированные шоколадной глазурью, с помадными, помадно-молочными, фруктово-желейными, ликерными, сбивными, пралиновыми на ореховой основе и другими корпусами; при этом корпуса конфет могут быть изготовлены из одной или нескольких масс, иногда переслоенных вафлями;
конфеты неглазированные молочные, помадные, помадно-желейные двух- и трехслойные, пралиновые типа батончиков и пр.;
ирис (сливочный, молочный): твердый тираженный с частично закристаллизованной массой и полутвердый — литой с аморфной структурой.
Основным сырьем и полуфабрикатами для производства конфет и ириса являются сахар, патока, сгущенное молоко, фруктово-ягодные заготовки, орехи и другие жиросодержащие ядра.
Производство конфет состоит в основном из следующих стадий: приготовления конфетных масс, формования корпусов конфет, глазирования корпусов, завертывания и упаковывания.
Различают следующие способы формования корпусов конфет и ириса:
отливка жидких конфетных масс в ячейки форм из кукурузного крахмала с последующей выстойкой отлитых корпусов конфет в этих же формах;
изготовление однослойных или многослойных пластов из различных густых кондитерских масс путем размазывания или прокатки пласта с последующей выстойкой и резкой на отдельные изделия или корпуса конфет;
выпрессовывание конфетных, главным образом, жирных пралиновых масс через отверстия матриц в виде непрерывных жгутов круглого или прямоугольного сечения с последующим охлаждением и резкой жгутов на отдельные изделия или корпуса для глазирования;
отсадка конфетных масс через отверстия матриц различных очертаний с получением конфет куполообразной или шаровидной формы;
непрерывное вытягивание жгута ирисной массы, прокатка его в рифленых роликах с получением прямоугольного сечения и резка на отдельные изделия.
В зависимости от требуемого ассортимента, принятой технологии, мощности и степени механизации предприятий на кондитерских фабриках для производства конфет и ириса могут быть использованы следующие разновидности поточных линий:
для производства отливных глазированных конфет — механизированные поточные линии с ускоренной выстойкой корпусов и автоматическим или полуавтоматическим завертыванием конфет;
для производства многослойных конфет — механизированные поточные линии с валковыми формующими механизмами или полумеханизированные линии с размазными каретками;
для производства пралиновых конфет — механизированные или полумеханизированные линии с формованием масс выпрессовыванием;
для производства ириса — механизированные линии производства завернутого ириса с агрегатом для непрерывного уваривания и охлаждения ирисных масс.
Наряду с этим применяется также различное оборудование для полумеханизированного производства некоторых видов конфет, в том числе десертных сортов.
Производство мармелада и пастилы
В кондитерской промышленности выработка мармеладо-пастильных изделий занимает сравнительно небольшой объем. Сырьем для их изготовления служат фруктово-ягодные заготовки и сахар. Фрукты и ягоды в этом производстве используются главным образом в консервированном виде (в виде пульпы или пюре). Пульпу превращают в фруктово-ягодное пюре.
В технологическом процессе изготовления мармелада и пастилы большую роль играют процессы студнеобразования. Яблочное пюре содержит пектин, являющийся хорошим студнеобразователем.
В производстве желейного мармелада в качестве студнеобразующих компонентов применяют агар и агароид, получаемые из морских водорослей, а также яблочный, свекловичный и цитрусовый пектин.
Кондитерская промышленность выпускает следующие виды мармеладо-пастильных изделий.
1. Фруктово-ягодный мармелад:
формовой — изготавливают в виде отдельных изделий различной конфигурации отливкой мармеладной массы в жесткие формы;
резной — изготавливают разрезанием мармеладного пласта на отдельные брусочки;
пластовой — получают заливкой мармеладной массы в ящики, застланные пергаментом, или в жестяные и картонные коробки;
фруктовые паты — вырабатывают из абрикосового, кизилового, сливового и других видов пюре отливкой уваренной массы в сахар или сахарную пудру.
2. Желейный мармелад:
формовой — изготавливают в виде отдельных изделий различной конфигурации отливкой мармеладной массы в жесткие формы;
трехслойный — вырабатывают разрезанием трехслойного мармеладного пласта на отдельные брусочки прямоугольной формы. Верхний и нижний слои пласта получают из мармеладной массы, средний - из желе, взбитого на белках;
лимонные и апельсиновые дольки — изготавливают в форме полукруглых ломтиков лимона и апельсина разрезанием полуцилиндрических мармеладных батонов с корочкой на отдельные дольки;
3. Пастильные изделия:
резная пастила — выпускают в виде изделий прямоугольной формы, получаемых разрезанием пастильного пласта;
зефир — отливная клеевая пастила — выпускают в виде изделий шарообразной или овальной формы, формуемых отсадкой половинок с последующим их склеиванием;
Резную пастилу после формования подвергают сушке в сушилках. Зефир после формования выстаивается в помещении цеха или в специальных камерах.
Перечисленные мармеладо-пастильные изделия получают на полумеханизированных и механизированных поточных линиях. Каждая из линий производства мармеладо-пастильных изделий обычно состоит из следующих групп оборудования:
технологических комплексов для приготовления рецептурных смесей (фруктовых смесей и сахаро-паточно-агаровых сиропов);
оборудования для формирования заготовок изделий (отливки мармеладных изделий, пластов мармелада, пастилы, отсадки заготовок зефира и т.п.), их выстойки, сушки и охлаждения;
оборудования для отделки (обсыпки сахаром, опудривания), фасования или укладки изделий в торговую тару.
Производство шоколада
ГЛАВА 5. ПРОИЗВОДСТВО ШОКОЛАДА
Основным сырьем для получения шоколадных изделий являются какао-бобы, импортируемые из стран Африки и Южной Америки, и сахар. В России вырабатывают шоколадные изделия следующих видов: плиточный шоколад с массой плиток от 4 до 300 г; шоколадные изделия с начинками в виде батончиков, рожков, конфет «Ассорти» и др.; узорчатый шоколад в виде мелких пластинок различной конфигурации; пустотелые фигурные шоколадные изделия; шоколадные медали; пористый шоколад.
В зависимости от способа обработки шоколад делят на десертный, обыкновенный и пористый.
В качестве добавок используют молоко и молочные продукты, обжаренные (дробленые или тертые) ореховые ядра (миндаль, фундук, кешью и арахис), кофе жареный, молотый или в виде пасты, вафли в виде крупки, измельченные кукурузные хлопья, фрукты (цукаты, цедра, сухофрукты), грильяж и специальные добавки (измельченный орех, витамины).
При получении шоколада применяют следующие начинки: помадно-фруктовую, ореховую, арахисовую, шоколадную, фруктово-мармеладную, шоколадно-кремовую, помадно-шоколадную, помадно-сливочную, пралине с вафлями и без вафель.
В процессе производства шоколада получают какао-жмых, из которого затем изготавливают какао-порошок.
Сушилки для мармелада и пастилы
§ 4. Сушилки для мармелада и пастилы
Наиболее распространенный способ удаления влаги из материалов — сушка. В процессе сушки к высушиваемому материалу подводится теплота, под воздействием которой происходит испарение влаги поверхности материала. Для подвода теплоты и удаления испаряемой влаги применяются различные сушильные агенты: воздух, перегретый пар и т. д. Сушильные агенты, отдавая теплоту на испарение влаги, охлаждаются. Кроме того, они воспринимают влагу, испаряющуюся с поверхности материала, увлажняются и уносят влагу из сушилки.
В результате испарения влаги поверхность материала подсушивается, концентрация влаги в поверхностном слое падает и создается разность концентраций влаги (градиент влажности) в различных точках материала. Под воздействием этой разности концентраций влага перемещается (мигрирует) от центра материала к его периферийным слоям, омываемым сушильным агентом.
Однако, кроме влагопроводности в материале наблюдается явление термовлагопроводности, которое заключается в перемещении влаги под влиянием температурного градиента по направлению потока теплоты. Так как тепловой поток направлен от периферии к центру, то и перемещение влаги под действием температурного градиента происходит также к центру. Следовательно, суммарное количество влаги, перемещенное при наличии обоих градиентов от центра к периферии, равно разности между количеством влаги, перемещенной под действием градиента влажности от центра, и количеством влаги, перешедшей к центру под действием градиента температур.

На небольших предприятиях мармелад и пастилу сушат в камерных сушилках тупикового типа, а на предприятиях большой мощности — в туннельных конвейерных сушилках.
Туннельная конвейерная сушилка для пастилы состоит из камеры, в которой на уровне пола расположен тяговый цепной конвейер с упорами-толкателями, и системы подогрева и циркуляции воздуха.
Туннель сушилки разделен на два участка: сушку и охлаждение. Участок сушки состоит из девяти камер-секций, участок охлаждения — из двух секций. Первую зону участка сушки занимают две секции, вторую зону — четыре секции и третью зону — три секции.
Каждая секция сушилки (рис. 6.12) снабжена индивидуальными калориферно-вентиляционными установками, смонтированными на верхнем перекрытии. Установка состоит из двух пластинчатых калориферов 2 и одного осевого вентилятора 1, создающих в камере поперечные потоки горячего воздуха. Для достижения равномерной сушки изделий диффузоры 4 снабжены направляющими 3 для воздуха, обеспечивающими равномерный поток.
Вагонетка 8 с изделиями, установленные в камере сушилки, попадают под воздействие поперечных потоков горячего воздуха, поступающего от калориферно-вентиляционных установок через диффузоры 4. Проходя через зазоры между решетками, горячий воздух отбирает влагу от изделий и тем же вентилятором выводится через противоположный диффузор 7 для повторного использования с частичным добавлением к нему свежего воздуха. По мере продвижения вагонеток вдоль туннеля направление потока воздуха меняется, что обеспечивает более равномерную сушку изделий.
Вагонетки перемещаются вдоль тоннеля цепным конвейером 5, совершающим периодическое движение. На цепи закреплены упоры-толкатели вагонеток, которые двигаются по рельсовому пути 6. Для возврата освободившихся вагонеток к месту загрузки изделий с внешней стороны камеры проложен другой рельсовый путь с тяговой цепью.
Поворот вагонеток на участках их загрузки и разгрузки производится при помощи поворотных кругов, вмонтированных в пол.
В настоящее время разработана шахтная сушилка А2-ШЛЖ-4 для сушки яблочного и желейного мармелада, уложенного в лотки. Принципиальная схема сушилки показана на рис. 6.1 (поз. 25-31).
Контрольные вопросы
1. Из каких основных стадий складывается производство мармелада и пастилы?
2. Как устроен и работает мармеладоотливочный агрегат ШФ1-М6?
3. Из каких основных сборочных единиц состоит агрегат для производства мармелада типа лимонных и апельсиновых долек?
4. Как устроен и работает трехкамерный взбивальный агрегат К-18?
5. Как устроен механизм для поперечной резки пастилы?
6. С помощью каких механизмов происходит отсадка порции зефира с завитой рифленой поверхностью?
7. Как устроена тунельная сушилка для пастилы?
Технологические комплексы для приготовления сиропов и уваривания кондитерских масс
Описанные выше теплообменные аппараты и их вспомогательное оборудование обычно объединяют в технологические комплексы. На кондитерских фабриках эксплуатируют комплексы для приготовления сиропов и начинок, карамелеварочные комплексы; в цехах небольшой производительности используются универсальные вакуум-варочные комплексы.
Сироповарочные комплексы. В зависимости от принятой технологии и имеющегося оборудования для приготовления карамельного сахаро-паточного сиропа сироповарочные комплексы бывают с предварительным растворением сахара в воде при атмосферном давлении и последующим добавлением патоки (или инвертного сиропа) и с растворением сахара в патоке при повышенном давлении воды в небольших количествах.
На фабриках устанавливают агрегатированные сироповарочные комплексы различных типов и производительности периодического или непрерывного действия, при этом обычно один общефабричный сироповарочный комплекс обслуживает несколько поточных линий по производству карамели, а также другие виды производства, потребляющие сироп.
На сироповарочном комплексе ШСА-1 сахар растворяют в патоке под давлением с добавлением воды в небольших количествах. Комплекс имеет наиболее короткий производственный цикл, что позволяет получать сироп более высокого качества и увеличивает срок хранения карамели.
Комплекс ШСА-1 (рис. 2. 13,а) состоит из устройства для подготовки сахара-песка и аппарата для приготовления сиропа, причем последний в зависимости от производительности комплекса может состоять из двух и более агрегатов производительностью 2 или 4 т сиропа в час каждый.
В состав комплекса входит следующее оборудование: рецептурные сборники 1 для патоки, инвертного сиропа и воды, два двухплунжерных насоса-дозатора 8 для дозирования патоки и инвертного сиропа, бункер 2 для сахара с ленточным дозатором, смеситель-растворитель 3 шнекового типа с мешалкой и паровой рубашкой, плунжерный насос 4 для подачи кашицеобразной смеси из смесителя в змеевик варочной колонки, варочная колонка 5 (греющая часть унифицированного змеевикового вакуум-аппарата), пароотделитель 6 и сборник готового сиропа 7.
Комплекс оснащен приборами технологического контроля и автоматическими регуляторами. Предусмотрены световая сигнализация и блокировка работы технологического оборудования, система автоматической продувки оборудования и трубопроводов. Электрическая аппаратура дистанционного управления, приборы и регуляторы устанавливаются на щите управления и контроля.
Комплекс позволяет готовить сахаро-паточные, сахаро-инвертные и чисто сахарные сиропы.
Принципиальная схема комплекса представлена на рис. 2.13,6. Из рецептурных сборников насосы-дозаторы 12 и 13 подают жидкие компоненты: патоку (или инвертный сироп) и воду в воронку 11 смесителя-растворителя 8. В эту же воронку ленточным дозатором 10 из бункера 9 подается сахар-песок. В смесителе компоненты перемешиваются, в результате чего образуется кашицеобразная масса влажностью 17...18 %.

Рис. 2.13. Сироповарочный комплекс ШСА-1:
а — общий вид; б — принципиальная схема
Температура инвертного сиропа 40...50 °С, температура патоки, подаваемой в смеситель, — 65...70 °С. В смесителе 8 все компоненты рецептурной смеси перемешиваются и подогреваются паром до температуры 65...70° С. Время заполнения смесителя 3...3,5 мин.
Полученная рецептурная смесь влажностью 17...18 %, представляющая собой кашицу с неполностью растворенными кристаллами сахара, плунжерным насосом 7 подается в змеевиковую варочную колонку 6, где кристаллы сахара за 1...1,5 мин полностью растворяются. Избыточное давление греющего пара поддерживается в пределах 0,45...0,55 МПа.
На выходе из греющей колонки змеевик соединяется с расширителем 5, внутри которого установлен диск с отверстием диаметром 10...15 мм. Диск оказывает сопротивление потоку движущегося сиропа, обеспечивая тем самым избыточное давление в змеевике 0,17...0,20 мПа.
Образовавшийся в сиропе вторичный пар удаляется в пароотделителе 4. Вторичный пар отводится через верхний патрубок, к которому подсоединяется трубопровод, связанный с вентилятором. Готовый сироп собирается в нижней конической части пароотделите-ля и отводится в сборник сиропа 2.
Сборник снабжен фильтром 3 с ячейками диаметром 1 мм. По мере необходимости шестеренный насос 1 перекачивает готовый сироп к местам потребления.
Благодаря короткому производственному циклу (не более 5 мин) и особенностям процесса растворения сахара в патоке под давлением сироповарочный комплекс позволяет получать светлый, прозрачный сироп высокой концентрации (88 % сухих веществ) при низком содержании редуцирующих веществ в карамельной массе (до 14 %). При выработке чисто сахарного сиропа влажностью 18...20 % влажность рецептурной смеси поддерживается в пределах 24...26 %, соответственно этому избыточное давление греющего пара снижается до 0,3...0,35 мПа.
Смеситель сироповарочного комплекса предназначен для получения кашицеобразной рецептурной смеси, состоящей из неполностью растворенных кристаллов сахара-песка, патоки, воды и инвертного сиропа (при работе с пониженным содержанием патоки). Смеситель (рис. 2.14) состоит из корпуса 19 с паровой рубашкой 18 и съемными крышками (верхней 9 и торцевых 5 и 10), двух горизонтальных валов 21 с лопастями 20, привода валов и сварной рамы.
В верхней крышке расположен прямоугольный патрубок с фланцем для подсоединения дозатора сахара-песка, а также патрубки для подачи патоки, воды и инвертного сиропа. Крышка с рукоятками 8 при открытии поворачивается на кронштейнах 23. Герметизация крышки осуществляется с помощью накидных пальцев 7, затягиваемых фигурными гайками 6.
Греющий пар давлением до 0,1 мПа подается в рубашку по двум патрубкам 22, которые располагаются на боковой поверхности; конденсат спускается через патрубок 1. В днище корпуса предусмотрен расширитель 2, заканчивающийся патрубком с фланцем Для присоединения к насосу.
Компоненты перемешиваются в смесителе двумя мешалками, вращающимися с •частотой 60 мин-1. Мешалка представляет собой вал 21, на котором по всей длине крепятся лопасти 20. Каждая лопасть смещена по отношению к соседней на 90°; кроме того, все лопасти повернуты по отношению к оси вала на 45°. Данный угол может быть изменен так, чтобы обеспечить продвижение и перемешивание рецептурной смеси.
Время пребывания смеси в смесителе составляет 3...3,5 мин. Валы вращаются в шарикоподшипниках 16, находящихся в выносных корпусах 4 и 15. Места выхода вала из корпуса уплотнены буксовыми сальниками 3 и 17.

Один из валов получает вращение от цепной передачи через звездочку 12 и шпонку 14, другой вал — от первого вала через пару шестерен 13. Цепная и зубчатая передачи закрыты ограждением 11 Весь смеситель крепится к горизонтальной раме 24 лапами 26. Рама снабжена опорными стойками 25
Карамелеварочные комплексы. При уваривании карамельных масс необходимо удалять значительное количество влаги Поэтому для интенсификации пароотделения кроме высокой температуры уваривания 140

На рис. 2.15 показана схема карамелеварочного комплекса со змеевиковым вакуум-аппаратом непрерывного действия.
Карамелеварочные комплексы обычно состоят из расходного сиропного бака 1, в который готовый сироп непрерывно подается насосом с центрального сиропного комплекса, сиропного (продуктового) плунжерного насоса 2 для непрерывной подачи карамельного сиропа в змеевик 3 аппарата с вакуум-камерой 4 и поршневого мокровоздушного вакуум-насоса б с конденсатором смешения 5.
Комплексы для уваривания фруктово-ягодных масс. Такие кондитерские массы, как фруктово-ягодные начинки, конфетные и мармеладные массы, увариваются при более низких температурах и содержат больше влаги, чем карамельная Поэтому для удаления влаги нет необходимости создавать высокие температуры уваривания и применять вакуум Отделение влаги в этом случае происходит при атмосферном давлении (безвакуумное уваривание).
Комплекс для непрерывного безвакуумного уваривания фруктово-ягодных начинок (рис. 2 16) состоит из сборника рецептурной смеси, плунжерного насоса-дозатора, змеевиковой варочной колонки с циклоном-пароотделителем, темперирующей машины, шестеренного насоса и системы трубопроводов для подачи готовой начинки в начинконаполнители обкаточных машин.
Рецептурная смесь влажностью 45...50 %, подлежащая увариванию, поступает по трубопроводу 1, затем

Варочная колонка 5 является греющей частью унифицированного вакуум-аппарата и может иметь одинарный или сдвоенный змеевик. В змеевике смесь уваривается и поступает в циклон-пароотделитель 7. Уваренная начинка влажностью 17... 19 % температурой 115 °С, поступает в темперирующую машину 9, а вторичный пар по центральной трубе 6 отсасывается вентилятором В охлаждаемую начинку из дозатора 8 вводят

Для уваривания начинки может быть использован реконструированный змеевиковый аппарат с отделением вторичного пара под разрежением. В этом случае используют вакуум-камеру большого объема (для отвода значительного количества вторичного пара и предотвращения уноса с ним начинки).
Начинка уваривается в змеевике в течение 3...4 мин. Вторичный пар удаляется под небольшим разрежением, при котором остаточное давление равно 0,065...0,075 МПа. Производительность комплексов для непрерывного уваривания начинок колеблется в пределах 900...1400 кг/ч в зависимости от площади поверхности нагрева. Процессы нагревания, растворения и уваривания контролируют и регулируют с помощью контрольно-измерительных приборов и запорной арматуры.
На рис. 2.17 показана схема теплообменной установки с размещением на ней наиболее часто устанавливаемых приборов и устройств, служащих для обеспечения нормальной работы установки с использованием пара в качестве теплоносителя.
В рубашку теплообменного аппарата 11 пар поступает через впускной вентиль 1. На отводном патрубке 2 устанавливают манометр 4 и предохранительный клапан 5.
Во избежание выхода из строя (от гидравлического удара) манометр подсоединяют через промежуточную трубу 3, выполненную в виде одного витка пружины.
Перед пуском аппарат прогревают, предварительно удалив из паровой рубашки воздух и остатки конденсата Для продувки воздуха открывают кран 12 в верхней части паровой рубашки. Конденсат продувают при открытом вентиле 16, установленном на отводной линии 17. После продувки вентили 12 и 16 закрывают, открывают запорные вентили 13 и 15, пропуская отработавший пар через конденсатоотводчик 14. После этого вентиль 1 открывают до получения требуемого давления, которое контролируют манометром.
При уваривании продукта из него выделяется вторичный пар, отводимый из аппарата по трубе 7. Если уваривание происходит под разрежением, то трубу подсоединяют к конденсатору и вакуум-насосу. За величиной разрежения следят по показаниям вакууметра 6, а за температурой увариваемой массы — по показаниям термометра 8. Обычно применяют манометрические термометры, которые состоят из термобаллона 10, погруженного в увариваемую массу, капиллярной трубки 9 и показывающего прибора 8 Уваренную массу выгружают через спускной кран 18.
Контрольные вопросы
1. С какой целью обжаривают какао-бобы и жиросодержащие ядра орехов?
2. Как можно изменить время обжарки в аппарате STT?
3. Какие приборы устанавливают на тепловых варочных аппаратах?
4. Как происходит процесс уваривания в аппарате М-184?
5. Из каких основных элементов состоит вакуум-аппарат 33-А?
6. За счет какого процесса создается разрежение при уваривании?
7. Какие технологические насосы применяются в варочных установках?
Технологические насосы
§ 3. Технологические насосы
В кондитерском производстве широко применяются различные насосы. В установках для уваривания кондитерских масс под разрежением используются поршневые и ротационные вакуум-насосы, для перекачки жидких и вязких полуфабрикатов - поршневые, плунжерные, шестеренные и ротационные.
Поршневые мокровоздушные вакуум-насосы. Предназначены для поддерживания постоянного разрежения в змеевиковых, сферических и других вакуум-аппаратах, применяемых для уваривания карамельной массы, фруктово-ягодных начинок и т. п., а также для перекачки масс, подлежащих увариванию в вакуум-аппаратах периодического действия.
Поршневые мокровоздушные вакуум-насосы бывают вертикальные и горизонтальные. В кондитерской промышленности наибольшее распространение получили вертикальные насосы. Обычно их выпускают вместе с конденсаторами смешения, которые служат для создания в вакуум-камере необходимого разрежения путем конденсации вторичного пара, образующегося в аппарате в процессе уваривания продукта.
Насос ВНК-0,5 м (рис. 2.10, а) состоит из конденсатора смешения 15, станины 2, цилиндра 4, внутри которого расположены поршень 3 с клапаном и два неподвижных клапана 1 и 5 (один над поршнем, второй под ним), и привода. Маховик 9 вращается от электродвигателя 6 через клиноременную передачу 7 и редуктор 8. К нему эксцентрично крепится шатун 10, который приводит в воз вратно-поступательное движение крейцкопф 12, скользящий в направляющей 11. Через шток 13 возвратно-поступательное движение передается поршню 3, расположенному в цилиндре 4. Смесь воды, конденсата и воздуха выводится через патрубок 14.

Рис. 2.10. Вертикальный поршневой мокровоздушный вакуум-насос ВНК-0,5М:
а — общий вид; б — схема работы
Вакуум-насос работает следующим образом (рис. 2.10,б). В цилиндре 3 расположены верхний 4 и нижний 1 клапаны и поршень 2 также с клапаном. Клапаны выполнены в виде дисков с отверстиями, которые сверху прикрыты резиновыми прокладками.
В конденсатор 8 через патрубок б поступает вторичный пар из вакуум-аппарата, через патрубок 7 - холодная вода.
Вода перетекает по полочкам 9, разбрызгивается и, смешиваясь с паром, конденсирует его. При движении поршня 2 вверх (положение I) в нижней части цилиндра 3 и конденсатора 8 создается разрежение. Всасывающий клапан 1 открывается, и через колено 10 воздушно-водяная смесь всасывается из конденсатора в цилиндр 3 под поршень 2. При движении поршня 2 вниз (положение II) нижний клапан 1 под давлением воздушно-водяной смеси закрывается и смесь перемещается из нижней полости цилиндра в верхнюю, проникая через открывающийся при этом перепускной промежуточный клапан поршня 2 в надпоршневое пространство. Далее при последующем движении поршня 2 вверх (положение III) верхний клапан 4 цилиндра открывается и воздушно-водяная смесь, находящаяся в верхней полости цилиндра под поршнем, выталкивается через верхний клапан 4 и нагнетательный патрубок 5 в отводную трубу, при этом клапан поршня 2 закрыт. Одновременно через нижний клапан 1 засасывается следующая порция смеси, и процесс повторяется вновь.
Подача насоса до 30 м3/ч, габаритные размеры (мм): 862x665x1725, масса 560 кг.
Мокровоздушные водокольцевые вакуум-насосы. Предназначены для удаления из конденсатора смеси воздуха, сконденсированного вторичною пара и воды и поддержания разрежения в универсальных вакуум-аппаратах и других установках. Насос работает исключительно на чистой воде, не загрязненной абразивными примесями.
Насос КВН-8 (рис. 2.11, а) состоит из корпуса 3, крышки 1, рабочего диска-ротора 2, вала 4 и опорного кронштейна 5.

Рис. 2.11. Мокровоздушный водокольцевой вакуум-насос КВН-8:
а — разрез, б — схема установки
При вращении ротора, эксцентрично закрепленного на валу по отношению к крышке насоса, поступающая через конденсатор воздушно-водяная смесь, увлекаемая лопатками ротора, под действием центробежных сил отбрасывается к стенкам крышки, образуя водяное кольцо 3 (рис. II.11, б). Между ступицей диска и внутренней поверхностью водяного кольца создается разреженное пространство 1, обеспечивающее засасывание воздушно-водяной смеси через большой серповидной вырез в корпусе насоса.
При дальнейшем вращении происходит сжатие перемещаемой смеси, которая выбрасывается через малый серповидной вырез 2 в корпусе и нагнетательный патрубок насоса.
Для поддержания постоянного объема водяного кольца и отвода теплоты необходимо, чтобы через насос непрерывно циркулировала вода (250...300 л/ч), перед пуском насос необходимо залить водой.
Торцевые зазоры между диском и крышкой должны быть в пределах 0,1 мм, регулирование зазора при эксплуатации насоса осуществляется торцеванием крышки, температура сальника насоса не должна превышать температуру перекачиваемой жидкости более чем на 50 °С.
Во избежание попадания в насос посторонних предметов и частиц увариваемой массы на всасывающем трубопроводе рекомендуется устанавливать фильтр. По окончании работы и в случае продолжительной остановки оставшуюся воду необходимо слить через патрубок, закрытый пробкой 7 (см. рис. 2.11,а), после чего залить насос маслом и повернуть вал на 2...3 оборота за муфту 6 от руки.
Плунжерные сиропные (продуктовые) насосы. Предназначены главным образом для подачи карамельного сиропа в змеевик вакуум-аппарата. Благодаря возможности регулирования хода плунжера насосы широко используются также в качестве дозаторов для перекачки патоки, фруктово-ягодных масс, начинок, какао-масла и других густых, вязких кондитерских масс. Этими насосами комплектуются карамелеварочные, сиропные и начиночные станции, а также станции приготовления конфетных масс.
Плунжерный сиропный насос М-193 (рис. 2.12,а) состоит из цилиндра 1 с плунжером 12 и коробки 14 с клапанами: всасывающим 15 и нагнетательным 13. К фланцу всасывающего отверстия присоединяется трубопровод, подводящий сироп или другой продукт, а к фланцу нагнетательного отверстия — трубопровод для подачи сиропа в змеевик вакуум-аппарата или для других целей.
Плунжер 12 через скалку скреплен со штоком 7, скользящим по направляющей 8. Между плунжером 12 и стенками цилиндра 1 установлено сальниковое уплотнение 11.
Производительность насоса можно регулировать с помощью кулисного устройства, приводимого в действие рукояткой 10 и винтом 9.
На кулисе регулирующего устройства прикреплена шкала с Делениями для установки необходимого хода плунжера. Насос смонтирован на вертикальной стойке 2. Привод насоса осуществляется от электродвигателя 5 через редуктор 4, кривошип 3 и шатун 6.

Принцип работы плунжерного насоса-дезатора заключается в следующем (рис. 2.12,6). Электродвигатель 9 приводит в движение червячный редуктор 7 через муфту 8. Выходной вал редуктора снабжен кривошипом 6, который посредством шатуна 5 приводит в колебательное движение рычаг 4, поворачивающийся относительно опоры, установленной на подвижной гайке 12. Положение гайки 12 можно изменять вращением винта 11 с помощью рукоятки 13 (тонкой линией показано крайнее левое положение гайки). При изменении положения гайки 12 ползун 3, сквозь который свободно проходит рычаг 4, может совершать большее или меньшее перемещение в вертикальной плоскости (Smin и Smax - соответственно минимально и максимально возможный ход плунжера). С ползуном жестко связаны шток 10 и плунжер 2, скользящий в цилиндре 1. При движении плунжера вверх происходит засасывание жидкости через клапан 16, а при обратном движении плунжера жидкость перетекает через нагнетательный клапан 14. Клапаны располагаются в клапанной коробке 15, которая присоединяется к патрубкам продуктового трубопровода.
Теплообменные аппараты для нагревания, уваривания и темперирования
В кондитерском производстве для тепловой обработки сырья, полуфабрикатов — нагревания, выпаривания (уваривания) растворов, а также для растворения сырья применяются различные аппараты периодического и непрерывного действия.
К аппаратам периодического действия относятся:
открытые варочные котлы, в том числе диссуторы — одностенные варочные котлы с барботером и змеевиковым обогревателем для растворения сахара;
сферические вакуум-аппараты для уваривания начинок;
универсальные вакуум-аппараты.
К аппаратам непрерывного действия относятся:
растворители для приготовления сиропа, в том числе секционные, шнекового типа и др.;
змеевиковые вакуум-аппараты, работающие под разрежением (преимущественно для уваривания карамельной массы) или без разрежения — с пароотделителем (для уваривания фруктово-ягодных начинок, различных конфетных, ирисных, пастило-мармеладных и других кондитерских масс);
змеевиковые помадоварочные колонки с пароотделителем для уваривания помадных сиропов, работающие без разрежения;
теплообменные аппараты пленочного типа.
Для темперирования различных кондитерских масс применяются темперирующие машины, в том числе:
цилиндрические темперирующие машины — сборники периодического действия с пароводяной рубашкой и мешалкой для темперирования начинок, какао-тертого, конфетных, шоколадных и других масс;
шнековые автоматические машины непрерывного действия для темперирования шоколадных масс.
Для создания и поддержания в вакуум-аппаратах разрежения устанавливаются конденсаторы смешения с мокровоздушными поршневыми или ротационными водокольцевыми вакуум-насосами. Для подачи в аппараты смесей и для отвода готовых масс используют плунжерные, шестеренные или ротационно-зубчатые насосы.
Открытые варочные котлы. Применяются для растворения, уваривания или подогрева различных кондитерских масс.
В кондитерской промышленности применяются двустенные открытые варочные котлы различной вместимости (150, 60 и 12 л), опрокидывающиеся (с поворотной чашей) и неопрокидывающиеся (стационарные), без мешалок и с механическими мешалками, причем последние используются иногда в качестве рецептурных темперирующих сборников в конфетном или других производствах.
Варочный котел Д9- 41А вместимостью 150 л, опрокидывающийся, без мешалки. Котел (рис. 2.3) состоит из медной полусферической чаши 11 с отбортованным фланцем и цилиндрической обечайкой 4 с носиком для слива готовых масс. Чаша котла помещена в стальную сварную паровую рубашку 12. При помощи стального кольца, прокладки и болтов фланцы медной чаши и стальной рубашки соединяются между собой. Полость между чашей и стальной рубашкой образует паровое пространство.
Котел монтируется с помощью пустотелых цапф 3 и 5 и подшипников на чугунных стойках 1. Греющий пар подается через цапфу 5, и вентиль 8. Конденсат отводится по отводной трубке 2 — через цапфу 3, а спускается — через кран 14. Один конец отводной трубки 2 расположен в нижней части паровой рубашки для устранения возможности заполнения парового пространства конденсатом. Котел снабжается конденсатоотводчиком.
Воздух из парового пространства продувается через спускной кран 15. На входной трубе для пара устанавливается предохранительный клапан 7, срабатывающий в случае повышения давления сверх установленного, и манометр 6 — для контроля за давлением пара.
Готовая масса выгружается путем опрокидывания чаши при помощи червячной пары 9 и маховика 10 с рукояткой, смонтированных на цапфе 5 и стойке. Выгрузка массы и

Перед загрузкой котла открывают кран 15 для продувки и спуска воздуха и кран 14 для спуска конденсата, открывают вентиль 8 для подачи греющего пара и продувают паровое пространство котла, затем закрывают продувные краны, включают конденсатоотводчик и постепенно (во избежание гидравлических ударов) увеличивают подачу греющего пара до нормального давления.
В процессе работы котла по манометру 6 контролируют давление греющего пара, не допуская повышения его сверх нормативного, и периодически выпуская воздух через воздушный кран 15. После разгрузки котла по окончании работы прекращают подачу пара, спускают конденсат, котел моют и высушивают.
Готовую массу из неопрокидывающихся котлов выгружают через сливной штуцер с затвором или краном.
Для интенсификации процессов растворения, нагревания или уваривания в открытых варочных котлах вместимостью 60 и 150 л устанавливают механические мешалки.
Варочный котел 28-А вместимостью 150 л, неопрокидывающийся, с механической мешалкой. Благодаря наличию мешалки котел может быть использован для уваривания густых масс, например ирисных, или в качестве темперирующего рецептурного сборника для конфетных и других масс.

Пар для подогрева подводится через вентиль 20. Конденсат отводится через вентиль 6 в нижней части паровой рубашки, а спускается через кран 7. К котлу подсоединяется конденсатоотводчик.
Котел имеет крышку 10 с люком для загрузки и осмотра и штуцером 16 для отвода вторичного пара. В процессе варки масса в чаше перемешивается якорной мешалкой 2, проводимой в движение электродвигателем 15 через червячный редуктор 14. В нижней части котла расположен штуцер 5 для спуска готовой массы, который во время варки перекрывается клапаном 8. При разгрузке котла отверстие штуцера открывается путем поднятия клапана 8 вверх при помощи вертикального винта 12 с маховичком 13. Котел снабжен манометром 17, предохранительным клапаном 19, манометрическим термометром 11 и краном для спуска воздуха 9.
Диссуторы. Применяются для растворения сахара, приготовления сиропов, роспуска возвратных отходов и т.п.
Диссутор представляет собой металлические емкости цилиндрической

На рис. 2.5 показан диссутор цилиндрической формы. Он состоит из стальной обечайки 11, наклонного или сферического днища 12, люка 9 для загрузки сахара и подачи воды, паропровода 8 с барботером 13, змеевика 7 для подогрева смеси, крышки 6, трубопровода 5 для подачи патоки или инвертного сиропа и трубы 4 для отвода вторичного пара.
Наружная поверхность диссутора покрыта изоляцией 10. Через штуцер 3 отводится готовый сироп, через штуцер 1 - конденсат в конденсатоотводчик 2.
Размеры диссуторов могут быть различными в зависимости от требуемого количества сиропа.
Недостатки диссуторов: невысокое качество получаемого сиропа, периодичность процесса и применение ручного труда.
Сферические вакуум-аппараты. Предназначены преимущественно для уваривания различных начинок, также для приготовления конфетных, ирисных, мармеладных и других кондитерских масс. Для снижения температуры кипения масс процесс в этих аппаратах проводят под разрежением, что улучшает качество масс по сравнению с увариванием масс в открытых варочных котлах при атмосферном давлении.
Сферические вакуум-аппараты бывают с механической мешалкой и без нее; устройство их аналогично. Наиболее распространены аппараты с мешалкой.
Сферический вакуум-аппарат 31-А вместимостью 150 лс механической мешалкой. Представляет собой стационарный двутельный варочный котел (рис. 2.6), внутри которого установлена двухлопастная горизонтальная мешалка 18. Котел аппарата имеет медную чашу 17 с отбортованным фланцем. Чаша помещена в стальную паровую рубашку 16, на которой с правой стороны находится патрубок 15 с вентилем, манометром 14 и предохранительным клапаном. С другой стороны паровой рубашки расположен воздушный кран 1 для продувки парового пространства и патрубок 21 для спуска конденсата и присоединения конденсатоотводчика.

Рис. 2.6. Сферический вакуум-аппарат 31-А с механической мешалкой
К чаше котла при помощи фланцевого соединения с прокладкой и откидных болтов присоединяется медный колпак б, на котором установлены вакуумметр 11, термометр 7 и воздушный кран.
Для наблюдения за ходом процесса предусмотрено два смотровых окна 12. Колпак заканчивается трубкой 10. Внутри колпака перед входом в трубу установлен отбойник для предотвращения уноса массы в вакуум-линию. К трубе 10 при помощи накидной гайки 8 крепится трубопровод 9, соединяющий аппарат с конденсатором смешения мокровоздушного вакуум-насоса.
Аппарат загружают увариваемой массой через загрузочный кран 5, а разгружают через спускной штуцер 19 с затвором 20, для взятия проб служит кран 13. Мешалка 18 приводится во вращение электродвигателем 2 через червячный редуктор 3 и пару зубчатых колес 4.
При загрузке всасывающий гибкий шланг одним концом присоединяют к загрузочному крану 5, а другой помещают в емкость с массой, предназначенной для уваривания. Затем открывают кран 5 и включают вакуум-насос. Под воздействием разрежения масса засасывается внутрь аппарата; при этом за процессом загрузки наблюдают через смотровое окно 12.
По окончании загрузки аппарата снимают шланг, закрывают загрузочный кран 5, включают мешалку, открывают продувочные краны, обводной вентиль у конденсатоотводчика и вентили, подающие греющий пар в паровое пространство и охлаждающую воду в конденсатор смешения вакуум-насоса (на рис. 2.6 не показан). После того как воздух и конденсат удалены из парового пространства и трубопроводов, закрывают продувочные краны, включают конденсатоотводчик и подают греющий пар.
По окончании уваривания прекращают подачу пара и охлаждающей воды в конденсатор, выключают вакуум-насос и мешалку, открывают воздушный кран, установленный в верхней части колпака 6, и затвор 20 для выгрузки уваренной массы.
Универсальный варочный вакуум-аппарат. Предназначен для уваривания ирисной, карамельной и желейной масс, начинок и других кондитерских масс в небольших количествах.

Верхний двутельный котел 7 служит для уваривания массы (при атмосферном давлении) и представляет собой полусферическую медную чашу, заключенную в чугунную паровую рубашку. В которую через вентиль 17 подается греющий пар. Конденсат отводится через патрубок 5.
Во время уваривания масса в чаше перемешивается якорной мешалкой 9, привод которой осуществляется от электродвигателя 6 через ременную передачу 8 и конический редуктор 11.
Чаша верхнего котла закрыта крышкой 10 с приемной воронкой и штуцерами для загрузки и отвода вторичного пара. Через штуцер 20, который закрывается клапаном 19, уваренная масса выпускается в нижний котел. Клапан 19 открывается при помощи вертикального штока, связанного с пневматическим клапаном 12.
Перед сливом массы нижний котел 26 прижимают к крышке 3 нижнего котла при помощи ножной педали. Нижний приемный котел представляет собой медный сосуд с полусферическим днищем. Цапфы этого котла свободно лежат в гнездах поворотной вилки 1, которая находится на оси 2, укрепленной на левой стойке станины.
По окончании процесса уваривания вилка 1 с котлом 26 поворачиваются вокруг оси и нижний котел выводится из-под крышки 3 для разгрузки. В крышке 3 имеется два смотровых окна для наблюдения за процессом спуска массы из верхнего котла.
Аппарат снабжен манометрическим термометром 13, манометром 15, вакуумметром 14, предохранительным клапаном 16 и кнопочным управлением 4 электродвигателями.
Ротационный мокровоздушный вакуум-насос 23, откачивая через конденсатор 21 воздушно-водяную смесь, создает разрежение в нижнем котле и в пневматическом клапане 12, который открывает отверстие для спуска массы в нижний котел 26. При этом благодаря разрежению ускоряется переход массы в котел и происходит процесс интенсивного самоиспарения, ведущий к дополнительному удалению влаги из массы, отсасываемой из верхнего котла в нижний. За счет самоиспарения влаги температура массы значительно снижается.
Встроенный в аппарат малогабаритный мокровоздушный водо-кольцевой вакуум-насос 23 смонтирован на отдельной плите 24, укрепленной на стойках аппарата, и приводится в движение от электродвигателя 25.
Конденсатор 21 представляет собой трубу, один конец которой присоединяется к крышке 3 аппарата, а другой — к насосу. Внутри конденсатора через трубку 22 с отверстиями подводится холодная вода, которая выходит тонкими струйками и создает водяную завесу, конденсируя вторичный пар.
В верхний котел загружают компоненты смеси или предварительно приготовленную смесь увариваемой массы, включают пар и мешалку.
Контроль за температурой массы проводится по контактному манометрическому термометру 13, термобаллон 18 которого погружен в увариваемую массу. Как только ее температура достигнет требуемого значения, автоматически включаются перепускной клапан 12 для выгрузки массы в нижний котел, и электродвигатель 25 ротационного вакуум-насоса и открывается вентиль подачи воды в конденсатор. Когда уваренная масса полностью перетечет в нижний котел, останавливают вакуум-насос,закрывают вентиль подачи воды в конденсатор и осуществляют выгрузку уваренной массы.
Змеевиковые вакуум-аппараты. Предназначены главным образом для приготовления карамельной массы путем выпаривания избыточной влаги из карамельного сиропа.
Змеевиковые аппараты также широко применяются в сироповарочных комплексах при приготовлении сиропа, в агрегатах для фруктово-ягодных начинок, в универсальных комплексах для уваривания конфетных, ирисных, желейных, мармеладных и других масс.
Кондитерская промышленность оснащена в основном унифицированными змеевиковыми аппаратами.
Унифицированный змеевиковый вакуум-аппарат 33-А с ручной выгрузкой массы (рис 2.8) состоит из трех частей: греющий I, выпарной II и сепаратора-ловушки III. Греющая и выпарная части соединены между собой трубопроводом. Ловушку устанавливают на трубопроводе, соединяющем выпарную камеру с конденсатором смешения и вакуум-насосом.

Рис. 2.8. Унифицированный змеевиковый вакуум-аппарат 33-А с ручной выгрузкой массы
Греющая часть I представляет собой цилиндрический стальной корпус 4 с приваренным к нему штампованным стальным днищем в нижней части и съемной крышкой 6. Внутри корпуса смонтиро-
ван медный змеевик 5, имеющий два ряда витков, соединенных между собой последовательно. Нижний конец змеевика присоединен к трубопроводу от сиропного плунжерного насоса, питающего вакуум-аппарат, а верхний — к соединительному трубопроводу 10, идущему в выпарную часть вакуум-аппарата, которая в свою очередь соединяется трубопроводом с конденсатором смешения поршневого мокровоздушного вакуум-насоса.
В верхней части корпуса 4 греющей части аппарата расположен штуцер для подачи греющего пара: на крышке смонтированы манометр 7, предохранительный клапан 8 и кран 9 для выпуска воздуха. В днище аппарата установлен штуцер 2 для подачи сиропа, штуцер 1 для спуска конденсата и кран 3 для продувки аппарата.
Выпарная часть II вакуум-аппарата состоит из двух стальных обечаек — верхней 23 и нижней 22 — и нижнего стального конуса 17, соединенных между собой фланцами и откидными болтами. Между обечайками расположена конусная мерная чаша 20, горловина которой перекрывается клапаном 18. Конусная чаша, полость верхней обечайки и сферическая стальная крышка образуют верхнюю вакуум-камеру вместимостью 140 л. Для предотвращения застывания увариваемой массы на стенках конусной чаши 20 с наружной стороны смонтирован змеевик 21, в котором циркулирует греющий пар, подаваемый через трубку 14.
Верхний внутренний клапан 18, открываемый и закрываемый с помощью рукоятки 12, служит для обеспечения непрерывности процесса уваривания (при выгрузке готовой массы он перекрыт) и для выпуска из верхней камеры в нижний приемный конус карамельной массы, скапливающейся во время разгрузки аппарата.
На верхней обечайке вакуум-камеры со стороны рабочего места смонтирован вакууметр 25 для контроля за разрежением.
Нижний конус 17 вакуум-камеры для предотвращения застывания подготовленной к выгрузке карамельной массы на 3/4 высоты омывается греющим паром, подаваемым в паровую рубашку 16 по трубке 14. Воздух из рубашки 16 выпускается через воздушный кран, а готовая карамельная масса — через наружный клапан 15с рукояткой. За выходом массы можно наблюдать через смотровые стекла 19 в нижней приемной части вакуум-камеры. Для сообщения верхней вакуум-камеры с нижним приемником и нижнего приемника с атмосферой служит соединительная трубка с кранами 11 и 13.
Выпарная часть вакуум-аппарата крепится на тягах к потолку или на кронштейнах к стене.
Змеевиковые вакуум-аппараты этого типа удобны для установки в поточных линиях производства карамели и не требуют сооружения специальных площадок для монтажа греющей части аппарата.
Кроме того, греющая часть вакуум-аппарата вместе с плунжерным сиропным насосом и вакуум- насосом может быть установлена на некотором расстоянии от выпарной части вакуум-аппарата или в другом помещении, что обеспечивает лучшее санитарное состояние цеха.
Сепаратор-ловушка III, предназначенная для задерживания частиц карамельной массы, уносимых вторичным паром, представляет собой цилиндрический стальной сосуд 28 с плоской крышкой и перегородкой 27 внутри, расположенной напротив входного патрубка. Задержанные частицы карамельной массы отводятся через нижний патрубок ловушки с краном 29 для последующей переработки.
Карамельный сироп из расходного сиропного бака плунжерным насосом непрерывно нагнетается в змеевик аппарата под давлением 0,4 МПа. Одновременно в корпус греющей части аппарата через штуцер подается греющий пар. В паровом пространстве аппарата греющий пар омывает змеевик 5 и конденсируется. Конденсат непрерывно отводится через штуцер 1 в конденсатоотводчик.
Давление греющего пара контролируется манометром 7, в случае увеличения давления пара сверх допустимого срабатывает предохранительный клапан 8.
Поступающий в сдвоенный змеевик карамельный сироп поднимается сначала по виткам внутреннего змеевика, затем переходит по вертикальной соединительной трубке в нижний виток наружного змеевика и движется далее вверх по его виткам. Из верхнего витка наружного змеевика карамельная масса переходит по соединительному трубопроводу 10 в вакуум-камеру аппарата, в которой с помощью конденсатора смешения создается разрежение, поддерживаемое поршневым мокровоздушным вакуум-насосом, присоединяемым к вакуум-камере. Уваренная в змеевике карамельная масса непрерывно поступает в вакуум-камеру, при этом процесс уваривания массы до конечной влажности 1,5...2,5 % продолжается благодаря интенсивному самоиспарению влаги в разреженном пространстве.
Вторичный пар, выделившийся из сиропа при его уваривании, и воздух, подсасываемый при периодической разгрузке вакуум-камеры, устремляются из вакуум-камеры по трубопроводу 26 через ловушку 28 в конденсатор смешения, куда непрерывно подается охлаждающая вода.
Вторичный пар охлаждается и конденсируется.
Поступающий в конденсатор вторичный пар занимает значительный объем (1 кг пара равен 10 м3), при превращении пара в воду 1 кг воды занимает объем около 1,0 л. Благодаря такому резкому сокращению объема и создается разрежение в конденсаторе и вакуум-камере. Образующаяся в конденсаторе водовоздушная смесь откачивается вакуум-насосом, благодаря чему постоянно поддерживается разрежение в конденсаторе и вакуум-камере.
Расположенный у сферической крышки вакуум-камеры отбойник 24 препятствует уносу карамельной массы в конденсатор.
По мере накопления готовой массы в вакуум-камере ее периодически, через каждые две минуты, выгружают, не нарушая непрерывности процесса уваривания.
Для выгрузки скопившейся готовой карамельной массы из нижнего конуса 17 вакуум-камеры при закрытом верхнем клапане 18 открывают нижний клапан 15 и одновременно соединяют нижний конус с атмосферой, открывая воздушный кран 13. После выгрузки массы закрывают нижний клапан 15 и кран 13, затем перед открыванием верхнего клапана 18 выравнивают давление в обеих частях вакуум-камеры, для чего при закрытом нижнем клапане 15 открывают кран 11, соединяющий верхнюю и нижнюю части камеры. После этого закрывают кран 11, открывают верхний клапан 18 и процесс уваривания продолжается в обеих частях вакуум-камеры.
Выпускают два типоразмера унифицированного аппарата 33-А, различающиеся между собой лишь площадью поверхности теплообмена змеевиков и высотой нагревательной части. Производительность этих аппаратов составляет 500 и 1000 кг/ч карамельной массы.
Унифицированный змеевиковый вакуум-аппарат может быть снабжен механическим или вакуумным устройством для автоматической выгрузки массы.
Аппарат пускают в работу по окончании монтажа и только после гидравлических испытаний на давление, которое должно быть дольше рабочего на 25 %.
Перед началом работы аппарат нужно прогреть; для этого следует открыть общий паровой вентиль и вентили для продувки змеевика и подогрева вакуум-камеры; избыточное давление пара при этом должно быть не более 0,2 МПа.
После прогрева аппарата необходимо закрыть вентиль продувки змеевика, а затем клапаны вакуум-камеры и нижнего приемного конуса, включить мокровоздушный вакуум-насос, открыть кран на сиропном трубопроводе, включить продуктовый насос (если аппарат оснащен автоматической выгрузкой, включить автомат выгрузки) и открыть вентиль на паровой линии для постепенного получения рабочего давления, указанного в паспорте.
Во избежание засахаривания змеевик не менее двух раз в смену промывают горячей водой температурой примерно 90°С, пропуская ее через сиропный расходный бак, сиропный насос и аппарат. При этом смывные сладкие воды отводят по специальным трубопроводам в сборник и после фильтрования используют для приготовления сиропов и начинок.
Для удаления образующегося в процессе эксплуатации вакуум-аппарата нагара и накипи змеевик примерно раз в декаду подвергают тщательной протравке 2—3%-ным раствором каустической соды — гидроксидом натрия (или для ускорения протравки — 5%-ным раствором) в течение 30—40 мин, пропуская раствор через сиропный бак, плунжерный насос, змеевик вакуум-камеру и обратно. После протравки аппарат тщательно моют горячей водой.
При использовании змеевиковых вакуум-аппаратов для уваривания фруктово-ягодных начинок от начальной влажности 40...50 % до конечной 17...20 % избыточное давление греющего пара поддерживают в пределах 0,3...0,4 МПа, а объем вакуум-камеры для предотвращения уноса массы в конденсатор с вторичным паром увеличивают 5...7 раз; кроме того, устанавливают ловушку, а остаточное давление в вакуум-камере поддерживают на уровне 45 кПа.
На практике начинки уваривают в змеевиковой греющей части аппаратов без вакуума. При этом вместо вакуум-камеры для отсоса вторичного пара используют пароотделитель с вентилятором. Греющую часть змеевиковых аппаратов с пароотделителями используют также для непрерывного уваривания конфетных, ирисных, мармеладных и других кондитерских масс.
Машина МТ-250 для темперирования кондитерских масс. Эта машина предназначена для смешивания и темперирования различных кондитерских масс: начинок, конфетных, шоколадных и мармеладах масс, какао тертого и т.п.
Машина МТ-250 (рис. 2.9) представляет собой цилиндрическую емкость 3 вместимостью 100 и 250 м3 с рубашкой 2 для пароводяного обогрева с комбинированной мешалкой внутри.
Масса поступает в машину при помощи насоса или вручную через верхнюю откидную крышку 11. В рубашку 2 подается пароводяная смесь для обогрева темперируемой массы или вода для охлаждения. Вода подается в рубашку 2 через нижний вентиль до тех пор, пока она не будет переливаться через воронку 8. Если необходимо подогреть массу, то после заполнения рубашки цилиндра водой нижний вентиль 13 закрывают, а верхний вентиль для подачи пара открывают. Пар подают в нижнюю часть рубашки цилиндра через штуцер тройника, благодаря чему происходят обогрев и одновременно циркуляция, способствующая равномерному нагреванию воды на протяжении всего процесса темперирования массы.

Рис. 2.9. Темперирующая машина МТ-250:
а – общий вид; б – схема привода мешалки.
Для того чтобы масса имела равномерную температуру и не расслаивалась, машину снабжают планетарной комбинированной мешалкой. Вертикальный вал 10 получает вращение от электродвигателя через червячный редуктор 16. На верхнем конце вала закреплено водило 6, один конец которого несет рамную мешалку 9, а другой — вал 1 планетарной мешалки. Этот вал имеет зубчатое колесо 14, сцепленное с неподвижным колесом 15, закрепленным на верхней части трубчатой стойки 7, и лопастную мешалку 4. При вращении водила 6 вал 1 планетарной мешалки 2 совершает вращательное движение вокруг вала 10. Благодаря обкатыванию колеса 14 по неподвижному колесу 15 вал получает вращение вокруг собственной оси. Таким образом, планетарная мешалка непрерывно перемешивает все участки массы создавая циркуляцию внутри цилиндра. Оттемперированная масса спускается через патрубок 12, снабженный затвором.
Вода, выходящая из рубашки цилиндра, отводится в сливную воронку 8. Температуру массы контролируют по термометру 5.
После прогрева машины режим теплообмена становится постоянным.
Крышки темперирующих машин снабжены блокировкой, отключающей электродвигатель при их открывании.
Тепловая обработка сырья и полуфабрикатов
ГЛАВА 2. ТЕПЛОВАЯ ОБРАБОТКА СЫРЬЯ И ПОЛУФАБРИКАТОВ
В кондитерском производстве наряду с другими процессами широко применяется тепловая обработка сырья и полуфабрикатов: нагревание, уваривание, темперирование и обжаривание.
При тепловой обработке происходит теплообмен между продуктом и средой, отдающей или воспринимающей тепловую энергию.
При обжаривании теплообмен осуществляется конвективной передачей теплоты от топочных газов или горячего воздуха, имеющих температуру 80...180° С.
Основным теплоносителем в тепловых процессах (нагревания, растворения и уваривания) в кондитерском производстве является насыщенный водяной пар давлением обычно до 0,7 МПа.
Наиболее распространены следующие способы нагревания продукта:
нагревание открытым паром — барботированием пара в нагреваемую жидкость или подачей греющего пара в аппарат с помощью инжекторов;
нагревание глухим паром — подачей греющего пара в паровую камеру теплообменника, где он конденсируется на поверхности теплообмена, отдавая ей скрытую теплоту парообразования.
Нагревание жидкости открытым паром производится чаще всего при помощи барботеров — трубы или змеевика с мелкими отверстиями, через которые пар выходит в нагреваемую жидкость; обычно барботер устанавливается в нижней части резервуара. Пар, выходя из отверстий барботеров, поднимается вверх в виде пузырьков и по пути конденсируется, отдавая свою теплоту нагреваемой жидкости; при этом происходит перемешивание жидкости. Во избежание выбрасывания жидкости в паропровод при случайном падении давления пара в схему паропровода обязательно врезают обратный клапан.
Существенные недостатки барботеров — шум, возникающий при выходе пара из отверстий, соприкосновение пара с обогреваемым продуктом, а также снижение концентрации продукта вследствие конденсации в нем греющего пара.
При нагревании же продукта глухим паром через теплопередающую поверхность теплообменника греющий пар заполняет паровую камеру теплообменника и, отдавая свою теплоту поверхности теплообмена аппарата, конденсируется. Конденсат отводится из нижней части паровой камеры автоматом-конденсатоотводчиком. Конструкция поверхности теплообмена может быть различной (в виде паровых рубашек, змеевиков и т.п.)
Завертывание кондитерских изделий
Для завертывания кондитерских изделий применяются машины, в которые изделия подают вручную, и машины, в которые изделия подают на завертывание автоматически.
§ 1. Машины для завертывания карамели, конфет и ириса
В кондитерской промышленности наиболее широкое распространение получили машины для завертывания карамели, конфет и ириса как наиболее массовой продукции кондитерского производства. Эти машины обычно состоят из следующих основных узлов: питателей для изделий и оберточного материала, механизма подачи обертки (щипцов), ножниц для отрезания обертки, транспортирующих устройств — ротора или конвейера, завертывающих механизмов и привода.
Машины для завертывания карамели и конфет различают по расположению рабочего ротора (горизонтальному или вертикальному), по способам и видам завертывания (с двусторонней перекруткой концов этикетки, в «уголок», в одностороннюю перекрутку — «бантик», в обтяжку — при завертывании в фольгу и др.) и по способам питания изделиями (ручное или автоматическое) и оберточными материалами (рулонным, флатовым или комбинированным).
В настоящее время получили широкое распространение машины с горизонтально расположенным ротором для завертывания изделий в двойную перекрутку, реже — в «уголок», с ручными и автоматическими питателями для изделий преимущественно с рулонными питателями для оберточных материалов (производительность этих машин относительно небольшая — до 110...130 шт. в минуту) и машины с вертикально расположенным ротором, автоматическими питателями для изделий и рулонными питателями для оберточных материалов. Машины для завертывания карамели, конфет и ириса с вертикально расположенным ротором более совершенны и производительны по сравнению с машинами, имеющими горизонтальный ротор. У машин с вертикально расположенным ротором путь передачи с оберткой из питателя в рабочий ротор короче. Преимуществом таких машин является также то, что в них приводная часть обычно расположена в более удобном для обслуживания месте, в стороне от рабочей части автомата, а не под рабочим ротором, как в машинах с горизонтально расположенными роторами.
В качестве оберточного материала на этих машинах используют парафинированную бумагу плотностью 30...34 г/м для этикеток, парафинированную бумагу плотностью 25...30 г/м для подвертки и алюминиевую фольгу толщиной 0,07 мм.
Машина ЕФ для завертывания карамели и конфет. Предназначена для завертывания карамели и конфет различной формы и размеров, для чего она комплектуется сменными форматными деталями. Машина завертывает изделия с заделкой концов этикетки в перекрутку (см. рис. 8.1,а), с заделкой концов этикетки в «уголок» (см. рис. 8.1,в), для завертывания изделий куполообразной формы с заделкой концов упаковочного материала в затяжку (см. рис. 8.1,б).
Изделия завертывают в три обертки: подвертку и фольгу, подаваемые с рулонов, и флатовую красочную этикетку из писчей бумаги, подаваемую из кассеты.
Машина (рис. 9.1) смонтирована на общей плите, установленной на стойках.

Рис. 9.1. Машина ЕФ с горизонтальным ротором
Все основные механизмы машины получают движение от укрепленных на валах кулачков через рычаги и тяги.
Изделия с приемного стола 1 вручную раскладывают в ячейки периодически вращающегося питающегося диска 2, который подает их к нижнему пуансону 3; одновременно к изделию подают оберточный материал. Механизм подачи обертки 6 разматывает подвертку и фольгу, а флатовые красочные этикетки, уложенные в кассету 5, подаются по одной штуке с помощью присосного механизма и отделяющей пластины 8.
Первые щипцы 4, передвигаясь, захватывают этикетку, фольгу и подвертку. На пути их движения расположены усики, удлиняющие путь прохождения этикетки, поэтому отрезанные ножницами 7 фольга и подвертка короче флатовой этикетки.
Первые щипцы 4 передают оберточный материал вторым щипцам 14, которые переносят его к изделию. В этот момент нижний пуансон 3 поднимается и выталкивает изделие из ячейки питающего диска 2. Верхний пуансон 19 опускается и прижимает оберточный материал к изделию. Зажатое между двумя пуансонами изделие с оберткой поступает в захваты периодически вращающегося ротора 10.
При приеме изделия с оберткой захваты горизонтального ротора 10 раскрываются рычагом 15, а затем закрываются, верхний пуансон 19 поднимается, нижний 3 опускается, а подвижный подгибатель 17 подгибает внутреннюю полочку этикетки. В процессе вращения ротора 10 наружная полочка этикетки закрывается и из обертки образуется трубка вокруг изделия. Далее изделие подводится ротором к загибающему устройству 9, где концы этикетки заделываются в виде носка, после чего оно проходит под прессом 11, проглаживается, затем захваты ротора открываются механизмом 13 и выбрасыватель 12 выталкивает завернутое изделие из захватов ротора на отводной лоток.
При отсутствии изделия в ячейке питающего диска контрольное приспособление 16, опускаясь, приводит в движение выключающий рычажок, который препятствует закрытию щипцов; щипцы в этом случае не захватывают обертку и механизм машины срабатывают в холостую. Муфта 18 служит для отключения машины без остановки электродвигателя 20. Ременная передача 21 закрыта ограждением.
В машинах с горизонтальным ротором питатели упаковочного материала осуществляют подачу нескольких заготовок (этикетки, фольги и подвертки) из рулонов от разных лент или этикетка подается из кассеты 5, куда заранее укладывают нарезанные заготовки. Если заготовки отрезают ножницами одновременно, то в этом случае из-под наружной этикетки всегда видна подвертка или фольга. Это происходит потому, что наружная этикетка должна покрыть больший периметр за счет толщины подвертки и фольги. Следовательно, этикетка должна быть на 0,5...1 мм длиннее подвертки. Выполнить такое условие можно при подаче флатовых этикеток из заранее заготовленного штабеля, как это происходит в комбинированном питателе, представленном на рис. 9.2.

Рис. 9.2. Комбинированный питатель для рулонного упаковочного материала и нарезных этикеток
В питателе рулонный упаковочный материал, фольга 4 и подвертка 5 разматываются валиком б, будучи прижаты к его поверхности прижимным валиком 7, который при заправке отводится рукояткой 8.
Упаковочный материал огибает компенсирующий ролик 2, скользящий по прорези 3, и при опускании вниз нажимает на рычаг 1, который тягой 9 останавливает валик 6. Затем упаковочный материал, обогнув направляющий ролик 10, ложится на поверхность подвижного столика 19 с тормозной планкой 11 и неподвижного стола с направляющими устройствами 12. Они центрируют упаковочный материал относительно изделия. Столик 19 закреплен на подвижном рычаге 20, приводимом в движение кулачком.
В крайнем правом положении рычага 20 и столика 19 передний край рулонного упаковочного материала находится на 2 мм левее переднего края этикетки 13, в магазине 14. В таком положении нижняя этикетка и ленты упаковочного материала захватываются щипцами 16 и протаскиваются вправо на нужную длину. При этом столик 19 также перемещается вправо. Когда упаковочный материал подан на нужную длину, поднимающаяся вверх направляющая 17 и неподвижная направляющая 15 образуют петлю из упаковочного материала. Левая кромка этикетки проходит за плоскость ножниц 18. Смыкающиеся лезвия ножниц отрезают рулонный упаковочный материал так, что его левая кромка находится на 1...3 мм правее левой кромки верхней этикетки. Это зависит от хода направляющей 17. Поданный в таком виде комплект упаковочного материала позволяет получить более аккуратно завернутое изделие.

Рис. 9.3. Машина с вертикальным ротором для завертывания карамели
Машина ЕУ для завертывания карамели с вертикальным ротором.
На рис. 9.3 изображена заверточная машина, предназначенная для завертывания карамели в «перекрутку».
Машина имеет загрузочный бункер 7 с вибролотком 8 и питающим диском 10 с ячейками, из которых карамель вместе с отрезанной этикеткой подается в захваты 4 вертикального ротора. Концы обертки закручиваются лапками 5, вращающимися на консольных валах, в верхней зоне ротора. Завернутая карамель выталкивается из захватов ротора на приемный лоток 9 при помощи качающегося рычага 6. Рулонные этикетки и подвертка подаются с бобин 3.
Машина снабжена блокирующим устройством для автоматической остановки машины при отсутствии карамели или обертки и пультом управления 1.
Для ручного проворота предназначен штурвал 2. Рассмотрим более подробно питатели машины для изделий и упаковочного материала.
П и т а т е л ь д л я п о д а ч и к а р а м е л и. Имеет коническую ориентирующую поверхность и профильные гнезда и применяется при упаковывании карамели. Карамель поступает в бункер 1 (рис. 9.4), вибрирующий ворошитель 2 препятствует свободообразованию изделий в бункере. Из бункера карамель подается по вибролотку 6, установленному на упругих пластинчатых подвесках 7, прикрепленных к плите 5. К этой же плите на кронштейне крепится электромагнит 3. Обмотка электромагнита питается переменным током частотой 50 Гц. К лотку привернут якорь 4, который притягивается к электромагниту при его намагничивании. В электросхеме этого питателя отсутствует реостат, поэтому амплитуда колебаний лотка и скорость движения карамели по лотку постоянны. Ворошитель жестко соединен с вибролотком и колеблется с той же частотой.

Рис. 9.4. Питатель для подачи карамели
Количество карамели, поступающей из бункера, регулируют заслонкой 19. Крошка, попавшая с карамелью, просыпается через щелевые отверстия 18 в днище вибролотка 6. По вибролотку карамель направляется к вращающемуся диску, который получает вращение от пространственного кулачка 11 через цевочное колесо 10.
Центральная часть диска 9 выполнена в виде конуса, поэтому поступающая карамель скатывается к борту 17, по пути западая в профильные гнезда 16. Установленная над диском щетка 14 поправляет запавшие в гнезде изделия, а изделия, занявшие неправильное положение, выбрасываются на повторную ориентацию. Щетка приводится во вращение от главного вала через передачи 12 и 13. Перегородка 15 преграждает путь карамели, не сориентированной в гнезда, к узлу подачи на завертывание. По мере скопления карамели на диске лапка 8 поднимается и размыкает контакты в сети питания электромагнита
При завертывании конфет они подаются к лапкам операционного барабана с помощью ленточного питателя. Конфеты могут подаваться на питатель машины, от группового питателя или от индивидуального — ручного или механического.

Рис. 9.5. Механический индивидуальный питатель для подачи конфет
Механический индивидуальный питатель. Питатель (рис. 9.5) состоит из трех продольных горизонтальных конвейеров 3, 5 и 6, над которыми установлены три вертикальных конвейера 7, 8 и 9 так, что направление их движения составляет острый угол с направлением движения продольных конвейеров. Скорости конвейеров возрастают от зоны подачи конфет к зоне выхода. Конфеты поступают на питатель широким ленточным конвейером 4, а отводятся вращающимся диском 12 непосредственно на конвейер 11 питателя машины, над которым установлена вращающаяся вокруг горизонтальной оси щетка 10, отбрасывающая несориентированные конфеты. Над продольными конвейерами установлены подпружиненные направляющие 1 и 2 и ряд неподвижных направляющих, дополнительно ориентирующих конфеты.
Ориентирование конфет длинной стороной по направлению движения происходит в результате их контакта при движении по продольным конвейерам с вертикальными конвейерами и направляющими.
При установке с заверточной машиной привод питателя управляется фотодатчиком питателя машины: при переполнении конвейера машины питатель прекращает подачу конфет. Габаритные размеры питателя (мм): 2300x800x900.
Питатель для подачи упаковочного материала. Подает этикетку и подвертку из рулона. Упаковочный материал может разрезаться ножницами или вращающимся ножом. Этикетки поступают в питатель (рис. 9.6,а) из рулона 3, а подвертка — из рулона 22. Каждая лента упаковочного материала поочередно огибает группу направляющих и натяжных роликов (для этикеток 1, 2, 4, 5, а для подвертки соответственно 23...26), образуя многопетлевую систему запаса ленты, чем обеспечивается большая равномерность ее натяжения.

Рис. 9.6. Питатели для подачи рулонного упаковочного материала:
а — с ножницами; б — с вращающимся ножом
Затем ленты, наложенные одна на другую, поступают на площадку 6 под тормозную фрикционную пластину 7. Выходящие из-под пластины ленты продвигаются под двуплечий рычаг 9. На одном плече рычага находится прижимное устройство 8, а на другом — один из непрерывно вращающихся подающих валиков 11.
Рычаг 9 поворачивается вокруг оси 10, которая получает движение от кулачкового механизма 12. Подающая лента проходит между неподвижным 13 и подвижным 14 лезвиями ножниц. В момент отрезания от лент заготовок упаковочного материала определенной длины валик 11 поднимается, прижимное устройство 8 опускается и подача упаковочного материала прекращается.
Рулон тормозится ленточным тормозом. Тормозное усилие зависит от перемещения рычага 20 под действием натяжения ленты 21. Пружина 19 стабилизирует натяжение ленты. Рулон фиксируется при повороте зажимного диска 15, на торце ступицы которого сделан винтовой срез. При зажиме рулона винтовой срез упирается в штырь 16, закрепленный на ступице диска 18, укрепленной на валу 17. При надевании зажимного диска штырь проходит через паз, расположенный в ступице диска.
Питатель для подачи упаковочного материала с вращающимся ножом изображен на рис. 9.6,б.
В качестве упаковочного материала используют этикетку, фольгу и подвертку, которые подают из рулонов 7. Рулоны устанавливают на раме 5, состоящей из рычагов, образующих треугольную конструкцию, в вершинах которой на вращающихся опорах закреплены бобинодержатели, снабженные тормозными дисками 8. Вся рама опорой 11 крепится к станине машины.
Упаковочный материал разматывается из рулона 7, огибает ролик рычага б, направляющий валик 4 и разматывающими валиками 3 подается к режущему механизму. Частота вращения разматывающих валиков 3 и ножа 1 рассчитана и синхронизирована так, что за один оборот ножа упаковка подается на длину этикетки, достаточную для нормального завертывания одной конфеты с четырех сторон. Режущий механизм состоит из неподвижной планки 2, имеющей режущую кромку, и подвижного (вращающегося) ножа 1.
Размотка рулона упаковочного материала приводит к тому, что рулон, обладая значительной массой, начинает вращаться быстрее, чем это необходимо. Излишняя размотка может привести к провисанию ленты упаковочного материала, перекручиванию и обрыву. Для уменьшения скорости размотки рулона к диску 8 бобинодержателя прижимается тормозная металлическая лента 9.
Один конец ленты неподвижен, а второй соединен с подвижным рычагом 6. Соединенная с рычагом 6 пружина 10 поворачивается к тормозному диску и замедляет вращение рулона. Когда упаковочный материал протягивается валиками 3 за счет натяжения бумаги рычаг 6 поворачивается таким образом, что контакт металлической ленты 9 с тормозным диском 8 ослабевает, благодаря чему рулон свободно поворачивается на бобинодержателе. Периодическое торможение регулируется величиной прижимного усилия ленты 9 к тормозному диску 8. Если по какой-либо причине изделие не поступило в ротор автомата, система блокировки отключит привод ножа 1 и разматывающих роликов.
Машина для индивидуального завертывания карамели. Предназначена для индивидуального завертывания карамели в термосвариваемую пленку с нанесенным на нее красочным рисунком. Благодаря линейной схеме упаковывания машины такого типа имеют высокую производительность и у нее почти полностью отсутствуют сложные кулачковые механизмы.
Машина (рис. 9.7,а) состоит из трех последовательно связанных между собой питателей 2, 3, 4 карамели; питателя 7 для упаковочного материала, устройства 9 для формования из ленты упаковочного материала пустотелой трубы; двух пар роликов 11 для сваривания продольного шва и двух роторов 10 для сваривания и отрезания поперечного шва.
Питатель 2 вибрационного типа снабжен приемным бункером 1 и электромагнитом 15.
Дисковый питатель 3 имеет отверстия-ячейки, в которые укладывают изделия. Двигатель 14 через угловой редуктор приводит во вращение щетку 13, отбрасывающую изделия, не попавшие в ячейки.
Питатель 4 представляет собой ленточный конвейер, на котором расположены с постоянным шагом перегородки-гонки. Между перегородками располагается по одному изделию.

Рис. 9.7. Машина для завертывания карамели в термосвариваемую пленку
а — общий вид; б — технологический процесс
Питатель для упаковочного материала 7 имеет штанги 6, на которых крепят рулоны 5. Система разматывающих роликов, фотоэлементов и контрольных щупов обеспечивает заданное ориентированное расположение рисунка на изделии и автоматическую подачу ленты из нового рулона.
Все механизмы машины расположены на станине 12. Управление машиной осуществляется с пульта 8.
Технологический процесс упаковывания протекает следующим образом. Засыпанные в бункер 6 (рис. 9.7,б) изделия распределяются на желобчатой поверхности 5 в несколько потоков и в один поток на вибролотке 4. Дно вибролотка имеет отверстия, через которые в приемный ящик 3 ссыпается карамельная крошка.
С вибролотка изделия поступают на непрерывно-вращающийся диск 2 с расположенными по периферии отверстиями-ячейками 7. Внутренняя поверхность диска выполнена конической, поэтому изделия скатываются в ячейки. Когда изделия проходят над ленточным конвейером 1, расположенным по касательной к диску, они падают на него и направляются к узлу завертывания (формующей головке) 15.
Упаковочный материал из рулона 8 разматывается с помощью приводных 11 и поддерживающих 9 роликов. Для ориентированного расположения рисунка на ленте имеются черные полоски, которые через определенные промежутки времени пересекают луч фотоэлемента 10. Поступающие от него сигналы перерабатываются блоком информации и скорость размотки несколько увеличивается или уменьшается.
С помощью формующей головки 15 лента упаковочного материала преобразуется в трубу, внутрь которой с конвейера 1 поступают изделия. Нагретые вращающиеся ролики 14 сваривают продольный шов упаковочного материала, а роторы 12 — поперечный шов. Роторы 12 снабжены лезвиями, которые перерезают упаковку в месте поперечной сварки. Упакованное изделие выходит из машины по лотку 13.
Машина ЗКЦА с вертикальным ротором. Предназначена для завертывания мягких глазированных и неглазированных конфет в перекрутку в три обертки: рулонную этикетку, фольгу и подвертку. Машину устанавливают в поточных линиях.
Преимущество машины — короткий путь подачи изделий в заверточный механизм благодаря вертикальному расположению рабочего ротора и наличию ряда устройств в питателе и механизме завертывания.
Машина ЗЦКА (рис. 9.8) состоит из станины 7, ленточного транспортерного питателя 10, щетки 9, механизма разматывания обертки с бобинодержателями 3, механизма подачи и отрезания обертки 15, механизма завертывания 14, механизма блокировки подачи обертки 5, щупа 13, светильника с фотосопротивлением 12, защелок 8, лотка 6, поддона 1, счетчика количества завернутых конфет 16, тормоза 2, пульта управления 11, электрощита 4, устройства 17 для ручного проворота автомата.
Привод всех механизмов осуществляется от электродвигателя. Валы и кулачковые механизмы, связанные системой рычагов с рабочими органами машины, приводятся в движение через систему ременных и зубчатых передач.
На рис. 9.9 показаны принципиальная схема и последовательность операций завертывания изделия (до закрутки концов обертки).
Основные операции завертывания (рис. 9.9, а) протекают в трех рабочих позициях (I, II и III) шестипозиционного вертикального заверточного ротора 2, закрепленного на горизонтальном валу 1.

Рис. 9.8. Машина БКЦА с вертикальным ротором для завертывания конфет
Вал 1 периодически поворачивается на 60°. При положении ротора 2 в позиции I толкатель 11 подает предварительно отрезанное от жгута 9 изделие на нижнюю губку 13 ротора. Между изделием и ротором находится обертка 12, которая при поступлении изделия в ротор облегает его с трех сторон (рис. 9.9,б,в). Затем подвижная губка 6 ротора зажимает изделие с оберткой, а подгибатель 14 загибает нижний край оберточного материала (рис. 9.9,г). При повороте ротора верхний край оберточного материала загибается, наталкиваясь на неподвижный щиток 3 (рис. 9.9,д).
В позиции II концы обертки захватываются непрерывно вращающимися лапками 19, которые по мере закручивания сближаются во избежание обрыва концов этикетки. В позиции III завернутое изделие выталкивателем 16 подается на наклонный лоток 17, с которого оно скатывается на отборочный, жгут упирается во вращающийся нож 10. Затем толкатель возвращается в исходное положение, обходя снизу неподвижный столик 8, по которому перемещалось изделие.
На рис. 9.9, б показаны рабочие органы, облегчающие ввод изделий с оберткой в ротор: направляющая рамка 15 и рамка прижима обертки 20 (последняя показана только на рис. 9.9, б, в. г, д). Направляющая рамка 15 периодически выходит из ротора и доходит до обертки 12. К ней толкатель 11 прижимает обертку и изделие, которые затем вводятся толкателем и рамкой в ротор.

Рис. 9.9. Технологическая схема машины ЗКЦА:
а — рабочие позиции ротора; б, в, г, д, — последовательность упаковывания в первой позиции ротора
Выступающие за изделие края оберточного материала прижимаются к направляющей рамке 15 рамкой прижима 20. Оберточные материалы непрерывно подаются вращающимися роликами 4, а обертка отрезается с помощью непрерывно вращающегося ножа 7 и неподвижного ножа 5. Режущая кромка неподвижного ножа расположена наклонно, что улучшает процесс резания упаковочного материала.
Рассмотренная выше машина может быть использована в линии по производству конфет с подачей их от питателя, который представляет собой систему ручейковых конвейеров (по числу машин в линии), а также отдельно от индивидуальных (ручного и механического) питателей. Индивидуальный ручной питатель представляет собой неподвижный столик, примыкающий непосредственно к транспортеру питателя машины.
Индивидуальный механический питатель А2-ШПШ. Состоит из двух последовательно подающих конвейеров, узкого поперечного конвейера и установленного над ним вертикального конвейера (габаритные размеры питателя, мм: 795x770x910; масса 240 кг; производительность — по заверточной машине). В групповой питатель конфеты поступают от глазировочной машины; в индивидуальный — подаются оператором.
При установке машины в линию (рис. 9.10, а) конфеты А из ручейкового конвейера 1 питателя, к которому машина устанавливается под углом 90° или другим углом, вращающимся диском 2, огражденным подвижной направляющей 3, подаются между неподвижными направляющими 4 на конвейер 5 питателя машины. Конфеты, поступившие на конвейер питателя в положении на ребре, укладывается щеткой 6 плашмя или сбрасываются с конвейера через пониженные участки направляющих 4. Конфеты на конвейер питателя должны поступать уже сориентированными по длинной стороне. При переполнении питателя машины подвижная направляющая 3 опускается под действием электромагнита, которым управляет фотоэлектрический датчик питателя машины, и конфеты сбрасываются.
При питании машины от индивидуального ручного питателя (рис. 9.10, б) оператор перекладывает сориентированные конфеты А со столика 7 непосредственно на конвейер 5 питателя машины.
При питании машины от индивидуального механического питателя А2-ШПШ ( рис. 9.10, в) первый подающий конвейер 8 подает конфеты А на второй подающий конвейер 9. Так как скорость последнего значительно больше скорости первого, между конфетами создаются интервалы. Конфеты, подходя к поперечному конвейеру 10, под действием трения о его поверхность и движения вертикального конвейера 11 поворачиваются длинной стороной по ходу движения. Сориентированные по ходу движения конфеты поступают на конвейер 5 питателя машины. Так же, как и в случае установки машины в линию, конфеты, поступившие на конвейер питателя в положении на ребре, укладываются щеткой 6 плашмя или сбрасываются с конвейера через пониженные участки направляющих
При переполнении питателя машины привод питателя конфет А2-ШПШ выключаются по сигналу фотоэлектрического датчика, установленного на питателе машины.
Рычаг 12 контролирует наличие конфеты Если конфета отсутствует, рычаг поворачивается и через конечный выключатель блокирует подачу обертки.
Конвейер 5 питателя машины направляет конфеты к неподвижному упору 14, расположенному между толкателем 15 и рамкой 13. Конфета сталкивается толкателем 15 с конвейера 5 в ротор завертывающей машины. Перед началом движения толкателя подвижная рамка 13 освобождает путь движения конфеты.

Рис. 9.10. Схемы подачи конфет к заверточным машинам:
а — от линии, б — от индивидуального ручного питателя, в — от индивидуального механического питателя
Бухгалтерия: Автоматизация - Система 1С
- Бухгалтерия
- Бухгалтерская отчетность
- Автоматизация бухгалтерии
- Расчет налогов
- Бухгалтерские расчеты
- Бухгалтерский учет
- Бухгалтерия в 1С
- 1С - конфигурации
- 1С версия 7.7
- 1С версия 8.0
- 1С 8.0 программирование