Е. Э. Страшинин - Основы теории автоматического управления. Линейные непрерывные системы управления
Предлагаемое учебное пособие содержит первую часть конспекта лекций по двухсеместровому курсу теории автоматического управления, читаемому автором на радиотехническом факультете Уральского государственного технического университета. Первая часть посвящена линейным непрерывным системам управления. Во второй части будут рассмотрены нелинейные и импульсные системы.
ОТ АВТОРА
Вашему вниманию предлагается промежуточная версия первой части конспекта лекций Е.Э.Страшинина по курсу "Теория автоматического управления" - Линейные непрерывные системы автоматического управления.
Конспект составлен на базе лекций, читавшихся для студентов специальности 210100 - Управление и информатика в технических системах. Он может быть полезен также для студентов специальности 220100 - Вычислительные машины, комплексы, системы и сети.
Автор стремился в некоторой степени восполнить дефицит учебной литературы в области представления основ теории автоматического управления в терминах пространства состояний - то, что уже на протяжении последних двадцати лет называется Современной теорией управления. В Пособии этот подход неразрывно связан с традиционной, классической теорией автоматического управления. Стали классическими прекрасные учебники А.А. Воронова ([16], [17]), А.В. Нетушила ([14], [15]), А.А. Красовского и Г.С. Поспелова [7], В.А. Бесекерского и Е.П. Попова [2]. Некоторая лаконичность в изложении традиционной теории обусловлена наличием достаточно обширного перечня соответствующей учебной литературы и ограничениями на объём Пособия.
Автор выражает глубокую признательность студентам группы Р-371 Е.Заводчикову, С. Быкову, И.Варнаваскому, А. Головко, А.Муковнину, А.Орлову, Б.Павлову, К.Павлову, А.Сосунову, которые провели очень большую работу по подготовке электронной версии и редактированию конспекта, Валентине Александровне Табуевой и Дмитрию Вячеславовичу Астрецову, которые взяли на себя труд прочитать рукопись и сделать чрезвычайно полезные для автора замечания.
Автор заранее благодарен за критические замечания и предложения по совершенствованию Пособия, которые можно направить на кафедру АИТ УГТУ-УПИ или по электронной почте по адресу
1. Введение в теорию автоматического управления
На рубеже XVIII-XIX веков в эпоху промышленного переворота в Европе начинается новый этап развития автоматики, связанный с внедрением ее в промышленность. 1765 год знаменуется постройкой регулятора уровня котла паровой машины И. И. Ползунова. В 1784 году появляется центробежный регулятор скорости паровой машины Уатта.
В это время формируется ряд важных принципов автоматики: принцип регулирования по отклонению Ползунова- Уатта и принцип регулирования по нагрузке Понселе. Первый из них развился в концепцию обратной связи, второй - в теорию инвариантности (Г. В. Щипанов, Н.Н. Лузин, Б.Н. Петров). Идея регулирования по нагрузке может быть проиллюстрирована на примере генератора с последовательным (сериесным) возбуждением (рис.1.1). При изменении нагрузки меняется ток возбуждения, который соответствующим изменением магнитного потока компенсирует дополнительное падение напряжения на внутреннем сопротивлении якоря генератора. Однако, если при этом по каким-либо причинам изменяется скорость вращения якоря генератора, то застабилизировать напряжение на нагрузке в этой схеме уже не удается.
|
U |  |
Рис.1.1. Пример регулирования по возмущению
От этого недостатка свободна схема, приведенная на рис. 1.2, -именно вследствие использования принципа обратной связи. В этой схеме входной потенциометр служит для задания (коэффициент а) величины стабилизируемого напряжения; потенциометр, подключенный к якорю генератора, позволяет регулировать коэффициент обратной связи а
2. В этом случае, в отличие от систем регулирования по возмущению, не важно, какая именно причина вызвала изменение регулируемой величины. При изменении напряжения на щётках генератора в соответствии с электрической схемой изменяется напряжение на обмотке возбуждения. При отрицательном знаке обратной связи знак приращения напряжения возбуждения противоположен знаку изменения напряжения якоря генератора. В итоге результирующая величина отклонения напряжения генератора уменьшается по сравнению с соответствующим уходом напряжения в системе без обратной связи.
|
4-^ |
U, |
і |
|
|
|
*2 _^ |
|
a |
|
; л |
-^ |
+
>- |
л
О-с |
О
о
—> |
|
|
Рис.1.2. Стабилизация напряжения генератора с использованием обратной связи |
На этом же принципе построена приведенная на рис.1.3 система стабилизации скорости паровой машины Уатта. На рис.1.4 представлена её функциональная схема. В данной системе с увеличением нагрузочного момента M
H падают обороты турбины Ф, что приводит к уменьшению расстояния 2r между грузиками центробежного регулятора. Вследствие этого заслонка поднимается (увеличивается расстояние S) и растет расход пара Q, подаваемого в турбину. Это приводит к росту числа оборотов турбины Ф, а следовательно, к компенсации нагрузочного момента M
H.
При изменении нагрузки на валу паровой машины после окончания переходных процессов сохраняется так называемая статическая ошибка. Если бы это было не так, то грузики центробежного регулятора, а вместе с ними и заслонка заняли своё первоначальное положение, и не изменившееся в результате количество подаваемого в турбину пара не смогло бы уравновесить изменившийся момент нагрузки. Такая система называется статической. Работа её осуществляется именно за счёт наличия статической ошибки.
Рассматриваемая система относится к классу систем прямого действия, то есть таких, в которых для реализации регулятора не используются дополнительные источники энергии. В данном случае это плохо, потому что для мощных установок перемещение тяжёлой заслонки потребует неразумно громоздкого и тяжёлого центробежного регулятора.
|
нагрузка |
 |
|
Рис. 1.3. Система стабилизации скорости паровой машины |
Таким образом, система является статической системой прямого действия.
Введём следующие определения:
¦ Статической системой называют систему, работающую за счет статической ошибки;
¦ Системой прямого действия называют систему, регулятор которой не имеет собственных источников энергии.
Описание системы управления может быть представлено в графическом виде.
¦ Функциональной схемой называется блок-схема, каждый элемент которой отображает некоторый физический элемент (группу физических элементов) рассматриваемой системы.
¦ Структурной схемой называется блок-схема, каждый элемент которой отображает некоторый математический оператор (группу операторов), описывающий рассматриваемую систему.
Использование функциональных и структурных схем позволяет более наглядно представить взаимосвязь между отдельными основными и промежуточными переменными объектов и систем управления
 |
Ю |
Рис.1. 4. Функциональная схема системы стабилизации скорости
турбины |
Типовая функциональная схема системы автоматического управления (САУ) представлена на рис.1.5, где: и - управляющий сигнал; у - управляемый сигнал;
f - возмущающее воздействие.
Кружок с четырьмя секторами является сумматором, причём сигнал, поступающий на зачернённый сектор, изменяет свой знак (вычитается).
 |
|
Рис.1.5. Типовая функциональная САУ |
|
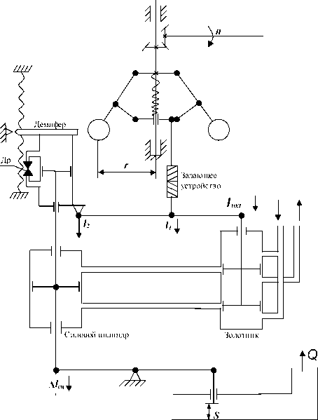
Рассмотрим вариант системы стабилизации скорости турбины, в котором сделана попытка устранить недостатки, присущие рассмотренной выше статической системе прямого действия. На Рис.1.6 показан регулятор для этой системы. |
 |
|
Рис.1.6. Регулятор системы стабилизации скорости турбины с использованием гидравлического усилителя |
Для этого в систему введен гидравлический усилитель, включающий в себя золотник, силовой цилиндр и масляный насос. Такая система, в которой энергия регулятора потребляется от отдельного источника, называется системой непрямого действия.
При заданной скорости расстояние между грузиками центробежного регулятора равно номинальному значению (r = r
0), положение плеча
золотника 1
ЗОЛ также равно номинальному значению (1
ЗОЛ = 1
ЗОЛ0), при
этом поршень золотника полностью перекрывает выходные отверстия, следовательно, положение поршня силового цилиндра неизменно.
С увеличением нагрузочного момента M
H падают обороты турбины ю, что приводит к уменьшению расстояния r между грузиками центробежного регулятора. В результате изменяется положение поршенька золотника. Это, в свою очередь, приводит к перемещению поршня силового цилиндра, а, следовательно, и к дополнительному приоткрытию заслонки S. Соответственно увеличивается расход пара, возрастает скорость оборотов турбины ю и увеличивается расстояние r. Статика (установившееся состояние) в системе возможна только тогда, когда /
2 = /
2 , то есть, когда полностью перекрыты перепускные отверстия золотникового устройства.
Теоретически в этой системе статическая ошибка равна нулю, то есть данная система является астатической. В ней отсутствует статическая связь между скоростью и положением заслонки.
Рассмотрим упрощенные уравнения системы. Начнём с уравнения объекта. Очевидно, что изменение скорости турбины может происходить лишь в тех случаях, когда нарушается равновесие между движущим моментом турбины M
T и моментом нагрузки M
H:
dAю
~dt~
= AM
T
-AMн
(1.1)
где J - суммарный момент инерции, приведённый к валу турбины.
С целью упрощения в уравнении (1.1) использованы приращения скорости и моментов. Более подробно такой подход будет рассмотрен в разделе, посвященном линеаризации систем.
Будем полагать, что приращение момента турбины пропорционально приращению количества подаваемого пара
AM
T = K
T AQ.
Запишем уравнение центробежного регулятора. Полагая, что сами отклонения скорости и вызванные ими приращения внутренних переменных регулятора малы, мы можем выразить все зависимости в линейном виде. Тогда приращение скорости раскрытия грузиков и изменение положения поршенька золотника будут связаны линейными зависимостями:
Ar = K •Aw ;
(1.2)
А,о„ = ~
Kr ¦
Ar ¦
Составляя уравнение гидравлического усилителя, учтём, что скорость перемещения поршня силового цилиндра пропорциональна величине открытия перепускных отверстий золотника, то есть приращению АІ
зол:
dAI
сц
dt
=K
АІ
(1.3)
Приращение координаты штока силового цилиндра повлечет за собой изменение положения заслонки и, следовательно, изменение количества подаваемого в турбину пара:
(1.4)
AQ = K •АІ
^ сц сц
Продифференцировав уравнение (1.4) и, учитывая уравнения для центробежного регулятора (1.2) и гидравлического усилителя (1.3), получим уравнение для регулятора:
dAQ
= -K
P • Aw,
(1.5)
где K
P = K
cu • K
Зол • K
r • K
w- коэффициент регулятора.
Запишем совместно уравнения объекта и регулятора
— = К ¦ AQ - K
H • AM
H dt
q H H
= -K
P • Aw
dAQ
dt
продифференцируем первое уравнение и подставим в него второе:
dAw dAM
H
d
- kh
d
2 Aw
= Kq (-Kp
dt
2 q'
p dt '
H dt
При условии постоянства нагрузки, получаем уравнение свободного движения всей системы
d
2 Aw
+ K • AW = 0
(1.6)
где
K = Kp • Kq.
Соответствующее характеристическое уравнение имеет вид:
Я
2 + К = 0
его корни -
Я,
2 = ±І^К .
Таким образом, решение уравнения (1.6) имеет вид:
АО) = С
1е
Я1 + С
2е
Я = A • Sin^JK • t + ф), (1.7)
где A и ф определяются начальными условиями.
В результате решения получили, что в данной системе в принципе не существует установившегося (статического) состояния. Следовательно, система неработоспособна.
С целью успокоения незатухающих колебаний (1.7) введём в систему демпфер (рис.1.7) и рассмотрим, что в ней происходит при изменении нагрузки. С увеличением нагрузочного момента M
H уменьшается скорость вращения турбины о, что приводит к уменьшению расстояния r между грузиками центробежного регулятора. Это влечет за собой изменение положения поршенька золотника А/
зол, а, следовательно, и изменение положения поршня силового цилиндра. При этом одновременно происходит два процесса.
Во-первых, вместе со штоком силового цилиндра опускаются поршень и цилиндр демпфера, уменьшая первоначальное изменение А/
зол. Скорость перемещения поршня демпфера относительно его цилиндра невелика и регулируется с помощью специального дросселя Др.
Во-вторых, приоткрывается заслонка, увеличивая количество подаваемого в турбину пара, и начинает расти скорость о.
За счёт первого движения поршни золотника могут перекрыть перепускные отверстия ещё до восстановления номинального значения о. В то же время пружины стремятся вернуть демпфер в исходное положение, и, в конечном итоге, А/
2 стремится к нулю. Теперь уже перепускные отверстия золотника будут перекрыты только при номинальной скорости. Следовательно, система с демпфером, как и предыдущая, является астатической.
Рассмотрим, как повлияло введение демпфера на незатухающие колебания, выявленные в предыдущем варианте системы. Считая отклонения от номинального режима малыми, запишем уравнения эле-
|
ментов регулятора. Как и раньше, |
|
Аг = К Ао ;
со 1 |
<
*
1
II
< |
(1.8) |
di
dt |
= К,ол ¦А/,ол ¦ |
(1.9) |
В отличие от предыдущей системы, в данном случае положение штока золотника зависит не только от центробежного регулятора, но и от демпфера:
 |
|
Рис.1.7. Регулятор системы стабилизации скорости турбины с использованием успокоительного демпфера |
Ы
3о
Л = K1 •А/
1 - K 2-М
2. (1.10)
Упрощенные уравнения демпфера основываются на равенстве сил пружин:
AF = K
пр ¦ А/
2
пр пр 2
и сил, связанных с перемещением поршня демпфера относительно корпуса:
F Kd Ц
т - 4)
F‘ =
K ‘—щ— ¦
Переходя к преобразованиям Лапласа при нулевых начальных условиях, запишем равенство этих сил в виде:
K ‘ Р ¦ (А/
и
А/2) = Kпр -А/
или
^ ¦ р
А/2 +
А/2 = At ¦ р
А/сц .
пр
пр
Таким образом, изображения перемещений штока силового цилиндра и корпуса демпфера связаны соотношением:
T, Р Т‘ Р +1
¦А/сц ,
А/
0 =
(1.11)
где постоянная времени демпфера
Т‘ = K ‘/K пр.
Из (1.9) и (1.10) следует:
Р¦А/ц = Kзол ¦ (K,АI, -K2А/
2) а с учётом (1.11) получаем
T‘ Р T‘ Р +1
Р ¦
А/сц =
Kзол '(
K1
А/1
- K2
А/сц )
откуда
(
Р^ А/ц = K ол K А/
?
1 + K
зол K
2
(1.12)
г, р+1
Используя равенства (1.8), (1.12) и (1.4) получим связь между входом регулятора АЮ и его выходом АО,:
т'
р +
1K pAQ = KK,(-KK )Дю
(1.13)
^ -I q рег~ ^ зол 1 v л ю /
I
d p + I
где
K = 1 + K
зол KT
; T =
дрег
1 + K
30fl K
2T
d
зол2д
сц
Если T << Т
д, то (1.13) упрощается:
AQ =
Kюрег
Д®.
Kq рег ' Р
Тд Р +1
Это равенство можно разрешить относительно AQ:
K^ (Тд Р + 1)
AQ =
Дю
Kq рег ' Р
Введём обозначения K
K ю рег
Тд !/
регпропорц. іу ’ *' регинтегр.
ю рег
q рег
q рег
и окончательно получим уравнение регулятора, в котором выходная величина AQ формируется как сумма пропорциональной и интегральной составляющих ошибки стабилизации Дю:
AQ = -K -ДЮ- K —. (1.14)
^ регпропорц. регинтегр. p \ /
Запишем уравнение объекта (турбины) относительно изображений по Лапласу его входной и выходной переменных:
p • Дю = K
q AQ - K
H AM
H. (1.15)
Продифференцируем последнее равенство и подставим в него уравнение регулятора (1.14). В результате получим уравнение системы в целом:
p
2 Дю + K
qK
Дю = -K
H • p • AM
H. (1.16)
p • Дю + K
qK
q регпропорц.
q рег интегр.
Корни соответствующего характеристического уравнения
p
12 = -0.5K„K
)
2 - KqK
±Л (0.5KqK
q рег пропорц
q рег пропорц
q рег интегр
всегда имеют отрицательные вещественные части. Это означает, что в отличие от предыдущего случая свободная составляющая решения уравнения (1.16) с течением времени стремится к нулю. Таким образом, введение демпфера позволило получить устойчивую, работоспособную систему.
Разработчики первых систем автоматического регулирования столкнулись со случаями катастрофической неустойчивости, на первый взгляд, безукоризненных систем. В 1845 году братья Вильям и Вернер Сименсы предложили метод регулирования по производной. Существо их предложения можно пояснить на примере следящей системы, функциональная схема которой приведена на рис.1.8. На рис.1.9 представлен фрагмент переходных процессов по выходной координате (р
вых, рассогласованию (ошибке) ? и производной рассогласования в. Хотя в точках А1 и А2, В1 и В2 отклонение выходной координаты от входной соответственно равны, управлявшее воздействия на объект должны быть различными, так как в точках А1 и В2 выходная координата движется к требуемому значению, а в точках В1 и А2 - удаляется от него. Учитывая инерционные свойства объекта, целесообразно в формирователе закона управления реализовать управлявшее воздействие U, пропорциональное сумме а? + а
2?. Добавление сигнала производной уменьшит абсолютную величину управления в т.т. А.1 и В2 и увеличит её в точках B1 и A2.
Распространение автоматических регуляторов вызвало потребность в разработке теоретически обоснованных методов их расчета. В 1866 году выходит в свет статья Максвелла "О регуляторах". В 1876 году появилась работа, оказавшая большое влияние на науку о регулировании -труд профессора И. А. Вышнеградского "Об общей теории регуляторов". В этой работе было выведено условие устойчивости для линейных систем третьего порядка и даны конкретные указания о том, как влияют конструктивные параметры на устойчивость. И.А. Вышнеградский явился основоположником классической теории регулирования. Работы Вышнеградского были продолжены словацким учёным А. Стодолой. По его просьбе швейцарский математик А. Гурвиц в 1895 году ввел алгебраические условия устойчивости для линейных систем любого порядка. Долгое время оставалась неизвестной инженерам аналогичная работа Рауса, выполненная им еще в 1877 году по просьбе Максвелла.
 |
|
Рис.1.8. Функциональная схема следящей системы Лишь впоследствии, с развитием вычислительной техники, стало ясно, что критерий Рауса обладает гораздо большей алгоритмической и вычислительной мощностью и весьма удобен для использования на ЭВМ. |
 |
|
в закон регулирования. |
Большой вклад в теорию автоматического регулирования внес известный русский ученый Н.Е. Жуковский. В 1880 году вышла его работа "О прочности движения". Он читал лекции по теории регуляторов в Московском университете, Математическом обществе и Московском техническом училище. В 1909 году вышел его учебник по классической теории регулирования - "Теория регулирования хода машин".
Основы общей теории устойчивости динамических систем были заложены выдающимся русским учёным А.М. Ляпуновым. В своей докторской диссертации в 1892 году им впервые были сформулированы условия устойчивости решений обыкновенных дифференциальных уравнений, дано строгое определение понятия устойчивости, разработаны два основных метода исследования устойчивости: первый метод Ляпунова исследования устойчивости в малом и второй, прямой метод исследования устойчивости в большом.
В те годы, по-видимому, еще никто не подозревал о будущей роли теории А.М. Ляпунова в общей теории управления. Лишь в 40-50 годах его теоремы заработали в полную силу.
В 1932 году американский учёный Найквист разработал теорию устойчивости усилителей с обратной связью. В 1936 году молодой советский ученый А. В. Михайлов распространил критерии Найквиста на системы автоматического регулирования и предложил свой собственный критерии устойчивости, который с тех пор называется его именем.
В 1937 году вышла большая работа советских учёных А.А. Андронова, С.Э. Хайкина и других по теории нелинейных колебаний, где впервые были введены понятия периодических режимов, автоколебаний, фазового пространства.
Сороковые годы нашего столетия отмечены бурным развитием частотных методов, и большую роль в их пропаганде и внедрении в практику проектирования в нашей стране сыграл профессор В. В. Солодовников и его ученики, в это же время Н. Винер и А.Н. Колмогоров создают теорию синтеза статистически оптимальных систем. В 1948 году К.Ф. Теодорчиком в СССР и в I950 году Ивенсом в США закладываются основы теории корневых годографов.
В 50-60 годы закладывается новое перспективное направлении - теория оптимального управления. У истоков этой теории стояли советские ученые А.А. Фельдбаум, Л.С. Понтрягин, А.М. Летов, Е.А. Барбашин, А.А. Красовский, Н.Н. Красовский, американские учёные Р. Беллман, Р. Кал-ман и другие.
В 60-е годы М.А. Айзерманом и В.М. Поповым разрабатывается теория абсолютной устойчивости нелинейных систем. Большой вклад в теорию импульсных и цифровых систем автоматического управления внесли Ю.Ту, Я.З. Цыпкин, Л.Т. Кузин, Э. Джури. В.С. Пугачёв обогатил теорию управления разработкой вопросов статистической динамики. Родоначальником теории дифференциальных игр является академик Н.Н. Красовский. Свердловские математики ведут продуктивную работу в области распознавания образов и управления в условиях неопреде-лённости. Всемирно известны работы российских учёных Б.Н. Петрова и С. В. Емельянова в области теории и практики адаптивных систем.
Теория автоматического управления (ТАУ) - это наука, которая, абстрагируясь от конкретного исполнения различных объектов и систем АУ, изучает особенности установившихся и динамических режимов этих систем и предлагает методы проектирования управления, обеспечивающего выполнение требований, предъявляемых к ходу управляемого технологического процесса.
По принципу формирования управления системы автоматического управления (САУ) подразделяется на:
¦ разомкнутые,
¦ замкнутые,
¦ комбинированные.
По цели управления САУ подразделяют на:
¦ системы стабилизации,
¦ системы программного управления,
¦ следящие системы.
ТАУ работает с математическими моделями объектов системы управления, сочетает анализ и синтез.
По математическому описанию и по свойствам САУ подразделяются на следующие типы:
¦ обыкновенные системы - системы, которые описываются дифференциальными или разностными уравнениями с сосредоточенными параметрами;
¦ системы с распределенными параметрами;
¦ непрерывные системы - системы, все координаты (переменные) которых являются непрерывными функциями времени;
¦ дискретные системы - системы, в которых хотя бы одна из координат (переменных) является импульсной (дискретной или решётчатой) функцией времени;
¦ детерминированные системы - системы с постоянными или изменяющимися известным (детерминированным) образом параметрами;
¦ стохастические системы - системы, параметры которых изменяются во времени случайным образом;
¦ линейные системы - системы, которые описываются линейными дифференциальными или разностными уравнениями;
¦ нелинейные системы- системы, которые описываются нелинейными дифференциальными или разностными уравнениями;
¦ традиционные одноуровневые системы - системы с регулированием только основных переменных;
¦ системы с адаптивным управлением, в которых кроме основного контура с отрицательной обратной связью имеется контур, оценивающий текущие параметры управляемого объекта и соответствующим образом изменяющий управляющее воздействие или перестраиваемые параметры регулятора;
¦ оптимальные системы.
Более подробная и обстоятельная классификация систем автоматического управления приведена в обширной литературе по теории управления В частности, можно порекомендовать учебник А.А. Красовского и Г.С. Поспелова [7].
2. Методы анализа непрерывных систем
2.1. Понятие пространства состояний
С точки зрения анализа и синтеза систем все переменные, характеризующие объект управления (рис.2.1) или имеющие к нему отношение, делятся на три группы.
|
|
л |
fi |
f2 ----------
Г 1 |
|
|
|
u1 > |
|
|
|
|
у1 „ |
|
w |
|
|
|
|
W |
|
U 2 , |
|
|
|
|
У 2 „ |
|
w |
|
|
|
|
W |
ип
пи ь |
|
|
X
С
X
см
X
х" |
|
Упу |
|
W |
|
|
|
|
-W |
|
|
Рис.2. 1. Объект управления |
1. Входные воздействия, представляющие сигналы, генерируемые системами, внешними по отношению к исследуемому объекту, и влияющие на его поведение. Внешние сигналы разделяют на сигналы управляющие - u
1,и
2,...,u
nu и возмущающие - f
i,f
2,...,f .
2. Выходные переменные, или переменные, позволяющие описать некоторые аспекты поведения объекта, представляющие интерес для исследователя или потребителя результатов функционирования объекта -
3. Переменные состояния, или промежуточные переменные x
i,x
2,k,x , характеризующие динамическое поведение исследуемого объекта или системы.
Для удобства оперирования с многомерными величинами совокупность управляющих переменных представляют в виде вектора управления и. Аналогичным образом вводятся понятия вектора возмущения f , вектора выхода у и вектора состояния X:
|
|
Г Ui 1 |
|
Г fi'] |
|
Г У і ] |
|
Г Хі ) |
|
и = |
U2 |
, f = |
|
, У = |
У 2 |
, X = |
Х 2 |
|
|
ип
V nU J |
|
'х-- |
|
V УпУ ) |
|
X
3
X
Ч |
Множество всех значений, которые может принять вектор U в момент времени t, образует пространство управления. Аналогично вводятся понятия пространства возмущений, пространства выходов и пространства состояний.
В любой момент времени t состояние системы является функцией начального состояния X(t
o) и векторов u(t
0,t) и f (t
0, t). Если известно, как изменялись эти векторы на интервале [t
0, t ], то однозначно может быть определено состояние системы x(t):
X(t) = F {X(t о), u(to, t), f(t„, t)}. (2.1-1)
Вектор выхода в момент времени t является функцией тех же переменных:
У (t) = У {X(to), u(to, t), f (to, t)}. (2.1-2)
Состояние системы отделяет будущее от прошлого, так что состояние содержит всю информацию, необходимую для определения реакции объекта на произвольный входной сигнал. Понятие состояния является основным исходным понятием и, следовательно, не может быть определено более полно, чем, например, слово "множество" в математике. Наибольшее, что можно сделать, это сформулировать свойства, какими должна обладать система, поведение которой отвечает понятию состояния.
Основным свойством состояния является то, что будущие значения его не зависят от характера достижения системой её текущего состояния. Состояние системы в данный момент времени, а также текущее и будущие значения её входов единственным образом определяют настоящее и будущие значения её состояния и выходов.
Уравнение (2.1-1) называют уравнением состояния системы, а уравнение (2.1-2) - уравнением выхода. Если объект описывается дифференциальным уравнением, то уравнения (2.1-1) и (2.1-2) превращается в
X(t) = F{X(t),U(t),f(t),t}, X(to) = Xо; (2.1-3)
y(t) = У {X(t),U(t), f (t), t,V(t)}, (2.1-4)
где дополнительно введён вектор ошибок измерений v (t).
Как правило, выбор состояния естественным образом следует из физического устройства системы, а уравнение (2.1-3), называемое дифференциальным уравнением состояния, обычно следует из элементарных физических законов, которыми определяется её поведение.
2.2. Линеаризация исходных уравнений
Почти все реальные объекты и системы автоматического управления являются нелинейными. Однако, среди нелинейных функций F и *? часто встречаются такие, которые при определённых допущениях в рабочей области функционирования системы могут быть заменены линейными. В качестве примера такого случая представлена элементарная функция на рис.2.2. В данном случае возможна линеаризация, так как если точка A перемещается на небольшие расстояния по кривой V
2 = f (Ц), то этот участок кривой можно заменить отрезком прямой. В то же время, нелинейная функция на рис.2.3 не допускает подобную замену, если в процессе работы системы происходит изменение уровня выходного сигнала V
2. Системы с такого типа функциями называют существенно нелинейными. Их исследованию будет посвящен специальный раздел пособия. Ниже будет рассмотрен класс систем, допускающих линеаризацию.


Рис. 2.2. Линеаризуемая
Рис-
2-
3-
Существенная
нелинейность
нелинейность
Пусть режим функционирования объекта определяется некоторой траекторией по вектору управления U
0(t), а действительная реализация
u(t) близка к ней:
U(t) = U
0(t)+AU(t). (2.2-1)
При этом решение уравнения (2.1-3) можно записать в виде
x(t) = Xo(t)+Ax(t), (2.2-2)
где X
0(t) - решение уравнения (2.1-3) при U = u
0(t).
Назовём функционирование объекта (системы) при U = u
0(t) базовым режимом. Переменные AX(t), AU(t), Af (t) - это отклонения от соответствующих переменных в базовом режиме.
Подставим теперь выражения для X(t) и U(t) в исходное дифференциальное уравнение состояний
* o(t) + &x (t) = F { x o(t) + Ax(t), U
a(t) + Au(t), f
0(t) + Af (t ),t} и разложим функцию F в ряд Тейлора:
x o(t)+AX (t) = F {x
0,u
0, f„, t}+Jx {{X „,й
0, f,, t }Ax +
(2.2-3)
+ J
u { x o, й o, fo, t }Ай + J, {x o, й o, fo, t} Af + R.
Здесь R - остаточный член, содержащий высшие степени приращений, и им можно пренебречь, J
x, J
u, J
f - матрицы Якоби функции F для x, й
и f.
Элемент матрицы Якоби определяется как соответствующая частная производная (J
x)
ik = . Например, для системы второго порядка
dxk
соответствующее слагаемое в правой части (2.2-3) имеет вид
|
J -Ax = |
|
1 |
dFi" |
|
|
|
dx 1 |
dx 2 |
|
~Ax1 ~ |
|
|
dF2 |
dF2 |
|
Ax 2 |
|
|
_i |
dx 2 _ |
|
|
|
dF dF1
- Ax +—L Ax,
dx
F Ax1 +F Ax 2
dx |
dx
dx
Пренебрегая в (2.2-3) остаточным членом R и учитывая уравнение для базового режима, получим:
ax(t) = Jx{xo, Uo, fo, t}Ax + Ju{xo, Uo, fo, ^Au + J,{>
fo, Ц., f,, t}Af . (2.2-4)
Введем обозначения:
A(t) = Jx {xo(t), u„(t ), fo(t), t};
B(t) = Ju {o(t), iio(t), fo(t), t};
G(t) = J, {), {(t), fo(t), t }a f(t).
В результате получим:
Линейное дифференциальное векторно-матричное уравнение с переменными параметрами (коэффициентами)
Ax(t) = A(t) - Ax(t) + B(t) - AU(t) + G(t) - A
f(t), (2.2-5)
Аналогичным образом проведем линеаризацию уравнения выхода:
Впредь, рассматривая линейные модели системы, будем опускать символ A при записи приращений соответствующих векторов. Таким образом, линеаризованные уравнения объекта (системы) примут вид
(2.2-7)
(2.2-8)
x (t) = A(t )x(t) + B(t )u(t)+G(t )f (t);
y (t) = C(t )x (t)+D(t )u(t) + v (t).
Ha рис. 2.4 приведена структурная схема, являющаяся графическим изображением уравнений (2.2-7) и (2.2-8).
D(t)
x(t)
C(t) -WX)—> У(t)
и (t)
v (t)
G(t) ^)*- A(t)
f (t)
Рис. 2.4. Обобщённая структурная схема объекта
управления
В качестве примера рассмотрим смесительный бак, который наполняется с помощью двух потоков, имеющих переменные мгновенные расходы F
1(t) и F
2(t) (рис. 2.5). Оба входных потока содержат растворимое вещество с неизменными концентрациями C
1 и C
2. Выходной поток имеет массовую скорость истечения (мгновенный расход) F(t). Предполагается, что содержимое бака перемешивается так, что концентрация выходного потока равна концентрации C
out (t) в баке.

Запишем уравнения баланса масс в баке. Для полной массы:
dV (t) dt
Fi(t) + F
2(t) - F (t).
(2.2-9)
Для массы растворённого вещества:
(2.2-10)
dd {C
M (t )V (t)} = CiFi(t) + C2F2(t) - C
M (t )F(t).
Мгновенный расход выходного потока при естественном истечении зависит от уровня жидкости в баке h(t) следующим образом:
F (t) = к,Щ, (2.2-11)
где к - некоторая константа. Это следует из уравнения Бернулли, которое описывает энергетический баланс жидкости перед сливным отверстием и после него. Потенциальная энергия жидкости перед сливным отверстием пропорциональна h. При истечении из бака энергия жидкости превращается в кинетическую энергию потока, пропорциональную
квадрату скорости О
2. Приравнивая эти энергии, получаем U = k^fh.
Расход F пропорционален произведению скорости истечения на площадь сливного отверстия, откуда и следует (2.2-11).
Если бак имеет постоянную по высоте площадь поперечного сечения S, то
(2.2-12)
Тогда из (2.2-9) и (2.2-10) получаем:
F(t) + F,(t) - k
dV (t) dt
dd
t {C(t )V (t)} = CF(t) + C
2F,(t) - C
0„t (t )^l
VSf
).
Выберем в качестве базового режима установившееся состояние (статику), когда все величины являются постоянными - F
10,F
20,F
0,C
0,V
0. При этом из предыдущих уравнений получаем
0 _ F10 +
F20
— F0 ,
0 =
C1
F10 +
C2
F20
— C0
F0 .
V.
S '
При известных F
10 и F
20 эти уравнения могут быть разрешены относительно F
0,V
0 и C
0:
C =
C1
F10 +
C2
F20
V =
SF2
V0 =
sk>
F0
F10 +
F20 ;
Предположим теперь, что возникли отклонения от установившегося состояния
F, (t) = F10 +AF1(t),
F2(t) = F20 +AF
2(t)
и, как следствие,
F (t) = F0 +AF (t),
V (t) = V0 +AV (t); C
out (t) = C0 + AC(t).
Если эти отклонения невелики, то можно провести линеаризацию нелинейных дифференциальных уравнений объекта.
Сначала линеаризуем уравнение для полной массы
V0 +AV (t)
d_
dt
V0(t) + A V (t)} = F10 + AF1 (t) + F20 + AF
2(t) — k
Используем разложение нелинейной функции в ряд Тейлора и учтём, что:
1 1
d
dV
Vv '
Л?о=2??Г
AV'
Тогда
+ Rt)'
лV (t) = F
n + Л^(і) + Р
2о + Л^) - k
Учитывая уравнение статики, и пренебрегая остаточным членом, получим:
ЛV (t) = Л^(І) + ЛF
2(t)
ЛV (t).
(2.2-13)
2VS7;
Введём параметр ? = —, называемый временем заполнения ба
ка. Тогда, учитывая (2.2-12), получим
к = 1
ЪЩ = 2?'
Кроме того, отметим, что
кЛV ЛV , —
= ЛF.
(2.2-14)
(2.2-15)
2 SV 2?
Таким образом, вместо (2.2-13) запишем
(2.2-16)
1
Л»&(t) = ЛF
1(t) + ЛF,(t) --'-^V (t).
2?
Проведем аналогичные действия для уравнения баланса масс растворённого вещества.
d_
dt
{ +ЛС( )][[ + лv (t )]} =
= С, [F,o + ЛF, (t)] + С
2[о + ЛF2(t)] - [Со + ЛС^)] + S
V(t). После разложения в ряд Тейлора получим
VoC(t)+CVy) = С^о + C,ЛF,(t)+С 2 F20 + С
2 ЛF
2(t) -
V V С к
С о 4S- - Ns
ЛС('
) - 2fe
AV (t) - R(t).
Учтём уравнения статики и отбросим остаточный член: V„C (t)+C
0V (t) = C,AF,(t)+C 2 AF,(t) -
V AV (t).
V k AC(t) - C S
02V„\
Подставим в это уравнение V (t) из (2.2-16). Получим:
C
Vo AC = CiAFi(t) + C
2 AF,(t) - Fo AC(t) - A V (t)
2?
C
- Co AFi(t) - Co AF,(t) - Cl aV (f).
2?
Таким образом, в результате линеаризации мы получили систему следующих дифференциальных уравнений, которые описывают процессы в смесительном баке:
. 1 AV (t) = AFi(t) + AF,(t)-C-AV (t)
2?
(2.2-17)
C
- C C
- C
AC(t) = - ^ AC(t) +
0 AF
1 (t) +
2,,
0 AF
2 (t).
На этом завершён для данного примера первый этап разработки -составлено математическое описание объекта и в результате линеаризации получена его линейная модель. Далее это описание нужно представить в удобной форме - в виде векторно-матричных дифференциальных уравнений и в виде структурной схемы.
Представим математическое описание объекта в виде векторноматричных дифференциальных уравнений. Введем обозначения:
|
x(t) |
|
|
|
|
|
'AF" |
|
'AV (t )¦ |
; u(t) = |
'AFi(t)" |
; y (t)= |
AC |
|
AC(t)_ |
AF2(t)_ |
_AV _ |
|
Теперь систему уравнений (2.2-17) можно записать в векторноматричном виде:
x (t) = Ax (t) + Bu(t) y(t) = Cx(t),
где:
|
Л = |
1 0 2?
0 -—
L ?J |
; B = |
о
о
о |
1
О
О
CN
О |
; C = |
і
О Ч- 3°
1_ |
|
|
|
Vo |
V0 J |
|
1 0 |
|
|
Структурная схема объекта представлена на рис.2 6 |
 |
Рис. 2.6. Структурная схема смесительного бака как
объекта управления |
На основании полученных дифференциальных уравнений и структурной схемы можно провести предварительный анализ свойств объекта и сделать следующие выводы.
1. Изменение любой из входных переменных AF
1 и AF
2 приводит к одновременному изменению всех выходных переменных AV, AF и AC. Это особенно наглядно следует из наличия перекрёстных связей на структурной схеме объекта.
2. При ступенчатом изменении любой из входных переменных каждая из выходных переменных изменяется по экспоненциальному закону, причём темп изменения концентрации AC вдвое медленнее темпа изменения объёма А V.
Предметом отдельного рассмотрения при проектировании системы управления (СУ) должен стать анализ диапазонов изменения переменных объекта, в которых сохраняется адекватность линейной модели.
Прежде, чем закончить рассмотрение данного примера, имеет смысл продемонстрировать некоторые последующие действия разработчика в части синтеза алгоритмов управления. Перед разработчиком среди прочих встанут следующие две задачи. Одна из них - обеспечение заданных требований по длительности и качеству процессов в системе, то есть её динамических свойств. Рассмотрению соответствующих вопросов посвящён третий раздел настоящего пособия.
Вторая задача - обеспечение возможности независимого управления объёмом и концентрацией. Введём понятие командных сигналов по требуемым концентрации -
Arc и объёму - Ar
v. В статике производные
всех переменных должны быть равны нулю, и как следует из структурной схемы и дифференциальных уравнений объекта, должны выполняться равенства:
AF + AF,
AU = 0:
2?
уст
— -AC
уст +
C'
Co AF
1 -
Co C2 AF
2 = 0.
?
уст ?
0 ' ?
0 2
V
Fo
Отсюда, с учётом равенства ?
получаем
(2.2-18)
А?уст = 2?( AFi+AF
2);
_ C — C
n _ C
n — C _
AC уст = AF, — -°—L AF2. (2.2-19)
F0
F0
Для компенсации перекрёстных связей в объекте введём перекрёстные связи в регуляторе:
AF, = 3
Vf,
Arv +
aCF 1
ArC
;
AF2 ^VF 2
Arv + ^CF 2
ArC
Подставим эти выражения в (2.2-18) и (2.2-19):
(2.2-2O)
AV
yCm = 2?((а
№ .. + av
F 2) Arv + (a
CF. + a
CF 2)Ar
c);
C1 — Co
AC = (
уст V
aVF 2
)ArV +
VF1
, C1 Co Co C2 Ч
Л
+ ( V
o aCF 1 — °
2 aCF 2 )ArC.
Fo
Fo (2.2-21)
Для того, чтобы установившееся значение объёма жидкости в баке AV
ут определялось только командным сигналом Ar
v и не зависело от
Ar
C, а выходная концентрация AC
уст определялась только командным
сигналом Дг
С и не зависела от, Ar
V, в равенстве (2.2-20) приравняем к нулю коэффициент при ДГс, а коэффициент при Дг
? приравняем к единице. В равенстве (2.2-21) приравняем к нулю коэффициент при ДГ?, а коэффициент при Дг
с приравняем к единице. В результате решения получившейся системы уравнений получим:
1 С1
С0 .
2? С
1 - С
2;
1 C0
С2
2? С
1 - С
2
>
aVF 2
VF1
(2.2-22)
0 ¦
a —
С - С ¦
CF 2
aCF 1
С1 - С2
12
. В итоге получаем представленную на рис.2.7 структурную схему системы управления смесительным баком, в которой обеспечена развязка каналов. Последнее означает, что командный сигнал Дг
? влияет только на изменение объёма жидкости в баке, а командный сигнал Дг
С -
2?
только на изменение концентрации. Объём жидкости в баке связан с расходом выходного потока ДF коэффициентом пропорциональности поэтому регулирование первого можно рассматривать как регули-
|
рование второго. |
 |
|
Рис. 2.7 Система управления смесительным баком с развязанными каналами. |
2.3. Линейные системы, заданные обыкновенными дифференциальными уравнениями в нормальной форме Коши
2.3.1. Однородные дифференциальные уравнения
Рассмотрим, прежде всего, решение однородного векторно-матричного дифференциального уравнения:
X (t) = A(t )x(t), (2.3-1)
где каждому начальному условию X(t
Q) соответствует одно и только одно решение дифференциального уравнения. Будем полагать, что матрица A(t) непрерывна на промежутке t е [Q, да]. Множество всех решений образует n-мерное векторное пространство. Среди множества решений всегда может быть выбрано n линейно независимых.
Это может быть сделано следующим образом. Зададим начальные условия Xі(t), где i = 1,2,к,n, совпадающие с базисными векторами
e пространства R
n, то есть X
j (t
Q) = e. Из свойства единственности
решений дифференциальных уравнений (через любую точку пространства состояний проходит одна и только одна траектория) следует линейная независимость решений с указанными начальными условиями. Матрица X(t)
[nxn], столбцами которой являются n линейно независимых
решений системы (2.3-1), называется фундаментальной матрицей этой системы дифференциальных уравнений.
Поскольку каждый столбец фундаментальной матрицы является решением системы (2.3-1), то фундаментальная матрица удовлетворяет уравнению:
X(t) = A(t) • X(t), при начальных условиях X
Q = X(t
Q). (2.3-2)
По определению в любой момент времени столбцы этой матрицы линейно независимы, значит ее определитель (определитель Вронского) не равен нулю. на промежутке t е [Q, да]. Так как определитель матрицы
X не равен нулю, то существует обратная матрица X
_1(t).
Матрица
Ф^, t„) = X (t) • X-'(f
0) (2.3-3)
называется переходной матрицей уравнения (2.3-1) или переходной матрицей, соответствующей матрице A(t). Переходная матрица является определяющей при анализе и решении дифференциальных уравнений и собственно в теории управления. Поэтому ниже приводятся основные её свойства, в основном, непосредственно вытекающие из определения этой матрицы.
1) Переходная матрица при совпадающих значениях первого и второго аргумента становится единичной матрицей:
ф(*, 10 )|,=,
0 = Ф(0, 10 ) = X(t0 ) • X~'(t0 ) = E .
2) При любых значениях аргументов t
1, 1
2 переходная матрица Ф(t
1,t
2) не вырождена и её определитель не равен нулю:
\Ф( 1,1
2)| * 0.
3) Обращение матрицы 0(t, t
0) эквивалентно изменению порядка аргументов исходной матрицы:
0-
1(f, 10) = [X (t) • X
-1(t0 )]
-1 = X (t„) • X ~'(t) = Ф( t0, t).
4) Если в качестве фундаментальной матрицы начальных условий принять единичную матрицу, X(t
0) = E то при всех прочих t переходная матрица будет совпадать с фундаментальной матрицей. Ф(^ t
0) = X (t). Но X (t) - это решение матричного дифференциального уравнения (2.3-2). Поэтому переходная матрица может быть определена как решение матричного дифференциального уравнения:
Ф(t, f
0) = A(t) • Ф(і, t
0), Ф^
0, t
0) = E. (2.3-4)
5) Переходная матрица определяет решение однородного векторноматричного дифференциального уравнения (2.3-1), удовлетворяющее начальному условию x(t )|
t = x (t
0):
x(t) = Ф(f, t„) • X(t„). (2.3-5)
Это действительно так, ибо, во-первых, при t = t
0
Ф(і0, f
0) • x(t
0) = x(t
0), во-вторых, с учетом свойства (4):
dt {Ф(f, t„ )x(t„)} = Ф (t, t„ )x(t„) = A(t )Ф(І, t
0 )x(t0) = A(t )x(t).
6) Из предыдущего свойства следует один из способов определения переходной матрицы. Обозначим через (р
ч(t, t
0) элемент i-ой
строки и j-ого столбца переходной матрицы и запишем равенство (2.3-5) в развернутом виде:
|
X1(t)" |
|
V11(t,to) |
V12 (t, tO ) . |
. V1 j(t,tO) |
|
X 2(t) |
|
V21 (t, tO ) |
V22 (t, tO ) . |
. V2j (t, tO ) |
|
X , (t) |
= |
V1 (t,tO ) |
V2 (t, tO ) . |
. V(t, to) |
|
Xn (t)_ |
|
JPn1 (t, tO ) |
Vn2 (t, tO) . |
. Фnj (^ tO) |
|
V1n (t, tO ) |
|
" X1(to)' |
|
V2n (t, tO ) |
|
X2(to) |
|
Фіп (^ ^O ) |
* |
Xj (to ) |
|
Vnn (t, ^O ) |
|
_Xn (to )_ |
откуда следует выражение для і-и координаты вектора состояния:
X, (t) = <Рі ,1 (t, to )Xi(to) + K + Vij (t, t„)x
i (t„) + ... + <p
iJ: (t, to )x„ (f
0 ).
Если положить начальные условия по всем координатам вектора стояния, кроме j-й, нулевыми, а по j-й - единичными, то есть
x
k(t
0) = 0, при к = 1,2,...,n к ф j и X
j = 1, (2.3-6)
то элемент і-й строки и j-го столбца матрицы Ф(^t
0) можно определить как процесс по і-й координате вектора состояния
Vj (t, to) = X,(t). (2.3-7)
7) К переходной функции применимо правило композиции:
Ф(*
2, to) = 0(t
2, ti) • Ф(t
1, to). (2.3-8)
Действительно, решение уравнения (2.3-1) в момент t
1 при начальных условиях X(t
o) имеет вид:
Х(0 = Ф(^, to)X(to).
Если теперь этот результат принять за новые начальные условия, то к моменту времени t
2 будем иметь:
X(t
2) = Ф&, t, )Щ ) = Ф(І2 , U • 0(t, , to )X(to).
8) Переходная матрица может быть вычислена с помощью ряда Пеа-но, или матрицианта матрицы A:
Ф^, to) = M(A) = E + Q(A) + Q(A • Q(A)) + Q(A • Q(A • Q(A))) + .,
где
Q( A) = j A(r)dr.
to
Для того, чтобы получить этот результат, проинтегрируем дифференциальное уравнение (2.3-1):
x(t) = X(t о) + j A(Ti)x(Ti)dTi.
t0
Теперь повторим эту процедуру многократно, учитывая что:
XT = X(tо) + j A(T
2)X(T
2)dT
2.
t0
Тогда получим:
X(t) = X(to) + j A(T,)dT,X(to) + j A{t,)\ A(T
2)dT
2dTX(to) +
+ j A(t ) j A(t
2) j A(t )d (T )d (T2 )d (T )X(t„) +... =
= {E + j A(t )dT + j A(t) j A(T
2)dT
2dT, +...} X (U
Если объект - стационарный и матрица А состоит из постоянных и независящих от времени элементов, то матрициант матрицы А (или ряд Пеано) превращается в выражение для матричной экспоненты:
ФС, 1
0) = E + A(t -1
0) + A (t ta) + A (t t(,) +... =
0 0 2! 3! (2.3-9)
= exp( A(t -1
0)) = eA(' ~'0>.
Очевидно, что в стационарном случае переходная матрица является уже функцией только одного аргумента, равного разности начального и текущего (конечного) времени:
ФС, t
0) = ФС -1
0) = eAAt. (2.3-10)
Переходная матрица для стационарного объекта обладает рядом дополнительных замечательных свойств, трансформирующихся из соответствующих свойств переходной матрицы для нестационарного объекта :
(2.3-11)
(2.3-12)
из 1) - Ф(0) = E;
из 3) - Ф ~'(At) = Ф(-А' ) = e- AAt
3 A3(t -10)2 3!
2A 2(t -10) + 2!
dФ(t -1
0) dt
из 4) -
+... =
(2.3-13)
= A-Ф(і-1
0) = A• eA(t-t0) = eA(t-t0) • A ;
из 5) - решение однородного дифференциального уравнения имеет вид:
x(t) = eA(t-to) • X(t
o); (2.3-14)
из 7) - Ф(к • At) = Фk • (At). (2.3-15)
2.3.2. Решение неоднородных векторно-матричных дифференциальных уравнений
Ранее были получены выражения для определения решений однородного дифференциального уравнения нестационарной:
X(t) = Ф(І, to) • X(to) (2.3-5)
и стационарной
x(t) = eA(t-t0) • x(t
0) (2.3-14)
систем. Используем эти результаты для определения решения неоднородного линейного векторно-матричного уравнения, соответствующего (2.2-7):
X = A(t) • x(t) + B(t) • U(t) . (2.3-16)
Произведем замену:
X(t) = Ф^ to) • z(t) (2.3-17)
и продифференцируем это выражение:
X (t)=Ф (t, to) • z(t)+Фа to) • z (t)=
=A(t) • Фа to) • z(t)+Ф(аo) • z (t).
Сопоставляя это выражение с предыдущим, получим
Фа to) • z (t) = B(t) • u(t),
откуда
z (f) = Ф(to, t) • B(t) • U(t), или, интегрируя,
z(t) = z(to) + }Ф(fo,т)B(т) • U(r)di.
to
Из (2.3-17) видно, что
z(to) = X(to).
В итоге получаем выражение для решения векторно-матричного линейного неоднородного дифференциального уравнения, известное под названием формулы Коши
x(t) = Ф(і, t
0) • x(t„) + }Ф(і, T)B(T)u(T)dT. (2.3-18)
t0
2.4. Некоторые сведения из теории матриц
2.4.1. Собственные числа, характеристический полином, присоединенная матрица
Умножение квадратной матрицы A на некоторый вектор x дает новый вектор z, который, в общем случае, иначе ориентирован в пространстве и имеет другую длину по сравнению с исходным вектором. Однако, существуют и такие векторы, которые при выполнении этой операции меняют только свою длину, но не меняют направления, то есть
AV = А?, (2.4-1)
где А - это вещественная или комплексная скалярная величина, называемая собственным значением (характеристическим числом) матрицы A, а вектор V называется собственным вектором этой матрицы. В развёрнутом виде уравнение (2.4-1) имеет следующий вид:
' a„v і + a,
2v i +... + a
nv„ =Av 1 a21 1 + a22 1 + ••• + a2„„ = А? 2
характеристического уравнения с использованием стандартного математического обеспечения на цифровых вычислительных машинах.
Алгебраическая кратность корня X - это его кратность как корня характеристического уравнения.
Геометрическая кратность корня X - это количество линейно независимых решений уравнения (2.4-2), или количество линейно независимых векторов v, связанных с данным X.
Если X не является собственным значением матрицы A, то существует матрица (XE - A)-. По правилу определения обратных матриц
I (X)
\XE - A
(XE - A)"1
(2.4-4)
где I(X) называется присоединённой матрицей для матрицы A. Ее элементы определяются как алгебраические дополнения элементов матрицы (XE - A)T. Здесь символ Т означает транспонирование. Присоединённая матрица - это матричный полином степени n-1:
I (X) = EXn-1 + I
1Xn-2 +... + I
n-2X + I
n-1, (2.4-5)
где E - единичная матрица [n x n].
Если все собственные числа матрицы A различны, то собственные векторы матрицы A могут быть выбраны пропорциональными любым ненулевым столбцам матрицы I(X,), i = 1,2,..., n.
ПРИМЕР 2.4-1. Пусть объект задан структурной схемой, приведённой на рис.2.8.

Ему соответствует система уравнений
&
1 = -3 x
1 + x
2;
x
2 = -2x
2 + x
3;
x з =- x з + u,
или в матричном виде
х (t) = Ax(t) + Bu(t)
где
|
|
"- 3 |
1 |
0" |
|
“0“ |
|
A= |
0 |
-2 |
1 |
; B = |
0 |
|
|
0 |
0 |
-1 |
|
1 |
Для этих исходных данных получаем характеристический полином Л + 3 -1 0
= Л3 + 6Л2 + 11Л + 6
-1
Л+1
P (Л) =
Ему соответствуют собственные числа
Л = -1, Л
2 = -2, Лз = -3.
Найдем присоединенную матрицу
(Л + 2)(Л +1) Л +1 1
0 (Л + 3)(Л +1) Л + 3
0 0 (Л + 3)(Л + 2)
I (Л)
|
= E 3Л2 + |
|
“3 |
1 |
0“ |
|
“2 |
1 |
1“ |
|
0 |
4 |
1 |
Л+ |
0 |
3 |
3 |
|
0 |
0 |
5 |
|
0 |
0 |
6 |
|
Найдём собственные векторы матрицы A:
|
|
“0 0 1“ |
|
“0 -1 1“ |
|
“2 - 2 1“ |
|
I (Л) = |
0 0 2
0 0 2 |
; і(Л) = |
0 -1 1
0 0 0 |
; і(Л) = |
0 0 0
0 0 0 |
и можно выбрать
|
|
“1“ |
|
“1“ |
|
“1“ |
|
r = |
2 |
; v2 = |
1 |
; ^3 = |
0 |
|
|
_2_ |
|
_0_ |
|
_0_ |
Полученный результат нетрудно проверить прямой подстановкой в (2.41).
Имеется ряд алгоритмов для определения коэффициентов характеристического полинома и присоединенной матрицы. Один из наиболее
употребимых - это алгоритм Фаддеева - Леверье. Он состоит в следующей последовательности вычислений:
Ai=A; а
1=- SpA
1; Ii=Ai+a
1E;
1
а2 =-2 SPA2;
A2-AI1;
l2=A2+a2 E;
SpA
In-1 An-1+av-1 E;
An-1=AIn-2; a
n-1
n-1 ’
1
an = -- SPAn; n
An=AIn-1;
In An+a
n E 0;
Здесь через SpA обозначен след матрицы A, то есть сумма ее диагональных элементов:
SpA = X а „.
i=1
Последнее равенство процедуры используется для контроля точности вычислений.
Для объекта, приведенного в примере 2.4-1,
|
|
"- 9 |
1 |
1 " |
|
"- 6 |
0 |
0 " |
|
A2 = |
0 |
- 8 |
3 |
; A3 = |
0 |
-6 |
0 |
|
|
0 |
0 |
- 5 |
|
0 |
0 |
- 6 |
Если матрица A не вырожденна, то из промежуточных результатов алгоритма Фаддеева - Леверье, учитывая, что
A
n = -a
nE,
n n '
получаем
an
A -1
(2.4-6)
n-1 ¦
Для рассматриваемого примера
A -1
|
В вырожденном случае ап = 0. Иллюстрацией этого может служить объект, структурная схема которого приведена на рис.2.9. |
 |
2.4.2. Собственные значения и собственные векторы транспонированной матрицы
Собственные значения транспонированной матрицы, это такие Л, для которых система уравнений
ATd = Ad (2.4-7)
имеет нетривиальные решения, т.е. когда
ЛЕ - AT
0.
(2.4-8)
Решение этого алгебраического уравнения дает n значений собственных чисел Л , Л
2, ..., Л
п. Так как определитель квадратной матрицы и её транспонированной матрицы равны, то собственные числа матриц A и AT также равны.
Таким образом, собственному числу Л соответствует собственный вектор Vj матрицы A и собственный вектор d матрицы AT.
Если транспонировать обе части уравнения (2.4-7), то получим:
dTA = AdT. (2.4-9)
В связи с этим вектор» d называют левым собственным вектором матрицы A , в отличие от V , который, в таком случае, называют правым собственным вектором. Для i-го собственного числа и i -го левого собственного вектора соответственно
djA = Ajdj.
Умножим обе части этого равенства справа на вектор V.:
dTAVj =A
id!V
j. (2.4-10)
Учитывая свойства собственных векторов, в результате получаем уравнение которое преобразуется к виду
(2.4-11)
djVj (Л; -Л, ) = 0.
Полагаем, что все собственные числа матрицы A различны. Тогда для i Ф j имеем Л Ф Л и из равенства (2.4-11) следует, что векторы dj и V
j взаимно ортогональны:

(2.4-12)
dJVj = 0, i Ф j.
Это означает то, что d
i ортогонален (п -1) - мерной гиперплоскости, с базисом, образованным векторами V. для всех j Ф i.
В качестве примера на рисунке 2.10 показан один из вариантов взаимного расположения правых и левых собственных векторов некоторой матрицы A для случая п = 3. Здесь хорошо видно, что каждый из векторов d
i ортогонален всем векторам V
i при j Ф i.
 |
v
3
Рис. 2.10. Пример взаимного расположения правых и левых собственных векторов |
Теперь рассмотрим случай, когда i = j. При этом скалярные произведения векторов d. и V
t не должны быть равны нулю. Если предположить,
что dT V
j = 0, то придется утверждать, что вектор d ортогонален всему п - мерному пространству с базисом V
1,V
2,... ,V
n. Но этого не может
быть, так как вектор d. сам принадлежит этому пространству. Таким образом,
(2.4-13)
dJV
j ф 0 для i = 1,2, ..., п.
В связи с тем, что собственные векторы можно выбирать с точностью до постоянного (в том числе комплексного) сомножителя, то наборы, иначе
говоря, базисы {} и {d} формируют так, чтобы для i = 1, 2, ..., n выполнялось условие
djv
i = 1 для i = 1, 2, ..., n. (2.4-14)
Отметим ещё одно важное свойство собственных векторов:
Если матрица A не имеет кратных собственных чисел, то все её собственные векторы линейно независимы, то есть образуют базис в пространстве Rn. Это нетрудно доказать.
Действительно, предположим сначала, что среди собственных векторов матрицы A первые два являются линейно зависимыми, то есть
ХгУ, = о, (2.4-15)
І=1
где ни один из коэффициентов r и r
2 не равен нулю. Умножив это уравнение слева на A, получим

(2.4-16)
Теперь умножим (2.4-15) на Л
2:

(2.4-17)
Вычтем (2.4-17) из (2.4-16) и в результате получим
Г(Л,-Л
2)?, = 0.
Из того, что Х
2 и y Ф 0 следует ?
1 = 0, чего не может быть, следо
вательно, первые два собственных вектора не могут быть линейно зависимыми.
Теперь предположим, что число линейно зависимых векторов равно r > 2, то есть
try, = 0, Г Ф 0: i = 1,2,..., r.
i=1
Умножив это уравнение слева на A, получим
(2.4-18)
ІгЛ?, = °.
i=1
Умножим (2.4-18) на Я
г:
(2.4-19)
ЪгЛу* = 0
i=1
tr, (Л -Л
г )? = о.
i=1
Получается, что число линейно зависимых векторов r -1 < r. Если согласиться с этим, то дойдём до r = 2, и круг замкнулся.
Таким образом, действительно, все собственные векторы матрицы A являются линейно независимыми, поэтому матрица
V = V
1, V
2, ..., v
n], построенная из векторов базиса {V}, т.е. из правых
собственных векторов матрицы A, является невырожденной. Эта матрица называется модальной матрицей. Из перечисленных выше свойств для правых и левых собственных векторов следует равенство:
DTV = E, или DT = V-1. (2.4-20)
DT - матрица, строки которой, являются транспонированными векторами двойственного базиса {d}, т.е. левыми собственными векторами матрицы A :
dT
d 2T
DT
(2.4-21)
2.4.3. Определение функции от матрицы через её левые и правые собственные векторы
Все n систем уравнений
AV, =Л,?,, i = 1,2 n
могут быть записаны с использованием блочных матриц:
[ AV1 AV2 .•• AVn ] = [Л?1 Л?2 ... Лп?п ].
Учтем, что
[ AST, AV/
2 ... AV/
n ] = AV, и
Л ЛЛ ••• Лп?п ]=
|
~? 11 |
?12 |
1n |
|
1
_F^“ |
0 |
1
о |
|
? 21 |
? 22 |
L V
v 2n |
• |
0 |
X2 |
L 0 |
1
<
3 |
Vn 2 |
... V
nn |
|
_ 0 |
0 |
• • • X
n |
(2.4-22)
где Л - диагональная матрица собственных чисел. Таким образом, получено равенство
Л? = ?Л,
или
Л = ?ЛЭ7.
Преобразование Л = TCT-1, где T - произвольная невырожденная матрица, называется преобразованием подобия. Одно из основных свойств этого преобразования заключается в том, что собственные числа подобных матриц (здесь - Л и C) совпадают. Действительно,
(Р
Л (X) = \ХЕ - Л = \XTT-1 -TCT -11 = |Т| \ЛЕ - C\\T -11 = (р
с (X).
Говорят, что матрица Л приводится к диагональному виду преобразованием
Л = ?-1Л? = й7Л?. (2.4-23)
Более высокие степени Л приводятся к диагональному виду таким же способом:
Л2 = ?-1л??-1 Л? = ?-1л V
Л' = ?-1Л? или Л' = ?Л?-1.
Таким образом, если рассмотреть матричный многочлен N (Л) = Л + C
1Л-1 + ... + C,
-1Л + C,E, то
N (Л) = ? {л' + ^Л'-1 + к + C,
-1Л + CEV -1,
или
0
N (X)
N (X) 0
-і
N (Л) = V
(2.4-24)
0 0 ••• N (X)
Если применить этот результат к характеристическому полиному, то получим
(2.4-25)
<р( A) = 0,
то есть каждая квадратная матрица удовлетворяет своему характеристическому полиному. Это утверждение известно в теории матриц как теорема Кэли-Гамильтона.
Для любой функции от матрицы f (A), которую можно представить в виде конечного или бесконечного степенного полинома, справедливо аналогичное выражение
|
|
"f (W) |
0 |
... 0 " |
|
|
II
§ |
0 |
f (W) |
... 0 |
• DT, |
(2.4-26) |
|
|
_ 0 |
0 |
... f(W)_ |
|
|
или эквивалентное ему
f (A) = t f (W )*dT. (2.4-27)
i=1
Отсюда вытекает, например, один из способов определения матричной экспоненты или соответствующей переходной матрицы:
t e W'v,dT
Ф(') = eAt
(2.4-28)
i=i
ПРИМЕР 2.4-2. Для объекта, представленного на рис.2.8. в примере 2.41, найдём левые собственные векторы. Если обозначить присоединённую матрицу к матрице A как I{A}, то очевидно равенство
I {AT} = IT {A}.
Поэтому
Id (W) = I {AT}
W+3W+2 W+1
1
00
W+4W+3 0
W+3 W +5W+6
Учитывая, что
W=-1; W =-2; W =-3,
имеем:
|
|
“0 |
0 |
0“ |
|
|
|
“ 0 |
0 |
0“ |
|
Id (Л) = |
0 |
0 |
0 |
; Id |
(Л) |
= |
-1 |
-1 |
0 |
|
|
1 |
2 |
2 |
|
|
|
1 |
1 |
0 |
|
|
|
|
“ 2 |
0 |
0“ |
|
|
|
|
Id |
(Л) |
= |
- 2 |
0 |
0 |
J |
|
|
|
|
|
|
1 |
0 |
0 |
|
|
|
Рассчитаем левые собственные векторы. Учте м при этом (2.4-14). Таким образом, для первого собственного вектора d
1 должны выполняться условия
d =и,[о о 1], d4= 2v= і,
откуда
1
? = 1 и dT = [0 0 0.5].
Аналогично получим
|
|
“ 0 “ |
|
1 |
|
d 2 = |
1 |
; d з = |
-1 |
|
|
-1 |
|
0.5 |
Теперь можно записать выражение для переходной матрицы. Из (2.4-28) имеем
|
|
“0 |
0 |
0.5“ |
|
“0 |
1 |
-1“ |
|
“1 |
-1 |
0.5“ |
|
eAt = |
0 |
0 |
1 |
e-t + |
0 |
1 |
-1 |
e -2t + |
0 |
0 |
0 |
|
|
0 |
0 |
1 |
|
0 |
0 |
0 |
|
0 |
0 |
0 _ |
|
-3t |
и окончательно
e~3t e~2t - e~3t 0.5e-1 - e“2t + 0.5e“3t
At
0 e-2t e-t - e“2t
0 0 e-t
Рассмотрим ещё несколько примеров.
Для
Я =-1; Я
2 = -2; Я
3 = -3;
имеем
|
?а = |
0 0 1 2
0 0 1 |
+ j42 |
і
О О
1 1
_і |
+ jV3 |
“1 -1 0.5“
0 0 0 |
і
о
о
і_ |
|
і
О
о
о
1_ |
|
0 0 0 |
|
43 42-43 1 -42+^ 2 2
?2
0
1 -?2 1
Проведём проверку:
?э V2-43 --42 + ^-2 2
?3 42-43 --42 + ^-2 2
V2
0
?2
0
1 -УІ2
1
1 —?/2"
1
Для той же матрицы найдём А5:
Я =-1, Я =-32, Я =-243 и
|
|
|
0 |
0 1 |
|
0 |
1 |
-1" |
|
1 |
-1 |
1" |
|
|
|
|
2 |
|
|
|
|
|
|
|
2 |
|
A5 =- |
0 |
0 1 |
- 32 |
0 |
1 |
-1 |
- 243 |
0 |
0 |
0 |
|
|
|
0 |
0 1 |
|
0 |
0 |
0 _ |
|
0 |
0 |
0 |
|
|
"- 2^ |
13 |
211 |
- 90' |
|
|
|
|
|
|
|
= |
0 |
|
- 32 |
31 |
|
|
|
|
|
|
|
|
_ 0 |
|
0 |
-1 |
|
|
|
|
|
|
2.5. Свойства движений линейных систем
2.5.1. Матричная весовая и переходная функции
Пусть заданы уравнения некоторого динамического объекта
х (t) = A(t )x + B(t )u(t); (2.5-1)
y(t) = C(t )X(t). (2.5-2)
В соответствии с формулой Коши выражение для вектора выхода
y(t) = C(t )Ф(і, t
0 )X(t) + \ C(t Mt ,4)B(4)u(4)d4. (2.5-3)
10
Анализируя качество работы объекта, удобно рассматривать движение y (t) как сумму свободной составляющей, обусловленной, в основном, свойствами самого объекта, и вынужденной составляющей, несущей отпечаток входного сигнала - вектора управления. Строго говоря, это разделение условно, но очевидно, что свободную составляющую целесообразно отождествить с первым слагаемым правой части равенства (2.5-3). Отсюда следует вывод, что основные свойства объекта определяются его переходной матрицей Ф^, t
0), в то время как степень их
проявления зависит от вектора начальных условий.
Отметим, однако, что первопричиной всякого движения объекта является вектор управления. Это означает, что даже при анализе собственных движений объекта следует учитывать и матрицу управления B(t). Обозначим
Wy (t,T) = с (t )Ф (t,T)B(r). (2.5-4)
Очевидно, что для i-й координаты вектора выхода при нулевых начальных условиях справедливо выражение
У, (t HZ w
u(t,^)u
l {4W.
t0 J-1
Если положить
u
k (4) = S(4-T)
и Uj (4) - 0 при j Ф k, то в соответствии со свойствами ?-функции получим
У, (t) - w,k (t,r).
Таким образом, элемент, стоящий в i-ой строке и в k-м столбце матрицы w
y (t, Т), можно интерпретировать как реакцию i -ой координаты вектора y (t) н а дельта-функцию S(t - т) в k-ой координате вектора управления U(t).
Матрица w
y (t,r) называется матричной весовой или матричной импульсной переходной функцией объекта по вектору выхода. Аналогичным образом определяется матричная весовая функция объекта по вектору состояния
wx (t, т) - Ф(, т)(г). (2.5-5)
|
U 2 |
 |
|
Рис. 2.11. К примеру на определение матричной весовой функции |
Интеграл от матричной весовой функции
H (t, to )=} W (t, т) (2.5-6)
t0
называют матричной переходной функцией объекта. Элементы этой матрицы могут рассматриваться как реакции координат вектора выхода (вектора состояния) на единичные функции по соответствующим координатам вектора управления. Если на вход объекта поступает постоянный во времени вектор управления u
0 х 1(t-1
0), то при нулевых начальных условиях
У(t)- H(t, to )o. (2.5-7)
В качестве примера на рис. 2.12 изображены элементы матричной переходной функции по вектору состояния для системы, представленной на рис. 2.11.
 |
|
Рис.2.12. Элементы матричной переходной функции для системы, представленной на рис. 2.11 |
В стационарном случае рассмотренные матрицы являются функцией одного аргумента:
Wy (t, to) = Wy (t - to) = Wy (r) = CeA'B = ОФ(т)Б (2.5-8)
Hy (t) =
{СФ( - r)Bdr. (2.5-9)
o
Это выражение для переходной функции можно упростить. Производя замену аргумента
а = t - т,
получим
Н
у (t )= { СФ(ст^ст
a=t
и окончательно
Н
у (t ) = -{ СФ(т^т. (2.5-10)
o
Используя представление переходной матрицы через матричную экспоненту, можно получить
Hy (t ) = C
Et + A — + A2 — + A3 — + ...B 2 3! 4!
(2.5-11)
Один из наиболее употребимых способов вычисления ф() и H(t) состоит в определении (расчете) соответствующих окаймленных матричных рядов.
ПРИМЕР 2.5-1. Объект управления задан системой дифференциальных уравнений, которым соответствует схема в переменных состояния, приведенная на рис. 2.13.
 |
|
Рис.2.13. Структурная схема к примеру 2.5-1 |
Этой схеме соответствуют уравнения
х 1 = X 2,
< X
2 = -2х
2 + и, у = 2х
1 + х
2.
Требуется найти переходную матрицу, матричные весовую и переходную функции, реакцию объекта на постоянный входной сигнал.
Прежде всего, найдем переходную матрицу. Элемент первой строки и первого столбца этой матрицы можно определить как реакцию координаты х
1 на начальные условия х
1 (0) = 1, х
2 (0) = 0 при и = 0. Решение первого дифференциального уравнения дает
$(t ) = х1(1
Аналогично
$22 () = X 2 (t) при X 2 (0)= 1, х, (0)= и = 0.
Решая при этих условиях второе дифференциальное уравнение, получим
$22() = e-2‘.
Очевидно ф
21 (t) = 0, так как координата x
2 не зависит от x
1. Для того, чтобы определить p
12 (t), следует взять интеграл
Ф
12 (') = J e ~2Tdr = 0.5(l - e ~2t).
0
Таким образом,
1 0.5(1 - e "2t )
0 e ~2' _
В соответствии с уравнениями объекта
; с = [2 1],
ф(' )=
|
|
“0 1 " |
|
“0“ |
|
Л = |
; в = |
|
|
см
о |
|
1 |
|
|
_0 - 2J |_L |
поэтому
w
y (t) = СФ(' )B = 1
H
y (t) = J CФ(т)Bdт = t.
0
При нулевых начальных условиях и и = u
0 = const
y (t ) = и
0 • t.
Если начальные условия ненулевые, то
y(t) = СФ(')Х(0)+и0 (t) = 2x 1 (0) + x2(0) + и0 • t. При этом
X(t) = Ф(1)Х(0) + Hx (tи = ф(' )Х(0) + J Ф(r^dr • u
0
x1 (0)+1 ( - e "2' )x2(°) e-2lx2 (0)
1. 1
u
n.
Видно, что в выходной координате участвуют не все составляющие движения, присутствующие в векторе состояния. Еще более характерная ситуация возникнет, если изменить исходные данные. Если положить
*1 = Х2
< x
2 = 2 x
2 + u , y = -2 x
1 + x
2
то поведение выходной координаты принципиально не изменится y (t) = -2 x,(0) + x 2(0) + и о ¦ t,
но процесс по координатам состояния будет неограниченно расти:
x (0)
x(t) =
-2(1 -е-2t)x2(0) + 4 (в* -1)-1 tuo
в *x2 (0) + 2 (в -2t - 1)ио
Такие случаи, когда вектор выхода не отражает характерные свойства объекта, могущие привести к катастрофическим результатам, будут подробно обсуждаться в последующих разделах.
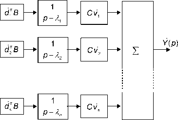
2.5.2. Модальная (спектральная) интерпретация решения векторноматричных дифференциальных линейных стационарных уравнений
Рассмотрим сначала движение автономной системы
x () = Ax(t), x (t)= v (2.5-12)
Пусть все собственные числа матрицы A различны. Тогда ее собственные векторы v
i, i = 1,2,...,n образуют базис в пространстве Rn, то есть являются линейно независимыми. В соответствии с (2.3-5) и (2.4-28) решение уравнения (2.5-12) можно записать в виде
x(t ) = X eAitv
idJx (0).
i=1
Обозначим скаляр
/и
і = djx (0), (2.5-13)
тогда
x(t)=X М,вVV,. (2.5-14)
i = 1
Очевидно, что свободное движение вектора состояния объекта является комбинацией движений по собственным векторам матрицы A. Такие движения называют модами системы, а матрицу собственных векторов V - модальной матрицей. Коэффициент соответствует величине возбуждения i - ой моды системы, обусловленной начальными условия-
54
ми. Иначе говоря, каждая мода возбуждается соответствующим выбором начального состояния.
Согласно (2.5-13),
x,(0)'
X2(0)
x„ (0)
i =[і d,2 ... d
ln]
= d, ,x,(0) + d, 2 x 2(0) +... + d,„x
n (0)
Если вектор начальных условий X(0) совпадает по направлению с i - м собственным вектором, то есть
X(0) = а V,
то, учитывая, что согласно (2.4-13) и (2.4-14), dT
jv
j = 0 при i Ф j и djv. = 1, получаем
V, = djx(0) = a
j и v = djx(0) = 0 при j ф i.
Таким образом, при указанном выборе начальных условий, возбуждается только i-ая мода, или «частота».
Рассмотрим с этих же позиций движение неавтономного объекта X (t) = AX(t) + Bu(t).
Изложенный подход можно использовать и в этом случае, если вектор Bu(t) разложить по собственным векторам матрицы A:
Bu(t) = ?д. (t )х V, .. (2.5-15)
І=1
Для того, чтобы определить скалярные функции Д (t), умножим обе части этого равенства слева на dT
j :
djBCKt) = ? e(t) ]V,,
i =1
откуда, учитывая (2.4-13) и (2.4-14), получаем
e(t) = dj Bu(t). (2.5-16)
Таким образом, в соответствии с формулой Коши (2.3-18) и выражением для переходной матрицы (2.4-28) имеем
x(t) = ел'іг(0)+} ?ЛІ'-г> ¦ jr д (rfiflT
0 i-1
0
i-1 |
 |
|
i-1 |
(2.5-17)
|
0 j-1 i-1 |
 |
Если вынуждающая функция u(t) выбирается таким образом, чтобы
вектор Bu(t) совпадал с направлением одного из собственных векторов
матрицы A, то она будет возбуждать только одну соответствующую моду «частоту».
2.6. Модели стационарных линейных систем в комплексной плоскости на основе преобразования Лапласа
2.6.1. Матрица передаточных функций
Известно, что преобразование Лапласа определяется парой преобразований
X (р) - L{x(t )} = { x (t )e - pdt
|
0 |
 |
(2.6-1)
Первое из них называется прямым, а второе - обратным. Векторная функция x(t) называется оригиналом, а X(р) - изображением этого оригинала по Лапласу; p - комплексная переменная преобразования Лапласа. Преобразование Лапласа можно осуществить, если p - а + jrn и а > а
c, где j
c - абсцисса абсолютной сходимости. Величина j
C выбирается исходя из требования, чтобы функция x(t)?~ы при а > a
C была абсолютно интегрируемой.
При вычислении обратного преобразования Лапласа интегрирование ведется на плоскости комплексной переменной р по прямой, параллельной мнимой оси, лежащей на прямой С, причем С выбирается так, чтобы все полюсы X(р) оказались слева от прямой интегрирования (рис. 2.14). На этом рисунке показано расположение полюсов некоторой функции X (р).
к
? |
k Пло
it
i
* |
Q.
? 1
О
О
ь;
О |
|
? |
ъ
1 |
с |
Рис.2.14. К вычислению обратного преобразования
Лапласа
Пусть, как обычно, уравнения объекта имеют вид X (t) = A(t )x(t)+B(t )0(t);
У (t) = C(t )x(t).
Перейдем к изображениям по Лапласу
pX (p) - x(0)=AX (p) + BO (p);
Y (p) = CX (p).
Перенесем AX(p) в левую часть равенства, а x(0) - в правую:
(pE - A)X(p) = x(0) + BO(p).
Отсюда получаем выражение для изображения вектора состояния
X(p) = (pE - A)x(0) + (pE - A)~' BO(p).
Сравнивая это равенство с формулой Коши
x(t) = eA ¦ x(0) + }eA(І-т) ¦ B0(r)dr,
0
отмечаем, что резольвента матрицы A может рассматриваться как изображение по Лапласу от переходной матрицы (матричной экспоненты):
(pE - A)= L{eAt}.
Справедливо равенство
(pE - A)=-1p-, (2.6-2)
<Pa ( p )
где I(p)- присоединенная матрица для матрицы А, и р
А(р)- характеристический полином матрицы А. I(p) и р
А (р) могут быть определены по методу Фаддеева - Леверье.
При нулевых начальных условиях
X(Р) = (PE - А)-1 ВО(р), (2.6-3)
где функция
W„ (р) = (рЕ - А)- • В (2.6-4)
называется матричной передаточной функцией от вектора управления до вектора выхода или передаточной функцией по каналу «u-x». Аналогично, при нулевых начальных условиях
У(р) = С(рЕ - А)-'ВО(р), (2.6-5)
где функция
(р) = С(рЕ - А)• В (2.6-6)
называется матричной передаточной функцией от вектора управления до вектора выхода или передаточной функцией по каналу «u-y». Функцию (рЕ - А)_1 называют резольвентой матрицы А.
С использованием передаточной функции можно записать:
(2.6-7)
X (р) = (р) • О (р) Y (р) = Wy (р) • 0 (р)
Принимая во внимание, что изображение по Лапласу 8 - функции равно единице, можно представить передаточную функцию как изображение от весовой функции
W( р) = L{w (t)} (2.6-8)
Передаточная функция является функцией от матрицы А, поэтому в соответствии с (2.4-27) можно записать
С¦У
і • djB (р -Л,)
Wy (р)=1
i=1
(2.6-9)
С • v, • dj В (р - Л)
• О (р).
Y (р) = Z
i=1
(2.6-10)
Графическое изображение последней формулы представлено в виде структурной схемы, изображённой на рис. 2.15.
о (р)
 |
Рис. 2.15. Структурная схема системы на базе представления передаточной функции через собственные числа и собственные
векторы матрицы динамики |
ПРИМЕР 2.6-1. Для объекта, схема в переменных состояния которого приведена на рис.2.16, уравнения состояния имеют вид
*і = *2 - ц;
. Уі = *і;
X
2 = Х
3 + U '
• У 2 = *3.
x
3 = x
2 + u
2;
|
Им соответствует матрицы |
|
A = |
|
“0 |
1 |
0“ |
|
“— 1 |
0“ |
|
|
|
|
|
|
|
|
|
|
1 |
о
о |
|
0 |
0 |
1 |
; в = |
1 |
0 |
; C = |
|
|
|
|
|
|
|
|
|
|
_0 |
0 1_ |
|
0 |
1 |
0 |
|
0 |
1 |
|
|
|
|
Характеристический полином имеет вид
(р
А (Л) = Л — Л.
Собственные числа
Я
1 = 0; Я
2 = 1; Я
3 = — 1.
 |
|
Рис.2.16. Структурная схема к примеру 2.6-1 |
Присоединенная матрица
“Я2 -1
1
Я
Я2
Я
Я2
Я

Резольвента
11
Я2-1 Я(Я2-1)
1Я
1
Я
0
0
I (Я)
Рл (Я)
(АЕ - A)-1
В соответствии с (2.6-4) передаточная функция по вектору состояния
“-р2 + р +1 1 "
Р(Р2 -1) Р(Р2 -1)
W
m (р) = (pE - A)-1 B =
1
р2 -1
Р
р2 -1 и по вектору выхода
W
uy (р) = С(рЕ - A)-1 B
Р( Р2-1) Тй
Используя присоединенную матрицу, можно найти матрицу правых собственных векторов
Присоединенная матрица для AT
0
Л
Л2
'Л2-1 0
Л2
Л
Id (Л) =
|
Левые собственные векторы |
|
|
Г 1" |
|
' 0 " |
|
' 0 " |
|
d1 = |
0 |
; d 2 = |
0.5 |
; d3 = |
- 0.5 |
|
|
_-1_ |
|
_0.5_ |
|
_ 0.5 __ |
|
|
Базовые матрицы |
|
|
'1 |
0 |
-1" |
|
'0 |
0.5 |
0.5" |
|
v dT = 11 |
|
0 |
0 |
¦ v dT =
22 |
|
0.5 |
0.5 |
|
|
__0 __0 |
0 |
0_ |
|
__0 __0 |
0.5 |
0.5 |
|
|
V 3 d 3T |
0 - 0.5 0.5 0 0.5 - 0.5 0 - 0.5 0.5
Вычислим коэффициенты суммы (2.6-9):
0.5 0.5
0.5 0.5
О?з d IB
|
CV 1d 1B = |
|
Г-1 -1" |
|
'0.5 0.5" |
i
о
0
1 _ |
; CV 2 d\B = |
_0.5 0.5_ |
|
|
и получим результат, естественно, совпадающий с уже полученным |
|
1 |
-1 -1 |
11 |
'1 1" |
11
і |
-1 1 |
|
Р |
і
о
0
1 _ |
1 .
' Р-1 2 |
_1 1_ |
1
р+1 2 |
_-1 1_ |
|
|
Практически без дополнительных выкладок получаем |
Wy (t)
|
"-1 -1“ |
1
+ |
“1 |
1“ |
¦ e +1 |
“- 1 1“ |
1
о
0
1 _ |
2 |
_1 |
1_ |
2 |
_-1 1 |
|
-t |
Интегрируя весовую функцию, получаем матричную переходную функцию
Hy (t)
t+1 (t -2+e t) -t+1 (t -e t) 2 ( - 2 + e-t) 1 (et - e ')
2.6.2. Основные свойства передаточных функций
Понятие передаточной функции лежит в основе классической теории автоматического регулирования. В связи с этим ниже перечисляются основные её свойства, используемые при анализе систем автоматического управления.
1. Элемент i -й строки и j -го столбца матричной передаточной функции равен отношению изображения i-й координаты вектора выхода к j -ой координате вектора управления при нулевых начальных условиях:
W„(p ) = Y^pP)-. (2.6-11)
j U, (p) 1
Таким образом,
пи
Y (p) = IW( P)U (Р). (2.6-12)
j=1
2. Для стационарных объектов с сосредоточенными параметрами элементы матричной передаточной функции - это дробно-рациональные функции комплексной переменной p:
b
0 pm + b
1pm-1 +... + b
m a
0 pn + ap- +... + a
n
jp)
Q,j (Р)
W( Р)
(2.6.13)
3. По известной передаточной функции легко восстанавливаются соответствующие дифференциальные уравнения. По данным предыдущего примера
p( p2—1) ' ' p( p2—1)
W ,
Ч — P2 + P + 1/1/ \
Y. (p) = , 2 U,(p) +
U
2( p).
После приведения к общему знаменателю получаем
p Y (p) — pY, (p) = — p 2U, (p) + pU,( p) + U,( p) + U
2( p),
и в результате имеем
У (t) — У(1) = —Ц (t) + У(1) + u/t) + ц( t).
4. Знаменатель передаточной функции - это соответствующий характеристический полином. Полюсы передаточной функции - это корни соответствующего характеристического полинома.
5. Поскольку весовая функция является оригиналом для передаточной, то при всех различных полюсах
Wj(t) = t C,ep", (2.6.14)
l=1
где p
l - полюсы функции;
П ( pi — rv )
R( p,) = b, Q'i( p,) a,
v=1
(2.6.15)
b
0,a
0- коэффициенты при старших степенях p числителя и знаменателя передаточной функции W
Yj (p);
Г? - нули W( p ).
6. В физически реализуемых системах порядок числителя m элементарной передаточной функции не может превышать порядка ее знаменателя n.
7. В простейших случаях элементарная передаточная функция может быть непосредственно получена из соответствующего дифференциального уравнения. Например, для динамического звена с уравнением
гШ+y (t) = гМ) dt dt
путем перехода к изображениям по Лапласу при нулевых начальных условиях получаем
г pY (p) + y (p) = г pu (p),
откуда
Y (p) = Jp_ U (p) Tp +1'
W (p)
При описании пассивных электрических цепей передаточные функции могут вычисляться в соответствии с правилами электротехники с использованием полных символических сопротивлений. Так, например, для схемы, приведенной на рис.2.17,
С
Ri
Ubmx=Y
R2
Рис.2.17. Пассивное дифференцирующее звено
R2 R1Cp +1
W(p)
R1 + R2 R RCp +1
R
1 + R
2 1
pC
R+
R + ^ 1 pC
2.7. Комплексный передаточный коэффициент
2.7.1. Способы определения понятия «Комплексный передаточный коэффициент»
Известно несколько подходов к введению понятия «Комплексный передаточный коэффициент». Рассмотрим основные из них.
¦ Формальная замена комплексной переменной в передаточной функ
ции.
Изображения по Лапласу вектора выхода и вектора управления связаны между собой с помощью передаточной функции
Y (p) = W (p)0 (p). (2.7-1)
Если в этом равенстве комплексную переменную p принять чисто мнимой величиной p = jw, то формально получаем следующее равенство
(2.7-2)
Y (jw) = W (jw)0 (jw).
Здесь комплексный передаточный коэффициент W(jw) определяется формально:
W (jw) = W (p)| p=„
Строго говоря, эта замена не всегда правомерна.
¦ Использование преобразования Фурье
Прямое и обратное преобразования Лапласа выглядят следующим образом:
С+jw
Y (p) = | y (t )e - p'dt; y (t) = — | Y (p )eptdp
о 2nj c-jw
(2.7-3)
Преобразование Лапласа существует тогда, когда вещественная часть комплексной переменной p удовлетворяет неравенству 7>7
C.
Если функция y(t), t e [0, да) является односторонней и абсолютно ин
I y (t )dt
<да, то её абсцисса абсолютной сходимости
тегрируемой, т.е.
(7
С <0, и можно принять p = jw (7 = 0). В этом случае прямое преобразование Лапласа совпадает с прямым преобразованием Фурье:
Y (jw) =
| y (t )e - wdt. (2.7-4)
0
Практически столь же просто обратное преобразование Лапласа превращается в обратное преобразование Фурье:
1 + j™
y(t) = — J V(jo)ej™td(jo) ^
2nj -j™
(2.7-5)
1 +™
У (t) =
П V (jm)e1“do.
Таким образом, если x(t) = Ax(t) + BU(t); y(t) = Cx(t) и если функции x(t), y(t) и U(t) абсолютно интегрируемы, то можно к указанным уравнениям применить не только преобразование Лапласа, но и преобразование Фурье:
joX (jo) = AX (jo) + Вй (jo);
X(jo) = (joE - A)-1 • В ¦й (jo);
X (jo) = W (jo) й (jo);
W
y (ja>) = C ¦ ( jaE - A )В. (2.7-6)
Функция W
y (jo) = C( joE - A)-1 В называется комплексным передаточным коэффициентом, или частотной функцией соответствующего динамического звена или системы. Аналогично передаточной функции, она может быть выражена через левые и правые собственные, векторы матрицы А векторно-матричного дифференциального уравнения этого звена или системы:
Cv ,djB
jo-X
i
W (jo) = х
i=1
(2.7-7)
2.7.2. Реакция динамических звеньев на гармонические воздействия
Рассмотрим реакцию системы
x(t) = A ¦ x(t) + b ¦ u(t)
со скалярным управлением на гармоническое воздействие
u(t) = U
m ¦ Cosot = йm ¦ eo + Ume~Jot. (2.7-8)
Каждое из слагаемых последнего выражения вызывает свою реакцию, то есть,
x (t) = x 1(t) + x 2 (t). (2.7-9)
В силу линейности рассматриваемых систем применим принцип суперпозиции, и достаточно определить реакцию на первое слагаемое
(2.7-10)
u
1(t) = • ej0}t
Ищем X
1(t) в виде:
ew
Xi(t)
(2.7-11)
где

а X
s - комплексные амплитуды по координатам вектора состояния:
X, = Х е
іфі
(2.7-12)
Подставим X
1(t) и U
1(t) в исходное дифференциальное уравнение и проведём элементарные преобразования:
С ° \ о
у ^11 = A • X • eJW + b U
d
dt
— • eJW
2
m e JW
X1 • 'w eJW = A • X
1 • ejW + b • U
m • e
Ja>t
. Ja>t
X1 • Jw-A • X
1 = b • U
m
X1 = (WE - A)-1 • b • Um ,
то есть:
X1 = W(JW) • Um, (2.7-13)
где матричный комплексный передаточный коэффициент W(JW) = (JW - A)-1 b, что совпадает с (2.7-6).
Аналогичным образом можно получить реакцию на вторую составляю
• e Jmt:
щую входного сигнала u
2(t)
(2.7-14)
X 2 = W(- Jm) • Um.
Полная реакция системы на гармоническое воздействие (2.7-8) в соответствии с (2.7-13)) , ((2.7-14)) и ((2.7-9)
+ W(-jm)U
m e_m
t =
2e
W(jm)U
m ejm
2e
x(t)
W
1( Jm )| cos(mt + ^
1) W
2( Jm)\ cos(mt + ^
2)
Wn (Jm)cos(mt + ^„)
Таким образом, элемент матричной функции W(Jm), которая, по понятным теперь причинам, называется частотной функцией, определяется как отношение вынужденной гармонической составляющей (частное решение неоднородного дифференциального уравнения) к гармоническому входному воздействию при условии записи их в символической форме. Комплексный передаточный коэффициент определяет изменение в зависимости от частоты амплитуды и фазы гармонического сигнала при прохождении его от вектора управления до каждой из координат вектора состояния или вектора выхода:
і max ^ e^i
W (Jm)
(2.7-15)
Модуль W(Jm) определяет отношение амплитуд:
W (Jm)\ = ^-ma^, (2.7-16)
Um
а фаза - сдвиг по фазе между входным и выходным гармоническими сигналами:
(2.7-17)
arg(W (Jm)) = р,.
2.7.3. Частотные характеристики
Элементы матричной частотной функции связывают между собой соответствующие координаты векторов входа и управления:
Такие скалярные функции принято иллюстрировать графическими частотными характеристиками:
- амплитудно-фазовой характеристикой (АФХ), построенной в полярной системе координат {модуль, фаза}; можно рассматривать и соответствующую декартову систему координат, по осям которой откладываются вещественная и мнимая части годографа вектора W (Ію);
- логарифмическими частотными характеристиками (ЛЧХ) - амплитудно-частотной (ЛАЧХ), построенной в осях | W(jw) | в децибелах, - ю в логарифмическом масштабе, и фазочастотной (ЛФЧХ), построенной в осях фаза - ю в логарифмическом масштабе
Модуль частотной функции в децибелах определяется в соответствии с выражением
(2.7-19)
| Wk (ію)Ідт = 20lg| Wk (Ію)|.
Y (№)
U
k (ІюУ
W
ik (Ію)
(2.7-18)
Л2
В качестве примера для звена W (р) АФХ (рис.2.18) и ЛЧХ (рис.2.19).
^ 0.08 р+1 |
 |
|
Рис 2.18. Амплитудно -фазовая характеристика |
к
приведены
Р
 |
|
Рис 2.19. Логарифмические амплитудно-частотная и фазочастотная характеристики |
В учебной литературе по теории автоматического управления достаточно подробно рассматривается методика построения частотных характеристик типовых или более общего вида динамических звеньев и систем. Поэтому в настоящем пособии эти вопросы не затрагиваются.
2.8. Графическое представление объектов и систем управления
Графическое изображение с использованием функциональных блоков, передаточных функций, сигналов и их изображений называют структурными схемами. Для представления систем в виде совокупности отдельных функционально определенных блоков (подсистем) используются функциональные схемы.
2.8.1. Соглашение об обозначениях
Элементарно-+\.е динамическое звено (система) с передаточной функцией W(р) представлено на рис 2.20, где
?
еых (р)
->
Увх (р)
W (р)
Рис. 2.20. Динамическое звено
У
вх (р)- изображение по Лапласу входного сигнала;
У
вых (р)- изображение по Лапласу выходного сигнала;
W (р)- передаточная функция звена;
Связь между элементами выражается уравнением:
Увых (р) = Увх (rtW(р).
Варианты изображения элементов сравнения, или сумматоров на структурных схемах представлены на рис.2.21
|
U, |
|
|
|
Рис. 2.21. Элементы сравнения, сумматоры |
¦№>
Все три варианта равносильны и описываются уравнением:
U 3 = U, - U 2 .
Если на вход сумматора подается несколько входных сигналов, то он изображается в виде, представленном на рис.2.22 (три входных сигнала).
Рис. 2.22. Сумматор с тремя входными сигналами
Варианты элементов умножения на структурных схемах представлены на рис 2.23. Оба вида равносильны в применении и описываются уравнением: U
2 = K х U
1.
 |
|
Рис. 2.23. Элементы умножения |
В качестве примера функциональной схемы на рис 2.24 представлена функциональная схема системы стабилизации крена ракеты. На рисунке использованы обозначения:
БЦВМ - бортовая цифровая вычислительная машина;
УМ - усилитель мощности;
РМ - рулевая машина;
ЦАП - цифро-аналоговый преобразователь;
АЦП - аналого-цифровой преобразователь;
8 - положение управляющего органа (сопло, руль); р - угол крена; р - угловая скорость крена;
Возмущающие факторы:
W - ветер;
T - окружающая температура;
P
AT - атмосферное давление; r - вектор командных сигналов.
|
Датчик угла |
|
|
Датчик угловой скорости |
|
|
|
|
|
РМ
|
9 |
 |
ум
T—f
ЦАП
f t
Рис. 2.24. Функциональная схема угловой стабилизации ракеты
2.8.2. Структурные схемы и графы стационарных систем
2.8.2.1. Типовые соединения многомерных линейных систем
Одной из характерных задач анализа САУ является задача преобразования и упрощения исходных структурных схем. При этом используются правила преобразования простейших, типовых соединений, к которым относят параллельное (согласно-параллельное) - рис 2.25, последовательное - рис 2.26, и встречно-параллельное, когда одно динамическое звено включено в обратную связь другому - рис 2.27. Для каждой из этих ситуаций нетрудно найти передаточную функцию эквивалентного звена.
Пусть исходные динамические звенья имеют следующее описание:
(2.8-1)
x,(t) =A, x,(t)+Б,й,(і); y ^(t)=C, x,(t); x
2(f) =A
2^(t)+B
2U
2(t); y
2(t)=C
2x2(t).
Параллельное соединение (рис. 2.25).
В случае параллельного соединения звеньев введем в рассмотрение следующие очевидные равенства из блочных векторов и матриц
 |
(2.8-2) |
U; y=[Ci

В соответствии с этим можно записать выражение для эквивалентной передаточной функции соединения

(2.8-3)
W (p) = C(pE - A)-1 B,
|
где: |
|
|
A |
0 |
|
Bi |
|
A= |
|
; в = |
|
|
0 |
A j |
|
в j |
|
|
У = У1 + У 2, |
C=[Ci C2].
Учитывая, что
(2.8-4)
а
Yi (p)=W (p)U (p); Y
2( p) = W
2( p)U (p),
получаем
W
3 (p) = Wi( p) + W
2( p). (2.8-5)
С другой стороны, передаточную функцию эквивалентного звена можно расписать следующим образом:
|
A1 |
0' |
Л |
-1 |
"Bi_ |
|
0 |
A j |
J |
|
_B j |
C
2 ]pE-
У.
W(p)=C-(pE-A)~' B=[[
|
~pE„-A |
0 " |
-1 |
"Bi_ |
|
L0 |
pE&-A _ |
|
_B j |

|
где: n,, n2 - размерности соответствующих единичных матриц. Продолжим преобразования: |
|
W3 (р) = с |
|
¦( рЕп, - А)-1 |
і-
О |
B' |
1
О |
(рЕп 2 - A)- J |
B _ |
|
с,( pEn, - A)-' B,+ C2( pEn 2 - A)-' B2. Таким образом, в результате получаем:
W
3 (р) = W,( р) + W
2( р);
C,I,( р) • B, + C 2I
г( р) • В
г Q,( р) Q2 ( р )
(2.8-6)
W
3 (р)
где
I,,I
2- соответствующие присоединенные матрицы для матриц А
1 и
Я;
Q,(р), Q
2(р) - характеристические полиномы первого и второго звеньев, то есть:
Q,(р)=Va,(р)=det(рЕп, - A,)
Q2 (р)=Ум ( р)=det( рЕп 2 - А
г)
Характеристический полином эквивалентной системы (матрицы А) имеет вид:
Q( р ) = Q,( р ) • Q2( р). (2.8-7)
Отсюда следует, что нули характеристического полинома (полюсы) эквивалентной передаточной функции соединения состоят из нулей характеристических полиномов (полюсов передаточных функций) первого и второго звеньев.
Таким образом, если каждое из параллельных звеньев устойчивы, то и всё соединение в целом устойчиво; если в соединении присутствует хотя бы одно неустойчивое звено, то соединение в целом неустойчиво (связь между характером полюсов передаточной функции и устойчивостью соответствующей системы будет обсуждаться в п. 2.9).
Последовательное соединение (рис. 2.26).
При последовательном соединении блочные уравнения имеют вид
A
1 0 B
2C A
2
y = [0 C2]
(2.8-8)
і
t=T
II |
I |
y 1 = U2 |
II |
У 2 = У |
|
-W' |
x1 |
w |
X 2 |
-W |
|
|
Рис. 2.26. Последовательное соединение |
и в выражении (2.8-3) для эквивалентной функции
Ві
0
Аі
B2C1
C = [0 C2 ].
B=
A=
(2.8-9)
Кроме того, нетрудно получить связь между передаточными функциями отдельных звеньев, входящих в соединение, и эквивалентной передаточной функцией
W (Р) = W,( p)W
2( p). (2.8-10)
Вывод о связи между устойчивостью отдельных звеньев и устойчивостью их последовательного соединения аналогичен выводу для случая параллельного включения.
|
Встречно-параллельное включение звеньев рис. 2.27. |
 |
Для встречно-параллельного соединения, учитывая, что
u
1 = u + у
2, получаем:
|
|
¦ A1 |
+ B1C2 |
|
~в; |
|
A= |
; в= |
|
|
.B2C1 |
A2 _ |
|
_ 0 _ |
; c=[Ci 0]
(2.8-11)
W (p) = [ ± Wi( p)W
2 (p)]-1 W (p). (2.8-12)
Поскольку полюсы передаточной функции эквивалентного соединения в данном случае не удается выразить непосредственно через полюсы передаточных функций отдельных звеньев, то однозначного ответа об устойчивости соединения без дополнительного анализа получить не удается.
2.8.2.2. Графы динамических систем
Графом называется множество вершин и ребер, в котором каждому ребру соответствует две вершины - начало и конец ребра.
Основные характеристики графов:
1) каждой вершине на графе, изображаемой кружком или точкой, ставится в соответствие величина одной из переменных (координат системы);
2) каждое ребро, изображаемое на графе линией со стрелкой, имеет вершину -“начало” и вершину - “конец”. Стрелка обозначает направление передачи сигнала от начала к концу, таким образом, граф прохождения сигналов является направленным (антисимметричным) графом;
3) величина, соответствующая началу (вершине) ребра, называется входной величиной ребра. Если из вершины выходит несколько ребер, то входные величины этих ребер одинаковы и равны величине соответствующей вершины;
4) ребро изображает одно из звеньев в системе и ему ставится в соответствие передаточная функция;
5) если к вершине подходит несколько ребер, то сопоставляемая ей величина равна сумме выходных величин ребер.
Между графом прохождения сигналов и структурной схемой имеется взаимно - однозначное соответствие. Стрелка структурной схемы соответствует вершине графа, а прямоугольник (звено) - ребру. При необходимости в граф системы могут вводиться дополнительные единичные ребра для выявления промежуточных координат, являющихся, в основном, выходами отдельных ребер. Для примера, приведены графические представления некоторой системы в виде структурной схемы (рис 2.28) и графа (рис 2.29).
Простейшие правила преобразования структурных схем и графов линейных систем представлены в таблице 2.1.
|
Wl У! W4 |
 |
|
Таблица 2.1 |
 |

Встречаются и более сложные случаи соединения звеньев, так, например, соединения с перекрестными связями (рис. 2.30).
 |
|
Рис. 2.30. Соединение с перекрестными связями |
В этих случаях можно пользоваться правилом переноса динамического звена через сумматор или точку разветвления.
Любое динамическое звено можно перенести через сумматор или точку разветвления; при этом звено должно войти во все входящие и ответвляющиеся ветви. В те ветви, в которые звено входит без изменения направления распространения сигнала, звено проходит со своей передаточной функцией. В тех ветвях, при продвижении в которые меняется направление распространения сигнала, передаточная функция звена изменяется на обратную.
Это правило иллюстрируется элементарными примерами, приведёнными на рис. 2.31-2.34.
 |
|
Рис. 2.31. Перенос звена W через точку разветвления p |
|
S S |
 |
|
Рис. 2.32. Перенос звена W через сумматор S |
 |
|
Рис. 2.33. Перенос звена W2 через точку разветвления p |
|
S |
|
Ui |  |
|
Рис. 2.34. Перенос звена W1 через сумматор S. |
В качестве примера проведём упрощение структурной схемы, приведённой на рис. 2.30. Перенесём динамическое звено с передаточной функцией W
2 через точку разветвления p
2. После этого получим схему, состоящую только из элементарных соединений (рис. 2.35.).
 |
|
Рис. 2.35. Схема соединения после переноса |
Теперь исходная система может быть представлена в упрощенном виде
1Л, W, (W. „
1 + W
2W
(рис 2.36.) и будет описываться выражением: W
3 =-—, _ 2 _, • —L+W„
|
u |
|
W |
|
W_+ W |
У ? |
|
-w |
1 + W2W3 |
-> |
W2 + W |
—1—> |
|
|
Рис. 2.36. Исходная схема в упрощенном виде |
2.8.2.3. Формула Мейсона
В случае громоздких систем с большим числом звеньев и перекрестных связей наиболее эффективным является использование для получения эквивалентных передаточных функций правила Мейсона. В связи с этим введем необходимые дополнительные определения.
Прямой путь между двумя заданными вершинами графа - это непрерывная последовательность ветвей одного направления, в которой каждая из вершин встречается не более одного раза.
Контур - замкнутая цепь, при однократном обходе которой в направлении, указанном стрелками, каждая из вершин встречается не более одного раза.
Согласно правилу Мейсона, передаточная функция W между входом в точке А и выходом в точке B равна:
Wk (Р) -а к (Р)
Д( Р)
W
M (Р)= Х
(2.8-13)
K=1
где:
X— число прямых путей между вершинами A и B;
W
k (р)— передаточная функция k-го прямого пути от вершины A к вершине B (она равна произведению передаточных функций всех ребер, входящих в последовательность прямого пути);
А( р)— определитель графа;
A
k (р)— k-й минор определителя графа, равный определителю более простого графа, который получается из данного графа путем удаления из него всех ребер и вершин, лежащих на k-м прямом пути, а также всех ребер входящих и исходящих из этих вершин.
Определитель графа определяется из соотношения:
а(р)=1 -1W, (р)+X W, (p)W„ (р) -
i i, j
-TW
oi( p )W.( p )W
ok (p) + ...,
(2.8-14)
i, J k
где
W
oi( p)- передаточные функции различных контуров графа;
W
oi(p)W.(p)- произведения передаточных функций непересекающих-ся пар контуров;
W
oi(p)W.(p)W
oz(p) - произведения передаточных функций непересек-ающихся троек контуров.
ПРИМЕР 2.8-1. Найти передаточную функцию W
uy для системы,
иу
структурная схема которой приведена на рис. 2.37.
 |
|
Рис. 2.37. Структурная схема системы с перекрёстными связями |
Этой схеме соответствует граф, представленный на рис. 2.38.
 |
|
Рис. 2.38. Граф системы с перекрёстными связями |
Для этого графа:
• передаточная функция единственного прямого пути
w„
p=W W2;
• передаточные функции контуров
w„i =-Wi W3; w
02 = w
2 W4;
• главный определитель
А = 1 + W
1 W
3-W
2 W
4;
• определитель прямого пути
Аі = 1;
• искомая передаточная функция

WW
2
1 + W
1 W
3 - W
2 W
4'
ПРИМЕР 2.8-2. Найти передаточную функцию между точками A и B для графа, приведённого на рис. 2.39.
|
Wg |
 |
• Передаточные функции прямых путей:
W
1=W
a^W
b^W
c;
W
2=W
aW
dW
eW
c;
W
3=W
a • W
d • W
g • W
h.
• Передаточные функции контуров:
W
0i= W
d-Wg-W
h-W
n-W
r-W
p-Wi;
W
02= W
d^W
e^W
c^W
n^W
r^W
p^W
l;
W
03= W^W^W^W^WpW^
Wo4= Wc^Wn^Wr^W
m;
Wo5= Wr^Wp^W
q;
W06= WgWf.
• Произведения передаточных функций непересекающихся пар контуров:
W02^W07; W03^W06; W03W07; W04W06; Wm^ W05W06; W05W07.
• Непересекающихся троек контуров нет.
• Определитель графа:
Д=1- W01 - W02 - W03 - W04 - W05 - W06 - W07+
+ W02 • W07+W03 • W06+W03 • W07+W04 • W06+W04 • W07+W05 • W06+W05 • W07 .
• Миноры определителя графа:
Д1 = 1-^V05-^V07-^V06+^Wd5 • W06+W05 • W07;
Д2=1-^^05-^?07+^?05 • W07;
Д3=1-^?05.
Результирующая передаточная функция
W - ^1А1 + W2 А 2 + W3 А 3 + W4 А 4 + W5 А 5
лв А
=[с, C2 ]
( PEn, ( PEn 2
Л) ¦'" А)"1 _
2.9. Устойчивость систем
2.9.1. Асимптотические свойства собственного движения и весовой матрицы линейной системы
Пусть нелинейное дифференциальное уравнение состояния имеет вид
x(t) = F[x(t),u(t),t}. (2.9-1)
Пусть также u
0(t) - некоторая заданная (номинальная) функция времени и x
0(t
0)- некоторый номинальный вектор начальных условий.
Решение x
0(t) является устойчивым в смысле Ляпунова, если для любого t
0 и для любого ? > 0 существует S(s,t
0) > 0 такое, что при
(2.9-2)
|x(t о) - x o(t о)
удовлетворяется неравенство
||*(t) - x o(t )|| <?. (2.9-3)
Норма вектора x в простейшем случае совпадает с его евклидовой длиной
(2.9-4)
= (I x
( Т2.
І=1
Возможно так же использование и других форм нормы, например
(2.9-5)
= max|x
i |; x\\ = I |x
i.|
i =1
Введение нормы в пространстве состояний дает возможность ввести понятие близости точек пространства. Устойчивость в смысле Ляпунова гарантирует, что состояние x(t) не отклоняется далеко от «номинального» режима x
0(t) при начальном состоянии x (t
0), достаточно близком к номинальному начальному состоянию x
0(t
0).
Решение x
0(t) называется асимптотически устойчивым, если оно устойчиво в смысле Ляпунова, и для любого t
0 существует такое p(t
0), что при
||x(t0) - x0(t0) <p (2.9-6)
выполняется условие
lirn|| x(t) - x 0(t)|| = 0. (2.9-7)
Решение X
0(t) является асимптотически устойчивым в целом, если оно устойчиво по Ляпунову, и для любых t
0 и X(t
Q)
lim|| X(t) - X Q (t )|| = 0. (2.9-8)
Применительно к нелинейным системам, вследствие сложности характерных для них явлений, обсуждается обычно устойчивость решений. В линейных системах ситуация проще, и в этом случае целесообразнее говорить об устойчивости уже не решения, а самой системы. Пусть дано уравнение системы
X о (t) = A(t) X
c (t) + B(t )u(t), (2.9-9)
и для t
0, X
c0(t
0) и u
0(t), при t > t
0 известно X
c0(t), то есть справедливо уравнение
X C0(t) = A(t) Xc0(t) + B(t )u
0(t). (2.9-10)
Естественно, что при других начальных условиях X
C1(t
0) решение X
C1(t) будет другим
X ci(t) = A(t) Xci(t) + B(t )U0(t). (2.9-11)
Вычтем из (2.9-11) уравнение (2.9-10):
dt { (t) - Xc0 (t)} = A(t){ (t) - Xc0 (t)} (2.9-12)
Обозначив,
X(t) = X„(f) - Xc0(t),
при начальных условиях
X(t0 ) = Xc, (t0 ) - Xc0 ft ) . получим уравнение
¦X(t) = A(t)X(t), при t = t0 X = Xft). (2.9-13)
Таким образом, понятие устойчивости решения можно свести к понятию устойчивости линейной системы.
Линейная система устойчива в определенном смысле (по Ляпунову, асимптотически, или асимптотически в целом), если тривиальное решение X
0(t) = 0 устойчиво в этом смысле.
Линейная система асимптотически устойчива тогда и только тогда, когда она асимптотически устойчива в целом.
Таким образом, исследование вопроса устойчивости решений линейной неавтономной системы сводится к исследованию решения соответствующего однородного дифференциального уравнения, которое определяется матрицей A(t) и имеет вид:
x(t) = Ф(*, t
0)x(t
0): (2.9-14)
У = C(t )Ф(t, to)x(to). (2.9-15)
Рассмотрим три возможных случая.
1. Ф(^ t
0)- ограниченная матрица в интервале [t
0, да), то есть существует такое положительное число М что
|ФД и| < M, t > t о;i, j = 1,2.., n.
Тогда получаем, что
||X(f )|| < n 2M ma x| x, (tо),
и условие устойчивости выполняется, если взять, например,
S<-^—.
n2 M
2. Переходная матрица удовлетворяет условию
ІітФ(?, t о) = 0.
t ^да
При этом движение, а значит, и сама система являются асимптотически устойчивыми.
3. Ф(^ t
0)- неограниченная матрица в интервале [t
0, да). При этом движение неустойчиво, так как для любого X(t
0) Ф 0:
lim X(t) = да.
t ^да
Это означает и неустойчивость самой системы.
Если система является наблюдаемой и управляемой, (эти понятия будут рассмотрены в п.п. 3.2, 3.3), то устойчивость системы можно исследовать с помощью весовой функции. Система асимптотически устойчива, если
lim w
v (t, т) = 0.
Итак, линейная система является асимптотически устойчивой, если ее переходная матрица с течением времени стремится к нулевой матрице. Для стационарных систем, то есть для систем с постоянными параметрами, это условие эквивалентно требованию, чтобы все собственные числа матрицы А имели отрицательные действительные части, то есть лежали в левой полуплоскости плоскости комплексной переменной X . Это следует из формы представления переходной матрицы через собственные числа и правые и левые собственные векторы матрицы А в соответствии с (2.4-28). Таким образом, анализ устойчивости системы может быть сведен к анализу расположения собственных чисел матрицы А, или, что, то же самое, расположения полюсов передаточной функции полностью управляемой и наблюдаемой системы.
В теории автоматического управления разработан ряд методов, называемых критериями устойчивости, позволяющих проанализировать расположение собственных чисел относительно мнимой оси плоскости X, и не требующих при этом точного решения соответствующего характеристического уравнения. К первой группе этих методов относятся, так называемые, алгебраические критерии, которые путем элементарных вычислений по коэффициентам характеристического полинома позволяют проанализировать устойчивость исследуемой системы с известными значениями ее параметров.
2.9.2. Необходимое условие устойчивости
Для устойчивости системы с характеристическим полиномом
<р(Х) = dgX + 3jX + ...a
n_X +a
n (2.9-16)
необходимо, чтобы при а
0 > 0 все коэффициенты характеристического полинома были положительны, то есть а
i > 0 при i = 1, 2,...,n.
Докажем это утверждение. Если X,X
2,,,,, X
n - нули характеристического полинома (корни характеристического уравнения (p(X) = 0), то (2.9-16) может быть записано в виде
(p(X) = (X_X)(X_X
2)...(X_X
n). (2.9-17)
Если X
i - вещественный корень в левой полуплоскости, то есть X = _а (а > 0 - положительное вещественное число), то
(X _ Xj) = (X + (Xj)
и произведение таких сомножителей даст полином только с положительными коэффициентами.
Пусть X - комплексный корень в левой полуплоскости, то есть X = _а + Ію, (а > 0). Тогда при всех вещественных коэффициентах
характеристического полинома среди его нулей должен быть комплексно сопряжённый: X
+1 = _а _ jo
i. Произведение двух соответствующих сомножителей даст полином второй степени с положительными коэффициентами:
(X _ Xj )(X _ Xj+1) = X + 2аX+otj + cOj).
Следует обратить внимание на то, что рассмотренное условие устойчивости не является достаточным. Если среди коэффициентов характеристического полинома имеются отрицательные, то это означает, что соответствующая система неустойчива. Если все коэффициенты положительны, то система может быть как устойчивой, так и неустойчивой. В этом случае необходим дополнительный анализ.
2.9.3. Критерий устойчивости Гурвица.
Пусть характеристический полином некоторой системы имеет вид (2.9-16). Сопоставим этому полиному матрицу Гурвица:
0 0 00 00
ai a3 a
5
a0 a2 a4
0 ai аз
(2.9-18)
<р
0 0 0 ... a
n-1 0
_0 0 0 ... an_2 an_
По главной диагонали стоят коэффициенты полинома, остальные элементы строятся по следующему принципу: вверх от диагонального элемента ставятся коэффициенты полинома в порядке возрастания индексов, вниз - коэффициенты полинома в порядке убывания индексов. Элементы, требующие индексов, больших степени полинома, или отрицательных, устанавливаются нулевыми.
Критерий Гурвица.
Для устойчивости системы необходимо и достаточно чтобы при а
0>0 были положительны все (n) главные миноры матрицы Гурвица. Рассмотрим примеры конкретизации критерия Гурвица для простейших случаев.
• n = 1.
Запишем дифференциальное уравнение
dy
a0 • dt + aiy
и характеристическое уравнение
a
0A + ai = 0.
В данном случае применение критерия Гурвица даёт тривиальный результат
а
0 > 0, a
1 > 0 .
• n = 2.
Запишем дифференциальное уравнение
dy
dt
+ a
2 y = 0,
a0 • + ai
характеристическое уравнение
a
0A + a
0A + ai = 0
и матрицу Гурвица
~a
1 0
_a0 a2 _
Как и в предыдущем случае, при a
0 > 0 применение критерия Гурвица даёт тривиальный результат:
a
1 > 0, a
2 > 0.
Отметим, что для систем первого и второго порядка необходимое условие устойчивости является и достаточным.
• n = 3.
Запишем характеристическое уравнение
a
0A + ai ?i + a
2X + a3 = 0
и матрицу Гурвица
Для устойчивости системы по критерию Гурвица необходимо и достаточно, чтобы при a
0 > 0 были положительны первый
А
1 = a
1 > 0,
второй
a3
a2
a1
a0
a
0 a3 > 0
А2
a1a2
и третий
a1
a0
0
a
3 А
2 > 0
А3
главные миноры матрицы Гурвица. С учётом необходимого условия устойчивости (требования положительности всех коэффициентов характеристического уравнения) критерий Гурвица для устойчивости системы третьего порядка требует выполнения неравенства
a
1a
2 - a
0a
3 > 0. (2.9-19)
• n = 4.
Запишем характеристическое уравнение aoA + a, А + a2^ + a
3A + a4 = 0
и матрицу Гурвица
a
1 a
3 0 0
G = a0 a2 ?4 0
0 a
1 a
3 0 .
_ 0 a0 a
2 a4 _
Для устойчивости системы по критерию Гурвица необходимо и достаточно, чтобы при a
0 > 0 были положительны первый
А і = ai > 0,
второй
a3
a2
a1
a0
a0 a3 > 0 ,
А2
?1?2
третий
a1 a3 0
a3(aia2 -a0?з)-a4?, > 0
А3
a0 a2 a4
0 ai ?з
и четвертый
А 4 = ?4 А з > 0
главные миноры матрицы Гурвица. С учётом необходимого условия устойчивости (требования положительности всех коэффициентов характеристического уравнения) критерий Гурвица для устойчивости системы четвёртого порядка требует выполнения неравенства
?з(?,?2 - ?0?з)- a4?,2 > 0. (2.9-20)
Для системы пятого порядка критерий Гурвица выливается в требование выполнения уже двух неравенств:
a
1a2 ao аз > 0
(2.9-21)
(a
1a
2 - aoаз)(азa
4 - a2a
5) - (aia
4 - aoa
5)2 > 0.
С дальнейшим увеличением порядка систем использование критерия Гурвица становится всё более громоздким и теряет смысл. Если возникает необходимость привлечения вычислительной техники, то в наше время стало проще непосредственное вычисление корней характеристического уравнения. Тем не менее, для систем третьего - четвёртого порядков привлекает простота использования критерия Гурвица.
ПРИМЕР 2.9-1. Рассмотрим систему, представленную на рис. 2.40, с входным сигналом v, сигналом ошибки s, и выходным сигналом у.
|
^ s |
к |
_ у . |
ы *
іі. |
|
--W |
|
(Tp +1)3 |
Рис 2.40 Структурная схема системы
Этой системе соответствует передаточная функция
к
(Tp +1)3
, к 1+
(Tp +1)3
к
T3p3 + 3T2 p2 + 3Tp +1 + к'
В соответствии со свойствами передаточных функций характеристический полином замкнутой системы имеет вид
ср( p) = T3 p3 + 3T2 p2 + 3Tp +1 + к.
По критерию Гурвица система устойчива, если выполняется неравенство
a
1a
2 - a
0 a
3 = 9T3 - T 3(1 + к) > 0.
Отсюда, с учётом требования положительности всех коэффициентов характеристического полинома, следует, что система устойчива, если при T > 0 выполняются неравенства
-1 < к < 8.
Значения параметров, при которых система находится на границе устойчивости, принято называть критическими. В данном примере у коэффициента к имеется два критических значения - нижнее кн
кр = -1 и
верхнее к в
кр = 8.
2.9.4. Частотный критерий устойчивости (критерий Найквиста)
Часто рассмотрению подлежат замкнутые системы, структурные схемы которых могут быть приведены к типовому виду, представленному на рис. 2.41. Как правило, передаточная функция разомкнутой системы W (р) имеет относительно простой вид и несложно определить расположение её полюсов относительно мнимой оси. Таким образом, предполагается, что анализ устойчивости разомкнутой системы проведён. В то же время, анализ устойчивости замкнутой системы представляет собой нетривиальную задачу. Критерий устойчивости Найквиста оперирует с частотными характеристиками, достаточно нагляден и позволяет использовать физические представления о свойствах исследуемой системы. Критерий Найквиста позволяет судить об устойчивости системы в замкнутом состоянии по частотным характеристикам разомкнутой системы.
2.9.4.1. Понятие логарифмического вычета
Пусть задана некоторая функция *?( р), аналитичная всюду в области G, за исключением конечного числа изолированных особых точек. Будем полагать, что все особые точки являются полюсами. Будем полагать также, что граница C области G не содержит ни нулей, ни полюсов функции ?( р).
Рассмотрим логарифмическую производную функции ?( р):
L (р) = — [іП У(р)]=^-(Р) (2.9-22)
ф1 J У( р)
и назовем логарифмическим вычетом функции *?(р) в точке р = а вычет в этой точке ее логарифмической производной:
LnRes{(p),a} = Res{L (р),а}. (2.9-23)
Пусть функция ?(р) имеет в точке р = а ноль порядка k, то есть
?(р) = (р - a)kF(р),
где
F(а)ф 0.
Пр) = k(р - а Г-1F(р) + (р - а) kF'(р)
(2.9-24)
k + Р(р) р - а F(р)
Отметим, что полюсы функций F (р) и F'(р) совпадают. Так как нули аналитической функции изолированы, то в достаточно малом круге Р - a < р функция F'(р)/F(р) является аналитической и может быть разложена в окрестности точки р = а в ряд Тейлора:
= іа, (Р - а)". f(р) h лн ’
С учётом этого (2.9-24) превращается в
k w
L (р) =-+ (Р - а)".
р - а "=о
Эта формула представляет собой разложение в ряд Лорана функции L (р) в окрестности точки р = а. Из этой формулы следует, что точка p = а является полюсом первого порядка функции L (р) и
Res{L (р), а} = к. (2.9-25)
Пусть теперь функция ^(р) имеет в точке р = b полюс кратности S, то есть
У( р) = (р - b)-\J (р),
где b не является ни нулём, ни полюсом функции J (р). Тогда
^'(р) = -s(р - b)-(s+1) J(р) + (р - b)-sJ'(р) и
- s J'(р)
L (р) =-+ ^^.
Р - b J (Р)
По аналогии с предыдущим случаем получим, что в окрестности точки р = b
_ s w
L (Р) = —s- + ЪРп(Р-b)",
Р - b "=о
следовательно,
Res{L (р),b} = -s. (2.9-26)
Таким образом, в нулях и полюсах функции ^(р) ее логарифмическая производная (2.9-22)
^'( р )
имеет полюсы первого порядка, причем в нуле функции Т( p) логарифмический вычет равен порядку нуля, а в полюсе - взятом со знаком минус порядку полюса.
По теореме вычетов имеем
Tip)
T( p)
Л іТШ
2п C Т( р)
Z kv -Z Sv ,
vv
dp = Z Res
v
, Pv
или окончательно
— dp = N -П, (2.9-27)
2П CT(p) F 1
где N - число нулей, а П -число полюсов функции T( p) в области G.
2.9.4.2. Принцип приращения аргумента
Обозначим
(2.9-28)
(2.9-29)
T( p) = |T( p)| eln (p),
In T( p) = ln| T( p)| + jp (p).
С учётом (2.9-27), получаем:
X tTM
2п 1 T(p)
2П
I d (In T( p )) =
dp =
(2.9-30)
2П
2П
I d In T( p)|
I djp (P) = N -П.
Поскольку в правой части равенства стоит вещественное число, то мнимая часть левой части равенства также равна нулю.
Таким образом, если функция T( p) аналитична в замкнутой области G, ограниченной контуром C, за исключением конечного числа полюсов в области G, и если функция T( p) не имеет ни полюсов, ни
нулей на контуре C, то приращение аргумента функции T(p) при движении вектора p по замкнутому контуру C определяется выражением
(2.9-31)
ApC = 2n(N -П).
2.9.4.3. Анализ устойчивости замкнутой системы
Рассмотрим замкнутую систему с единичной обратной связью (рис.
2.41)
w (p)
Рис 2.41. Замкнутая система с единичной обратной связью
Пусть известно, что среди n полюсов p
1,p
2,...,p
n передаточной функции разомкнутой системы
Rp)
Q( Р)
W (р)
(2.9-32)
имеется v
1 нулевых и v
2 чисто мнимых полюсов на верхней полуплоскости плоскости комплексной переменной р (рис 2.42) , то есть

Рис 2.42. Расположение нулей ( о) и полюсов ( * ) передаточной функции разомкнутой системы
|
Q( Р) = Р?1 (Р - Ію„ )v2 Q, (Р). |
(2.9-33) |
|
Образуем функцию |
|
у( р)=і+w (р)=Q( pQ+ R р)=Q^,
Q(p) Q(p) |
(2.9-34) |
|
характерную тем, что ее знаменатель является характеристическим по линомом разомкнутой системы, а числитель - характеристическим по линомом замкнутой. |
Выберем в качестве области G всю правую полуплоскость плоскости комплексной переменной p. Контур C сформируем из мнимой
оси, за исключением точек, совпадающих с полюсами передаточной функции разомкнутой системы, дуг окружностей бесконечно малого радиуса, охватывающих эти полюсы, как показано на рис. 2.42, и окружности бесконечно большого радиуса, охватывающей всю правую полуплоскость.
Допустим, в общем случае, что разомкнутая система неустойчива, и её передаточная функция имеет m "неустойчивых" полюсов, то есть m полюсов в правой полуплоскости плоскости комплексной переменной p. Предположим, что замкнутая система также неустойчива, и z -
число неустойчивых полюсов передаточной функции замкнутой системы.
Тогда, в соответствии с принципом приращения аргумента
Л^ = 2п(z - m). (2.9-35)
Если обходить контур C в отрицательном направлении, совпадающим с положительным направлением мнимой оси, то
Лф~
;с = 2n(m - z). (2.9-36)
Будем сопоставлять изменение комплексной переменной р при перемещении ее вдоль контура C на плоскости p и соответствующее ему изменение функции ;(p) на комплексной плоскости ;. Для этого разобьем контур C на несколько характерных участков.
На участке I годограф комплексной переменной p изменяется по окружности бесконечно большого радиуса, охватывая всю правую полуплоскость, то есть
p, = рв]&, . (2.9-37)
Ранее отмечалось, что в физически реализуемых системах порядок числителя передаточной функции не может превышать порядок ее знаменателя. Отсюда следует, что степени полиномов S( p) и Q( p) равны, а значит
S(oeJ&)
; (p) = lim = const. (2.9-38)
1 Q(peJ&)
Таким образом, приращение фазы функции ;(p) при изменении p вдоль первого участка равно нулю:
Л< = 0 . (2.9-39)
В качестве участка II выберем мнимую ось плоскости p, то есть
p„ = Ja (2.9-40)
за исключением тех ее точек, в которых располагаются полюсы разомкнутой системы. Соответствующая этому изменению р функция
(2.9-41)
Ч„( p) = Ч( jm) , - да < m < да
легко может быть вычислена.
Участок III - это участок движения комплексной переменной p вдоль окружности бесконечно малого радиуса с центром в начале координат, где по условию находится v
1 полюсов передаточной функции разомкнутой системы. При этом, в соответствии с (2.9-33), функция Ч( р) будет иметь вид
_Sp)_
рejvi®(р« - jam)v2 Qip>)
Ч»|( р) = Й
(2.9-42)
e Ч?'в
= lim S(0)
-0 (- m )v2 Qi(o)
pv'
то есть на плоскости Ч( р) будет иметь место перемещение («доворот»)
по окружности бесконечно большого радиуса. Направление этого перемещения противоположно по знаку направлению перемещения на плоскости р, а абсолютная величина приращения угла - в v
1 раз больше. Таким образом, третьему участку соответствует изменение фазы функции Ч( р) на величину
(2.9-43)
Наконец, рассмотрим движение комплексной переменной р вдоль окружности бесконечно малого радиуса с центром в точке р = jm
q, где
расположено v
2 полюсов передаточной функции разомкнутой системы. На этом, четвертом участке контура С
р,„ = jmq +pele, р — 0. (2.9-44)
В соответствии с (2.9-33), функция
Ч
І? (р) = lim-S j°q)--e
IV -°(jm
q )vi Qi( jmq) p
- jv 2&
(2.9-45)
v2
будет образовывать годограф, перемещающийся на плоскости Ч по окружности бесконечно большого радиуса, и соответствующее приращение фазы будет равно
(2.9-46)
A<V = -2v
Пользуясь тем, что ^(р) является дробно-рациональной функцией от р, и
?( р) = ? (р), (2.9-47)
можно произвести обход лишь верхней половины контура C. Тогда суммарное приращение фазы
APvsum = + А^ЧЧІ + APviii + APviv = n(m - z). (2.9-48)
Удобнее строить не функцию ?(р), а функцию W(р). Как видно из равенства (2.9-34), годограф функции ?( р) поворачивается вокруг начала координат на тот же угол, что и годограф функции W (р) поворачивается относительно точки (-1, j 0).
Выше приведенные рассуждения позволяют сформулировать критерий устойчивости замкнутой системы, который называют частотным критерием, или критерием Найквиста.
Критерий Найквиста.
Если передаточная функция разомкнутой системы имеет m полюсов с положительной вещественной частью, то для устойчивости системы в замкнутом состоянии необходимо и достаточно, чтобы при изменении о от 0 до + да расширенная амплитудно-фазовая характеристика разомкнутой системы повернулась вокруг точки (-1, j0) на угол + тп. Расширение частотной характеристики W(jo) необходимо при наличии у передаточной функции разомкнутой
системы полюсов на мнимой оси. Каждому нулевому полюсу соответствует на амплитудно-фазовой характеристике доворот по окружности бесконечно большого радиуса на угол -п/2. Каждому чисто мнимому положительному полюсу соответствует на амплитуднофазовой характеристике доворот по окружности бесконечно большого радиуса на угол - п.
Естественно, что, давая формулировку критерия устойчивости, исходят из условия z = 0. Можно получить и более общий результат. Основываясь на формуле (2.9-48), в каждом конкретном случае можно вычислить количество «неустойчивых» полюсов замкнутой системы
Z = т - A^SUM . (2.9-49)
п
Здесь Ap
SUM - результирующий угол поворота расширенной амплитудно-фазовой характеристики разомкнутой системы вокруг точки (-1, j 0) при изменении о от 0 до + да.
На практике удобнее пользоваться другой формулировкой критерия, которая предложена Я. З. Цыпкиным и использует понятие переходов расширенной амплитудно-фазовой характеристикой участка вещественной оси (-1, -да).
Переходом называется пересечение амплитудно-фазовой характеристикой вещественной оси на интервале (-да, -1]. Переход
считается положительным, если при увеличении частоты в точке перехода фаза растет, и отрицательным, - если уменьшается. Если амплитудно-фазовая характеристика начинается, или заканчивается на указанном участке вещественной оси, то имеет место половина перехода с соответствующим знаком.
На рис. 2.43 приведены примеры, иллюстрирующие понятие переходов и критерий Найквиста. Все три примера соответствуют системам, устойчивым в замкнутом состоянии.



Рис 2.43. Иллюстрация к анализу устойчивости
В системе координат логарифмических частотных характеристик переход имеет место, если фазочастотная характеристика пересекает линию -п±kn (к=1,2...), и при этом логарифмическая амплитудночастотная характеристика идет выше оси абсцисс (модуль комплексного передаточного коэффициента больше единицы).
Приведем теперь формулировку критерия Найквиста, использующую понятие переходов.
Если передаточная функция разомкнутой системы имеет m полюсов с положительной вещественной частью, то для устойчивости системы в замкнутом состоянии необходимо и достаточно, чтобы суммарное число переходов расширенной логарифмической частотной характеристики было равно + m /2. Если замкнутая система неустойчива, то число ее «неустойчивых» полюсов
(2.9-50)
z = m - 2^П,
где ?П _ суммарное число переходов расширенной частотной характеристики разомкнутой системы.
2.9.4.4. Понятие запасов устойчивости
Естественно, что каждая система автоматического управления должна быть устойчивой. В инженерной практике часто используется понятие запасов. Например в строительстве и машиностроении общепринятым является термин "запас прочности". Аналогично этому при проектировании систем управления пользуются понятиями запасов устойчивости.
Запасом устойчивости по модулю будем называть число, большее единицы, которое показывает, во сколько раз (на сколько децибел) нужно изменить исходный передаточный коэффициент разомкнутой системы, чтобы вывести замкнутую систему на границу устойчивости. Соответственно различают запасы по модулю на увеличение и уменьшение коэффициента. На рис. 2.43 для каждого из вариантов длина отрезка oA численно равна запасу устойчивости по модулю на уменьшение; величина, обратная длине отрезка oB для третьего варианта - запасу устойчивости по модулю на увеличение.
Запасом устойчивости по фазе (р
3 называют минимальный по модулю угол, на который следует довернуть вектор W(jw) с модулем, равным единице, чтобы его конец оказался в точке (-1, j0). На рис. 2.43 для каждого из вариантов АФХ указан запас устойчивости по фазе.
2.9.4.5. Устойчивость систем с запаздыванием
Звено транспортного запаздывания смещает по времени выходной сигнал относительно входного на величину запаздывания т:
(2.9-51)
y (t) = u(t -т).
Передаточная функция и комплексный передаточный коэффициент соответственно представлены выражениями (2.9-52) и (2.9-53):
(2.9-52)
(2.9-53)
W
3 (p) = e т;
W
3 (jw) = e -w.
При исследовании устойчивости системы, в которую входит звено запаздывания, приводят её структурную схему к виду (рис. 2.44), в котором это звено оказывается включённым последовательно с остальной частью системы
 |
|
Рис. 2.44. Типовая структура системы с запаздыванием |
При этом, если обозначить
R
a( p)
Qo( p)'
w„( p)
то характеристическое уравнение замкнутой системы примет вид
Qo( p) + Ro( p) e -pT = 0. (2.9-54)
В связи с тем, что разложение в ряд Тейлора экспоненциальной функции имеет вид
e ~pT =
1
3!
(pr)3 +...
pz+ (pr)2
2!
то характеристическое уравнение (2.9-54) имеет бесконечно большое число корней. При этом, естественно, алгебраические критерии устойчивости неприменимы. В то же время, для данной системы может быть использован критерий Найквиста.
ПРИМЕР 2.9-2. Пусть структурная схема системы с запаздыванием приведена к виду, представленному на рис. 2.44 и
Wo( p )
2
(Tp +1)2.
На рис. 2.45 представлены амплитудно-фазовые характеристики звена запаздывания и последовательно с ним включённого звена
W,( jm).
 |
|
Рис. 2.45. Исследование устойчивости системы с запаздыванием |
Так как модуль комплексного передаточного коэффициента звена запаздывания на всех частотах равен единице, то АФХ разомкнутой системы
W (jo) = W
0( jo)e ~1ют (2.9-55)
отличается от W
0( 1ю) только фазой:
(р(ю) = (р
0 (ю) -ют. (2.9-56)
Если провести дугу окружности единичного радиуса с центром в начале координат от отрицательной вещественной полуоси до пересечения с АФХ W
0(jo) в точке ю = ю,
?, то полученное значение Лу из соотношения
Лу = ю
т • т
кр (2.9-57)
позволит найти так называемое критическое время запаздывания т
кр, то есть время запаздывания, при котором система выводится на границу устойчивости. Здесь ю
т - значение частоты, при которой
Wo( jo,
r)| = 1. (2.9-58)
В рассматриваемом примере
2
1 + (oT )2
W
0( jo) =
(2.9-59)
откуда
(p
Q (°„
r ) = -
(2.9-60)
o,
r
nT
2
(2.9-61)
кр
2.10. Качество процессов управления
2.10.1. Основные показатели качества
Устойчивость - это необходимое, но недостаточное условие эффективной работы системы.
Комплекс требований, определяющих поведение системы в установившихся и переходных процессах отработки заданного воздействия, определяется понятием «качество процесса управления» или качество системы.
На этапе разработки системы управления рассматривают процессы управления в устойчивых системах при воздействии особо "тяжелых" для них сигналов, заданных в виде определенных или случайных функций времени
Качество работы системы проверяется по ее реакции на:
1) дельта функцию S(t);
2) единичную функцию 1(t);
3) гармонический сигнал A • sin o
Ht;
4) случайные воздействия с заданными вероятностными характеристиками.
Качество отработки типовых сигналов оценивают либо непосредственно по выходному сигналу y (t), либо путем сравнения этого сигнала y(t) с реакцией некоторой эталонной системы (рассогласование s
e (t) на рис.2.46), либо по ошибке воспроизведения командного сигнала
е, (t) = ? (t) - y (t).
 |
|
Рис. 2.46. Сравнение управляемой системы с эталонной |
На рис. 2.47 представлена реакция некоторой следящей системы на линейно возрастающий командный сигнал
? (t) = (0.5 + 0.0251)1(t),
на рис. 2.48 - реакция на единичную функцию.
 |
|
Рис. 2.47. Иллюстрация к характеристикам качества системы (реакция на линейно изменяющийся сигнал) |
 |
|
Рис. 2.48. Иллюстрация к определению показателей качества (реакция на единичную функцию) |
С помощью этих рисунков удобно проиллюстрировать основные показатели качества, используемуе при анализе систем управления.
1. Установившаяся ошибка:
Вуст = *(«>) = lim(v(0 - y(t)). (2.10-1)
t
2. Время регулирования t - минимальное время, в течение которого
переходный процесс перестает выходить за пределы заданной «трубки». Определяется из условия
В) - Еуст
< А при t > t
p,
(2.10-2)
где А - заранее заданное значение, определяемое требованиями к точности системы (обычно 2-5% от значения командного или выходного сигнала в установившемся режиме).
3. Максимальное перерегулирование а - наибольший выброс управляемого процесса относительно установившегося значения по отношению к разности в и в(0) .
уст
100% •
(2.10-3)
В —в
мах уст
В уст — В(0)
Обычно требуют а < 30 ^ 40%.
4. Время нарастания: t
H - время первого входа процесса в трубку.
5. Время максимального перерегулирования: t
m.
6. Число перерегулирований N в интервале: 0 < t < t
p -число выбросов, для которых
7. Частота или период T
k колебательной составляющей переходного процесса.
2.10.2. Ошибки системы регулирования в установившихся режимах. Статические и астатические системы
Рассмотрим одну из самых распространённых структурных схем -схему типа следящей системы (рис.2.49), назначение которой с минимальной ошибкой воспроизвести на выходе y(t) командный сигнал
v (t).
W (р)
-^^2)—%| w(p)U+
a. ---
Рис.2.49. Простейшая типовая структура следящей системы
В общем случае разомкнутая система может быть представлена последовательным соединением объекта (неизменяемой части системы) с передаточной функцией W
o6 (р) и регулятора (корректирующего
звена) с передаточной функцией W
per (р). Кроме того, учтем дополнительно возмущающее воздействие f (t). С учетом этого передаточная функция разомкнутой системы W(р) = W
per(р)W
o6(р), а исходная структурная схема примет вид, представленный на рис.2.50.
 |
f |

W6
5 (р)
Рис.2.50. Структурная схема системы для анализа точности
в установившихся режимах
В соответствии с этой структурной схемой изображение по Лапласу от ошибки E (p) зависит как от командного сигнала, так и от возмущения:
E(p) = WJp) • У(p) + W
fe(p) • F(p) = E
v(p) + E
f (p), (2.10-4)
где
1
1+W (p)’
(2.10-5)
Wvs( p)
- W
o5 (p) 1 + W (p)
W j(p p)
(2.10-6)
Широкий класс командных сигналов и возмущающих воздействий может быть представлен степенными функциями времени
(О) + ^2^ +...) • 1(t). (2.10-7)
Сначала рассмотрим реакцию системы на возмущающее воздействие, вида:
f(t) f Г- 1(t), (2.10-8)
v!
где f
v = const и имеет размерность возмущения f, деленную на
сек?. Такая функция имеет ненулевые производные от нулевого до ? порядка и нулевые производные порядка выше, чем v. Причем,
(2.10-9)
f v)(t) = v
|
Изображение по Лапласу возмущения (2.10-8) имеет вид |
|
Пусть |
F (p) = ?.
pV1 |
(2.10-10) |
w6 (p) = K 06 R°‘(p),
06 Q°e (p) , |
(2.10-11) |
K R (n)
W (p) = рег реЛ^
РеГ (p) pQ^per (p) |
(2.10-12) |
|
R°6 (0) = Rp„ (0) = Q°6 (0) = Q^ (0) = 1. |
(2.10-13) |
|
Тогда изображение ошибки можно представить в виде:
- Коб • Ярб (p) • p' • Qp,
a (p)
Q* (P) • p' • Q
(„ (P) + Коб ¦ Kрег ¦ Яоб (P) • Ярег (P)
f
V
pT'
(2.10-14)
E, (р)
В соответствии с предельной теоремой преобразования Лапласа, если существует lim e(t), то
t
lime, (t) = linm p • E, (p) = lim K°° • f„- p!v. (2.10-15)
p^o p^o К • К
об ,хрег
Если ? = !, то
lime, (t) = —?. (2.10-16)
^ Крег
Очевидно, в этом случае размерность коэффициента К
рег равна
отношению размерностей возмущения и ошибки, умноженному на сек-!. Такая система называется астатической по возмущающему воздействию с порядком астатизма !. Если на вход такой системы подать возмущающий сигнал типа степенной функции времени с ? <!, то установившаяся ошибка будет равна нулю.
Если ! = 0, то нетрудно убедится в том, что если возмущение является единичной функцией:
f(t) = f, • 1(t), (2.10-17)
то
•f
об
e, (да)
(2.10-18)
об
рег
Такая система называется статической, поскольку при постоянном возмущении ошибка в статике не равна нулю, пропорциональна величине возмущения f
0 и тем меньше, чем больше коэффициент усиления разомкнутого контура К = К
обК
рег.
Аналогичные рассуждения можно провести для случая, когда f = 0 , а командный сигнал является степенной функцией времени:
(2.10-19)
(2.10-20)
v (t) = -v Г
V!
В этом случае положим
Q(p) = Qq6 (p) • Q
p,
s (p) = p! • Q1(p) и Q,(0) = 1.
Тогда
i ¦ Q,(p) к
p ¦ Q,( p) + K ¦ R( p) p
lim (p) = linn p
t—да p—0
(2.10-21)
Такая система при l Ф 0 называется астатической по командному сигналу с порядком астатизма, равным l.В этом случае коэффициент K называется добротностью системы. Его размерность сек-1.
Если ? = l, то
(2.10-22)
? (да) = — = const. v k
Если ? < l, то ?
v (да) = 0.
При l = 0 система называется статической. Для нее, при
V(t) = v
0 ¦ 1(t) (2.10-23)
имеем
?v (да)
(2.10-24)
В рассмотренном случае регулятор содержал l интеграторов, то есть, был астатическким, а объект интеграторов не содержал -был статическим. Если рассмотреть другой вариант, где, в отличие от (2.10-11), (2.10-12),
Kрег Rу* ( P)
%г (P)
Kоб Rq6 ( P) .
P'Q1„б (P) ’
Wб (P)
R* (0) = R„г (0) = Q,„6 (0) = Qр,
с (0) = 1,
то выводы по отработке командного сигнала не изменятся, а при возмущении (2.10-8)
1. pv.
lim? (t) = lim
t ——да f w t—да K
рег
При ? = 0 получаем
 |
K
рег |
?f (да)
а при v > 0 ошибка с течением времени неограниченно растёт. Таким образом,
порядок астатизма системы по отношению к какому-либо внешнему воздействию равен числу интегрирующих звеньев, включенных в обратную связь между координатой ошибки и этим воздействием.
Системой с астатизмом l -го порядка по отношению к командному сигналу v называется система автоматического управления, вынужденная ошибка которой при отработке сигнала, выражаемого в виде полинома степени l по t
A
A
0 + At +... + ALtl,
l!
постоянна и пропорциональна величине A
l, то есть старшей производной воздействия. При отработке сигнала, выражаемого полиномом меньшей степени, установившаяся ошибка в такой системе равна нулю. Изложенные выше рассуждения приводят к выводу, что с точки зрения стремления к уменьшению ошибки желательно иметь более высокий
порядок астатизма и более высокое значение K
прг. И то и другое, как
рег
правило, вступает в противоречие с требованиями устойчивости. Уже синтез устойчивой системы с астатизмом выше третьего порядка ставит перед разработчиком серьёзные проблемы.
ПРИМЕР 2.10-1. Пусть дана система со структурной схемой представленной на рис.2.51. Система обладает астатизмом 1-го порядка, как по командному, так и по возмущающему воздействиям, так как система содержит один интегратор с передаточной функцией p-1 в регуляторе (корректирующем звене). Для данной системы:
1) если f = const и v = const, то ?
уст = 0;
 |
|
Рис.2.51. Иллюстрация к примеру 2.10-1 |
2) если v = v
1 • t, v
1 = const, а f - константа или нулевая величина, то кинетическая ошибка
? = ?(оо) = —,
уст
K
где добротность
К = K
p • К
об ;
p об J
3) если f = f • t, f = const, а v - константа или нулевая величи
на, то

4) если v = v
2 • t2, v
2 = const, или f = f
2 • t2, f
2 = const, то ошибка будет непрерывно нарастать.
2.10.3. Точность систем при отработке гармонических сигналов
Каждый командный сигнал может быть разложен либо в дискретный (ряд Фурье для периодической функции времени), либо в непрерывный спектр гармоник (интегральное преобразование Фурье). Для того, чтобы воспроизвести командный сигнал с малыми искажениями, необходимо точно воспроизвести хотя бы существенные гармоники этого спектра. В интервале этих существенных частот амплитудно-частотная характеристика замкнутой системы (АЧХ) должна быть близка к единице, а фазочастотная (ФЧХ) - к нулю (рис. 2.52). При этом, естественно, полоса пропускания системы должна быть заведомо шире спектра командного сигнала.
Для оценки величины и
в рассмотрим спектральную плотность сигнала (спектр мощности):
(2.10-25)
И)=V(jm)-V(-M=|?И|
Ф? (t )}| = |V( и) I

Рис. 2.52. Спектральная характеристика командного сигнала Ф {v (t} и АЧХ системы W
vy (и)
Полная энергия сигнала определяется выражением
(2.10-26)
Е
? = J S (и)сИ.
Величину w
B целесообразно выбрать так, чтобы площадь под кривой S(w) на интервале частот [0, w
B ] составляла не менее 90% от площади под этой кривой во всём диапазоне частот от нуля до бесконечности (рис. 2.53).
 |
|
Рис. 2.53. К обоснованию выбора величины wB |
Применительно к структурной схеме, приведённой на рис. 2.41, для которой частотная функция от командного сигнала к ошибке имеет вид
1
W
v (jw) =-- ,
7 1 + W(jw)
этим требованиям соответствует неравенство 1
(2.10-27)
(2.10-28)
0 <w<w
B,
1 + W (jw)
где A - некоторая заданная величина. В рассматриваемом диапазоне частот обычно W(jw) >> 1. Поэтому неравенство (2.10-28) будет всегда выполняться, если
(2.10-29)
1
- 1 + |W (jw)\
Отсюда следует
 |
1 + A 1
\ _ rsj _
/ ^ .
AA |
(2.10-30)
Таким образом, для точного воспроизведения командного сигнала требуется, чтобы в спектре частот от 0 до w
B выполнялось условие
(2.10-31)
Обычно принимают: А = 0.05 ^ 0.1. Применительно к ЛАЧХ неравенство (2.10-31) превращается в требование того, чтобы в диапазоне 0 <о<ф
В выполнялось условие
W(}ю)\дБ > (26 - 20)дБ. (2.10-32)
2.10.4. Связь между логарифмическими амплитудно-частотными
характеристиками и качеством переходных процессов в САУ
Между частотными и временными характеристиками систем существует однозначная взаимозависимость. Особенно много внимания уделялось этому вопросу в те времена, когда вычислительная техника была недоступна рядовому инженеру, и он должен был судить о свойствах разрабатываемых систем, пользуясь только косвенными оценками. Часть таких методик косвенных оценок качества по частотным характеристикам представляет интерес и в настоящее время. На эту тему имеется обширная учебная литература. В настоящем пособии затрагивается один фрагмент из этих методик, который позволяет достаточно просто связать качество временных процессов в замкнутых системах с видом амплитудно-частотных логарифмических характеристик соответствующих разомкнутых систем. Здесь следует отметить, что дальнейшее содержание параграфа относится лишь к так называемым неминимальнофазовым системам, то есть к таким, передаточные функции которых не содержат ни нулей, ни полюсов с положительной вещественной частью.
Весь диапазон частот при рассмотрении ЛАЧХ (рис. 2.54) разбивают на три поддиапазона:
26дБ , если А = 0.05; 34дБ , если А = 0.02
f -1
?А?
L(w) > 20 lg
(2.10-33)
Кроме того, вид ЛАЧХ в этой области указывает на порядок астатизма и статическую или кинетическую точность системы. Наклон низкочастотной асимптоты равен - 20 • ? дБ/дек., где ?- порядок астатизма.
Ширина интервала [0,^
н ] позволяет найти ширину спектра частот
управляющих воздействий, воспроизводимых системой без каких-либо значительных искажений и позволяет судить о том, какие воздействия для рассматриваемой системы можно считать медленно изменяющимися.
2) Диапазон средних частот \п
н,п
к]- определяет запасы устойчивости и качество системы при воздействии типа ступенчатой функции. В этом интервале находится частота среза ю
с, позволяющая оценить время регулирования:
t
п * (3 - 4) — . (2.10-34)
П
Частота среза п
с примерно равна собственной частоте замкнутой
системы (частоте, где у замкнутой системы может быть некоторый резонанс).

Для удовлетворительного качества переходных процессов необходимо, чтобы ЛАЧХ на этом интервале имела наклон -20дБ/дек, а длина этого интервала примерно равнялась 1дек. На этом интервале определяются запасы устойчивости системы. Рекомендуемые значения этих запасов составляют примерно 10дБ по модулю и 350 - 400 по фазе.
3) Интервал высоких частот п > п
с . Этот интервал примерно соответствует W(П)I
дБ <-16 дБ. На этот интервал приходятся сопрягающие
частоты, пренебрежение которыми не оказывает существенного влияния на качество переходных процессов.
ПРИМЕР 2.10-2.
Дана система с передаточной функцией
W (p) =
k (1 + Tp ^2
p311 + T2 p )
Это система с астатизмом третьего порядка. На рис.2.55 представлена её логарифмическая амплитудно-частотная характеристика. Цифрами 1, 2, 3 обозначены соответственно области низких, средних и высоких частот.
 |
|
Рис. 2.55. Иллюстрация к примеру 2.10-2 |
2.10.5. Соотношение масштабов во временной и частотной областях
1. Если функция f(t) преобразуема по Фурье, F(jw) = 0{f(t)} -
ее преобразование по Фурье и a - положительное вещественное число, то справедливо равенство
aF (jw).
(2.10-35)
Докажем, это. Прямое преобразование Фурье выражается формулой
f(jw) = J f(t) ¦ e wdt (2.10-З6)
0
Введем новые переменные t = t ¦ a, w = — . Тогда
F (jwa) = - J f
a Jo v a j
dt,
- ja w
e v a
откуда
- ja w
e
aF (jwa)
dt
и равенство (2.10-35) доказано.
Таким образом, при растяжении (сжатии) в "а" раз графика функции f (t) вдоль оси времени, график модуля спектральной характеристики F(j'w)|, во-первых, сжимается (растягивается) вдоль оси частот в "а"
раз и, во-вторых, увеличиваются (уменьшаются) в "а" раз его значения. Известно, что чем короче импульс, тем шире его спектр.
2. Изображение по Фурье от переходной функции h(t) системы с
передаточной функцией W (p) имеет вид
Wj)
jw
H (jw) =
(2.10-37)
поэтому сама функция h(t) может быть определена с помощью обратного преобразования Фурье:
(2.10-38)
h(t) = — -1W(jw)
ewdw.
2п —L jw
По аналогии с пунктом 1 введем новые переменные
- w
t=t - a , w =—, a
и, подставив их в (2.10-38), получим h
W ( jaw )
1 +L W (jaW) jawL J——--e a daw
T1-*-
J
jWt 7
e dw
2n
2n —L jw
jaw
(2.10-39)
Таким образом, если частотная характеристика системы, получается путем сжатия (или растяжения) вдоль оси частот частотной характеристики некоторой исходной системы (рис. 2.56), то ее переходная функция соответственно растягивается (или сжимается) вдоль оси времени.
 |
|
Рис. 2.56. Связь между изменением полосы пропускания системы и длительностью её переходной функции |
2.11.Интегральные критерии качества с позиций общности задач оптимального и модального синтеза
При рассмотрении качества систем управления большое место занимает группа интегральных критериев качества. Они достаточно полно изложены в обширной литературе по теории автоматического регулирования и управления. Это - интегралы от координат вектора состояния, вектора управления, ошибки регулирования. Интегральные показатели, или критерии качества непосредственно выходят на синтез оптимального управления. При этом под оптимальностью понимается минимум какого-либо интегрального критерия. Наиболее простой из них - это интеграл от квадрата ошибки отработки командного сигнала на бесконечном интервале времени
Jo =le2(t)dt. (2.11-1)
t=0
Однако, как показала практика, стремление к минимизации такого критерия приводит к чрезмерной колебательности переходных процессов. В связи с этим стали усложнять функционал. Так например, кроме квадрата ошибки с целью уменьшения выбросов в переходных процессах в функционал стали вводить квадрат от её производной
то
Ji = 1 (V2(t) + C,*2(t))dt. (2.11-2)
t=0
Кроме этого, оказалось полезным учитывать величину управляющего воздействия:
J2 = J (Oo?2(t) + c^2(t) + c
uu2(t))dt. (2.11-3)
t=0
Различные исполнения системы в некоторых случаях стало удобным сравнивать по величине соответствующих интегральных показателей. Такой анализ неизбежно стал перерастать в синтез оптимального управления с различными интегральными критериями. В одной из наиболее общих форм интегральные критерии, используемые оптимальном синтезе, записывают в виде:
J = { (xT (t )Q
xx (t) + 2xT (t )Q
xuU(t) + UT (t )Q
0U(t ))dt. (2.11 -4)
0
Возникло целое направление в теории оптимальных систем - аналитическое конструирование регуляторов (АКР). Был разработан специальный математический аппарат, обеспечивающий расчёт управления, которое минимизирует функционал вида (2.11-4).
Однако, возникла очередная проблема, - проблема выбора значений элементов матриц Q
X, Q
xu, Q
u в соответствующих квадратичных формах. Эту задачу в общем виде формализовать не удалось до сих пор. В то же время, при проектировании систем выявилась важная закономерность: эталонные процессы, к которым притягивается движение в системе, должны соответствовать структуре управляемого объекта. Это означает, что уравнения эталонной системы, отображённой на рис. 2.46, должны иметь такой же вид, как и уравнения объекта. Поэтому в качестве эталонной системы можно выбрать систему того же порядка, что и объект, но с собственными числами, а значит, и с характеристическим полиномом, отвечающими требованиям, предъявляемым к замкнутой системе.
Рассмотрим способ формирования ошибки s
E, характеризующей отклонение некоторой конкретной системы от эталонной. Пусть эталонная система n однородных дифференциальных уравнений первого порядка приведена к одному дифференциальному уравнению n -го порядка:
(2.11-5)
хЭП) +/Л" + ..• + Yn+ YX э = 0.
В левую часть равенства (2.11-5) вместо координаты х
Э подставим
одну из координат вектора состояния объекта. Скорее всего, при этом равенство нулю нарушится. Получаем уравнение невязки:
*0nJ +YiX0"
6~'> +... + Yn-X006 + Ynxo6 = ee . (2.11-6)
Переменная s
E характеризует отклонение процессов объекта от эталонных. Она равна нулю на интервале времени t = [0, да) только лишь в том случае, когда процессы в объекте или в проектируемой системе полностью тождественны процессам в эталонной системе.
Учтём уравнение объекта
x (t) = Ax(t) + BU(t) (2.11-7)
и приведём уравнение (2.11-6) к такому виду, чтобы в него входили только координаты векторов состояния x и управления u :
9x1x1(t) + 9xA(t) +... + Qxnxn(t) +
Qu 1U1(t) + Qu 2U2(t) + ... + Qun
uUn„ (t) = EE (t). .
Это уравнение, используя очевидные обозначения, можно записать иначе:
qTxX(t) + qlu(t) = Se(V). (2.11-9)
В соответствии с введённой текущей ошибкой s
E (t) может быть использован интегральный критерий качества (функционал)
J = ]s2
E(t)dt. (2.11-10)
о
Квадрат ошибки можно записать с помощью квадратичных форм:
|
F2 = |
¦ Х( )¦ |
T |
¦q х " |
~Я х " |
T |
¦ Х( )' |
|
¦ Х( )' |
T |
|
E |
М )j |
|
яи j |
Яо _ |
|
М)_ |
|
М)_ |
|
|
T
Пх T х |
|
(2.11-11) |
q xq U "
ЯоЯ1 J
x(t) 0(t)
я хЯ
ЯиЯ
где
Я
х |
і
-Q
*
_і |
Х |
1
-Q
с
_1 |
|
Ях 2 |
|
Яо 2 |
|
Яхп _ |
; qo = |
-Яопо _ |
|
|
= qlqx; qu = qTA; qxu = qlqu , |
(2.11-12)
Обозначив
(2.11-13)
в итоге получаем критерий (2.11-4).
В связи с тем, что порядки уравнений объекта и эталонной системы совпадают, в результате оптимального синтеза удастся найти оптимальное управление, при котором минимум функционала окажется равным нулю. Так как при этом для процессов в системе с оптимальным управлением окажется выполнимым равенство (2.11-6) при s
E = 0, то полученная система будет иметь характеристический полином
ро (Д) = рэ (Д) = Д + 7Д 1 + ... + 7п-Д + 7n (2.11-14)
и, следовательно, собственные числа синтезированной системы совпадут с собственными числами эталона.
Таким образом, результаты АКР при таком подходе обеспечивают не только минимум критерия (2.11-4), равный нулю, но и позволяет получить систему с желаемыми собственными числами. Поскольку связь переходных процессов с собственными числами (модами) системы более очевидна и непосредственна, модальный синтез часто оказывается предпочтительнее метода АКР, тем более, что алгоритм модального синтеза существенно проще алгоритмов АКР.
ПРИМЕР 1. Для иллюстрации изложенного рассмотрим объект, представленный на рис. 2.9. Уравнения объекта имеют вид:
х ,(t) = х
2(t);
X2(t) = -2х 2(t) + Хз(0; (2.11-15)
Х 3(t) = - х з(і) + o(t).
Пусть эталонная система (эталонный процесс) определяется уравнением
43)(0 + rX?(t) + Y x™ + Y3 Хэ (t) = Y
3v(t), (2.11-16)
соответствующим желаемым собственным числам. Из этого уравнения видно, что при постоянном командном сигнале v = v
0 = const в статике
lim( Хэ (t)) = Хэ
уст = v
0. (2.11-17)
Подставив в левую часть равенства (2.11-16) координату объекта x
1(t) и получим уравнение невязки:
(2)
(1),
Se (t) = x,(3)(t) + r,x,(2)(t) + Y2x™(t) + Y3x,(t) .
(2.11-18)
Заменим производные от координаты x
1 на координаты вектора состояния объекта с учётом уравнений (2.11-15):
Х1(1) = x 2;
(2)
1
(1)
= -2 x
1 + x
3;
(2.11-19)
x;3) = -2x21 + x31 = 4x
2 - 3x
3 + и.
В результате уравнение невязки принимает вид
Se (t) = Y3Х1 (t) + (4 - 2y + Y2 )x2 (t) + (Y1 - 3)x3 (t) + u(t), (2.11 -20) откуда получаем:
Y3
(2.11-21)
4 - 2Y + Y2 Y1 - 3
Теперь в соответствии с (2.11-13) могут быть вычислены матрицы Q
X, Q
u, Q
XU и получен функционал (2.11-4) для использования при решении задачи АКР.
В то же время, приравняв нулю s
e (t) в (2.11-20), можно непосредственно получить выражение для формирования управления u(t) через координаты вектора состояния объекта. Более того, если потребовать выполнения равенства
(2)
(1)/
x13)(t) + Y,x;2)(f) + Y 2 x,(1)(t) + y
3 X1(t) = YV (t)
(2.11-22)
то с учётом (2.11-20) получим систему с обратной связью по вектору состояния и управлением
u(t) = Lx(t) + kvv (t), (2.11-23)
где фигурируют матрица обратной связи
L = [[ - 4 + 2Y ~Гг 3 -гА (2.11-24)
и передаточный коэффициент по командному сигналу
kv = у
3. (2.11-25)
Таким образом, без решения задачи АКР получено оптимальное управление, обеспечивающее процессы в замкнутой системе, имеющей собственные числа, соответствующие характеристическому полиному эталонной системы (2.11-14). Кроме того, в полученной системе обеспечена единичная статика по командному сигналу v (2.11-17).
В этом примере проиллюстрирована идентичность задачи АКР с надлежащим образом выбранным критерием оптимальности задаче модального синтеза. В следующих разделах будет подробно изложена методика модального синтеза.
3. Синтез линейных непрерывных систем
3.1. Выбор корректирующих звеньев. Метод желаемых ЛЧХ
Как уже отмечалось, существует связь между частотными характеристиками системы, как в замкнутом, так и в разомкнутом состоянии, и протекающими в ней переходными процессами. На протяжении многих лет инженерами накоплен большой опыт по синтезу систем автоматического управления на базе формирования эталонных, желаемых частотных характеристик соответствующих разомкнутых систем. В литературе имеются обширные таблицы таких эталонных логарифмических амплитудно-частотных характеристик для большого числа типовых передаточных функций объектов управления. В настоящем пособии излагается лишь основная идея такого подхода.
Рассматривается одноконтурная система (рис. 3.1). Разомкнутый контур состоит из последовательно включённых неизменяемой части системы (в неё входят объект, привод, датчики, преобразующие и согласующие устройства) с передаточной функцией W
0(p) и корректирующее звено с передаточной функцией W
k (p).
y
->
>(2)—>
Wo( p)
Рис. 3.1. Исходная структурная схема
Предполагается, что заданы требования к основным показателям качества, обсуждавшимся в п.2.10.1. В соответствии с этим по упомянутым таблицам, или на основе подхода, изложенного в п.2.10.4, строится асимптотическая логарифмическая амплитудно-частотная характеристика (ЛАЧХ) І-
жел(ю) разомкнутой системы, удовлетворяющая указанным требованиям. На этом же рисунке строится асимптотическая ЛАЧХ неизменяемой части системы

Мю)
(3.1-1)
Потребуем, чтобы комплексный передаточный коэффициент разомкнутой системы был равен функции, определяемой желаемой ЛАЧХ, то есть
W
m ( ІЮ) = Wk ( ІЮ) W 0( Ю) (3.1-2)
или
L*.„ (о) = Lk (®) + Lc(®)- (3-1-3)
В соответствии с этим простой операцией графического вычитания легко получить асимптотическую ЛАЧХ корректирующего звена
Lk (о) = L ж.* (о)- Lc(®)- (3-1-4)
По ней уже нетрудно восстановить передаточную функцию W
k (p).
ПРИМЕР 3.1-1. Передаточная функция неизменяемой части системы
1
Wо(p) = p(p + 1)(0.1p + 1).
Требования к системе.
1) При отработке командных сигналов, меняющихся со скоростью до 10ед/с, ошибка не должна превосходить 0.1 ед..
2) Время регулирования t
p * 1с.
3) Ошибка воспроизведения гармонических сигналов с амплитудой A
v
на частотах до 1 рад/c должна быть не более 0.05 A
v. Последовательность расчёта.
1. Построить асимптотическую ЛАЧХ неизменяемой части системы Ld(o) (рис. 3.2).
2. Построить желаемую ЛАЧХ L
xefl (о).
¦ В связи с тем, что согласно п.1 требований к системе при линейно изменяющемся во времени командном сигнале допустима постоянная ошибка, система должна иметь астатизм первого порядка. Поэтому низкочастотная асимптота должна идти с наклоном -20 дБ/дек. В соответствии с (2.10-22) добротность системы
K = = 10'ед'С 1 = 100 -1с.
S(M ) 0-1' ев 1
Следовательно, низкочастотная асимптота должна пересекать ось частот при о = 100 рад/с.
¦ Частота среза определяется с учётом требуемого времени регулирования из (2.10-34):
(3 4)^
* 10рад/с.
Таким образом, среднечастотный участок желаемой ЛАЧХ на этой частоте пересекает ось абсцисс, имеет наклон -20 дБ/дек имеет протяжённость, равную одной декаде, то есть занимает интервал
3.16 <ю < 31.6.
¦ Диапазон частот ю> 31.6 считаем высокочастотным. Наклон высокочастотной асимптоты выбираем равным -60 дБ/дек, - таким же, как наклон высокочастотной асимптоты неизменяемой части системы.
¦ Для того, чтобы упростить реализацию корректирующего звена, низкочастотную и среднечастотные асимптоты соединяем отрезком прямой с наклоном -40 дБ/дек. При этом следует учесть требование по точности воспроизведения гармонического сигнала: в соответствии с (2.10-33) на частоте 1 рад/c желаемая ЛАЧХ должна пройти выше уровня 26 дБ.
 |
|
Рис. 3.2. Иллюстрация к методу желаемых ЛЧХ |
3. Построить ЛАЧХ корректирующего звена, производя графическое вычитание отрезков прямых в соответствии с (3.1-4).
4. Замерить значения сопрягающих частот асимптотической ЛАЧХ корректирующего звена и записать соответствующее выражение для передаточной функции
100( р +1)(—!- р +1)(— р +1)
1 1
(-Р +1)(-Р +1)2
3.2. Управляемость линейных стационарных систем
Непрерывная линейная система
x (t) = Ax (t) + BU (t) (3.2-1)
является полностью управляемой тогда и только тогда, когда она может быть переведена из любого начального состояния x(t
0) в произвольный
момент времени t
0 в любое конечное состояние x(t
1) за конечное время
t, - to. _
Примем начальные условия нулевыми: X(t
0) = 0. Тогда, в соответствии с формулой Коши
11
X (о = j eA ('1 -,) BU (r)dr. (3.2-2)
10
Принимая во внимание выражение для матричной экспоненты в виде бесконечного ряда
A(t 1 -т) + A 2(t
1 -т)2
1! 2!
A( '1-т)
(3.2-3)
+.
равенство (3.2-2) можно записать в виде
' 1 '1 ' 1 ('
- т)2
2!
X(t
1) = Bjй(т^т + AB}(t
1 - т)u(t)dr + A2Bj1 J’ o(r)dr +...
10 '0 '0
Обозначим:
|
a |  |
(т)dт i! |
|
'0 |
(3.2-4)
i, Hi
Представим произведения AB в виде блочных матриц векторов


AB
(3.2-5)
Тогда
( Т u(T)dr = [p
h в
ч
AB J
... в =Та
ів
і
/ inti i V / і?
(3.2-6)
і!
V=1
(0
» nu r
x(11) = ЕЕа.-в.. (3.2-7)
i=0 v = 1
В результате вектор x(t
1) может рассматриваться как линейная
комбинация векторов р
і?, являющихся вектор-столбцами матриц
B, AB, A2B, A3B,... . Иначе говоря, конечное состояние x(t
1) принадлежит линейному подпространству, порождаемому вектор-столбцами бесконечной последовательностью матриц B, AB, A2B, A3B, ... .
В этой последовательности должна появиться матрица AB , все вектор-столбцы которой линейно зависят от вектор-столбцов предыдущих матриц B, AB, A2B,..., A-1B. Такая матрица обязательно должна иметь место, так как в линейном n-мерном пространстве не может быть более чем n линейно-независимых векторов. Отсюда же следует, что l < n.
Таким образом, можно записать AB = BA
0 + ABA
1 + ... + A-1 BA
l-1, (3.2-8)
где Л. - соответствующие диагональные матричные коэффициенты
0 ••• 0
(3.2-9)
4 ••• 0
L 0 0 ••• л
Очевидно, тем же свойством обладает и матрица A+1B, так как
A1+1B = AA = ABЛ
0 + A2 BЛ
1 +... + A-ЪЛ
l-2 + ABЛ
l-1. (3.2-10)
По индукции можно утверждать то же самое и для всех AkB при k > l.
Итак, конечное состояние х(^) принадлежит линейному подпространству, порождаемому вектор-столбцами матриц
B, AB, A2B, ... , An-1B
(здесь учтено, что l < n). Если эти вектор-столбцы не порождают n -мерное пространство, то в такой системе можно достичь лишь тех состояний, которые принадлежат подпространству меньшей размерности.
Таким образом, критерий управляемости формулируется следующим образом:
Система x (t) = Ax (t) + BU (t) полностью управляема тогда и только тогда, когда ранг матрицы управляемости
U = [B AB A2B ^ An-1B] (3.2-11)
равен n, то есть полной размерности линейного пространства. При этом говорят, что пара матриц {A, B} полностью управляема.
ПРИМЕР 3.2-1. Определить управляемость системы
x
1 =-4x
1 + 5x
2 - 5U;
x
2 = 3x
1 - 2x
2 + 3U;
У = x
r
Для этой системы
|
|
- 4 |
5 |
|
- 5 |
|
A= |
|
, B= |
|
|
_ 3 |
- 2_ |
|
_ 3_ |
- 5 35
3 - 21
и матрица управляемости U = [A AB ] =
Определитель этой матрицы равен нулю, она имеет ранг меньше двух, то есть порядка системы, и система является неуправляемой.
Отметим, что собственные числа матрицы динамики системы
\ = +1; ^
2 = -7,
то есть система неустойчива. В тоже время передаточная функция по выходной координате
( Р)
5
Р + 7’ у неё только один, устойчивый полюс и по ней не видно, что в действительности система неустойчива.
Матричная передаточная функция по вектору состояния
Ей соответствует решение дифференциального уравнения системы
• J e-7(t Т]и(т)бт. 0
x(t) = eAtx(0) +
Как видно, в вынужденной составляющей решения отсутствует одна -неустойчивая - мода. Кроме того, независимо от управляющего сигнала для координат вынужденной составляющей вектора состояния существует линейная связь
x2В (t) = -0.6Х
:в (t).
ПРИМЕР 3.2-2. Определить управляемость системы
X
1 = -4x
1 + 5x
2 - 10U; x
2 = 3x
1 - 2x
2 + 3U;
У = Xi.
Для этой системы
|
|
- 4 |
5“ |
|
-10" |
|
A= |
|
, B = |
|
|
3 |
- 2 |
|
3 |
10 25
3 - 36
и матрица управляемости U = [A AB ] =
Определитель этой матрицы не равен нулю, она имеет ранг, равный двум, то есть порядку системы, и система является полностью управляемой.
Отметим, что в данном случае полюсы передаточной функции
10( p +1)
(p -1)( p + 7)
полностью повторяют все собственные числа матрицы A.
3.3. Наблюдаемость линейных стационарных систем.
В теории автоматического управления большую роль играет задача восстановления вектора состояния по результатам наблюдения за входом и выходом объекта.
Непрерывная система
х (t) = Ax(t) + BU(t)
(3.3-1)
y(t) = Cx(t)
называется наблюдаемой, если вектор состояния X(t
0) можно определить, зная y(t) на некотором интервале времени t = [t
0, t
1]. Если это справедливо для любого t
0, то система называется полностью наблюдаемой. Задачей настоящего параграфа является вывод критерия наблюдаемости.
Достаточно рассмотреть задачу при u(t) = 0. Тогда
y (t) = CeAtX (0). (3.3-2)
В развёрнутом виде - это система алгебраических уравнений
C11X1 + C12 X 2 + -. + C1„X„ = У 1(t 1)
C 21 X1 + C22 X 2 + ..• + C 2 „Х„ = У 1(t 1)
, (3.3-3)
C„yX 1 + ... + C„y„X„ = У „у (t„ )
в качестве неизвестных в которой выступают координаты вектора состояния. В связи с тем, что, как правило, „
у < „, число уравнений оказывается меньше числа неизвестных, и решение невозможно.
В соответствии с теоремой Кэли-Гамильтона каждая квадратная матрица удовлетворяет собственному характеристическому уравнению:
A +aA +... + a
n_^A + a„E = 0. (3.3-5)
Поэтому матричная экспонента, являющаяся степенным рядом относительно матрицы A, может быть представлена в виде полинома степени „ _ 1. С учетом этого равенство (3.3-2) можно записать в виде:
y(t) = Ъг, (t) • C • A'x(0)
(3.3-5)
l=0
где y (t) - соответствующие коэффициенты этого полинома. Для i-й составляющей вектора выхода соответственно будем иметь
y, (t) = 1; Y (t )(CA') ,X(0). (3.3-6)
l=0
Здесь (CA1), - i -я строка матрицы (CA1).
Если набор (CA1). для i = 1,2,...,n
y; l = 0,1,2,...,n -1 не содержит полного базиса, то есть n линейно независимых строк, иначе говоря, если матрица
c -
(3.3-7)
CA CA2
LCAn-1
имеет ранг, меньший, чем n, то в качестве ненулевого вектора начальных условий X(0) ф 0 может быть выбран вектор, ортогональный всем строкам матрицы N. Тогда в соответствии с (3.3-5) получим, что y(t) = 0 для всех t, т.е. система не наблюдаема.
Теперь докажем, что если ранг матрицы N равен n, то X(t
0) может быть определен с помощью конечного числа измерений вектора выхода y (t). Обозначим
r(tk) = [Y0(tk)E Yi(tk)E... Yn-i(tk^, (3.3-8)
где Е - квадратная единичная матрица размером [n
y х n
y ]. Моменты измерения t
k выберем таким образом, чтобы для различных значений к элементы у. (t
k) отличались друг от друга. С учетом введенного обозначения равенство (3.3-5) примет вид
y(t
k ) = г(tk )NX(0). (3.3-9)
Известно, что ранг произведения любых двух матриц не превосходит ранга каждого из сомножителей. Ранг матрицы Г (t
k) не превосходит числа ее строк n
y < n. Проводя многократные измерения на интервале времени переходного процесса системы, построим расширенный вектор выхода
У (f,)
У (t2)

(3.3-10)
_У ( fn )_
и обозначим
"Г( f, )" -Г( t
n)_
r
R
(3.3-11)
Матрица Г имеет n
y х n строк. Моменты измерений должны быть
выбраны таким образом, чтобы выполнялось условие rank r
R = n. Как было обусловлено, ранг матрицы N также равен n. Поэтому уравнение
rR • N • x(0) = Yr (3.3-13)
содержит n линейно независимых скалярных уравнений, то есть оно может быть разрешено относительно вектора x(0).
Таким образом, доказан следующий критерий полной наблюдаемости стационарных линейных систем:
Линейная стационарная система вполне наблюдаема тогда и только тогда, когда ранг матрицы наблюдаемости N равен n.
ПРИМЕР 3.3-1. . Объект управления задан уравнениями X, = -8 ^ + 3 x
2 + 3и;
X
2 = -x
1 - 4 x
2 + 2u; y = x. - 2x2.
Этим уравнениям соответствуют матрицы
C = [1 - 2].
83 -1 - 4
Определитель матрицы управляемости
3 -15 23
не равен нулю, поэтому система управляема. Матрица наблюдаемости
|
N = |
|
" C “ |
|
“ 1 - 2“ |
|
CA_ |
|
і
ю
і
CD
1
_і |
|
Её определитель также отличен от нуля, следовательно, система полностью наблюдаема.
Для данного объекта нетрудно рассчитать собственные числа
Я
1 = -5; Л
2 = -7,
правые
|
|
т |
|
“3“ |
|
?1 = |
_1_ |
; v 2 = |
_1_ |
и левые
d; = [- 0.5 1.5] ; dl = [0.5 - 0.5] собственные векторы.
В соответствии с (2.4-27), (2.6-4) и (2.6-6) нетрудно получить передаточные функции по векторам состояния и выхода:
1.5 1.5
--1--
p + 5 p + 7
1.5 0.5
+
p + 5 p + 7
1.5
p+5
0.5
+p+r
В данном случае полюсы передаточной функции по выходу полностью отображают собственные числа матрицы динамики.
ПРИМЕР 3.3-2. . Объект управления задан уравнениями = -8 x
1 + 3 x
2 + 3u
; y = x
1 - 3 X2.
x
2 = - x
1 - 4 x
2 + 2u
Матрицы A и B здесь такие же, как и в предыдущем примере, следовательно, объект управляем. Матрица выхода
C = - - 3].
Ранг матрицы наблюдаемости
1 - 3“
- 5 15
N=
C
CA
в данном случае меньше порядка объекта и равен единице, так как второй столбец пропорционален первому. Следовательно, данный объект неуправляем.
Правые и левые собственные векторы матрицы динамики и передаточная функция по вектору состояния такие же, как и в предыдущем примере. Передаточная функция по выходу
( Р)
У неё отсутствует полюс, равный второму собственному числу матрицы Л.
Определим свободное движение объекта по вектору состояния и по выходу:
x(t) = e*x(0) = X elitv
idjx(0);
i=1
у (t) = Cx(t).
Получаем:
x(t) =
- 0.5 1.5
- 0.5 1.5
1.5
0.5
1.5
0.5
x(0)e -7t;
x(0)e -5t +
-5t
у (t) = [1 - 3]x(0)e
Если выбрать
x (0) = v
2 =
то так как векторы v
2 и d
1 взаимно ортогональны, и их скалярное произведение равно нулю, получим
-7t
x(t)
в то время как
у (t) = 0.
3.4. Замена базиса в линейном конечномерном пространстве
Линейное пространство R называется конечномерным, а число n -числом измерений этого пространства или его размерностью (dimR = n), если в R существует n линейно независимых векторов, в то время как любые n +1 векторов в R линейно зависимы.
Система из n линейно независимых, заданных в определенном порядке векторов e
1,e
2,...,e
n в n-мерном пространстве называется базисом этого пространства.
Если каждый из векторов базиса ортогонален любому другому вектору этого базиса, т.е. их скалярные произведения равны нулю, то такой базис называется ортогональным. Если, кроме того, модуль каждого вектора базиса равен единице, то базис называется ортонормирован-ным.
Векторы х, e
1,e
2,..., e
n, где x - любой вектор из R, линейно зависимы, так как их n +1. Отсюда справедливо равенство:
а
0 х + a
1e
1 +а
2 e
2 +... + a
ne
n = 0, (3.4-1)
откуда
х = Xeiei + Xe2e2 + ... + Xe
ne
n . (3.4-2)
Здесь:
x
e1,x
e2,...,x
en- координаты вектора x в базисе {e}.
Столбец
el
(3.4-3)
x
en
l_ en _|
называют координатным столбцом вектора x в этом базисе.
x - вектор в пространстве, и только если в этом пространстве выберем базис, то возникает понятие координатного вектор-столбца x
e.
Если установим другой базис, то ему будет соответствовать другой координатный вектор-столбец.
Пусть в n -мерном пространстве задано два базиса:
{e} : ei, e2,..., en
{f} : f„ f fn .
Так как это векторы одного и того же пространства, то каждый из векторов базиса {f} можно разложить через векторы базиса {е}:
f1 = fe1iei + fe21 е2 + ... + fете n > f2 = fe12ei + fe22е2 + ". + fen2еп >
(3.4-4)
fn = fe1nei + fe 2ne2 + ... + fenne n
Коэффициенты f
eik (здесь i-номер координаты, а k-номер раскладываемого вектора) можно представить в виде квадратной матрицы
fe11 fе12 fe21 fе22
eln
e2n
(3.4-5)
en1
e n2
е nn
или
(3.4-6)
Fe \fe1 fe2 fen ]
Каждый из столбцов матрицы F
е - это координатные столбцы векторов
f
1, f
2,..., f
n базиса {f} в базисе {е}.
С учетом введенных обозначений систему равенств (3.4-4) можно записать в виде
|
f = [1 е2 . |
.. еп ]• ] =[е]^ І, |
= \е]
< |
|
|
f n =M- in |
(3.4-7)
Можно ещё более упростить (укрупнить) эти равенства, используя понятия блочных матриц:
[f - fn] = \[е]• f„ [е]• f ••• [е]• fen] (3.4-8)
или, в итоге
(3.4-9)
\f ]= \е ] F
Матрица F
е называется матрицей перехода от базиса {е} к базису {f}. Так как F
е невырожденная, то
[е ] = [f ]• Ef, (3.4-10)
где матрица
Ef = F.'1 (3.4-11)
называется матрицей перехода от базиса {f} к базису {е}.
ПРИМЕР 3.4-1. Пусть в R2 задан базис {е} векторами е
1, е
2 (рис. 3.3).
 |
|
Рис. 3.3. Связь между векторами различных базисов |
Введем базис {f} следующим образом:
f
1 = 1 • е
1 + 1 • е 2; f
2 = - 1 • е
1 + 0 • е
2 .
Запишем матрицу перехода от базиса {е} к базису {f}:
-1
0
Найдем обратную матрицу
-1
и, в соответствии с (3.4-10), получаем
|
-1 |
1
о
_і |
|
¦ , * |
|
• |
= |
- f2 f1 + f2 _ |
|
|
і
1
_і |
|
]=[r

Этот результат подтверждается анализом рис. 3.3.
Рассмотрим, как связаны между собой компоненты, (координатные столбцы) одного и того вектора x в разных базисах. В соответствии с (3.4-2)
|
x = xe1^i + xe 2e2 + ^ + ^n |
(3.4-12) |
|
и |
|
|
x = xf 1f + xf2f2 + ... + xJn . |
(3.4-13) |
Приравнивая правые части последних двух равенств, получим
И' xe = \f ]' xf, |
(3.4-14) |
а с учётом (3.4-9)
[e] x e = \Р F exr |
(3.4-15) |
|
Окончательно получаем |
|
|
xe = Fexf; xf = F e "' ' xe . |
(3.4-16) |
3.5. Линейные операторы и матрицы линейных операторов.
Отображение A линейного пространства X в линейное пространство У
A : X ^ У
называют линейным преобразованием или линейным оператором, если оно удовлетворяет двум условиям:
а)
A(x + V) = A(x) + A(V) для всех x,v e X; (3.5-1)
б)
rrrr
A (ox) = ccA (x) для всех X V e X и любого a. (3.5-2)
Если отображение A переводит вектор x в некоторый другой вектор у:
(3.5-3)
A (x) = у,
то вектор у - называют образом вектора x, а x - прообразом вектора у.
Линейный оператор, отображающий линейное пространство Rn само в себя, называется линейным оператором в Rn.
Пусть X е Rn;y e Rn и у = A(X). Рассмотрим, как связаны в этом случае координаты векторов X и у. Будем ориентироваться сначала на базис [e] = [ e
2 ••• e
n ]. Очевидно при этом, что
x = Z Xe
ke
k; (3.5-4)
k=1
(3.5-5) на элемен-
у = Z Уe/6/ .
/ = 1
Рассмотрим, прежде всего, как действует оператор A ты базиса. Пусть
A ) = aieiei + a2ie2 + .•• + Kien
A (ek ) = aiekei + a2ke2
e e
nk n
(3.5-6)
+... + a
A (en) = a1nei + alne2 +... + а’ппёп Из соотношений (3.5-3) и (3.5-4) следует
(3.5-7)
(3.5-8)
(3.5-9)
(3.5-10)
У = Z Xek A ((Гk ).
k=1
Учтём (3.5-6):
y=Z Xek Z aeA-.
k=1 /=1
Сопоставляя это равенство с (3.5-5), получим
n
ye/=Z alXek , / = 12.....n
k=1
Запишем этот результат в матричной форме:
У. = Ae • Xe ,
где, как и раньше y
e и X
e - координатные вектор-столбцы, соответствующих векторов в базисе [e], а матрица
называется матрицей оператора A в базисе [e]. Элементы её столбцов по построению - это координаты векторов A (e
1 ), A (e
2)..... базисе [e]. Аналогично вводится понятие матрицы A
f того же оператора A в некотором другом базисе [f].
Рассмотрим теперь, как изменяется матрица оператора A при замене базиса в пространстве Rn. Пусть, как и прежде у = A (X) и матрица A
e, в соответствии с (3.5-10) связывает между собой координатные столбцы векторов X и у в базисе [e].
Согласно ранее полученным результатам - соотношениям (3.4-16),
Xe = Fe • Xf (3.5-12)
(3.5-13)
Из этих двух соотношений и (3.5-10) легко выводится равенство
Уf = A
f • Xf, (3.5-14)
где
К.
а;
а12
ae
ae
"21 "22
e
2.
(3.5-11)
e
.1
ae
.2
A = f.-1 • a. • f.
_ (3.5-15)
Эта формула позволяет связать между собой матрицы одного и того же оператора в различных базисах. В математике такие матрицы называются подобными. Ранее (п.2.4.3) уже отмечалось, что подобные матрицы имеют одинаковые собственные числа.
ПРИМЕР 3.4-2. Пусть имеется базис [e] (рис. 3.4)
1. Зададим оператора A его действием на векторы базиса [e]:
A e ) = e, + 2e2;
A (e2 ) = -e. •
Тем самым мы определили матрицу оператора A в базисе[e]:
-1
0
2. Зададим вектор X в базисе [е]:
|
X = ? 1 - ^ 2 . |
 |
|
Рис. 3.4. Действие оператора на вектор |
Отсюда
X е =
3. Рассчитаем координатный вектор, используя (3.5-14): |
|
|
1 -1 |
|
1 |
|
2 |
|
ye = AeXe = |
|
. |
|
= |
|
|
|
i
о
см
_1 |
|
-1 |
|
2 |
|
|
fi |
4. Введем новый базис [f ]:
|
2 ’ |
|
2 |  |
2 ¦ |
= -е
Тогда матрица перехода от базиса [е] к базису [f ] будет иметь вид
0 -1
-1 -1
5. Определим матрицу A
f оператора A в базисе [f]:
|
= F-1A F, |
|
" 1 |
-1" |
|
“1 |
-1" |
|
“ 0 -1" |
|
“ 1 2“ |
|
_-1 |
0 _ |
|
_2 |
0 _ |
|
_-1 -1_ |
|
_-1 0_ |
|
Af
6. Найдём координатный столбец вектора X в базисе [f]. В соответствии с рис. 3.4
x = 2f - f
2.
С другой стороны, согласно (3.5-12)
Xf = F
e -1 • . (3.5-16)
Оба подхода дают один и тот же результат:
xf=l_-1..
В итоге получим координатный столбец вектора у в базисе [f]:
yf = Afxf
ПРИМЕР 3.5-1. Дана матрица А
е оператора A в базисе [е]: и два вектора - f
1 и f
2 , координатные столбцы которых в том же базисе имеют вид:
|
|
" 1" |
|
“0" |
|
fe1 = |
_2_ |
; fe 2 = |
_3_ |
то есть
f = е + 2е2;
f2 “ 3е2 .
Примем эти векторы в качестве нового базиса и вычислим в нём матрицу A
f оператора A . Для этого выполним следующие действия.
1. Составим матрицу перехода от базиса [е] к базису [f ]:
10 2 3
2. Вычислим обратную матрицу:
F -1 =
1 0 2 1 "3 3
3. Вычислим матрицу A
f
A
f = F
e-1 • A
e • F
e =
2 4
L-3
3.6. Замена базиса в пространстве состояний динамической системы
Пусть заданы уравнения системы х = Ax (t) + Bu (t);
У (t) = Cx (t).
Для этой системы могут быть найдены матрицы управляемости
U = [в AB A2B ... A"~'B], (3.6-2)
наблюдаемости
C
(3.6-1)
CA
CA
n-1
передаточной функции
W (p) = C(pE - A) ' B.
(3.6-3)
(3.6-4)
Могут быть также записаны выражения для векторов состояния и выхода
x(t) = 0(t - t
0)x(t
0) + } 0(t - T)Bd(T)dT;
t0
(3.6-5)
y(t) = CO(t -1o)x(to) + JCO(t - T)Bu(T)dT.
Полученные в предыдущих разделах результаты не были ограничены выбором какого-либо конкретного базиса в пространстве состоя-
ний. Все они были справедливы для любого базиса, в котором записаны матрицы A, B, C, Ф, W, U, N. Для определённости назовём этот базис базисом [е]. В этом случае можно подразумевать, что символы всех векторов и матриц в выражениях (3.6-1) - (3.6-5) снабжены индексом "е". В дальнейшем нам будет удобно выбирать вполне определенный базис в пространстве состояний X таким образом, чтобы матрицы имели «хорошую», каноническую форму. Такой выбор базиса может оказаться целесообразным, так как, во-первых, канонические представления матриц системы имеют минимальное число ненулевых элементов и поэтому удобны для моделирования и других вычислений, а во-вторых, канонические представления позволяют получить чрезвычайно простые алгоритмы синтеза управления.
Рассмотрим перевод уравнений (3.6-1) в некоторый новый базис F . Отметим при этом, что, переходя к новому базису в пространстве состояний, преобразовывая базис для пространства вектора состояний, не будем изменять базис пространства входов и пространства выходов системы. Заменим в (3.6-1) х
е на x
f согласно (3.5-12):
(3.6-6)
Fe • Xf = Ае ¦ FeXf + BeU |
У = CeFeXf ¦
Умножая слева обе части дифференциального уравнения на F 1, получим:
(3.6-7)
(3.6-8)
(3.6-9)
х
f = F
e-1 AJF
eX
f + F
e B
eU.
Учитывая (3.5-15), и вводя дополнительные обозначения
A
f = Fe¦ Ае ¦ Fe |
B, = Fe¦ Be I
C, = C, ¦ Fe ,
окончательно получаем уравнения системы в базисе [f ]: хf = A
f + B
f ¦ u(t);
У(t) = Cf ¦ x(t).
ПРИМЕР 3.6-1. Пусть система задана схемой моделирования, приведенной на рис. 3.5. Выберем в качестве координат вектора состояний х в исходном базисе [е] выходы интеграторов 1 и 2. В результате получим уравнения системы в исходном базисе:
xe(t) = A.x.(t) + Be ¦ U(t);
y(t) = Ce • j^e (t),
 |
Рис. 3.5. Схема моделирования в исходном
базисе [e] |
где
|
A = |
|
'1 |
¦ 1" |
; Be = |
'1" |
|
l1 |
¦ ^ |
e |
_0_ |
|
Ce =[0 1].
Fe = Р 1 e Li о.
которой соответствуют уравнения
У=e+e
2;
f2 = ei-
Вычислим обратную матрицу
'О 1 .1 -1
В соответствии с (3.6-8) находим
-1
01
00
C =[1 0]
A=
B=
Этим матрицам соответствуют уравнения
x f
2 = u;
которым, в свою очередь, отвечает схема, приведённая на рис. 3.6.
xfi y
->
Рис. 3.6. Схема моделирования в базисе [f]
Собственные числа системы, естественно, сохранились, так как матрицы А! и A
f подобны. Связь между входом и выходом осталась неизменной, а схема моделирования стала заметно проще.
3.7. Вычисление матрицы преобразования базиса в пространстве состояний динамической системы с помощью матриц управляемости и наблюдаемости
Пусть матрицы управляемой системы представлены в двух различных базисах [е] и [f] в пространстве состояний вектора x:
[A„B,}, {A,,8,}.
Рассмотрим матрицу управляемости:
U, =[, A,8, A’B, ... AT'B, ]. (3.7-1)
В соответствии с (3.6.-8)
A,B, = F
e А
еВ
е:
f f е ее
AdB
f = F
e -1A
eF
eF
e -1A
eF
eF
e ~'B
e = F
e “1A2B
A = Fe 'A&. (3.7-2)
Учитывая эти равенства в (3.7-1), получим выражение для перевода матрицы управляемости из одного базиса в другой:
Uf = Fe ~'Ue . (3.7-3)
Умножая это равенство справа на UT
e, получаем:
UfUT = Fe -'U.UI. (3.7-4)
Если система управляема, то rankU
e = rankU
f = n. Это значит, что матрица U
e имеет n линейно независимых строк и может быть представлена в виде
(3.7-5)
 |
T
n |
где векторы Z
1,Z
2...Z
n- линейно независимы. Следовательно, матрица
 |
T
n |
UU
ee
(3.7-6)

которая является матрицей Грама, имеет положительный определитель, а значит - невырождена. Следовательно,
Fe = UU (UeU ) '. (3.7-7)
Если система имеет скалярный вход (w-скаляр), то матрица B становится вектором (B = b), а матрица U
e- квадратной, в управляемой системе - невырожденной. Тогда:
Fe -1 = U
rU-'. (3.7-8)
Отметим, что в данном рассуждении F
e - матрица перехода от базиса [e] к базису [Г ], поэтому обратная ей - это матрица перехода от базиса [Г ] к базису [e]:
Fe-1 = ЕГ. (3.7-9)
Рассмотрим другой случай, когда переход от базиса [e] к базису [Г ] задан парой матриц
{A„Ce}, {A„C,}
некоторой наблюдаемой системы. Запишем матрицу наблюдаемости (3.3-7) и с учётом (3.6-8) проведём аналогичные предыдущим преобразования:
|
N, = |
' Cr -
CA |
= |
' CeFe -
CeAeFe |
= NeFe.
ee |
(3.7-10) |
|
|
СА-1 _ |
|
CeA:-1Fe _ |
|
|
Так как система наблюдаема, то
rank (N
e) = rank (N
f) = n
и матрица наблюдаемости имеет n линейно независимых столбцов
N = [Z1 Z2 ••• Zn ] ¦
а квадратная матрица
[ Z2 ••• Zn ]
NTN =
не вырождена. Умножим обе части равенства (3.7-10) слева на N
NTN
f = NTN
eF
e,
(3.7-11)
откуда получим
Fe = (NT,N,)-1 NNf.
Если система имеет скалярный выход, то
(3.7-12)
Fe = N-N
f
(3.7-13)
3.8. Канонические представления систем
3.8.1. Управляемое каноническое представление системы со скалярным входом
Пусть в некотором исходном базисе [h] пространства состояний X записаны уравнения движения объекта со скалярным управлением:
Xh (t) = AhXh (t) + bhU(t); (3.8-1)
У (t) = C„X„( t). (3.8-2)
Более общая запись связывает не координатные столбцы, а сами векторы в x е X с помощью соответствующего оператора A :
x(t) = A • X(t) + b • u(t).
(3.8-3)
{a , b}
Если система
управляема,
то n векторов
b, Ab, ..., A n-1b образуют базис в пространстве X в силу того, что rankU = n. Следовательно, в пространстве X в качестве базиса может быть выбрана следующая система векторов:
e _ b; e
2 _ A b;
< e
3 _ A2 b (3.8-4)
e
n _ A n-1b.
Пусть характеристический полином оператора A , а значит и его матрицы в преобразованном базисе имеет вид:
(р а (Л) _ Л + аЛ +... + а
п-Л + Л
п. (3.8-5)
Построим ещё один базис - базис [и] следующим образом:
u
1 =а
п 1 b + а
п 2 Ab +... + а
1 A n b + A n-b;
e1 e2 en-1
U
2 =a
n 2b + a
n 3 Ab +... + а
1 A n-3b + A n-2b;
2 n-2 n-3 1 i__3 i__3 1
. _ а b . а /-К I I -\- -+- t / M
2 n-2 { n-3 I
e1 e2 en-2 en-1
U
3 _а
п 3b + а
п 4 Ab +... + а
1 A n-4b + A n-3b;
3 n-3 n-4 1 i__3 i__3 J
_а b .а
3 n-3 { n- 4 I
e1 e2 en-3 en-2
U
n 2 _а
2 b + а
1 Ab + A 2 b;
n-2 2 { 1 i ~ j l ~ j jj
e1 e2 e3
U
n 1 _а
1 b + A b; n-1 1 {
e1 e2
U
n _ b . (3.8-6)
n l e1
Проверим, действительно ли это базис? Матрица перехода от базиса [e] к базису [U] в соответствии с (3.4-4) и (3.4-5) имеет вид:
Эта матрица является треугольной, её определитель равен произведению диагональных элементов, умноженному на (-1)n, т.е. не равен нулю. Следовательно, U
е не вырождена и система векторов
{ и
2...u
n} действительно образует базис в пространстве X.
Вычислим теперь представление матрицы оператора A в базисе [и ]. При этом воспользуемся равенством
(3.8-8)
(3.8-9)
A {{) = а;иі + а“
ки2 +... + аПк и„ = ? аЦ A (ц).
i=1
С учётом (3.8-6)
A (и
1 )= A nb + a
1 A n~1 b +... + a
n-1 Ab + a
nb-a
nb = = (A { +aA n-1 +... + a
n-1A +a
nE)b-a
nb = = Pa(A )b-anb.
По теореме Кэлли-Гамильтона p
A (A ) = 0, а значит A (и
1) = -a
nb, откуда следует, что аи
п1 = -a
n и аЦ = 0 при i < n, то есть
а
нті = [0 0 ... 0-an ]. (3.8-10)
Далее действуем аналогичным образом:
|
... a2 |
a1 |
1" |
|
... a1 |
1 |
0 |
|
... 1 |
0 |
0 |
|
... 0 |
0 |
0 |
|
... 0 |
0 |
0 |
|
... 0 |
0 |
0 |
|
e |
|
an-1 |
a n - 2 |
а
i
CO |
|
an-2 |
а
i
CO |
a n - 4 |
|
an-3 |
an-4 |
an-5 |
|
a2 |
a1 |
1 |
|
a1 |
1 |
0 |
|
1 |
0 |
0 |
|
(3.8-7)
bb , (3.8-11)
и n
A(u
2) = A n-1 b + a
1 A n-2b + .. . + a
n-2Ab + a
n-1 b-a
n-1
1-V-3
u1
откуда следует, что аЦ
2 = 1, аЦ
2 = 0 при 1 < i < n; аЦ
2 = -a
n-1, то есть
С = [° 1 ... 0-an-1].
Далее:
A (и
3) = A n-2 b + a
1 A n-3b + .. . + a
n-3Ab +a
n-2b -a
n-2 b, (3.8-12)
A-v-3 't'
откуда следует, что
aU = 0; э“з = 1; э“
3 = 0 при 2 < і < n; a“„
3 = -а„ то есть
аТз = [0 0 1 0 ... 0-ап_2І.
Вычислим предпоследний столбец матрицы:
(3.8-13)
A(U
n-1) = А 2b + a A 4 + а
2b -а
2 b,
Un-2
откуда следует, что a“
n_i = 0 для 1 < і < п - 2, a^_
2 п_і = 1, ah ^ = 0 и ann-1 = _а2, то есть
an-2 ]
aT
Un-1 = [0 0 ... 0 10 Наконец,
(3.8-14)
A (U
n )= A b + a
1b -a
1b = U
n-1 - a
1U
n
откуда следует, что a\
n = 0 для 1 < i < n-1, и ah
u = 1, ah = -а
2, то есть
aUTn = [0 0 ... 0 1 -a].
Таким образом, матрица А
и оператора A в базисе [и] имеет вид:
0
0
0
0
0
1
0
0
0
0
0
1
0
0
0
-а
0
0
0
0
1
-а
(3.8-15)
-а -а
n-1
n-2
Так как b = U
n, то есть является последним вектором базиса [и ], то координатный столбец вектора b в этом базисе
bU = [0 0 0 ... 0 0 1]. (3.8-16)
Пара {Ay, b
a} называется управляемым каноническим представлением (УКП) системы с одним (скалярным) входом. Матрица А
и называется сопровождающей по отношению к полиному p
A(X).
Таким образом, мы доказали, что если исходная система управляема, то в пространстве состояний Х существует базис, в котором
пара {л, b} имеет управляемое каноническое представление.
Если в некотором исходном базисе [Ь] заданы матрицы A
H, b
H и, если система управляема, то для того, чтобы вычислить их (матриц) УКП, достаточно вычислить коэффициенты характеристического полинома (р
А(Л). После этого может быть вычислена матрица преобразования от исходного базиса [h] к УКП в соответствии с (3.7-8):
U н' = U
UU
H'. (3.8-17)
Далее индекс “h” для системы в исходном базисе будем опускать.
ПРИМЕР 3.8-1. Для системы
x = Ax + bu; y = Cx
известны матрицы
|
A= |
CO
CM |
|
“1" |
|
_4 5_ |
, b = |
_2_ |
|
j
C = [1 1]. |
Нетрудно вычислить матрицу
U - Uh
1 8 2 14
Её определитель |U| = -2 Ф 0, откуда следует, что система управляема
и, значит, для неё существует УКП. Вычислим характеристический полином:
= Л2 - 7Л - 2
Р
А(Л) = \ЛЕ - А
«1
«2
Это позволяет сразу же записать матрицы А и B в базисе УКП:
Л- 2
- 4
- 3
Л- 5 |
|
Au |
|
“0 |
r |
|
“0“ |
|
_2 |
7_ |
, bU = |
_1_ |
|
Векторно-матричные уравнения системы в УКП имеют вид:
Xu = AuXu + buU; У = CuXu .
Для того, чтобы найти матрицу C
u, требуется рассчитать матрицу перехода от исходного базиса к базису УКП. Для этого предварительно вычислим
U—1 =
^ H |
1
1
-4
_1 |
|
“0 1" |
|
|
11
d
s |
|
1
LO
d
1
_1 |
u |
_1 7_ |
|
Тогда искомая матрица
|
“0 |
1" |
“— 1 |
4 " |
|
“1 |
—1/2" |
|
“1 1 " |
|
|
|
|
|
= |
|
|
, u H = |
|
|
_1 |
7_ |
_ 1 |
—1/2_ |
|
_0 |
1/2 _ |
H |
CM
0
_1 |
U -1
H
После этого в соответствии с (3.6-8) находим Си = ChU h =[1 3] .
3.8.2. Передаточная функция и структурная схема для системы в УКП
Уравнения системы
xu(t) = AA(t) + buu(t)
(38-18)
У = CuXu
со скалярным входом u(t) и скалярным выходом y(t), где матрицы A
u и
b
u определяются выражениями (3.8-15) и (3.8-16), а матрица С
и имеет вид
CU = [Cu1 cu2 L cun L (3.8-19)
можно записать в развёрнутом виде :
Х u 1 = Xu 2І Х u 2 = Xu 3;
Х u 3 = Xu 4;
(3.8-20)
x = x
;
u n-1 u n >
X un = -anxu 1 —an-1 У = cu 1 xu 1 + Cu 2 x
Xu 2 ... a2 Xun—1
u2 + ... + cunxun .
— a
1x
+u;
un
(3.8-21)
Этим уравнениям соответствует схема, представленная на рис.3.7.
 |
|
Рис. 3.7. Схема моделирования системы в УКП |
В соответствии с этим рисунком передаточная функция системы имеет вид
Cu P- ” + Cu 2 р-(П-1) + ... + Cun-P-2 + CunP-1
1 + a
1p-1 + a
2 p-2 +... + a
np ~n
W (р) =
(3.8-22)
n-1
n-2
= cu 1 + cu 2 P + ... + cun -iP + CunP
p + aiP + a
2 p +... + a
n-iP + a
n
Отметим, что статический передаточный коэффициент
c,
u1
(3.8-23)
W (0) =
3.8.3. Идентификационное каноническое представление системы с одним (скалярным) выходом
С помощью рассуждений, аналогичных проведённым в п.3.8.1, можно получить следующие результаты.
Если пара матриц {Л,С} полностью наблюдаема, то в пространстве состояний Х всегда существует базис, в котором пара {Л,С} имеет идентификационное каноническое представление (ИКП):
Если в некотором исходном базисе [h] заданы матрицы A
H, C
H и, если система полностью наблюдаема, то для того, чтобы вычислить их (матриц) ИКП, достаточно вычислить коэффициенты характеристического полинома р
А (Я). После этого может быть вычислена матрица преобразования от исходного базиса [h] к ИКП в соответствии с (3.7-13):
I - = N
H'N,. (3.8-27)
Если известна матрица B
H при векторе управления в исходном базисе, то с учётом (3.6-8) в базисе ИКП она может быть определена с помощью соотношения
B, = I h'Bh . (3.8-28)
3.8.4. Передаточная функция и структура для системы в ИКП
В соответствии с видом матриц A
f и C, уравнения системы со скалярным входом и и скалярным выходом у имеют вид:
Xi 1 ani n + bi 1U ,
Xi 2 = i 1 -an-1 in + bi 2U ;
0 0 -a
n
00 - an-1 00 - an-2
0 0 1]. CT = by.
0
0
1
0
0
0
(3.8-24)
C, = [0 0 Отметим, что:
AT = A ¦
M “yi
(3.8-25)
(3.8-26)
(3.8-29)
X i 3 = X 2 -an-2 in + b 3U ;
y = x
in. (3.8-30)
Этим уравнениям соответствует структурная схема, представленная на рис. 3.8.
|
и |
 |
|
Рис. 3.8. Схема моделирования системы в ИКП |
В соответствии с этим рисунком передаточная функция системы имеет вид:
-2
W (р) =
bi 1 р -n + bi 2 р n -,' +... + bin - р-2 + binP
1 + а р + с(<2р +... + с
п р
= b 1 + b 2 р +... + ь
іп-1 рп~2 + Крп -1
р + с р + С2 р +... + с„
-1 р + с„
Отметим, что статический передаточный коэффициент
b
(3.8-31)
W (0) =
i1
(3.8-32)
3.9. Обратная связь по состоянию, обеспечивающая заданное (желаемое) расположение собственных чисел в замкнутой системе с одним (скалярным) входом
Даны уравнения полностью управляемого объекта управления в некотором исходном базисе
(3.9-1)
x H (t) = A
Hx{t) + b
Hu(t); У(t) = ChXh -
каждая координата вектора состояния которого доступна для измерения. Требуется синтезировать такое управление, которое бы обеспечило требуемое качество отработки внешнего командного сигнала v (t).
Динамические свойства системы управления, в основном, определяются её собственными числами, то есть нулями характеристического полинома
(р
А(Л) = П(-Л )=л” + а
1Лп-1 +... + а
п. (3.9-2)
i=1
Время переходного процесса каждой моды определяется расстоянием до мнимой оси вещественной части; колебательность - соотношением мнимой и вещественной частей соответствующих собственных чисел. Эти зависимости могут быть проанализированы при изучении характеристик типовых звеньев, кроме того, они рассматриваются в обширной учебной литературе по теории автоматического регулирования и управления.
В соответствии со структурной схемой, приведённой на рис. 3.9, сформируем сигнал управления объектом в виде:
|
|
u(t) = LHxH (t) + kvv (t), |
(3.9-3) |
|
где: |
LH - некоторая матрица-строка обратной связи: |
|
|
|
LH = hh 1 1 h2 ... 1 hn ]; |
(3.9-4) |
kv - коэффициент по командному сигналу.
Тогда уравнение системы примет вид: |
|
|
|
X h (t) = AhXh (t) + bHLHxH (t) + bHkvv (t), |
(3.9-5) |
|
или |
X h (t) = ACx h (t) + bHkvv (t), |
(3.9-6) |
|
где |
AHC - матрица замкнутой системы в исходном базисе: |
|
|
|
AH = Ah + bHLH . |
(3.9-7) |
 |
|
Рис. 3.9. Структурная схема замкнутой системы |
Поскольку объект полностью управляем, то существует базис [и ], в котором пара {л, б} имеет управляемое каноническое представление
{А
и, б
и}. Поэтому перейдём к записи уравнений системы в базисе УКП. В соответствии с (3.4-16) произведём замену
хн =инхи.
Тогда из (3.9-1) получим |
(3.9-8) |
|
и нХ U (t) = AhU нХ и () + bHu(t); |
(3.9-9) |
У(t) = ChU нХи .
Умножив уравнение (3.9-9) слева на U н 1, будем иметь Х и (t) = АиХи (t) + buU(t); |
(3.9-10) |
У (t) = СиХи (t),
где Аи би и Си - соответствующие матрицы в УКП. Используя подстановку (3.9-8), из (3.9-3) получим |
(3.9-11) |
u(t) = іиХи + kvv (t),
где матрица обратной связи в базисе УКП |
(3.9-12) |
|
Lu = LhU h . |
(3.9-13) |
|
В результате, уравнение замкнутой системы в мого канонического представления будет иметь вид: |
базисе управляе |
|
Х u (t) = АС Хи (t) + bu ¦ kvv (t). |
(3.9-14) |
Здесь АС является сопровождающей матрицей по отношению к характеристическому полиному замкнутой системы (3.9-15)
9ac М - П(М-Мі )-An +YiAn 1 +... + yn,
i-1 |
|
поэтому она имеет стандартный вид |
|
|
|
" 0 |
1 |
0 ••• |
0 |
|
|
0 |
0 |
1 ••• |
0 |
AC -
AU - |
0 |
0 |
0 ••• |
1 |
|
|
_-Yn |
-Yn-1 |
- Yn-2 • • • |
-Y1 |
|
С другой стороны |
, очевидно, что |
|
|
|
|
AC - A
UU |
+ bULU . |
|
|
(3.9-16)
(3.9-17)
Отсюда сразу же следует связь между коэффициентами характеристического полинома (3.9-2) объекта и коэффициентами характеристического полинома (3.9-14) желаемой системы:
(3.9-18)
Уi ai + IU n-i+1 , i 1, 2 , K , n .
Далее обусловлены следующие действия.
1.
Задание желаемых собственных чисел замкнутой системы
мм,...,м .
Вычисление коэффициентов характеристического полинома замкнутой системы y , у
2,...,у
n в соответствии с выражением (3.9-14).
Вычисление согласно (3.9-17) коэффициентов матрицы обратной связи в базисе УКП:
I
2.
3.
--а~Уі, i - 1,2,...,n.
(3.9-19)
' U ,n-i+1
4.
Вычисление в соответствии с (3.9-12) и (3.8-17) матрицы обратной связи в исходном базисе:
-1
(3.9-20)
4 - LuUuUh
5. Определение величины коэффициента kv в соответствии с требованиями по статике.
Так например, если требуется обеспечить единичную статику по командному сигналу v, то это значит, что установившееся значение переходной функции h(t) замкнутой системы должно быть равно единице. Одним из свойств передаточной функции устойчивой системы является равенство:
lim h(t) - linn W (p). (3.9-21)
t^x p^0 ’
Согласно структурной схеме, приведённой на рис. 3.9, передаточная функция между командным v и выходным у сигналами имеет вид:
Wvy (p) = k W(p), (3.9-22)
где передаточная функция W(p), может быть определена аналогично выражению (3.8-22). Таким образом, получаем:
h(n) = kvCui = 1, (3.9-23)
|
|
Yn |
|
откуда окончательно, |
|
|
kV : |
= Yn . (3.9-24)
CU1 |
3.10.Синтез управления в многомерной системе. Задача разделения каналов
В предыдущих разделах, посвящённых синтезу, рассматривались объекты со скалярным управлением (входом) и скалярным выходом. На практике встречаются и более сложные объекты. Один из них был упомянут в разделе 2.2. Это смесительный бак, у него две входные величины - два входных потока с различными концентрациями растворённого вещества, и две выходных - концентрация и расход выходного потока. В качестве другого примера может быть взят объект, связанный с перемоткой некоторой полосы с одного рулона на другой. Для этого объекта выходные переменные - это натяжение и линейная скорость перемотки; входные - напряжения или токи приводных двигателей моталки и раз-матывателя. Наконец, самолёт. В качестве выходных переменных могут выступать углы тангажа, курса и крена; в качестве входных, управляющих, - угловые положения руля высоты, руля направления и элеронов.
Как правило, в таких объектах каждая выходная величина зависит от всех входных. В то же время, при синтезе управления такими объектами часто требуется обеспечить не только заданные динамические и статические свойства системы, но и независимое управление по каждой из выходных переменных.
Пусть уравнения объекта имеют вид
x (t) = Ax(t) + Bu(t); (3.10-1)
(3.10-2)
У (t) = Cx(t),
где размерность вектора состояния [n х 1], вектор управления и вектор выхода имеют одинаковую размерность [p х 1]. Такую же размерность
имеет вектор командного сигнала v, поступающий на вход системы. Требуется синтезировать управление и такое, чтобы:
1) i -я составляющая вектора выхода у
i зависела только от i -й
составляющей командного сигнала v
i ;
2) по каждому из каналов была обеспечена заданная динамика,
Y (p)
V p
иными словами, передаточная функция W
v y, (p)
имеющая за-
данные полюсы;
3) для каждого из каналов был обеспечен заданный статический коэффициент передачи.
3.10.1. Разделение исходного объекта на подсистемы интеграторов
Представим (3.10-2) в виде
y = Cx =
где C, - строки матрицы C. Тогда i-я координата вектора выхода
y = C.
Рассмотрим процедуру многократного дифференцирования координат вектора выхода:
y. = C,x = C,Ax + C
iB0; y" = C,A2 x + C
iABU + C,BU';
y(3) = C
iA3 x + C
iA 2B0 + C
iAB0(1) + C,B0(2); (3.10-3)
yi
(m) = CAmx + CAm-1B0 + CAm-2B0(1) + ... + CB0(m-1)
Сократим запись:
m-1
4(v)
y(m) = C,Amx + CA^BO +Y,CAm"1-vB0
(3.10-4)
Для каждой координаты найдем максимальное число дифференцирований, при котором еще не появляется производная вектора 0 , то есть, найдем такие числа m i , что
C
sAmi-1B * 0 и C,Ami-2B = 0.
Таким образом, получим систему уравнений:
(3.10-5)
y
1mi) = C, Am1 x + C
1Am1-1B0; y2m2) = C
2 Am2 x + C
2 Am2 -1B 0;
ypm
P) = CAmPx + CAmp 'BO.
J p p p
|
Запишем эту систему равенств в векторно-матричном виде: |
y (m1)
У1 |
|
" C1Am1" |
|
C1Am1-" |
|
|
|
y (m2)
У 2 |
= |
C2 Am2 |
x+ |
C2 Am2 -1 |
B 0 = |
-F* x + B* 0. |
(3.10-6) |
|
_y 1m) _ |
|
CAmp _ |
|
CAmp-1 _ |
|
|
|
|
Тогда (3.10-6) можно переписать в виде
Обозначим
y (mi)
У i
y (m2)
7 2
(3.10-7)
y 1
(mp) |
|
|
" С1Лт1" |
|
~С1Лт1-1" |
|
F* = - |
C2 Лт2 |
; B* = |
C2 Лт2-1 |
|
|
слтр _ |
|
СЛтр -1 _ |
|
(3.10-8)
(3.10-9)
q = -F* x+B*u.
Если задача разделения каналов имеет решение, то матрица B* не вырождена и:
й = B*-1с/ + B,-1F,x . (3.10-10)
На рис. 3.10 представлена промежуточная структурная схема, соответствующая уравнениям (3.10-1), (3.10-2) и (3.10-8).
 |
|
Рис. 3.10. Промежуточная структурная схема |
Для этой схемы справедливы уравнения
(3.10-11)
(3.10-12)
X = (Л + BB*-1F*)X + BB-q; y = CX.
Обозначим
Л = Л + BB*-1F*;
B = BB-.
Теперь (3.10-11) превратится в
(3.10-13)
x = Ax + B q;
< V V
. y = CX,
а структурная схема промежуточной системы с входным вектором q примет вид, представленный на рис. 3.11.
 |
|
Рис. 3.11. Структурная схема системы относительно входного вектора q |
С другой стороны, вектор выхода у связан с вектором q равенством (3.10-7) и поэтому схеме, представленной на рис. 3.11 полностью эквивалентна схема, составленная из p подсистем последовательно включённых интеграторов. Эта схема представлена на рис. 3.12.
 |
|
m1 интеграторов |
 |
|
? |
|
mi интеграторов |
 |
?
mp интеграторов
Рис. 3.12. Структурная схема объекта, представленного в виде изолированных подсистем интеграторов |
Общее количество интеграторов не может быть больше n , то есть:
Z m ^ n ¦
i=1
Таким образом, система {A , B} (3.10-13), у которой в качестве входного вектора выбран вектор q,
а) развязана по каналам, то есть y
i зависит только от q
i для всех значений i;
б) имеет Zm
i собственных значений, равных нулю.
i=1
Теперь систему {A, B} нужно попытаться привести к удобному базису, в котором синтезировать обратную связь, реализующую желаемые собственные числа по каждому каналу.
Прежде всего, установим некоторые свойства матриц A и B ¦ Аналогично (3.10-4) запишем:
m-1
mj —1—v
C Ami x + C Ami-1 Bq + Z C Ami~1_v Bq
,(v)
(mi)
у;
v=1
С другой стороны, у
;( mi) = q
;. Отсюда следует:
(3.10-14)
1) C
i Ami = 0 для всех i = 1,2,...,p
q1
q2
mj —1
2)C Ami—1 Bq = C A
i V V 1 ''
b b2 ... bp
V V V
(3.10-15)
qi
ny.
откуда:
(3.10-16)
(3.10-17)
CAmi—1 b. = 1
C
; Ami 1 b = 0 , при jФi;
3) C, A i v bj = 0 для v> 1 и для всех j , i . (3.10-18)
1 V j *
V
3.10.2. Преобразование базиса в пространстве Rn
Перейдём от исходного базиса [е] к новому базису [f ] с помощью некоторой матрицы преобразования F
е . При выборе базиса [f] учтем, следующие обстоятельства:
• Объект управляем, поэтому ранг матрицы управляемости
b
2... bp
V V
равен порядку системы;
• так как каждый канал этой системы с размерностью m
i управляем, то столбцы
Amp-1 b
m'-1
Abp
Vp
bv A b',
v V V
линейно независимы.
Теперь выберем базис [f], соответствующий следующим координатным столбцам:
imi-1
I m2 -1
V |
|
; e |
= A"1
V |
-2 b ; ...; f b1 ; ...; fe m1 |
и
_рп |
|
|
|
V |
V |
|
b; |
-ь;
11 |
^A"2-2 b2;... |
; fr + |
|
2 |
e m1 +2 |
2
V |
e m1 +m2 |
|
V |
|
V |
|
|
= b2;
V |
= Amp-1
eem1+...+mp-2
V
V |
(3.10-20)
' em'+1
|
e m1 +... +mp |  |
= Amp-2 b
1 em1+...+mp
-1 +1
Если ^m < n, то оставшуюся часть векторов базиса [f
ocm ] можно выби-
i =1
рать, перебирая оставшиеся столбцы матрицы U:
b1
V
m
1 +1
v1-i
Am1 b, A"^ b
v... A
11
до тех пор, пока следующий вектор Av b
1 не будет выражаться в виде
V
V1
линейной комбинации всех предыдущих векторов базиса. Далее добавим A"2 b
2, A"2 +1 b
2 и так далее, пока число векторов базиса не достиг-
v V v V
нет числа n. Тогда матрица преобразования базиса [e] в базис [f] будет иметь вид

Рассмотрим вид матрицы B в базисе [f]. Первый столбец этой
матрицы, то есть вектор b
1 совпадает с "
1-м столбцом базиса [f ]; второй столбец матрицы B, то есть вектор b
2 совпадает с (m
1 + т
2)-м столбцом базиса [f] и так далее. Следовательно,
(3.10-22)
в о о в
оо
оо
о
о
в
о
Bf =
(3.10-21)
где
Теперь обратим внимание на матрицу С. В соответствии с (3.6-8)
Cf L Cf
1 e1
1 en
Cf L C f
С = CF =
'2' e
2 en
(3.10-23)
C
Df
e L Cf
p e1 P en
Из этого равенства с учётом (3.10-14), (3.10-16), (3.10-17) получим:
(3.10-24)
где
(3.10-25)
s, =[1 0 ••• 0].
—V”
mi
Наконец, займемся матрицей A
f. Прежде всего, рассмотрим важ-
V
ную интерпретацию элементов матрицы A
f. В соответствии с (3.6-8)
A
f = F
e -1А F ,
поэтому
Fe Af = Ае Fe . (3.10-26)
Левую часть этого равенства можно расписать следующим образом:
1n
a a
а11 а12
a'
= [/ +... + af
n1f af
12f
e +... + af
n2f
e ••• af
1nf
e +... + af
nnf
e ].
L 11 6f n1 ?п 12 6f n 2 ?п 1n 6f nn ?п J
С другой стороны:
А. F, = [A, ?,••• Af ].
Таким образом, получаем:
Aefei = a1i fe 1 + 'e 2 + — + ^nfe,
(3.10-27)
Это означает, что элементы i -го столбца матрицы A
f
a] =
ani
являются коэффициентами разложения произведения Af
ei = A
ef
ei по
V
V
координатным векторам f
e1, f
e2,..., f
en.
Используя , (3.10-20), сопоставим произведения Af
ei с координат-
V
ными столбцами векторов базиса [f ]:
A f„ = Am1 61;
V V
V
(3.10-28)
A f 2 = A”1-16, = f;
Af,3 = A”1-2 61 = fe2;
Так как A f
ei, A'
em+1 т. д. не совпадают ни с одним из собственных
p
векторов с номерами от 1 до n - ^ т
і -1, то в соответствующих столб-
i=1
цах матрицы A
f на позициях строк с номерами, большими p, могут на-
V
ходиться ненулевые элементы. Такие ячейки матрицы помечены символом "х". Кроме того, на данном этапе нет смысла рассматривать столбцы этой матрицы с номерами, большими p. В результате получаем выражение для матрицы A в базисе [f]:
(3.10-29)
|
0 0 0 ... |
0 |
|
|
0 0 0 ... |
0 |
|
|
0 0 0 . |
0 |
|
|
0 0 0 . |
0 |
|
|
0 0 0 ... |
0 |
|
|
0 0 0 . |
0 |
|
|
0 0 0 . |
0 |
|
|
0 0 0 . |
0 |
|
|
|
|
0 1 0 ... |
0 |
|
|
0 0 1 . |
0 |
|
|
0 0 0 . |
1 |
|
|
0 0 0 ... |
0 |
|
|
* 0 0 ... |
0 |
|
|
* 0 0 ... |
0 |
|
|
mp |
|
n-X m, |
|
m1
m2
mp |
о о
о ->¦
о
о о |
о о
о о
о о
о о |
о о
о о
о о
о |
о о
о о
о о
о о |
о о
о о
о о
° о |
о о
о ->¦
о
о о |
. о о
о о
о о
о о |
о о
о о
о о
о |
|
|
|
|
о о
о о
о о
о о |
о о
о о
о о
о о |
о о
о о
о о
о о |
о о
о о
о о
о о |
о
о
о
* |
о
о
о
* |
о
о
о
* |
о
о
о
* |
n-X m,
m
1 m
2
Эту же матрицу удобнее записать в блочном виде:
|
А, |
0 |
0 |
>
о |
|
о •• |
А 22 • |
0 |
А20 |
|
• о |
0 |
•• АР p |
Ар 0 |
|
A 01 |
А02 |
•• А 0 p |
А00 |
Разобьём вектор состояния x на систему (p +1) частных векторов и обозначим

(3.10-30)
где z,. имеет размерность [m
i х 1]. Тогда уравнения (3.10-13) в базисе [f ] примут вид:
z
і
z
2
z
Р
0 |
|
" Д11 |
0 |
l 0 |
>
о
_1 |
|
" z1" |
|
1 |
0 • |
•• 0" |
|
" Я1 " |
|
0 |
Д22 |
l 0 |
Д20 |
* |
z2 |
+ |
0 |
в 2 • |
•• 0 |
* |
я 2 |
|
0 |
0 |
L ДР
РР |
ДР 0 |
|
zp |
|
0 |
0 |
•• вР |
|
|
1
о |
Д02 |
L Д
0Р |
о
0
1 _ |
|
_ z0 _ |
|
_ 0 |
0 • |
•• 0 _ |
|
_Яр _ |
|
|
" y " |
|
1
_co
0
0
0
_1 |
|
" z1" |
|
|
Y 2 |
_ |
0 •
0 •
•
• •
•
CM .
CO
0 • |
* |
z2 |
. (3.10-31) |
|
_Yp _ |
|
1
0 ••
0 ••
•
• • •
•
••
0 ••
1_ |
|
zp |
|
|
|
|
_z0 _ |
|
|
|
z, = Ai,zi + A оz о + |
Отсюда следуют уравнения для частных подсистем:
(3.10-32)
v> = s,zi , ( =12 p)
(3.10-33)
z о =i ДиЛ. + A00 z0.
V = 1
Раскроем систему дифференциальных уравнений для i -й подсистемы:
z,1 = zi 2 + a;10 z0 = z 2 + Я, 1
zi 2 = zi3 + gi 2
(3.10-34)
z
:
"i ,mj -1
i ,mi -1
i ,m i
i ,mi
{Yi = zi1
где aj10 - первая строка матрицы Д
0. Такой подсистеме соответствует структурная схема, представленная на рис. 3.13.
9i
miЯ,
z
:
Z
:
zi 3 *
<g>* j -------j j
У,
Рис. 3.13. Структурная схема частной подсистемы
Из сопоставления этой схемы со схемой, приведённой на рис. 3.12, следует:
а) z,і = уi; z
iv = у? при v> 1;
б) Я? = 0 и A
y0 = 0 для ? = 1,2,...,p.
Таким образом, выходы интеграторов частных подсистем, показанных на рис. 3.12, совпали с координатами вектора x в базисе [f]. Кроме того, все блочные матрицы A
00, A
10,..., A
p0 в (3.10-29)- нулевые.
3.10.3. Формирование управления
Работая в базисе [f], мы имеем p изолированных подсистем, сумма выходов которых подаётся на вход общей подсистемы с матри-
p
цей динамики A
00 размерности n - Z т
і:
i=1
Z = A„Z1 +ДЯ1; у 1 = Zn ;
(3.10-35)
Zp AppZp + вРЯр; у p Zp1 ;
Z0 = A00 Z0 + Z A0VZ? .
?=1
Соответствующая структурная схем представлена на рис. 3.14.
Пары матриц {A,, Д} для i = 1, 2, ..., p имеют форму УКП, причем, каждая из матриц A. имеет только нулевые собственные значения. Это вполне согласуется с тем, что в п. 3.10.1 было произведено преобразование объекта на подсистемы последовательно включённых интеграторов. Сформируем управление Яі для i = 1,2,..., p в следующем виде:
Яі = ку
: (t)+IZ (t), (3.10-36)
матрица обратной связи для i -й подсистемы в базисе [f ].
Тогда получим следующее дифференциальное уравнение для i-й подсистемы:
z, = A,z, + ej.Zi + вік,?,,
или
(3.10-37)
Нетрудно убедиться, что матрица динамики i -й подсистемы в базисе [f ] имеет вид
 |
|
Рис. 3.14. Структурная схема объекта в базисе [f] |
где
|
0 |
1 |
0 L |
0 |
|
0 |
0 |
1 ^ |
0 |
|
0 |
0 |
0 ^ |
1 |
|
й |
If2 |
lf3 ^ |
• lf
i,mi |
|
I' х
і ,mi
mi -1
lf Ami-2
'i ,mi-Yl |
(3.10-38)
Следовательно, определены характеристические полиномы подсистем:
(3.10-39)
Согласно (3.8-22) а также с учетом (3.10-13), (3.10-24) и (3.10-37) запишем выражение для передаточной функции замкнутой i-й подсистемы:
W (p) =-^-
(3.10-40)
viyi'^J
pmi _ lf
pmi-1
— _ lf
rJ 'i ЩГ ¦¦¦ i1
Очевидно:
W„r, (0)
(3.10-41)
_ lif1
Задавая расположение полюсов и статику для каждой подсистемы, в итоге получим матрицы:
|
|
~lf 1 |
0 • |
0 |
0“ |
|
_k1 |
0 |
... 0 “ |
|
|
Lf = |
0 |
If 2 • |
0 |
0 |
; kv =
v |
0 |
k2 |
... 0 |
. (3.10-42) |
|
|
0 |
0 |
•• f,p |
0 |
|
0 |
0 |
... kp_ |
|
Возвращаясь в исходный базис для уравнений (3.10-13), получим:
L = L
f F
e-1. (3.10-43)
При этом вектор q формируется в соответствии с выражением
q(t) = Lx(t) + kv(t). (3.10-44)
Учитывая (3.10-10), окончательно получим:
й = Б_'Еx + B_ LX + B_ kV(t) = LX + kV, (3.10-45)
где
L = B_(F* + L); k = B_ k. (3.10-46)
На этом можно закончить синтез, если часть системы, оказавшаяся вне обратной связи, имеет допустимые динамические свойства. Если же нет, например, Л
00 - неустойчива, то приходится идти на то, чтобы ввести
обратную связь L
0, по z
0, по крайней мере, через один из каналов (q
r), оставив полностью развязанными остальные (p _ 1) каналов. В этом случае k
r, l
fr, l
f 0 нужно рассчитывать совместно. Связь L
0 должна обес-
V
печить «надзор» за бывшими ранее без контроля (n т
;) полюсами
(собственными числами) системы. Эта часть расчета может быть произведена по обычной методике синтеза системы с одним входом. Результирующая структура в базисе [f ] приведена на рис. 3.15.
 |
|
Рис. 3.15. Структурная схема системы в базисе V ] 3.10.4. Итоговый алгоритм |
m
i = m
<
max
C
jAm~'B ф 0;
C
iAm-2B = 0.
(3.10-47)
Эти числа можно также находить непосредственно из схемы в переменных состояния.
2) Вычисление матриц F*, B*:
|
|
" C1 Am1" |
|
- C Am1-1 - |
|
F* =- |
• |
; B* = |
* |
|
|
CpAmp |
|
CpAmp-1 |
(3.10-48)
3) Вычисление B*-1. Если B* - вырождена, то задача разделения каналов не имеет решения.
4) Вычисление матриц A, B:
V V
A = A + BB;1 F* ; B = BB;1. (3.10-49)
V . . V
B
5. Построение матрицы F
e:
(3.10-50)
Ami-1 B
1:...:B
1 mmAm2-1 B
2:...:B
2:...:B
D\[f ]
w 1 1 2 2 p L ост J
6. Расчет коэффициентов характеристических уравнений каналов, то есть строк /,. Для этого предварительно должны быть заданы наборы желаемых собственных чисел (А,
1, А,
2, ..., A
im,) по каждому из каналов, после чего в соответствии с равенством
"Ч
П (А - А-) =Am' - IUAmi-' - I'm-Am'-2 -... - /'
v=1 |
 |
(3.10-51)
следует рассчитать
(3.10-52)
и сформировать матрицу
L, =
7. Расчет (построение в соответствии с выбранным базисом) матрицы A
00 и вычисление ее собственных чисел.
8. Принятие решения о необходимости завязки каналов для коррекции собственных чисел полинома (р
0(А). В случае необходимости - выбрать канал для коррекции и далее провести для него расчет по методике синтеза системы с одним входом. В конечном итоге должна быть получена L
f - полная матрица обратной связи промежуточной системы в базисе [f ].
9. Расчет матрицы к по заданным коэффициентам W . (0):
(3.10-53)
к = -W (ок,
V
0
0
к
Р
V
к=
V
(3.10-54)
00
10. Расчет матрицы обратной связи промежуточной системы в исходном базисе
L = L F
e “1. (3.10-55)
v f
11. Расчет результирующей матрицы обратной связи
L = В;1(Я + L). (3.10-56)
12. Расчет матрицы передаточных коэффициентов по вектору командных сигналов
к = B- к. (3.10-57)
v
Вектор управления формируется традиционным образом:
u(t) = Lx(t) + kv(t). (3.10-58)
При необходимости может быть синтезирован идентификатор (наблюдатель) неизмеряемых координат вектора состояния.
3.11.Основы построения идентификаторов состояния (наблюдателей)
3.11.1. Наблюдатель Люенбергера полного порядка
3.11.1.1. Синтез архитектуры наблюдателя
Рассмотрим линейную стационарную систему, которая описывается векторно-матричными дифференциальными уравнениями:
= Я® + Вй«>’ (311-1)
ІУ (t) = Cx(t).
Для такой системы существуют алгоритмы модального синтеза, которые позволяют найти управление:
u(t) = Lx(t) + kv(t), (3.11-2)
обеспечивающее заданные динамику и статику системы. Проблема заключается в необходимости использования вектора обратной связи для формирования такого управления. Фактически в распоряжении разработчика системы управления лишь вектор выхода у (t). Возникает вопрос: как, наблюдая за вектором у(t), восстановить вектор x(t), или найти его оценку x(t)? При этом ошибка оценки вектора x(t)
e(t) = x(t) - x(t) (3.11-3)
должна быть относительно малой, и тем более, с течением времени не должна расти.
Будем полагать, что разработчику достаточно хорошо известны параметры объекта, то есть оценки A, В, C, матриц A, В, C. Более того, положим
A = A, В = В, C = C. (3.11-4)
В этом случае, если построить аналоговую или цифровую модель объекта в соответствии с уравнениями
(3.11-5)
X = AX(t) + Вй^); y(t) = CX(t),
как показано на рис. 3.16, то можно было бы ожидать выполнения равенств
(3.11-6)
 |
|
Рис. 3.16. Неудачный вариант построителя оценки вектора состояния |
Однако, априорное знание объекта (в том числе, матриц A, B и C) является приближённым, параметры его могут дрейфовать во времени, начальные условия для вектора состояния, которые следовало бы подставить в модель, неизвестны. Поэтому в действительности в такой схеме ошибка оценки вектора состояния может иметь склонность к неограниченному росту с течением времени.
Американским учёным Д.Г.Люенбергером впервые были изучены структуры работоспособных асимптотических идентификаторов (наблюдателей, восстановителей) вектора состояния, названных позднее его именем. Основополагающая идея состоит в том, чтобы в рассмотренную структурную схему ввести дополнительную обратную связь по ошибке оценки вектора у, заведомо обеспечивающую асимптотическое затухание ошибки оценки вектора состояния. Внешне структурная схема наблюдателя Люенбергера полного порядка, которая приведена на рис. 3.17, совпадает с одной из форм известного фильтра Калмана. Различие в том, что матрица K, которая в фильтре Калмана называется его именем (матрицей Калмана), в наблюдателе Люенбергера рассчитывается из других соображений.
 |
|
Рис. 3.17. Наблюдатель Люенбергера полного порядка |
В соответствии с рис.3.17 уравнение наблюдателя будет иметь
вид:
* (t) = AX(t) + Bu(t) + K (y(t) - p(t)). (3.11-7)
Получим уравнение для ошибки оценки вектора состояния. Для этого в равенство (3.11-3) подставим выражения для вектора состояния и его оценки из (3.11-1) и (3.11-7):
I (t) = Ax(t) + Bu(t) - AX(t) - Bu(t) - K (Cx(t) - CX(t)), откуда
I(t) = L • e(t), (3.11-8)
где
L = (A - KC) (3.11-9)
называют матрицей динамики наблюдателя. Выражение (3.11-8) является однородным дифференциальным уравнением. Решение его имеет вид:
I(t) = exp(L • t)• I(0). (3.11-10)
Поведение ошибки во времени зависит от собственных чисел матрицы наблюдателя L . Выбрав их соответствующим образом, можно достаточно быстро свести ошибку к нулю, и получать от наблюдателя точную оценку вектора состояния. Далее будет показано, что если пара {A, C} наблюдаема, то соответствующим выбором матрицы K можно обеспечить любое желаемое расположение собственных чисел наблюдателя, т.е. матрицы L . Практически, собственные значения наблюдателя выбираются так, чтобы состояние наблюдателя X сходилось к состоянию наблюдаемой системы несколько быстрее затухания переходных процессов в желаемой замкнутой системе. Чрезмерное ускорение наблюдателя приводит к затруднениям при его реализации.
3.11.1.2. Алгоритм определения матрицы К для систем со скалярным входом.
Если пара {ДС} наблюдаема, то в пространстве вектора состояния существует базис [i ], в котором эта пара имеет идентификационное каноническое представление (ИКП) {Д, С,}.
Обозначим некоторый исходный базис как [h]. В этом базисе дифференциальное уравнение для ошибки оценки вектора состояния имеет вид
ё„ (t) = L Д (t). (3.11-11)
Перейдём к базису ИКП. Используем уже известное соотношение, связывающее координатные столбцы одного и того же вектора в разных базисах
(3.11-12)
(3.11-13)
(3.11-14)
ё = і Д.
Используя эту подстановку, запишем
I
й • ё,(t) = L
й • I
й • ё,(t)
Умножив обе части последнего равенства на I
h , получим
ё, (t) = L ,ё,,
L, = I Л
ЛI
Л. L, = A, - КС,,
-1
h |  |
где
Кроме того,
где (3.11-15)
Матрица динамики наблюдателя в базисе ИКП в соответствии с уравнением (3.11-4) имеет вид:
|
|
“ 0 |
0 |
0 ... |
0 |
0 |
-ап " |
|
“ 0 |
0 |
.0 |
K, 1 ¦ |
|
|
1 |
0 |
0 ... |
0 |
0 |
— ап-1 |
|
0 |
0 |
.0 |
K 2 |
|
L i = |
0 |
1 |
0. |
0 |
0 |
— ап - 2 |
- |
0 |
0 |
.0 |
K э |
|
|
0 |
0 |
0. |
1 |
0 |
-а2 |
|
0 |
0 |
.0 |
Kn-1 |
|
|
_ 0 |
0 |
0. |
0 |
1 |
-а1 |
|
_0 |
0 |
.0 |
Kn \ |
|
0 |
0 |
0. |
0 |
0 |
-вп |
|
1 |
0 |
0. |
0 |
0 |
- вп-1 |
|
0 |
0 |
0. |
1 |
0 |
- в |
|
_0 |
0 |
0. |
0 |
1 |
-в |
где в - коэффициенты характеристического полинома наблюдателя, которые вычисляются на основании желаемых собственных чисел наблюдателя / согласно выражению
<Pl X) = П( - X) =/ + Д/Г +... + д„. (э.11-16)
i=1
Очевидно выражение для элементов матрицы K в базисе ИКП:
К, = в+1-,-0.+W, j = 1.2.....n. (э.11-17)
Перевод матрицы K в исходный или какой-либо другой базис может быть произведён в соответствии с выражением (3.11-15).
|
ПРИМЕР 3.11-1. Построить наблюдатель полного порядка для объекта со структурной схемой, приведённой на рис. 3.18. |
 |
|
Запишем матрицы объекта в исходном базисе: |
|
"- 2 |
1 " |
_ _ |
“0“ |
|
_0 |
-1_ |
, b = Ьн = |
_1_ |
|
, С = С
н =[1 0].
A = Ан =
Характеристический полином объекта (матрицы динамики A)
(р
л (Л) = (Л- Л,)(Л -Л
2) = Л2 + ЪЛ + 2,
его коэффициенты
а = Ъ; а
2 = 2,
нули (собственные числа)
Л = — 1; Л
2 = —2.
Время переходного процесса в объекте определяется наиболее близким к мнимой оси собственным числом Л
1:
3
— Ліі
3с.
рег
Зададим собственные числа наблюдателя
Л
1 = Л
2 = —3 .
Им соответствует характеристический полином наблюдателя:
<р,(Я) = (Л + 3)2 = Л + 6Л + 9, его коэффициенты
в = 6; в = 9.
В соответствии с (3.11-17) определяем элементы матрицы K и саму эту матрицу в базисе ИКП:
Для того, чтобы перевести матрицу K в исходный базис, рассчитаем матрицу наблюдаемости и обратную ей в исходном базисе
|
N = |
|
" 1 |
0“ |
; NH = |
“1 |
0“ |
|
_— 2 |
1_ |
’ H |
_2 |
1_ |
|
учитывая представление в базисе ИКП
C = [0 1]; A
рассчитаем в этом базисе матрицу наблюдаемости
В соответствии с (3.11-13) вычислим матрицу перехода от исходного базиса [h] к базису ИКП [i]:
N--N,
Используя (3.11-15), получим матрицу K в исходном базисе
Kh = I hK =
Теперь можно заняться уравнением наблюдателя в исходном базисе. В соответствии с (3.11-9) имеем
- 5 1
- 4 -1
КС
= Ан
Учитывая (3.11-17), запишем, опуская далее индекс исходного базиса
(3.11-18)
X = L • X + Bu + Ky.
Тогда уравнение наблюдателя будет иметь вид:
Л _ Л Л
Л
x., =-5>x
1 + x
2 + 3y
Л -А Л .
x
2 =-4>x
1 - x
2 + 4y + u
3.11.2. Наблюдатель пониженного порядка
Из предыдущего примера четко видно, что искать X
1 было излишне так, как y = x
1. В тех случаях, когда некоторые координаты вектора y
совпадают с какими-либо из координат вектора X, то очевидно, что рассматриваемый выше наблюдатель - наблюдатель полного порядка -выдает излишнюю информацию. Рассмотрим, каким образом можно получить наблюдатель с более простыми алгоритмами, полностью использующими информацию о векторе состояния X, имеющуюся в векторе выхода y. В более общем случае, когда вектор y имеет размерность n
y, оказывается достаточным построить наблюдатель, порядок которого равен n - n
y.
Пусть вектор у имеет размерность n
y и связан с вектором X равенством:
(3.11-19)
У = CX,
или
y
1 = с„х, + c
12 x
2 +... + c
1nx
n
У 2 = c 21X1 + c 22 X2 + ... + c 2nXn
(3.11-20)
fny = Cny,1X1 + Cny ,2X 2 +
+ C
ny nX
n
ny ,n n
Если X
1,X
2,...,X
n рассматривать как неизвестные, то здесь мы имеем n неизвестных и n
y < n уравнений. Таким образом, недостаёт (n - n
y) уравнений. Полагаем, что rankC = n
y, т. е. все строки матрицы C линейно независимы. Введем (n - n
y)- мерный вектор q, дополнив матрицу C до квадратной невырожденной матрицы C
p с помощью матрицы Cq:
C
Cq
(3.11-21)
Запишем:
(3.11-22)
откуда следует
X=C
-1
(3.11-23)
(3.11-24)
(3.11-25)
Обозначим
\Fy F
-1
p
У [nxny ] q [nx(n-ny )]
тогда
= Fyy + F
qq.
Если удастся найти оценку q вектора q, то можно будет вычислить оценку вектора состояния
X = F
yy + Fqq. (3.11-26)
Так как q = C
q X , то
q = C
qAX + C
qBU. (3.11-27)
Подставим сюда X из (3.11-26):
q = C,AF
yy + CqAF
qq + C
qBu. (3.11-28)
Построим наблюдатель для вектора q. В последнем уравнении векторы u и у выступают в качестве входов. Если попытаться коррекцию наблюдателя ввести традиционным образом: K(у - у), то получим:
(3.11-29)
у = CX = CFyy + CFq<q. Но из (3.11-21) и (3.11-24) имеем
|
" C" |
Tl
Tl
II |
' CF |
i
О |
1
0
-Q
1 _ |
l у qj |
|
CqFq J |
|
= E. |
С C~1 =
р р
откуда должно следовать: CF
y = E
ny ; CF
q = 0, то есть, у = у и информации о q здесь нет. Поэтому примем:
q = CqAFqq + CqBu + C^AF^ + K (у - у) (3.11 -30)
Проведем необходимые преобразования. Так как у = CX = САХ + CBu, то с учетом (3.11-26) получим:
у = CAF^ + CAF
qq + CBu. (3.11-31)
Проследим за поведением ошибки оценки
Aq(t) = q(t) - q(t).
Используя полученные выше выражения для q и q - (3.11-28) и (3.1130), получим:
Дq = CqAFq Aq - K (у - у).
Вычислим разность у - у:
у = CX = CAX + CBu = CAF^ + CAF
qq + CBu
y = CX = CAX + CBu = CAF^ + CAF
qq + CBu
У - У = CAF
y (у - у) + CAFqAq.
Так как выше было показано, что у = у, то окончательно получим:
Aq(t) = L qAq, (3.11-32)
где матрица наблюдателя
L q = C
qAF
q - KCAF
q. (3.11-33)
Очевидно, что можно «заказать динамику обнуления ошибки», выбирая К (C
qAF
q и CAF
q - заданные матрицы). Матрицу К следует выбирать таким образом, чтобы обеспечить заданное расположение собственных чисел наблюдателя. Если, например, п
у = 1, то C
qAF
q имеет
размер [(а? - Пу )х(п - Пу)], а CAFq - [1х(п - Пу)] и К - [(а? - п
у )х 1]. В
этом случае задача решается аналогично расчету наблюдателя полного порядка со скалярным выходом.
Таким образом, рассчитав собственные значения матрицы C
qAF
q,
задавшись желаемыми собственными значениями наблюдателя пониженного порядка и получив соответствующие значения коэффициентов его характеристического полинома, легко записать выражение для матрицы K в базисе идентификационного канонического представления. После этого потребуется перевести матрицу К в исходный базис. Если известна пара матриц {CqAFq ,CAFq }, то через матрицы наблюдаемости в исходном базисе и в базисе идентификационного канонического представления N
h и N!, причем N
h должна быть построена с использованием пары матриц {CqAFq,CAFq }, можно найти матрицу перехода от базиса [/] к исходному базису [h].
Теперь следует позаботиться о реализуемости алгоритма наблюдателя. Из уравнения (3.11-30) с учетом (3.11-25) получим:
q = L + (В - KCB) + (C
qAF
y - KCAF
y)у + Kp. (3.11-34)
Это уравнение для реализации не годится, так как в случае его использования пришлось бы осуществлять операции дифференцирования вектора у (t). В реальных условиях на вектор выхода объекта, как правило, наложены шумы измерений и другой физической природы. Эти шумы характеризуются широким спектром, и дифференцирование существенно увеличивает шумовую составляющую в выходном сигнале.
Для того, чтобы не решать задачу измерения у, введем новую переменную ? = q - ку, тогда
q = | + ку. (3.11-35)
Проведем соответствующую замену в (3.11-34) и в результате получим первое уравнение наблюдателя:
I = L qi + (C
qB - KCB) + (L qK + C
qAF
y - KCAF
y )y. (3.11 -36)
Теперь из уравнений (3.11-30) и (3.11-35) имеем:
Х = Fyy + = Fyy + F,l + FqKV,
или
X + (Fy + F
qK)y + FqI. (3.11-37)
Это - второе уравнение наблюдателя. Таким образом, получено уравнение оценки x вектора x с помощью наблюдателя пониженного порядка.
3.11.3. Наблюдатель Люенбергера минимального порядка
Рассмотрим ещё один подход к формированию наблюдателя. Так
же, как в п.3.11.2 сформируем матрицы C
q, C и введём вектор
q p
q(t) = CqX(t). (3.11-38)
Оценку вектора q(t) будем искать как решение уравнения
q(t) = L qq(t) + Gyy(t) + Guu(t), (3.11 -39)
где Lq, Gy и Gu - некоторые, пока неизвестные матрицы.
Как и прежде, ошибкой оценки вектора q будем считать разность
Aq(t) = q(t)-q(t). (3.11-40)
В соответствии с уравнением объекта и выражением (3.11-38) запишем:
q (t) = C
qAx(t)+C
qBU(t). (3.11-41)
Найдём дифференциальное уравнение для ошибки Aq(t):
A q (t)=C
qAx(t)+C
qBU(t) - L qq(t) - Gyy(t) - GUU(t). (3.11-42)
Добавим и вычтем в правой части последнего равенства Lqq и с учётом (3.11-38) получим:
A q (t) = Lq A q (t)+(CqB - Gu )U(t)+(C
qA-GyC - L qC
q )x(t). (3.11-43)
Положим
Gu = C
qB (3.11-44)
и потребуем выполнения равенства
C
qA-GyC-L qC
q = 0. (3.11-45)
Тогда получим уравнение для ошибки наблюдателя
(3.11-46)
A q (f ) = L q A q (f ).
Если назначить матрицу L q так, чтобы её собственные числа лежали в левой полуплоскости достаточно далеко от мнимой оси, то ошибка наблюдателя, имеющая изначально место при ненулевых начальных условиях, будет с соответствующей скоростью стремиться к нулю. Так же быстро вектор
(3.11-47)
X(f)=с;
будет стремиться к вектору x(f). Вытекающее из (3.11-45) уравнение
C
qA - L qC
q = GyC (3.11-48)
называется матричным уравнением Люенбергера.
Теперь учтём, что задача построения наблюдателя, то есть нахождения оценки x вектора состояния x возникла из-за необходимости реализовать управление
u(f) = Lx(f) + kvv(f). (3.11-49)
Сама по себе оценка вектора состояния часто не нужна. Поэтому попытаемся найти оценку Lx линейной комбинации координат вектора состояния Lx. Будем искать эту оценку в виде
Lx(f)=xq(f)+v(f). (3.11-50)
Так как с течением времени q стремится к q, то с учётом (3.11-38) и уравнения выхода объекта получим
Lx(f) = xCqX(f) + nCx(f), (3.11-51)
откуда следует
L = xCq +nC. (3.11-52)
Таким образом, необходимо решить следующую систему матричных уравнений:
C
qA-L qC
q = GyC;
(3.11-53)
XCq +nC = L .
Эта система всегда имеет решение, если, во-первых, собственные числа матриц L q и A не совпадают друг с другом и, во-вторых, размерность вектора q (размерность матрицы наблюдателя L q)
S > n
u (v-1), (3.11-54)
где n
u - размер вектора управления; v - индекс наблюдаемости. Это такое число, для которого матрица
C
CA

(3.11-55)
CAv1
имеет ранг, равный n.
Таким образом, может быть сформулирован следующий итоговый алгоритм.
1. Найти индекс наблюдаемости v и размерность наблюдателя S.
2. Задать желаемую динамику наблюдателя и записать матрицу его динамики L q в виде матрицы, сопровождающей свой характеристический полином.
3. Вычислить матрицы C
q, Gy, х, П согласно (3.11-53), а также матрицу Gu согласно (3.11-44).
4. Реализовать алгоритмы регулятора, включая наблюдатель Люен-бергера минимального порядка:
q (t) = L qq(t)+Gyy (t)+Guu(t);
(3.11-56)
u(t)=xq(t)+пУ (t)+kvv(t).
3.12.Синтез реализуемого управления, обеспечивающий заданные динамические и статические свойства системы управления
3.12.1. Динамические свойства системы с обратной связью и наблюдателем полного порядка
Предполагается, что известны уравнения управляемого и наблюдаемого объекта:
(3.12-1)
x (t) = Ax(t) + bu(t); [У (t)=Cx(t).
Кроме того, проведён синтез управления и получены матрица L и коэффициент kv для равенства
u(t) = Lx(t) + kvv(t), (3.12-2)
обеспечивающего желаемые собственные числа замкнутой системы Л3,, Л3
2, ... Л3
п, или нули характеристического полинома замкнутой системы
<р
Ас (Л) = Л +гЛп-1
+... + Гп-1Л + Гп .
(3.12-3)
Предполагается также, что имеется наблюдатель
x(t) = (А - KC)x(t) + Bu(t) + Ky(t), (3.12-4)
спроектированный таким образом, что его характеристический полином (p
L (Л) имеет коэффициенты Д, в
2, ... в
п, соответствующие некоторой
выбранной совокупности собственных чисел Л, Л2,..., Л .
Учтём, что при формировании управления фактически можно воспользоваться не самим вектором состояния X, а лишь его оценкой X, то есть
u(t) = LX(t) + kvv(t). (3.12-5)
Таким образом, рассматривается функциональная схема полной системы (объект, формирователь управления и наблюдатель), представленная на рис. 3.18
|
v (t) |
формирователь |
u (t) |
|
объект |
|
|
-> |
управления |
|
|
|
|
|
|
|
X |
|
|
|
|
|
|
наблюдатель |
¦е- |
|
|
|
|
|
- |
|
|
У (t) |
|
регулятор |
Рис. 3.18. Функциональная схема полной
системы
Запишем уравнения этой системы, то есть, совместно уравнения объекта с управлением и наблюдателя
'X (t) = Ax(t) + bLX(t) + Bkvv (t);
X(t) = (A - KC)X(t) + BLX(t) + Bkvv(t) + KCx(t).
(3.12-6)
|
С использованием блочных матриц получим |
|
" X (t)' |
|
i-
-J
0Q
i_ |
' X(t)' |
+ |
~Bkv" |
v(t) |
|
_ X (t)_ |
|
_KC A - KC + BL_ |
_ X(t)_ |
|
Bkv _ |
|
|
(3.12-7)
Поведение этой системы зависит от собственных чисел матрицы динамики полной системы
A BL
KC A - KC + BL
(3.12-8)
Надо попытаться для X найти некоторую подобную матрицу, такую, чтобы можно было легко определить её собственные числа. Перейдём к подобной матрице с помощью преобразования
X,
(3.12-9)
Матрицу F
h выберем следующей:
|
F -'X Fh. |
F
e |  |
(3.12-10)
где индекс n указывает на размеры соответствующих нулевой и единичных матриц. Легко убедиться, что F
h"1 = F
h. В результате получим:
|
X, = |
ГЕп |
0 " |
" A BL " |
ГЕп |
0 " |
|
" A + BL |
- BL " |
|
|
|
n |
|
= |
|
A |
- En _ |
KC A - KC + BL _ |
A |
- En _ |
|
_ 0 |
i
О |
Характеристический полином матрицы X не зависит от базиса и определяется следующим образом:
<Рх (Л) = МЛБ
2n -X ]=\ЛЕ„ - (A + BL)| Л - (A - KC)|.
Отсюда следует
Рх(Л) = (p
Ac (Лр(Л). (3.12-11)
Таким образом, полная система, в которой управление вычисляется в функции оценки вектора состояния, имеет 2п собственных чисел: Л3,, Л3
2,... Л3
п, Лы
? Лы
2,... Лм
п. Собственные числа замкнутой системы сохранили те собственные числа, были заданы при синтезе управления.
Отметим, что в полной системе передаточная функция от командного сигнала v до выходного сигнала у тождественно равна передаточной функции в идеализированной системе без наблюдателя. Это действительно так, потому что по определению передаточная функция связывает изображения соответствующих переменных при нулевых начальных условиях. При нулевых начальных условиях выход объекта у и
выход наблюдателя у тождественно равны.
3.12.2. Динамические свойства системы с обратной связью управлением и наблюдателем минимального порядка
В случае использования наблюдателя минимального порядка в соответствии с (3.11-56) и (3.11-44) уравнения регулятора имеют вид
q (t) = L qq(t)+Gyy (t)+CqBD(t);
u(t) = xq(t)+ПУ (t)+k“v (t).
С учётом управления запишем совместно уравнения объекта и наблюдателя:
x(t) = Ax(t)+BnCx(t) + B
zq(t) + Bkvv (t);
(3.12-12)
(3.12-13)
q(t)=Gycx(t)+CqB ncx(t)+l qq(t)+CqB
Xq(t)+c
qBkvv(t).
Отсюда матрица динамики полной системы имеет вид:
X = A + BnC Bx
= GyC+CqBnC Lq + CqBx
Перейдём к подобной матрице с помощью преобразования (3.12-9), где
E
n 0 ¦
(3.12-14)
_C, - Es _ ‘
В результате, учитывая (3.11-52) и (3.11-48), получим:
A + BL 0
Bx L, _.
(3.12-14)
Отсюда следуют те же выводы, что и полученные выше для системы с наблюдателем полного порядка.
3.12.3. Результирующий алгоритм синтеза для системы с одним входом и одним выходом
1. Для матрицы объекта A вычислить характеристический полином (р
А(Л) и зафиксировать его коэффициенты а
? а
2, ..., а
п.
2. В соответствии с требованиями к динамике замкнутой системы задать желаемые значения собственных чисел Л3,, Л3
2, ... Л3
п, вычислить
<р (Л) = п(л + Л),
/=1
то есть найти коэффициенты желаемого характеристического полинома у
? y2, ..., Yn.
3. Рассчитать матрицу обратной связи в базисе УКП:
LU = \fu 1 lu 2 ’’’ lun J, где luj = ап+1-j — Y n+1-j .
4. Задать желаемые собственные числа наблюдателя Л, Л2,..., Л и вычислить коэффициенты характеристического полинома наблюдателя: Д, в2, ... вп.
5. Рассчитать матрицу обратной связи наблюдателя в базисе ИКП:
k,1 kI 2 ki 3
где ki j Дп+1-j ап+1-j .

_ кп _
6. Рассчитать матрицу перехода от исходного базиса к базису УКП U
h = UU~J, матрицу выхода в этом базисе C
U = CU
h и, при наличии требования обеспечить единичную статику, вычислить коэффициент по командному сигналу kv =
7. Рассчитать матрицу перехода от базиса [и ] (УКП) к базису [i ] (ИКП) I
U = N- • N
U и обратную ей матрицу.
8. Рассчитать вектор В в базисе ИКП, используя переход от базиса УКП
В, = I u'bu .
9. Рассчитать матрицу обратной связи L в базисе ИКП, используя переход от базиса [и] к базису [i]: Ц = L
ul
u.
10. Записать уравнение наблюдателя в базисе ИКП:
*, (t) = — - -C + Вц ) (t) + к,y (t) + b,kvv (t).
11. Записать уравнение для формирования управления:
u(t) = Цх , (t) + kvv (t).
Уравнения, полученные в пунктах 10 и 11 - это уравнения регулятора. Следует подчеркнуть, что в них используется вектор оценки состояния объекта, записанный не в исходном базисе, а в базисе идентификационного канонического представления.
3.12.4. Итоговые примеры полного синтеза систем управления
3.12.4.1. Система со скалярными входом и выходом и наблюдателем полного порядка
Задан объект, представленный структурной схемой на рис. 3.19.
 |
|
Рис. 3.19. Структурная схема объекта |
Требуется синтезировать реализуемое управление, обеспечивающее единичную статику по командному сигналу, а также динамику основного контура системы и наблюдателя в соответствии с желаемыми собственными числами
A,
2 = -5 ± j 5; AN =AN =-10.
Ниже приведены промежуточные результаты расчёта.
Матрица управляемости объекта и ей обратная в исходном базисе:
11
U-1
10
|
Матрица управляемости объекта и ей обратная в базисе УКП: |
|
Uu = |
|
“0 |
1 " |
; и- = |
“3 |
1" |
|
_1 |
- 3_ |
J U |
_1 |
0_ |
|
|
Коэффициенты характеристического полинома объекта, желаемой системы и наблюдателя: |
|
“3" |
|
“10" |
|
“ 20 " |
|
|
; Y = |
|
; в = |
|
|
_2_ |
|
_50_ |
|
_100_ |
|
Матрица обратной связи в базисе УКП:
Lu = [- 48 - 7].
Матрица наблюдателя:

98
17
Матрица перехода от исходного базиса к базису УКП:
10 2 1
Матрица выхода в базисе УКП:
Си =[1 0].
Коэффициент по командному сигналу kv = 50.
Матрица наблюдаемости базисе УКП, обратная ей и та же матрица в базисе ИКП:
10
01
Nu = NU =
Матрица перехода от базиса ИКП к базису УКП:
01 1 - 3
Вектор передачи управления в базисе ИКП:
Матрица обратной связи в базисе ИКП:
L, = [-7 -27].
Матрица динамики наблюдателя в базисе ИКП:
L, = Л, - K,C, =
0 -100"
1 -20_.
Результирующие уравнения регулятора: і)
1 = -100 x
2 + u + 98 y; x
2 = x
1 - 20x
2 - 3u +17y; u = -7x
1 - 27x
2 + 50 v.
В этих уравнениях индекс i при координатах вектора оценки состояния опущен.
3.12.4.2. Система со скалярными входом и выходом и наблюдателем пониженного порядка
Для объекта, заданного на рис.3.19, построить наблюдатель пониженного порядка. Учесть, что управление объектом строится на основе
собственных чисел замкнутой системы Х
2 = -5 ± 5 j.
Для этого объекта
C = [1 0],
собственные числа объекта -
Х = -1, Х
2 = -2.
Порядок объекта n = 2, размерность выхода n
y = 1, следовательно, размерность наблюдателя пониженного порядка n
q = 1.
Зададимся собственным числом наблюдателя Х =-10 (оно должно располагаться на комплексной плоскости левее собственных чисел замкнутой системы).
Так как y = x
1, то примем q = x
2. Тогда
|
"y" |
|
"1 |
0“ |
" x1" |
|
_q _ |
|
_0 |
1 __ |
_ x 2 _ |
Таким образом, выбрана матрица
Cq = [- 1].
Ей соответствует невырожденная квадратная матрица
C = C1 =
р р
1 0“
0 1_'
Соответственно получаем
Теперь в соответствии с (3.11-33) определим L
Lq =[0 1]
= -1 - K
- 2 1 Т°_-K [1 о]- 2 1 f . 0 -1_|_1_| 0 -1_||_1.
Поскольку назначено ЯН =-10, то
-1 - К = -10 и К = 9.
Таким образом, L q = -10, и первое уравнение наблюдателя принимает вид:
Z = -10<f-72y + u
Запишем оценку для x:
1
-9
x(t) =
У (t) +
Отсюда
,<2 = 9 y + Z'
Замкнем систему (сформируем управление). В п.3'12.4.1 была рассчитана матрица обратной связи
L
u =[- 48 - 7].
Переведем её в исходный базис:
L = LuU= LuUuU- =[- 34 - 7].
Таким образом, управление принимает вид u = -34y - 7x
2 + 50v.
Структурная схема полной схемы с регулятором и с наблюдателем пониженного порядка представлена на рис. 3.20.
 |
|
Рис. 3.20. Структурная схема полной системы для примера 3.12-2 |
3.12.4.3. Система со скалярными входом и выходом и наблюдателем пониженного порядка
Структурная схема объекта представлена на рис. 3.21.
 |
|
Рис. 3.21. Структурная схема объекта |
|
Ему соответствуют матрицы |
|
A = |
|
“0 |
1 |
0 |
0 " |
|
“0“ |
|
0 |
1 |
1 |
0 |
; B = |
0 |
|
0 |
0 |
-1 |
0 |
|
1 |
|
_0 |
0 |
1 |
- 2_ |
|
_0_ |
|
C |
10 0 0 0 0 0 1
Требуется рассчитать управление и построить наблюдатель минимального порядка.
Объект имеет собственные числа
Я — 0; А^2 — +1; Я — —1; Л
4 — —2
и характеристическим полином
р
А (А) — А4 + 2А3 —А2 — 2А.
Найдём матрицу управляемости:
U — [в AB А2В АгВ]—
Её определитель det U — —6, то есть отличен от нуля. Это означает, что объект управляем. Рассчитаем закон управления (матрицу обратной связи), обеспечивающий следующие желаемые собственные числа замкнутой системы:
Я — а — А —А4——1,
которым соответствует характеристический полином
(р
А c (А) — А4 + 4 А3 + 6 А2 + 4А +1.
Таким образом, имея коэффициенты характеристических полиномов объекта и желаемой замкнутой системы
|
|
“ 2 " |
|
“4“ |
|
|
—1 |
|
6 |
|
а — |
— 2 |
; г— |
4 |
|
|
0 |
|
1 |
можно в соответствии с (3.9-18) рассчитать матрицу обратной связи в базисе УКП:
Lu —[— 1 — 6 — 7 — 2].
Чтобы найти эту матрицу в исходном базисе, нужно знать матрицу U
H перехода от исходного базиса к базису УКП. Так как столбцы этой матрицы являются координатными столбцами векторов базиса [и] (УКП)
u
1, U
2,..., U
n в исходном базисе [h], то, используя (3.8-6), можно записать:
|
|
“0“ |
|
“0“ |
|
U h 4 = = |
0
1 |
' Uh 3 Аниь 4 +a1bh |
1
1 |
|
|
0 |
|
1 |
|
|
“ 1 “ |
|
“2“ |
|
Uh 2 АнUh 3 +a2 bh |
2
- 2 |
' Uh1 АнUh 2 +a3 bh |
о о |
|
|
_-1_ |
|
_0_ |
|
|
Таким образом, получаем: |
1
2
0
0
0
- 29/ 2 /6 |  |
2 10 0 0 2 10
0 - 2 11 0 -1 1 0
и U н1
В соответствии с (3.9-12) L = L = L U -1 = [- 1
*- ‘-н ‘-и^' н L
В соответствии с (3.6-8)
1
-1
Си = CU н
Используя (3.8-22) запишем передаточные функции:
1 , (p +1)( p + 2)'
1
p( p+1)( p -1)
w.„(p)
Wu, 2( P)
p( p -1) (p+1)4.
p + 2 ' (p+1)4'
W,„( p) = kv
2 (p)=kv
В замкнутой системе будет обеспечена единичная статика по координате y
1 , если задать
kv =
Теперь перейдём к синтезу наблюдателя. Построим матрицу N:
10 0 0
CA
0 0 0 1 0 10 0
0 0 1 - 2
Ранг этой матрицы равен четырём, то есть, порядку объекта. Так как старшая степень блока CA, входящего в неё, равна единице, то индекс наблюдаемости ? = 2 и порядок наблюдателя в соответствии с (3.11-54) S = 1. Это означает, что в данном случае может быть построен наблюдатель первого порядка. Зададим единственное собственное число наблюдателя ^ =-4. Отсюда сразу определяется матрица наблюдателя L q =-4.
Раскроем матричное уравнение Люенбергера (3.11-48), имея ввиду, что в данном случае матрица C
q имеет размер [4 х 1]. Для этого запишем подробно каждое слагаемое:
0
0
0
-2
Cq 4]
CqA = К,
-2c, 4];
- 4Cq4 ];
\g
y 1 0 0 gy2].
[о Cq
1 + Cq 2 Cq 2 Cq 3 + Cq 4
L qCq =[- 4Cq1 - 4Cq 2 - 4Cq 3
GyC=[g
y 1
10 0 0 0 0 0 1
С учётом этих выражений матричное уравнение Люенбергера можно представить в виде системы скалярных уравнений:
4Cq1 = g y 1;
Cq1 + 5Cq 2 = 0;
Cq 2 + 3Cq 3 + Cq 4 = 0;
2Cq 4 = Qy 2.
Аналогично поступим со вторым матричным уравнением системы (3.1153), учитывая вытекающие из этого уравнения размерности матриц х и
П :
10 0 0
VC = \n П ]
\rn 0 0 n]
0 0 0 1
и
ZCql +Пі = Іі'; XCq 2 = ^2 ;
XCq 3 = 13 ;
XCq 4 +П = 14-
Таким образом, получено восемь уравнений при наличии девяти неизвестных Cqi, Cq2, Cq3, C
q4, 1,
2, n, П, X- Примем x = 1- После этого
легко находятся остальные неизвестные:
145 29
2 65 6 6 6
|
П = |
|
74 |
-11 |
; Gy = |
" 290 |
65" |
|
3 |
|
|
3 |
3 |
|
В соответствии с (3.11-44) вычисляем
Gu = C
qB = -2.
В результате можем записать уравнения регулятора совместно наблюдателем Люенбергера минимального (первого) порядка:
r ) 290 65
q(t) = -4q(t) - 2u(t)+y 1(t)+65 y 2(t);
1 r 74
u(t) =
2 v (t) + q(t)-—y 1(t) - 11y 2 (t)-
Этим уравнениям соответствует структурная схема системы управления, приведённая на рис. 3.22.
|
Уі |
 |
|
Рис. 3.22. Структурная схема системы управления. |
3.12.4.4. Многомерная система с разделением каналов и наблюдателем минимального порядка
Задан объект, представленный структурной схемой на рис. 3.23.
 |
|
Рис. 3.23. Структурная схема объекта |
|
Объекту соответствуют матрицы |
|
A = |
|
“0 |
0 |
0 |
0“ |
|
“1 |
0“ |
|
0 |
0 |
0 |
0 |
; в = |
0 |
1 |
|
1 |
1 |
0 |
0 |
|
0 |
0 |
|
_0 |
1 |
1 |
0_ |
|
_0 |
0_ |
|
C |
0 0 10 0 0 0 1
Расчёт матриц управляемости и наблюдаемости определяет объект как полностью управляемый и наблюдаемый.
I. Синтез управления в соответствии с п.3.10.
1. Расчёт чисел m,:
C
1A0B = [0 0]; C
1 AB = [1 1];
C
2A0B = [0 0]; C
2AB = [0 1].
Отсюда следует m
1 = m
2 = 2.
2. Вычисление матриц F*, B*.
При m
1 = m
2 = 2
1
0
0
0
0
_1 |
; B* = CAB = |
“1 1" |
1
1
1
0
0
1 _ |
|
_0 1_ |
F*=-CA2 =
3. Расчёт B“1.
b;1 =
1 -1 01
Поскольку эта матрица существует, задача разделения каналов имеет решение.
4. Вычисление матриц A, B.
|
|
“1 |
-1" |
|
“ 1 |
1 |
0 |
0" |
|
|
0 |
1 |
|
-1 |
-1 |
0 |
0 |
|
B = BB*-1 = |
|
|
; A = A+BF* = |
|
|
|
|
|
V |
0 |
0 |
*
VV |
1 |
1 |
0 |
0 |
|
|
0 |
0_ |
|
0 |
1 |
1 |
0_ |
|
|
* 1 Х 2 |
В соответствии с (3.10-13) этим матрицам отвечают уравнения
= x
1 + x 2 + q
1 - q 2;
= - x
1 - x 2 + q 2;
= x1 + x 2 ;
x 4 = x 2 + x 3.
Соответственно этим уравнениям
x 32) = q1;
x 42) = q 2,
то есть действительно, исходная система разбита на две независимые подсистемы, состоящие из последовательно включённых интеграторов.
5. Построение матрицы F
e.
В данном случае
Ab, b, A b
2 b
2
¦V V
V V V V
|
Новому базису соответствуют матрицы |
|
Af = |
|
“0 |
1 |
0 |
0“ |
|
“0 |
0“ |
|
0 |
0 |
0 |
0 |
; B = |
1 |
0 |
|
0 |
0 |
0 |
1 |
f |
0 |
0 |
|
_0 |
0 |
0 |
0_ |
|
_0 |
1_ |
|
0 0 10
10 0 0 0 0 10
6. Расчёт матрицы обратной связи промежуточной системы в базисе
[f ].
Зададим желаемые собственные числа для первого канала
Л,2 =-1± J1
и для второго канала
^21.2 =-5 ± j5.
Им соответствуют характеристические полиномы
(р^ (А) = А2 + 2 А + 2;
р
2(А) = А2 + 10А + 50.
Получаем строки матрицы L
f:
If, =[- 2 - 2]; 1,2 =[- 50 -10] и саму матрицу
Lf =
- 2 - 2 0 0 "
0 0 - 50 -10_.
Пункты 7 и 8 итогового алгоритма расчёта управления для данного случая не нужны, так как в рассматриваемом примере сумма порядков подсистем m
1 + m
2 равна порядку объекта, и матрица A
00 отсутствует.
9. Расчёт матрицы при командном сигнале.
Потребуем выполнения равенства
W 1 ,(0) = W, 2,2(0) = 1.
Тогда
k = 2; k
2 _ 50
V V
20 0 50
kv _
V
10. Расчёт матрицы обратной связи промежуточной системы в исходном базисе.
0 0 10 110 0 0 0 0 1 0 110
0
10
0
50
-1
L_ L, F,
V
_"- 2 - 2 - 2 0 "
= _ 0 -10 -10 - 50_.
11. Расчёт результирующей матрицы обратной связи.
8 50
10 - 50
-1 9
-1 -11
L _ B;'(F,+ L)
V
12. Расчёт матрицы передаточных коэффициентов по вектору командных сигналов
50
50
kv _ B;1 kv _
Таким образом, получено управление, использующее координаты вектора состояния объекта:
u
1 _ - х
1 + 9 х
2 + 8 х
3 + 50 х
4 + 2v
1 - 50v
2;
и
2 _ -х
1 - 11х
2 -10х
3 - 50х
4 + 50v
2.
II. Синтез наблюдателя в соответствии с п.3.11.3. 1. Расчёт индекса наблюдаемости .
Строим матрицу N:
0 0 10 0 0 0 1 110 0 0 110
CA2-
Эта матрица имеет 4 линейно независимые строки, её детерминант отличен от нуля, значит rank(N) = 4 = n. Следовательно, индекс наблюдаемости объекта ? = 2 и размерность наблюдателя s = 2.
2. Задание динамики наблюдателя.
Зададим собственные числа Х^
2 =-10. Соответственно матрица динамики наблюдателя
10
0
0
10
3. Решение системы матричных уравнений (3,11-53).
Матрица C
q имеет размерность [2 х 4], матрицы G y, у , п - [2х2].
Следовательно, система скалярных уравнений, соответствующая системе матричных уравнений (3,11-53), содержит 16 уравнений и 20 неизвестных. Таким образом, мы имеем право произвольно задать 4 «лишних» неизвестных. Зададим матрицу х единичной, то есть
С учётом этого из первого матричного
уравнения (3.11-53) получим следующую систему уравнений:
|
1) Cq,3 + 10Cq„ = °; |
5) Cq23 + 10Cq21 0; |
|
2)Cq13 + Cq14 + 10Cq12 = 0' |
6) Cq23 + Cq24 + 10Cq22 = |
|
3)Cq14 + 10Cq13 = 9„; |
7) Cq24 + 10Cq23 = Я2,; |
|
4)1°CqM=g,2; |
8)10Cq 24 = Я 22. |
Второе матричное уравнение (3.11-53) преобразуется в систему скаляр-
|
ных уравнений |
|
ю
0
-Q
и
1 |
13) Cq21 =-1; |
|
10) Oq12 = 9; |
14) Cq22 =-11; |
|
11) Cq13 +П11 = 8; |
15) Cq23 +П21 = —10; |
12) Cq14 + П12 = 50; 16) c
q24 +п =-50.
-1 9
-1 -11
Gu = C
qB
|
Совместное решение последних шестнадцати скалярных уравнений позволяет найти все элементы искомых матриц: |
|
Cq = |
"-1 9 |
10 |
-100“ |
; Gy = |
" 0 -1000“ |
; п = |
"- 2 |
150 “ |
|
q |
-1 -11 |
10 |
100 |
|
200 +1000 |
- 20 |
-150 |
|
|
Используя (3.11-44), вычислим матрицу |
4. В соответствии с полученными результатами записать уравнения регулятора, включая наблюдатель:
q,(f)=-1oq,(f) -1000У2 (t) - u,(t)+9u
2(t);
q 2 (t) = -10q2(t)+200y ,(t)+1000y 2(t) - u(t) - 11u*(f); u,(t) = q,(t) - 2y ,(t)+150 y 2(t)+2v ,(f) - 50v 2(t);
и
г(Х) = ^2(t) - 20 y (t) -150 y 2(t)+50v 2(t).
Результирующая структурная схема замкнутой системы представлена на рис. 3.24.
 |
|
Рис. 3.24. Структурная схема замкнутой системы |
На рис. 3.25 показана итоговая структурная схема системы управления с использованием передаточных функций. Как и отмечалось выше, передаточные функции, связывающие соответствующие координаты вектора входа и вектора выхода системы не зависят от наличия наблюдателя. Из рисунка хорошо видно, что результирующая система имеет полностью развязанные каналы, по каждому из каналов обеспечены единичная статика и заданные при синтезе собственные числа ( полюсы передаточных функций).
 |
|
Рис. 3.25. Итоговая структурная схема системы управления |
СПИСОК ЛИТЕРАТУРЫ
1. Андреев Ю.Н. Управление конечномерными линейными объектами. -М.: Наука, 1976. -424 с.
2. Бесекерский В.А., Попов Е.П. Теория систем автоматического регулирования. -М.: Наука, 1982. -304 с., ил.
3. Воронов А.А. Устойчивость, управляемость, наблюдаемость М.:Наука, 1979.-335с.,ил.
4. Деруссо П., Рой Р., Клоуз С. Пространство состояний в теории управления. -М.: Наука, 1970. -620 с., ил.
5. Ерофеев А.А. Теория автоматического управления: учебник для вузов. -СПб.: Политехника, 1998. -295 с.: ил.
6. Квакернаак Х., Сиван Р. Линейные оптимальные системы управления. -М.: Мир, 1977. -650 с., ил.
7. Красовский А.А., Поспелов Г.С. Основы автоматики и технической кибернетики, М.-Л.. Госэнергоиздат, 1962, 600 с. с черт.
8.Острём К., Виттенмарк Б. Системы управления с ЭВМ: Пер с англ. -М.: Мир, 1987. -480 с., ил.
9. Попов Е.П. Теория линейных систем автоматического регулирования и управления. -М.: Наука, 1978. -256 с., ил.
10. Попов Е.П. Теория нелинейных систем автоматического регулирования и управления. -М.: Наука, 1979. -256 с., ил.
11. Сборник задач по теории автоматического регулирования и управления: Под ред. В.А.Бесекерского. 5-е изд., перераб. И доп.-М.: Наука, 1978 с.-510с.,ил.
12. Синтез дискретных регуляторов при помощи ЭВМ/В.В.Григорьев, В.Н.Дроздов, В. В. Лаврентьев, А.В.Ушаков-Л.: Машиностроение, Ленингр. отд-ние, 1983. -245 с..
13. Современная теория управления. / Под ред. Леондеса К.Т. -М.: Наука, 1970. -512 с., ил.
14. Теория автоматического управления. Часть I/ Под ред. Нетуши-ла А. В. -М.: Высшая школа, 1968. -424 с., ил.
15. Теория автоматического управления. Часть II/ Под ред. Нету-шила А. В. -М.: Высшая школа, 1972. -432 с., ил.
16. Теория автоматического управления. Часть I/ Под ред. Воронова А.А. -М.: Высшая школа, 1977. -303 с., ил.
17. Теория автоматического управления. Часть II/ Под ред. Воронова А.А. -М.: Высшая школа, 1977. -288 с., ил.
18. Ту, Юлиус Т. Цифровые и импульсные системы автоматического управления. Пер. С англ. М., Машиностроение, 1964. 18. Топчеев Б.И.,
19. Ту Ю.Т. Современная теория управления. . -М.: Машиностроение, 1965. -704 с.
20. Циплаков А.П. Задачник по теории автоматического регулирования. М.: Машиностроение,1977 С.-592 с., ил.
21.Цыпкин Я.З. Основы теории автоматических систем. -М.: Наука, 1977. -560 с., ил.
Учет: Делопроизводство - Автоматизация - Софт