Водоснабжение и водоотведение
ВОДОСНАБЖЕНИЕ И ВОДООТВЕДЕНИЕ(лекционный курс)
ВОДОСНАБЖЕНИЕ И ВОДООТВЕДЕНИЕ
(Инженерные сети и оборудование зданий и сооружений)
1. ЦЕЛЬ И ЗАДАЧИ ДИСЦИПЛИНЫ
Целью данной дисциплины является изучение устройства водопровода и канализации как части инженерного оборудования и сетей зданий и сооружений в сфере гражданского и промышленного строительства.
Задачами данной дисциплины являются:
а) изучить устройство внутреннего водопровода и канализации зданий и сооружений;
б) изучить устройство наружных сетей и сооружений водопровода и канализации.
2. ОСНОВНЫЕ КОМПОНЕНТЫ ДИСЦИПЛИНЫ
а) Федеральная компонента: Водоснабжение и водоотведение: системы и схемы водоснабжения населенных мест; внутренний водопровод зданий и сооружений; внутренняя канализация жилых и общественных зданий; наружные канализационные сети и сооружения.
б) Региональная компонента: изучение устройства части канализационных систем — дренажа для защиты от подтопления городов Сибири.
в) Институтская компонента: изучение устройства водопровода и канализации крупного города на примере г. Омска.
3. СОДЕРЖАНИЕ ПРОГРАММЫ
Тема I. Внутренний водопровод зданий
Внутренний водопровод холодной (В1, В2, В3) и горячей (Т3) воды.
Хозяйственно-питьевой водопровод В1. Требования к качеству воды. Элементы внутреннего водопровода: ввод, водомерный узел, повысительная насосная установка, разводящая сеть трубопроводов, водопроводные стояки, поэтажные трубопроводы-подводки, водопроводная арматура. Расчёт внутреннего водопровода: расходы воды, экономичные скорости при подборе диаметров трубопроводов, потери напора в водопроводной сети, подбор водомеров и насосов.
Противопожарный водопровод В2. Системы В2 с пожарными кранами. Системы автоматического пожаротушения: дренчерные и спринклерные установки.
Производственный водопровод В3. Области использования воды на производстве. Водоснабжение объектов строительства. Потребители воды на строительной площадке.
Водопровод горячей воды Т3.
Требования к качеству воды. Классификация горячего водопровода по расположению источника тепла. Элементы системы централизованного горячего водопровода. Циркуляция горячей воды. Открытые (из теплосети) и закрытые (от водонагревателей) системы горячего водопровода.
Проектирование, монтаж, испытание и эксплуатация систем внутреннего водопровода.
Тема II. Внутренняя канализация зданий
Системы внутренней канализации: раздельные (К1, К2, К3) и объединённые К1+К3.
Бытовая канализация К1. Элементы внутренней канализации: санитарно-технические приборы и приёмники сточных вод, сифоны и гидравлические затворы, поэтажные отводные трубопроводы, канализационные стояки, коллекторы в техподполье, выпуски канализации. Канализационные трубы и фасонные детали. Устройства для прочистки сети. Вентиляция канализационных сетей. Конструирование сетей внутренней канализации. Расчёт канализационной сети, ограничения по скорости потока, наполнению и уклону труб. Диаметры трубопроводов внутренней канализации.
Дождевая канализация зданий К2: внутренние водостоки. Элементы внутренних водостоков. Конструирование и расчёт внутренних водостоков.
Производственная канализация К3. Местные установки для очистки и перекачки сточных вод.
Канализование твердых отходов: мусоропроводы.
Проектирование, монтаж, испытание и эксплуатация систем внутренней канализации.
Тема III. Водоснабжение: наружные сети и сооружения
Системы водоснабжения. Потребители воды. Схемы водоснабжения населённых мест и промзон (на примере г. Омска). Нормы и режимы водопотребления. Расчётные расходы и свободные напоры воды. Источники водоснабжения. Водозаборные сооружения. Насосные станции. Водоводы. Станции водоподготовки: процессы (очистка и обеззараживание) и сооружения (отстойники, фильтры, реагентное и хлорное хозяйство). Водонапорные башни и резервуары. Наружные сети водопровода и сооружения на них. Водоснабжение промпредприятий: прямоточное, с повторным использованием воды и оборотное водоснабжение.
Тема IV. Канализация: наружные сети и сооружения
Назначение канализации. Классификация систем канализации по составу сточных вод. Схемы канализования (на примере г. Омска). Городские канализационные сети и сооружения на них: дворовые сети, уличные и районные коллекторы, станции перекачки, главный городской коллектор.
Очистные сооружения канализации: виды очистки сточных вод и применяемые технологические схемы. Сооружения по механической, биологической очистке, обеззараживанию сточных вод и обработке осадка. Принцип работы отстойников, аэротенков, метантенков.
Дождевая (ливневая) канализация городов. Дренаж в промышленном и гражданском строительстве для понижения уровня подземных вод: защита от подтопления городов Сибири. Подключение дренажных систем к дождевой канализации.
4. Рабочий план учебных занятий на 5 или 6 семестр
|
Количество часов |
|
|
ТЕМА |
Лекции и практические занятия |
|
1. Внутренний водопровод зданий |
88 |
|
2. Внутренняя канализация зданий |
810 |
|
3. Водоснабжение: наружные сети и сооружения |
8 |
|
3. Канализация: наружные сети и сооружения |
8 |
|
ИТОГО часов |
3218 |
|
№ пп. |
Тема занятия |
Количество часов |
|
1. |
Выбор системы и разработка схемы внутреннего водопровода |
2 |
|
2. |
Построение аксонометрической схемы водопровода |
2 |
|
3. |
Гидравлический расчёт водопровода |
2 |
|
4. |
Подбор водомеров и насосов |
2 |
|
5. |
Выбор системы и разработка схемы канализации здания |
2 |
|
6. |
Построение аксонометрической схемы канализации |
2 |
|
7. |
Гидравлический расчёт канализационной сети |
2 |
|
8. |
Построение продольного профиля дворовой канализации |
2 |
|
9. |
Приём курсовых работ |
2 |
|
ИТОГО часов |
18 |
ОСНОВНАЯ:
1. Программа по водоснабжению и канализации /Составитель В.И. Сологаев. –Омск: СибАДИ, 1991. –4 с.
2. Методические указания к выполнению курсовой работы по водоснабжению и канализации жилого здания /Составитель В.И.
Сологаев. –Омск: СибАДИ, 1988. - 39 с. -(1-е издание).
3. Методические указания к выполнению курсовой работы по водоснабжению и канализации жилого здания /Составитель В.И. Сологаев. –Омск: СибАДИ, 2000. - 56 с. -(2-е издание).
4. Гидравлика, водоснабжение и канализация: учебник для вузов /В.И. Калицун и др. –М.: Стройиздат, 1980. –359 с.
5. Внутренние санитарно-технические устройства. Ч.2. Водопровод и канализация. - М.: Стройиздат, 1990. - 247 с. -(Справочник проектировщика).
6. СНиП 2.04.01-85. Внутренний водопровод и канализация зданий. –М.: ЦИТП Госстроя СССР, 1986. –56 с.
7. СНиП 2.04.02-84. Водоснабжение. Наружные сети и сооружения. –М.: Стройиздат, 1985. –136 с.
8. СНиП 2.04.03-85. Канализация. Наружные сети и сооружения. –М.: ЦИТП Госстроя СССР, 1986. –72 с.
9. СНиП 3.05.01-85. Внутренние санитарно-технические системы. –М.: ЦИТП Госстроя СССР, 1986. –40 с.
10. ГОСТ 21.601-79. Водоснабжение и канализация. -М.: Изд-во стандартов, 1983. -12 с.
11. ГОСТ 21.604-82. Водоснабжение и канализация. Наружные сети. -М.: Изд-во стандартов, 1992. - 6 с.
ДОПОЛНИТЕЛЬНАЯ:
1. СНиП 2.06.15-85. Инженерная защита территории от затопления и подтопления. –М.: ЦИТП Госстроя СССР, 1986. –20 с.
2. Прогнозы подтопления и расчёт дренажных систем на застраиваемых и застроенных территориях /ВНИИ ВОДГЕО: А.Ж. Муфтахов и др. –М.: Стройиздат, 1991. –272 с. (Справочное пособие к СНиП).
3. Дегтярёв Б.М. Дренаж в промышленном и гражданском строительстве. –М.: Стройиздат, 1990. –238 с.
4. Сологаев В.И. Защита от подтопления в городском строительстве. Устройство и работа. Омск: Изд-во СибАДИ, 1999. - 56 с.
7. СОДЕРЖАНИЕ КУРСОВОЙ РАБОТЫ
Курсовая работа по водоснабжению и канализации жилого здания состоит из расчётов и графической части в объёме 1 листа форматом А1 (594х841 мм). На листе ватмана (или миллиметровки) вычерчиваются и выносятся:
1) план техподполья с нанесением и обозначением всех трубопроводов и стояков систем водоснабжения и канализации здания, включая ввод водопровода и выпуски канализации — масштаб 1:100 или 1:200;
2) аксонометрическая схема внутреннего водопровода холодной воды с нанесением запорной и водоразборной арматуры и обозначением ввода водопровода, стояков, диаметров труб и характерных высотных отметок — масштаб 1:100 или 1:200;
3) аксонометрическая схема канализационного стояка с выпуском до первого смотрового колодца с нанесением санитарно-технического оборудования и обозначением стояка, выпуска, диаметров труб, их уклонов и отметок лотков труб — масштаб 1:100 или 1:200;
4) продольный профиль дворовой канализации до смотрового колодца наружной сети — масштаб по горизонтали 1:500, по вертикали 1:100;
5) генплан участка с нанесением здания, красной линии застройки, водопроводных и канализационных сетей с указанием их диаметров, обозначением смотровых колодцев — масштаб 1:500;
6) узлы: подключение ввода водопровода к наружной сети; водомерный узел; схема насосной установки — масштаб 1:50 или 1:100;
7) таблицы гидравлического расчёта водопровода и канализации;
8) таблица “Основные показатели по водопроводу и канализации здания”;
9) спецификация оборудования водопровода и канализации;
10) пояснительный текст и расчёты по подбору счётчика холодной воды (водомера) и насосов — на свободной площади листа.
8. Протокол согласования рабочей программы
|
Наименование смежных дисциплин |
Название кафедры |
Предложения согласующих кафедр |
Подпись заведующего кафедрой |
|
Теплогазоснабжение и вентиляция (Инженерные сети и оборудование зданий и сооружений) |
Архитектура промышленных и гражданских зданий |
Согласовано |
Подпись |
ВОДОСНАБЖЕНИЕ И ВОДООТВЕДЕНИЕ
(лекционный курс)
Предисловие Этот курс задуман как учебный курс и пособие к нормативно-справочной литературе по водоснабжению и водотведению. Его стиль — краткий, телеграфный стиль студенческих конспектов. Главные положения обустройства водоснабжения и водоотведения городов и населённых пунктов излагаются в тесном переплетении с практическими примерами.
Лекционный курс состоит из четырех разделов:
1. Внутренний водопровод.
2. Внутренняя канализация.
3. Водоснабжение: наружные сети и сооружения.
4. Канализация: наружные сети и сооружения.
Параллельно лекциям проходят практические занятия по курсовому проектированию (курсовая работа).
После сдачи курсовой работы студент проходит зачет по водоснабжению и водоотведению (недифференцированный).
При выполнении курсовой работы расчёты автоматизированы с помощью электронных таблиц Microsoft Excel 97. Таблицы гидравлического расчёта водопровода и канализации можно запустить прямо из данного курса (имеется в виду в среде Lotus Notes).
Литература (минимальный набор из библиотеки):
1. Программа по водоснабжению и канализации /Составитель В.И. Сологаев. –Омск: СибАДИ, 1991. –4 с.
2. Методические указания к выполнению курсовой работы по водоснабжению и канализации жилого здания /Составитель В.И. Сологаев. –Омск: СибАДИ, 1988. - 39 с.
3. Гидравлика, водоснабжение и канализация: учебник для вузов /В.И. Калицун и др. –М.: Стройиздат, 1980. –359 с.
4. СНиП 2.04.01-85. Внутренний водопровод и канализация зданий. –М.: ЦИТП Госстроя СССР, 1986. –56 с.
ПРИМЕЧАНИЕ:
Полный набор литературы перечислен в РАБОЧЕЙ ПРОГРАММЕ. Полный комплект литературы находится в электронном виде в программе Lotus Notes (ВОДОСНАБЖЕНИЕ) в компьютерном классе аудитории 55 (4315) на 3 этаже 4 корпуса СибАДИ (у Драмтеатра).
ПРИНЯТЫЕ СОКРАЩЕНИЯ СПДС – система проектной документации для строительства.
СНиП – строительные нормы и правила.
ГОСТ – государственный стандарт.
В1 – водопровод хозяйственно-питьевой .
В2 – водопровод противопожарный .
В3 – водопровод производственный .
К1 – канализация бытовая .
К2 – канализация дождевая .
К3 – канализация производственная .
Ст В1-1 – стояк водопровода В1 по порядку нумерации 1-й.
Ст К1-1 – стояк канализации К1 по порядку нумерации 1-й.
КВ1-1 – колодец водопровода В1 по порядку нумерации 1-й.
КК1-1 – колодец канализации К1 по порядку нумерации 1-й.
l – длина трубопровода на расчётном участке, м.
N – число приборов, обслуживаемых расчётным участком.
U – число водопотребителей (жителей).
P – вероятность совместного действия приборов.
qC – расчётный расход холодной воды на участке, л/с.
q0C – нормативный расход холодной воды прибором, л/с.
d – внутренний диаметр трубопровода, мм.
V – скорость движения воды в трубопроводе, м/с.
i – гидравлический уклон.
kL – коэффициент учёта местных потерь напора.
DH – потери напора на расчётном участке трубопровода, м.
Условные обозначения



































Раздел 1-й Внутренний водопровод зданий Внутренний водопровод зданий - это система трубопроводов и устройств, подающих воду внутри зданий, включая ввод водопровода, который находится снаружи.
В состав внутреннего водопровода входят:
1) трубопроводы и соединительные фасонные детали (фитинги);
2) арматура (краны, смесители, вентили, задвижки и т.д.);
3) приборы (манометры, водомеры);
4) оборудование (насосы).
Условные обозначения по внутреннему водопроводу см. выше.
Классификация внутренних водопроводов Классификация внутренних водопроводов изображена на рис. 1.

Рис. 1
Таким образом, внутренний водопровод подразделяется в первую очередь на холодный (В) и горячий (Т) водопровод. На схемах и чертежах в отечественной документации холодные водопроводы обозначаются буквой русского алфавита В, а горячие - буквой русского алфавита Т.
Холодные водопроводы имеют следующие разновидности:
В1 - хозяйственно-питьевой водопровод;
В2 - противопожарный водопровод;
В3 - производственный водопровод (общее обозначение).
Современный горячий водопровод должен иметь в здании две трубы: Т3 - подающая, Т4 - циркуляционная. Попутно отметим, что Т1-Т2 обозначаются системы отопления (теплосети), которые не относятся непосредственно к водопроводу, однако связаны с ним, что рассмотрим позднее.
Водопроводные трубы
Все трубы внутреннего водопровода обычно имеют следующие внутренние диаметры:
Æ 15 мм (в квартирах), 20, 25, 32, 40, 50 мм. В отечественной практике применяют стальные, пластмассовые и металлополимерные трубы.
Стальные водогазопроводные оцинкованные трубы по ГОСТ 3262-75* пока имеют массовое применение для хозяйственно-питьевого водопровода В1 и горячего водопровода Т3-Т4. С 1 сентября 1996 г. изменением № 2 СНиП 2.04.01-85 рекомендуется для перечисленных водопроводов в первую очередь применять пластмассовые трубы из полиэтилена, полипропилена, поливинилхлорида, полибутилена, металлополимерные, из стеклопластика. Допускается применять медные, бронзовые, латунные трубы, а также стальные с внутренним и наружным защитным покрытием от коррозии.
Срок службы труб холодного водопровода должен быть не менее 50 лет, а горячего водопровода не менее 25 лет. Любая труба должна выдерживать избыточное (манометрическое) давление не менее 0,45 МПа (или 45 м водяного столба).
Стальные трубы прокладываются открыто с зазором 3-5 см от строительной конструкции. Пластмассовые и металлополимерные трубы следует прокладывать скрыто в плинтусах, штрабах, шахтах и каналах.
Способы соединений водопроводных труб:
1) Резьбовое соединение. В местах стыков труб применяются фасонные соединительные детали (фитинги) - см. далее . Нанесение резьбы на оцинкованные трубы проводят после оцинкования. Резьба труб должна быть защищена от коррозии смазкой. Способ резьбового соединения надёжный, но трудоёмкий.
2) Сварное соединение. Менее трудоёмкое, но разрушает защитное цинковое покрытие, которое нужно восстанавливать.
3) Фланцевое соединение. Применяется в основном при монтаже оборудования (насосов и т.д.).
4) Клеевое соединение. Применяется главным образом для пластмассовых труб.
MediaCenter link: СНиП 2.04.01-85 (с изм.). Внутренний водопровод и канализация зданий
Фасонные детали (фитинги)
Фасонные детали (фитинги) применяются в основном для резьбового соединения водопроводных труб.
Они изготавливаются из чугуна, стали или бронзы. Вот наиболее употребляемые фитинги:




Водопроводная арматура
Водопроводная арматура применяется:
- водоразборная (краны водоразборные, банные, поплавковые клапаны смывных бачков унитазов);
- смесительная (смесители для мойки, для умывальника, общий для ванны и умывальника, с душевой сеткой и т.д.);
- запорная (вентили на диаметрах труб Æ 15-40 мм, задвижки на диаметрах Æ 50 мм и более);
- предохранительная (обратные клапаны - ставятся после насосов).
Условные обозначения водопроводной арматуры см. выше.
Приборы
Приборы на водопроводе:
- манометры (измеряют давление и напор);
- водомеры (измеряют расход воды).
Условные обозначения приборов см. выше.
Оборудование
Насосы - это основное оборудование на водопроводе. Они повышают давление (напор) внутри водопроводных труб. Подавляющее число водопроводных насосов в настоящее время работает за счёт электродвигателей. Насосы чаще всего применяют центробежного типа.
Условные обозначения насосов см. выше.
ХОЗЯЙСТВЕННО-ПИТЬЕВОЙ ВОДОПРОВОД В1
Хозяйственно-питьевой водопровод В1 - это разновидность холодного водопровода. Это основной водопровод в городах и населённых пунктах, поэтому ему и присвоена цифра 1. В его названии на первом месте стоит слово "хозяйственный", так как основной объём воды - более 95 % - используется в зданиях на хозяйственные нужды и лишь менее 5 % - на питьё. Например, на одного жителя крупного города суточная норма водопотребления холодной воды, согласно СНиП 2.04.01-85, составляет около 180 л/сут, из которых на питьё в среднем расходуется около 3 литров.
MediaCenter link: СНиП 2.04.01-85 (с изм.). Внутренний водопровод и канализация зданий
Требования к качеству воды В1
Требования к качеству воды в хозяйственно- питьевом водопроводе В1 можно разбить на две группы:
- вода должна быть питьевой, согласно ГОСТ 2874-82*;
- вода должна быть холодной, то есть с температурой t » +8 ... +11 °С.
Стандарт на питьевую воду содержит показатели трёх типов:
1) ФИЗИЧЕСКИЕ: мутность, цветность, запах, привкус;
2) ХИМИЧЕСКИЕ: общая минерализация (не более 1 г/литр - это пресная вода), а также содержание неорганических и органических веществ не более предельно-допустимых концентраций (ПДК);
3) БАКТЕРИОЛОГИЧЕСКИЕ: не более трёх бактерий на литр воды.
Температура воды в пределах t » +8 ... +11 °С достигается за счёт контакта подземных труб наружного водопровода с грунтом, для чего эти трубы не теплоизолируются под землёй. Наружный водопровод прокладывается всегда на глубинах ниже зоны промерзания грунта, где круглый год температуры положительные.
Элементы В1
Элементы хозяйственно-питьевого водопровода В1 рассмотрим на примере двухэтажного здания с подвалом (рис. 2).

Рис. 2
Элементы хозяйственно-питьевого водопровода В1:
1 - ввод водопровода;
2 - водомерный узел;
3 - насосная установка (не всегда);
4 - разводящая сеть водопровода;
5 - водопроводный стояк;
6 - поэтажная (поквартирная) подводка;
7 - водоразборная и смесительная арматура.
Ввод водопровода
Ввод водопровода — это участок подземного трубопровода с запорной арматурой от смотрового колодца на наружной сети до наружной стены здания, куда подаётся вода (см. рис. 2).
Каждый ввод водопровода в жилых зданиях рассчитан на количество квартир не более 400. На схемах и чертежах ввод обозначается, например, так:
Ввод В1-1.
Это означает, что ввод относится к хозяйственно-питьевому водопроводу В1 и порядковый номер ввода № 1.
Глубина заложения трубы ввода водопровода принимается по СНиП 2.04.02-84 для наружных сетей и находится по формуле:
Hзал = Нпромерз + 0,5 м ,
где Нпромерз — нормативная глубина промерзания грунта в данной местности; 0,5 м — запас пол-метра.
Водомерный узел
Водомерный узел (водомерная рамка) — это участок водопроводной трубы непосредственно после ввода водопровода, который имеет водомер, манометр, запорную арматуру и обводную линию (рис. 3).

Рис. 3
Водомерный узел надлежит устанавливать у наружной стены здания в удобном и легкодоступном помещении с искусственным или естественным освещением и температурой воздуха не ниже +5 °С согласно СНиП 2.04.01-85.
Обводная линия водомерного узла обычно закрыта, а арматура на ней опломбирована. Это необходимо для учёта воды через водомер. Достоверность показаний водомера можно проверить с помощью контрольного крана-вентиля, установленного после него (см. рис. 3).
Насосная установка
Насосная установка на внутреннем водопроводе необходима при постоянном или периодическом недостатке напора, обычно когда вода не доходит по трубам до верхних этажей здания. Насос добавляет необходимый напор в водопроводе. Чаще всего используются насосы центробежного типа с приводом от электродвигателя. Минимальное число насосов — два, из которых один рабочий насос, а другой резервный насос. Схема насосной установки для этого случая показана в аксонометрии на рис. 4.

Рис. 4
Обратные клапаны препятствуют противодавлению на насос воды из здания, а также предохраняют от паразитной циркуляции. Обводная линия насосной установки в отличие от водомерного узла наоборот всегда открыта. Это связано с тем, что в периоды достаточного напора из наружной сети работа насоса не требуется. Тогда электроманометром насос выключается, а вода поступает в здание через обводную линию.
Разводящая сеть водопровода
Разводящие сети внутреннего водопровода прокладываются, согласно СНиП 2.04.01-85, в подвалах, технических подпольях и этажах, на чердаках, в случае отсутствия чердаков — на первом этаже в подпольных каналах совместно с трубопроводами отопления или под полом с устройством съёмного фриза или под потолком верхнего этажа.
Трубопроводы могут крепиться:
- с опиранием на стены и перегородки в местах монтажных отверстий;
- с опиранием на пол подвала через бетонные или кирпичные столбики;
- с опиранием на кронштейны вдоль стен и перегородок;
- с опиранием на подвески к перекрытиям.
В подвалах и техподпольях к разводящим сетям водопровода присоединяют трубы Æ 15, 20 или 25 мм, подающие воду к поливочным кранам, которые обычно выводят в ниши цокольных стен наружу на высоте над землей около 30-35 см. По периметру здания поливочные краны размещают с шагом 60-70 метров.
Водопроводные стояки
Стояком называется любой вертикальный трубопровод. Водопроводные стояки размещают и конструируют по следующим принципам:
1) Один стояк на группу близкорасположенных водоразборных приборов.
2) Преимущественно в санузлах.
3) С одной стороны от группы близкорасположенных водоразборных приборов.
4) Зазор между стеной и стояком принимают 3-5 см.
5) В основании стояка предусматривают запорный вентиль.
Поэтажные подводки В1
Поэтажные (поквартирные) подводки подают воду от стояков к водоразборной и смесительной арматуре: к кранам, смесителям, поплавковым клапанам смывных бачков. Диаметры подводок обычно принимают без расчёта Æ 15 мм. Это связано с тем же диаметром водоразборной и смесительной арматуры.
Непосредственно около стояка на подводке устанавливают запорный вентиль Æ 15 мм и квартирный водомер ВК-15. Далее подводят трубы к кранам и смесителям, причём ведут трубы на высоте 10-20 см от пола. Перед смывным бачком на подводке устанавливают дополнительный вентиль для ручной регулировки напора перед поплавковым клапаном.
Водоразборная и смесительная арматура
Водоразборная и смесительная арматура служит для получения воды из водопровода. Она устанавливается на концах трубопроводов подводок на определённой высоте над полом, регламентированной СНиП 3.05.01-85. Например, общий смеситель для умывальника и ванны устанавливается в уровне верха борта умывальника на высоте над полом равной 850 мм.
ПРОТИВОПОЖАРНЫЙ ВОДОПРОВОД В2
Противопожарный водопровод В2 предназначен для тушения пожаров водой в зданиях. Согласно СНиП 2.04.01-85, систему В2 должны иметь следующие здания:
1) жилые здания от 12 и более этажей;
2) здания управлений от 6 и более этажей;
3) клубы с эстрадой, театры, кинотеатры, актовые и конференц-залы, оборудованные киноаппаратурой;
4) общежития и общественные здания объёмом от 5000 м3 и более;
5) административно-бытовые здания промпредприятий объёмом от 5000 м3 и более.
Классификация противопожарных водопроводов
Противопожарный водопровод подразделяется на три разновидности (рис. 5).

Рис. 5 Системы с пожарными кранами проектируются по СНиП 2.04.01-85, а полуавтоматические (дренчерные) и автоматические (спринклерные) установки ¾ по СНиП 2.04.09-84.
Системы В2 с пожарными кранами
Область применения систем водопровода В2 с пожарными кранами см. выше.
Согласно СНиП 2.04.01-85, система В2 носит подчинённый характер по отношению к системам В1 или В3. Это означает, что если в здании предусмотрена сеть В1 или В3, то противопожарный водопровод В2 стояками присоединяется к сети В1 или В3.
Стояки В2 принимают диаметром не менее 50 мм и прокладывают в лестничных клетках и коридорах. Пожарные краны Æ 50 мм располагают на высоте 1,35 м над полом. Их помещают в шкафчиках, куда кладут свёрнутый пеньковый пожарный рукав длиной 10, 15 или 20 м. На одном конце рукава имеется полугайка для быстрого присоединения к пожарному крану, а на другом конце ¾ конический пожарный ствол для получения компактной водяной струи длиной около 10-20 метров.
MediaCenter link: СНиП 2.04.01-85 (с изм.). Внутренний водопровод и канализация зданий
Полуавтоматические дренчерные установки
Полуавтоматические дренчерные установки предназначены для создания водяных завес из мелких капель во время пожара. Они применяются на сценах зрительных залов, а также в боксах крупных производственных гаражей.
Главным элементом является дренчер-ороситель ¾ это особый вид водоразборной арматуры. Под потолок прокладывается стальная труба диаметром не менее Æ 20 мм и на ней с шагом 3 метра устанавливаются дренчеры, направленные вниз. В ожидании действия система находится без воды, то есть она сухотрубная. При возникновении пожара нажимают на кнопку, почему система и считается полуавтоматической, так как срабатывает от кнопки. В результате включается пожарный насос и открывается электрозадвижка и вода по трубе поступает к дренчерам. Те распыляют воду вниз, например, на занавес сцены и создают водяную завесу, которая кроме тушения огня также способствует благоприятному психологическому эффекту, несколько сбивая панику среди зрителей в зале.
Дренчерные системы проектируются по СНиП 2.04.09-84.
Автоматические спринклерные установки
Автоматические спринклерные установки предназначены для создания площадного орошения водой при тушении пожара. Они применяются в архивах библиотек и документации, в торговых залах крупных супермаркетов и в складах с повышенной пожароопасностью. Главным элементом является спринклер-ороситель ¾ это особый вид водоразборной арматуры. Под потолком помещения прокладывается разводящая сеть из стальных труб диаметром не менее Æ 20 мм и на них с шагом 3 метра устанавливаются спринклеры, направленные вниз. В ожидании действия система находится под напором. При возникновении пожара под конкретным спринклером внутри него расплавляется легкоплавкая вставка и он сам автоматически открывается и начинает поливать-брызгать водой вниз туда, где возник пожар, почему система и называется автоматической, так как срабатывает без участия человека.
Спринклерные системы проектируются по СНиП 2.04.09-84.
ПРОИЗВОДСТВЕННЫЙ ВОДОПРОВОД В3
Производственный водопровод подаёт воду в производственные здания на различные технологические нужды, поэтому требования по качеству воды весьма разнообразны. Стандартная классификация производственного водопровода В3 по качеству воды изображена на рис. 6.

Рис. 6
В3 ¾ это общее обозначение любого производственного водопровода.
На первом месте в классификации стоит оборотное водоснабжение В4-В5, в котором В4 ¾ подающая труба, а В5 ¾ труба обратная. Оборотное водоснабжение ¾ это перспективные, экологически чистые и ресурсосберегающие системы.
В6 ¾ системы с умягчённой водой.
В7 ¾ системы с речной водой.
В8 ¾ системы с осветлённой водой.
В9 — системы с подземной (промышленной) водой и так далее …
Классификация В3 по использованию воды
Классификация производственного водопровода по использованию воды:
1) Прямоточный водопровод. Это самый простой производственный водопровод, когда вода после использования напрямую сбрасывается в канализацию. Однако он загрязняет окружающую среду и не экономит ресурсы, поэтому предприятия стремятся от него перейти на другие, более прогрессивные системы.
2) С повторным использованием воды. Вода, использованная в технологии одного цеха, не сбрасывается сразу в канализацию, а используется на другие технологические нужды, по цепочке. Система более прогрессивная по сравнению с предыдущей.
3) Оборотное водоснабжение. Вода подаётся из местного очистного сооружения на производственно-технологические нужды по трубопроводу В4, используется и уходит обратно в очистное сооружение по трубопроводу В5. Оборотное водоснабжение ¾ это перспективные, экологически чистые и ресурсосберегающие системы. Примером могут служить мойки автомобилей с такими системами, которые к тому же и выгодны для данного предприятия автосервиса, так как дают экономию по забору воды из водопровода и сбросу стоков на водоотведение.
Классификация В3 по объёму водопотребления
Классификация производственного водопровода по объёмам потребляемой воды:
1) Объединённые системы В1+В2+В3. Применяются для небольших производственных зданий при суточном расходе водопотребления не более 100 м3/сут.
2) Раздельные системы (В1+В2, В3) или (В1, В3+В2). Применяются для производственных зданий при значительном суточном расходе водопотребления более 100 м3/сут.
Области использования воды в строительстве
ОБЛАСТИ ИСПОЛЬЗОВАНИЯ ВОДЫ В СТРОИТЕЛЬНОМ ПРОИЗВОДСТВЕ:
1) В составе выпускаемой продукции (В1): приготовление бетонов, строительных растворов.
2) На парообразование (В6):
а) пропарка бетонных и железобенных изделий;
б) строительные котельные.
3) На охлаждение (В6):
а) строительных машин;
б) котельных.
4) Поливка (В7):
а) кирпича перед кладкой или оштукатуриванием;
б) твердеющего бетона;
в) для предварительного замачивания просадочного грунта.
5) Промывка (В7 или В8):
а) щебня;
б) песка.
6) Вода в качестве гидротранспорта (В7):
гидронамыв территорий для дальнейшей застройки (например, в 1960 г. Иртышская набережная в г. Омске).
ГОРЯЧИЙ ВОДОПРОВОД Т3-Т4
Современный горячий водопровод Т3-Т4 имеет в здании две трубы: Т3 ¾ это подающий трубопровод; Т4 ¾ циркуляционный трубопровод.
Требования к качеству воды Т3-Т4
Требования к качеству горячей воды в системе Т3-Т4 содержатся в СНиП 2.04.01-85:
1) Горячая вода в Т3-Т4 должна быть питьевой по ГОСТ 2874-82. Качество воды, подаваемой на производственные нужды, определяется технологическими требованиями.
2) Температуру горячей воды в местах водоразбора следует предусматривать:
а) не ниже +60°С ¾ для систем централизованного горячего водоснабжения, присоединяемых к открытым системам теплоснабжения;
б) не ниже +50°С ¾ для систем централизованного горячего водоснабжения, присоединяемых к закрытым системам теплоснабжения;
в) не выше +75°С ¾ для всех систем, указанных в подпунктах "а" и "б".
3) В помещениях детских дошкольных учреждений температура горячей воды, подаваемой для душей и умывальников, не должна превышать +37 °С.
Классификация Т3-Т4 по расположению источника тепла
Классификация горячего водопровода Т3- Т4 по расположению источника тепла показана на рис. 7.

Рис. 7 Необходимо отметить, что наружных сетей горячего водопровода обычно не прокладывают, то есть горячий водопровод Т3-Т4 ¾ это типично внутренний водопровод. Классификация, показанная на рис. 7 отражает тот факт, что централизованно или местно решается расположение источника тепла. В крупных и средних городах тепло несут наружные водяные теплосети Т1-Т2 и заводят тепло в здания отдельными вводами Т1-Т2. Это централизованные системы теплоснабжения. В малых городах и населённых пунктах источник тепла находится в доме или квартире ¾ это домовая котельная или водогрейная колонка, работающая на газе, мазуте, нефти, угле, дровах или электричестве. Это местная система.
Открытая система горячего водопровода (см. рис. 7) берёт воду из обратного трубопровода теплосети Т2 непосредственно, напрямую, и далее вода поступает по трубе Т3 к смесителям в квартиры. Такое решение горячего водоснабжения не самое лучшее с точки зрения обеспечения питьевого качества горячей воды, так как вода идёт фактически из системы водяного отопления. Однако такое решение весьма недорогое. Таким способом, например, снабжается большинство зданий правобережья г. Омска.
Закрытая система горячего водопровода (см. рис. 7) берёт воду из холодного водопровода В1. Вода нагревается с помощью водонагревателей-теплообменников (бойлеров или скоростных) и поступает по трубе Т3 к смесителям в квартиры. Часть неиспользованной горячей воды циркулирует внутри здания по трубопроводу Т4, что поддерживает постоянную необходимую температуру воды. Источником тепла для водонагревателей служит подающая труба теплосети Т1. Такое решение горячего водоснабжения уже лучше с точки зрения обеспечения питьевого качества горячей воды, так как вода берётся из системы хозяйственно-питьевого водопровода В1. Таким способом, например, снабжается большинство зданий левобережья г. Омска.
Элементы Т3-Т4
Элементы горячего водопровода Т3-Т4 рассмотрим на примере рис. 8.

Рис. 8
1 ¾ ввод теплосети в техподполье здания. Это не элемент горячего водопровода.
2 ¾ тепловой узел. Здесь реализуется схема (открытая или закрытая ) горячего водопровода.
3 ¾ водомер на подающей трубе горячего водопровода Т3 у теплового узла.
4 ¾ разводящая сеть подающих трубопроводов Т3 горячего водопровода.
5 ¾ подающий стояк Т3 горячего водопровода. В его основании устанавливают запорный вентиль.
6 ¾ полотенцесушители на подающих стояках Т3.
7 ¾ квартирные водомеры горячей воды на поэтажные подводках Т3.
8 ¾ поэтажные подводки горячей воды Т3 (обычно Æ 15 мм).
9 ¾ смесительная арматура (на рис. 8 показан смеситель общий для умывальника и ванны с душевой сеткой и поворотным изливом).
10 ¾ циркуляционный стояк Т4 горячего водопровода. В его основании тоже устанавливают запорный вентиль.
11 ¾ отводящая сеть циркуляционных трубопроводов Т4 горячего водопровода.
12 ¾ водомер на циркуляционной трубе горячего водопровода Т4 у теплового узла.
МОНТАЖ, ИСПЫТАНИЕ И ЭКСПЛУАТАЦИЯ ВНУТРЕННИХ ВОДОПРОВОДОВ
МОНТАЖ ВНУТРЕННИХ ВОДОПРОВОДОВ
Работы по монтажу внутренних водопроводов зданий обычно выполняются специализированными монтажными организациями, которые являются субподрядными организациями по отношению к чисто строительным организациям (генподрядчикам), например, какая-либо монтажная фирма по отношению к строительному тресту.
Монтаж проводят руководствуясь положениями СНиП 3.05.01-85 «Внутренние санитарно-технические системы». Перед началом монтажа, до того как монтажники придут на строительный объект, строители должны сделать:
1) выполнить основные строительные работы, то есть возвести фундаменты, стены, перекрытия, покрытия, перегородки и т.д., но до отделочных работ;
2) пробить все монтажные отверстия в стенах, перекрытиях и перегородках для пропуска трубопроводов и оборудования;
3) установить монтажные закладные детали в стенах, перекрытиях и перегородках для крепления трубопроводов и оборудования;
4) прокопать траншеи вводов водопровода;
5) прочертить по стенам отметки 0,5 метра выше уровня пола, так как самого уровня пола пока нет.
Монтажная организация выполняет следующие работы:
- монтажное проектирование (составление эскизов и чертежей заготовок по рабочим чертежам и натурным обмерам);
- заготовительные работы (нарезка труб, резьбы на их концах, изготовление заготовок);
- собственно монтаж на объекте (он выполняется всегда по способу "снизу - вверх").
Методы монтажа:
1. Россыпью. То есть сборка водопровода по месту. Такой метод применяется при строительстве здания по индивидуальному проекту.
2. Блоками. Выполняется для зданий по типовым проектам.
3. Санитарно-техническими кабинами. Применяется в крупно-панельном домостроении. Основные трубопроводы и арматура установлены в кабине на заводе, а в условиях стройки кабины нужно лишь тщательно стыковать по осям.
Как только монтаж водопровода закончен — наступает следующая стадия: испытание.
ИСПЫТАНИЕ ВНУТРЕННЕГО ВОДОПРОВОДА
Испытание смонтированной системы внутреннего водопровода проводится в присутствии комиссии в составе представителей:
а) заказчика;
б) генподрядчика (строительной организации);
в) субподрядчика (монтажной организации).
Проверяются следующие показатели системы:
1) Расходы. Например, нормальный расход холодной воды из крана или смесителя должен быть не менее 0,2 л/с.
2) Напоры. Минимальный свободный напор у наиболее удалённого и самого высокого водоразборного прибора на верхнем этаже не должен быть менее 2-3 метров водяного столба.
3) Система должна соответствовать проекту по размерам, высотным отметкам, диаметрам труб, их материалу, в том числе по показателям качества воды.
4) Не должно быть каких-либо утечек и подтеканий на трубопроводах.
Испытание внутреннего водопровода проводится в течении 10 минут при давлении в полтора раза превышающем максимально допустимое избыточное (манометрическое) давление для данной системы.
Например, для хозяйственно- питьевого водопровода максимально допустимое избыточное (манометрическое) давление составляет 0,45 МПа или 45 метров водяного столба. Тогда давление при испытании будет 0,675 МПа или 67,5 м вод. ст. Если система успешно выдержала испытание давлением, то есть не потекла, то окончательно составляется акт манометрического испытания на герметичность по форме приложения 3 СНиПа 3.05.01-85, который подписывается представителями вышеупомянутой комиссии.
После испытания система внутреннего водопровода готова к передаче на её эксплуатацию.
ЭКСПЛУАТАЦИЯ ВНУТРЕННЕГО ВОДОПРОВОДА
Экслуатация внутренних водопроводов находится в ведении ПЖРЭУ (производственных жилищно-ремонтно-эксплуатационных участков) или в ведении отдела главного энергетика или механика предприятий — это зависит от принадлежности здания (муниципальное или ведомственное) и от типа системы (В1, В2, В3, Т3-Т4).
Выполняемые работы следующие:
- текущие ремонты по заявкам жильцов (смена прокладок кранов, замена неисправной арматуры, оборудования, устранение течей в трубах, постановка хомутов, замена участков труб с большой степенью повреждения коррозией и т.д.);
- капитальные ремонты с заменой трубопроводов (через 15-20 лет при стальных трубопроводах или через 50 лет при пластмассовых трубах).
MediaCenter link: СНиП 3.05.01-85. Внутренние санитарно-технические системы.
Раздел 2-й
Внутренняя канализация зданий
Внутренняя канализация зданий - это система трубопроводов и устройств, отводящих сточные воды из зданий, включая наружные выпуски до смотровых колодцев.
В состав внутренней канализации входят:
1) санитарно-технические приборы и приёмники сточных вод;
2) раструбные трубопроводы;
3) соединительные фасонные детали;
4) устройства для прочистки сети.
Условные обозначения по внутренней канализации см. выше.
Классификация внутренней канализации
Классификация внутренней канализации изображена на рис. 9.

Рис. 9
Таким образом, внутреннюю канализацию на схемах и чертежах в отечественной документации обозначают буквой русского алфавита К.
Внутренняя канализация имеет следующие разновидности:
К1 - бытовая канализация (по-старому: "хозяйственно-фекальная канализация");
К2 - дождевая канализация (или "внутренние водостоки");
К3 - производственная канализация (общее обозначение).
Санитарно-технические приборы и приёмники сточных вод
Санитарно-технические приборы и приёмники сточных вод первыми в канализации принимают стоки. Вот наиболее применимые в бытовой канализации К1 санитарно- технические приборы:
- мойки кухонные;
- умывальники;
- ванны;
- унитазы.
Писсуары применяют для общественных туалетов, а души-биде для комнат гигиены женщин.
В полу общественных туалетов и мусорокамер зданий в К1 устанавливают напольные трапы (разновидность воронок) из чугуна или пластмассы по ГОСТ 1811-97 соответственно диаметром Æ 50 мм и Æ 100 мм, согласно СНиП 2.04.01-85.
В дождевой канализации К2 на кровлях зданий устанавливают водосточные воронки: колпаковые (для неэксплуатируемых кровель) или плоские (для эксплуатируемых кровель).
В производственной канализации К3 применяют следующие приёмники сточных вод: трапы, ванны, напольные решетки с гидрозатворами и без гидрозатворов, лотки.
Условные обозначения санитарно-технических приборов и приёмников сточных вод см. выше.
Сифоны и гидравлические затворы
Сифоны и гидравлические затворы располагают сразу под санитарно-техническими приборами и приёмниками сточных вод. Принцип их действия можно рассмотреть на примере сифона коленчатого типа, устанавливаемого под умывальником или кухонной мойкой (рис. 10).

Рис. 10
За счёт изогнутости трубы сифона в виде петли в нём всегда остаётся вода, создающая гидравлический затвор, то есть водяную пробку, препятствующую проникновению запахов из системы канализации в помещения зданий.
Условные обозначения сифонов см. выше.
Канализационные раструбные трубопроводы
Трубы для канализации применяют раструбные. Рáструб ¾ это уширение на одном конце трубы, служащее для соединения с другими трубами или с фасонными деталями (рис. 11).
Раструбы должны быть направлены против движения сточных вод.

Рис. 11
Диаметры труб внутренней канализации чаще всего применяют Æ 50 мм и Æ 100 мм. В бытовой канализации К1 трубы Æ 50 мм используют для отведения сточных вод от умывальников, моек и ванн. Трубы Æ 100 мм служат для присоединения унитазов.
По материалу наибольшее распространение получили чугунные и пластмассовые трубопроводы.
Чугунные канализационные трубы Æ 50 мм и Æ 100 мм применяют по ГОСТ 6942-98 "Трубы чугунные канализационные и фасонные части к ним" (введён с 1 января 1999 г.). Они могут быть длиной 750 мм, 1000 мм, 1250 мм, 2000 мм, 2100 мм, 2200 мм. Покажем обозначение марки трубы. Например, труба чугунная канализационная Æ 100 мм длиной 2000 мм обозначается в спецификациях так:
ТЧК-100-2000.
Раструбный стык чугунных труб зачеканивают смоляной или битумизированной пеньковой прядью (кáболкой) и замазывают расширяющимся цементным раствором (см. рис. 11).
Пластмассовые канализационные трубы диаметрами Æ 40, 50, 90 и 110 мм применяют по ГОСТ 22689-89* "Трубы полиэтиленовые канализационные и фасонные части к ним". Их изготавливают из полиэтилена низкого (ПНД) и высокого (ПВД) давления. Они предназначены для систем внутренней канализации зданий с максимальной температурой сточной жидкости +60 °С и кратковременной (до 1 мин) +95°С. Это является недостатком полиэтиленовых труб.
Раструбный стык пластмассовых трубопроводов уплотняют резиновым кольцом, которое вставлено в паз раструба. С силой вдвигая трубу в раструб, получают необходимое уплотнение стыка за счёт обжатия резинового кольца.
Уклоны внутренней канализации обычно не рассчитывают, а назначают конструктивно так:
¾ для Æ 50 мм уклон 0,035;
¾ для Æ 100 мм уклон 0,02.
Условные обозначения канализационных трубопроводов см. в . Полный перечень условных обозначений см. в ГОСТ 6942-98 "Трубы чугунные канализационные и фасонные части к ним" (введён с 1 января 1999 г.).
Соединительные фасонные детали
Как уже было сказано, канализационные трубы соединяют между собой с помощью раструбов этих же труб (см. рис. 11). Однако обойтись одними раструбами труб невозможно, поэтому для переходов с меньшего диаметра на больший, поворотов и боковых присоединений применяют соединительные фасонные детали по ГОСТ 6942-98 "Трубы чугунные канализационные и фасонные части к ним" (введён с 1 января 1999 г.):
¾ патрубки переходные (для перехода с меньшего на больший диаметр);
¾ колена (для поворота трубопроводов на 90°);
¾ отводы (для поворота трубопроводов на 135°);
¾ тройники прямые (для стояков);
¾ тройники косые (преимущественно для горизонтальных участков);
¾ крестовины прямые (для стояков);
¾ крестовины косые (преимущественно для горизонтальных участков).
Условные обозначения соединительных фасонных деталей для канализации см. Полный перечень условных обозначений см. в ГОСТ 6942-98 "Трубы чугунные канализационные и фасонные части к ним" (введён с 1 января 1999 г.).
Устройства для прочистки сети
Для прочистки канализационных сетей от засоров применяют следующие фасонные детали:
¾ ревизии (на стояках);
¾ прочистки из косых тройников или отводов с пробками-заглушками (на горизонтальных участках) или прямых тройников с пробками-заглушками (на вертикальных участках), а также по ГОСТ 6942-98 "Трубы чугунные канализационные и фасонные части к ним" (введён с 1 января 1999 г.).
Ревизия ¾ это раструбная труба, на боковой поверхности которой имеется съёмный фланец с резиновой прокладкой, прикреплённый к трубе четырьмя или двумя болтами (рис. 12).

Рис. 12
Ревизии устанавливаются на стояках в соответствии с требованиями СНиП 2.04.01-85:
¾ на верхнем и нижнем этажах;
¾ в жилых зданиях высотой 5 этажей и более ¾ не реже чем через три этажа.
Прочистки устанавливают на горизонтальных участках (вернее, почти горизонтальных, так как они прокладываются с уклоном) с шагом по СНиП 2.04.01-85 не более 8-10 метров.
БЫТОВАЯ КАНАЛИЗАЦИЯ К1
Бытовая канализация К1 предназначена для отведения сточных вод от санузлов, ванн, кухонь, душевых, общественных уборных, мусорокамер и т.д. Это основная канализация зданий. Старое название её "хозяйственно-фекальная" канализация.
Элементы К1
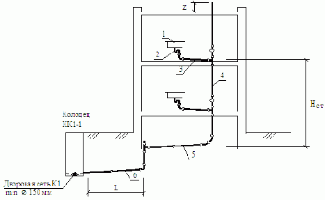
Элементы бытовой канализации К1 рассмотрим на примере двухэтажного здания с подвалом (рис. 13).

Рис. 13
Вот основные элементы К1 по ходу движения сточных вод:
1 ¾ санитарно-технический прибор;
2 ¾ сифон (гидравлический затвор);
3 ¾ отводящий поэтажный трубопровод;
4 ¾ канализационный стояк;
5 ¾ отводящая сеть в подвале;
6 ¾ выпуск канализации.
Отметим некоторые детали. Под сифоном показано колено. Оно применяется на невысоких стояках (не более 1 этажа). Отводящий поэтажный трубопровод 3 проложен с уклоном и присоединён с помощью прямого тройника к стояку 4. На стояке установлены ревизии.
Верх стояка выведен выше кровли в атмосферу на высоту z ¾ это вентиляция канализационного стояка. Она необходима для проветривания внутренности канализации, а также от появления избыточного давления или, наоборот, вакуума в канализации. Вакуум может появиться при неисправной вентиляции стояка во время слива воды с верхнего этажа, что приведёт в срыву сифона, то есть вода из сифона нижнего этажа уйдёт и появится запах в помещении.
Высоту стояка над кровлей принимают по СНиП 2.04.01-85 не менее величин:
z = 0,3 м ¾ для плоских неэксплуатируемых кровель;
z = 0,5 м ¾ для скатных кровель;
z = 3 м ¾ для эксплуатируемых кровель.
Канализационный стояк можно устраивать без вентиляции, то есть не выводить над кровлей, если его высота Hст не превышает 90 внутренних диаметров трубы стояка.
В последнее время в продаже появились вакуумные клапаны для канализационных стояков, постановка которых в уровне верхнего этажа избавляет от устройства вентиляционного вывода стояка над кровлей здания.
В основании стояка установлены два отвода, так как стояк крайний на сети в подвале.
Если стояк сверху попадает на трубу сети, то применяют косой тройник и отвод. Применять прямой тройник в подвале нельзя, так как ухудшается гидравлика стока и возникают засоры.
В конце отводящей сети 5 перед наружной стеной собрана прочистка из прямого тройника с пробкой-заглушкой. Считая от этой прочистки, длина выпуска канализации L не должна быть более 12 метров при диаметре трубы Æ 100 мм, согласно СНиП 2.04.01-85. С другой стороны, расстояние от смотрового колодца дворовой канализации до стены здания не должно быть менее 3 метров. Поэтому расстояние от дома до колодца обычно принимают 3-5 метров.
Глубина заложения выпуска канализации от поверхности земли до лотка (низа трубы) у наружной стены принимается равной глубине промерзания в данной местности, уменьшенной на величину 0,3 метра (учитывается влияние здания на незамерзание грунта рядом с домом).
ДОЖДЕВАЯ КАНАЛИЗАЦИЯ К2
Дождевая канализация К2 предназначена для отведения атмосферных (дождевых и талых) вод с кровель зданий по внутренним водостокам. Поэтому второе название К2 ¾ внутренние водостоки.
Способов отведения атмосферных (дождевых и талых) вод с кровель зданий три:
1) Неорганизованный способ. Применяется для одно- и двухэтажных зданий. Вода просто стекает с карниза здания, для чего вынос карниза от вертикальной поверхности наружной стены должен быть не менее 0,6 метра.
2) Организованный способ по наружным водостокам (это не К2). Применяется для 3-5 этажных зданий. Вдоль карниза здания устраивается желоб, который направляет стекающие атмосферные воды в водосточным воронкам. Далее вода стекает вниз по наружным водосточным стоякам и выходит через выпуски на отмостку здания, которую обычко укрепляют бетонированием от размывания.
3) Организованный способ по внутренним водостокам ¾ это дождевая канализация К2). Применяется для жилых зданий более 5 этажей, а также для зданий любой этажности с широкой кровлей (более 48 метров) или многопролётных зданий (обычно это промздания).
Элементы К2
Элементы дождевой канализации К2 рассмотрим на примере двухэтажного здания с подвалом (рис. 14).

Рис. 14
1 ¾ водосточная воронка. Здесь воказана воронка колпакового типа, для неэксплуатируемых кровель. Плоские коронки устраиваются для эксплуатируемых кровель. Условные обозначения см. в . Марка воронки подбирается по её пропускной способности, которая рассчитывается по методике СНиП 2.04.01-85 .
2 ¾ водосточный стояк. Прокладывается в лестничных клетках и коридорах.
3 ¾ ревизия.
4 ¾ сифон (гидравлический затвор). Он предохраняет от образования ледяной пробки на выпуске К2 в весенний период.
5 ¾ открытый выпуск К2. Устраивается при отсутствии наружной водосточной сети К2. Рекомендуется устраивать с южной стороны здания. При наличии наружной водосточной сети К2 выпуск дождевой канализации устраивают как в К1 (см. выше).
ПРОИЗВОДСТВЕННАЯ КАНАЛИЗАЦИЯ К3
Производственная канализация К3 предназначена для отведения технологических сточных вод из промзданий. Отличительной особенностью К3 от К1 и К2 является наличие дополнительных сооружений (местных очистных сооружений, насосных станций перекачки и т.д.).
Классификация производственной канализации К3 по составу сточных вод изображена на рис. 15.

Рис. 15
К3 ¾ это общее обозначение любой производственной канализации.
К4 ¾ системы с механически загрязнёнными сточными водами.
К5 ¾ системы с илосодержащими сточными водами.
К6 ¾ системы с шламосодержащими сточными водами.
К7 ¾ системы с простоками, содержащими химические загрязнения.
К8 ¾ системы с кислыми сточными водами.
К9 ¾ системы со щелочными сточными водами.
Элементы К3
Элементы производственной канализации К3 рассмотрим на примере одноэтажного промздания, у которого с пола в напольный трап (воронку) стекают механически загрязнённые производственные сточные воды. Тогда система К3 конкретизируется системой К4. Элементы К3:
1 ¾ приёмник сточных вод (в данном случае трап).
2 ¾ отводящая внутренняя канализационная сеть.
3 ¾ местное очистное сооружение (песколовка, жироловка, нефтеловушка и т.д.).
4 ¾ насосная станция перекачки.
5 ¾ выпуск канализации К3 в городскую канализационную сеть.
МУСОРОПРОВОДЫ ЗДАНИЙ
Мусоропроводы в зданиях устраивают для обеспечения удобства удаления мусора по трубопроводу в контейнеры, находящиеся в мусорокамерах, откуда мусор периодически вывозят. Специального СНиПа на мусоропроводы нет. Их проектируют на основе накопленного опыта (типовые проекты). Они связаны с системами водопровода и канализации зданий, особенно в помещениях мусорокамер.
Элементы мусоропроводов
Элементы мусоропроводов рассмотрим на примере многоэтажного жилого дома. Эти элементы могут быть следующие:
1 ¾ стояк мусоропровода собирают из стальных или бетонных труб диаметром 400-500 мм. На каждом этаже или междуэтажной площадке на стояке устанавливают приёмные клапаны.
2 ¾ над кровлей стояк выводят на высоту около 1 метра и снабжают дефлектором для усиления вентиляции мусоропровода.
3 ¾ внизу находится помещение мусорокамеры с отдельным входом. Здесь стояк имеет плоскую шибер-задвижку
4 ¾ под стояком в мусорокамере установлен контейнер для сбора и вывоза мусора.
5 ¾ в помещение мусорокамеры подводят холодную В1 и горячую Т3 воду к смесителю (поливочному крану), а в полу устраивают трап диаметром 100 мм с подсоединением к бытовой канализации К1
6 ¾ под потолком мусорокамеры устанавливают спринклер (если здание имеет 10 и более этажей) для автоматического тушения пожара орошаемой водой.
Элементы инженерных сетей 5 и 6 в мусорокамере устраивают в соответствии с требованиями СНиП 2.04.01-85.
МОНТАЖ, ИСПЫТАНИЕ И ЭКСПЛУАТАЦИЯ ВНУТРЕННЕЙ КАНАЛИЗАЦИИ
МОНТАЖ ВНУТРЕННЕЙ КАНАЛИЗАЦИИ
Работы по монтажу внутренней канализации зданий обычно выполняются специализированными монтажными организациями, которые являются субподрядными организациями по отношению к чисто строительным организациям (генподрядчикам), например, какая-либо монтажная фирма по отношению к строительному тресту.
Монтаж проводят руководствуясь положениями СНиП 3.05.01-85 «Внутренние санитарно-технические системы». Перед началом монтажа, до того как монтажники придут на строительный объект, строители должны сделать:
1) выполнить основные строительные работы, то есть возвести фундаменты, стены, перекрытия, покрытия, перегородки и т.д., но до отделочных работ;
2) пробить все монтажные отверстия в стенах, перекрытиях и перегородках для пропуска трубопроводов и оборудования;
3) установить монтажные закладные детали в стенах, перекрытиях и перегородках для крепления трубопроводов и оборудования;
4) прокопать траншеи выпусков канализации;
5) прочертить по стенам отметки 0,5 метра выше уровня пола, так как самого уровня пола пока нет.
Монтажная организация выполняет следующие работы:
- монтажное проектирование (составление эскизов и чертежей заготовок по рабочим чертежам и натурным обмерам);
- заготовительные работы;
- собственно монтаж на объекте (он выполняется всегда по способу "снизу - вверх").
Методы монтажа:
1. Россыпью. То есть сборка канализации по месту. Такой метод применяется при строительстве здания по индивидуальному проекту.
2. Блоками. Выполняется для зданий по типовым проектам.
3. Санитарно-техническими кабинами. Применяется в крупно-панельном домостроении. Основные трубопроводы и фасонные детали установлены в кабине на заводе, а в условиях стройки кабины нужно лишь тщательно стыковать по осям.
Как только монтаж канализации закончен — наступает следующая стадия: испытание.
ИСПЫТАНИЕ ВНУТРЕННЕЙ КАНАЛИЗАЦИИ
Испытание смонтированной системы внутренней канализации проводится в присутствии комиссии в составе представителей:
а) заказчика;
б) генподрядчика (строительной организации);
в) субподрядчика (монтажной организации).
Проверяются следующие показатели системы:
1) Сток от приборов.
2) Система должна соответствовать проекту по размерам, высотным отметкам, диаметрам труб, их материалу.
4) Не должно быть каких-либо утечек и подтеканий на трубопроводах.
Испытание бытовой канализации К1 проводится способом пролива воды из 75% водоразборных приборов в здании. Система должна обеспечивать нормальный сток. Если система успешно выдержала испытание, то окончательно составляется акт испытания внутренней канализации по форме приложения 4 СНиПа 3.05.01-85, который подписывается представителями вышеупомянутой комиссии.
Испытание дождевой канализации К2 проводится способом заполнения водосточного стояка водой до отметки кровли. В течение 10 минут стояк не должен протечь в местах его установки (лестничные клетки, коридоры).
Испытание производственной канализации К3 проводится способом пролива воды из 75% водоразборных приборов в промздании. Кроме того проверяют эффективность работы очистных сооружений и насосов станций перекачки.
После испытания система внутренней канализации готова к передаче на её эксплуатацию.
ЭКСПЛУАТАЦИЯ ВНУТРЕННЕЙ КАНАЛИЗАЦИИ
Экслуатация внутренней канализации находится в ведении ПЖРЭУ (производственных жилищно-ремонтно-эксплуатационных участков) или в ведении отдела главного энергетика или механика предприятий — это зависит от принадлежности здания (муниципальное или ведомственное) и от типа системы (К1, К2, К3).
Выполняемые работы следующие:
- текущие ремонты по заявкам жильцов (чаще всего прочистка засорившихся труб с помощью гибких стальных тросов длиной 3-10 метров);
- капитальные ремонты с заменой трубопроводов.
MediaCenter link: СНиП 3.05.01-85. Внутренние санитарно-технические системы.
Раздел 3-й
Водоснабжение: наружные сети и сооружения
Водоснабжение городов, населенных пунктов и промплощадок устраивают в нашей стране по требованиям следующих нормативных документов:
1) Строительные нормы и правила. СНиП 2.04.02-84 (с изм.). Водоснабжение. Наружные сети и сооружения.
2) Санитарные правила и нормы. СанПиН 2.1.4.559-96. Питьевая вода. Гигиенические требования к качеству воды централизованных систем питьевого водоснабжения. Контроль качества.
Водоснабжение в данном курсе рассмотрено в основном на примере г.
Омска.
MediaCenter link: СНиП 2.04.02-84 (с изм.). Водоснабжение. Наружные сети и сооружения.
Системы водоснабжения и их показатели
Системы наружного водоснабжения могут быть объединёнными (В1+В2+В3), то есть подающими воду питьевого качества и одновременно на пожаротушение, и на производственные нужды. Такие системы применяются в городах. Промплощадки могут брать воду не питьевого качества там, где оно не требуется по технологии производства. Водопроводы предприятий обычно тоже обьединённые В3+В2. Однако основные городские водопроводы несут воду питьевого качества: В1+В2+В3.
В частности, в Омске ежесуточное водопотребление может достигать около 600 тысяч кубометров, из которых половину забирают жители, а примерно другую половину объёма воды потребляют предприятия.
Показатели городских водопроводов делятся на количественные и качественные.
Количественными показателями водопроводов, как гидравлических систем, являются расходы и напоры. Например, для такого крупного города как Омск норма расхода холодной и горячей воды на жителя составляет около 300 л/сут. В одноэтажной неблагоустроенной застройке при водоразборе из колонок водопотребление жителя уменьшается до 30-50 л/сут. Напор в сети наружного водопровода (считая от оси трубы) должен находится в пределах 10 < H < 60 метров водяного столба.
Показатели качества питьевой воды:
а) физические:
¾ мутность;
¾ цветность;
¾ запах;
¾ вкус;
б) химические:
¾ общее солесодержание пресной воды не более 1 г/л (вода в Иртыше в районе Омска имеет среднее солесодержание около 300 мг/л, то есть достаточно добротная);
¾ предельно допустимые концентрации (ПДК) химических элементов в воде;
в) бактериологические:
количество бактерий в одном литре воды. Некоторые бактерии могут содержаться в воде в небольших количествах, но некоторые не допускаются даже в количестве одной в литре воды. Всё это подробно оговорено в СанПиН 2.1.4.559-96 «Питьевая вода».
Знакомство с показателями по наружному водопроводу полезно для дальнейшего рассмотрения элементов схем наружных водопроводов городов.
Элементы схем водоснабжения
Элементы схемы наружного водоснабжения рассмотрим на примере города Омска (рис. 16).

Рис. 16
Элементы наружного водоснабжения:
1 ¾ источник водоснабжения;
2 ¾ водозабор;
3 ¾ водоводы;
4 ¾ станция водоподготовки;
5 ¾ городская водопроводная сеть с сооружениями .
Источники водоснабжения
Источник водоснабжения может быть поверхностный или подземный. Доля поверхностных источников (рек, озёр, водохранилищ, каналов) составляет около 70%, а доля подземных (грунтовых и напорных артезианских вод) ¾ около 30%. Источником водоснабжения г. Омска является река Иртыш.
Водозаборные сооружения
Водозаборное сооружение захватывает воду из источника водоснабжения, поэтому водозаборы могут быть соответственно поверхностными (береговыми, русловыми, ковшовыми) или подземными (скважины, колодцы). Смешанными являются лучевые подрусловые водозаборы, которые выполняют из горизонтальных скважин, пробуривая их в подрусловые аллювиальные отложения. Вместе с водозабором обычно совмещают насосную станцию I подъёма, которая перекачивает необработанную воду к станции водоподготовки.
Водоводы
Водоводы ¾ это напорные трубопроводы значительного поперечного сечения. Их количество должно быть не менее двух (в две нитки). по водоводам вода перекачивается к городской станции водоподготовки.
Станции водоподготовки: процессы и сооружения
Станция водоподготовки ¾ это целая промплощадка по приготовлению питьевой воды для города. На сооружениях станции водоподготовки происходят процессы по приготовлению воды питьевого качества, что показано в сравнении ниже.
|
Процессы |
Сооружения |
|
Отстаивание воды. В воде содержаться песчинки, иловые частицы. Поэтому их необходимо извлечь с помощью отстаивания. Вода должна не стоять, а медленно течь, примерно со скоростью 1 см/с, то есть в ламинарном режиме. Загрязнения выпадают в осадок, происходит первичная очистка воды. |
Отстойники. Это проточные сооружения, где вода движется медленно, примерно со скоростью 1 см/с, то есть в ламинарном режиме. Поэтому загрязнения выпадают в осадок, происходит первичная очистка воды. Отстойники строят из железобетона. |
|
Фильтрование воды. Производится для окончательной очистки воды от механических загрязнений, которые невозможно извлечь отстаиванием. Для эффективной и быстрой очистки воды фильтрованием через пористую загрузку (песок, керамзит), вначале воду обрабатывают химическими реагентами для образования хлопьев из взвесей в воде. |
Скорые фильтры. Вначале вода обрабатывается химическими реагентами, например сернокислым алюминием Al2(SO4)3. Тогда тонкие взвеси в воде коагулируются в хлопья и после этого эффективно осаждаются на фильтрующей загрузке. Это и есть технология работы скорых фильтров с крупной загрузкой, например из керамзитовой крошки. |
|
Обеззараживание воды. В воде содержаться бактерии, в том числе болезнетворные. Обеззараживание воды производят чаще всего хлорированием. Известны также способы озонирования воды и обработкой ультрафиолетом. |
Сооружения по обеззараживанию воды. При хлорировании воды сооружениями являются хлораторные, при озонировании применяют озонаторы (электрические разрядники), а лампы ультрафиолета применяют для прозрачных вод, обычно подземных. |
Наружные сети водопровода
и сооружения на них
Водопроводная сеть прокладывается по городу с кольцеванием магистралей вокруг основных районов, микрорайонов и промплощадок (см. рис. 16 ). Глубину заложения труб водопровода принимают равной нормативной глубине промерзания в данной местности плюс запас 0,5 метра. Трубы небольшого диаметра 100-200 мм монтируют из стали с антикоррозионным покрытием или из чугуна. Трубы большего диаметра прокладывают из железобетона.
Сооружения на городском водопроводе:
¾ смотровые колодцы с задвижками и пожарными гидрантами (около зданий), шаг колодцев 100-150 метров;
¾ насосные станции подкачки (районные и местные) для компенсации потерь напора на водопроводе, а гарантированный напор должен поддерживаться в пределах
10 < H < 60 м водяного столба.
Особенности водоснабжения промпредприятий
Промпредприятия снабжаются водой по следующим схемам:
1) Прямоточная схема.
2) Схема с повторным использованием воды.
3) Схема оборотного водоснабжения.
Раздел 4-й
Канализация: наружные сети и сооружения
Канализация ¾ это система подземных трубопроводов, самотёком удаляющая сточные воды за пределы территории, с последующей их очисткой и сбросом в водоём. В условиях плоского равнинного рельефа (как в Омске) дополнительно сооружают насосные станции перекачки и напорные коллекторы-трубопроводы. Состав остаточных загрязнений в очищенных сточных водах при сбросе в водоём не должен превышать предельно-допустимых концентраций (ПДК).
Городскую канализацию обычно устраивают двух типов:
1) К1+К3, то есть объединённую, предназначенную для транспортировки бытовых (хозяйственно-фекальных) и промышленных стоков за черту города на очистные сооружения.
2) К2, то есть дождевую (ливневую), районные коллекторы которой сбрасывают условно-чистые стоки в водоём в черте города, а при необходимости строят дополнительные очистные сооружения, в основном механической очистки.
Канализацию городов, населенных пунктов и промплощадок устраивают в нашей стране по требованиям строительных норм и правил:
СНиП 2.04.03-85 (с изм.). Канализация. Наружные сети и сооружения.
Канализация в данном курсе рассмотрена в основном на примере г. Омска.
Элементы городской канализации
Элементы схемы городской канализации рассмотрим на примере Омска (рис. 17).

Рис. 17
Элементы городской канализации:
1 ¾ дворовые и внутриквартальные канализационные сети (не показаны на карте-схеме);
2 ¾ уличные коллекторы (не показаны на карте-схеме);
3 ¾ районные коллекторы с насосными станциями перекачки;
4 ¾ городской (главный) коллектор с насосными станциями перекачки;
5 ¾ дюкеры с насосными станциями перекачки;
6 ¾ главная канализационная насосная станция перекачки;
7 ¾ загородный напорный трубопровод;
8 ¾ очистные сооружения канализации;
9 ¾ выпуск в водоём.
Канализационные сети и сооружения на них
Наружные сети канализации проектируют согласно требованиям СНиП 2.04.03-85 «Канализация: наружные сети и сооружения».
Канализационные сети города устраивают по иерархическому принципу: мелкие сети подсоединяют к сетям более крупного диаметра (коллекторам). При этом прокладку канализационных сетей по возможности стараются устраивать так, чтобы трубы работали самотёком, используя рельеф местности. Это становится проблематично в условия равнинного, плоского рельефа, как например в Омске. Тогда дополнительно строят канализационные насосные станции перекачки.
Иерархия городских канализационных сетей следующая:
¾ дворовые и внутриквартальные сети диаметром Æ 150-200 мм, которые строят на территории застройки в пределах красных линий, то есть не выходя на территорию улиц:
¾ уличные коллекторы диаметром Æ 250-400 мм, которые строят, наоборот, за красными линиями застройки, то есть по территории улиц (могут иметь насосные станции перекачки);
¾ районные коллекторы диаметром Æ 500-1000 мм, которые строят для района канализования (могут иметь насосные станции перекачки);
¾ городской коллектор диаметром Æ 1000- 5000 мм, который строят вдоль города по наиболее пониженной его части (имеет насосные станции перекачки).
На канализационных сетях сооружают смотровые колодцы из железобетонных колец диаметром 1 метр (глубиной до 6 метров) и 1,5 метра (глубиной до 6 метров). Шаг колодцев принимают по СНиП 2.04.03-85. Например, для дворовых канализационных сетей диаметром Æ 150-200 мм шаг между соседними колодцами должен быть не более:
¾ 35 метров при Æ 150 мм;
¾ 50 метров при Æ 150 мм.
Для перехода сточных вод через реки устраивают дюкеры ¾ трубы под дном водоёма на глубине не менее 0,5 метров до шелыги (верха трубы).
На окраине города, куда сточные воды поступают по городскому канализационному коллектору, находится главная насосная станция перекачки, которая по напорному загородному коллектору перекачивает стоки на очистные сооружения канализации (см. рис. 17).
Очистные сооружения канализации
Очистные сооружения канализации проектируют согласно требованиям СНиП 2.04.03-85 «Канализация: наружные сети и сооружения».
Они должны находиться за чертой города и ниже по течению реки.
Очистные сооружения канализации ¾ это целая промплощадка, которая должна так очистить сточные воды после города, чтобы остаточные загрязнения в очищенных сточных водах при сбросе в водоём не превышал предельно-допустимые концентрации (ПДК).
Технологии очистки сточных вод зависят от состава загрязнений. После города на очистные сооружения поступают бытовые (хозяйственно-фекальные) и промышленные стоки К1+К3, поятому применяют следующие виды (ступени) очистки сточных вод:
1) Механическая очистка. С помошью решеток, песколовок и первичных отстойников сточные воды очищаются примерно на 30%.
2) Биологическая очистка. Это основная технология очистки канализационных стоков. Для крупных городов чаще всего применяют аэротенки ¾ проточные сооружения, где сточные воды аэрируются вдувом воздуха от компрессорных станций.
Сюда же подают активный ил ¾ смесь микроорганизмов и простейших животных типа амёб, инфузорий, рачков, улиток, которые в присутствии кислорода воздуха интенсивно очищают сточные воды, окисляя органические загрязнения (аэробный процесс). Окисленные органические загрязнения затем выпадают в осадок на вторичных отстойниках. После сооружений биологической очистки сточные воды очищаются примерно на 95%, то есть остаточных загрязнений остаётся около 5% (бактериальные загрязнения).
3) Сооружения по обеззараживанию сточных вод. Применяют хлорирование. Очистка считается выполненной на 100%.
Рассмотрим некоторые сооружения по обработке осадка. После сооружений механической и биологической очистки остаётся сырой осадок, представляющий опасность для окружающей среды, поэтому его обрабатывают на сооружениях: метантенках, биологических фильтрах, септиках.
Метантенки применяют для крупных городов. Это подземные железобетонные резервуары диаметром до Æ 20-30 м глубиной до 15 метров. В них примерно на месяц для сбраживания загружают сырой осадок очистных сооружений. Процесс сбраживания осадка происходит без доступа воздуха (анаэробный процесс) и выделяется газ метан, почему сооружение и называется метантенк. Метан является попутным газом, который, например, сжигают и полученным теплом обогревают сам метантенк, что ускоряет процесс брожения осадка. Примерно через месяц осадок перегнивает и становится безопасным. Его обезвоживают и сушат. Если осадок не содержал токсических загрязнений, то его можно использовать как ценное органическое удобрение в сельском хозяйстве.
Дождевая канализация городов
Дождевую канализацию К2 городов проектируют согласно требованиям СНиП 2.04.03-85 «Канализация: наружные сети и сооружения». Её старое название: ливневая канализация, ливнёвка.
Дождевая канализация К2 собирает на территории города дождевые и талые поверхностные воды, отводит самотёком их по сети К2 и через свои районные коллекторы сбрасывает условно-чистые стоки в водоём в черте города, При необходимости строят дополнительные очистные сооружения, в основном механической очистки, а в условиях плоского, равнинного рельефа устраивают насосные станции перекачки.
Элементы наружной дождевой канализации:
1 ¾ дождеприёмники-решетки, устраиваются вдоль дорог с шагом через 50-80 метров;
2 ¾ отводящий подземный трубопровод диаметром не менее Æ 200 мм;
3 ¾ уличные коллекторы диаметром Æ 400-1000 мм;
4 ¾ районные коллекторы диаметром Æ 1000-2500 мм.
С территорий промпредприятий стоки К2 очищают, в основном на сооружениях механического типа.
Дренаж для понижения уровня подземных вод
Дренаж — это инженерная система из дрен (труб с отверстиями), фильтрующих обсыпок, слоёв и других элементов, предназначенная для понижения УПВ не менее нормы осушения или не менее 0,5 метра ниже пола подвала, основания сооружения со сбросом дренажных вод:
— в дождевую канализацию К2 ;
— близлежащий водоём или водоток;
— нижележащий подземный пласт.
Дренаж чаще всего связан с дождевой канализацией К2, но в отличие от неё отводит не поверхностные, а подземные воды.
Перечислим основные элементы дренажа:
1) водоприёмное устройство (дрена, скважина);
2) фильтрующие обсыпки и слои (защита от заиления);
3) смотровые колодцы (для удобства обслуживания и ремонта);
4) водоотводящая труба (дренажный коллектор);
5) насосная станция перекачки дренажных вод (не всегда);
6) труба-выпуск дренажных вод (в К2, водоём или пласт).

Рис. 18. Элементы дренажа (на примере кольцевого дренажа)
Элементы дренажа рассмотрим на примере кольцевого дренажа (рис. 17). Он защищает от подтопления грунтовыми водами подвал дома. Дрены 1 уложены вокруг здания на такой глубине, чтобы кривая депрессии УГВ находилась относительно пола подвала как минимум на 0,5 метра ниже. Дрены обсыпаны слоями щебня (в непосредственной близости) и песка (между щебнем и окружающим грунтом) для защиты внутреннего пространства дрен от заиления частицами грунта. Грунтовая вода проходит фильтрующую обсыпку 2 и, довольно чистая, попадает в дрену 1 через водоприёмные отверстия или щели-пропилы. Подземная вода, попавшая внутрь дрены, называется дренажным стоком, который самотёком отводится дренами и через один из смотровых колодцев 3 поступает по дренажному коллектору 4 в резервуар насосной станции перекачки 5.Оттуда дренажные воды время от времени насосом перека- чиваются в коллектор дождевой канализации К2. Элемент 5 не всегда нужен.
Дренажи для промышленного и гражданского строительства рассмотрены в другом курсе: «Защита от подтопления в городском строительстве» (Автор: Сологаев В.И., СибАДИ, Омск, 2000 г.). Нормативным документом является СНиП 2.06.15-85 «Инженерная защита территории от затопления и подтопления».
КОНЕЦ ЛЕКЦИОННОГО КУРСА