Оповещатель телефонный
Назначение.
Устройство предназначено для подачи тревожного сигнала через канал проводной телефонной связи.Устройство может эксплуатироваться как в составе штатной сигнализации, так и самостоятельно.
Устройство имеет экспериментальное исполнение.
2.Состав и соединения.
Внешний вид устройства приведен на рис. 1. Корпус пластмассовый. Габаритные размеры 45*45*18* мм

Рис.1. Внешний вид Оповещателя телефонного.
Структурная схема Оповещателя телефонного приведена на рис.2.

Рис.2. Оповещатель телефонный, схема структурная.
Оповещатель обслуживает два датчика охраны. Датчики присоединяются к приемному регистру Оповещателя.
Постановка на охрану и снятие осуществляется кнопками "Постановка” и “Снятие”.
Оповещатель присоединяется к телефонной сети ГТС и к телефонным аппаратам, аходящимся в помещении.
Устройство управления Оповещателя выполнено на основе микропроцессора PIC16F84. Управляющая программа находится в памяти микропроцессора.
Питание Оповещателя осуществляется от внешнего источника напряжения 12В или 220 В, например, от аккумуляторной батареи.
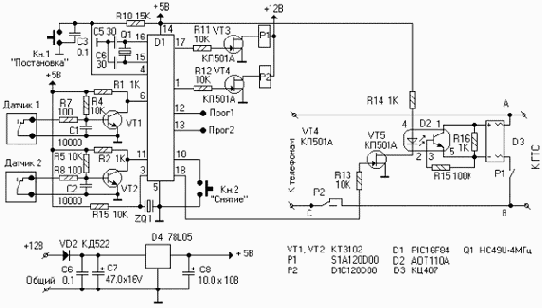
Схема электрическая Оповещателя приведена на рис. 3.
Приемный регистр выполнен на транзисторах VT1 и VT2. Адаптер к ГТС выполнен на основе реле P1 и P2, оптопары D2 и диодного
мостика D3. Вторичный источник питания выполнен на микросхеме D4.

Рис.3. Оповещатель телефонный, схема электрическая, принципиальная.
Элемент ZQ1 предназначен для звуковой индикации режимов работы Оповещателя.
Программирование номеров телефонов осуществляется по входам “Прог1” и “Прог2”.
3.Принцип действия.
Разрыв цепи датчика регистрируется приемным регистром. Устройство управления, по истечении 15 секунд отключает телефонный аппарат, занимает линию ГТС, производит набор заданного номера и подает в линию тревожный сигнал.
На стороне приема тревожный сигнал регистрируется либо просто человеком, либо автоматическим устройством. Автоматическое устройство отображает номер сработавшего датчика.
В качестве сигнала тревожного сигнала используются аналоговые сигналы по тональности близкие к сигналам сирены, либо цифровые сигналы, в которых зашифрован номер сработавшего датчика. Подача тревожного сигнала осуществляется 10 раз в один номер.
Постановка на охрану и снятие осуществляется кнопками “Постановка” и “Снятие”.
Программирование номеров телефонов осуществляется специальным программатором. Количество номеров от 1 до 3.
4.Основные режимы.
При включении, Оповещатель осуществляет контроль шлейфа соединения с датчиками. При аварии шлейфа, устройство управления подает звуковой сигнал аварии. Затем производится контрольное подключение к линии ГТС, с отключением абонентских телефонов, и однократный набор одного номера, с подачей тревожного сигнала в линию ГТС.
В режиме охраны телефонные аппараты абонента подключены к линии ГТС, Оповещатель находится в режиме пониженного энергопотребления.
При поступлении сигнала от датчика, Оповещатель переходит в рабочий режим, отключает телефоны абонента, производит набор заданных номеров и подает в линию ГТС тревожные сигналы.
5.Установка.
Монтаж Оповещателя осуществляется согласно прилагаемой инструкции. Датчики устанавливаются как обычно, при монтаже охранных устройств. Номера телефонов, от одного до трех, предварительно зашиваются, по заявке, в память микропроцессора в
сервисном центре и изменены пользователем быть не могут.
Источник питания подключается к соответствующим выводам оповещателя с соблюдением полярности.
6.Проверка готовности.
Для приведения устройства в нерабочий режим необходимо привести цепи датчиков в состояние, соответствующее режиму охраны, не зависимо от состояния на охраняемом объекте. Например, закрыв двери и окна, на которых установлены датчики.
Для включения устройства и приведения его в рабочий режим необходимо нажать кнопку “Постановка” Оповещателя.
В рабочем режиме осуществляется автоматический контроль состояния шлейфа. Если шлейф исправен, то звучит однократный сигнал готовности плавно меняющейся тональности от низкого звука к высокому.
Если шлейф неисправен, то звучит многократный сигнал быстро чередующейся тональности.
Далее осуществляется процедура контрольного включения оповещателя. При этом он отключает телефонные аппараты абонента и производит набор первого из заданных номеров.
После набора номера, в линию ГТС подается тревожный сигнал. Набор осуществляется однократно.
По окончании процедуры проверки, Оповещатель автоматически подключает телефонные аппараты абонента и переходит в режим охраны.
7.Работа.
В режиме охраны Оповещатель находится в режиме пониженного энергопотребления.
При поступлении сигнала сработки, в виде размыкания цепи датчика на время
не менее 10 мсек, адаптер автоматически переводится во включенное состояние и ожидает нажатия кнопки “Снятие” в течение 15
секунд. Если нажатия не последовало, то устройство управления отключает телефоны абонента и осуществляет набор заданных номеров, и посылает тревожные сигналы в линию ГТС.
Подача тревожных сигналов производится до полной отработки цикла в 10 серий набора заданных номеров и подачи сигнала.
После подачи тревожного сигнала, устройство переходит в режим местного звукового оповещения о сработке сигнализации, путем подачи однократных тональных сигналов с интервалом в 10 секунд.
8.Условия эксплуатации.
Предельные значения температуры: не ниже минус 40С, не выше плюс 50С.
Влажность не более 90% при температуре плюс 25С.
Отсутствие агрессивной среды.
Механические вибрации с ускорением не более 5G.
Напряжение сети питания в пределах 220 В+_ 10% или 12,6В +_ 10%.
Оповещатель телефонный
Оповещатель телефонныйОповещатель сделан по многочисленным пожеланиям наших читателей.
После опубликования проекта "Сотовая сигнализация", к нам обратились достаточно много корреспондентов. Суть обращений сводилась к тому, что необходимо сделать оповещатель аналогичный сотовому, но более дешевый, работающий в обычной телефонной сети.
Проект был сделан. После успешного применения у потребителей, а также по их рекомендациям были сделаны варианты оповещателя с расширенными возможностями.
В приведенном материале описан самый простой, начальный вариант такого устройства. Он выполняет основную задачу оповещателя: передача тревожных сигналов заданным абонентам при поступлении сигналов от датчиков охраны. Оповещатель имеет встроенную фукцию приемно-контрольного прибора (ПКП) и может применяться самостоятельно, без дополнительного оборудования.
Реализованы варианты устройства без функций приемно-контрольного прибора. Такой оповещатель работает под управлением приемно-контрольного прибора, выполняя только функцию оповещения. С датчиками и персоналом взаимодействует стандартный приемно-контрольный прибор.
Реализованы варианты устройства с компаратором сопротивления шлейфа. Компараторы производят измерение сопротивления шлейфа и сравнение его с эталонным, что более соответствует задачам охраны.
Реализованы варианты устройства с функцией самоконтроля. Устройство производит тестирование некоторых собственных параметров, таких как напряжение питания источника, соединение с ПКП, сетью питания и др. При неисправности, устройство сообщает о ней оператору на приемной стороне.
Реализованы варианты устройства с разными оповещательными сигналами: аналоговыми и цифровыми. Аналоговые сигналы предназначены для приема человеком непосредственно. Цифровые сигналы предназначены для приема автоматическим устройством. В цифровом сигнале содержится информация о номере устройства, посылающего оповещательный сигнал.
Очевидно, что устройство может быть использовано и по другим назначениям, не только охранным.
Например, для оповещения об открытии офиса по утрам. Руководитель получает информацию о том, в какое время сотрудники офиса пришли на работу. Руководитель, при этом, может находиться в любом месте города.
Или для оповещения о включении или выключении технологического оборудования. Например, о выключении сетевого сервера в ночное время и т.д. Вариантов применения множество. Устройство легко адаптируется и к датчикам и к телефонным сетям.
Питание оповещателя осуществляется от внешнего или встроенного источника. Рассмаривался вариант с питанием от телефонной сети. Однако, он был исключен из соображений уменьшения нагрузки на телефонную сеть.
Программирование параметров, номеров телефонов для оповещения, выполняется с применением отдельного программатора. Это сделано для того, чтобы исключить возможность случайных или умышленных изменений настроек в процессе эксплуатации. Программатор поставляется по запросу.
Приводим описание простого варианта оповещателя, с функцией приемно-контрольного прибора.
Опубликованный вариант Оповещателя выполняет функцию приемно-контрольного прибора. Взаимодействует с датчиками, принимает от них сигналы, контролирует состояние шлейфа, взаимодействует с персоналом. Устройство работает самостоятельно, без дополнительного оборудования.
Перечень более сложных вариантов оповещателя приведен в следующем разделе.
Оповещатель телефонный с функцией приемно-контрольного прибора.
Бизнес: Предпринимательство - Малый бизнес - Управление
- Бизнес
- Разновидности бизнеса
- Планирование бизнеса
- Управление бизнесом
- Предпринимательство
- Русское предпринимательство
- Управление и предпринимательство
- Малый бизнес
- Виды малого бизнеса
- Русский малый бизнес
- Управление малым бизнесом
- Posix для малого бизнеса
- Телефония как малый бизнес
- Телефония на Java для малого бизнеса