Радио-телефон "РТФ-92"
Специально по заданию редакции "РЛ" разработана простая схема любительского радиотелефона "РТФ-92" с выходом на АТС. С помощью этого устройства можно звонить по телефону из машины, с дачи, или в туристическом походе, включать сигнализацию квартиры и служебного помещения, а также использовать "РТФ-. 92" как беспроводную трубку-телефон. Принцип работы "РТФ-92" основан на обычном тональном радиоуправлении. Блок-схема "РТФ-92" изображена на рис.1 и рис.2 и включает в себя мобильную и стационарную части.
Мобильная часть состоит из дуплексной радиостанции, тонального генератора сигналов трех частот, усилителя низкой частоты для приема тонального вызова и номеронабирателя.

Стационарная часть состоит из дуплексной радиостанции, трех приемников тональных сигналов (ПТС1, ПТС2, ПТСЗ), дифференциальной системы, тиристорного устройства включения-выключения дифси-стемы и передатчика, реле вызова, тонального генератора вызова и реле времени.

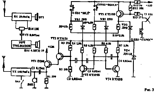
Принципиальная схема мобильной части приведена на рис.3. На транзисторах VT3, VT4 собран тональный генератор, который включается кнопками SB1, SB2, SB3 или номеронабирателем через диоды VD1 - VD3, а частота генератора подбирается резисторами R8, R9, R10 под частоту приемников тональных сигналов ПТС1 - ПТСЗ. На транзисторах VT1, VT2 собран усилитель, с выхода которого напряжение тональных сигналов поступает через конденсатор С1 на микрофонный вход передатчика. На транзисторе VT5 собран электронный ключ для номеронабирателя и кнопки сброса SB3. Выключатель SA1 предназначен для включения передатчика. Принципиальная схема стационарной части изображена на рис.4. На транзисторах VT1, VT2 собран общий усилитель тональных сигналов, поступающих с НЧ выхода приемника через резистор R1 и конденсатор С1 на его вход. Приемник тонального сигнала с частотой 1610 Гц (ПТС-1) на транзисторе VT3 и элементах L1, С5, К1 предназначен для включения дифсистемы и передатчика контактами К1.1, КЗ. Г, К4.1.

На транзисторе VT6 и элементах L2, С7, К2 собран приемник тонального сигнала с частотой 2400 Гц (ПТС-2) для возвращения стационарной части в исходное состояние контактами К2.1. (Все элементы коммутации на схеме - в исходном состоянии).
Тональные сигналы включения и выключения стационарной части подаются с выхода общего усилителя через С2, R7, СЗ, R5, R6 на базы транзисторов VT3 и VT6. На транзисторах VT4, VT5 выполнен усилитель тональных сигналов с частотой 3580 Гц для номеронабирателя и сброса. Транзисторы VT8, VT9 и элементы L4, С 11, Кб составляют приемник тональных сигналов с частотой 3580 Гц для номеронабирателя (ПТС-3), который при помощи контактов К6.1 управляет дифсистемой (VT10, VT11), производя тем самым набор номера АТС. При ответе абонента АТС разговорное напряжение поступает с делителя R18, R19, R20 через С16, согласующий переходной трансформатор Т1 и С19, R22 на вход передатчика и далее принимается приемником мобильной части. Разговорное напряжение абонента мобильной части поступает на вход передатчика мобильной части и далее принимается приемником стационарной части, с НЧ выхода которого оно через цепочку R23, с20,. переходной трансформатор Т2, С17 поступает на базу VT10 и далее - в линию АТС. Дифференциальная система питается от линии АТС через диодный мост VD8. Другой диодный мост VD9 - VD12 с конденсатором С 18 предназначены для приема вызова с линий АТС. Последний нагружен обмоткой реле К7, контакты которого (К7.1, К7.3) подключают тональный генератор вызова ко входу передатчика, а контакты К7.2 включают передатчик. Принципиальная схема тонального генератора вызова приведена на рис.5.

Тиристор VS1 предназначен для удержания в рабочем состоянии стационарной части "РТФ-92". На транзисторе VT7 собрано реле времени, контакты К5.1 которого разрывают цепь тиристора VS1 при включении-выключении источника питания стационарной части, т.к. при подаче питания на стационарную часть контакты приемников тональных сигналов самопроизвольно срабатывают до момента восстановления рабочего режима (т.е. на 15-20 сек - интервал, на который рассчитано реле времени). Мобильная часть "РТФ-92" выполнена внутри корпуса обычного телефонного аппарата с номеронабирателем. В трубку аппарата -заведены от дуплексной радиостанции телефонный капсюль BF1 и микрофон BMI.
Рычажный ( или герконовыи) переключатель аппарата используется при снятии трубки для включения передатчика. . На переднюю, панель телефонного аппарата выведены три кнопки SB1 - SB3 и красный светодиод для контроля за работой передатчика. Стационарная часть "РТФ-92" выполнена в отдельной коробке (размеры зависят от применяе мых деталей) и подключена многожильным кабелем к радиостанции и двухжильным - к линии АТС. Работа "РТФ-92" очень проста. Необходимо лишь соблюдать следующий порядок пользования устройством. Поднять трубку телефонного аппарата. Нажать на несколько секунд кнопку SB1 - "вкл." Услышав сигнал АТС, набрать номер абонента. При наборе другого номера нажать на несколько секунд кнопку SB3 - "сброс". По окончании разговора нажать на несколько секунд кнопку SB2 - "выкл." Положить трубку на место. Светодиод HL1 предназначен для контроля за работой дифси-стемы. Детали для "РТФ-92" можно применить любые. Реле К1 -Кб - герконовые типа РЭС55А (паспорт 0602). Трансформаторы Т1 и Т2 -переходные от радиоприемника "Альпинист 405" или аналогичного. Средние выводы не используются. Реле К7 - типа РКМ-1 (паспорт РС4.500.873.). Катушки LI, L2, L4 намотаны на ферритовых кольцах с внешним диаметром 10 мм и высотой 5 мм; L3 - выполнена вместе с L4 на одном кольце. Провод для намотки L1 - L4 - ПЭВ-0,1. L1 имеет 460 витков; L2 - 300 витков; L3 - 45 витков; L4 - 245 витков. R14 - составной, последовательно соединены два резистора по 470 К. Диодный мост VD8 можно собрать на диодах типа D226, КД105 и т.п., рассчитанных на Uo6p - 100 В. Тиристор VS1 -любой. Транзисторы VT10, VT11 высоковольтные - на 80 - 100 В. Наладка "РТФ-92" заключается прежде всего в организации дуплексной чистой радиосвязи, а затем подстройке резисторов R22, R23 по наилучшей слышимости разговора абонентов. В.ТАБУНЩИКОВ (RV6ACM), 353922, г.Новороссийск, пр-т. Дзержинского, 209 - 148
Бизнес: Предпринимательство - Малый бизнес - Управление
- Бизнес
- Разновидности бизнеса
- Планирование бизнеса
- Управление бизнесом
- Предпринимательство
- Русское предпринимательство
- Управление и предпринимательство
- Малый бизнес
- Виды малого бизнеса
- Русский малый бизнес
- Управление малым бизнесом
- Posix для малого бизнеса
- Телефония как малый бизнес
- Телефония на Java для малого бизнеса