Схемотехника телефонных устройств

Анализатор посылки вызова

В процессе разработки телефонных устройств может потребоваться анализатор посылки вызова (25 Гц). Дело в том, что импульсы набора номера (60 В, 10 Гц), а также различные помехи на линии должны быть легко узнаваемы для модулей обработки сигналов Анализатор посылки вызова
(см. п. 1.2). Добавим сюда еще и то, что зачастую посылка вызова с АТС имеет частоту, отличающуюся от номинальной (она может быть и 50 Гц, и 12 Гц). Таким образом, сформированные импульсы должны быть отобраны по частоте следования. Достаточно просто эта задача решается в системах со встроенным процессором, где тактовая частота внутреннего генератора составляет до 100 кГц. Но эту проблему можно решить иначе, используя элементы «жесткой» логики — счетчики, инверторы. На рис. 24 приведена принципиальная схема такого анализатора — своеобразный «цифровой фильтр». В состав схемы входят: • счетчик DD2, осуществляющий счет импульсов, снимаемых с линии; • узел приема и формирования импульсов с линии в составе DD1.1,R1,VD1,VD2,C1,R2; • тактовый генератор «строба» на DD1.2, DD1.3. На рис. 25 приведены графики, иллюстрирующие работу схемы с приведенными номиналами элементов. Частота внутреннего генератора равна или чуть ниже 4 Гц. Генератор формирует строб длительностью около 0,25 сек, открывающий счет микросхемы DD2. За время длительности строба на синхровход DD2 поступает 6...7 импульсов, и на выходе 5 появляется короткий импульс выхода. Исполнительное устройство может быть выполнено в виде триггерной схемы или с простейшей цепочкой накапливания (диод + емкость). При частоте следования входных импульсов менее 25 Гц счетчик DD2 не ycпевает сосчитать до 6...7 и вновь обнуляется. Таким образом, варьируя элементы тактового генератора (изменяя длительность строба), можно настроить анализатор на нужную частоту анализа посылки вызова с АТС. Входной узел па DD1.1 с введенным последовательным стабилитроном VD1 обеспечивает прием импульсов с линии при падении напряжения в линии ниже 30 В. Емкость С1 может быть в пределах 180...1000 пф, что позволяет отфильтровать «дребезг» и более качественно сформировать синхроимпульсы на входе DD2. Анализатор посылки вызова

Функциональная схема типового устройства

Необходимость разработки нестандартного телефонного оборудования обычно определяется решением следующих задач: • подключение к линии более 1...2 телефонных аппаратов; • индивидуальный прием вызова; • конференц-связь; • переадресация вызова; • удержание линии; • сопряжение с линией различных приборов; • блокировка набора номера; • индикация состояния линии; • усиление вызова; • запрет прохождения вызова; • усиление речи; • кодирование речи; • кодирование доступа к линии; • дистанционное включение; • охрана помещений по телефонной линии; • модернизация телефонных аппаратов. Для разработки устройства рекомендуется определить назначение изделия, количество подключаемых к нему телефонных аппаратов, способ электрического питания схемы, а также четкий последовательный алгоритм работы. Схема разбивается на конструктивные модули: • узел приема вызова, информации и пр. — (1); • логическая схема обработки — (2); • схема электрического питания — (3); • элементы коммутации — (4); • усилители передачи-приема (5). На рис. 1 приведена примерная функциональная схема телефонной приставки на два абонента. Работа схемы происходит следующим образом. Схема питания (3) подключена к телефонной линии, постоянно обеспечивая питание всех остальных модулей схемы, как в режиме ожидания, так и в режиме выполнения основных функций. Блок (1) предназначен для обработки и формирования посылок вызова с АТС, передавая их в дальнейшем на модуль (2). Модуль (2), в свою очередь, задает определенный алгоритм включения/выключения коммутационных элементов (4) и усилителей (5). С помощью подобной функциональной схемы, комбинируя и усложняя составные части, можно построить множество устройств с полезными и оригинальными функциями. Следует отметить, что по степени влияния модулей на параметры линии (в соответствии с [2]), их можно расположить в порядке возрастания: 4-2-1-5-3 (максимальное влияние — модуль питания). Это значит, что при создании устройства с питанием от телефонной линии сложно тяжело добиться стабильного напряжения при максимальном токе потребления, а также уложиться в параметры, заданные ГОСТ [2]. Функциональная схема типового устройства


Правовые аспекты разработки и использования нестандартных телефонных устройств

Разработчикам телефонных приставок в первую очередь следует помнить, что «Правилами пользования телефонными сетями общего пользования» запрещается подключение к линиям самодельных устройств, так как это может привести к нарушению работы или порче оборудования телефонных станций. Запрет не распространяется на изобретательскую и конструкторскую деятельность, проводимую в соответствии с действующим законодательством. Последовательность действий разработчика может быть следующей: разработка (возможна, на имитаторах телефонных линии), оформление технической документации, проверка в измерительных центрах Министерства связи и, в конечном итоге, сертификация. Оформление технической документации производится в соответствии с межгосударственным стандартом [1]. Сертификация телефонных устройств является обязательной и проводится по правилам страны разработчика. Необходимо только отметить, что возможна сертификация как одиночного устройства, так и серийного (для предприятий и юридических лиц). Собственно разработка телефонного оборудования должна производиться в строгом соответствии с [2]. Обязательным также является уведомление работников АТС (регистрация) о подключении каких-либо телефонных устройств к абонентской линии. За рубежом эта проблема решается почти так же. Диапазон выбора невелик: о подключении дополнительного оборудования необходимо обязательно соообщить в телефонную компанию [3], за нанесение ущерба телефонному оборудованию либо при наличии претензий со стороны соседних пользователей АТС вас ждут суровые финансовые санкции. Детали законодательства в разных странах различны, одинаковым является лишь консервативное отношение владельцев телефонных сетей к подключению различных сервисных приставок.

Схемы электрического питания

На рис.2 приведена схема питания с использованием стабилизатора КЖ101. Схема позволяет получить стабильное выходное напряжение, задаваемое стабилитроном VD2 с максимальным током стабилизации не более 300 мкА. Несложный подсчет позволяет определить, что активная составляющая эквивалентного сопротивления КЖ101 (подключенного параллельно телефонной линии) лежит в пределах 200...600 кОм. В то же время минимально допустимое сопротивление по ГОСТ [2] составляет 300 кОм. Необходимо помнить, что, в основном, при работе схемы телефонный аппарат и цепи питания приставки включены параллельно, поэтому их сопротивления суммируются. Если телефонный аппарат вносит около 400...800 кОм, то для получения суммарного сопротивления больше 300 кОм необходимо, чтобы блок питания имел эквивалентное сопротивление более 900 кОм. Для телефонов с дисковым номеронабирателем, а также когда потребление приставки достаточно мало, что позволяет стабилизатору КЖ101 иметь повышенное значение эквивалентного сопротивления, эта схема представляет определенный интерес. На практике на большинстве отечественных АТС устойчиво работают схемы с параллельным сопротивлением вплоть до 100 кОм, но эта предельная величина не рекомендуется для разработчиков, особенно если схема подлежит сертификации и регистрации. Схемы электрического питания
Схемы электрического питания
На рис. 3 приведена схема питания, обеспечивающая плавающее напряжение питания при фиксированном максимальном токе потребления от телефонной линии. Допустимость плавающего напряжения обуславливается двумя факторами: • применением КМОП-микросхем с напряжением питания 3...15В; • неизменностью параметров времязадающих RC-цепей. Данная схема с успехом может применяться в простых устройствах, где не предъявляются высокие требования к стабильности напряжения, и в то же время когда необходимо запитать устройство через увеличенное сопротивление. На рис. 4 приведена схема электропитания с фиксированным напряжением и фиксированным максимальным током потребления от линии. Принцип работы заключается в следующем. В режиме ожидания емкость С 1 заряжается до напряжения телефонной линии (48...60 В) через токоограничивающий резистор R1. Схемы электрического питания


В зависимости от области применения схемы, емкость конденсатора С1 может колебаться в пределах 220,0...1000,0 мкФ, что оказывает влияние 11:1 время первоначальной зарядки, а также длительность цикла поддержания постоянного напряжения на выходе схемы питания. В начале цикла активной работы телефонной приставки (повышение тока потребления) емкость С1 плавно разряжается до напряжения стабилизации VD2 (Е11), обеспечивая во время разряда постоянное напряжение на выходе Е11. В зависимости от тока потребления приставки длительность цикла стабилизации может составлять десятки секунд, что во многих случаях достаточно для выполнения алгоритма работы, заданного разработчиком. Определенный интерес представляет схема электропитания от телефонной линии с подпиткой во время рабочего цикла приставки, приведенная на рис. 5. Принцип работы схемы заключается в следующем. В исходном состоянии высокий уровень с выхода DD1.1 открывает транзистор VT1, тем самым закрывая ключ DA1. В это время электронная часть приставки запитывается от простейшего стабилизатора VD5, R4, VD6, С2. Ток ограничивается сопротивлением R4, которое выбирается достаточно большим, чтобы не оказывать влияние на телефонную линию по ГОСТ [2]. Если в каком-либо режиме приставке требуется больший ток от стабилизатора (до 10...20 мА), Схемы электрического питания
транзистор VT1 закрывается, соответственно, через Rl, VD2, R2, Cl, VD3, открывается ключ DA1, подключая параллельно R4 дополнительное сопротивление подпитки R3, выбираемое в пределах 1,2...10 кОм, что позволяет стабилизировать выходное напряжение +Е11 на заданном уровне при максимальном токе. Схема позволяет организовать электропитание приставок с суммарным потреблением до 20 мА, следует только помнить, что во время набора номера с телефона, подключенного к приставке, подпитка должна быть отключена. Для питания различных цепей телефонных приставок требуется напряжение от 3 В и выше, в зависимости от типа применяемых вентилей (процессоров). Известны микросхемы импульсных преобразователей напряжения [б].


Микросхемы фирмы MAXIM МАХ866, МАХ864 можно с успехом использовать для получения стабильного выходного напряжения до 5 В при входном напряжении около 1 В. На рис. 6 приведена схема включения МАХ866 с минимальным количеством навесных элементов. Преобразователь напряжения DA1 начинает работать при появлении на входе LX напряжения свыше 0,8 В, что происходит вследствие падения напряжения на кремниевых диодах VD1, VD2 при снятии трубки телефонного аппарата ТА. Допустимый ток потребления от линии не превышает 35 мА [2]. С учетом потребления телефонного аппарата (обычно 10...25 мА) и собственного потребления DA1 (до 50...100 мкА), ток в нагрузке может достигать 10...15мА, что достаточно для решения многих практических задач. Схемы электрического питания
С помощью микросхемы МАХ864 можно получить, двухполярное питание ±3 В для питания прецизионных операционных усилителей в схемах сравнения. Использование подобных однокристальных преобразователей напряжения обычно оправдано в достаточно сложных схемах обработки (например, с применением PIC-контроллеров фирмы MICROCHIP). Описанные выше схемы проверены на практике и применяются в серийно производимых телефонных сервисных устройствах.

Схемы коммутации телефонных аппаратов

Ключи коммутации телефонных аппаратов (ТА) с линией являются, пожалуй, одним из наиболее сложных элементов сопряжения в микро-АТС. Различают два вида коммутации: • по минусу питания схемы; • по плюсу питания схемы. Комбинацией этих двух методов можно реализовать любой способ электрического (не механического) подключения ТА к линии. Рассмотрим их в отдельности. Схемы коммутации телефонных аппаратов
Схемы коммутации телефонных аппаратов
На рис. 11 приведена простая схема ключа с использованием микросхемы 1014КТ1А по минусу питания. В соответствии с параметрами микросхемы КР1014КТ1А, В, описанными в [4], схема обеспечивает надежную работу при максимальном токе коммутации до 110мА и импульсном напряжении до 200 В. Управляющее напряжение не должно превышать 3,5...5 В. Достоинства схемы: • высокое качество коммутации (сопротивление в открытом состоянии не превышает 10 Ом); • простота схемного решения; • совместимость с КМОП-логикой; • сверхнизкое потребление по управляющему входу (устойчиво переключается через сопротивление до 10 МОм). Недостатки схемы: • невозможность простым схемным решением реализовать контроль за состоянием телефона (снята трубка или положена), что ограничивает применение этого способа коммутации. На рис. 12 приведена схема коммутации по плюсу питания. Достоинством такой схемы является возможность увязки в схеме с общим корпусом различных узлов телефонной приставки: узла подъема трубки (контроля телефона), узлов коммутации, схемы обработки и пр. достаточно простым способом. Коммутационные свойства этой схемы так же высоки, так как в основе лежит токовый ключ 1014КТ1А. Принцип работы заключается в следующем. При подаче на базу VT1 логической единицы напряжение на управляющий вход DA1 не подается. Емкость С1 разряжена, ключ DA1 закрыт, мост VD6...VD9 также закрыт, и телефонный аппарат изолирован от линии по плюсу. Схемы коммутации телефонных аппаратов
При подаче на базу VT1 логического нуля напряжение телефонной линии за счет падения на VD4, VD5 и частично на диодах моста VD6...VD9 через резисторы R1, R2 поступает на управляющий вход 1 DA1. Цепочка VD2, С1 обеспечивает стабильность включения ключа при импульсных помехах на линии (например при наличии импульсов набора номера).
Телефон включается по плюсу в линию. Еще один способ коммутации ТА по плюсу питания схемы рассматривается в [5]. На рис. 13 приведена схема ключа коммутации Схемы коммутации телефонных аппаратов
с использованием оптопары АОТ101А. Диодно-транзисторный оптрон позволяет осуществить гальваническую развязку цепи управления и ключа коммутации, в качестве которого выступает транзистор КТ972А. Транзистор открывается напряжением с линии через R1, обеспечивая коммутацию ТА на линию. Следует отметить, что сопротивление в открытом состоянии у транзистора КТ972А несколько выше, чем у микросхемы 1014КТ1А, кроме этого, при наличии импульсов в телефонной линии открытое состояние транзистора поддерживается лишь за счет переходных процессов в полупроводнике. Это может несколько ухудшить соответствие схемы коммутации нормам ГОСТ [2]. Для коммутации телефона либо разговорного ключа ТА, в [5] описаны схемы импульсных ключей на составных транзисторах, приведенные на рис. 14, 15, 16. Эти схемы применяются в телефонных аппаратах импортного и отечественного производства для формирования импульсов набора номера, но с таким же успехом их можно применять в любых телефонных приставках в качестве ключей коммутации по плюсу схемы. Схемы коммутации телефонных аппаратов
Схемы коммутации телефонных аппаратов

Схемы приема вызова

В большинстве современных АТС в качестве сигнала вызова используется переменное напряжение частотой 12...25 Гц и амплитудой до 150...200 В (в норме не менее 90 В). Для формирования импульсов приема посылки вызова используются логические схемы с фильтрующими RC-цепями, которые необходимы для выделения огибающей сигнала вызова. На рис. 7 приведены осциллограммы входных и выходных сигналов. Сформированные таким образом импульсы подаются на схему обработки телефонной приставки. На рис. 8 приведена схема приема вызова, рекомендуемая для использования в устройствах, питаемых от сети 220 В через понижающий трансформатор. Принцип работы схемы заключается в следующем. В исходном состоянии на входах 1, 2 элемента DD1.1 поддерживается единица через VD4 и R3 от источника питания. При поступлении переменного напряжения вызова через резистор R1 происходит зарядка конденсатора С1 в соответствии с полярностью диода VD1. Схемы приема вызова
Схемы приема вызова
Таким образом, во время вызова вход 2 DD1.1 находится в состоянии логического нуля, и на выходе 3 DD1.1 появляется единица. Формирующие цепочки VD5, С2, VD6, R4 обеспечивают необходимую длительность выходных импульсов, а конденсатор С3 сглаживает фронты импульса на выходе. Схема может непосредственно подключаться к счетчику блока обработки. На рис. 9 приведена схема входного узла для использования в устройствах, питаемых от телефонной линии. Принцип работы схемы заключается в следующем. В исходном состоянии на выходе 3 DD1.1 поддерживается высокий уровень. При поступлении вызова на вход схемы через цепочку Rl, Cl, VD1 происходит заряд емкости С2, что обеспечивает срабатывание элемента DD1.1. Емкость СЗ быстро разряжается через диод VD3, формируя таким образом передний фронт выходного импульса. Задний фронт формируется после окончания вызова Схемы приема вызова
путем заряда СЗ через резистор R4. Элементы схемы R3, С2 рассчитаны таким образом, чтобы предотвратить срабатывание элемента DD1.1 при кратковременных импульсах помех в телефонной линии. Следует помнить, что в реальной телефонной линии при подъеме (опускании) трубки телефонного аппарата наблюдаются серии коротких импульсов «дребезга» амплитудой до 60 В, что может привести к ложному срабатыванию схемы приема вызова и всего устройства в целом. Входной узел должен обладать определенной инертностью, что достигается практической настройкой, путем подбора КС-цепи на входе элемента DD1.1. Кроме этого, во многих случаях необходимо запирать входной узел на время набора номера (в линии присутствуют не посылки вызова, а импульсы набора номера 60 В, 10 Гц). На рис. 10 приведена схема запирания входного узла. Приведенные схемы используются в микро-АТС, концентраторах и других телефонных устройствах.

Схемы узлов подъема трубок

Для контроля состояния телефонного аппарата (трубка снята либо положена на рычажный переключатель) используется последовательный датчик тока. На рис. 17 и 18 показаны схемы включения датчиков тока. Сопротивление телефонного аппарата по постоянному току при положенной трубке превышает 300 кОм, поэтому при стандартном напряжении в линии 48...60 В на сопротивлении R практически не выделяется никакого напряжения. При снятии трубки с ТА напряжение в линии находится в пределах 10...15 В, а сопротивление телефонного аппарата составляет 500...700 Ом, что позволяет выделить на сопротивлении R либо диодах VD1, VD2 около 1,5 В, что Схемы узлов подъема трубок
достаточно для срабатывания узла подъемаi трубки. Схему с двумя диодами использовать предпочтительнее, вследствие стабильности падения напряжения на p-n переходах кремниевых диодов (около 0,7 В на диод). Сопротивление каждого диода составляет около 18 Ом, что в сумме составляет 36 Ом и достаточно хорошо согласуется с нормами ГОСТ [2] На рис. 19 приведена схема узла подъема трубки на основе микросхемы К561ЛА7. Схема работает следующим образом: при подъеме трубки телефонного аппарата с рычажного переключателя на диодах VD1, VD2 выделяется напряжение около 1 В, что достаточно для открывания транзистора VT1. На выходе 3 DD1.1 появляется высокий уровень, и через резистор R2 происходит заряд емкости С1. Через время не более 2 секунд происходит переключение элемента DD1.2, и на выходе 4 появляется нулевой уровень, показывающий, что с телефонного аппарата сняли трубку. Цепочка R2, С1 с постоянной времени 2 секунды предназначена для фильтрации коротких импульсов помех в линии («дребезг», вызов 25 Гц, набор номера). На рис. 20 показана схема узла подъема трубки, совмещенного со схемой коммутации телефонного аппарата по минусу питания. Схема позволяет не только анализировать состояние телефона, но и отключать телефонный аппарат от линии в соответствии с логическим алгоритмом блока обработки (например на время, необходимое для пропуска некоторого количества посылок вызова с АТС). В данной схеме отключение телефонного аппарата происходит при подаче логического нуля на вход 1, что приводит к замыканию на корпус через VD2 управляющего входа 1 микросхемы DA1. Схемы узлов подъема трубок


Схемы узлов подъема трубок
Цепочки VD1, С1, а также R5, С2 выполняют одинаковую функцию — предотвращение срабатывания узла подъема трубки от коротких одиночных импульсов в линии, а также сигнала вызова и импульсов набора номера. Делитель R2, R3 обеспечивает необходимое напряжение на управляющем входе микросхемы DA1. В телефонных приставках, питаемых от сети переменного тока 220 В через понижающий трансформатор, можно применять схему узла подъема трубки на транзисторах, приведенную на рис. 21. Схемы узлов подъема трубок
Отличие этой схемы от предыдущих состоит в том, что последовательно с телефонным аппаратом ничего не включается. Датчик токи - стабилитрон VD2, находится между линией и внешним источником питания Е„ (напряжение питания не менее 25 В). При опущенной трубке ТА напряжение в линии составляет 48...60 В, диод VD1 заперт, на стабилитроне VD2 отсутствует падение напряжения, значит, транзистор VT2 закрыт, a VT3 открыт по цепочке: R5, коллектор VT2, R6. Реле Р1 находится во включенном состоянии, контакты К1.1 замкнуты. При подъеме трубки ТА, напряжение в линии падает до 5...20 В (в зависимости от типа телефонного аппарата), диод VD1 открывается, соответственно, падение напряжения на стабилитроне VD2 открывает VT1. VT2 закрывается по цепочке: +Еп, эмиттер-коллектор VT1, R4, база VT2. Реле Р1 отключается, контакты К1.1 размыкаются, подавая информационный сигнал о снятии трубки ТА. Цепочка Cl, R3, а также инерционность обмотки реле Р1 не позволяют перекоммутировать реле Р1 при наборе номера с телефонного аппарата, а также предотвращают срабатывание реле при прохождении вызова на ТА. Преимуществом этой схемы является практически полное соответствие ГОСТ [2], так как: во-первых, последовательно телефону не включается сопротивление, а во-вторых, при наборе с телефонного аппарата за счет диода VD1 влияние схемы подъема трубки на ТА ничтожно мало и составляет более 3 МОм параллельного сопротивления. Все приведенные выше схемы узлов подъема трубки просты в настройке, проверены в практических схемах различных устройств и хорошо согласуются с другими функциональными модулями телефонных приставок.

Униполярное подключение сервисных телефонных устройств

В оборудовании большинства современных АТС для питания линий абонентов используется постоянное напряжение 48...60 В [5]. Это напряжение служит для формирования импульсов набора номера, а также питания цепей памяти телефонного аппарата при положенной трубке и микрофонных цепей в процессе разговора. Обычно телефонные аппараты допускают любую полярность подключения к телефонной линии, так как на их входе используется диодный мост. С помощью рычажного переключателя к линии подключается либо схема звонка, либо номеронабиратель, балансные схемы и усилители. На практике, к сожалению, не вес ТА работают одинаково хорошо при различной полярности подключения. Некоторые из них не позволяют, например, набран, номер, если не «угадана» полярность подключения телефона к линии. Радиолюбители и конструкторы сервисных телефонных приставок (концентраторов, микро-АТС, сигнализаторов и пр.) обычно для упрощения электронной схемы испильзуют их полярное подключение к линии. Это наблюдается примерно и 80% интересных и оригинальных схем но телефонии, onyбликованных в популярной литературе. В принципе, это оправдано, если разрабатываемая приставка подключается к декадно-шаговым, квазиэлектронным и некоторым типам электронных АТС, в которых один раз заданная полярность выходного напряжения не изменяется во всех режимах работы (исключая режим вызова 100...150 В, 25 Гц). На таких станциях возможна лишь механическая переполюсовка при проведении ремонтных работ на линии. Однако в последнее время стали встречаться АТС (в основном импортные), которые производят смену полярности питания абонента при переключении режимов соединения. Например, если при наборе номер с ТА, подключенного к такой АТС, наблюдаются импульсы набора положительной полярности амплитудой 48...60 В, то в режиме разговора полярность может измениться на противоположную (-10...-20 В). Это же касается и таксофонов, в которых отсчет времени разговора (кассирование) осуществляется кратковременным изменением полярности линии. Если для обычного телефона это не страшно, то у приставок с заданной полярностью подключения это может вызвать сбои в работе или отказ.
Логичным было бы на вход каждой приставки поставить диодный мост. но в этом случае, при отсутствии отдельной схемы звонка, мы лишаемся возможности получить нормальную посылку вызова с АТС, так как происходит выпрямление переменной, составляющей напряжения вызова. Телефон, подключенный через мост, не будет звонить. Решением проблемы является использование дополнительной модуляции синхронно с посылками вызова АТС [7]. На рис. 22 приведена структурная схема, реализующая этот метод формирования вызова. При приеме вызова с АТС приставка синхронно осуществляем дополнительную модуляцию сигнала с линии либо на своем входе Униполярное подключение сервисных телефонных устройств
либо на выходе (показано пунктиром). В качестве ключа лучше всего использовать транзисторы КТ503Е либо 1014КТ1А,В. В качестве диодов VD1...VD4 лучше использовать КД102А,Б. От номинала сопротивления R1 зависит глубина дополнительной модуляции. При номинале R1 в пределах 2,7...3,3 кОм осуществляется глубокая модуляция, а в пределах 6,8...10 кОм — частичная модуляция. Следует отметить, что применение еще одного моста (один диодный мост находится в телефонном аппарате) несколько ухудшает параметры ТА, так как каждый диод вносит дополнительное последовательное сопротивление порядка 10...18 Ом. Наилучшим схемным решением является использование в качестве управляющего для ключа DA1 напряжения, непосредственно снятого с линии. На рис. 23 приведена принципиальная схема узла дополнительной модуляции. Работа схемы при входящей связи аналогична вышеописанной. Транзистор VT1 выполняет функцию синхронизации дополнительной модуляции при поступлении вызова с АТС. При исходящей связи (наборе номера с ТА) цепочка модуляции остается выключенной (транзистор VT2 закрыт). Узел может использоваться в качестве входного в различных телефонных устройствах.

Блокиратор на базе специализированной микросхемы

Микросхема КР1059КН2 представляет собой электронный коммутатор двух параллельных телефонных аппаратов. Принципиальная схема блокиратора [5] приведена на рис. 37. Ее работа осуществляется следующим образом. Если снять трубку на ТА1, то тиристор в ИС откроется, и телефон подключится к линии. Блокиратор на базе специализированной микросхемы
Падение напряжения на тиристоре микросхемы составляет не более 2 В. Одновременно запирается тиристор ИС в цепи второго ТА, что позволяет отключить его на время, пока не будет опущена трубка на ТА1. Если на момент отбоя первого ТА трубка второго окажется снятой, то произойдет перекоммутация аппаратов на линию. Toк потребления ТА от линии при опущенной трубке должен быть не более 0,4 мА, иначе тиристоры микросхемы не закроются после окончания разговора. Во время набора номера на одном из аппаратов в момент разрыва шлейфа линии происходит кратковременное отключение этого телефона от линии. Чтобы снятие трубки одного ТА на этом интервале времени не вызывало перекоммутации теле фонов, в цепь управления включены конденсаторы С2 и С3, формирующие задержку переключения телефонов. Емкость их может быть в пределах 5...10 мкФ. Светодиоды VD1 и VD2 предназначены для индикации ТА, находящегося в разговорном режиме. При поступлении вызова с АТС (70...90 В) звонят оба телефонных аппарата.

с блокиратором спаренного телефона) предназначен

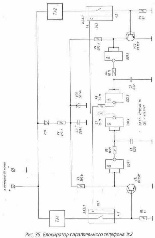
Блокиратор параллельного телефона (его не следует путать с блокиратором спаренного телефона) предназначен для исключения мешающего воздействия другого телефона при занятии линии одним из них. Его применение позволяет исключить возможность прослушивания разговора, ведущегося с одного из аппаратов, на другом (блокируемом). Кроме этого, блокиратор предотвращает помехи набору номера с незаблокированного аппарата при любых манипуляциях с заблокированным. Блокиратор устраняет нежелательное «подзвякивание» второго аппарата, а также улучшает работу факса или модема, подключенного параллельно телефонному аппарату. В состав схемы входят: • датчик тока первого телефона ТА1 — R1; • датчик тока второго телефона ТА2 — R2; • ключ отключения ТА1 — DA1; с блокиратором спаренного телефона) предназначен
• ключ отключения ТА2 — DA2; • схема блокировки ТА1 - VT2, R4, DD1.4, R6, С2, DD1.3; * схема блокировки ТА2 - VT1, R3, DD1.1, R5, Cl, DD1.2; • цепи питания микросхем — VD1, R9, СЗ, VD2. Принцип работы схемы заключается в следующем. Исходящая связь В исходном состоянии оба телефона ТА1, ТА2 подключены к линии, так как ключи DA1, DA2 открыты положительным напряжением, поступающим с выходов элементов DD1.2, DD1.3 через резисторы R7, R8. При снятии трубки па ТА1 на резисторе R1 выделяется напряжение около 1 В, которое открывает VT1. С выхода DD1.1 начинается зарядка Cl через R5. Постоянная времени RC-цепи равна приблизительно двум секундам, именно через такое время переключается элемент DD1.2, снимая питание с ключа DA2 (отключая второй телефон). Во время разговора ТА1 второй телефон остается заблокированным при любых манипуляциях с ним. Аналогично действует система блокировки ТА1 при снятии трубки с ТА2. Входящая связь При поступлении посылок вызова с АТС звонят оба телефона, так как частота 25 Гц фильтруется цепями R5, Cl и R6, С2, не позволяя отключать ТА1 и ТА2 от линии. Постоянная времени этих цепочек выбрана не случайно, именно время около 2 секунд не позволяет блокиратору заблокировать телефоны на время вызова с АТС. Устройства блокировки параллельного телефона позволяют снизить нагрузку на телефонную линию при большом количестве телефонных аппаратов. Если дополнить блокиратор еще двумя ключами, можно снизить нагрузку на линию также и при вызове. По ГОСТ [2] суммарное сопротивление телефонного аппарата при приеме вызова не должно быть менее 4 кОм. При наличии двух ТА сопротивление падает до 2...3 кОм, что может привести к перегрузке линии и даже отключению абонента. На рис. 36 приведена схема подключения дополнительного ключа, который срабатывает при поступлении вызова с АТС. В этом случае каждый из телефонных аппаратов будет звучать несколько тише, но общая нагрузка на линию при вызове снизится. с блокиратором спаренного телефона) предназначен
с блокиратором спаренного телефона) предназначен

Блокиратор параллельного телефона на тиристорах

Еще один вариант блокиратора параллельного телефона 1х2 при веден на рис. 38. Когда абонент первого аппарата снимает трубку к аноду тиристора VS1 прикладывается напряжение линии 60 В На управляющем электроде тиристора напряжение меньше на величину падения напряжения на стабилитроне VD1. Тиристор открывается, и ТА1 подключается к линии. Если после этого второй абонент Блокиратор параллельного телефона на тиристорах
снимет трубку, к тиристору VS2 будет приложено остаточное напряжение линии 5...15 В, которое меньше напряжения открывания стабилитрона VD3 и, соответственно, тиристор VS2 остается запертым. ТА2 будет отключен до тех пор, пока первый абонент не положит трубку на рычаг аппарата. Диоды VD2 и VD4 предназначены для пропускания отрицательного полупериода переменного напряжения индукторного вызова. Недостаток схемы заключается и следующем: снятие трубки на одном из аппаратов, в то время, когда по второму производится набор номера, приводит к помехам набору (происходит перекоммутация телефонов). Недостаток компенсируется простотой схемного решения и возможностью размещения элементов схемы I) телефонной розетке.

Телефонные приставки, расширяющие возможности телефона

В настоящей главе приведены несколько схем телефонных приставок, позволяющих расширить возможности абонента по использованию телефонной линии. Речь пойдет о разветвителях телефонного номера. Как и в [8], будем держаться подальше от любых устройств, в той или иной мере использующих аппаратуру АТС. Имеет смысл заниматься конструированием только оконечных устройств, для которых АТС представлена в виде «черного ящика» с определенным набором сигналов. Под разветвителем телефонного номера в данной книге понимается устройство, позволяющее на одной телефонной линии эксплуатировать два и более телефона. От простейших устройств блокировки параллельного телефона разветвители отличаются возможностью, используя тот или иной метод, дозвониться до избранного телефонного аппарата. Существует не очень большое число методов, позволяющих реализовать принцип индивидуального приема посылки вызова: • системы с донабором дополнительной цифры; • системы с повторным набором номера (логический телефонный номер); • системы с тональным приемопередатчиком (биппером); • устройства типа «директор-секретарь», микро-АТС 1х4, 2х8 и т.п. (эти устройства можно отнести к классу разветвителей номера, хотя и с некоторой натяжкой). Отсутствие свободных номеров на городских АТС — та причина, по которой разветвители номера по прежнему пользуются популярностью. Для их эксплуатации не требуется выделения оборудования на АТС, прокладки линий связи на большие расстояния, серьезных знаний в электротехнике при подключении к телефонной линии. Ниже рассматривается несколько практических схем разветвителей номера и других телефонных приставок.

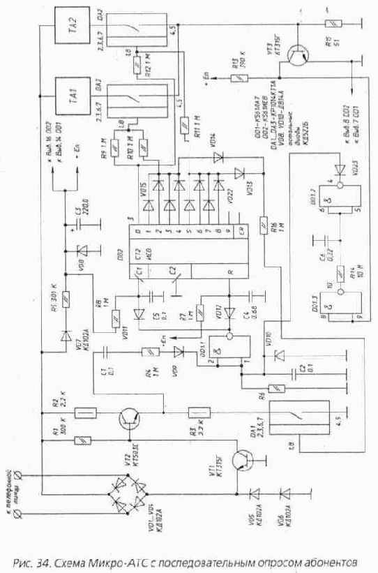
Микро-АТС с последовательным опросом абонентов

Особенностями схемы (рис. 34) являются: • униполярность подключения к телефонной линии; • подавление вызова на телефон при отсутствии обращения к данному абоненту. В состав схемы входят три функциональных узла: • узел формирования вызова, состоящий из диодного MOCT.I VD1...VD4, модулирующего ключа VT2, синхроцепи VD5, VD6. VT1, ключа включения модуляции DA1, нагрузочных резисторов R2, R3; • схема приема и обработки сигналов АТС, содержащая счетчик DD2, цепь формирования импульсов счета Cl, R4, VD9, DD1.1, R6, С2, VD10, VD11, С5, VD12, С4, R7, R8, цепь блокировки счета VD23, DD1.2, С6, R14, DD1.3, R13, VT3, R15, ключи коммутации телефонов DA2, DA3; • телефонные аппараты ТА1, ТА2. Схема работает следующим образом. Счетчик DD2 в исходном состоянии обнулен, поэтому ключи DA2, DA3 открыты высокими уровнями, поступающими через R9 и R12. Оба телефона подключены к линии. Первая посылка вызова с АТС не приводит к срабатыванию вызывных устройств телефонов, так как ключ DA1 разомкнут и дополнительная модуляция вызывного сигнала на нагрузке (R2, R3) отсутствует. Через цепь C1, R4, DD1.1 осуществляется счет посылок вызова с АТС. Переключение счетчика DD2 происходит по заднему фронту сформированных импульсов и приводит к последовательному включению и отключению ключей DA2 и DA3. В результате телефоны ТА1 и ТА2 звонят поочередно, по 4 звонка каждый, до тех пор, пока трубка какого-либо из них не будет снята. Ключ включения модуляции DA1 открывается через цепь VD13, VD14, R16. При снятии трубки па одном из телефонов (ТА1 или ТА2) на резисторе R15 выделяется напряжение около 1 В, которое открывает транзистор VT3 и приводит к срабатыванию цени блокировки счета DD1.3, DD1.2. Нулевой уровень наi выходе DD1.2 запрещает счет DD2 через диод VD23. Это необходимо для того, чтобы импульсы набора номера не воспринимались счетчиком DD2. В дальнейшем связь происходит обычным образом, так как диодный мост VD1...VD4 без дополнительной модуляции не влияет на набор номера и передачу информации. Таким образом, вышеописанная схема реализует следующие режимы работы: • при исходящей связи — эквивалентно двум параллельно подключенным телефонным аппаратам; • при входящей связи — поочередный дозвон до каждого из абонентов.

Приставка для автоматической записи телефонных разговоров

Устройство автоматически включает магнитофон для записи разговора и выключает его, когда будет положена трубка. При эксплуатации приставки магнитофон должен быть постоянно включен на запись. Включение и выключение происходит путем коммутации цепи питания магнитофона. Схема устройства показана на рис. 41 Принцип действия устройства заключается в следующем. Напряжение линии приложено к делителю R1, R2. Когда в линии 60В (трубка положена), на выходе DD1.1 нулевой уровень и, соответственно, на выходе DD1.3 также низкий уровень, транзистор VT1 закрыт, реле К1 обесточено, питание магнитофона выключено. При снятии трубки DD1.1 переключается, и через некоторое время задержки, определяемое R3 С1, реле К1 срабатывает, замыкая цепь питания магнитофона. После окончания разговора с такой же задержкой реле К1 отключается. Постоянная времени цепи R3, С1 значительно больше периода следования серии наборных импульсов, а также импульсов вызова АТС, поэтому реле К1 не срабатывает в режимах вызова и набора номера. Однако, если снять трубку и некоторое время не набирать номер, С1 заряжается и магнитофон включается. На ленту будут записаны «щелчки» набора. Желательно последовательно с СЗ, С4 включить сопротивления с номинала ми от 100 до 300 кОм, а уровень записи магнитофона соответствен но отрегулировать. Наладка устройства сводится к подбору делителя Rl, R2. Желательно увеличить номиналы Rl и R2, сохраняя пропорцию. Микросхема КР561ЛА7 заменима на КР561ЛЕ5, а также аналогичные микросхемы серий 176, 564, 1561. Приставка для автоматической записи телефонных разговоров


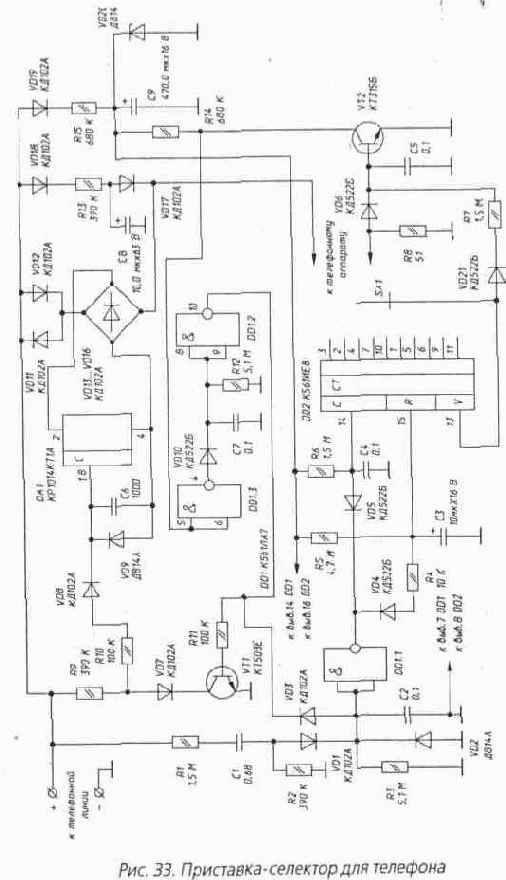
Приставка-селектор для телефона

При эксплуатации телефонного аппарата иногда возникает необходимость селекции количества сигналов вызова (звонков), приходящих на телефон. Схема, приведенная на рис. 33, позволяет достаточно просто реализовать «входящую» селекцию посылок вызова •с АТС[9]. В отличие от сигнализатора [10] устройство выполнено с питанием от телефонной линии и практически на 100% подавляет ненужные звонки. В состав приставки входят: • входной узел приема и обработки посылок вызова на DD1.1, R1...R3, С1, С2, С4, VD1, VD2...VD5; • счетчик количества звонков — DD2; • ключ подключения телефона к линии — DA1, VD13...VD16; • узел подъема трубки на VT1, VT2, R8, R14, VD6, С5, DD1.2, DD1.3; • элементы питания: 60 В - VD17, VD18, R13, С8; 8 В - VD19, VD20, R15, С9; • переключатель селектора звонков — SA1. Приставка-селектор для телефона
В исходном состоянии трубка положена, на R8 нет падения напряжения, вследствие чего VT2 закрыт, и через элементы DD1.3, DD1.2 логическая «1» на выходе 10 DD1.2 поддерживает открытое состояние VT1. Ключ DA1 закрыт, и мост VD13...VD16 отключает телефон от телефонной линии. В этом состоянии на верхний по схеме вывод телефонного аппарата подается напряжение 40...60 В через цепочку VD18, R13,C8,VD17. Предположим, что переключатель SA1 подключен к выводу 10 счетчика DD2. При поступлении вызова с АТС он не проходит непосредственно на телефон, а обрабатывается DD1.1 и последовательно переключает счетчик DD2. После четвертого вызова высокий уровень с выхода 10 DD2 через VD21, R7 открывает транзистор VT2 и тем самым через DD1.3, DD1.2, VT1 открывает ключ DA1. Телефон через открытый мост VD13...VD16 подключается к линии и начинает звонить с пятой посылки вызова. Одновременно через VD3 запирается входной узел DD1.1. Меняя положение SA1, можно регулировать число пропущенных звонков. При подключении SA1 к выводу 3 DD2 телефон соединен с линией постоянно. Работа узла подъема трубки происходит следующим образом. При снятой трубке падение напряжения на R8 открывает VT2 и через DD1.3, DD1.2 запирает VT1; напряжение с линии через R9, R10, VD8 открывает ключ DA1, мост VD13...VD16 и подключает телефон к линии.
Процесс поднятия трубки необходимо рассматривать в динамике, так как емкость С8 разряжается через открытый телефон достаточно быстро, и если ключ DA1 не успевает открыться до окончания разряда С8, телефон не подключается к линии. Необходимое время для открывания DA1 обеспечивает цепочка VD10, R12, С7, которая заряжается очень быстро, а разряжается около 1 сек. Обычно этого достаточно для устойчивого подключения телефонного аппарата к линии. Далее, уже само напряжение линии через открытый телефон поддерживает на резисторе R8 необходимое напряжение, превышающее 0,8 В, которое удерживает VT2 в открытом состоянии. Во время набора номера цепочки VD6, С5, а также VD10, R12, С7, и VD8, VD9, С6 не позволяют отключить телефон от линии. Если трубка положена больше чем на 1 сек, схема возвращается в исходное состояние. Данное устройство можно применять в качестве «ночного» телефона, когда первые 5...6 звонков игнорируются, а дозвониться сможет лишь тот абонент, который знает, что трубку снимут после 6-го звонка. Другой возможный случай применения приставки-селектора установление приоритета поступления вызова в работе двух napaллельных аппаратов, находящихся в разных помещениях. В этом cлyчае один из аппаратов подключается через приставку-селектор. При поступлении сигнала вызова звонит только один аппарат. Если же трубка не была снята и течение определенного количества звонков, начинает звонить и второй аппарат. Получается своеобразная приставка «директор-секретарь». Применять такую приставку можно на любых типах АТС с номинальным напряжением станционных батарей 48...60 В и неизменяемой полярностью при установлении соединения.

Приставка удержания линии

В некоторых случаях возникает необходимость положить трубку на одном из двух параллельных телефонных аппаратов и перейти к другому, чтобы продолжить разговор. Если не использовать специальные устройства, разговор будет прерван, и абоненту придется вновь перезвонить. Существует простая схема удержания линии, которая представлена на рис. 40. Приставка может быть вмонтирована в телефонный аппарат, ее принцип действия заключается в следующем. Когда трубку ТА1 кладут на аппарат, кнопку КН1 держат нажатой. Тиристор VS1 при этом открывается, вызывая свечение светодиода HL1. При снятой трубке телефонного аппарата линия обычно удерживается при напряжении 10...20 В, в свою очередь, открытый тиристор VS1, с учетом HL1 и сопротивления R1 номиналом в 2...3 кОм, удерживает линию при напряжении свыше 30 В. При этом рассоединения абонентов не происходит. После этого, когда Приставка удержания линии
трубка будет снята на телефоне ТА2, напряжение в линии опять упадет до 10...20 В, что вызовет уменьшение тока через тиристор VS1. Если этот ток окажется меньше тока удержания тиристора, он закроется, переводя схему в исходное состояние. Телефон ТА2 при этом функционирует обычным образом. Сопротивления R1, R2, возможно, придется подбирать при использовании прибора на различных типах АТС, но если физика процесса ясна, это не представляется особо сложным. Таким устройством можно оснастить каждый телефонный аппарат.

Разветвитель номера с добавочной цифрой

Разработка разветвителя номера с дозвоном до второго абонента путем набора дополнительной цифры, несмотря на внешнюю привлекательность идеи, наталкивается на ряд трудностей. Во-первых, согласно нормам, предъявляемым к телефонным устройствам, не допускается замыкание/размыкание линии в режиме установившегося соединения абонентов. Во-вторых, если все же на каком-то конкретном типе АТС это возможно, то прием сигнала затруднен ввиду наличия помех на линии. Все это приводит к тому, что устройства разделения номера с добавочной цифрой не обеспечивают стабильной работы во всех условиях эксплуатации. Вероятность правильного попадания на выбранный телефон значительно ниже, чем в схемах разделения номера по принципу двойного набора. И все же технические решения разветвителя с дополнительной цифрой весьма интересны для разработчиков. Ниже описаны два различных подхода к разработке подобного устройства. На рис. 28 приведена функциональная схема разветвителя номера 1х2 с добавочной цифрой, передаваемой по линии связи после установления соединения. По этой схеме при приеме устройством первой посылки вызова с АТС блок обработки выполняет следующие операции: • нагружает линию стандартным сопротивлением номиналом 1 кОм (имитируя таким образом снятие трубки); • подключает к линии на 1...3 секунды узел приема дополнительной цифры; • формирует ответ станции в линию; • формирует сигнал вызова 100 В, 25 Гц для выдачи зуммера на выбранный телефон; • подключает соответствующий аппарат к линии. Логика работы разветвителя заключается в следующем. Если после первой посылки ответа станции звонящий абонент в течение 1...3 секунд наберет дополнительную цифру, то к линии подключается ТА2. Если звонящий абонент не производит больше никаких манипуляций с диском (тастатурой) номеронабирателя, то к линии подключается ТА1. По режимам снятия трубки, формирования ответа станции и вызова подобная схема напоминает АОН, да и по сложности эти устройства близки. По вышеописанному принципу работает схема разветвителя (концентратора) телефонной линии 1х2, описанная в [8].
Анализ Разветвитель номера с добавочной цифрой
режимов работы различных АТС позволил выявить второй подход к приему дополнительной цифры. Заранее оговоримся, что не на всех типах АТС он возможен, но там, гдеe это получается, разработка принципиальной схемы разветвителя значительно упрощается. Суть метода в приеме дополнительной цифры в межзвонковой паузе. Графики, иллюстрирующие работу разветвителя, приведены на рис. 29. На них представлены пачки импульсов вызова АТС амплитудой до 160 В, частотой 25 Гц, длительностью 1...2 секунды и межзвонковой паузой до 4 секунд. Практически проверено, что если в паузе между посылками вызова передать дополнительную цифру с помощью номеронабирателя, то амплитуда импульсов на входе разветвителя может составлять 60 В, что значительно упрощает узел приема дополнительной цифры. Кроме этого, исчезает надобность в применении формирователя вызова, так как для осуществления срабатывания вызывного устройства телефонного аппарата (ТА1 или ТА2) используется напряжение индукторного вызова самой АТС. Разветвитель не «схватывает» линию и осуществляет устойчивую переадресацию вызова на один из ТА. Телефон (ТА1 или ТА2) начинает звонить с третьей рабочей посылки вызова с АТС. Если в течение первой либо второй межзвонковой паузы были приняты импульсы донабора Fц1, Fц2, разветвитель подключает к линии ТА2 (дополнительный). Если в структуру индукторного вызова АТС не вносится каких-либо импульсов набора, к линии подключается ТА1 (основной абонент). На рис. 30 приведена функциональная схема разветвителя номера с приемом дополнительной цифры в межзвонковой паузе. Схема достаточно легко реализуется с помощью вышеописанной схемотехники и по габаритам вполне может уместиться в телефонной розетке. Разветвитель номера с добавочной цифрой

Разветвитель номера с питанием от сети В

Использование в качестве источника питания промышленной сети 220 В имеет свои преимущества и недостатки. Недостатки — это прежде всего габариты, а также ненадежность трансформаторных источников питания, возможность их выхода из строя, зависимость устройства от сети 220 В. Преимущества же заключаются в возможности отработки схемы в полном соответствии с ГОСТами и стандартами, а также в более широком наборе функций по приему и обработке сигналов. На рис. 27 приведена схема разветвителя 1х2 с питанием от сети 220 В. Краткое описание схемы приведено в [8]. В состав схемы входят: • узел приема вызова на DD1.1, DD1.2, Rl, R2, R3, VD1, С1, VD2, R4, VD3, С2; • узел обработки (счетчик) — DD2, DD3; • узел поднятия трубки ТА1 - R13, R14, С6, R15, VT1, R16, VT2, R18, R19, R20, С7, VT3, Р1; • узел поднятия трубки ТА2 - VD15, VD16, R21, R22, С8, R23, VT4, VT5, С9, R25, VT6, Р2; • реле времени 10 сек - VD6, VD7, R9, R8, С5; • эмиттерные повторители — VT7, R12, VT8, R11; • блок питания - ТР1, VD17, DA1, R26, С10, DA2, С11. Принцип работы разветвителя заключается в следующем. Контакты реле Р1, Р2 на схеме показаны в обесточенном состоянии, поэтому при выключенном питании 220 В на телефонную линию скоммутирован ТА1 — основной телефонный аппарат. При включении питания 220 В реле Р1 включается, подключая контактами К 1.1 узел приема вызова к телефонной линии. Порядок дозвона до первого абонента При поступлении посылок вызова на входной узел элементы DD1.1, DD1.2 формируют счетные импульсы для счетчика DD2 (вход 14 DD2). Счет производится по заднему фронту (после окончания каждой из посылок вызова с АТС). После первой посылки вызова высокий уровень появляется на выходе 2 DD2, после второй посылки вызова — на входе 4 DD2. Одновременно запускается реле времени па 10 сек (R8, С5). Если поступление посылок вызова продолжается, то реле времени нс успевает переключить DD1.3, и в дело вступает DD3, которая по переднему фронту третьего сформированного импульса вызова через диод VD10, транзистор VT8 и далее VT2, VT3 отключает pеле Р1, подключая таким образом контактами К1.1 первый (основной) телефонный аппарат к линии.
ТА1 звонит с середины третьей посылки вызова. Порядок дозвона до второго абонента Если после первой либо после второй посылки вызова входящий абонент положит трубку (прервет последовательность посылок вызова) более чем на 10 секунд, то реле времени R8, С5 переключит элементы DD1.3, DD1.4 и через VT7, R12 (буферный каскад) и VT6 включит реле Р2, которое своими контактами К2.1 подключит к линии второй (дополнительный) телефон ТА2. ТА2 звонит начиная с первой посылки вызова повторного набора. Цикличность разветвителя — 1 минута, что задается R6, С4. Во время прохождения вызова на ТА1 либо ТА2 входной узел отключен, поэтому через 60 секунд микросхема счетчика DD2 обнуляется по входу 15 и цикл приема и обработки входных сигналов повторяется. Таким образом, если в течение одной минуты на телефоне ТА2 не будет снята трубка, то далее звонки вновь попадут на ТА1 (основной). Исходящая связь Работа узла подъема трубки описана в первой главе, поэтому остановимся на особенности данного разветвителя. Он выполнен с абсолютным приоритетом основного абонента ТА1. При любом поднятии трубки ТА1, даже если в это время ТА2 разговаривает, линия обнуляется, и к ней подключается ТА1. Обнуление достигается тем, что в первоначальный момент времени после снятия трубки ТА1 через R17, VT5 отключается Р2 (т.е. ТА2 отключается от линии),и линия, соответственно, дает отбои, и уже потом с задержкой, определяемой элементами R19, С7, R20, выключается Р1, подключая своими контактами К1.1 телефон ТА1 к линии. Таким образом, для основного абонента ТА1 использование на его линии разветвителя практически не доставляет неудобств, так как при необходимости позвонить он всегда имеет возможность Разветвитель номера с питанием от сети В
выйти на линию и набрать номер. Естественно, что когда ТА2 разговаривает, дозвониться до ТА1 невозможно. Абоненту ТА2 приходится мириться с возможностью прерывания связи при снятии трубки первым абонентом ТА1, но именно это обстоятельство делает договоренность с владельцем линии ТА1 по использованию его линии более реальной.


Естественно, при такой релейной коммутации абонентов абсолютно исключена возможность прослушивания друг друга, а так же влияние прохождения вызова по одному аппарату на другой. Такой тип разветвителя особенно удобен для использования его на электронных АТС, в некоторых тинах которых не обеспечивается синхронизация вызывных посылок и поступающих входящему абоненту контрольных сигналов КПС. При этом, когда абоненту уже поступило две посылки вызова, входящий абонент получил только один контроль посылки КПС. Номера абонентов для вышеописанной схемы разветвителя будут следующими: • номер ТА1: набор номера абонента; • номер ТА2: набор номера абонента, прослушивание 1...2 КПС (ответных гудков), сброс линии, пауза 10 секунд, повторный набор номера абонента. При качественной сборке блока питания (подборе необходимой мощности ТР1 — 40...50 Вт) разветвитель позволяет обеспечить круглосуточную работу двух телефонных аппаратов на одной линии.

Разветвитель номера с питанием от телефонной линии

На рис. 26 представлена принципиальная схема разветвителя номера 1х2 с питанием от телефонной линии. В состав схемы входят: • входной узел обработки посылки вызова (Rl,Cl, R2,VD1,VD2, R3, С2, DD1.3); • счетный узел DD2; • ключ коммутации телефонов на линию (DA1,мост VD20...VD23, VT1); • ключ блокировки ТА2 (DA2, VT3); • ключ блокировки ТА1 (DA3, VT2); • реле времени 50 сек. (R5, СЗ); • реле времени 10 сек. (R8, С5, DD1.4); • цепи питания VD25, R23, С15 (60 вольт), VD26, R24, С16, VD27 (8 В). Принцип работы разветвителя заключается в следующем. При включении в телефонную линию согласно обозначенной полярности С15 заряжается до +60 В, С16 заряжается до +8 В (питание микросхем). В режиме ожидания оба телефона отключены от линии вследствие того, что ключ DA1 заперт по цепочке: +8 В с выхода DD1.1, база VT1, нулевой потенциал на коллекторе VT1 поддерживает нуль на управляющем входе DA1 (это не следует проверять осциллографом!). При поступлении вызова на входной узел DD1.3 ИС счетчика DD2 подготавливается к счету вследствие обнуления СЗ через цепочку R4, VD3, и далее по заднему фронту сформированных импульсов, поступающих на вход 14 DD2, производится подсчет (осциллограф рекомендуется подключать либо на выход DD1.3, либо на выходы DD2, для исключения шунтирования мегаомных цепей). Порядок дозвона до первого абонента (ТА 1) После окончания второй посылки вызова высокий уровень появляется на выходе 4 DD2, счет останавливается, и включается ТА1 (по цепочке: R9, VD8, база VT3, нуль на входе DD1.2, нуль на базе VT1, открывание DA1, мост VD20...VD23 подключает ТА1 к плюсу телефонной линии). Телефон ТА2 при этом блокируется за счет отключения DA2. Третья посылка вызова (100...200 В, 25 Гц) поступает только на ТА1. Порядок дозвона до второго абонента (ТА2) Если между первой и второй посылками вызова пауза больше, чем 9...10 секунд (то есть входящий абонент использует логический номер: набор номера, одна посылка вызова, сброс линии, пауза 10 секунд, повторный набор номера), то реле времени R8, С5 Разветвитель номера с питанием от телефонной линии


переключает элемент DD1.4. При этом включается ТА2 (по цепочке: R10 ,5, база VT2, нуль на входе DD1.2, нуль на базе VT1, открывание DA1 и моста VD20...VD23). Первый телефон ТА1 блокируется вследствие закрытия ключа DA3 (через [0] на коллекторе VT2), и вызов поступает на ТА2. Исходящая связь (на примере ТА 1) В исходном состоянии на верхних но схеме выводах ТА1, ТА2 поддерживается +60 В с С 15 через VD24. При снятии трубки на ТА1 на резисторе R16 кратковременно выделяется около 2 вольт, что приводит к блокировке DA2 (через коллектор VT3), а также к открытию ключа коммутации VT1, DA1. Телефон ТА1 подключается к линии, и на резисторе R16 поддерживается до 2 В, обеспечивая коммутацию первого аппарата на линию. При наборе номера емкость С10, а также цепочка R14, С8, VD14 не позволяют разблокировать коммутацию. Некоторые рекомендации по настройке Правильно собранная схема работает сразу. Одна из возможных неисправностей состоит в следующем: разброс параметров КР561ЛА7 приводит к тому, что при переключении DD1.4 (после окончания паузы в 10 секунд) на выходе DD.1.4 наблюдается «дребезг контактов», счетчик DD2 отрабатывает этот «дребезг», и высокий уровень появляется на выходе 4 DD2 (то есть включается ТА1, а не ТА2). Емкость С6 предназначена для предотвращения этого процесса. Можно ее несколько увеличить либо (в крайнем случае) поменять ЛА7 на другую. Исходная установка (после обнуления) • коллектор VT1 — ноль; • выход DD1.1 — единица (+8 В); • выход DD1.2 — ноль; • выход DD1.3 — единица; • выход 3 DD2 — единица; • выход DD1.4 — ноль; • плюс С 15 - +60 В; • плюс С16 - +7,8 В. Особенности применения Устойчивая работа обеспечивается на АТС типа АТС-54, АТСК с полной синхронизацией посылок вызова и сигнала КПС (контроль посылки вызова для звонящего абонента). Напряжение в телефонной линии — не ниже 48 В. Подключенные к разветвителю телефонные аппараты должны потреблять от линии неболее 20...50 мкА (11 и III классы сложности). АТС не ;должна менять полярность в режиме соединения.

Схема автодозвона (охранная система по телефону)

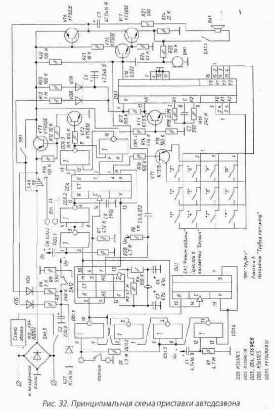
Если в пределах помещения имеется хотя бы одна телефонная линия, то данное помещение может быть поставлено на охрану. Государственные расценки на эти услуги достаточно высоки. Используя приставки автоматического определения номера, также можно реализовать режим охраны (правда, не все версии АО Нов это позволяют). Ниже приведена схема устройства, позволяющего организовать охрану помещения еще более простым и дешевым способом, а именно: совмещением функций кнопочного телефона и узла контроля охранного датчика. Устройство выпускается под маркировкой АТП-1. Принципиальная схема приведена на рис. 32. В состав схемы входят: • узел датчика на элементах DD1, R1, R2, С1; Схема автодозвона (охранная система по телефону)
• узел счета и выбора выходных сигналов (сигнал включения ключа поднятия трубки, сигнал имитации нажатия клавиши «Повтор», сигнал звукового оповещения), собранный на элементах DD3, DD4, DD5, DD2 и ключах поднятия трубки VT3, VT2, ключе нажатия клавиши «Повтор» па VT1; • стандартная схема телефона-трубки на Ж номеронабирателя с выходом импульсного ключа с открытым стоком (типа 1008ВЖ10 и т.п.). Телефонная часть схемы особенностей не имеет, принцип работы достаточно широко рассмотрен в литературе, например, [5]. Рассмотрим работу узла датчика, счета и ключей. Если переключатель SA1 не включен, к телефонной линии подключена схема телефона-трубки, при этом АТП-1 работает в обычном режиме (принимает вызовы, осуществляет набор номера и т.п.). При нажатии на кнопку SA1 напряжение питания подается на схему, в результате чего происходит зарядка конденсатора С1 (время необходимое для выхода из охраняемого помещения), и элемент DD1.4 переводит RS-триггер в состояние ожидания (на выходе DD1.1 присутствует логический «0», датчик охраны — нормально замкнутый). При срабатывании датчика (размыкании) на выходе DD1.1 появляется логическая «1», это приводит к запуску схемы счета на ИС DD2. С выхода 4 DD2 секундные импульсы подаются на тактовый вход DD4, что приводит к появлению на соответствующих выходах DD4 логической «1», которая через RS-триггер на DD5 управляет ключом поднятия трубки на R11, R12, VT2, VT3, а также через ключ R10, VT1 имитирует нажатие клавиши «повтор» телефонной части устройства.
При появлении логической «1» на выводе 11 DD4 разрешается подача звукового сигнала с выхода 7 DD2 через С5 на базу VT5 и далее в телефонную линию. Минутные импульсы, снимаемые с выхода 10 DD2, необходимы для организации цикла работы АТП-1 и через DD5.1, DD5.2 подаются на вход 15 DD4 (для сброса счетчика DD4 и, соответственно, ключей), а также поступают на счетный вход DD3 (для организации подсчета количества дозвонов до абонента). После отработки заданного счетчиком DD3 числа дозвонов до абонента (в нашем случае — шесть), через элемент DD1.4 схема приводится в исходное состояние и переходит в режим ожидания. Практически при работе с приставкой АТП-1 необходимо следующее: Схема автодозвона (охранная система по телефону)
• проложить охранный шлейф от АТП до датчика (микропереключатель или геркон в двери, окнах и т.п.); • при не нключенном переключателе SA1 функции телефона остаются неизменными; • при необходимости поставить помещение под охрану, набрать помер и дозвониться до выбранного абонента (вес это без включения SA1); • после чего нажать режим «охрана» переключателем SA1 и в течение 30 секунд выйти из квартиры (замкнуть датчик охраны). Информация о набранном номере удерживается в памяти ВЖ10 до тех пор, пока на входе устройства — 60 В от реальной телефонной линии. В случае кратковременного разрыва охранного шлейфа (размыкания датчика) АТП-1 автоматически «снимает трубку», шесть раз с интервалом в одну минуту дозванивается до заранее записанного в память номера и подает характерный сигнал тревоги. Схема АТП-1 по своим характеристикам соответствует ГОСТ 7153-85 «Аппараты телефонные общего применения» и может применяться в качестве индивидуального охранного устройства.

Телефонная приставка , «Директор-секретарь»

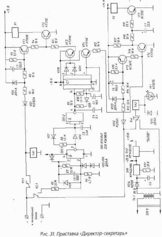
Принципиальная схема приставки приведена па рис.31. В состав схемы входят: • узел подъема трубки первого телефона (ТА1) на элементах VD1, VD2, VT1, VT2, Cl, Rl, R2, R3, R4, реле Р1; • узел подъема трубки второго телефона (ТА2) на элементах VD12, VD13, VT5, VT6, VT7, С6, С7, R13, R14, R15, R16, R17, R18, R19, реле Р2; • формирователь входных импульсов на элементах DD1.1 и DD1.2; • счетчик числа импульсов на элементах DD2, VD10, VD11, VD9, С5, R9, R10; • блок питания на элементах DA1, DA2, VD14, С8, R20, трансформатора ТР1. Принцип работы схемы заключается в следующем. В исходном состоянии реле Р1 и Р2 находятся во включенном состоянии таким образом, что контактами реле К 1.1 к телефонной линии подключен ТА1, а контактами К2.1 к телефонной линии подключен узел формирования на элементах DD1.1 и DD1.2. При этом включение реле Р1 обеспечивается подачей логической единицы с выхода 3 микросхемы DD2 через VD10, эмиттерный повторитель VT3, R11. Включение реле Р2 обеспечивается инвертированием на транзисторе VT6 логического «0» с выхода 4 DD2. Телефонная приставка , «Директор-секретарь»
В этом состоянии каждый из двух телефонов ТА1 и ТА2 может быть скоммутирован на линию простым поднятием трубки. Так, для телефона ТА2 это выглядит следующим образом: подъем трубки (ток по цепи +25 В, VD13, R13, VD12, ТА2, корпус) вызывает падение напряжения па стабилитроне VD13 и, соответственно, приводит к появлению +25 В на коллекторе VT5. Это вызывает срабатывание ключа VT6 и с небольшой задержкой отпускание реле Р2, при этом контакты К2.1 подключают ТА2 к телефонной линии. При приеме вызова дна первых звонка поступают на телефон ТА1 и на счетчик DD2 через формирователь. После окончания второго звонка напряжение логической «1» появляется на выходе 4 DD2, подключая к линии ТА2 и отключая ТА1. Далее, в течение 25...30 сек., вызовы будут поступать только на ТА2. Счетчик DD2 обнуляется за счет цепочки R10, C5, после чего цикл приема двух первых посылок вызова на ТА1 повторяется. Если трубку сняли на первом аппарате, он может кнопкой КН1 подать вызов на ТА2 и при поднятии трубки на втором аппарате (зажигании светодиода HL1) отключиться от линии. Приведенная выше схема приставки «директор-секретарь» достаточно проста, но с успехом может применяться в небольших учреждениях, офисах. Заметим, что при отключении сети 220 В на линию коммутируется лишь второй аппарат (ТА2).

Устройство подключения дополнительного абонента с полным приоритетом основного

На рис. 39 приведена принципиальная схема подобного устройства. В состав схемы входят: • датчик тока VD1, VD2; • ключ включения/выключения дополнительного телефона ТА2 - DA1; • цепи блокировки — VT1, DD1.1, DD1.2; • мост запрета вызова VD5...VD8; • цепь питания VD3, R4, С2, VD4. Под приоритетом подключения в данной схеме понимается выполнение двух основных функций: • непрохождение вызова с АТС на дополнительный телефонный аппарат ТА2; • отключение дополнительного телефона ТА2 при поднятии трубки на основном аппарате. Принцип действия устройства заключается в следующем. В исходном состоянии, когда трубки обоих телефонов лежат на аппаратах, на входах DD1.1 через R1 поддерживается уровень логической единицы и, соответственно, ключ DA1 открыт положительным напряжением с выхода 4 DD1.2. Оба телефона подключены к линии. Разница лишь в том, что дополнительный телефон ТА2 подключен через мост VD5...VD8, что исключает возможность прохождения вызова с АТС на этот телефон в любом случае. При снятии трубки Устройство подключения дополнительного абонента с полным приоритетом основного
на основном телефоне ТА1 срабатывает датчик VD1, VD2 и через схему блокировки VT1, DD1.1, DD1.2 с задержкой в 2 секунды, определяемой R2, С1, выключает ключ DA1. Цепочка R2, С1 предотвращает самоотключение ТА2, если набор номера производится с этого дополнительного аппарата. Цепи блокировки обеспечивают отключение ТА2 даже, если трубка на ТА1 была снята в тот момент, когда по дополнительному телефону велся разговор. Основной аппарат ТА1 в этом случае перехватывает линию.

Защита телефонных линий от нелегального использования

В настоящее время практчески во всех крупных городах телефонные номера переводятся на современную оплату. Причем если ранее аппаратура АПУС (повременного учета) устанавливалась лишь на междугородних АТС, то сейчас может учитываться и время внутригородской связи. Недалеко то время, когда поминутная оплата разговоров будет на каждом абонентском комплекте. Именно поэтому каждым владелец отдельного номера должен знать и контролировать, ,за чьи минуты он платит. Известны случаи нелегального (пиратского) подключения к телефонной линии с целью ее использования для междугородних и даже международных разговоров. Обычно ничего не подозревающий владелец номера получает в конце месяца счет за чужие разговоры, который приходится оплачивать, чтобы избежать отключения телефона. Сумма может быть достаточно велика, чтобы задуматься о способах защиты от подобного пиратства.

Характеристика основных способов защиты от пиратского подключения

Как правило, подключение к линии может производиться тремя различными способами: • использование телефонного аппарата в отсутствие хозяина (обычно это происходит на предприятиях, когда телефоны работают с автоматической связью по межгороду, а также в случаях сдачи квартиры в аренду либо использования телефона детьми); • подключение дополнительного телефонного аппарата параллельно основному (обычно это может происходить на лестничной площадке, причем подключение производится разъемами типа «крокодил», и после проведения разговора не остается никаких следов подключения); • подключение дополнительного «пиратского» аппарата с разрывом линии (это может произойти на любом участке линии: лестничная площадка, колодец, машинный зал АТС и т.д.). В соответствии со способами подключения изменяются и способы защиты. В первом случае достаточно установить ключ (код) на допуск к линии (кстати, некоторые телефонные аппараты это позволяют), либо в телефонный аппарат встраивается схема защиты от переговорен по межгороду, работающая по принципу ограничения набора номера и случае набора «8» (для автоматической связи). Этого бывает достаточно, чтобы исключить случаи нелегальных (или нежелательных) переговоров. Во втором случае достаточно эффективна система защиты от параллельного подключения, установленная в разрыв линии рядом с вашим аппаратом. Принцип действия подобной системы заключается в следующем: блок защиты постоянно анализирует состояние линии и при падении напряжения в линии ниже установленного предела (снятие трубки и попытка набора номера с нелегального аппарата) нагружает линию специально рассчитанной резистивно-емкостной цепью, запрещая таким образом дальнейший набор номера. При подъеме трубки на основном (защищаемом) телефонном аппарате в блоке защиты срабатывает датчик тока, отключающий защиту. Функциональная схема устройства приведена на рис. 42. Схема предназначена для защиты от пиратского подключения от места установки блока (обычно в квартире перед телефоном) вплоть до выходных клемм АТС при нелегальных подключениях без разрыва шлейфа (50...70 % от всех подключений). Для защиты от третьего способа подключения вышеописанные способы уже не годятся, так как при обрыве линии все устройства, Характеристика основных способов защиты от пиратского подключения
установленные у абонента, неработоспособны. Для защиты абонента от «пиратства» в этом случае пригодны лишь устройства, установленные непосредственно на ныходных клеммах АТС. На рис.43 приведена схема системы защиты «Пароль» с кодированием линии «за собой», которая осуществляет запрет доступа абонента к линии при незнании кода. Код в этом случае набирается на диске (клавиатуре) защищаемого телефонного аппарата и может быть одно-, двух-, трехзначным и т.д. Работа системы происходит следующим образом: при исходящей связи абонент снимает трубку (при этом не происходит занятие линии, а абонент подключается к внутреннему источнику питания системы «Пароль») и набирает заранее выставленный код, после чего происходит подключение телефона к АТС, и далее, после получения сигнала ответа станции, связь происходит обычным образом. После окончания связи через 1...2 секунды «Пароль» вновь переходит в режим охраны. Если код набран неверно, система блокирует на определенное время не только доступ к линии, но и доступ к внутреннему источнику питания для повтора посылки кода. При входящей связи посылка вызова с АТС (120 В, 25 Гц) с задержкой -0,5 сек переводит «Пароль» в открытое состояние, пропуская таким образом сигналы вызова на телефонный аппарат. После окончания каждой посылки вызова, опять же с задержкой -0,5 сек, система «Пароль» закрывается, подключая таким образом в паузах телефон к внутреннему источнику питания. При снятии трубки абонентом он должен опять набрать код допуска, и только тогда телефон подключается к АТС напрямую, занимая линию для установления связи. Преимуществами такого способа защиты являются простота установки блока на АТС и простота кодирования линии. Характеристика основных способов защиты от пиратского подключения
Недостаток — необходимость набора кода вручную при каждом установлении связи, а также небольшое количество кодовых комбинации, возможных при таком кодировании. Кроме этого, если внутренний источник питания «Пароля» не является энергонезависимым (например, питается от самой АТС), то длина охранного шлейфа может колебаться в пределах не более 500... 1500 метров, так как в противном случае невозможно получить достаточную амплитуду импульсов кода на приемном устройстве системы защиты. Более совершенный вариант системы защиты «Пароль ТД» предусматривает установку двух блоков (модули А и Б).


Один из них устанавливается на АТС, другой — у абонента. На рис. 44 приведена функциональная схема такой системы. В ее состав входят два модуля А и Б, включенные последовательно. Аналогично предыдущему способу защиты, модуль А, установленный на АТС, либо закрыт (при отсутствии кода), либо открыт (после правильного приема кодированных посылок). Модуль Б, установленный у абонента, имеет датчик тока (датчик поднятия трубки), который срабатывает после каждого поднятия трубки, после чего модуль Б автоматически осуществляет передачу частотного кода в направлении модуля А. Передача производится в течение 1...1,5 сек. После распознавания кода модуль А разрешает набор номера и установление связи. Аналогично происходит и входящая связь. Преимуществом подобной системы является неограниченная дальность охраняемого шлейфа, так как код передается в частотной форме при низкой амплитуде сигнала (аналогично модемам и факсимильным аппаратам), а также достаточно большое количество кодовых комбинаций (от 50000 до 30 млн.). Естественно, что автоматическая посылка кода также добавляет удобства в работе с этой системой. Характеристика основных способов защиты от пиратского подключения
Кроме вышеописанных блоков и систем защиты, существует множество оригинальных схем различных индикаторов подключения к линии, но их назначение в основном касается защиты информации, что, впрочем, не мешает использовать их для борьбы с нелегалами.

Индикатор использования и обрыва телефонной линии

В случаях подключения к телефонному аппарату с разрывом линии абонент может использовать простейший индикатор использования и обрыва линии. Схема такого индикатора приведена на рис. 46.
Таблица 2. Список деталей системы защиты «Пароль»
Микросхемы DD1.DD2.DD3 К561ИЕ8
DD4, DD5, DD6 КР561ЛА7
DA1 КР1014КТ1А(В)
Транзисторы VT1 КТ315Г
VT2 КТ503Е(КТ315И)
Стабилитроны VD3, VD4, VD6, VD14, VD26, VD34 Д814А1
Диоды VD1, VD2, VD7, VD8, VD24, VD25, КД102А
VD27 - 30, VD31, VD32, VD33
Конденсаторы С1,С2, С4, С7, С9,С10, С13, С16 1000 пФ
СЗ, С5, С8, С12, С15 0,1 мкФ
С6.С11.С14 0,68 мкФ
С17 10.0мкФхбЗВ
С18 2200,ОмкФх10В
Резисторы R1,R8,R10, R11, R12, R17, R18, R21 4,7 М
R2, R3, R4, R7 1.5 М
R5 10М
R6.R9, R13.R14.R16.R19 390 К
R15, R20, R23 130 К

Индикатор использования и обрыва телефонной линии
В состав схемы входят: • диодный мост VD1...VD4 для подключения линии без учета полярности; • датчик напряжения па элементах VD5, Rl, VD6, R2, VD7, С1, DD1.1; • фильтр вызова АТС - 25 Гц, - R3, С2, DD1.2; • инверторы DD1.3, DD2.2; • генератор 2,5 кГц - DD1.4, DD2.1, R4, СЗ; • ключ R5, VT1; • звукоизлучающий элемент — пьезоизлучатель ЗП-3. Принцип работы схемы заключается в следующем. В исходном состоянии блок индикатора подключается параллельно используемому телефонному аппарату. При наличии в линии напряжения свыше 40 В на входе элемента DD1.1 присутствует уровень логической единицы, и в соответствии с этим генератор 2,5 кГц заперт. При поступлении вызова с АТС амплитудой 100 В и частотой 25 Гц специально рассчитанная цепочка фильтра R3, С2 не позволяет переключить элемент DD1.2 и включить звукоизлучатель ЗП. Если же на каком-то участке линии была снята трубка (либо произошел обрыв) более чем на 1 сек, на входе DD1.1 появится нулевой уровень, и с указанной задержкой переключится DD1.2. Затем включится генератор 2,5 кГц, звукоизлучатель ЗП подаст непрерывный звуковой сигнал, сигнализирующий об использовании или обрыве линии. При возвращении линии в исходное состояние (напряжение более 40 В) индикатор вновь переходит в ждущее состояние. Возможна доработка индикатора триггерной схемой для индикации попытки использования (обрыва) линии и после установления в линии номинального напряжения. Питание индикатора встроенное — батарея 9 В («Крона», «Корунд» и т.п.). Благодаря высоким значениям R1, R2, индикатор абсолютно не влияет на параметры линии в соответствии с ГОСТ [2]. Естественно, что индикатор будет срабатывать и при подъеме трубки (ведении разговора) и самим хозяином линии. Можно порекомендовать встроить выключатель или выполнить индикатор в виде заглушки, подключаемой вместо телефонного аппарата.

Система кодирования телефонной линии «Пароль»

Принципиальная схема системы защиты «Пароль» приведена на рис. 45. Краткое описание схемы приведено в [12]. В состав схемы входят: • дешифратор на элементах DD1, DD2, DD3; • узел приема посылки вызова с АТС на элементах: C1, R2, VD1, VD2, С2, VD3, DD6.1, VD5; • узел приема импульсов кода на элементах: DD6.4, DD6.3, С5, С4, VD6, R6, R7; • ключ подключения телефона к линии на VD27...VD30, DA1 с элементами управления R14, VD25, R15, VD26, С16, VD24, VT2, R16, DD4.4; • источник питания схемы 8 В на VD33, R23, С18, VD34; • внутренний источник питания 40...60 В для формирования импульсов кода на элементах VD32, R22, С 17, VD31, R20; • встроенные ловушки R9, С6, R13, C11, R19, С14. Принцип работы схемы заключается в следующем. По наличию счетчиков DD1...DD3 можно сделать вывод, что данная схема предназначена для приема и дешифрации 3 значного кода (999 вариантов). Счетчики работают последовательно, при правильной первой цифре счетчик DD1 фиксирует свое состояние через диод VD10, разрешая счет (прием второй цифры) за счет появления низкого уровня на выходе элемента DD4.1, входе 15 DD2. Далее, при правильном наборе второй цифры, счетчик DD2 фиксирует свое состояние через диод VD18, разрешая счет микросхеме DD3. И далее, если код принят правильно в целом, на выходе элемента D5.4 появляется напряжение логической единицы, которое через DD4.4 закрывает VT2, открывая таким образом DA1, и мост VD27...VD30 подключает телефон ТА к линии. В исходном состоянии ключ DA1 закрыт, и телефон ТА подключен лишь к внутреннему источнику питания (VD32, R22, С17, VD31, R20). При снятии трубки телефона (в любом режиме: входящая или исходящая связь) с помощью делителя R5, R4 счетчик DD1 подготавливается к счету (приему 1-й цифры кода). Во время счета, чтобы микросхема DD1 не обнулялась, через цепочку R10, C7, VD14, VD15, С9, DD4.3 происходит поддержание логического нуля на входе 15 DD1. Одновременно через DD6.2, R3, VT1, VD7 запирается входной узел. При входящей связи посылка вызова 25 Гц поступает для формирования на входной узел R1, Cl, R2, VD1, VD2, С2, VD3 и через DD6.1, VD5 приоткрывает в такт поступления посылок вызова с АТС ключ DA1, VD27...VD30, пропуская переменное напряжение вызова на телефон ТА, но в паузе между звонками вновь закрывает ключ DA1.

Устройство маскирования речи импульсными помехами

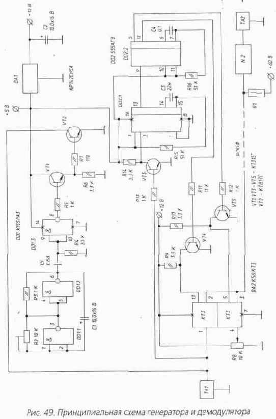
С целью предотвращения прослушивания разговора по каналам связи применяют шифраторы (скремблеры), использующие, в основном, цифровые методы обработки сигналов либо аналоговую инверсию спектра. В данной главе описано простое устройство маскирования речи импульсными помехами в канале связи. На рис. 47 представлена блок-схема канала связи, имитирующего телефонную линию. Питание в линию подается от источника питания 60 В через резистор R1. При снятии трубки на телефонах ТА1, ТА2 (режим соединения) разговорный уровень (Е0) составляет около 10 В. Принцип действия маскиратора поясняется с помощью графиков на рис. 48. На графике А показана форма импульсной помехи, поступающей в канал связи от генератора помех. Для маскирования речи в режиме соединения применяется только один генератор, создающий на обоих концах канала связи практически одинаковую мощность помехи. В описываемой схеме частота генератора составляет около 340 Гц, скважность последовательности импульсов около 9. При прослушивании канала связи с импульсной помехой без демодуляции практически невозможно достоверно распознать речь собеседников. Мощная помеха в виде «рокота» воздействует на приемное устройство, запирая входные усилительные цепи, оснащенные автоматической регулировкой усиления (АРУ), например, магнитофон в режиме записи. Кроме этого, такая последовательность импульсов помехи обладает достаточно широким спектром. На графике Б показана форма сигналов речи и помехи в канале связи. Для демодуляции речи используется синхронная временная селекция с восстановлением уровня постоянной составляющей (Е0) Устройство маскирования речи импульсными помехами
на время длительности импульса помехи (или чуть больше). На графике В показана восстановленная речь, где вместо импульсов помехи присутствует уровень Е0. Естественно, что во время восстановления Е0 информация теряется, но практически проверено, что потеря информации в 1/10 часть периода не приводит к потере информации в целом, речь лишь немного искажается, и то же время энергия импульсов помехи снижается до минимального уровня. На рис. 49 приведена принципиальная схема генератора и демодулятора. В состав генератора входят: • микросхема DD1; • транзисторы VT1, VT2 (модулирующий); • элементы R2, R3, С1, С5, R4, R5, R6, R7; • источник питания 5 В — DA1, С2.
В состав демодулятора входят: • двунаправленный ключ DA2 с элементом регулировки Е — R8; • микросхема DD2; • буферные каскады VT4, VT5; • входной узел приема VT3; • элементы R13, R14, R15, С3, R16, С4, R9, R10, R11, R12; • источник питания 5 В — DA1. Устройство маскирования речи импульсными помехами
Устройство маскирования речи импульсными помехами
Принцип работы схемы заключается в следующем. Генератор на DD1 формирует последовательность импульсов помехи в соответствии с графиком А (рис. 48). Демодулятор через входной узел VT3 по переднему фронту импульса помехи запускает формирователь DD2.1, рассчитанный на длительность около 0,37 мс. На это время с помощью ключа DA2 через вход 4 на выход 3 подается постоянное напряжение с резистора R8, восстанавливая таким образом Е0 . Вход 1 DA2 в это время заперт. После окончания времени 0,37 мс, задаваемого DD2.1, дальнейшее переключение двунаправленного ключа DA2 определяет формирователь DD2.2, который рассчитан на длительность около 2 мс. Формирователь DD2.2 подключает вход 1 DA2 к выходу 2 (вход 4 DA2 в это время заперт). Таким образом, происходит процесс демодуляции речи с импульсными помехами в канале связи. Демодулятор N2 на противоположном конце линии ТА2 выполнен по аналогичной схеме. Предложенный вариант маскиратора не обладает серьезной криптостойкостью и может рассматриваться лишь как средство для изучения физических процессов в проводных каналах связи. Для использования такого маскиратора на реальной телефонной линии необходимо предусмотреть ряд дополнительных каскадов для согласования уровней, защиты от напряжения индукторного вызова и пр. Устройство в целом должно соответствовать нормам ГОСТ [2].

Доработка импортного телефона под спаренную линию

Многие телефонные аппараты не звонят на спаренной линии. Один из вариантов решения этой проблемы приведен ниже. Доработка значительно улучшает характеристики телефона (улучшается слышимость на параллельном телефоне, исчезают «щелчки» при наборе номера с параллельного аппарата). Схема устройства приведена на рис. 52 и представляет собой электронный ключ с ограничивающим резистором. При прохождении вызова амплитудой 90...120 В Доработка импортного телефона под спаренную линию
транзистор VT1 открывается и питает вызывное устройство через ограничивающий резистор R2. В качестве стабилитрона VD5 можно применить цепочку стабилитронов с общим напряжением стабилизации 65 В (для АТС-60) или 55 В (для АТС-48). Сопротивлением R1 подбирают порог срабатывания VT1 для конкретного типа АТС. Схему можно использовать для доработки как импортных, так и отечественных телефонных аппаратов с электронными вызывными устройствами.

Доработка телефона-трубки под спаренную линию

Одна из проблем состоит в том, что при использовании электронных аппаратов на спаренной линии зачастую прослушиваются импульсы опроса станции в виде щелчков вызывного устройства (ВУ). Для устранения этого эффекта предлагается следующее схемное решение. Схема приведена на рис. 53. Дорожку, показанную на схеме пунктиром, разрывают. Схему собирают навесным монтажом. Наладка заключается в подборе резистора R1, при этом необходимо подобрать требуемую громкость звучания ВУ. Диод VD5 работает в режиме стабилитрона и может быть заменен на другой с обратным напряжением пробоя 50 В. При вызове, когда напряжение в линии больше 50 В, транзистор VT1 открывается и подает напряжение на вызывное устройство. Доработанная часть схемы показана на рисунке выделенными линиями. Доработка телефона-трубки под спаренную линию

Понятие спаренного включения телефонного аппарата

Ввиду нехватки телефонных номеров на АТС очень часто применяют спаренное включение, при котором изменением полярности подключения на противоположную достигается получение двух абонентских номеров на одной линии. Как правило, номера абонентов отличаются только последней цифрой. Обычно эти абоненты находятся рядом друг с другом (на одной лестничной площадке, в одном подъезде и т.п.). Особенность такого включения состоит в том, что при разговоре одного из абонентов аппарат другого автоматически отключается. Вызов со стороны АТС поступает только на тот аппарат, номер которого был набран. Для спаренного включения телефона на АТС применяют станционные устройства спаривания, а у абонентов устанавливаются приставки диодного разделения цепей. Принцип работы аппаратуры спаренного включения ТА показан на рис. 50. Станционное устройство спаривания производит постоянный опрос абонентов путем изменения полярности линии с частотой 0,5... 1 Гц. Работа приставки диодного разделения цепей основана на обеспечении питанием ТА, занявшего линию, и блокированием цепи питания другого ТА, параллельно включенного через блокиратор. Понятие спаренного включения телефонного аппарата
Это достигается включением в линейные цени аппаратов блокировочных диодов таким образом, чтобы диоды одного ТА были направлены навстречу диодам другого аппарата, поэтому напряжение подается на каждый аппарат по очереди. Абонент, который первым снимает трубку, занимает линию. При этом на АТС станционное устройство спаривания устанавливает ту полярность, которая обеспечивает питание занявшего линию ТА. Амплитудное значение вызывного сигнала АТС не должно превышать 60 В, иначе напряжение вызова для одного абонента будет «просачиваться» па второй ТА. Сигналы переменного тока (разговорного или вызывного) пропускаются диодами только того из двух ТА, с которого поступает или к которому направляется вызов. Этим обеспечивается избирательность вызова и исключается возможность прослушивания (следует отметить, что некоторые чувствительные телефонные аппараты позволяют прослушать работу спаренного ТА в виде: щелчков при наборе номера, слабого разговора или характерного сигнала вызова АТС, что не является неисправностью линии).
При посылке вызова абоненту с АТС в зависимости от полярности на проводах общей абонентской линии открываются диоды в одном из аппаратов и работает звонок данного аппарата. Для разряда конденсатора в цепи звонка (конденсатор не может разрядиться через станционные устройства АТС из-за включенных диодов) приставки диодного разделения снабжены разрядной цепью. На рис. 51 приведена схема приставки диодного разделения с разрядной цепью. Понятие спаренного включения телефонного аппарата
Порог включения VT1, VT2 рассчитан таким образом чтобы пробой происходил при напряжении около +110 В. Зарядка конденсатора звонка происходит в течение 3...5 секунд (при поступлении импульсов опроса линии 0,5...1 Гц), после чего при достижении +110 В происходит пробой через R3, переход коллектор-эмиттер VT2. Далее цикл повторяется. Спаренному включению ТА присущ ряд недостатков: • отсутствует возможность, связи между спаренными телефонами; • невозможность пользоваться телефонной связью при занятости линии другим абонентом; • поскольку в спаренных телефонах используется пониженный уровень вызывного сигнала до 60 В (при норме свыше 90 В), то вызывные устройства некоторых зарубежных ТА могут не работать; • если поменять местами клеммы подключения к линии приставки диодного разделения цепей, то можно подключиться параллельно телефону другого абонента; • неустойчивая работа многих версий АОН на спаренной линии.

Имитатор для проверки телефонных аппаратов

Для решения задач практической отработки схем телефонных устройств, а также для проверки работоспособности телефонных аппаратов можно использовать схему простейшего имитатора сигналов АТС. Принципиальная схема устройства приведена на рис. 54. В состав схемы входят: • цепь питания телефонного аппарата 60 В — в составе VD1, C1, R1; • цепь питания микросхем — VD2, С2; • трансформатор питания — ТР1; • генератор сигнала вызова АТС, 25 Гц — D1.1...DD1.2; • ключ формирования вызова — DD1.3, R6, VT1, VT2; • генератор сигнала ответа станции 425 Гц — DD2.3, DD2.4; • ключ формирования сигнала ответа 425 Гц — DD3.1, R12, VT4, R13, VT5; • схема включения ответа станции при снятии трубки абонентом - R7, VT3, R8, DD1.4, DD2.1, R9, С4. Принцип действия имитатора заключается в следующем. При включении телефона ТА в схему имитатора он запитывается стабилизированным напряжением +60 В от источника питания через R1. При снятии трубки напряжение в линии падает до значения 15...25 В (в зависимости от сопротивления разговорной цепи ТА). С задержкой в 1,5 сек включается модулятор 425 Гц, который формирует в линии сигнал ответа станции с амплитудой 1...2 В (регулируется с помощью резистора R14). При необходимости проверить прохождение вызова следует при положенной трубке ТА нажать кнопку КН1, в результате чего запускается генератор 25 Гц и с помощью ключа VT1, VT2 формируются импульсы 60 В, 25 Гц, имитирующие сигнал вызова. При снятой трубке ТА формирование вызова запрещается введением диода VD3. При необходимости проверки номеронабирателя генератор 425 Гц можно отключить и с помощью осциллографа проверить импульсы набора номера, измерить временные параметры и крутизну формируемых фронтов. Описываемый имитатор позволяет проверить разговорные цепи телефонных аппаратов, для чего необходимо два телефонных аппарата включить параллельно и, сняв трубки, установить связь. Трансформатор ТР1 необходимо подобрать так, чтобы переменное напряжение выходной обмотки было не менее 50 В, а допустимый ток нагрузки не менее 40...50 мА. Светодиод HL1 сигнализирует прохождение вызова на телефонный аппарат. Амплитуда вызова — 60В, несколько меньше, чем в реальной телефонной линии (90...150 В), но, тем не менее, большинство вызывных устройств современных аппаратов устойчиво работают при таком сигнале вызова.

Применение КМОП-ключа в усилительном каскаде

Токовый ключ КР1014КТ1А,В, применяемый для коммутации в большинстве отечественных телефонных аппаратов, обладает хорошими характеристиками: высокое пробивное сопротивление и низкая потребляемая мощность по управляющему входу (ключ устойчиво управляется напряжением 5 В через последовательно подключенное сопротивление 3...5 МОм). Кроме коммутационных цепей, имеется возможность его применения в усилительном каскаде. Схема усилительного каскада приведена на рис. 64. Сопротивление R1 может быть в пределах 100...1000 кОм. Сопротивление R2 выбирают в зависимости от сопротивления нагрузки Rн, Применение КМОП-ключа в усилительном каскаде
по расчету R2 = 0,2*Rн При отсутствии R3 на выходе (то есть на стоке) ключа устанавливается напряжение +1,6...1,9 В (в зависимости от экземпляра и от температуры). Если требуется более высокое Uвых,, в схему вводится резистор R3. Подбором этого резистора добиваются нужного режима (обычно это половина напряжения питания). Коэффициент усиления полученного каскада составляет 30...40. Он увеличивается при увеличении напряжения питания. Входное сопротивление каскада велико и определяется номиналами резисторов R1 и R3. Такой усилительный каскад может применяться для замены составных транзисторов в схемах разговорных цепей телефонных аппаратов (повышенное пробивное напряжение увеличивает надежность схемы при импульсивных помехах амплитудой выше 200 В), а также в микрофонных цепях.

Рекомендации по ремонту телефонных аппаратов

Приведенные ниже схемы могут быть полезны при восстановлении любых ТА с дисковым номеронабирателем. Простейший телефонный аппарат состоит из трубки с микрофонным и телефонным капсюлями, номеронабирателя, одного контакта рычажного переключателя, звонка и конденсатора (рис. 55). Если из этого набора исключить звонок и конденсатор, а номеронабиратель закрепить на трубке, то мы получим незаменимый инструмент телефонного монтера. Схемы бытовых аппаратов, выпускаемых промышленностью, отличаются от схемы на рис. 55 наличием дифференциального трансформатора и RC-цепочки, предназначенных для устранения местного эффекта («самопрослушивания») и для согласования с линией. С конца 60-х до начала 80-х годов рижский завод ВЭФ выпускал самую массовую в СССР модель бытового телефонного аппарата — ТА-68. Аппарат обладает сравнительно неплохими характеристиками, и его принципиальная схема (рис. 56, рис. 57) фактически стала базовой для последующих, более современных, аппаратов фирмы. Телефонный аппарат ТА-72М (рис. 60, рис. 61) имеет лишь измененную форму корпуса; трубка, звонок и другие комплектующие — такие же, как и у ТА-68М. На всех схемах для наглядности показано типовое включение двухпроводного розеточного шнура. Вместе с тем показаны схемы подключения разных номеронабирателей. Рекомендации по ремонту телефонных аппаратов
Самое уязвимое место аппаратов ТА-68 и ТА-68М — это верхняя крышка корпуса. Как правило, при ударе от падения у него обламываются крепежные втулки, а также фиксаторы нажимных пластин рычажного переключателя. Для склеивания корпуса подойдет клей ПС, дихлорэтановый или эпоксидный. Нельзя применять лишь эластичные клеи типа «Момент» или «Феникс». Следует также заметить, что при загрязнении корпуса ею нельзя чистить ацетоном или другими растворителями, а только теплой мыльной водой или разведенным шампунем. Если после подключения телефонного аппарата к сети АТС в трубке слышен сильный шорох и треск, попробуйте прижать витой микротелефонный шнур к трубке, сделав небольшую петлю примерно так, как это делают эстрадные певцы.
Белый провод подключается к обоим капсюлям. Звонок и телефонный капсюль редко полностью выходят из строя, поэтому, чтобы их проверить, достаточно тестером измерить сопротивление обмотки. У звонка оно должно быть 2400 Ом, а у обмотки ТК — 60...70 Ом. Телефонный капсюль может быть типа ТА-4 или ТК-67-НТ. У звонка надо обязательно проверить ход бойка и при необходимости отрегулировать, поворачивая эксцентрически закрепленные чашки звонка в ту или другую сторону, чтобы при положении для максимальной громкости боек почти касался чашек (зазор должен быть от 0,1 до 0,2 мм). Боек закреплен на якоре, ход которого выбирается в пределах 0,4±0,1 мм. При уменьшении хода якоря чувствительность звонка увеличивается. Если же исправный звонок не работает, необходимо проверить, установлена ли перемычка между контактами К2 и К5 (рис. 56). Далее следует проверить контакты рычажного переключателя. На всех , схемах они показаны в состоянии, когда трубка лежит на рычагах аппарата. Расстояние между разомкнутыми контактами должно быть не менее 0,4 мм. Сняв прозрачную пылезащитную крышку рычажного переключателя, можно при необходимости подогнуть их. Чистят контакты спиртом. Самое сложное устройство телефонного аппарата — дисковый номеронабиратель. Качественно отрегулировать его в домашних условиях невозможно, поэтому лучше сразу заменить номеронабиратель на новый. Для знакомства с этим важным узлом кратко остановимся на его основных характеристиках. Посылка импульсов на АТС осуществляется во время обратного (свободного) хода диска. Продолжительность цикла размыкания-замыкания импульсных контактов (ИК) номеронабирателя — 90...110 мс (или 10±1 имп/с). Отношение продолжительности размыкания к продолжительности замыкания ИК лежит в пределах 1,4...1,7 и называется импульсным коэффициентом. Расстояние между разомкнутыми контактами должно быть не менее 0,3 мм. Во избежание прослушивания щелчков в телефоне во время набора номера старые номеронабиратели имели дополнительную группу контактов S2-3 (см.рис. 56), которая шунтировала телефонный капсюль в момент набора номера. Если вы хотите установить номеронабиратель с пятижильным шнуром вместо номеронабирателя с трехжильным шнуром, то зеленый и черный провода необходимо изолировать и никуда не подключать. Вышеописанные схемы очень полезны на практике при ремонте телефонных аппаратов.

Усилитель громкой связи для телефонов

Приведенные на рис. 62 и 63 схемы предназначены для громкого прослушивания телефонных разговоров. Схемы экономичны и питаются от телефонной линии, могут быть встроены в телефонный аппарат. Различие схем только в элементной базе: одна — на микросхеме, вторая — на дискретных элементах. Усилитель громкой связи для телефонов
Оба устройства подключаются к телефонной линии через выпрямитель и переключатель. Постоянная составляющая фильтруется С1 и после ограничения VD5...VD7 подается на питание усилителя. С резистора R1 регулируемый сигнал через RC-фильтр подается па вход УМЗЧ. Усилитель не имеет особенностей, кроме того что динамическая головка подключается к плюсовой шине питания.

Замена угольного микрофона

При эксплуатации телефонных аппаратов второй и третьей групп сложности с угольными микрофонами часто наблюдается падение чувствительности. Это происходит вследствие спекания частичек угля, что вызывает нарушение чистоты звука и искажения в виде треска и помех. В настоящее время разработано множество схем для замены угольных микрофонов. Качество звука при этом повышается на порядок. На рис. 65 приведена схема с использованием динамического микрофона МДМ-7. Усилитель в схеме выполнен трехкаскадным, транзисторы желательно отобрать с высоким коэффициентом усиления. На рис. 67 приведена схема усилителя для конденсаторного микрофона МКЭ-3. Схема при повторении показала весьма устойчивую работу. На рис. 68 приведена схема усилителя для миниатюрного микрофона типа МКЭ-333Б («Сосна»), и, наконец, на рис. 66 показана схема, где в качестве усилительного элемента используется телефонный ключ 1014КТ1А. С микрофоном МКЭ-3 схема имеет чувствительность порядка 400...500 мВ/Па, что обеспечивает хорошую слышимость. Замена угольного микрофона
Замена угольного микрофона


и назначение микросхем для телефонии

Маркировка и назначение микросхем для телефонии Обозначение микросхем для телефонии Большинство заводов-изготовителей на территории бывшего СССР применяют следующую кодировку своих изделии (см. стр.91). Например: КМ1008ВЖ1; ЭКР1436ХА2. и назначение микросхем для телефонии
Назначение ИС для телефонии
Тип ИС Производитель Функциональное назначение
1002ХЛ2 НЗПП, Новосибирск Импульсный номеронабиратель
1008ВЖ1 «Гравитон», Черновцы Импульсный номеронабиратель
1008ВЖ2 «Экситон», Павлоский Посад Импульсный номеронабиратель с дополнительными функциями
1008ВЖ4 «Родон», Ивано-Франковск Формирователь вызывного сигнала
1008ВЖ5 «Родом», Ивано-Франковск Импульсный номеронабиратель
1008ВЖ6 «Родон», Ивано-Франковск Частотно-импульсный номеронабиратель
1008ВЖ7 «Родон», Ивано-Франковск Импульсный номеронабиратель
1008ВЖ8 «Родон», Ивано-Франковск Контроллер ЖКИ
1008ВЖ10-ВЖ15 НПО «Интеграл», Минск Импульсные номеронабиратели
1014КТ1 «Гравитон», Черновцы Токовый ключ
1026УН1 «Гравитон», Черновцы УНЧ для ТА
1059ЕУ1 «Гравитон», Черновцы Вторичный источник питания
1059КН1 «Кремний», Брянск Переключатель абонентской линии
1059КН2 «Кремний», Брянск Автоматический телефонный переключатель
1064ВЖ5 «Светлана», С.Петербург Импульсный номеронабиратель
1064ВЖ7 «Светлана», С.Петербург Импульсный номеронабиратель
1064КТ1 «Светлана», С.Петербург Токовый ключ
1064ПП1 «Светлана», С.Петербург Формирование вызывного сигнала
1064УН2 «Светлана», С.Петербург УНЧ для громкоговорящего ТА
1064ХА1 «Светлана», С.Петербург Тракт громкоговорящего ТА
1083ВЖЗ «Электроприбор», Фрязино Импульсный номеронабиратель
1083ВЖ4 «Электроприбор», Фрязино Схема автодозвона
1085ПП1 «Родон», Ивано-Франковск Формирователь вызывного сигнала
1089ВЖ1 ПО «Квазар», Киев Импульсный номеронабиратель
1089ВЖ2 ПО «Квазар», Киев Импульсный номеронабиратель
1091ГП1 НПО «Электроника», Воронеж Формирователь вызывного сигнала
1436ЕП1 НПО «Интеграл», Минск Схема питания периферийных устройств ТА
1436УН1 НПО «Интеграл», Минск УНЧ для громкоговорящего ТА
1436ХА2 НПО «Интеграл», Минск Тракт громкоговорящего ТА
DN-01 «Квазар-микро техно», Киев Дешифратор для АОН
КЖ101 «Гравитон», Черновцы Стабилизатор тока
КС 106 «Светлана», С.Петербург Стабилитрон
МС-КН1 «Восход», Калуга Токовый ключ
МС-СН1 «Восход»,Калуга Стабилитрон

Назначение ИС для телефонии (Продолжение)
ТипИС Производитель Функциональное назначение
Л122 НПО «Интеграл», Минск Микрофонный усилитель
ТЕА1068 НПО «Интеграл», Минск Разговорная схема
МС34118 НПО «Интеграл», Минск Усилитель громкой связи
МС34119 НПО «Интеграл», Минск Аудиоусилитель
КА1574ХМ1-002 НПО «Интеграл», Минск Транскодер адаптивной дифференциальной импульсно-кодовой модуляции
КР1575ХМ1-002 НПО «Интеграл», Минск Схема управления дельта-кодеком
КР1575ХМ1 003 НПО «Интеграл», Минск Схема блока управления цифровым телефонным аппаратом


Некоторые сведения по телефонному стандарту

Некоторые сведения по телефонному стандарту Наиболее часто при конструировании различных телефонных устройств приходится сталкиваться с союзным ГОСТ 7153-85 «Аппараты телефонные общего применения». Настоящий стандарт распространяется на телефонные аппараты (ТА) общего применения с дисковым номеронабирателем, кнопочным номеронабирателем с импульсным или частотным способом передачи набора номера, с автонабором, предназначенные для работы с автоматическими телефонными станциями (АТС) с номинальным напряжением станционных батарей 60 В с сопротивлением моста питания (500х2) Ом и с номинальным напряжением станционных батарей 48 В с сопротивлением моста питания (400х2) Ом. Стандарт не распространяется на ТА специального применения, таксофоны, громкоговорящие ТА. Приведем некоторые сведения из этого стандарта. Классификация телефонных аппаратов • многофункциональные ТА - высший класс (0); • ТА с дополнительными функциональными возможностями - первый класс (1); • ТА с кнопочным номеронабирателем, тональным приемником вызова, неугольный микрофон - второй класс (2); • ТА с дисковым номеронабирателем, электромеханическим приемником вызова, угольным и неугольным микрофоном - третий класс (3). Основные параметры (по 1 классу) • коэффициент гармоник на прием/передачу, % - не более 6; • уровень вызывного акустического сигнала: при максимальной громкости, дБ — 70; при минимальной громкости, дБ — 40...60; • чувствительность ТА к вызывному сигналу при уровне вызывного акустического сигнала 65 дБ, мВхА — не более 100; • модуль входного электрического сопротивления: в разговорном режиме, Ом — 450...800; в режиме ожидания вызова, кОм — нс менее 10; в режиме вызова, кОм — не менее 4; • электрическое сопротивление постоянному току в режиме набора номера для ТА с импульсным набором номера, при токе питания 35 мА: при замыкании шлейфа, Ом — не более 150; при размыкании шлейфа, кОм — не менее 300; • сила постоянного тока, потребляемого ТА: в режиме ожидания вызова, мА — не более 1,0; в режиме вызова, мА — не более 8,0; • время разрыва шлейфа для ТА, содержащих устройство нормированного разрыва шлейфа, мс — 80±40; • временные параметры набора номера: период импульса в серии (Т), мс — 100±5; импульсный коэффициент — 1,4...1,6; пауза между сериями импульсов, мс — от 4 Т до 10 Т; • время посылки сигнала набора номера для ТА с частотным набором номера, мс — не менее 40. Стандартом также определены требования к конструкции, устойчивости при механических воздействиях, безопасности (по ГОСТ 12.2.007.0-75), надежности, комплектности, а также другим параметрам, определяющим пригодность данного телефонного устройства для использования его на линиях связи.



    Бизнес: Предпринимательство - Малый бизнес - Управление