FAQ по телефонии
Данный раздел касается только технических аспектов использования телефонных линий.Вопрос 1. Каковы напряжения в телефонной линии?
Ответ. На относительно старых АТС телефонные аппараты подключены к станционной батарее (с постоянным напряжением 48/60 В) через две обмотки абонентского реле так, как это показано на рисунке.

При положенной трубке абонентского аппарата (положение рычажного переключателя РП, показанное на рисунке) к телефонной линии подключена звонковая цепь, в простейшем случае состоящая из электромеханического звонка Зв и конденастора Конд. Постоянный ток через конденсатор не протекает, и напряжение на зажимах телефонной линии равно напряжению станционной батареи. При снятии трубки замыкаются контакты 1-2 переключателя РП, и к линии подключается микротелефонная трубка с микрофоном Мк и телефоном Тел, проводящая постоянный ток, а также схема набора номера (на рисунке не показана). При этом напряжение на аппарате падает пропорционально соотношению активных сопротивлений обмоток реле К1 и телефонного аппарата. Таким образом, при снятой трубке напряжение в линии зависит от типа телефонного аппарата и может составлять от 5 до 24 В. Одновременно с падением напряжения в линии начинает протекать ток через обмотки реле К1А, К1Б. Реле притягивает якорь, замыкается контакт К1.1, соединяющий аппарат абонента с остальными приборами АТС.
При вызове абонента с АТС вместо станционной батареи к линии подключается источник переменного напряжения 120 В, ток от которого протекает через звонковую цепь аппарата и вызывает срабатывание звонка Зв.
Примечание. Особый случай составляют спаренные телефонные линии, а также некоторые нестандартные АТС.
Больше о принципах работы АТС можно узнать здесь.
Вопрос 2. Что такое абонентский комплект и что от него зависит?
Абонентский комплект - совокупность устройств АТС, индивидуально обслуживающих одного абонента. На рисунке чуть выше (простейший случай) абонентский комплект состоит из реле К1 и переключателя "ожидание-вызов", коммутирующих линию абонента.
На старых АТС от исправности абонентского комплекта во многом зависит качество связи, наличие или отсутствие шумов и тресков в линии, а также надежность выхода на связь (отсутствие "залипаний" реле, коротких гудков при снятии трубки и т.д.). На некоторых АТС от типа абонентского комплекта зависят параметры телефонной линии (в том числе и напряжения). Об этом см. ниже.
Вопрос 3. Каков принцип работы спаренных телефонных линий?
Замечательная идея спаренного включения телефонных аппаратов, наверняка принадлежащая совковому гению, очень проста. Одна и та же пара телефонных проводов используется для включения телефонных аппаратов двух разных абонентов. Таким образом, линия может быть использована только одним абонентом в каждый момент времени (рисунок).

Показанные на рисунке переключатели обеспечивают блокирование (отключение) одного из аппаратов при занятии линии другим. В отличие от параллельного включения аппаратов по аналогичной схеме, при спаренном включении функции переключателей выполняются приборами АТС совместно с установленными у абонентов разделителями цепей. Таким образом, при спаренном включении переключатели являются автоматическими. В случае, когда трубки обоих аппаратов положены, осуществляется поочередное подключение линии к каждому аппарату. Частота переключений зависит от типа комплекта спаренных аппаратов на АТС и может быть 0,5...1 Гц ("низкочастотный" блокиратор) либо 25 Гц ("высокочастотный" блокиратор).
При снятии трубки на одном из аппаратов переключатель "залипает" в положении, подключающем линию к этому абоненту. Если в момент разговора первого абонента второй снимет трубку, вместо ответа станции он услышит тишину. Когда первый нажмет на рычаг, одновременно с отбоем линии произойдет ее переключение на второго абонента. Таким образом, сигнал "ответ станции" поступит второму абоненту, а у первого в трубке будет тишина.
В отличие от нормальных линий, в спаренных телефонных линиях присутствует не постоянное, а пульсирующее с частотой переключения блокиратора напряжение.
Вследствие этого его действующее значение меньше 60 В. Вызывное напряжение на линиях с блокиратором также ниже стандартного и составляет 70 - 90 В.
Эти особенности приводят к невозможности подключения к спаренным линиям некоторых электронных аппаратов. Об этом см. ниже.
Больше об устройстве спаренных линий можно узнать здесь.
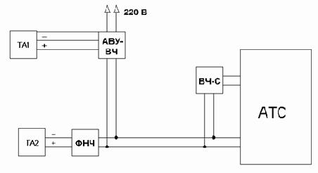
Вопрос 4. Каков принцип действия АВУ (абонентской высокочастотной установки)?
Идея АВУ представляет собой развитие спаренного включения телефонных аппаратов, когда для подключения к АТС двух абонентов используется одна пара проводов кабеля. Однако, в отличие от спаренного включения, линия может быть использована одновременно обоими абонентами (рисунок).

Первая линия с АТС поступает прямо на телефонный аппарат ТА2, который оказывается включен аналогично обычному телефонному аппарату. Разговорный ток второй линии подается на аппарат ТА2 через ту же телефонную линию после преобразования его в высокочастотный сигнал, лежащий за пределами звукового диапазона частот. Данный принцип включения аналогичен системе "трехпрограммного громкоговорителя", то есть своего рода проводному радиовещанию. Преобразование разговорных токов с АТС в ВЧ сигнал осуществляется в станционном блоке ВЧ-С, обратное преобразование этих токов и преобразование разговорных токов аппарата ТА1 в ВЧ сигнал происходят в абонентском блоке АВУ-ВЧ (ВЧ-А). Высокочастотные сигналы, идущие от абонента и к абоненту, имеют разные несущие частоты (28 и 64 кГц). Чтобы высокочастотные сигналы не мешали работе абонентских устройств первого абонента, перед его телефонным аппаратом ТА2 включается фильтр нижних частот ФНЧ.
Вызов абонента ТА2 производится обычным способом (подачей в его линию переменного напряжения 120 В с АТС). Таким же образом осуществить вызов абонента ТА1 невозможно. "Команда" на вызов передается с АТС в блок ВЧ-А специальным ВЧ сигналом. Само вызывное напряжение формируется в самом блоке ВЧ-А, для чего он должен быть подключен к сети 220 В. В зависимости от конструкции блока ВЧ-А он может иметь специальный "вызывной" провод, на который подается вызывное напряжение либо имитировать на своем выходе полноценную (двухпроводную) телефонную линию.
Больше об устройстве АВУ можно узнать здесь.
Вопрос 5. Как подключить модем или стандартный телефонный аппарат с двумя выводами к трехпроводному блоку АВУ?
Некоторые дисковые телефонные аппараты имеют внутри своего корпуса специальный вывод звонковой цепи, который и подключается к "вызывному" проводу АВУ-ВЧ. Однако современные аппараты и модемы такого провода не имеют. Для исходящей связи, т.е., чтобы только звонить с этих аппаратов, вполне достаточно соединить их с проводами А и Б АВУ, оставив "вызывной" провод неподключенным. Однако если необходимо, к примеру, чтобы модем автоматически отвечал на входящие звонки, третий провод все же потребуется.
Существует несколько вариантов решения этой проблемы:
Для того, чтобы сообщить АТС номер вызываемого абонента, телефонный аппарат должен быть снабжен дополнительным устройством передачи цифр (номеронабирателем). Существует две принципиально различные системы номеронабирателя: импульсами постоянного напряжения (путем кратковременного разрыва телефонной линии N раз) или звуком определенной тональности (N тональностей для N цифр). Достоинством первой системы является ее необычайная простота, так как для создания импульсов напряжения в простейшем случае может использоваться обычный телефонный рычаг. Недостатками являются: значительное время набора (особенно при 7 цифрах номера), невозможность расширения архитектуры АТС за счет донабора внутреннего номера абонента после набора его городского номера.
Дисковые телефонные аппараты всегда рассчитаны на использование импульсного набора номера.
Кнопочные (тастатурные) телефонные аппараты всегда требуют питания от телефонной линии либо от внешнего источника.
Использование тонового набора, кроме устранения названных недостатков, позволяет легко интегрировать телефонную сеть с другими инженерными системами (управлять различной аппаратурой с клавиатуры телефона). Тоновым способом можно передавать 10 цифр и 6 команд с одинаковой скоростью. Недостатком тонового набора является значительно более сложная схема аппарата и необходимость его питания от телефонной линии.
Цифры "0"..."9", "*","#", а также команды работы с дополнительными услугами АТС "A"..."D" можно передавать на АТС обоими способами набора, однако все дополнительные (кроме цифр) символы, как правило, не поддерживаются дисковыми телефонными аппаратами, а команды "A"..."D" обычно отсутствуют у аппаратов с тоновым набором и редко используются на АТС.
Как правило, тоновый набор не поддерживается советскими АТС до 80-х годов выпуска. АТС, поддерживающие тоновый набор, как правило, одновременно поддерживают и импульсный набор (тоново-импульсная система). На некоторых АТС тоновый набор может быть по умолчанию выключен и включаться индивидуально за отдельную плату.
Больше о тоновом наборе номера можно узнать здесь.
Больше о параметрах импульсного набора можно прочитать здесь.
Вопрос 7. Почему на некоторых АТС не работают кнопочные телефонные аппараты?
Некоторые АТС отличаются тем, что в дежурном режиме (при положенной на аппарат трубке) не выдают в линию постоянного напряжения. Напряжение холостого хода таких линий составляет от 0 до 12 В, чего недостаточно для подпитки устройств памяти кнопочных аппаратов. Поднятие напряжения до рабочего значения происходит только при снятии трубки, однако при положенной трубке микросхема кнопочного аппарата успевает "повиснуть" от отсутствия питания, и это мешает нормальному замыканию линии.
К обнаруженным нестандартным АТС относятся совковые разработки "Квант" раннего выпуска. Нормализовать параметры линии в таких АТС можно заменой нестандартного абонентского комплекта на релейный (АКР), выдающий дежурное напряжение 60 В. Второй способ заключается во включении последовательно с аппаратом в линию источника постоянного напряжения 5 - 9 В (блока питания или батарейки), поднимающего напряжение в линии до достаточных значений.
К сожалению, разработанная нами микро-АТС AGF TS-010 также является нестандартной по соотношению напряжений в линиях, поэтому на ней действующими Правилами запрещено использование кнопочных телефонных аппаратов.
Вопрос 8. Почему электронные аппараты плохо работают на спаренных линиях?
Почти все электронные телефонные аппараты имеют встроенные схемы питания от телефонной линии в дежурном режиме (при положенной трубке). Спаренные линии вместо постоянного напряжения 60 В имеют в состоянии покоя пульсирующее с частотой 25 Гц или прерывающееся с частотой 0,5 - 1 Гц напряжение, значение которого может быть ниже 60 В. Таким образом, питание от линии может работать неустойчиво.
Кроме этого, аппараты с электронным анализом вызывного сигнала могут принимать присутствующие в линии импульсы блокиратора (особенно 25 Гц) за вызов и непрерывно звонить. Этот дефект отчасти устраняется изменением алгоритма определения вызова (если таковое предусмотрено в телефонном аппарате).
Вызывное напряжение на спаренных линиях обычно ниже стандартного и составляет 70 - 90 В. Некоторые электронные аппараты (в том числе факсы и модемы) могут не распознавать подобный вызов и поэтому не звонить.
Вопрос 9. Что делает кнопка FLASH (RECALL)?
Кнопка с таким названием на клавиатуре аппарата с тоновым набором предназначена для заказа дополнительных услуг на АТС. При нажатии на нее она разрывает линию на нормированный промежуток времени. Отчасти это аналогично набору цифры "1" импульсным способом. При этом АТС получает импульс напряжения, временно отключающий от линии второго (внешнего) абонента и переводящий тоновые приемники станции в режим приема команд.
После этого можно, например, набрать номер третьего абонента и подключить его к разговору.
Разрыв линии со стороны заказывающего услугу абонента является единственным надежным способом определить, что именно он желает заказать дополнительную услугу, так как обычные сигналы тонового набора могут поступать от обоих разговаривающих абонентов.
Вопрос 10. Зачем нужны конденсаторы в телефонных розетках?
При отключении телефонного аппарата от линии линия окажется разомкнутой. Вместе с тем на АТС иногда желательно проверить линию на обрыв. Это делается путем проверки прохождения через нее переменного тока небольшого напряжения, не вызывающего срабатывания звонков на аппарате абонента. Если ток через линию не проходит, некоторые АТС могут автоматически считать ее неисправной и отключить абонента. Для того, чтобы линия была замкнута по переменному току и после отключения от нее телефонного аппарата, параллельно ее зажимам включают конденсатор емкостью 1 мкФ. Совковая телефонная розетка имеет такую конструкцию, чтобы при вставлении в нее вилки конденсатор автоматически отключался, не подсаживая звонковую цепь телефонного аппарата.
При неисправных розетках конденсатор может оставаться подключенным к линии и во время нормальной работы телефона. Это может приводить к ослаблению (снижению громкости) вызова, а также к значительному снижению скорости модемных соединений.
В настоящее время описанная выше проверка линий на обрывность без жалоб абонентов практически не проводится, так что в большинстве случаев конденсаторы из розеток могут быть вообще удалены.
Больше о совковых телефонных розетках можно узнать здесь.
Вопрос 11. Каким образом можно определить номер звонящего абонента?
Если в пределах примерно 0,5 с после снятия трубки подать в линию звуковой сигнал запроса частотой 500 Гц, вызывающая станция выдаст ответ о номере звонящего абонента. Ответ также выдается в виде безынтервальной последовательности звуковых сигналов, отличающихся по частоте. При помощи специальных устройств, декодирующих частоты этих сигналов (например, телефонных аппаратов с АОН), можно отобразить реальный номер, переданный с АТС.
Передаваемый номер всегда состоит из 7 цифр. Если в Вашем городе используется меньше знаков телефонного номера (например, N), то передаваемый номер содержится в последних N передаваемых цифрах.
Кроме семи цифр телефонного номера, АТС передает так называемую "категорию вызывающего абонента", дополнительную цифру, характеризующую номер с точки зрения предоставления ему услуг междугородней связи.
На некоторых старых АТС выдача номера тональным способом осуществляется и без запроса (характерное "трулюлюканье" при снятии трубки).
Больше об устройстве аппаратуры АОН можно узнать здесь.
Вопрос 12. Как определить номер звонящего при помощи модема?
"Расшифровать" звуковую информацию о номере звонящего можно и при помощи модема со специальным программным обеспечением. Для этого должно выполняться одно из следующих условий:
Ссылки на программные определители номера для модемов можно найти здесь.
Вопрос 13. Можно ли определить номер позвонившего абонента во время разговора?
После установления соединения аппаратура АТС отключается от линии и не реагирует на запросы определения номера. Однако некоторые старые АТС могут выдать информацию о номере уже во время разговора абонентов, если с вызываемой стороны кратковременно разорвать линию (набором цифры "1" импульсным способом) и после этого выдать повторный запрос частотой 500 Гц.
Не все модели аппаратов с АОН позволяют анализировать тоновую информацию при отсутствии вызова. Даже при работоспособности данной функции на АТС ее практическое осуществление труднореализуемо.
Вопрос 14. Правда ли, что АОНы запрещены за рубежом?
Это довольно забавный миф, насаждаемый сторонниками коммунофашистского образа жизни, при котором все - страшный военный секрет. В отличие от совкового АОНа, западные системы определения номера (существует несколько разновидностей) выдают на приемное устройство не только номер звонящего, но и его полное имя, а также дату и время звонка в соответствии с журналом АТС. Получение такого сигнала является дополнительной услугой, которая должна быть отдельно оплачена (кроме стоимости аппарата с определением номера) и без оплаты не работает.
Вопреки распространяемого мифа о незаконности телефонных баз данных по абонентам, во многих странах Европы и Америки в каждой телефонной будке лежит книга со списком абонентов города.
За дополнительную плату абонент имеет права сделать свой номер "неопределяемым" и исключить свои данные из телефонных книг. К слову сказать, плата за эти услуги является настолько высокой, что большинство представителей "среднего класса" не могут ее себе позволить. Да и незачем...
Вопрос 15. Какова система нумерации абонентов в совке?
Еще в конце 1970-х годов во многих населенных пунктах СССР царила неразбериха в телефонной нумерации. Существовали номера из одной (!), двух, трех и четырех цифр. При внедрении автоматической телефонной связи минимум цифр номера составил 5, а за основу была принята американская система нумерации (KKK)-NNN-NNNN, где KKK - цифры кода зоны, NNN-NNNN - номер абонента в этой зоне. Таким образом, любой совковый номер при звонке извне состоит из 10 цифр.
Однако в отличие от американцев, у которых все номера семизначные, а звонки в пределах одной зоны бесплатные, коммунисты разбили зоны на подзоны с меньшей значностью телефонных номеров. Таким образом, номера стали выглядеть, как (KKK) (ZZ) N-NN-NN или (KKK) (Z) NN-NN-NN. Сделано это было для того, чтобы при звонке с номера (KKK) (Z1) N-NN-NN на номер (KKK) (Z2) M-MM-MM абонент платил по междугороднему тарифу...
Некоторые населенные пункты имеют одновременно два телефонных кода, один из которых используется при звонках из зонального центра, а второй - при остальных звонках. При звонках из зонального центра код зоны (KKK) заменяется цифрой 2. Например, при звонке из Москвы (код 095) в Щелково (код 09656) необходимо набрать 8-2-56-N-NNNN, а при звонке из других мест 8-09656-N-NNNN.
Больше о принципах построения совковой телефонной сети можно прочитать здесь.
Вопрос 16. Почему некоторые номера определяются очень странно (выглядят, как несуществующие)?
Во-первых, это может быть связано с ошибками Вашего декодирующего устройства.
Во-вторых, определяемый номер абонента может не соответствовать его реальному номеру, например, в случае таксофонов. В Москве номер таксофона состоит из 6 цифр (Номер АТС-Номер таксофона), а определяется как 8-номер АТС-номер таксофона).
В-третьих, звонок из учреждений может осуществляться через так называемый телефонный гейт (или шлюз, что то же самое). При этом у Вас определится городской номер гейта, а не самого вызывающего абонента. Такое происходит, если входящая и исходящая связь вызывающего абонента осуществляется по разным каналам.
В-четвертых, в некоторых учреждениях установлены мини-АТС, подключенные к разным городским телефонным линиям. Таким образом, один и тот же абонент может, сам того не подозревая, звонить с разных городских номеров. При этом его собственный городской номер останется неизменным.
В-пятых, при междугороднем звонке номер может определиться как (последние цифры кода города-N цифр номера), где N меньше 7. Например, при звонке в Москву из города Щелково (код 09656) местный номер абонента N-NN-NN определится, как 56N-NN-NN. Этим явлением может объясняться, например, происхождение номеров, начинающихся на цифру "0".
Существующие телефонные номера Москвы и Московской области можно видеть здесь.
Вопрос 17. Может ли определение номера быть заблокировано на АТС?
Старые модели АТС практически не предоставляют возможности заблокировать выдачу номера тональным способом, так как это связано с выходом целых групп абонентов на междугороднюю связь.
Современные (электронные) АТС позволяют блокировать прохождение запроса 500 Гц от абонента, а также выдачу номера при исходящих звонках индивидуально для каждого абонента. Очень часто эти блокировки действуют по умолчанию.
Совсем старые АТС могут быть вообще не оборудованы аппаратурой АОН. Признаком этого является то, что абоненты таких станций не имеют выхода на междугороднюю связь или выходят на нее с набором собственного номера.
Вопрос 18. Какое отношение имеет АОН к междугородней связи?
Номер звонящего, выдаваемый его АТС в виде звуковых частот, в первую очередь предназначался для его передачи на междугороднюю телефонную станцию (АМТС). На советских районных АТС после набора цифры "8" происходит соединение с АМТС, аналогичное снятию трубки на вызываемом аппарате. При этом АМТС посылает в линию сигнал запроса, как это было описано выше. На время передачи тонового ответа о номере районной АТС линия вызывающего блокируется с целью предотвратить помехи определению номера. Если после трех "попыток" номер не определился или его категория не позволяет выходить на междугороднюю связь, происходит отбой соединения с АМТС.
На современных АТС взаимодействие с АМТС происходит по специальным каналам связи, и тональная передача номера для этого не требуется. Однако некоторые электронные АТС все же комплектуются аппаратурой АОН для совместимости с более старым оборудованием городских сетей.
На очень старых АТС, где аппаратуру АОН установить невозможно или нецелесообразно, номер звонящего должен быть сообщен самим звонящим абонентом путем его набора после междугороднего номера. О том, как осуществляется проверка "правдивости" абонента, см. ниже.
Вопрос 19. Почему не определяются некоторые номера?
Номер звонящего может не определиться по одной из следующих причин:
Могут ли определяться номера при международных звонках?
Номер звонящего по международной связи может определиться в одном из двух случаев:
а) АТС звонящего совместима с системой АОН, что возможно исключительно теоретически, однако есть непроверенная информация о наличии таких АТС в Израиле и некоторых других странах;
б) Звонящий использует услуги интернет-телефонии. При этом его звонок поступает не на Вашу АМТС, а через каналы Сети на сервер провайдера IP-телефонии, находящийся в Вашем городе. Далее сервер подключается к городской телефонной линии и набирает Ваш номер аналогично обычному городскому звонку. При этом определяется телефонный номер шлюза IP-телефонии, не имеющий ничего общего с реальным номером международного абонента.
Больше об интернет-телефонии можно узнать здесь.
Вопрос 21. Можно ли помешать определению собственного номера?
Как уже было сказано выше, при выдаче тонового ответа о номере звонящего АТС временно отключает его линию. Однако на некоторых старых АТС можно помешать выдаче информации о номере путем частого разрыва и замыкания отключенной линии. В простейшем случае такие манипуляции можно проделать непрерывным набором цифры "0" в импульсном режиме. При этом тоновая посылка АТС будет прерываться с частотой прерывания линии, что снижает вероятность ее правильного приема. Вместе с тем не определиться могут лишь отдельные цифры, так что обладатель АОНа все же получит информацию о звонящем.
При междугороднем звонке подобная манипуляция бессмысленна, потому что в случае неопределения или нечеткого определения номера АМТС блокирует выход на междугороднюю связь.
Вопрос 22. Можно ли "подсунуть" АТС самодельный номер вместо своего?
При помощи некоторых специальных устройств, а также компьютерных программ можно сформировать последовательность звуковых частот, аналогичную выдаваемой АТС в качестве информации о номере вызывающего абонента. Однако, как уже упоминалось выше, при междугороднем соединении после набора цифры "8" происходит временное отключение линии вызывающего абонента.
Таким образом, при исправной АТС любые тоновые сигналы с его стороны не повлияют на определение номера АМТС.
Вместе с тем сфабрикованная тоновая посылка может быть передана на абонентский аппарат с АОН при звонке с неопределяющегося номера. При этом запросы абонентского устройства будут поступать прямо в линию вызывающего абонента, а не на его АТС. Если изготовить достаточно длительную тоновую посылку, необязательно даже синхронизировать ее выдачу с запросом вызываемой стороны. Достаточно просто начать воспроизведение звука чуть раньше снятия трубки на том конце провода.
Узнать схему такого эксперимента можно здесь.
Посмотреть ролик о том, как выглядит подобный эксперимент в действии, можно здесь.
Узнать параметры тональной информации о номере абонента "для умельцев" можно здесь.
Вопрос 23. Можно ли на старых АТС звонить по междугородней связи, набирая не свой номер в качестве "обратного адреса"?
Очень старые АТС, не оборудованные системой выдачи тонального номера, требуют от абонента набрать свой номер после набора цифры выхода на междугороднюю связь. Однако это не означает безграничного "доверия" к абоненту, который свободен набрать любой понравившийся ему номер.
При наборе номера вызывающего абонента АТС проверяет, с той ли линии идет вызов методом "кольца", то есть посылая тестовый сигнал по набранному номеру. Если этот сигнал появляется в линии данного абонента, это означает, что он набрал свой номер правильно. В противном случае выход на междугороднюю связь не предоставляется.
Вопрос 24. Существует ли страница поддержки пользователей АТС типа AGF TS-010(011)?
На этом сайте находится страница частых вопросов пользователей, абонентов и обслуживающего персонала этих типов АТС
Бизнес: Предпринимательство - Малый бизнес - Управление
- Бизнес
- Разновидности бизнеса
- Планирование бизнеса
- Управление бизнесом
- Предпринимательство
- Русское предпринимательство
- Управление и предпринимательство
- Малый бизнес
- Виды малого бизнеса
- Русский малый бизнес
- Управление малым бизнесом
- Posix для малого бизнеса
- Телефония как малый бизнес
- Телефония на Java для малого бизнеса