Коммуникатор
Коммуникатор - автоматическое устройство для обмена короткими текстовыми сообщениямиНазначение устройства
Коммуникатор предназначен для создания текстовых сообщений на русском и английском языках с использованием раскладки стандартной компьютерной клавиатуры, простого редактирования набираемых сообщений, а также передачи подготовленных сообщений на аналогичное устройство и автоматического приема текстовых сообщений от такого же устройства по телефонной линии с использованием высокой скорости обмена в коде DTMF. Может использоваться как средство связи для людей с нарушениями слуха и речи ("телефон" для глухих или глухонемых). Позволяет им общаться друг с другом и вызывать службы скорой медицинской помощи, пожарной охраны, милиции и т.д.
Краткое описание устройства
Устройство представляет собой миникомпьютер со стандартной клавиатурой IBM PC (порт PS/2), жидкокристаллическим дисплеем 40 символов на 2 строки со светодиодной подсветкой и встроенным подобием модема. "Коммуникатор" имеет следующие функции:
1)Отображение на дисплее текущего времени в формате "часы : мин : сек".
2) Отображение на дисплее даты в формате "число : месяц".
3) Продолжение отсчета времени при отключении питания устройства на неограниченное время.
4) Установка времени и даты с запретом занесения неправильных значений.
5) Ручной и автоматический режимы приёма сообщений.
6) Ручной и автоматический режимы отправки сообщений.
7) Отображение на дисплее режима работы устройства AUTO или MANUAL. В режиме AUTO входящие сообщения принимаются автоматически после поступления четвертого звонка. Номер звонка отображается на дисплее в правом верхнем углу рядом со специальным символом, появляющимся при поступлении вызывного сигнала.
8) Отображение на дисплее количества новых поступивших сообщений с момента последнего просмотра папки входящих сообщений. При поступлении пяти новых сообщений, дальнейший приём прекращается.
При попытке передать сообщение на такое устройство, абонент, отправляющий сообщение, увидит надпись на своём дисплее: "BOX FULL, ABORTED…" и сообщение передаваться не будет. После просмотра хотя бы одного входящего сообщения, устройство будет готово к приёму следующих входящий сообщений.
9) Устройство имеет три папки: ICM – для хранения до пяти входящий сообщений, OGM – для хранения одного исходящего сообщения, KEPT – для хранения одного избранного сообщения из входящих. Примечание: здесь представлено описание упрощенной версии устройства с ограниченным объемом памяти.
10) Пользователь имеет возможность сохранить любое необходимое ему сообщение из папки ICM. Оно переместится в папку KEPT.
11) Исходящее сообщение имеет заголовок, состоящий из трех полей длиной до 20 символов. Поля начинаются со слов: FROM, TO, NUM. Предназначены соответственно для занесения данных об отправителе, получателе и телефонного номера, по которому данное сообщение будет впоследствии отправлено.
12) Каждое входящее сообщение имеет заголовок, состоящий из двух полей длиной до 20 символов. Поля начинаются со слов: FROM, TO. Поля предназначены соответственно для прочтения данных об отправителе и получателе. Вслед за этими полями выводится время и дата приёма сообщения, а затем текст самого поступившего сообщения.
13) Максимальная длина любого сообщения может быть до 1000 символов с учетом заголовка.
14) Время передачи сообщения изменяется в зависимости от его длины, и может составлять примерно от 3 до 50 секунд.
15) Любые операции могут быть прерваны нажатием клавиши ESCAPE, кроме операций записи во FLASH-память. В этом случае на дисплей, после сообщения о текущей операции, выводится сообщение "DON'T PRESS KEYS!".
16) При автоматической передаче сообщения, производится прослушивание линии на встроенный динамик.
17) Отправлять и принимать сообщения в ручном режиме можно при поднятой трубке телефонного аппарата. При этом необходимо соблюдать тишину.
Для исключения возможных ошибок, вызванных громкими звуками в помещении, рекомендуется пользоваться автоматическим режимом приёма и передачи сообщений.
18) Все сообщения хранятся в энергонезависимой памяти. Это обеспечивает их гарантированную сохранность при сколь угодно длительном отсутствии питания.
19) В "Коммуникаторе" используется стандартная клавиатура (для порта PS/2) IBM PC совместимого компьютера.
20) Используются стандартные, переключаемые русская и английская раскладки клавиатуры.
21) При создании нового исходящего сообщения, используется режим редактирования текста в пределах последней строки.
22) Для отображения информации используется жидкокристаллический модуль, имеющий две строки по 40 символов с LED подсветкой, позволяющей работать при низком уровне освещения.
23) Имеется возможность автоматической отправки сообщений по междугородним номерам общей длиной до 20 знаков. Для вставки паузы (для ожидания ответа станции после набора цифры 8) следует использовать знак двоеточие ":". Междугородний номер, записываемый в строке NUM нового исходящего сообщения, будет иметь вид: 8:095<номер>. При этом после набора цифры "8" будет выдержана пауза.
24) При написании текста нового исходящего сообщения, текущая позиция вывода на дисплей отображается курсором в виде символа подчеркивания "_". Он записывается в память исходящего сообщения и является признаком окончания передачи текста. Его можно увидеть при просмотре OGM сообщения. В принятом ICM сообщении он отображаться не будет.
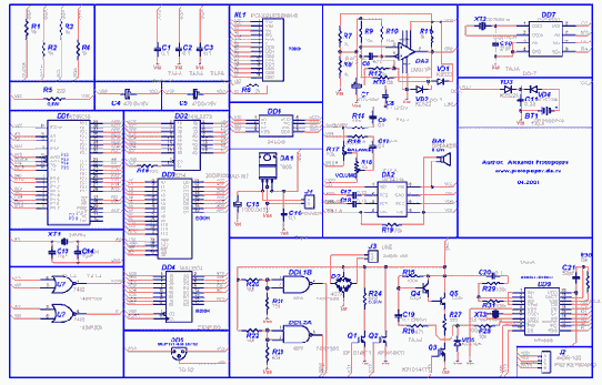
Принципиальная схема
Схема, которую вы здесь видите, предназначена лишь для предварительного просмотра. Если вы хотите детально ознакомиться с ней, то щелкните здесь или на самой схеме, и она откроется в полную величину в новом окне.

Описание принципиальной схемы
В качестве управляющего использован контроллер фирмы Atmel DD1 (AT89C55-24) с тактовой частотой 24 MHz и подключением внешней статической RAM DD3 (6264) через дополнительный регистр DD2 (74ALS373), формирующий младшие биты адреса для микросхемы RAM.
Этот контроллер был выбран из- за довольно большой внутренней памяти для хранения программного кода (ее размер составляет 20Кбайт) и возможности использовать внешнюю RAM, которая необходима для нормального редактирования текстовых сообщений и быстрой работы некоторых других функций. Выводы последовательного порта (TXD, RXD) контроллера зарезервированы для дальнейшего использования. В качестве порта вывода использован регистр-защелка DD4 (74ALS374). Для защиты контроллера от зависания и правильного формирования сигнала Reset применен supervisor питания фирмы Microchip MCP101-475, обеспечивающий нормированную длительность и правильность подачи сигнала Reset при любых возможных помехах по питанию. В качестве дисплея применен жидкокристаллический модуль фирмы Powertip HL1 (PC4002LRS-BNH-B) 40 символов на 2 строки со светодиодной подсветкой. Для формирования сигналов выбора порта DD4 и LCD-модуля HL1 используется логическая микросхема 74ALS02. Для хранения текстовых сообщений применена микросхема FLASH-памяти фирмы Microchip DD6 (24LC65) с обменом по шине I2C, позволяющая ускорить запись блоков информации за счет использования внутренней cash-памяти. С целью получения высокоточного и энергонезависимого отсчета реального времени применена часовая микросхема Philips DD7 (PCF8583) с литиевой батарейкой резервного питания и обменом по шине I2C. Таким образом, благодаря использованию шины I2C, для подключения к контроллеру двух микросхем использованы всего два вывода и получена возможность подключать в дальнейшем другие дополнительные микросхемы по этой шине. Для приема аналоговых сигналов с телефонной линии используется стандартная схема компаратора со слабой петлей гистерезиса на микросхеме DA3 (LM311). В качестве усилителя мощности звукового сигнала установлена микросхема DA2 (MC34119). Элементы микросхемы DD8 (CD4011) использованы в качестве пороговых для определения сигналов входящего звонка и снятия трубки с параллельного телефона. Для организации быстрой скорости обмена в коде DTMF использована микросхема приемопередатчика DTMF фирмы Mitel DD9 (MT8888), имеющая быстрый четырехбитовый интерфейс Intel и позволяющая контроллеру адресоваться к ней, как к обычной ячейке внешней RAM.
Впрочем, точно также организовано обращение к LCD-модулю и порту вывода. Это позволяет контроллеру поддерживать обмен с внешними устройствами на максимально возможной скорости. Устройство питается от нестабилизированного источника питания с напряжением от 8 до 15V. В качестве внутреннего стабилизатора напряжения применена микросхема 7805.
Краткая инструкция по использованию устройства
Во время работы на дисплее, наподобие нижней строки Norton Commander, выводятся подсказки по функциям клавиш для текущего режима работы устройства. Ниже перечислены команды, которые не отображаются в виде подсказок на дисплее.
Построчное листание любых сообщений (при их просмотре) производится любой клавишей.
Выход в главное меню – клавиша ESCAPE.
Управление устройством:
Очистка папки ICM: CTRL+E
Установка времени и даты: CTRL+T
Переключение режима работы: CTRL+M
Управление устройством при создании нового исходящего сообщения:
Переключение раскладки клавиатуры: SHIFT+TAB
Запись исходящего сообщения: CTRL+S
Стирание набранных символов: BACKSPACE
Перевод строки: ENTER