Универсальные конечные элементы
Абсолютно жесткие вставки
Абсолютно жесткие вставки используются, как правило, при нарушении соосности стыковки стержней в узле: стык подкрановой и надкрановой частей колонн, примыкание к колонне ригелей разной высоты, учёт рёбер в плитах, подпёртых рёбрами и т. п.
Жесткие вставки ориентируются вдоль осей местной системы координат C1, U1, Z1. Нагрузки, задаваемые на стержень с жёсткими вставками, привязываются к началу упругой части. Заданный шарнир располагается между жёсткой вставкой и упругой частью.
Усилия вычисляются только в упругой части, поэтому при проверке равновесия в узле, где присутствует такой стержень, следует производить перенос усилий из упругой части в узел с учётом заданной нагрузки на вставку.
Армирование пластинчатых элементов
Алгоритм предназначен для определения армирования в:
тонкостенных железобетонных элементов, в которых действуют изгибающие и крутящие моменты, осевые и перерезывающие силы – элементы
оболочки.
плоских железобетонных элементов, в которых действуют изгибающие и крутящие моменты, а также перерезывающие силы – элементы
плиты.
железобетонных элементов, находящихся в плоском напряженном состоянии – элементы
балки-стенки.
Подбор арматуры (отдельно продольной и поперечной) выполняется на слоедующие усилия и напряжения (Рис.14.2):
Nx, Ny, Txy – для балок-стенок;
Mx, My, Mxy, Qx, Qy – для плит;
Nx, Ny, Txy, Mx, My, Mxy, Qx, Qy – для оболочек.
Рис.14.2.
A
–усилия, действующие в элементах балки-стенки,
и главные нормальные усилия;
B
–усилия, действующие в элементах плиты,
и главные изгибающие моменты,
С –усилия, действующие в элементах оболочки,
главные нормальные усилия.
Продольная арматура в пластинах подбирается отдельно по прочности и трещиностойкости. Схемы расположения продольной арматуры показаны на рис.14.3
(
а – балок-стенок,
b,c – плит и оболочек).
Рис 14.3.
Подбор продольной арматуры осуществляется с обеспечением минимума суммарного расхода арматуры в направлениях X1 и Y1 при удовлетворении условий прочности [16] и требований норм [53] по ограничению ширины раскрытия нормальных трещин. Ширина раскрытия трещин определяется в соответствии с [16] при учете [53]. Подбор арматуры в пластинчатых элементах осуществляется с учетом работы арматуры по ортогональным направлениям. В процессе многолетнего применения ПК ЛИРА была выявлена зависимость величин подобранной арматуры от порядка рассмотрения РСУ, РСН или усилий от отдельных загружений. С целью минимизации подбираемой арматуры в двух направлениях производится упорядочивание сочетаний в порядке возрастания напряжений.
Подбор поперечной арматуры выполняется из условий прочности по перерезывающей силе как для одноосного напряженного состояния при учете каждого из направлений усилий (Qx, Qy) раздельно в соответствии с нормами [53].
Поперечная арматура для балок-стенок не вычисляется.
Принцип работы алгоритма следующий.
Первоначально определяется поперечное армирование для направлений X1 и Y1 независимо. Для стандартизации перехода к произвольному шагу поперечной арматуры, реализован алгоритм побора поперечной арматуры при шаге 100 см.
Побор поперечной арматуры для пластин выполняется в соответствии с п.п. 3.31-3.33 [54]. При вычислении усилия в хомутах на единицу длины (qsw) определяются qswi для c0i (длина проекции наклонной трещины на продольную ось элемента). C0max=2*h0; c0min=h0 (h0= H (толщина пластины) – a (защитный слой) ). qsw0 определено для с0max. Уменьшая c0 на 10% до c0min, находим qswi . Из всех полученных qswi выбиараем max = qsw. Зная qsw находим Asw. Ширина зоны армирования лежит в пределах с0max=2*h0; c0min=h0.
qsw = Asw*Rsw / S, где
qsw – усилие в хомутах на единицу длины элемента в пределах наклонного сечения.
Rsw - расчетное сопротивление поперечной арматуры растяжению.
Asw - площадь сечения хомутов, расположенных в одной нормальной к продольной оси элемента плоскости, пересекающей наклонное сечение.
S – шаг поперечной арматуры (100 см).
Если условие (72) [53] не выполняется, то выдается сообщение о недостаточной толщине элемента и расчет прекращается.
При анализе результатов подбора поперечной арматуры следует иметь в виду, что для пластин МКЭ дает приближенное решение. При этом погрешность вычисления усилий (напряжений) превышает погрешность вычисления перемещений. В свою очередь, погрешность вычисления перерезывающих сил значительно превышает погрешность вычисления моментов. Особенно это касается треугольных конечных элементов. Наиболее сильно эта погрешность проявляется в местах концентрации напряжений, в частности, в местах примыкания плит к колоннам. Величины перерезывающих сил при этом могут иметь большой разброс. Поперечная арматура, вычисленная по этим значениям, может быть некорректна. Расчет поперечной арматуры в подобных случаях рекомендуется проводить в соответствии с рекомендациями норм по расчету плит на продавливание.
В частности, программный комплекс ИНЖЕНЕРНЫЙ КАЛЬКУЛЯТОР содержит модуль, реализующий именно такой подход.
Исходя из максимальных усилий, действующих в направлении координатных осей, совпадающих с направлениями расположения стержней арматурной сетки, вычисляются максимальные площади сечения арматуры как для изгиба (плита), как центрального сжатия-растяжения (балка-стенка), как внецентренного сжатия-растяжения (оболочка) в одном направлении. Далее проверяются условия прочности. Выбор условий прочности осуществляется в зависимости от положения расчетного сечения (сжатая грань вверху или внизу) и от схемы трещин. В случае необходимости, сечение арматуры увеличивается с шагом 5% до соблюдения условий прочности [16]. Полученные сечения арматуры принимаются в качестве начального приближения.
В дальнейшем выполняется вычисление площадей арматуры, при которых обеспечивается минимум суммарного расхода стали, по условиям прочности. Для этого используется алгоритм координатного спуска с отталкиванием, разработанный для многомерных задач с большим числом ограничений.
После определения армирования по прочности выполняется проверка ширины раскрытия трещин поочередно для всех сочетаний усилий. Если для I-го сочетания усилий ( I = 1…m ) ширина непродолжительного или продолжительного раскрытия трещин превышает допустимое значение [53], сечение арматуры в направлении, соответствующем углу
??40 град. (
? – угол между трещиной и осью Х1) увеличивается с шагом 5%. После того, как требования по ограничению ширины будут удовлетворены, производится проверка следующего сочетания усилий в сечении.
В общем случае результаты выдаются в двух строчках:
полная арматура, подобранная по первой и второй группам предельных состояний;
арматура, подобранная по первой группе предельных состояний;
В результате подбора арматуры выдается:
Продольная арматура – площади продольной арматуры (см2) на погонный метр
AS1 (ASx-н) - площадь нижней арматуры по направлению X (для балки-стенки посредине);
AS2 (ASy-н) - площадь верхней арматуры по направлению X;
AS3 (ASx-в) - площадь нижней арматуры по направлению Y (для балки-стенки посредине);
AS4 (ASy-в)- площадь верхней арматуры по направлению Y;
Поперечная арматура - площади поперечной арматуры (см2) на погонный метр
ASW1 - поперечная арматура по направлению X;
ASW2 - поперечная арматура по направлению Y;
Ширина раскрытия трещин - ширина кратковременного и длительного раскрытия трещин (мм).
Проверка заданного армирования
Проверка армирования
производится в системе ЛАВР.
Сначала
выполняется ввод или корректировка продольной и поперечной арматуры в сечении. Порядок ввода или корректировки продольной арматуры следующий:
выбирается тип продольной арматуры (нижняя X1, Y1 или верхняя X1, Y1);
при расстановке арматурных стержней на 1 п.м. из списка выбирается диаметр и задается количество стержней на 1 погонный метр (площадь арматуры будет вычислена);
если расстановка не требуется, то вводится площадь арматуры в см2 на 1 п.м..
Порядок ввода или корректировки поперечной арматуры следующий:
выбирается тип поперечной арматуры вдоль оси X1 или вдоль оси Y1);
вводится величина интенсивности поперечной арматуры в тс*м/п.м.,либо вводится шаг (м) и площадь поперечной арматуры в см2 для этого шага (интенсивность будет вычислена);
Проверка поперечного армирования производится по максимальной (из двух направление) перерезывающей силе. Если поперечной арматуры в одном из направлений не достаточно, то выдается сообщение: “Сечение не проходит по условию проверки поперечной арматуры на действие поперечной силы”.
Расчет прекращается.
Далее выполняется проверка продольной арматуры по первой и второй группе предельных состояний на действие изгибающих и крутящего моментов и осевых сил. Если арматуры не достаточно, то выдаются сообщения: “Сечение не проходит по условиям прочности” или «Сечение не проходит по условиям трещиностойкости».
Армирование стержневых элементов
Модуль армирования СТЕРЖЕНЬ производит подбор арматуры в стержневых элементах от следующих усилий:
- нормальной силы (сжатие или растяжение) N;
- крутящего момента Mk ;
- изгибающих моментов в двух плоскостях My, Mz;
- перерезывающих сил в двух плоскостях Qy, Qz.
Расчет выполняется по первой (прочность) и второй (трещиностойкость) группе предельных состояний.
Допустимые формы сечения: прямоугольник, тавр с полкой внизу, тавр с полкой вверху, двутавр, коробчатое сечение, кольцо, круг, крестовое сечение, уголок, тавр со смещенной стенкой полка внизу, тавр со смещенной стенкой полка вверху.
При подборе продольной арматуры предельное состояние сечения принято в соответствии с [53]: сжатая зона бетона с расчетным напряжением, с контролем относительной высоты (в зависимости от класса бетона), растянутая и сжатая арматура с расчетными сопротивлениями стали.
Алгоритм имеет две ветви: для плоского случая (при наличии изгибающего момента в одной плоскости и нормальной силы) и для пространственного случая (при наличии изгибающих моментов в 2-х плоскостях и нормальной силы).
В плоском случае всегда рассчитывается тавровое сечение с полкой в сжатой зоне. При необходимости полка уничтожается путем назначения для нее нулевой высоты.
В пространственном случае сечение разбивается на элементарные прямоугольные площадки. Предельное состояние находится итерациями. Сечение принимается линейно упругим на каждом шаге итерации. Из сечения удаляется растянутый и перенапряженный бетон, а также перенапряженная арматура. При удалении перенапряженных элементарных площадок внешние усилия снижаются до величины, которую способны воспринять перенапряженные элементы сечения при их расчетных сопротивлениях. Затем пересчитываются геометрические характеристики преобразованного сечения и итерации продолжаются до тех пор, пока на 2-х смежных шагах не произойдет изменений в сечении или не наступит «вырождение» сечения. В последнем случае увеличивается площадь арматуры и итерационный цикл повторяется.
Производится контроль процента армирования. Если превышены 5%, выдается сообщение с рекомендацией увеличить размеры сечения или повысить классы материалов.
В пространственном случае, кроме того, контролируется предельная площадь сжатой зоны, величина которой увеличивается при наличии сжимающей нормальной силы.
Площадь продольной и поперечной арматуры, обусловленной кручением, определяется по методике, изложенной в работе [52].
При наличии сжимающей силы учитывается влияние прогиба в соответствии с [53]. Если условная критическая сила оказывается меньше сжимающей, производится увеличение критической силы за счет увеличения процента армирования, но не более 7%.
Проверяется способность сечения воспринять крутящий момент и поперечную силу в соответствии с требованиями пп.3.30 и 3.37 [53].
Каждое сечение проверяется на полученное из линейного расчета количество расчетных сочетаний усилий (РСУ). Чтобы учесть возможность появления сжатой арматуры в последующих расчетных сочетаниях, организован цикл с коэффициентами к усилиям 0.6, 0.9, 1.0 и цикл по расчетным сочетаниям, на каждом шаге которого учитывается арматура, полученная из предыдущих сочетаниях усилий.
Расчетные сочетания усилий формируются в результате линейного расчета, либо задаются пользователем в автономном режиме. Критериями выбора РСУ являются экстремальные напряжения в периферийных зонах сечения. Всего для стержня проверяются до 34 критерия. Совпадающие РСУ отсекаются.
Формируются две внутренние группы РСУ: с наличием кратковременных нагрузок, суммарная длительность которых мала (группа В) и без таковых (группа А). Для этих двух групп РСУ применяются различные коэффициенты условий работы бетона
gb2 (табл. 15 [53]). В расчете также можно использовать РСН или усилия, полученные после расчета всей схемы.
Модуль учитывает в расчете арматуру, устанавливаемую по конструктивным требованиям. Для изгибаемых элементов это стержни Æ 10мм в углах сечения, для сжатых элементов - стержни Æ 16 мм или Æ 12 мм для малых сечений.
Проверяются также минимальные проценты армирования в соответствии с [53]. При больших размерах сечения по сторонам ставится конструктивная арматура. При необходимости можно отказаться от конструктивных требований [53].
Модуль СТЕРЖЕНЬ опирается на нормативную базу, в которой содержатся расчетные и нормативные характеристики материалов, а также процедуры для определения геометрических характеристик бетонного сечения.
По требованию пользователя выполняется расчет ширины раскрытия трещин. Допускаемая ширина продолжительного и непродолжительного раскрытия трещин задается пользователем. Нулевую ширину раскрытия трещин задавать запрещено.
Предусмотрен признак особых условий работы стержня:
0 - обычный стержень;
1 - балка;
2 - нижние колонны первого этажа многоэтажного каркасного здания;
3 - другие колонны многоэтажного каркасного здания.
Особые условия 2 и 3 введены по рекомендациям п.3.56 [54].
Поперечная сила воспринимается бетоном и поперечной арматурой. Модуль использует методику, изложенную в [33,34].
По желанию пользователя может быть выполнено симметричное армирование либо несимметричное армирование, относительно местных осей сечения Y1 или Z1.
Как правило, для изгибаемых элементов (балки) назначают несимметричное армирование (обычно относительно горизонтальной оси Y1).
Для колонн, как правило, назначают симметричное армирование, поскольку в колоннах изгибающие моменты обусловлены главным образом знакопеременными нагрузками. Несимметричное армирование колонн может быть оправдано при наличии значительных местных нагрузок (например, давления грунта). Пользователю достаточно назначить несимметричное армирование, не определяя ось, относительно которой отсутствует симметрия. Эта ось определяется автоматически, путем анализа расчетных сочетаний усилий.
В общем случае результаты для каждого сечения выдаются в трех строчках:
полная арматура, подобранная по первой и второй группам предельных состояний;
арматура, подобранная по первой группе предельных состояний;
часть арматуры, обусловленная кручением.
В необходимых случаях печать сопровождается сообщениями об ошибках или предупредительными сообщениями. В выходных таблицах выдаются также проценты армирования, сечения поперечной арматуры в двух направлениях и ширина раскрытия трещин.
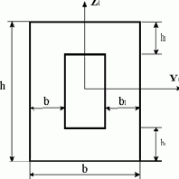
При расчете тавровых сечений учитываются конструктивные стержни в полках тавра, площадь которых не входит в результаты AS1 и AS2 (Рис. 14.1).
В модуле СТЕРЖЕНЬ реализовано два алгоритма подбора арматуры, которые выбираются пользователем:
-алгоритм дискретной арматуры
с приоритетным расположением стержней в угловых зонах сечения обеспечивает наиболее рациональное расположение арматуры, так как угловые стержни воспринимают изгибающие моменты обоих направлений. По сравнению с алгоритмом распределенной арматуры этот подход, как правило, позволяет уменьшить требуемую площадь арматурных стержней;
-алгоритм распределенной арматуры
с равномерным расположением расчетных площадей по сторонам сечения реализован в прежних программных комплексах семейства ЛИРА. По сравнению с алгоритмом дискретного армирования такой подход приводит к перерасходу арматуры. Однако в этом случае пользователю предоставляется возможность произвести выбор диаметров и расстановку арматурных стержней самостоятельно.
Основной алгоритм, реализованный в модуле СТЕРЖЕНЬ, при подборе арматуры отдает предпочтение угловым стержням (в пределах установленного пользователем ограничения на максимальный диаметр арматуры). Это обусловлено тем, что угловые стержни способны наиболее эффективно воспринимать изгибающие моменты разных направлений. Например, при проверке внецентренно сжатого стержня из плоскости действия основного момента в подавляющем большинстве случаев оказывается достаточным площади угловых стержней, подобранных при расчете в плоскости действия основного момента.
Кроме этого угловые стержни, как правило, устанавливаются по условиям конструирования железобетонного элемента. При проектировании колонн не рекомендуется ограничивать сортамент арматуры, т.к. при этом алгоритм не будет иметь возможности расположить в углах стержни большого диаметра, что представляется наиболее целесообразным.
Алгоритм распределенной арматуры не допускается в следующих случаях:
при расчете пространственного стержня, в котором один из изгибающих моментов (MY или MZ) превышает другой на 10%;
при наличии арматуры, обусловленной действием крутящего момента, которая располагается по сторонам сечения и не может быть “размазана”;
в двутавровом сечении;
при наличии преобладающего момента MZ.
В результате подбора арматуры выдаются следующие величины (обозначения показаны на Рис. 14.1).
1. Продольная арматура (площади продольной арматуры (см2) и процент армирования)
AU1 - площадь угловой нижней продольной арматуры (в левом нижнем углу сечения);
AU2 - площадь угловой нижней продольной арматуры (в правом нижнем углу сечения);
AU3 - площадь угловой верхней продольной арматуры (в левом верхнем углу сечения);
AU4 - площадь угловой верхней продольной арматуры (в правом верхнем углу сечения);
AS1 - площадь нижней продольной арматуры;
AS2 - площадь верхней продольной арматуры;
AS3 - площадь боковой продольной арматуры (у левой кромки сечения);
AS4 - площадь боковой продольной арматуры (у правой кромки сечения);
2. Поперечная арматура (площади поперечной арматуры (см2), подобранной при шаге хомутов 100 см)
ASW1 - вертикальная поперечная арматура;
ASW2 - горизонтальная поперечная арматура;
Выдается также ширина кратковременного и длительного раскрытия трещин (мм).
При подборе арматуры с приоритетом угловых стержней в таблице результатов площади угловых стержней будут выведены в графах AU1, AU2, AU3, AU4, а в графах AS1, AS2, AS3, AS4 – площади арматуры, за исключением площадей угловых стержней.
Рис. 14.1
Если был использован алгоритм распределенной арматуры с равномерным расположением расчетных площадей вдоль сторон сечения, то угловая арматура AU1, AU2, AU3, AU4 будет входить в величины AS1, AS2.
Для балок рекомендуется назначать несимметричное армирование относительно горизонтальной оси сечения, а для колонн – симметричное, поскольку в колоннах изгибающие моменты обусловлены, главным образом, знакопеременными воздействиями. Несимметричное армирование колонн может быть оправдано при наличии значительных местных горизонтальных нагрузок (например, давление грунта) или значительных крановых нагрузок. При этом алгоритм автоматически выбирает тип несимметричного армирования, относительно горизонтальной Y1 или вертикальной Z1 оси сечения, анализируя величины изгибающих моментов. Несимметричное армирование относительно оси Z реализовано только для прямоугольного и коробчатого сечений. В сечениях типа крест (S9), уголок (S10), тавр со смещенной стенкой (S11, S12) всегда выдается несимметричное армирование.
Библиотека конечных элементов для физически нелинейных задач
Конечные элементы предназначены для моделирования и анализа напряженно-деформированного состояния конструкций с учетом физической нелинейности материала, из которого они выполнены.
Библиотека конечных элементов для линейных задач
Состав библиотеки конечных элементов для линейных задач приведен в табл. 1.1.
Таблица 1.1
№№ КЭ
|
Наименование КЭ
|
Признак схемы
|
Плоскость расположения
|
Степени свободы
|
Комментарий
|
1
|
2
|
3
|
4
|
5
|
6
|
10
|
Универсальный стержень
|
1
2
3
4
5
|
произ-вольно
|
X, Y, Z, UX, UY, UZ
|
1.Допускается наличие упругого основания в двух плоскостях.
2.Предусмотрен учет сдвиговой жесткости и обжатия.
|
1
|
Стержень плоской фермы
|
1
|
XOZ
|
X, Z
|
Частный случай
КЭ-10
|
2
|
Стержень плоской рамы
|
2
|
XOZ
|
X, Z, UY
|
Частный случай
КЭ-10
|
3
|
Стержень балочного ростверка
|
3
|
XOY
|
Z, UX, UY
|
Частный случай
КЭ-10
|
4
|
Стержень пространственной фермы
|
4
|
произ-вольно
|
X, Y, Z
|
Частный случай
КЭ-10
|
5
|
Пространственный стержень без учета сдвига
|
5
|
произ-вольно
|
X, Y, Z, UX,
UY, UZ
|
Частный случай
КЭ-10
|
11
|
Универсальный прямоугольный конечный элемент плиты
|
3,5
|
XOY
|
Z, UX, UY
|
Допускается наличие упругого основания.
|
1
|
2
|
3
|
4
|
5
|
6
|
12
|
Универсальный треугольный конечный элемент плиты
|
3,5
|
XOY
|
Z, UX, UY
|
Допускается наличие упругого основания.
|
21 (23)
|
Универсальный прямоугольный конечный элемент плоской задачи теории упругости (балка-стенка)
|
1,2,5 (4,5)
|
XOZ произ-вольно
|
X, Z
(X, Y, Z)
|
Допускаются следующие виды плоской задачи теории упругости: плоское напряженное состояние; плоская деформация.
|
22 (24)
|
Универсальный треугольный конечный элемент плоской задачи теории упругости (балка-стенка)
|
1,2,5 (4,5)
|
XOZ
произ-вольно
|
X, Z
(X, Y, Z)
|
|
1
|
2
|
3
|
4
|
5
|
6
|
27
(30)
|
Универсальный четырехугольный (восьмиузловой) конечный элемент плоской задачи теории упругости (балка-стенка)
|
4, 5
(1, 2)
|
произ-вольно
(XOZ)
|
X, Y, Z
(X, Z)
|
Наличие
узлов 5, 6, 7 и
8 необязательно.
|
31
|
Параллелепипед
|
4, 5
|
произ-вольно
|
X, Y, Z
|
|
32
|
Тетраэдр
|
4, 5
|
произ-вольно
|
X, Y, Z
|
|
33
|
Трехгранная призма
|
4, 5
|
произ-вольно
|
X, Y, Z
|
|
1
|
2
|
3
|
4
|
5
|
6
|
34
|
Универсальный пространственный
изопараметрический шестиузловой
конечный элемент
|
4, 5
|
произ-вольно
|
Z, UX, U, Y
|
|
36
|
Универсальный пространственный изопараметрический восьмиузловой конечный элемент
|
4, 5
|
произ-вольно
|
X ,Y, Z
|
|
41
|
Универсальный прямоугольный элемент оболочки
|
5
|
произ-вольно
|
X, Y, Z UX, UY, UZ
|
Допускается наличие упругого основания.
|
42
|
Универсальный треугольный элемент оболочки
|
5
|
произ-вольно
|
X, Y, Z, UX, UY, UZ
|
|
1
|
2
|
3
|
4
|
5
|
6
|
44
|
Универсальный четырехугольный конечный элемент оболочки
|
5
|
произ-вольно
|
X, Y, Z, UX, UY, UZ
|
|
51
|
Одноузловой элемент связи конечной жесткости
|
5
|
вдоль осей глобальной системы координат
|
X, Y, Z, UX, UY, UZ
|
Применяется для учета податливости опорной связи
|
53
|
Законтурный двухузловой конечный элемент упругого основания
|
3,4,5
|
XOY
|
Z
|
Учитывает влияние полосы грунта за пределами конструкции
|
54
|
Законтурный одноузловой конечный элемент упругого основания
|
3 4 5
|
XOY
|
Z
|
Учитывает сдвиговое влияние угловой зоны грунта за пределами конструкции
|
1
|
2
|
3
|
4
|
5
|
6
|
55
|
Упругая связь между узлами
|
1-5
|
вдоль осей глобальной системы координат
|
X, Y, Z, UX, UY, UZ
|
Учет податливости стыков в конструкции
|
|
|
|
|
|
|
|
Библиотека конечных элементов для геометрически нелинейных задач
Моделирование геометрической нелинейности производится с помощью конечных элементов, учитывающих изменение геометрии конструкции и работу мембранной группы напряжений (усилий) на новых перемещениях, что позволяет рассчитывать мембранные и вантовые конструкции.
При расчете геометрически нелинейных систем считается, что закон Гука соблюдается. На каждом шаге происходит учет мембранной группы усилий (для стержней – учет продольной силы) при построении матрицы жесткости.
Для решения геометрически нелинейных задач реализован автоматический выбор шага нагружения. Это сделано для того, чтобы при расчете изначально геометрически изменяемых систем, прежде всего найти их равновесную форму (например, нить, изначально имеющая форму параболы, нагружена сосредоточенной силой). При этом для достижения необходимой точности первый шаг должен быть достаточно мелким.
Состав библиотеки приведен в табл. 7.8.
Таблица 7.8
№№
КЭ
|
Наименование КЭ
|
Признак схемы
|
Плоскость расположения
|
Степени свободы
|
1
|
2
|
3
|
4
|
5
|
310
|
Универсальный пространственный стержневой конечный элемент (нить)
|
1
2
4
5
|
произ-вольно
|
U,V,W
UX, UY, UZ
|
308
|
Специальный стержневой конечный элемент предварительного натяжения
|
1
2
4
5
|
произ-вольно
|
U,V,W
|
1
|
2
|
3
|
4
|
5
|
341
|
Прямоугольный элемент оболочки (мембрана)
|
5
|
произ-вольно
|
U, V, W,
UX, UY, UZ
|
342
|
Треугольный элемент оболочки
(мембрана)
|
5
|
произ-вольно
|
U,V,W,
UX, UY, UZ
|
344
|
Четырехугольный элемент оболочки (мембрана)
|
5
|
произ-вольно
|
U,V,W,
UX, UY, UZ
|
Библиотека законов деформирования материалов
Библиотека законов деформирования основного и армирующего материалов приведена в табл. 7.2. Для бетона прочностные характеристики приняты в соответствии с [16].
Таблица 7.2.
Индекс закона
|
Вид зависимости
|
Поле параметров
|
1
|
2
|
3
|
11
21
31
|
Экспоненциальная зависимость
|
- начальное значение модуля Юнга на сжатие;
- предельное значение напряжения на сжатие (отрицательное значение);
- начальное значение модуля Юнга на растяжение;
-
предельное значение напряжения на растяжение.
Предоставляется возможность задавать предельное значение деформации и коэффициент запаса по обобщенному напряжению.
Закон с индексом 11
может быть применен для любого материала, как основного, так и армирующего.
Закон с индексом 21
формируется автоматически в соответствии с расчетной прочностью классов бетона.
Закон с индексом 31
автоматически в соответствии с нормативной прочностью классов бетона.
Сцепление с армирующим материалом не учитывается
|
1
|
2
|
3
|
14
|
Кусочно-линейная зависимость
|
-
деформация в промежуточной точке;
- напряжение в промежуточной точке.
- характеристики ветви сжатия являются отрицательными числами;
- участки задаются слева направо (сжатие-растяжение) ;
Количество i-точек не ограничено.
Алгоритм: если значение обобщенной деформации выходит за пределы заданной ломаной, моделируется выключение материала (Ei = 1) элементарной площадки из работы сечения.
Ограничения: - горизонтальные участки задавать запрещено.
Закон с индексом 14
может быть применен для любого материала, как основного, так и армирующего.
|
15
25
35
|
Экспоненциальная зависимость для железобетона
|
- начальное значение модуля Юнга на сжатие;
- предельное сопротивление на сжатие;
-
предельная деформация на сжатие (отрицательное число);
- начальное значение модуля Юнга на растяжение;
- предельное сопротивление на растяжение;
-
предельная деформация на растяжение. Закон с индексом 25 формируется автоматически в соответствии с расчетной прочностью классов бетона.
Закон с индексом 35 формируется автоматически в соответствии с нормативной прочностью классов бетона.
Учитывается сцепление с армирующим материалом
|
Документирование
Кроме привычных для многих поколений пользователей стандартных таблиц по каждому разделу результатов счета, реализована возможность формирования отчета в интерактивном режиме. Автоматически формируется пояснительная записка, содержащая общую информацию о данной задаче.
Для интерактивных таблиц предусмотрен набор редактируемых форм (шапок) таблиц. Таким образом, имеется возможность создания таблиц любого вида и формирования из них отчета с размещением информации на листах графического документатора.
Графическое документирование позволяет формировать также и набор листов с графической информацией. Графические документы создаются вне зависимости от печатающего устройства. По желанию могут быть получены твердые копии, как каждого сформированного листа, так и всего набора графических документов, созданных и отредактированных заранее. На листы с графической информацией могут быть помещены: расчетные схемы, схемы деформирования, эпюры усилий, мозаики и изополя деформаций и усилий, а также цифровая информация из интерактивных таблиц.
Двухузловой элемент одностоpонней связи (тип КЭ -
Данный конечный элемент предназначен для моделирования связи, воспринимающей либо растяжения, либо сжатие вдоль оси местной оси Х1. Правило образования местной системы координат аналогично КЭ 10. Задание ограничений на перемещения в одном и том же узле по двум и более направлениям моделируется несколькими конечными элементами.
Главные напряжения
Главные напряжения вычисляются в соответствии с видом напряженно-деформированного состояния (НДС), полученного в результате расчета схемы. Каждый тип конечных элементов обладает определенными особенностями, соответствующими тому НДС, которое ими моделируется при создании расчетной схемы. Так, например, КЭ балки-стенки моделируют плоское напряженное состояние и т.п.
В общем случае НДС в точке тела описывается шестью осевыми компонентами тензора напряжений:
(12.1)
Возможны случаи, когда какие-либо напряжения равны нулю. Для плоского НДС, например, тензор напряжений принимает вид:
(12.2)
В любом случае главные напряжения выстраиваются так: N1³N2³N3.
Глобальная, местная и локальная системы координат
В ПК ЛИРА на уровне задания, обработки и анализа принимаются три системы координат:
- глобальная (или общая)
- местная
- локальная.
Глобальная система координат XYZ - всегда правая декартовая - служит для описания координат узлов всей схемы, для определения направления степеней свободы, идентификации перемещений узлов.
Местная система координат X1 Y1 Z1
- всегда правая декартовая - является атрибутом каждого конечного
элемента. Общее правило ориентации местной системы координат для элемента следующее. Ось Х1 - направлена от первого узла ко второму. Направление осей Y1, и Z1
определяется для стержней углом чистого вращения, а для плоскостных элементов - плоскостью элемента. Местная система координат служит для задания местной нагрузки, идентификации усилий и напряжений в элементе и ориентации арматуры.
Локальная система координат X2 Y22 Z2
- всегда правая декартовая -
является атрибутом каждого
узла схемы. В общем случае локальная система координат совпадает с глобальной. Однако локальная система координат оказывается удобной при работе с цилиндрическими, сферическими схемами или при наложении связей и расчете на заданные перемещения по направлениям, не совпадающим с глобальной системой координат. При расчете цилиндрических или сферических конструкций удобно оперировать цифровыми значениями радиальных, меридиональных и широтных перемещений. При расчете на заданные перемещения или при наличии связей, не совпадающих с направлением глобальной системы координат можно также применять локальную систему координат.
Исследование напряженно-деформированного состояния балки-стенки Пример
В этом примере рассматривается задача плоского напряженного состояния. Объектом расчета есть балка-стенка, защемленная по своей нижней грани. К противоположной грани приложены нагрузки.
Балка-стенка имеет размеры 6х3м (рис. 1.14), толщину 15см.
Ставится задача вычисления главных и эквивалентных напряжений в одном расчетном сочетании сосредоточенных нагрузок. Схема нагружения показана на рис.1.14.
Заданы нагрузки Р = 1тс, Р1 = 0.5 тс. Расчет производится для сетки 12 х 6.
Исследование напряженно-деформированного состояния конструкций, работающих совместно с основанием
Все конечные элементы в ПК ЛИРА воспринимают упругое основание в соответствии с моделью Пастернака. Однако чаще всего используют модель основания Винклера.
Механические свойства модели Винклера характеризуются коэффициентом жесткости (постели) C1. По физическому смыслу коэффициент жесткости есть усилие, которое необходимо приложить к 1 м2
поверхности основания, чтобы последнее осело на 1 м. Размерность C1 - тс/м3
(кН/м3).
Для реализации модели Винклера используются КЭ № 51.
Для нелинейной задачи системы с односторонними связями в программном комплексе используется КЭ № 261. Этот элемент моделирует односторонние дискретные связи основания Винклера и позволяет учесть эффекты отрыва конструкции от основания.
В примерах этого раздела применены КЭ № 51 и № 261.
КЭ объемного НДС
Определение главных напряжений в этом случае производится из решения кубического уравнения.
(12.7)
где :
Корни уравнения (12.7):
(12.8)
где :
Главные напряжения:
(12.9)
Затем вычисляются направляющие косинусы углов наклона осей к осям местной системы координат КЭ из системы уравнений вида:
(12.10)
где i=1,2,3.
Решив систему трижды, получим матрицу направляющих косинусов:
(12.11)
В этом случае вычисляются три угла Эйлера, определяющие положение трех главных напряжений относительно местной системы координат (рис. 12.1):
- q (тета)- угол (нутации) между положительными направлениями осей OZ1 и N3 (0 £ q £ p);
- y (пси) - угол (прецессии) между осью OX1 и осью OA (линия пересечения плоскостей X1OY1 и N1ON2), положительное направление которой выбирается так, что OA, OZ1 и N3 образуют правую тройку. Угол y
отсчитывается от оси OX1 к OY1 (0 £ y £ 2p)
- j - (фи) - угол (чистого вращения) между осями N1 и ОA отсчитывается от оси N1 к N2 (0 £ j £ 2p).
Значения углов Эйлера определяются так:
q = arccos (n3) (12.12)
При q = 0, j = 0, y = arcsin (m1),
причем если l1
< 0, то y
= p-arcsin
(m1).
Если y < 0, то y
=y
+2p
. (12.13)
При q ¹ 0
, причем если
,
то
Если y < 0, то y
=y
+2p
. (12.14)
Далее
причем если
,
то
.
Если j < 0, то j
= j
+2p
.
Рис. 12.1
КЭ оболочки
Моделируется напряженное состояние (в плоскости X1OY1), характеризуемое нормальными и касательными напряжениями в срединной поверхности, а также изгибными усилиями.
Осевые напряжения вычисляются для нижней и верхней поверхностей:
(12.15)
Главные напряжения для этих поверхностей вычисляются по формулам (12.3) и (12.4).
В срединной поверхности игнорируется влияние напряжений Txy, Tyz от перерезывающих сил.
КЭ плиты
Моделируется напряженное состояние в плоскости X1OY1, характеризуемое изгибными усилиями. Осевые напряжения вычисляются для нижней и верхней поверхностей:
(12.5)
h-толщина плиты.
Главные напряжения и углы их наклона вычисляются по формулам (12.3) и (12.4).
В срединной поверхности возникают касательные напряжения:
(12.6)
которые при вычислении главных напряжений игнорируются.
КЭ плоской задачи теории упругости
Моделируется плоское напряженное состояние в плоскости X1OZ1.
Главные напряжения вычисляются в центре тяжести каждого элемента в его срединной поверхности:
(12.3)
Угол наклона наибольшего главного напряжения N1 к оси X1:
(12.4)
Конечные элементы для решения пространственной задачи теории упругости
Предназначены для определения напряженно-деформированного состояния континуальных объектов и массивных пространственных конструкций в постановке физически-нелинейной теории упругости. При этом предполагается, что в начальной стадии материал обладает изотропными свойствами, а при биматериальности - конструктивно-ортотропными (железобетон, фибробетон, композиты и др.).
При расчете применяется шагово-итерационный метод.
Элементы матрицы жесткости произвольного объемного элемента определяются по схеме численного интегрирования МКЭ в приращениях:
, (7.7)
где:
e - вектор деформаций;
V
- область элемента;
Е
- матрица упругости k-того шага.
Определение новых значений элементов матрицы упругости производится в центре тяжести КЭ по выбранным нелинейным законам деформирования материала на основании главных деформаций ?1, ?2, ?3.
Конечные элементы плоской деформации грунтов
Предназначены для исследования плоской деформации грунтов. Данные элементы аналогичны КЭ 221, 222, 224. Учет специфики грунтов производится на основании зависимости Мора-Кулона для максимального касательного напряжения [50, 51]:
?1-?2
? -sin(?) (?1-?2)+2 C cos(?), (7.6)
где
?1??2 – главные напряжения;
С – сдвиговое сцепление;
? – угол внутреннего трения.
Расчет производится шагово-итерационным методом.
Конечные элементы тонких пластин и пологих оболочек
Предназначены для решения плоской задачи теории упругости (плоское напряженное состояние и плоская деформация), а также прочностного расчета тонких и пологих оболочек с учетом физической нелинейности материала.
Теоретические сведения о конечно-элементном подходе к решению задачи изгиба и плоской задачи теории упругости справедливы и для плоских физически-нелинейных конечных элементов.
Элементы матрицы жесткости определяются с использованием численного интегрирования в следующей форме:
, (7.3)
где: ? -область конечного элемента;
[Е ] - матрица интегральных жесткостей k-го шага;
{e} - вектор деформаций.
Размерность и компоненты матрицы упругих характеристик зависят от типа конечного элемента. Матрица упругих характеристик конечного элемента плоской пологой оболочки (тип КЭ 241, 242 и 244) имеет вид, представленный в табл. 7.7.:
Таблица 7.7
F1
|
F2
|
|
C1
|
C2
|
|
F3
|
F4
|
|
C3
|
C4
|
|
|
|
F5
|
|
|
C5
|
C1
|
C2
|
|
D1
|
D2
|
|
C3
|
C4
|
|
D3
|
D4
|
|
|
|
C5
|
|
|
D5
|
где:
Fi- интегральные жесткости плоского напряженного состояния;
Di- интегральные жесткости задачи изгиба;
Сi- интегральные жесткости взаимовлияния этих двух состояний.
Интегральные жесткости вычисляются численным интегрированием по толщине оболочки с учетом наличия арматурных включений. Они зависят от положения точки в плане.
Например:
;
; (7.4)
,
где:
Eб(z) - модуль Юнга основного материала сечения (бетона);
Eа(z) - модуль Юнга армирующего материала;
?(z) - коэффициент Пуассона в точке;
n - число арматурных включений по толщине сечения оболочки.
Конечные элементы плоской задачи (КЭ 221 ¸ 230) представляют собой частные случаи конечного элемента оболочки.
Для них интегральные жесткости изгиба и взаимовлияния равны нулю. Для решения плоской задачи применяется шагово-итерационный метод.
Определение новых значений модуля Юнга и приведенного коэффициента Пуассона производится по выбранному пользователем закону деформирования материала (табл. 7.2), на основании определенной в данной точке обобщенной деформации:
, (7.5)
для оболочек и на основании ?1, ?2
для плоской задачи.
Определение прочности двухкомпонентного (железобетонного) элемента производится на каждом шаге приложения нагрузки по полученным напряжениям и деформациям в центре тяжести КЭ.
Проверяются условия прочности основного материала (бетона) по главным напряжениям (s1, s2) и деформациям (e1, e2) в соответствии с заданным законом деформирования материала. При этом фиксируется образование одиночных и перекрестных трещин или выкалывание материала при сжатии.
Прочность арматуры в элементе с трещинами определяется с учетом нагельного эффекта в соответствии с [6],
при этом фиксируется текучесть, разрывы или смятие (срез) арматуры.
Для элементов бетонных и железобетонных стержней и оболочек определяется также прочность сечений в соответствии с действующими нормами.
Вся информация о состоянии КЭ на каждом шаге выдается в текстовый файл «Сведения о состоянии материала».
Конечные элементы тонких пологих оболочек
Предназначены для прочностного расчета тонких пологих оболочек с учетом геометрической нелинейности, а также мембран.
Могут работать как элементы мембраны.
Для учета геометрической нелинейности оболочки считается, что выполняется закон Гука при следующем виде деформаций:
;
; (7.9)
.
Конечный элемент предварительного натяжения
Элемент ориентирован на создание предварительного натяжения. Первое загружение данного элемента (или группы элементов этого типа) в расчетной схеме обеспечивает появление в нем заданного усилия. Для последующих загружений КЭ 308 работает как КЭ 310. Каждый узел элемента имеет одну степень свободы – перемещение вдоль местной оси Х1 и воспринимает только продольное усилие.
Конструирование колонны и ригеля железобетонной рамы Пример
В этом примере демонстрируется процедура конструирования элементов рамы. Здесь используются данные расчета примера 2. Предполагается, что пользователь закончил пример 2 и, не покидая систему ЛИР-АРМ, выполнит конструирование элементов.
Этапы и операции
|
Команда и ее инстру-мент
|
Ваши действия
|
Рекомендации и комментарии
|
3.1.Вывод на экран чертежа колонны
|
п.6.104
|
После щелчка по кнопке инструмента, на расчетной схеме укажите стойку рамы, которой в системе ЛИР-АРМ присвоен конструктивный элемент «Колонна», вызвав диалоговое окно «Армирование колонны». В этом диалоговом окне щелкните по кнопке Чертеж.
|
На экран выводится чертеж стойки рамы.
|
3.2.Вызов чертежа балки
|
3.2.1.Вызов конструирования неразрезной балки
|
п.6.103
|
Укажите на ригель, которому назначен конструктивный элемент «Балка».
|
Загружается подсистема БАЛКА.
|
3.2.2.Выполнение полного расчета балки
|
п.7.44
|
|
|
3.2.3.Вывод эпюры материалов
|
п.7.46
|
|
|
3.2.4.Вызов чертежа балки
|
п.7.47
|
|
|
Конструктивные и унифицированные элементы
Конструктивный элемент - это совокупность нескольких конечных элементов, которые при конструировании будут рассматриваться как единое целое. Если конструктивный элемент состоит из элементов вида БАЛКА, то на схеме он будет обозначаться КБ. Если конструктивный элемент состоит из элементов вида КОЛОННА, то на схеме он будет обозначен КК. Если конструктивный элемент состоит из элементов вида ФЕРМА, то на схеме он будет обозначен КФ. Если конструктивный элемент состоит из элементов вида КАНАТ, то на схеме он будет обозначен К.
В конструктивный элемент могут входить элементы с одинаковым сечением. Между элементами, входящими в конструктивный элемент, не должно быть разрывов, они должны иметь общие узлы и лежать на одной прямой. Конструктивные элементы не могут входить в другие конструктивные элементы и унифицированные группы конечных элементов.
Для расчета выбираются все РСУ, которые возникли во всех сечениях элементов, принадлежащих конструктивному элементу.
Унификация
элементов (унификация конечных элементов) применяется, когда необходимо подобрать одинаковое поперечное сечение нескольких элементов. Тогда для расчета выбираются наиболее опасные РСУ (по тому или другому критерию), которые возникли во всех сечениях элементов унифицированной группы.
Допустимы следующие типы унификации:
все сечения унифицируются между собой;
элементы унифицируются между собой по соответствующим сечениям;
элементы унифицируются между собой с учетом симметрии;
Для унификации по 2 и 3 типу необходимо, чтобы количество расчетных сечений в унифицируемых элементах было одинаковое
Внимание! Унификация по расчетным сочетаниям усилий (РСУ) должна производиться исключительно в пределах ЛИР-СТК. Использование унификации РСУ, подготовленной программой ЛИРА, либо задание 12 строки 0 документа в файле исходных данных, отличной от «12;/» приведет к неверному чтению РСУ подсистемой.
Внимание! Расчет по расчетным сочетаниям нагрузок (РСН) для унифицированных групп не производится! Если элемент, входящий в унифицированную группу, подбирается по РСН, для подбора будут использованы действительные значения расчетных усилий, возникающих в данном элементе, а не наиболее опасные сочетания для всех элементов унифицированной группы.
Подбор сечений унифицированной группы производится на усилия унифицированной группы.
Проверка сечений унифицированной группы производится на усилия, возникающие в данном элементе, а не на усилия унифицированной группы.
Если элементы вида БАЛКА объединены в группу унификации, то на схеме они будут обозначены УБ, а далее номер группы унификации. Для КОЛОНН аналогично УК, а далее номер группы унификации. Для ФЕРМ аналогично УФ, а далее номер группы унификации
Унификация конструктивных элементов
применяется, когда необходимо подобрать одинаковое поперечное сечение элементов. При этом выбираются наиболее опасные РСУ (по тому или иному критерию) из всех элементов унифицированной группы.
Внимание! Унификация по расчетным сочетаниям усилий (РСУ) должна производиться исключительно в пределах ЛИР-СТК. Использование унификации РСУ средствами ПК ЛИРА может привести к неверному чтению РСУ подсистемой.
Внимание! Расчет по расчетным сочетаниям нагрузок (РСН) для унифицированных групп не производится! Если элемент, входящий в унифицированную группу, подбирается по РСН, для подбора будут использованы действительные значения расчетных усилий, возникающие в данном элементе, а не наиболее опасные сочетания для всех элементов унифицированной группы.
Подбор сечений унифицированной группы производится по усилиям унифицированной группы.
Проверка сечений унифицированной группы производится по усилиям, возникающим в данном элементе, а не в унифицированной группе.
Если элементы вида БАЛКА объединены в группу унификации, то на схеме они будут обозначены УГКБ, а далее номер группы унификации. Для КОЛОНН аналогично УГКК, а далее номер группы унификации. Для ФЕРМ аналогично УГКФ, а далее номер группы унификации.
При унификации конструктивных элементов необходимо, чтобы количество элементов, входящих в унифицированные конструктивные элементы, было одинаковым. Сечения элементов также должны быть одинаковыми. Количество расчетных сечений по длине конечного элемента должно быть одинаковым.
Для расчета выбираются все РСУ, которые возникли во всех сечениях элементов, принадлежащих конструктивному элементу.
Локальный расчет
Этот режим работы позволяет рассчитать отдельное стальное сечение по задаваемым расчетным сочетаниям усилий. Режим применяется для выполнения простых инженерных задач, касающихся непосредственно расчета по [18] как по результатам работы ПК ЛИРА, так и без таковых. Допускается производить как подбор, так и проверку элемента. Локальный или автономный расчет позволяет получить весьма подробную
информацию об элементе. В окне локального расчета могут отображаться огибающие эпюры усилий, таблица с исходными данными для расчета элемента и таблица, содержащая подробные результаты расчета элемента и его поперечного сечения.
Моделирование податливости узлов сопряжения элементов
Необходимость учета податливости может возникнуть при соединении колонн с диафрагмами через закладные детали. В этом случае рекомендуется использовать специальный конечный элемент упругой связи между узлами (тип 55). В этом случае колонна должна быть расчленена на элементы между закладными деталями. Узлы, включающие закладные детали колонны, должны иметь нумерацию, отличную от соответствующих узлов диафрагмы. На рис. 9.7 показаны элементы типа 55, моделирующие работу закладных. Так как матрица жёсткости КЭ типа 55 не содержит его длину, то координаты узлов колонны и диафрагмы могут совпадать (узлы 3 и 4, 7 и 8 и т. д.).
Рис 9.7.
Моделирование предварительного напряжения
Такое состояние может быть смоделировано при помощи конечного элемента 308 (форкопф) или же при помощи температурного воздействия.
Если величина предварительного напряжения для одиночного стержня известна, можно определить адекватное температурное воздействие на него.
Но для всей конструкции в целом назначить величину температурного воздействия
Т для моделирования предварительного напряжения
NПН сразу не удастся, так как податливость всех элементов конструкции по заданному направлению ещё не известна.
В качестве первого приближения нужно задать на конструкцию начальную температуру
Тн любой величины, выполнить расчет конструкции на эту температуру, получить величину продольного усилия
N в напрягаемом элементе, а затем окончательно назначить величину температурного воздействия:
ТТн
Аналогично решается задача для случая, когда предварительному напряжению подвержено одновременно несколько стержней.
На рис.9.10.а показана расчетная схема фермы, где вводятся три разные величины предварительного напряжения Х1ПН, Х2ПН, Х3ПН в трёх разных стержнях.
Если величина температурного воздействия на первый стержень равна
Тн1, то на другие стержни:
Тн2
=
Тн1;
Тн3=
Тн1.
Расчет на заданные температурные воздействия (рис.9.10.б) дает усилия в стержнях соответственно N1, N2, N3. Эти усилия противоположны по знаку усилиям предварительного напряжения.
После определения величины
окончательно назначаются необходимые температурные воздействия в стержнях
Т1=А*
Тн1; Т2=А*
Тн2; Т3= А*
Тн3
и окончательно решается задача по схеме (рис.9.10.в), куда добавляются и все другие необходимые загружения.
Усилия в стержнях, напрягаемых температурными воздействиями, противоположны по знаку усилиям от предварительного напряжения, поэтому расчет на заданные температурные воздействия рекомендуется выделять в отдельное загружение. Для остальных элементов конструкции знаки усилий не изменяются.
Если необходимо произвести выбор расчетных сочетаний усилий, рекомендуется:
-загружения температурными воздействиями объявить постоянными;
-выделить предварительно напрягаемые элементы в отдельный список для выбора коэффициентов расчетных сочетаний;
-по этому списку для загружения температурным воздействием задать коэффициенты со знаком минус.
Рис.9.10
Моделирование шарниров в стержневых и плоскостных элементах
Под словом "шарнир" подразумевается освобождение от линейной или угловой связи между узлом схемы и входящим в этот узел концом стержня или узлом конечного элемента.
В стержнях шарниры задаются непосредственно при создании схемы и ориентируются относительно осей местной системы координат X1, Y1, Z1.
Шарнирное крепление стержня к узлам может быть реализовано также при помощи нулевой изгибной жесткости.
При задании шарниров в плоскостных элементах рекомендуется использовать следующий приём: в месте задания шарнира произвести двойную нумерацию узлов разбивки (один из узлов относится к одному, а другой - к другому конечному элементу). Затем объединить соответствующие линейные перемещения этих узлов.
Если в другом направлении шарнир отсутствует, то объединяются также и угловые перемещения тех же узлов в этом направлении.
Если необходимо, например, в плите (рис. 9.8) описать шарнир относительно оси U, то по линии узлов 4, 12, 20, 28, 36 делается двойная нумерация узлов (добавляются узлы 5, 13, 21, 29, 37, координаты которых могут совпадать с координатами узлов 4, 12, 20, 28, 36). Затем попарно объединяются (для узлов 4 и 5, 12 и 13 и т. д.) перемещения по направлениям Z
и UC.
Для элементов оболочек (рис.9.9), кроме того, попарно объединяются линейные перемещения узлов по направлениям C
и U.
Таким же образом поступают при шарнирном креплении элементов оболочки к стержню (рис.9.9). Отдельно нумеруются узлы оболочки и стержня (та же двойная нумерация), а затем попарно объединяются перемещения узлов 1 и 2, 8 и 9, 15 и 16 и т. д. по направлениям C,U и Z.
Если известны линейные податливости в местах установки шарнира, то между узлами двойной нумерации описывается упругая связь (КЭ типа 55). В этом случае объединение перемещений по заданным направлениям исключается.
Рис. 9.8.
Рис. 9.9.
Назначение и возможности
Конструирующая система ЛИР-СТК предназначена для подбора и проверки сечений в стержневых элементах в соответствии с [15, 17, 18]. ЛИР-СТК позволяет варьировать сечениями конструкций. Так, например, заданное в программе ЛИРА железобетонное сечение может быть заменено и рассчитано как стальное.
Расчет выполняется на одно или несколько расчетных сочетаний усилий или нагрузок (РСУ или РСН), полученных из расчета конструкции с помощью ПК ЛИРА, либо без статического расчета конструкции.
Подбор и проверка может производиться в двух режимах:
сквозной режим, в процессе которого производится расчет для всех указанных пользователем элементов в автоматическом режиме;
локальный режим, в процессе которого пользователь может производить многовариантное проектирование — изменять размеры сечения, менять марку стали, варьировать расстановку ребер жесткости и т. п.
Результатами счета являются размеры сечений элементов и проценты использования несущей способности сечений элементов по соответствующим проверкам [18]. Результаты проверки или подбора выдаются в виде текстовых, HTML, Excel таблиц и графических таблиц или копий экрана.
Работа ЛИР-СТК осуществляется на базе нормативных данных, которые содержат сведения о расчетных характеристиках сталей и размерах выпускаемого листового и фасонного проката. База сортамента содержится в системе ЛИР-РС (редактируемый сортамент).
О форме дальнейшего изложения материала
Эта глава рассчитана на пользователя, имеющего некоторый опыт работы в среде ПК ЛИРА. Здесь показана техника исследования, расчета и проектирования стержневых, пластинчатых и комбинированных систем, охватывающих большинство конструкций строительства и машиностроения.
Материал главы представляет собой последовательное изложение примеров исследования, расчета и проектирования. Приведенные примеры взяты из практики реального проектирования. Глобальные цели этих примеров состоят в следующем:
показать возможности, которыми обладает ПК ЛИРА в расчетах и проектировании;
продемонстрировать в сжатой форме технику и инструментарий подготовки модели, расчета и проектирования в среде программного комплекса;
послужить для пользователя справочником по расчету основных типов конструкций;
служить справочником команд и операций ПК ЛИРА;
служить базой типовых исходных данных, позволяющих в режиме корректировки при минимальных затратах времени подготовить модели пользователя (исходные данные в формате *.lir есть на прилагаемом компакт-диске).
Техника расчета и проектирования, представленная в примерах главы, основывается на двух основных управляющих элементах ПК ЛИРА: диалоговых окнах и инструментах команд.
Чтобы придать примерам максимально компактную форму и сделать легко обозримыми, мы приводим их в виде таблицы, состоящей из 4-х граф:
Этапы и операции
|
Команда и ее инструмент
|
Ваши действия
|
Рекомендации и комментарии
|
Этапы и операции первой графы имеют трехуровневую рубрикацию, в которой первая цифра есть номер примера. Рубрикация введена для организации ссылок.
Вторая графа содержит пиктограмму инструмента применяемой команды, а также двухуровневую ссылку на описание самой команды и ее местоположения в ниспадающем меню, приведенном в
Путеводителе. Первая цифра ссылки есть номер раздела в
Путеводителе, вторая – номер команды в списке команд раздела.
В графе « Ваши действия» мы не только перечисляем необходимые действия пользователя, но и приводим точное наименование диалоговых окон, чтобы исключить возможную ошибку в применении команды. В некоторых случаях приводится вся цепочка команд, необходимых для выполнения операции, поименованной в первой графе.
Перечисляя необходимые действия пользователя, мы опускаем некоторые, регулярно повторяющиеся. Так, например, мы редко напоминаем о необходимости щелкнуть по кнопке
Применить, чтобы данные были занесены в память программного комплекса.
Мы также не будем подробно перечислять действия, необходимые для выполнения часто встречающихся операций, таких, например, как выделение узлов или элементов.
Наконец, замечания, относящиеся к единицам измерения сил и весов. В примерах этой главы силы и веса измеряются в единицах, подлежащих изъятию: в тс и т. Их применение вызвано тем обстоятельством, что большинство проектировщиков, пользуясь разрешением СНиП использовать как новые, так и старые единицы измерения, используют именно тс и т.
Однако, пользователь всегда может избрать другие единицы, воспользовавшись диалоговым окном ПК ЛИРА «Единицы измерения».
Объединение перемещений
В ПК ЛИРА предусмотрена возможность задания информации об узлах, имеющих одинаковые перемещения по заданному направлению. Эти перемещения получают один порядковый номер, то есть происходит объединение нескольких неизвестных в системе линейных алгебраических уравнений.
Такой прием позволяет объединять горизонтальные перемещения узлов, принадлежащих перекрытию в плоских многоэтажных рамах, показывая тем самым, что перекрытия представляет собой жесткий диск: продольная сила, могущая возникнуть в перекрытии, ничтожно мала по сравнению с сечением перекрытия, которое её воспринимает.
Очень удобен такой приём в задачах с динамическими воздействиями от ветра или сейсмики в горизонтальном направлении. В этом случае инерционная масса всего перекрытия собирается в один (любой) узел перекрытия.
Сложнее объединять перемещения в пространстве по этажам перекрытия.
Для симметричной многоэтажной рамы, например, можно пренебречь закручиванием её вокруг вертикальной оси. Тогда достаточно объединить перемещения всех узлов перекрытия по направлениям C,U, и схема в этом случае упрощается.
Для случаев, когда центр жёсткости здания не совпадает с центром масс, а также для несимметричных в плане зданий (особенно при недостаточной расстановке диафрагм жёсткости) закручиванием здания пренебречь нельзя. Здесь следует объединять горизонтальные перемещения на уровне перекрытия по рамам. Если считать, что диск перекрытия не может изменять своей формы, то необходимо ещё и объединение перемещений для всего перекрытия по повороту относительно оси Z. Возникает необходимость учесть работу плиты перекрытия установкой, например, крестовых связей. При динамических воздействиях инерционные массы придется прикладывать к каждой из рам на уровне каждого этажа.
Уменьшить число инерционных масс можно с помощью искусственно введённых в расчетную схему траверс. Инерционная масса будет распределяться между рамами на этаже в зависимости от соотношения длины и жёсткости траверс.
Объемные элементы
Критерием для определения опасных сочетаний напряжений в общем случае НДС приняты экстремальные значения среднего напряжения (гидростатического давления) и главных напряжений девиатора. Определяются углы наклона главных напряжений в каждом элементе для каждого загружения. Вычисление производится по формулам:
(5.9)
где :
sф
- нормальное напряжение на площадке с направляющими косинусами
l, т, п
к осям XI, YI, ZI;
Sф - нормальное напряжение девиатора на этой же площадке;
- среднее напряжение.
Процесс выбора организован следующим образом. Для данного элемента вычисляются направляющие косинусы главных площадок по всем загружениям. Если в схеме задано
n
загружений, то будет найдено
Зn
площадок. Затем вычисляются напряжения
Sф
на этих площадках от всех загружений и производится накопление положительных и отрицательных значений напряжений.
В соответствии с этим принято обозначение критериев как трехзначных чисел. Первые две цифры обозначают порядковый номер загружения, на площадках которого вычисляются напряжения от всех загружений. Третья цифра может принимать значения от 1 до 6, которым придается следующий смысл:
1 - положительное суммарное значение напряжения на 1-ой главной площадке;
2 - отрицательное суммарное значение напряжения на 1-ой главной площадке;
3 и 4- то же на 2-ой главной площадке;
5 и 6- то же на 3-ей главной площадке.
Так, например, критерий 143 означает, что на 2-ой главной площадке 14-го загружения получено наибольшее положительное значение напряжения. Критерий 076 означает, что на 3-ей главной площадке 7-го загружения получено наибольшее отрицательное значение напряжения.
Критерии, соответсвующие наибольшему и наименьшему значениям среднего напряжения, обозначаются цифрами 7 и 8 соответственно.
Оболочки
Здесь также применяется аналогичный подход. Напряжения вычисляются на верхней и нижней поверхностях оболочки. При этом учитываются мембранные напряжения и изгибающие усилия по следующим зависимостям:
(5.8)
где:
h - толщина оболочки;
В и
Н —
индексы, означающие принадлежность к верхней и нижней поверхностям. Шаг просмотра угла.a = 10°.
Общее содержание руководства пользователя к программе «ЛИРА», размещенного на CD :
ТОМ 1.
Введение.
Раздел 1 : Работа на компьютере.
1.1. Требования к техническим средствам.
1.2. Установка программного комплекса.
1.3. Порядок работы.
Раздел 2 : «ЛИР-ВИЗОР» - единая графическая среда.
2.1. Основные положения.
2.2. Режим начальной загрузки системы.
2.3. Формирование расчетной схемы.
2.4. Визуализация результатов расчета.
2.5. Документатор.
Раздел 3 :Входной язык.
3.1
|
Архитектура и синтаксис
|
3.2
|
Документ 0 «Заглавный»
|
3.2.1.
|
Структура документа
|
3.2.2
|
Шифp задачи (стpока 1).
|
3.2.3.
|
Пpизнак схемы (стpока 2).
|
3.2.4.
|
Системы кооpдинат (стpока 3).
|
3.2.5.
|
Оpганизация вычисления усилий в пpомежуточных сечениях и усилий в узлах (стpока 4).
|
3.2.6.
|
Оpганизация унификации элементов (стpока 12).
|
3.2.7.
|
Оpганизция pазличных гpупп РСУ (стpока 15).
|
3.2.8.
|
Допускаемое количество кpановых и тоpмозных загpужений, входящих в pасчетные сочетания усилий (стpока 16).
|
3.2.9.
|
Единицы измеpения (стpока 33).
|
3.2.10.
|
Оpганизация pасчета на динамические воздействия (стpока 35).
|
3.2.11.
|
Номеpа узлов стыковки супеpэлементов (стpока 36).
|
3.2.12.
|
Коppектиpовка документа 1 (стpока 38).
|
3.2.13.
|
Имена загpужений (стpока 39).
|
3.3.
|
Документ 1 «Элементы»
|
3.4.
|
Документ 2 «Шарниры»
|
3.5.
|
Документ 3 «Жесткостные характеристики»
|
3.6.
|
Документ 4 «Координаты»
|
3.7.
|
Документ 5 «Связи»
|
3.8.
|
Документ 6 «Типы нагрузок»
|
3.9.
|
Документ 7 «Величины нагрузок»
|
3.10.
|
Документ 8 «Расчетные сочетания нагрузок» (РСУ)
|
3.11.
|
Документ 12 «Локальная система координат узлов».
|
3.12.
|
Документ 14 «Управление количеством узлов с активными массами».
|
3.13.
|
Документ 15 «Организация расчета на динамические воздействия»
|
3.13.1.
|
Сейсмическое воздействие.
|
3.13.2.
|
Ветpовое воздействие с учетом пульсации.
|
3.13.3.
|
Импульсивное воздействие.
|
3.13.4.
|
Удаpное воздействие.
|
3.13.5.
|
Гаpмонические колебания.
|
3.13.6.
|
Аксклеpогpаммы землетpясений.
|
3.13.7.
|
Пpимеp офоpмления стpоки 35 и док.15.
|
3.13.8.
|
Особенности задания инеpционных масс и воздействий в документах 6 и 7.
|
3.13.9.
|
Опpеделение суммаpных усилий от динамических воздействий.
|
3.13.10.
|
Пpимеpы заполнения документов 6 и 7.
|
3.14.
|
Документ 16. «Моделиpование нагpужения».
|
3.15.
|
Сокращение объема исходной информации при наличии регулярности
|
3.16.
|
Специальные системы координат
|
3.16.1.
|
Цилиндpическая система кооpдинат.
|
3.16.2.
|
Сфеpическая и тоpоидальная системы кооpдинат.
|
3.16.3.
|
Растяжение (сжатие) вдоль осей кооpдинат.
|
3.16.4.
|
Повеpхность пеpеноса (паpаболоид).
|
3.16.5.
|
Пеpенос кооpдинат в пpостpанстве.
|
3.16.6.
|
Повоpот в пpостpанстве.
|
3.16.7.
|
Пеpенос с повоpотом в плоскости XOY.
|
3.16.8.
|
Пеpенос с повоpотом в плоскости XOZ.
|
3.16.9.
|
Повеpхность пеpеноса (пpизнак 9).
|
3.16.10.
|
Повеpхность пеpеноса (пpизнак 10).
|
3.16.11.
|
Пpимеp заполнения стpоки 3 заглавного документа.
|
3.17.
|
Оси сечения стеpжня и угол чистого вpащения.
|
ТОМ 2.
Введение.
Раздел 4 : «ЛИР-АРМ» - расчет и проектирование железобетонных конструкций.
4.1. Общие положения.
4.2. Графическая среда пользователя.
4.3. Тестовые примеры.
ТОМ 3.
Введение.
Раздел 5 : «ЛИР-СТК» - расчет и проектирование стальных конструкций.
5.1. Общие положения.
5.2. Графическая среда пользователя.
5.3. Тестовые примеры.
ТОМ 4.
Введение.
Раздел 6 : «ЛИТЕРА» - определение критериев прочности для различных теорий.
6.1. Общие положения.
6.2. Графическая среда пользователя.
6.3. Тестовые примеры.
Раздел 7: «УСТОЙЧИВОСТЬ»- расчет и проектирование конструкций на устойчивость.
7.1. Общие положения.
7.2. Графическая среда пользователя.
7.3. Тестовые примеры.
Раздел 8 : «ФУНДАМЕНТ» - сбор нагрузок на обрезы фундамента.
8.1. Общие положения.
8.2. Графическая среда пользователя.
8.3. Тестовые примеры.
Раздел 9: «СЕЧЕНИЕ» - определение геометрических характеристик для сечений различного профиля.
9.1. Общие положения.
9.2. Графическая среда пользователя.
9.3. Тестовые примеры.
ТОМ 5.
Введение.
Раздел 10 : Теоретические основы.
10.1. Библиотека конечных элементов.
10.2. Решение системы линейных уравнений.
10.3. Расчет на динамические воздействия.
10.4. Принципы построения расчетных сочетаний усилий.
10.5. Определение критериев прочности для различных теорий.
10.6. Расчет на устойчивость.
ТОМ 6.
Введение.
Раздел 11 : Технология проведения расчета.
11.1. Принципы построения расчетных схем.
11.2. Принципы анализа результатов расчета.
11.3. Документирование.
11.4. Организация решения задачи.
Раздел 12 : Рекомендации по составлению расчетных схем.
12.1. Принципы построения конечно-элементных моделей.
12.2. Применение суперэлементов.
12.3. Глобальная, местная и локальная системы координат.
12.4. Использование специальных систем координат.
12.5. Моделирование шарниров в стержневых и пластинчатых элементах.
12.6. Использование абсолютно жестких вставок.
12.7. Задание углов чистого вращения.
12.8. Моделирование податливости узлов сопряжения элементов.
12.9. Использование приема «Объединение перемещений».
12.10. Расчет на заданные перемещения.
12.11. Введение связей конечной жесткости.
12.12. Расчет на температурные воздействия.
12.13. Моделирование предварительного напряжения.
12.14. Расчет конструкций имеющих плоскости прямой и косой симметрии.
12.15. Расчет конструкций на упругом основании.
12.16. Расчет конструкций на подрабатываемых территориях.
12.17. Учет совместной работы конструкции на упругом основании.
12.18. Расчет оболочек и плит подпертых ребрами.
12.19. Расчет на динамические воздействия.
12.20. Расчет на сейсмические воздействия по акселелограммам.
Раздел 13 : Обучающие тесты.
13.1. Ферма (статический расчет).
13.2. Многопролетная балка (статический расчет).
13.3. Рама.
13.4. Балочный ростверк (статический расчет).
13.5. Пространственная рама (абсолютно жесткие вставки, углы чистого вращения, статический и динамический расчеты, расчетные сочетания усилий).
13.6. Резервуар (локальная система координат, сокращение узлов с массами).
ТОМ 7.
Введение.
Раздел 14 : Суперэлементы.
14.1. Общие положения.
14.2. Графическая среда пользователя.
14.3. Тестовые примеры.
ТОМ 8.
Введение.
Раздел 15 : «ЛИР-СТЕП» - нелинейный шаговый процессор.
15.1. Общие положения.
15.2. Библиотека нелинейных конечных элементов.
15.3. Графическая среда пользователя.
15.4. Тестовые примеры.
Общие положения
Нелинейный процессор предназначен для решения физически и геометрически нелинейных, а также контактных задач.
В линейных задачах существует прямая пропорциональность между нагрузками и перемещениями вследствие малости перемещений, а также между напряжениями (усилиями) и деформациями в соответствии с законом Гука. Поэтому для линейных задач справедлив принцип суперпозиции и независимости действия сил.
В физически нелинейных задачах отсутствует прямая пропорциональность между напряжениями и деформациями. Материал конструкции подчиняется нелинейному закону деформирования. Закон деформирования может быть симметричным и несимметричным – с различными пределами сопротивления растяжению и сжатию.
В геометрически нелинейных задачах отсутствует прямая пропорциональность между деформациями и перемещениями. На практике наибольшее распространение имеет случай больших перемещений при малых деформациях.
В задачах конструктивной нелинейности имеет место изменение расчетной схемы по мере деформирования конструкции, например, в момент достижения некоторой точкой конструкции определенной величины перемещения возникает контакт этой точки с опорой.
Для решения таких задач нелинейный процессор организует процесс пошагового нагружения конструкции и обеспечивает решение линеаризованной системы уравнений на каждом шаге для текущего приращения вектора узловых нагрузок, сформированного для конкретного нагружения.
При решении задач конструктивной нелинейности применяется шагово-итерационный метод.
Нелинейный процессор позволяет получить напряженно-деформированное состояние для мономатериальных и для биматериальных, в частности железобетонных, конструкций.
Для решения нелинейных задач необходимо задавать информацию о количестве шагов и коэффициентах к нагрузке. Схема может содержать несколько нагружений, из которых может быть сформирована последовательность (история) нагружений.
Общие положения
Теоретической основой ПК ЛИРА является метод конечных элементов (МКЭ), реализованный в форме перемещений. Выбор именно этой формы объясняется простотой ее алгоритмизации и физической интерпретации, наличием единых методов построения матриц жесткости и векторов нагрузок для различных типов конечных элементов, возможностью учета произвольных граничных условий и сложной геометрии рассчитываемой конструкции. Принципы построения конечно-элементных моделей изложены в главе 9.
Реализованный вариант МКЭ использует принцип возможных перемещений
(1.1)
где
u
- искомое точное решение;
v
- любое возможное перемещение;
a (u,v), (f,v) -
возможные работы внутренних и внешних сил.
Занимаемая конструкцией область разбивается на конечные элементы
Wr, назначаются узлы и их степени свободы
Li
(перемещения и углы поворота узлов).
Степеням свободы соответствуют базисные (координатные, аппроксимирующие) функции
mi, отличные от нуля только на соответствующих звездах элементов и удовлетворяющие равенствам
(1.2)
Приближенное решение
Uh ищется в виде линейной комбинации базисных функций
(1.3)
удовлетворяющей главным (кинетическим) условиям,
где:
ui
- числа;
N -
количество степеней свободы.
Далее излагается МКЭ для линейных задач, поскольку решение нелинейных задач сводится к последовательности линейных.
Подставляя в
(1.1)
Uh вместо
U
и
mj
(j=l,...,N) вместо
V, получим систему уравнений МКЭ:
(1.4)
Обозначив К
матрицу жесткости с элементами
ki, j=a(mi, mj) , P - вектор нагрузок, с элементами
Pi
=(f, mi)
и
Х- искомый вектор с элементами
ui
, запишем систему (1.4) в матричной форме
КХ=Р (1.5)
Таким образом, применение МКЭ сводит задачу к системе линейных алгебраических уравнений (1.5).
Решив ее, находим вектор
X
, затем из (1.3) - остальные компоненты напряженно-деформированного состояния.
Важным преимуществом излагаемого метода является то, что матрицу
К и вектор
Р получают суммированием соответствующих элементов матриц жесткости и векторов нагрузок, построенных для отдельных конечных элементов.
Для МКЭ в перемещениях известны условия сходимости и оценки погрешности. Условиями сходимости являются линейная независимость и полнота системы базисных функций, а также их совместность (конформность), либо условия, компенсирующие несовместность. Совместность означает, что все базисные функции являются возможными перемещениями. Линейная независимость следует из (1.2). Известны легко проверяемые условия, позволяющие установить полноту базисных функций, их совместность или выполнение условий, компенсирующих несовместность. Эти условия имеют вид равенств, которым должны удовлетворять базисные функции на каждом конечном элементе. Такая теоретическая основа позволяет не только исследовать корректность применения известных конечных элементов, но и разработать принципы конструирования новых совместных и несовместных элементов и получить для них оценки погрешности.
Библиотека конечных элементов (БКЭ) содержит элементы, моделирующие работу различных типов конструкций:
элементы стержней,
четырехугольные и треугольные элементы плоской задачи, плиты, оболочки,
элементы пространственной задачи - тетраэдр, параллелепипед, трехгранная призма.
Кроме того, в библиотеке имеются различные специальные элементы, моделирующие связь конечной жесткости, упругую податливость между узлами, элементы, задаваемые численной матрицей жесткости.
Все конечные элементы, включенные в библиотеку, теоретически обоснованы, для них получены оценки погрешности по энергии и по перемещениям. Погрешность по энергии оценивается величиной, пропорциональной
ht,
где
h – максимальный из размеров конечных элементов,
t =2 для прямоугольных и четырехугольных элементов плиты,
t =1для остальных элементов. Погрешность по перемещениям оценивается величиной, пропорциональной
ht, где
t=4 для совместных прямоугольных и четырехугольных элементов плиты,
t=2 для остальных элементов. Теоретически обоснована также возможность задания криволинейных стержней прямолинейными элементами и произвольных оболочек треугольными и прямоугольными (для цилиндрических оболочек) элементами плоской оболочки. Погрешность по энергии и перемещениям оценивается в этом случае величиной, пропорциональной
h.
Одноузловой элемент односторонней связи (тип КЭ-
Данный КЭ применяется для введения связи конечной жесткости, работающей либо на растяжение, либо на сжатие по направлению одной из осей глобальной или локальной системы координат узла. Так, например, для степени свободы Z конечный элемент позволяет смоделировать работу пружины или упругого основания. Задание ограничений перемещений в одном узле по двум и более направлениям моделируется несколькими конечными элементами.
Описание алгоритмов
Проверочный расчет
Каждое сечение элемента при расчете проверяется по формулам, приведенным в п. 13.5. При этом используются следующие предпосылки и допущения.
Крутящий момент при расчете не учитывается.
Расчет составных элементов уголков, швеллеров соединенных через прокладки рассчитываются как сплошностенчатые согласно п.5.7[18].
Расчет соединительных элементов (планок, решеток) сжатых составных стержней выполняется в соответствии с п.5.8*, 5.9, 5.10 [18].
В алгоритмах предусмотрено требование п.2.14 [18]. Согласно этому пункту, при расчете с учетом сейсмического воздействия вводится дополнительный коэффициент mкр. Если усилие в данном сечении элемента идентифицировано как сейсмическое, то этот коэффициент вводится автоматически, поэтому нужно верно выбрать район повторяемости сейсмических воздействий. Изменить район повторяемости сейсмических воздействий можно в диалоге «Сейсмические воздействия».
Проверка несущей способности ферменных элементов
При проверке несущей способности выполняются следующие расчетные процедуры:
Выполняется расчет на прочность в пределах упругих деформаций согласно пункту 5.1 [18].
Алгоритм расчета на устойчивость составлен в соответствии с указаниями п.5.3 для стержней с гибкостью, находящейся в пределах
. Коэффициент продольного изгиба ? определяется аналитически по формулам, указанным в п.5.3.
Гибкость определяется относительно местных осей элемента и сравнивается со значением предельной гибкости, введенным пользователем или определенным согласно таблице 19* [18] для элементов типа 1(а), 2(а), 2(б) в дополнительных характеристиках.
Расчет местной устойчивости стенки производится в соответствии с п.7.14*, 7.18*,7.20*. Если фактическое значение гибкости превышает значение, определяемое по п.7.14*, то процент использования стенки по устойчивости всегда равен 100% и производится пересчет общей устойчивости стержня с использованием значения площади Ared вместо A.
Для составных стержней кроме расчета стержня на общую устойчивость проверяется устойчивость отдельных ветвей на участках между узлами согласно п. 5.6. Исследуется гибкость ветви между узлами, гибкость отдельных ветвей на участке между планками, ограничение на которые приводятся в этом же пункте.
Проверка несущей способности изгибаемых элементов
В зависимости от работы стали балки рассчитываются в пределах упругих и пластических деформаций. В общем случае проверке подлежит прочность сечения балки по нормальным, касательным и приведенным напряжениям. Расчет балки на прочность при пластических деформациях реализован на основе пункта 5.18, в пределах упругих деформаций – на основе п.5.12, приведенные напряжения - в соответствии с пунктом 5.14*.
Проверка балки на общую устойчивость выполняется на основе пункта 5.15 , 5.16*,5.19*,5.20 [17] в зависимости от заданной пользователем расчетной длины балки.
Внимание: Раскрепления стержней, используемые только при расчете прогиба балок, никак не связаны с раскреплениями сжатого пояса балки и расчетной длиной балки при расчете на общую устойчивость.
Проверка общей устойчивости балки при наличии момента в двух плоскостях производится по критерию максимального краевого сжимающего напряжения в сечении с учетом Фb для одного из моментов.
Поскольку в [18] отсутствует указания по проверке общей устойчивости балок, отличных от двутавровых, тавровых или швеллерных, то при проверке других сечений принято Фb=1.
Устойчивость стенки, не подкрепленной ребрами жесткости, проверяется согласно пункту 7.10 [18]. При расчете местной устойчивости стенки не учитывается местная и подвижная нагрузки и предполагается отсутствие продольных ребер жесткости. Проверка местной устойчивости стенок балок, укрепленных поперечными ребрами жесткости, при работе стали в пределах пластических деформаций реализована на основе п. 7.2,7.5, а также п. 21.23 Пособия по проектированию стальных конструкций к [18].
Проверка местной устойчивости стенки балок, укрепленных ребрами жесткости, при работе стали в пределах упругих деформаций реализована на основе п. 7.6, 7.9, 7.10.
При проверке местной устойчивости стенки балок, предполагается, что коэффициент ?=? в формуле (77) пункта 7.4* [18], если расчетная длина балки больше Lef<0,1м и 0,8, если расчетная длина более 0,1м (? =0,8).
При проверке местной устойчивости стенки коробчатого сечения касательное напряжение вычисляются без учета влияния перерезывающей силы в другой плоскости.
В процессе подбора, если стенка не удовлетворяет условию местной устойчивости, происходит ее утолщение, поэтому рекомендуется задавать реальный шаг поперечных ребер жесткости. Иначе ребра жесткости будут расставлены с максимально допустимым по [18] согласно п.7.10 расстоянием. Имеется возможность отказаться от установки поперечных ребер, погасив при задании дополнительных характеристик флажок “ставить ребра жесткости”.
Проверка местной устойчивости полки выполняется в соответствии с пунктом 7.24 [18].
Проверка прогиба осуществляется сравнением относительного прогиба, полученного из расчета по ПК ЛИРА, с задаваемым предельным относительным прогибом. Относительный прогиб вычисляется между точками раскрепления стержня, которые задаются пользователем. Точка раскрепления представляет собой точку, прогиб которой условно считается равным нулю. Если раскрепление балки не задано, то в качестве прогиба берется ее полное перемещение относительно местной оси. В каждом расчетном сечении стержня или конструктивного элемента прогиб определяется по каждому загружению. Величина его определяется путем интегрирования эпюры моментов стержня или конструктивного элемента с учетом краевых условий, заданных при назначении раскреплений стержней, иными словами точек нулевого прогиба. При нахождении прогиба используются нормативные усилия, найденные путем деления расчетного усилия на коэффициент надежности по нагрузке.
Далее, на основе информации о составе РСУ, соответствующие прогибы суммируются с учетом коэффициентов сочетаний, заданных при формировании РСУ. Из полученного ряда прогибов выбирается максимальный, который и сопоставляется с заданным предельным прогибом.
Проверка несущей способности колонн
Проверка сечения внецентренно-сжатых элементов по прочности производится на основе пунктов 5.1, 5.3, 5.25, 5.28 [18].
Проверку колонн на общую устойчивость в плоскости действия момента выполняется в соответствии с пунктами 5.3, 5.27*, 5.32, 7.20* [18] , из плоскости момента – на основе пунктов 5.3, 5.26, 5.27*, 5.30, 5.31, 5.32, 7.20*[18], причем уменьшение момента в зависимости от условий опирания согласно п.5.31 не учитывается. Проверка устойчивости колонны, подверженной изгибу в двух плоскостях, реализована на основе п.5.34,5.35 [18].
Если шаг решетки в сквозной колонне не задан, принимается шаг, соответствующий углу наклона 60°
к оси колонны.
При расчете сквозных колонн типа “Раздвинутые двутавры” и “Раздвинутые швеллеры”, если стенка ветви теряет местную устойчивость, Ared для проверки устойчивости ветви и колонны берется так, будто обе ветви потеряли устойчивость. Если стенка ветви сквозного сечения теряет местную устойчивость в любом РСУ, то для проверки устойчивости колонны во всех РСУ берется площадь Ared=min — минимальная редуцированная площадь.
Проверка устойчивости трубы производится в зависимости от гибкости трубы. Если условная гибкость трубы меньше 0,65, расчет на устойчивость ведется по разделу 8 СНиП - расчет листовых конструкций.
При вычислении расчетных длин соединительной решетки сквозных колонн расчетная длина берется равной расстоянию между центрами узлов решетки.
Расстояние между соединительными планками всегда задается в свету.
При проверке планки по приведенным напряжениям (формула 33 [18]) считается, что в работу т включена только стенка сечения.
При вычислении расчетных длин соединительной решетки сквозных колонн расчетная длина берется равной расстоянию между центрами узлов решетки за исключением четырехветвевого уголкового сечения.
Для четырехветвевого уголкового сечения при вычислении расчетных длин используется таблица 13* [18] со следующими оговорками. Радиус инерции i всегда берется минимальный (в т.ч. для поясов). Коэффициент ?d принимается согласно таблице 15*, как для случая прикрепления раскоса к поясам сварными швами или болтами, числом не менее двух (первая строка таблицы). При вычислении расчетных длин распорок, распорки принимаются из равнополочных уголков. Если соединительная решетка колонны не из одиночных уголков, то для вычисления расчетных длин применяется таблица 11.
Гибкость колонны проверяется в соответствии с п.6.15*, а гибкость ветвей в сквозных сечениях на участке между узлами соединительной решетки - на основе п.5.6 [18].
Устойчивость стенок колонн проверяется в соответствии с п.7.14*, 7.16*, 7.17*,7.18*, 7.20*, 7.21 [18]. Если условная гибкость стенки сплошных колонн превышает 2.3, расставляются ребра жесткости с шагом 3hef (п. 7.21 [18]).
При расчете устойчивости стенок сечений учитывается пункт 7.20* [18], допускающий частичную потерю устойчивости ею с последующим пересчетом проверок общей устойчивости стержней. Если гибкость стенки превышает допустимое значение, определяемое по пункту 7.14* [18], процент устойчивости стенки принимается 100%.
Если стенка работает в закритической стадии, процент использования по устойчивости стенки всегда равен 100%, а проверки устойчивости стержня колонны пересчитываются для редуцированной площади сечения.
Местная устойчивость свеса полки проверяется в соответствии с п. 7.22*, 7.23*, 7.26*, 7.27*[18].
Согласно п.5. 27 расчет на устойчивость не требуется для сплошностенчатых стержней при относительном эксцентриситете mef>20 и для сквозных стержней при m>20; расчет выполняется как для изгибаемых стержней.
Проверка несущей способности канатов
Канаты проверяются на прочность на основе п.4.33 [57] и на основе п.3.14 Пособия по проектированию стальных конструкций к [18].
Подбор сечений
прокатных элементов происходит простым перебором от первого сечения в сортаменте по порядку, указанному на вкладке “Ограничения подбора”. Будет подобрано первое, удовлетворившее всем проверкам, сечение. По умолчанию профили отсортированы в порядке возрастания площадей сечений. Таким образом, по умолчанию подбирается сечение с наименьшей площадью. Изменить порядок сортировки профилей в сортаменте можно при помощи программы ЛИР-РС (редактируемый сортамент).
Подбор составных сечений происходит при помощи перебора всех возможных профилей. Например, сечение “Составной двутавр” подбирается так. Фиксируется стенка и происходит подбор пояса; затем фиксируется следующая стенка и вновь подбирается пояс, и так далее. В результате образуется множество решений, при котором удовлетворяются все проверки несущей способности, и из которого надо выбрать оптимальное. Оптимальное решение это либо сечение минимальной площади, либо (если сортамент и стенки, и полки отсортирован по стоимости) сечение минимальной стоимости. Поскольку сортаменты в своем исходном состоянии отсортированы по площади, по умолчанию будет подобрано сечение минимальной площади.
При расчете сквозных колонн типа “Раздвинутые двутавры” и “Раздвинутые швеллеры”, подбор является оптимальным только для ветви. Если какие-либо проверки, касающиеся стержня колонны в целом, не выполняются, то происходит увеличение сечения полки ветви. К таким проверкам относятся: 1) проверки устойчивости стержня колонны; 2) проверки гибкости стержня колонны; 3) требования превышения гибкости колонны над гибкостью ветви на участке между узлами.
Пилон вантового моста Пример
В этом примере демонстрируется расчет жесткой конструкции с учетом геометрически нелинейных эффектов.
Конструкция представляет собой пилон вантового моста. Вертикальный пилон высотой 60м имеет постоянное сечение по высоте – 1,5х1,5 м. В основании пилон жестко защемлен.
В верхней точке пилона приложены следующие нагрузки:
вертикальная Р= 500тс, горизонтальная Т= 5тс.
Этапы и операции
|
Команда и ее инстру-мент
|
Ваши действия
|
Рекомендации и комментарии
|
8.1.Создание новой задачи
|
п.1.1
(1.18)
|
В диалоговом окне «Признак схемы» задайте имя задачи: «Пример8» и признак схемы: «2».
|
|
8.2.Задание геометрии
|
8.2.1.Генерация рамы
|
п.1.70
|
В диалоговом окне «Создание плоских фрагментов и сетей» активизируйте закладку «Генерация рамы», затем задайте шаг КЭ вдоль вертикальной оси.
Шаг вдоль второй оси:
L(м) – 1.00
N – 60.
После этого щелкните по кнопке Применить.
|
|
8.3.Задание граничных условий
|
8.3.1.
|
Выведите на экран номера узлов.
|
8.3.2.
|
Выделите узел № 1.
|
8.3.3.Назначение граничных условий в узле
|
п.1.102
|
В диалоговом окне «Связи в узлах» активизируйте закладку «Назначить связи» и отметьте направления, по которым запрещены перемещения узла (X, Z, UY) и щелкните по кнопке Применить.
|
|
8.4.Задание жесткостных параметров элементов пилона
|
8.4.1.Формирование типов жесткости
|
п.1.107
|
В диалоговом окне «Жесткости элементов» сформируйте список типов жесткости.
|
|
8.4.1.1.Выбор типа сечения «Брус»
|
|
Щелкните по кнопке Добавить
и, выбрав закладку «Стандартные типы сечений», активизируйте сечение «Брус».
|
|
8.4.1.2.Задание параметров сечения «Брус»
|
|
В диалоговом окне «Задание стандартного сечения» введите параметры сечения:
- модуль упругости – Е = 3е6 т/м2;
- геометрические размеры – В = 150 см;
Н = 150 см.
|
|
8.4.2.Назначение жесткостей элементам пилона
|
8.4.2.1.Назначение текущего типа жесткости «1.Брус 150х150»
|
|
Выделите нужную жесткость в окне списка и щелкните по кнопке Установить как текущий тип.
|
|
8.4.2.2.
|
Выделите вертикальные элементы.
|
8.4.2.3.
|
Назначьте выделенным элементам текущий тип жесткости.
|
8.5.Смена типа конечных элементов
|
8.5.1.
|
Выделите вертикальные элементы.
|
8.5.2.Смена типа конечных элементов
|
п.1.91
|
В диалоговом окне «Смена типа конечных элементов» выделите в списке типов конечных элементов строку «Тип 310…».
|
|
8.6.Задание нагрузок
|
8.6.1.
|
Выделите узел № 61.
|
8.6.2.Задание вертикальной нагрузки
|
п.1.115
|
В диалоговом окне «Задание нагрузок» активизируйте закладку «Нагрузки в узлах». Затем радио-кнопками укажите систему координат «Глобальная», направление – вдоль оси «Z». Щелчком по кнопке сосредоточенной силы вызовите диалоговое окно «Параметры нагрузки». В этом окне введите значение P = 500 тс и подтвердите ввод. После этого в диалоговом окне «Задание нагрузок» щелкните по кнопке Применить.
|
|
8.6.3.
|
Выделите узел № 61.
|
8.6.4.Задание горизонтальной нагрузки
|
|
В диалоговом окне «Задание нагрузок» радио-кнопкой укажите направление – вдоль оси «X». Щелчком по кнопке сосредоточенной силы вызовите диалоговое окно «Параметры нагрузки». В этом окне введите значение P = 5 тс и подтвердите ввод. После этого в диалоговом окне «Задание нагрузок» щелкните по кнопке Применить.
|
|
8.7.Моделирование нелинейного загружения
|
п.1.126
|
В диалоговом окне «Моделирование нелинейных загружений конструкции» задайте следующие параметры:
-№ загружения – 1;
-Метод расчета – Автоматический выбор шага (2);
-Печать – Перемещения и усилия после каждого шага.
После этого щелкните по кнопкам Подтвердить и Закрыть.
|
|
Запуск задачи на расчет и переход в режим визуализации результатов расчета, а также вывод на экран деформированной схемы и эпюр усилий осуществляется аналогично примеру 1.
|
Вывод на экран перемещений узлов и информации о верхнем узле колонны осуществляется аналогично примеру 7.
|
Плита на упругом основании, характеризуемым одним коэффициентом жесткости Пример
В этом примере показан расчет плиты на упругом основании. Целью примера есть демонстрация процедуры задания характеристик упругого основания. Исходные данные здесь используются из примера 9 (см. рис. 1.13). Коэффициент постели принят С1 = 1000тс/м3.
Этапы и операции
|
Команда и ее инстру-мент
|
Ваши действия
|
Рекомендации и комментарии
|
10.1.
|
|
Сохраните задачу под новым именем: «пример10».
|
|
10.2.Удаление наложенных граничных условий
|
10.2.1.
|
|
Выделите узлы расчетной схемы.
|
|
10.2.2.Удаление граничных условий
|
п.1.102
|
В диалоговом окне «Связи в узлах» активизируйте закладку «Удалить связи» и отметьте направления, по которым удаляете закрепления (Z) и щелкните по кнопке Применить.
|
|
10.3.Задание характеристик упругого основания
|
п.1.107
|
В диалоговом окне «Жесткости элементов» щелкните по кнопке Изменить и в новом окне «Задание жесткости для пластин» введите коэф.
С1 = 1000 тс/м3.
|
|
10.4.
|
|
Запустите задачу на расчет, перейдите в режим визуализации результатов расчета и выведите на экран перемещения и напряжения в пластинах.
|
|
Плита на упругом основании со связями конечной жесткости Пример
Главной целью этого примера есть демонстрация техники применения конечного элемента № 51, моделирующего основание Винклера связями конечной жесткости.
Здесь используются исходные данные примера 9 (см. рис. 1.13).
Этапы и операции
|
Команда и ее инстру-мент
|
Ваши действия
|
Рекомендации и комментарии
|
11.1.
|
|
Сохраните задачу под новым именем: «пример11».
|
|
11.2.
|
|
Удалите наложенные связи аналогично примеру 10.
|
|
11.3.Задание связей конечной жесткости
|
11.3.1.
|
|
Выделите все узлы схемы
|
|
11.3.2.Задание КЭ № 51
|
п.1.86,
1.86.4
|
В диалоговом окне «Добавить элемент» активизируйте закладку «Добавить одноузловые КЭ», затем активизируйте радио-кнопку КЭ 51.
|
|
11.4.Задание жесткостных параметров для КЭ № 51
|
11.4.1.Выбор типа сечения «КЭ 51 численное»
|
п.1.107
|
В диалоговом окне «Жесткости элементов» щелкните по кнопке Добавить и, выбрав закладку численного описания жесткости, активизируйте сечение «КЭ 51 численное».
|
|
11.4.2.Задание параметров сечения «КЭ 51 численное»
|
|
В диалоговом окне «Численное описание для КЭ 51» задайте параметры:
-EF = 250 тс;
-Ориентация связи – Z.
|
|
11.4.3.Копирование жесткости «2.КЭ 51 численное»
|
|
В диалоговом окне «Жесткости элементов» в списке жесткостей выделите строку «2.КЭ 51 численное» и дважды щелкните по кнопке Копирование.
|
|
11.4.4.Изменение параметров сечения «3.КЭ 51
численное»
|
|
В списке жесткостей выделите строку «3.КЭ 51 численное» и щелкните по кнопке Изменить.
В диалоговом окне «Численное описание для КЭ 51» задайте EF = 125 тс.
|
|
11.4.5.Изменение параметров сечения «4.КЭ 51
численное»
|
|
В списке жесткостей выделите строку «4.КЭ 51 численное» и щелкните по кнопке Изменить.
В диалоговом окне «Численное описание для КЭ 51» задайте EF = 62.5 тс.
|
|
11.5.Назначение жесткостей КЭ № 51
|
11.5.1.
|
|
Назначьте текущим тип жесткости «2.КЭ 51 численное».
|
|
11.5.2.
|
|
Выделите одноузловые конечные элементы, которые находятся в узлах примыкания четырех элементов.
|
|
11.5.3.
|
|
Назначьте выделенным элементам текущую жесткость.
|
|
11.5.4.
|
|
Назначьте текущим тип жесткости «3.КЭ 51 численное».
|
|
11.5.5.
|
|
Выделите одноузловые конечные элементы, которые находятся в узлах примыкания двух элементов.
|
|
11.5.6.
|
|
Назначьте выделенным элементам текущую жесткость.
|
|
11.5.7.
|
|
Назначьте текущим тип жесткости «4.КЭ 51 численное».
|
|
11.5.8.
|
|
Выделите одноузловые конечные элементы, которые находятся в узлах примыкания одного элемента (№ 73, 79, 157, 163).
|
|
11.5.9.
|
|
Назначьте выделенным элементам текущую жесткость.
|
|
11.6.
|
|
Запустите задачу на расчет и просмотрите результаты расчета.
|
|
Плиты
Здесь применяется подход, аналогичный тому, который описан в п. 5.2. Изгибные и крутящий моменты в плите дают возможность определить нормальные и касательные напряжения на верхней и нижней поверхностях плиты. Эти напряжения по модулю равны, поэтому формулы (5.4) и (5.5) приобретают вид
(5.6)
(5.7)
Плоское напряженное состояние
В общем случае главные напряжения в одной и той же точке конструкции для различных загружений имеют различную ориентацию. Поэтому здесь определение РСУ производится по огибающим экстремальным кривым нормальных и касательных напряжений по формулам:
(5.4)
(5.5)
где
k - номер загружения.
Обозначения приведены на рис. 5.2.
Рис. 5.2
Нормальные напряжения вычисляются в диапазоне от 90° до -90°, а касательные - от 90° до 0°. Шаг просмотра 5°.
ПОДБОР И ПРОВЕРКА АРМИРОВАНИЯ В ЖЕЛЕЗОБЕТОННЫХ ЭЛЕМЕНТАХ
Подбор арматуры и проверка заданного армирования в стержневых и пластинчатых элементах для различных случаев напряженного состояния производится при помощи конструирующих систем ЛИР-АРМ и ЛАВР (ЛИР-АРМ локальный). Расчет производится в соответствии с нормативными требованиями [16]
.
Площади арматуры по первой и второй группе предельных состояний вычисляются по усилиям от отдельных загружений, по расчетным сочетаниям нагрузок (РСН) и расчетными сочетаниями усилий (РСУ), полученным в результате расчета конструкции.
Определение армирования осуществляется на базе нормативных данных, которая содержит сведения о расчетных характеристиках арматуры и бетона, диаметрах и площадях арматурных стержней и т.п.
Для подбора армирования в системе ЛИР-АРМ интерактивном режиме задаются дополнительные данные: нормативные и расчетные характеристики бетона и арматуры, назначаются конструктивные элементы, задается унификация элементов и т.п.
Для определения и проверки армирования в системе ЛАВР исходные данные можно ввести как в интерактивном режиме, так и путем экспорта данных из ЛИР-АРМ с их дальнейшей корректировкой. В системе ЛАВР можно многократно изменять параметры сечения, геометрические характеристики, заданное армирование сечения, информацию о материалах, усилия и сочетания и производить подбор арматуры.
При расчете армирования можно применять характеристики арматуры соответствующие ДСТУ 3760-98 (Прокат арматурный для железобетонных конструкций).
Для определения армирования в элементах расчетной схемы разработаны различные модули армирования СТЕРЖЕНЬ, БАЛКА-СТЕНКА, ПЛИТА, ОБОЛОЧКА.
Правила знаков при чтении результатов расчета
Линейные перемещения положительны, если они направлены вдоль соответствующих осей глобальной или локальной систем координат.
Угловые перемещения (повороты) положительны, если они вращают узел против часовой стрелки, если смотреть с конца соответствующих осей глобальной или локальной систем координат.
В стержневых элементах соблюдается правило знаков для усилий, приведенное в табл. 10.1. При этом рассматривается сечение стержня, принадлежащее его концу.
Правила чтения усилий для КЭ плит приведены в табл. 10.2;
для КЭ балки- стенки - в табл. 10.3;
для объемных КЭ - в табл. 10.4;
для КЭ оболочек - в табл. 10.5;
для КЭ связей конечной жесткости и законтурных элементов - в табл.10.6.
Правила чтения усилий для стержней
Таблица 10.1
Индекс
|
Размерность
|
Описание
|
Положительный знак усилия определяет
|
1
|
2
|
3
|
4
|
N
|
F
|
Осевое усилие
|
Растяжение
|
Мкр
|
FL
|
Крутящий момент относительно оси XI
|
Действие против часовой стрелки, если смотреть с конца оси XI, на сечение, принадлежащее концу стержня.
|
Му
|
PL
|
Изгибающий момент относительно оси YI
|
Растяжение нижнего волокна (относительно направления оси ZI)
|
1
|
2
|
3
|
4
|
Qz
|
F
|
Перерезывающая сила вдоль оси ZI
|
Совпадение с направлением оси ZI для сечения, принадлежащего концу стержня
|
Mz
|
FL
|
Изгибающий момент относительно оси ZI
|
Действие против часовой стрелки, если смотреть с конца оси ZI, на сечение, принадлежащее концу стержня
|
Qy
|
F
|
Перерезывающая сила вдоль оси У1
|
Совпадение с направлением оси YI для сечения, принадлежащего концу стержня.
|
Правила чтения усилий для КЭ плит
Таблица 10.2
Индекс
|
Размерность
|
Описание
|
Положительный знак усилия определяет
|
1
|
2
|
3
|
4
|
Мх
|
FL/L
|
Момент, действующий на сечение, ортогональное оси XI
|
Растяжение нижнего волокна (относительно оси ZI)
|
My
|
FL/L
|
То же, относительно оси YI
|
То же
|
Мху
|
FL/L
|
Крутящий момент
|
Кривизна диагонали 1-4 (или медианы, выходящей из узла1), направленная выпуклостью вниз (относительно оси ZI)
|
Qx
|
F/L
|
Перерезывающая сила вдоль оси ZI в сечении, ортогональном оси XI
|
Совпадение с направлением оси XI на той части КЭ, в которой отсутствует узел 1
|
Qy
|
F/L
|
То же, ортогональном оси YI
|
То же, для оси YI
|
Rz
|
F/L2
|
Давление на грунт
|
Растяжение грунта
|
Правила чтения усилий для КЭ балок-стенок
Таблица 10.3
|
Индекс
|
Размерность
|
Описание
|
Положительный знак усилия определяет
|
|
1
|
2
|
3
|
4
|
|
NX
|
F/L2
|
Нормальное напряжение вдоль оси Х1
|
Растяжение
|
|
1
|
2
|
3
|
4
|
|
NZ
|
F/L2
|
То же, вдоль оси ZI
|
То же
|
|
TXZ
|
F/L2
|
Сдвигающее напряжение
|
Удлинение диагонали 1-4(или медианы, выходящей из узла 1 в треугольном элементе)
|
Правила чтения усилий для объемных КЭ
Таблица 10.4
|
Индекс
|
Размерность
|
Описание
|
Положительный знак усилия определяет
|
|
1
|
2
|
3
|
4
|
|
NX
|
F/L2
|
Нормальное напряжение вдоль оси XI
|
Растяжение
|
|
NY
|
F/L2
|
То же, вдоль оси YI
|
То же
|
|
NZ
|
F/L2
|
То же, вдоль оси ZI
|
То же
|
|
TXY
|
F/L2
|
Сдвигающее напряжение, параллельное оси XI и лежащее в плоскости, параллельной XIоZI
|
Совпадение с направлением оси XI, если NY совпадает по направлению с осью YI
|
|
TXZ
|
F/L2
|
Сдвигающее напряжение, параллельное оси XI и лежащее в плоскости, параллельной XIоYI
|
Совпадение с направлением оси XI, если NZ совпадает по направлению с осью ZI
|
|
TYZ
|
F/L2
|
Сдвигающее напряжение, параллельное оси YI и лежащее в плоскости, параллельной XIоYI
|
Совпадение с направлением оси YI, если NZ совпадает по направлению с осью ZI
|
Правила чтения усилий для КЭ оболочек
Таблица 10.5
|
Индекс
|
Размерность
|
Описание
|
Положительный знак усилия определяет
|
|
1
|
2
|
3
|
4
|
|
NX
|
F/L2
|
Нормальное напряжение вдоль оси XI
|
Растяжение
|
|
NY
|
F/L2
|
То же вдоль оси ZI
|
Растяжение
|
|
ТXY
|
F/L2
|
Сдвигающее напряжение
|
Удлинение диагонали 1-4 (или медианы, выходящей из узла 1 в треугольном элементе)
|
|
1
|
2
|
3
|
4
|
|
Mx
|
FL/L
|
Момент, действующий на сечение, ортогональное оси XI
|
Растяжение нижнего волокна (относительно оси ZI)
|
|
My
|
FL/L
|
То же относительно оси YI
|
То же
|
|
Мху
|
FL/L
|
Крутящий момент
|
Кривизна диагонали 1-4 (или медианы, выходящей из узла 1), направленной выпуклостью вниз (относительно оси ZI ).
|
|
Qx
|
F/L
|
Перерезывающая сила вдоль оси ZI в сечении, ортогональном оси Х1
|
Совпадение с направлением XI на той части КЭ, в которой отсутствует узел 1
|
|
Qy
|
F/L
|
То же, ортогональном оси YI
|
То же, для оси YI
|
|
Rz
|
F/L2
|
Давление на грунт
|
Растяжение грунта
|
<
Правила чтения усилий для специальных типов КЭ 51,55,53,54.
Таблица 10.6
|
Индекс
|
Размерность
|
Описание
|
Положительный знак усилия определяет
|
|
1
|
2
|
3
|
4
|
|
Rx Ry Rz Rux Ruy Ruz
|
F
F
F
FL
FL
FL
|
Усилия в линейной связи, наложенной вдоль осей координат.
Усилия в связи, ограничивающей поворот вокруг осей координат.
|
Действие усилия на узел против соответствующей оси глобальной системы координат.
Действие на узел по часовой стрелке, если смотреть с конца соответствующей глобальной оси.
|
|
Nx
|
F
|
Усилие в связи, наложенной по направлению оси Х
|
Растяжение
|
|
Ny
|
F
|
То же, по направлению оси Y
|
То же
|
|
Nz
|
F
|
То же, по направлению оси Z
|
То же
|
|
Mx
|
FL
|
Усилие в связи, воспринимающей поворот относительно оси Х
|
Действие на сечение, принадлежащее концу стержня, против часовой стрелки, если смотреть с конца оси Х
|
|
My
|
FL
|
То же, Y
|
То же, Y
|
|
Mz
|
FL
|
То же, Z
|
То же, Z
|
|
Rzi
|
F
|
Отпор грунта за пределами конструкции в i узле элемента
|
Действие на узел вдоль оси Z
|
Представление результатов расчета
Для всех рассчитанных сечений выводятся результаты проверок по прочности и устойчивости (по первому предельному состоянию), по гибкости и прогибу (по второму предельному состоянию). Результаты выводятся в виде процентов использования сечения в сравнении с предельной несущей способностью по той или иной проверке. Результат выглядит следующим образом:
При формировании результатов использовано также понятие процента использования по
1 предельному состоянию (1ПС) и по
2 предельному состоянию (2ПС).
Процент использования сечения по
1ПС — это наибольший из процентов по проверкам прочности и общей устойчивости, взятый по всем РСУ.
Процент использования сечения по
2ПС — это наибольший из процентов по проверкам предельной гибкости или прогибу, взятый по всем РСУ.
Процент использования сечения по местной устойчивости (
МУ) — наибольший из процентов по проверкам устойчивости стенки и полки, взятый по всем РСУ.
%ис1ПС = max{%ис(i)} -- по прочности, устойчивости;
%ис2ПС = max{%ис(i)} -- по гибкости, прогибу;
%ис МУ = max{%ис(i)} -- по устойчивости стенки, полки, где
i?1- количество РСУ
Результаты расчета представляются в табличной форме. Таблицы результатов формируются для выделенных на схеме элементов или же, если ничего не выделено, для всей схемы.
Форма таблицы зависит от вида элемента. Существуют таблицы для БАЛОК, СПЛОШНЫХ КОЛОНН, СКВОЗНЫХ КОЛОНН, ФЕРМ и КАНАТов. Таблицы результатов имеют следующий вид.
В табл. 13.7 приводятся пояснения к шапкам таблиц результатов.
Таблица 13.7
ЭЛЕМЕНТ
|
|
Номер конечного элемента
|
НC
|
|
Номер сечения по длине конечного элемента
|
ГРУППА
|
|
Группа унификации элемента, конструктивный элемент
|
ШАГ РЕБЕР (РЕШЕТКИ)
|
|
Шаг поперечных ребер жесткости или соединительной решетки (планок — в свету)
|
ШАГ ПЛАНОК
|
|
Шаг поперечных соединительных планок в свету
|
Фb min
|
|
Минимальный коэффициент поперечного изгиба
|
Прг
|
|
относительный прогиб балки (приближенно)
|
Далее следуют проценты исчерпания несущей способности по проверкам СНиП:
|
нор
|
|
нормальные напряжения
|
тау
|
|
касательные напряжения
|
с1
|
|
приведенные напряжения
|
УБ
|
|
общая устойчивость балки
|
УY1
|
|
устойчивость относительно оси Y1
|
УZ1
|
|
устойчивость относительно оси Z1
|
УYZ
|
|
устойчивость колонны, сжатой в 2-х плоскостях
|
ГY1
|
|
предельная гибкость относительно оси Y1
|
ГZ1
|
|
предельной гибкости относительно оси Z1
|
Г>Г
|
|
отношение гибкости сквозной колонны к гибкости ветви *100%
|
УС
|
|
местная устойчивость стенки
|
УП
|
|
местная устойчивость сжатого пояса
|
1ПС
|
|
Сводный процент использования сечения по 1 предельному состоянию
|
2ПС
|
|
Сводный процент использования сечения по 2 предельному состоянию
|
М.У
|
|
Сводный процент использования сечения по местной устойчивости
|
ДЛИНА ЭЛЕМЕНТ
|
|
Геометрическая длина конструктивного элемента
|
Для ферменных элементов печатается допустимый шаг соединительных планок. Шаг ребер жесткости для ферменных элементов не выводится. Если в ферменных элементах требуется постановка поперечных ребер жесткости, то в графе “Примечание” печатается слово “Ребр”. В таком случае для данного элемента необходимы ребра жесткости с шагом не более 3*hef .
Если в ферменных элементах для расчета был использован минимальный радиус инерции, тот в графе «Примечание» записывается слово «минІ».
Предварительно напряженная вантовая ферма Пример
В этом примере приведен расчет вантовой конструкции, работающей под нагрузкой как геометрически нелинейная. Цели примера следующие:
познакомить с конечными элементами для расчета в геометрически нелинейной постановке;
показать технику задания жесткостных характеристик гибких нитей;
показать технику моделирования загружений геометрически нелинейной конструкции.
Рассчитывается вантовая предварительно напряженная ферма. Верхний и нижний пояса фермы выполнены из гибких стальных нитей d = 19мм (рис. 1.12). Жесткие стойки фермы выполнены из швеллера 10П. Натяжение фермы создается форкопфом. Его натяжной болт имеет диаметр d1
= 19 мм.
Нагрузки:
загружение 1 – собственный вес;
загружение 2 - натяжение форкопфом;
загружение 3 – сосредоточенные вертикальные силы в верхних узлах фермы
P1= 4т, P2= 2т.
Рис. 1.12. Вантовая ферма
Этапы и операции
|
| Команда и ее инстру-мент
|
| Ваши действия
|
| Рекомендации и комментарии
|
|
7.1.Создание новой задачи
|
|
п.1.1
(1.18)
|
| В диалоговом окне «Признак схемы» задайте имя задачи: «Пример7» и признак схемы: «2».
|
|
|
|
7.2.Задание геометрии
|
|
7.2.1.Генерация рамы
|
|
п.1.70
|
| В диалоговом окне «Создание плоских фрагментов и сетей» активизируйте закладку «Генерация рамы», затем задайте шаг КЭ и количество шагов вдоль горизонтальной и вертикальной осей.
Шаг вдоль первой оси:
L(м) – 3.00 6.00 3.00
N – 1 1 1.
Шаг вдоль второй оси:
L(м) – 1.00
N – 2.
После этого щелкните по кнопке Применить.
|
|
|
|
7.2.2.Вывод на экран номеров узлов
|
|
п.1.137,
1.137.2,
1.137.2.1
|
| В диалоговом окне «Показать» активизируйте закладку «Узлы». После этого выберите команду Номера узлов и щелкните по кнопке Применить.
|
|
|
|
7.2.3.Выделение узлов № 1, 4, 6, 7, 9, 12
|
|
п.1.63,
1.63.1
|
| В диалоговом окне «ПолиФильтр» активизируйте закладку «Фильтр для узлов». После этого активизируйте строку «По номерам узлов» и в активизировавшемся поле введите через пробелы номера узлов и щелкните по кнопке Применить.
|
|
|
|
7.2.4.Удаление выделенных узлов
|
|
п.1.77
|
|
|
| С помощью этой операции удаляются излишние узлы и примыкающие к ним элементы.
|
|
7.2.5.Добавление стержневых элементов
|
|
п.1.86,
1.86.1
|
| В диалоговом окне «Добавить элемент» активизируйте закладку «Добавить стержень» и поочередно добавьте стержни между узлами 2 – 5, 5 – 10,
2 – 10, 2 – 3, 3 – 11, 3 – 8, 8 – 11.
|
|
|
|
7.2.6.Выделение вертикальных элементов
|
|
п.1.52
|
| Выделите вертикальные элементы.
|
|
|
|
7.2.7.Задание шарниров выделенным элементам
|
|
п.1.104
|
| В диалоговом окне «Шарниры» укажите направления, по которым разрешены перемещения узлов:
-1-й узел – UY, 2-й узел – UY
и щелкните по кнопке Применить.
|
|
|
|
7.2.8.Выделение узла № 8
|
|
п.1.48
|
|
|
|
|
|
7.2.9.Копирование выделенного узла
|
|
п.1.80,
1.80.1
|
| В диалоговом окне «Копирование объектов» активизируйте закладку «Копирование по параметрам» и введите следующие параметры:
dx = 0.1 м, N = 1.
|
|
|
|
7.2.10.Добавление стержневого элемента между узлами № 8 и 13
|
|
п.1.86,
1.86.1
|
| В диалоговом окне «Добавить элемент» активизируйте закладку «Добавить стержень» и добавьте стержень между узлами 8 – 13.
|
| Этот элемент будет моделировать форкопф.
|
|
7.3.Упаковка схемы
|
|
п.1.78
|
| В диалоговом окне «Упаковка схемы» щелкните по кнопке Упаковать.
|
|
|
|
7.4.Задание граничных условий
|
|
7.4.1.
|
| Выделите узлы № 3 и 7.
|
|
7.4.2.Назначение граничных условий в выделенных узлах
|
|
п.1.102
|
| В диалоговом окне «Связи в узлах» активизируйте закладку «Назначить связи» и отметьте направления, по которым запрещены перемещения узлов (X, Z) и щелкните по кнопке Применить.
|
|
|
|
7.4.3.
|
| Выделите узел № 4.
|
|
7.4.5.Назначение граничных условий в выделенном узле
|
|
|
| В диалоговом окне «Связи в узлах» отметьте направления, по которым запрещены перемещение узла (Z).
|
|
|
|
7.5.Смена типа конечных элементов
|
|
7.5.1.Выделение горизонтального элемента длиной
0.1 м
|
|
п.1.53
|
|
|
|
|
|
7.5.2.Смена типа конечного элемента
|
|
п.1.91
|
| В диалоговом окне «Смена типа конечных элементов» выделите в списке типов конечных элементов строку «Тип 308…».
|
|
|
|
7.5.3.Выделение горизонтальных элементов верхнего и нижнего поясов, а также наклонных элементов
|
|
п.1.51
|
|
|
|
|
|
7.5.4.Смена типа конечных элементов
|
|
|
| В диалоговом окне «Смена типа конечных элементов» выделите в списке типов конечных элементов строку «Тип 310…».
|
|
|
|
7.6.Задание жесткостных параметров элементов фермы
|
|
7.6.1.Формирование типов жесткости
|
|
п.1.107
|
| В диалоговом окне «Жесткости элементов» сформируйте список типов жесткости.
|
|
|
|
7.6.1.1.Выбор типа сечения «Круг»
|
|
|
| Щелкните по кнопке Добавить
и, выбрав закладку «База типовых сечений» (с изображением двутавра), активизируйте сечение «Круг».
|
|
|
|
7.6.1.2.Задание параметров сечения «Круг»
|
|
|
| В диалоговом окне «Стальное сечение» задайте параметры сечения:
-Сортамент – Сталь горячекатанная круглая;
-Профиль – 19.
|
|
|
|
7.6.1.3.Выбор типа сечения «Швеллер»
|
|
|
| В диалоговом окне «Жесткости элементов» выберите сечение «Швеллер».
|
|
|
|
7.6.1.4.Задание параметров сечения «Швеллер»
|
|
|
| В диалоговом окне «Стальное сечение» задайте параметры сечения:
-Сортамент – Швеллер с параллельными гранями полок;
-Профиль – 10П.
|
|
|
|
7.6.1.5.Выбор типа сечения «КЭ 310 (нить)»
|
|
|
| В диалоговом окне «Жесткости элементов» выберите закладку численного описания жесткости и активизируйте сечение «КЭ 310 (нить)».
|
|
|
|
7.6.1.6.Задание параметров сечения «КЭ 310 (нить)»
|
|
|
| В диалоговом окне «Численное описание КЭ 310 (нить)» с помощью радио-кнопки выберите способ задания сечения – Круглое и после этого задайте параметры сечения:
-E = 2.1е7 т/м2;
-D = 1.9 см;
-d = 0 см;
-Ro = 7.85 т/м2.
|
|
|
|
7.6.2.Назначение жесткостей элементам рамы
|
|
7.6.2.1.Назначение текущего типа жесткости
«1.Круг 19»
|
|
|
| В диалоговом окне «Жесткости элементов» выделите нужную жесткость в окне списка и щелкните по кнопке Установить как текущий тип.
|
| Установить тип жесткости текущим можно также двойным щелчком левой клавишей мыши по соответствующей жесткости.
|
|
7.6.2.2.
|
| Выделите элемент форкопфа.
|
|
7.6.2.3.Назначение выделенному элементу текущего типа жесткости
|
|
|
| В диалоговом окне «Жесткости элементов» щелкните по кнопке Назначить.
|
|
|
|
7.6.2.4.Назначение текущего типа жесткости «2.Швеллер 10П»
|
|
|
|
|
|
|
|
7.6.2.5.
|
| Выделите вертикальные элементы.
|
|
7.6.2.6.
|
| Назначьте выделенным элементам текущий тип жесткости.
|
|
7.6.2.7.
|
| Назначьте текущим тип жесткости «3.КЭ 310 (нить)».
|
|
7.6.2.8.
|
| Выделите наклонные, а также горизонтальные элементы верхнего и нижнего поясов.
|
|
7.6.2.9.
|
| Назначьте выделенным элементам текущий тип жесткости.
|
|
7.7.Задание нагрузок
|
|
7.7.1.Задание нагрузки на элементы от собственного веса
|
| п.1.113
|
| Выполните команды Нагрузки ? Добавить собственный вес.
|
| Элементы автоматически загружаются нагрузкой собственного веса.
|
|
7.7.2.
|
| Выделите элемент форкопфа.
|
|
7.7.3.Удаление нагрузки с выделенного элемента
|
|
п.1.117
|
|
|
| Собственный вес форкопфам не задается.
|
|
7.7.4.Смена номера текущего загружения
|
|
п.1.111
|
| В диалоговом окне «Активное загружение» задайте номер загружения 2.
|
|
|
|
7.7.5.
|
| Выделите элемент форкопфа.
|
|
7.7.6.Задание нагрузки растяжения
|
|
п.1.115
|
| В диалоговом окне «Задание нагрузок» активизируйте закладку «Нагрузки на стержни». Щелчком по кнопке нагрузки на спецэлемент вызовите диалоговое окно «Параметры местной нагрузки». В этом окне введите интенсивность P = 60 т и подтвердите ввод. После этого в диалоговом окне «Задание нагрузок» щелкните по кнопке Применить.
|
|
|
|
7.7.7.Смена номера текущего загружения
|
|
п.1.111
|
| В диалоговом окне «Активное загружение» задайте номер загружения 3.
|
|
|
|
7.7.8.
|
| Выделите узел № 5.
|
|
7.7.9.Задание нагрузки P1
|
|
|
| В диалоговом окне «Задание нагрузок» активизируйте закладку «Нагрузки в узлах». Затем радио-кнопками укажите систему координат «Глобальная», направление – вдоль оси «Z». Щелчком по кнопке сосредоточенной силы вызовите диалоговое окно «Параметры нагрузки». В этом окне введите значение P = 4 тс и подтвердите ввод. После этого в диалоговом окне «Задание нагрузок» щелкните по кнопке Применить.
|
|
|
|
7.7.10.
|
| Выделите узел № 6.
|
|
7.7.11.Задание нагрузки P2
|
|
|
| В диалоговом окне «Задание нагрузок» щелчком по кнопке сосредоточенной силы вызовите диалоговое окно «Параметры нагрузки». В этом окне введите значение P = 2 тс и подтвердите ввод. После этого в диалоговом окне «Задание нагрузок» щелкните по кнопке Применить.
|
|
|
|
|
Этапы и операции
|
Команда и ее инстру-мент
|
Ваши действия
|
Рекомендации и комментарии
|
|
7.8.Моделирование нелинейных загружений
|
|
7.8.1.Моделирова-ние первого загружения
|
п.1.126
|
В диалоговом окне « Моделирование нелинейных загружений конструкции» задайте следующие параметры:
-№ загружения – 1;
-Метод расчета – Автоматический выбор шага (2);
-Печать – Перемещения и усилия после каждого шага.
Подтвердите ввод данных.
|
|
|
7.8.2.Моделирова-ние второго загружения
|
|
В этом же окне задайте параметры загружения 2:
-№ загружения – 2;
-активизируйте строку «Учет предистории»;
-Метод расчета – Автоматический выбор шага (2);
-Печать – Перемещения и усилия после каждого шага.
Подтвердите ввод данных.
|
|
|
7.8.3.Моделирова-ние третьего загружения
|
|
В этом же окне задайте параметры загружения 3:
-№ загружения – 3;
-активизируйте строку «Учет предыстории»;
-Метод расчета – Автоматический выбор шага (2);
-Печать – Перемещения и усилия после каждого шага.
После этого щелкните по кнопкам Подтвердить и Закрыть.
|
|
|
Запуск задачи на расчет и переход в режим визуализации результатов расчета, а также вывод на экран деформированной схемы и эпюр усилий осуществляется аналогично примеру 1.
|
|
7.9.Вывод на экран перемещений узлов фермы
|
п.1.175,
1.175.3
|
|
|
|
7.10.Вывод на экран информации об узле
|
п.1.
|
Укажите курсором на любой интересующий вас узел.
|
Появляется диалоговое окно с информацией об этом узле.
|
показать процедуру задания параметров, характеризующих
Основной задачей примера есть следующее:
показать процедуру задания параметров, характеризующих нелинейное поведение железобетона в процессе нагружения статическими нагрузками;
продемонстрировать технику управления шаговым процессом решения задачи.
Исходные данные здесь используются из примера 1.
Этапы и операции
|
Команда и ее инстру-мент
|
Ваши действия
|
Рекомендации и комментарии
|
6.1.Сохранение задачи под новым именем
|
п.1.22
|
В диалоговом окне «Сохранить как» задайте имя задачи и папку, в которую будет сохранена задача.
|
Папка:LDdata,
Имя файла: Пример6.
|
6.2.Удаление загружения № 4
|
6.2.1.Смена номера текущего загружения
|
п.1.111
|
В диалоговом окне «Активное загружение» задайте номер загружения 4.
|
|
6.2.2.Выделение узлов рамы, к которым приложены нагрузки
|
п.1.48
|
|
|
6.2.3.Удаление нагрузок
|
п.1.117
|
|
В этом примере рассматриваем одно ветровое воздействие.
|
6.3.Задание и назначение параметров для расчета с учетом физической нелинейности
|
6.3.1.Вызов диалогового окна со списком жесткостей
|
п.1.107
|
|
|
6.3.2.Задание параметров физической нелинейности для элементов колонн
|
6.3.2.1.Вызов окна задания параметров нелинейности для колонн
|
|
В диалоговом окне «Жесткости элементов» выделите строку «1.Брус 60x40» и щелкните по кнопке Изменить.
Затем в новом окне «Задание стандартного сечения» активизируйте строку «Учет нелинейности» и щелкните по кнопке Параметры материала.
|
При активизации строки «Учет нелинейности» исчезает строка модуля упругости и активизируются кнопки Параметры материала и Параметры арматуры.
|
6.3.2.2.Задание характеристик физической нелинейности основного материала
|
|
В диалоговом окне «Характеристики физической нелинейности основного и армирующего материалов» выделите радио-кнопку «Основной» и задайте:
-Закон нелинейного деформирования – 25 – экспоненциальный (расчетная прочность);
-Класс бетона – Б25;
-Тип бетона – ТА.
|
Характеристики бетона отображаются автоматически.
|
6.3.2.3.Задание характеристик физической нелинейности армирующего материала
|
|
В этом же диалоговом окне выделите радио-кнопку «Армирующий» и задайте закон нелинейного деформирования – 11 – экспоненциальная зависимость, а затем характеристики материала:
E- = 2.1е7 т/м2; E+ = 2.1е7 т/м2;
?- = -28500 т/м2; ?+ = -28500 т/м2.
Щелчком по кнопке Подтвердить
подтвердите ввод характеристик.
|
|
6.3.2.4.Задание параметров арматуры
|
|
В диалоговом окне «Задание стандартного сечения» щелкните по кнопке Параметры арматуры и в диалоговом окне «Характеристики физической нелинейности стержней» укажите:
-Тип арматурных включений – Точечная арматура;
-Типы дробления поперечного сечения – Дробление на элементарные прямоугольники.
Затем задайте армирование стержня:
-Номер слоя арматуры – 1,
Fa = 2.22 см2, y = -27 см, z = 3 см;
-Номер слоя арматуры – 2,
Fa = 2.22 см2, y = 27 см, z = 3 см;
-Номер слоя арматуры – 3,
Fa = 2.01 см2, y = -27 см, z = 37 см;
-Номер слоя арматуры – 4,
Fa = 2.01 см2, y = 27 см, z = 37 см;
-Номер слоя арматуры – 5,
Fa = 1.13 см2, y = 0 см, z = 3 см;
-Номер слоя арматуры – 6,
Fa = 1.13 см2, y = 0 см, z = 37 см
и щелкните по кнопке Подтвердить. В окне «Задание стандартного сечения» подтвердите ввод данных.
|
|
6.3.3.Задание параметров физической нелинейности для элементов балок
|
6.3.3.1.Вызов окна задания параметров нелинейности для балок
|
|
В диалоговом окне «Жесткости элементов» выделите строку «2.Тавр_Т 20x60» и щелкните по кнопке Изменить.
Затем в новом окне «Задание стандартного сечения» активизируйте строку «Учет нелинейности» и щелкните по кнопке Параметры материала.
|
|
Задание характеристик основного и армирующего материалов осуществляется аналогично п.6.3.2.2. и 6.3.2.3.
|
6.3.3.2.Задание параметров арматуры
|
|
В диалоговом окне «Задание стандартного сечения» щелкните по кнопке Параметры арматуры и в диалоговом окне «Характеристики физической нелинейности стержней» укажите:
-Тип арматурных включений – Точечная арматура;
-Типы дробления поперечного сечения – Дробление на элементарные прямоугольники.
Затем задайте армирование стержня:
-Номер слоя арматуры – 1,
Fa = 1.36 см2, y = -7 см, z = 3 см;
-Номер слоя арматуры – 2,
Fa = 1.36 см2, y = 7 см, z = 3 см;
-Номер слоя арматуры – 3,
Fa = 2.58 см2, y = -17 см, z = 57 см;
-Номер слоя арматуры – 4,
Fa = 2.58 см2, y = 17 см, z = 57 см
и щелкните по кнопке Подтвердить. В окне «Задание стандартного сечения» подтвердите ввод данных.
|
|
6.3.4.Назначение параметров нелинейности
|
|
В диалоговом окне «Жесткости элементов» щелкните по кнопке Закрыть.
|
После задания параметров нелинейности номера жесткостей в списке жесткостей отображаются со звездочкой.
Назначение параметров элементам происходит автоматически.
|
6.4.Смена типа конечных элементов
|
6.4.1.Выделение всех элементов рамы
|
п.1.51
|
Аналогично предыдущим примерам.
|
|
6.4.2.Смена типа конечных элементов
|
п.1.91
|
В диалоговом окне «Смена типа конечных элементов» выделите в списке типов конечных элементов строку «Тип 210…».
|
|
<
Начало
Этим примером иллюстрируется составление РСУ и подбор арматуры элементов рамы
. Исходные данные взяты из примера 1. Все этапы формирования расчетной схемы и задания нагрузок здесь не приводятся, используя готовую расчетную схему. Для этого пример 1 сохраняется под новым именем – Пример 2. Таким образом, есть возможность начать пример непосредственно с генерации таблицы РСУ.
Этапы и операции
|
Команда и ее инстру-мент
|
Ваши действия
|
Рекомендации и комментарии
|
2.1.Сохранение задачи под новым именем
|
п.1.22
|
С помощью команды Файл ? Сохранить как вызовите диалоговое окно «Сохранить как» и задайте в нем имя задачи и папку, в которую будет сохранена задача.
|
Папка:LDdata,
Имя файла: Пример2.
|
2.2.Генерация таблицы РСУ
|
п.1.118
|
В диалоговом окне «Расчетные сочетания усилий»
для Загружения 1 выберите в списке Вид загружения – «Постоянное (0)»;
для Загружения 2 выберите в списке Вид загружения – «Временное длит. (1)»;
для Загружения 3 выберите в списке Вид загружения – «Кратковременное (2)» и в текстовом поле «№ группы взаимоисключающих загружений» – «1»;
для Загружения 4 (повтор данных загружения 3) выберите в списке Вид загружения – «Кратковременное (2)» и в текстовом поле «№ группы взаимоисключающих загружений» – «1».
Задав № и параметры каждого из загружений, щелкайте по кнопке Подтвердить.
Закрывается диалоговое окно щелчком по кнопке Закончить.
|
В соответствии со строительными нормами расчет армирования, подбор и проверка металлических сечений производится по невыгодным сочетаниям усилий. Поэтому для дальнейшей работы в подсистемах ЛИР-АРМ и ЛИР-СТК нужно производить расчет РСУ или РСН.
|
2.3.Задание расчетных сечений для ригелей
|
2.3.1.Выделение горизонтальных элементов
|
п.1.53
|
Выделите горизонтальные элементы после щелчка по кнопке инструмента.
|
|
2.3.2.Задание расчетных сечений
|
п.1.105
|
В диалоговом окне «Расчетные сечения» задайте количество расчетных сечений
N = 7.
|
Для того чтобы можно было выполнить конструирование изгибаемого элемента, требуется вычислить усилия в 7 и более сечениях.
|
Запуск задачи на расчет и переход в режим визуализации результатов расчета производится аналогично примеру 1.
|
Расчет рамы на статические нагрузки
Задача
Выполнить расчет рамы на статические нагрузки. Вывести на экран деформированную схему и эпюры изгибающих моментов M и поперечных сил Q.
Схема рамы и принятое закрепление стоек показаны на рис. 1.1.
Материал рамы – железобетон В30.
Заданы нагрузки:
постоянная равномерно распределенная g1= 2.0 тс/м;
постоянная равномерно распределенная g2 =1,5 тс/м;
постоянная равномерно распределенная g3 =3,0 тс/м;
временная длительная равномерно распределенная g4 = 4,67тс/м;
временная длительная равномерно распределенная g5 = 2,0тс/м;
ветровая (слева) Р1 =–1.0 тс;
ветровая (слева) Р2 = –1.5 тс;
ветровая (слева) Р3 =– 0.75 тс;
ветровая (слева) Р4 = –1.125 тс;
ветровая (справа) Р1 =1.0 тс;
ветровая (справа) Р2 = 1.5 тс;
ветровая (справа) Р3 = 0.75 тс;
ветровая (справа) Р4 = 1.125 тс.
В примере показано составление РСН
Задачи примера
В примере показано составление РСН и процедура подбора и проверки стальных сечений элементов рамы.
Здесь используются исходные данные примера 1 в предположении варианта стального каркаса.
Для примера 4 задано:
материал – сталь ВСт3кп2-1
сечение элементов ригелей – составной двутавр, имеющий пояс 200х4 мм и стенку – 480х4мм;
сечение элементов стоек – составное из двух швеллеров 10П (с планками).
Задание исходных данных описано в примере 1. Здесь же пример начинается с задания новых жесткостей элементов.
|
Этапы и операции
|
Команда и ее инстру-мент
|
Ваши действия
|
Рекомендации и комментарии
|
|
4.1.Задание количества расчетных сечений элементов ригелей
|
|
4.1.1.Выделение горизонтальных элементов
|
п.1.53
|
Выделите горизонтальные элементы.
|
|
|
4.1.2.Задание расчетных сечений
|
п.1.105
|
В диалоговом окне «Расчетные сечения» задайте количество расчетных сечений
N = 7.
|
Для того чтобы выполнить расчет по второй группе предельных состояний, нужно задать не менее 3 расчетных сечений.
|
|
4.2.Задание жесткостных параметров элементов рамы
|
|
4.2.1.Формирование типов жесткостей
|
п.1.107
|
В диалоговом окне «Жесткости элементов» сформируйте список типов жесткости.
|
|
|
4.2.1.1.Выбор типа сечения «Составной двутавр»
|
|
Щелкните по кнопке Добавить
и, выбрав закладку «База типовых сечений» (с изображением двутавра), активизируйте сечение «Составной двутавр».
|
|
|
4.2.1.2.Задание параметров сечения «Составной двутавр»
|
|
4.2.1.2.1.Задание параметров сечения пояса
|
|
В диалоговом окне «Стальное сечение», в списке компонент сечения, выделите строку «???, пояс» и задайте параметры сечения:
-Сортамент – Прокат листовой горячекатаный толщиной 2.5…25 мм,
-Профиль – 200x4.
|
Строка «???, пояс» преобразуется в строку «200 x 4, пояс».
|
|
4.2.1.2.2.Задание параметров сечения стенки
|
|
В диалоговом окне «Стальное сечение», в списке компонент сечения, выделите строку «???, стенка» и задайте параметры сечения:
-Сортамент – Прокат листовой горячекатаный толщиной 2.5…25 мм,
-Профиль – 480x4.
Подтвердите ввод данных.
|
В списке жесткостей диалогового окна «Жесткости элементов» появляется строка «1.Составной двутавр
- 200 x 4, пояс
- 480 x 4, стенка».
|
|
4.2.1.3.Выбор типа сечения «Два швеллера»
|
|
В диалоговом окне «Жесткости элементов» выберите сечение «Два швеллера» (сквозное сечение).
|
|
|
4.2.1.4.Задание параметров сечения «Два швеллера»
|
|
В диалоговом окне «Стальное сечение», в списке компонент сечения, выделите строку «???, ветвь» и задайте параметры сечения:
-Сортамент – Швеллер с параллельными гранями полок,
-Профиль – 10П.
После этого щелкните по кнопке Стыковка и задайте параметры стыковки:
Y = Y1 = 0 см,
Z = Z1 = 50 см.
|
|
|
4.2.2.Назначение жесткостей элементам рамы
|
|
4.2.2.1.Назначение текущего типа жесткости «1.Составной двутавр»
|
|
В диалоговом окне «Жесткости элементов» выделите нужную жесткость в окне списка и щелкните по кнопке Установить как текущий тип.
|
|
|
4.2.2.2.Выделение горизонтальных элементов
|
п.1.53
|
Выделите горизонтальные элементы.
|
|
|
4.2.2.3.Назначение выделенным элементам текущего типа жесткости
|
|
В диалоговом окне «Жесткости элементов» щелкните по кнопке Назначить.
|
|
|
4.2.2.4.Назначение текущего типа жесткости «2.Два швеллера»
|
|
Выделите нужную жесткость в окне списка и щелкните по кнопке Установить как текущий тип.
|
|
|
4.2.2.5.Выделение вертикальных элементов
|
п.1.52
|
Выделите вертикальные элементы.
|
|
|
4.2.2.6.Назначение выделенным элементам текущего типа жесткости
|
|
В диалоговом окне «Жесткости элементов» щелкните по кнопке Назначить.
|
|
|
Запуск задачи на расчет и переход в режим визуализации результатов расчета производится аналогично примеру 1.
|
|
4.3.Вычисление расчетных сочетаний нагружений (РСН)
|
|
4.3.1.Вызов диалогового окна «Расчетные сочетания нагрузок»
|
п.1.189
|
|
|
|
4.3.2.Задание видов загружений
|
|
В диалоговом окне «Расчетные сочетания нагрузок» в списке видов загружений задайте вид для каждого загружения после двойного щелчка мыши по ячейке таблицы:
-для первого загружения –
Постоянная(П);
-для второго –
Длительная(Д);
-для третьего и четвертого –
Кратковременная(К).
|
|
|
4.3.3.Организация группы взаимоисключения (ветровых загружений)
|
|
В ячейках взаимоисключения напротив третьего и четвертого загружения задайте номер группы 1.
|
|
|
4.3.4.Задание сочетаний
|
|
Щелкните по кнопке управления вводом коэффициентов 2 основное.
|
В таблице появляются 2 столбца с величинами коэффициентов в соответствии с применяемыми формулами.
|
|
4.3.5.Расчет РСН
|
|
Щелкните по кнопке Расчет.
|
|
|
4.4.Запуск подсистемы металлических конструкций
|
|
Вызовите подсистему ЛИР-СТК командами Windows: Пуск ? Программы ? Lira 9.0 ? ЛирСтк.
|
|
|
4.5.Импорт расчетной схемы
|
п.4.12
|
В диалоговом окне системы ЛИР-МЕТ «Введите имя импортируемого файла» выделите файл «пример4#00.пример4» и щелкните по кнопке Открыть.
|
Импортируется файл «пример4#00пример4.
|
|
4.6.Задание дополнительных характеристик
|
|
4.6.1.Задание дополнительных характеристик для сечения «Составной двутавр»
|
п.4.47
|
В диалоговом окне «Жесткости элементов» щелкните по строке «1.Составной двутавр» в списке жесткостей и по кнопке Изменить.
|
|
|
4.6.1.1.Задание марки стали
|
|
4.6.1.1.1.Задание марки стали для сечения балки
|
|
В диалоговом окне «Стальное сечение» щелкните по закладке «Состав», затем по строке «1.Составной двутавр» и задайте марку стали – как у пояса.
|
|
|
4.6.1.1.2.Задание марки стали для пояса
|
|
Щелкните по строке «200x4, пояс» и задайте марку стали – ВСт3кп2-1.
|
|
|
4.6.1.1.3.Задание марки стали для стенки
|
|
Щелкните по строке «480x4, стенка» и задайте марку стали – ВСт3кп2-1.
|
|
|
4.6.1.2.Задание дополнительных характеристик для сечения балок
|
|
Щелкните по закладке «Дополнительные характеристики» и отметьте радио-кнопку «Балка», а затем задайте другие характеристики.
- щелкните по пункту «Использовать коэффициенты к длине конструктивного элемента для Lef»;
- задайте коэффициент Lef = 0.25 и щелкните по пункту «Балка с одной осью симметрии».
|
|
|
4.6.2.Задание дополнительных характеристик для сечения «2.Два швеллера»
|
|
В диалоговом окне «Жесткости элементов» щелкните по строке «2.Два швеллера» в списке жесткостей и по кнопке Изменить.
|
|
|
4.6.2.1.Задание марки стали
|
|
4.6.2.1.1.Задание марки стали для сечения колонны
|
|
В диалоговом окне «Стальное сечение» щелкните по строке «2.Два швеллера» и задайте марку стали – как у ветви.
|
|
|
4.6.2.1.2.Задание марки стали для ветви
|
|
Щелкните по строке «10П, ветвь» и задайте марку стали – ВСт3кп2-1.
|
|
|
4.6.2.2.Задание дополнительных характеристик для сечения колонн
|
|
Щелкните по закладке «Дополнительные характеристики» и отметьте радио-кнопку Колонна,
а затем задайте другие характеристики:
-щелкните по пункту «Использовать коэффициенты к геометрической длине конструктивного элемента»;
-задайте коэффициенты расчетной длины
колонны –
относительно оси Z1 = 1;
относительно оси Y1 = 1;
ветвей –
нижней = 1;
-соединительная решетка – с изображением планок;
-шаг решетки = 1 м.
|
|
|
4.6.2.3.Задание характеристик для планок
|
|
Щелкните по закладке «Состав» и укажите на строку «???, планка», а затем задайте характеристики планки:
-Сортамент – Прокат листовой горячекатанный толщиной 2.5…25мм,
-Профиль – 200x4;
-Сталь – ВСт3кп2-1.
Подтвердите задание дополнительных характеристик.
|
|
|
4.7.Назначение дополнительных характеристик
|
|
Назначьте один из типов жесткости текущим и закройте окно.
|
Назначение дополнительных характеристик происходит автоматически.
|
|
4.8.Назначение конструктивных элементов
|
|
4.8.1.Вывод на экран номеров элементов
|
п.4.66,
4.66.1,
4.66.1.1
|
В диалоговом окне «Показать» активизируйте закладку «Элементы». После этого выберите команду Номера элементов и щелкните по кнопке Применить.
|
|
|
4.8.2.Отметка элементов № 9 и 10
|
п.4.34
|
Отметьте элементы № 9 и 10.
|
|
|
4.8.3.Создание конструктивного элемента КБ1
|
п.4.48
|
|
Конечные элементы, объединенные в конструктивный, при конструировании рассматриваются как единое целое.
|
|
4.8.4.Отметка элементов № 7 и 8
|
Отметьте элементы № 7 и 8.
|
|
4.8.5.Создание конструктивного элемента КБ2
|
п.4.48
|
|
В конструктивный элемент могут входить элементы с одинаковым сечением.
|
|
4.8.6.Отметка элементов № 1 и 2
|
Отметьте элементы № 1 и 2.
|
|
4.8.7.Создание конструктивного элемента КК3
|
п.4.48
|
|
Между элементами, входящими в конструктивный элемент, не должно быть разрывов, они должны иметь один тип жесткости, не должны входить в другие конструктивные элементы и унифицированные группы, а также иметь общие узлы и лежать на одной прямой.
|
|
4.8.8.Отметка элементов № 5 и 6
|
Отметьте элементы № 5 и 6.
|
|
4.8.9.Создание конструктивного элемента КК4
|
п.4.48
|
|
|
|
4.9.Назначение раскреплений в узлах элементов
|
|
4.9.1.Отметка горизонтальных элементов схемы
|
|
Выделите горизонтальные элементы.
|
|
|
4.9.2.Назначение раскреплений
|
п.4.54
|
В диалоговом окне «Раскрепление стержней» задайте направление раскреплений – Y1, Z1. Щелкните по строке «В каждом узле каждого конечного элемента» и подтвердите назначение.
|
Прогиб сечений элемента определяется относительно линии, соединяющей раскрепления на его концах.
|
|
4.10.Проверка назначенных сечений
|
п.4.56
|
В диалоговом окне «Таблицы результатов» задайте текстовый формат таблиц результатов, щелкните по строке «Проверка всех элементов по РСН» и по кнопке Создать.
|
Также есть возможность задать таблицы результатов в HTML-формате и Excel-формате.
|
|
4.11.Подбор сечений рамы
|
п.4.56
|
В диалоговом окне «Таблицы результатов» щелкните по строке «Подбор всех элементов по РСН» и по кнопке Создать.
|
Так как по результатам проверки не для всех сечений удовлетворяются расчетные проверки – следует произвести подбор сечений.
|
|
Этапы и операции
|
Команда и ее инстру-мент
|
Ваши действия
|
Рекомендации и комментарии
|
|
6.5.Моделирование нелинейных загружений
|
|
6.5.1.Моделирова-ние первого загружения
|
п.1.126
|
В диалоговом окне « Моделирование нелинейных загружений конструкции» задайте следующие параметры:
-№ загружения – 1;
-Метод расчета – Простой шаговый (1);
-Печать – Перемещения и усилия после каждого шага;
-Количество шагов – 7.
Далее отметьте радио-кнопку Ввод и редактирование и задайте пошаговое приложение нагрузок – 0.3 0.2 0.1 0.1 0.1 0.1 0.1. Подтвердите ввод данных.
|
|
|
6.5.2.Моделирова-ние второго загружения
|
|
В этом же окне задайте параметры загружения 2:
-№ загружения – 2;
-активизируйте строку «Учет предистории»;
-Метод расчета – Простой шаговый (1);
-Печать – Перемещения и усилия после каждого шага;
-Количество шагов – 10.
Далее отметьте радио-кнопку Ввод и редактирование и задайте пошаговое приложение нагрузок – 0.1 0.1 0.1 0.1 0.1 0.1 0.1 0.1 0.1 0.1. Подтвердите ввод данных.
|
|
|
Моделирование третьего загружения осуществляется аналогично п.6.5.2.
|
|
Запуск задачи на расчет и переход в режим визуализации результатов расчета осуществляется аналогично предыдущим примерам.
|
|
Вывод на экран деформированной схемы и эпюр усилий осуществляется аналогично примеру 1.
|
|
6.6.Просмотр таблицы сведений о состоянии материала
|
|
6.6.1.Вывод расчетного процессора
|
п.1.5
|
|
Для того, чтобы вызвать расчетный процессор, нужно закрыть все рабочие окна в системе ЛИР-ВИЗОР.
|
|
6.6.2.Вывод таблицы сведений о состоянии материала
|
|
В диалоговом окне «Параметры расчетного процессора» щелкните по кнопке Результаты.
Затем в окне «Открыть» из ниспадающего списка выберите:
-Тип файлов – Состояние материалов (*_13.*) и откройте файл «пример6_13.пример6».
|
|
ПРИНЦИПЫ АНАЛИЗА РЕЗУЛЬТАТОВ РАСЧЕТА
ПК ЛИРА предоставляет пользователю достаточный набор функций для оценки достоверности напряженно-деформированного состояния схемы в каждом загружении или по комбинациям загружений, для получения цифровой информации по каждому узлу и элементу.
При расчете задач с динамическими воздействиями, просмотрев анимацию форм собственных и вынужденных колебаний, пользователь может оценить корректность задания геометрических и жесткостных характеристик. Например, если у некоторых элементов задана недостаточная жесткость, то в этой части конструкции амплитуда колебаний будет значительно больше, чем у остальной конструкции.
В ПК ЛИРА реализована также возможность графического анализа напряженно-деформированного состояния каждого суперэлемента со всеми сервисными возможностями.
Результаты работы расчетных процессоров могут быть представлены как в исходных единицах, так и в отличных от них.
Для сложных расчетных схем, а также для больших задач рекомендуется выполнять расчет на одно или несколько контрольных загружений, в которых характер перемещений известен. Проверка загружений упрощается, когда расчетная схема симметрична, а нагрузки симметричны или кососимметричны.
Если в результате счета перемещения некоторых узлов очень велики, то, скорее всего:
отсутствуют необходимые связи;
в узле сходятся разнородные конечные элементы, воспринимающие разные степени свободы;
система мгновенно изменяема.
если характер перемещений в схеме отличен от ожидаемого, то необходимо проверить:
координаты узлов;
наличие связей между элементами;
жесткостные характеристики элементов;
шарниры и закрепления.
Если проверка глобального равновесия выполнена, а характер перемещений или усилий не удовлетворителен, то это значит, что расчетная схема некорректна.
Если в результате решения задачи отсутствует равновесие в узле, то следует проанализировать соотношение жесткостей элементов, входящих в узел. Нужно обратить внимание на короткие, но очень жесткие элементы, примыкающие к длинным элементам с небольшой жесткостью, и либо изменить жесткости этих элементов, либо ввести вместо них какие-то другие. Так, если стержень, моделирующий подкрановую консоль, обладает очень большой жесткостью, то это может привести к неустойчивому решению системы уравнений. В этом случае подкрановую ветвь колонны рекомендуется заменить стержнем с абсолютно жесткой вставкой (моделирующей подкрановую ступень) по направлению местной оси Z1.
Управление точностью формирования матрицы и решения системы линейных уравнений позволяет задавать большой разброс жесткостей. Так, для однопролётной одноэтажной рамы с высотами подкрановых и надкрановых колонн 18 и 12 м и длине подкрановой ступени всего 10 см получено приемлемое решение при назначении жесткости подкрановой ступени на 6 порядков выше жесткостей колонн. Однако дальнейший разброс жесткостей резко ухудшает решение.
Возможен редкий случай, когда есть равновесие в узлах, но нет глобального равновесия схемы. Здесь следует искать изменяемость в расчетной схеме.
Когда, наконец, для расчетной схемы получено приемлемое решение от контрольных загружений, можно переходить к решению задачи с реальными загружениями.
Результатами статического расчёта схемы являются перемещения узлов схемы и усилия (напряжения) в сечениях элементов.
Результатами динамического расчета являются периоды, частоты и формы собственных колебаний для каждого тона, а также инерционные силы и соответствующие им перемещения узлов и усилия (напряжения) в элементах.
Предоставляется возможность получения твердой копии результатов счета в виде стандартных и интерактивных таблиц, которые снабжаются необходимой и привычной индексацией.
ПРИНЦИПЫ ОПРЕДЕЛЕНИЯ РАСЧЕТНЫХ СОЧЕТАНИЙ УСИЛИЙ (РСУ)
В общем случае напряженно-деформированного состояния тела критерием для определения опасных РСУ служат экстремумы упругого потенциала в какой-либо точке тела при действии на него многих загружений. При этом учитываются особенности упругого потенциала, характерные для стержней, пластин, оболочек и массивных тел. Эти особенности позволяют облегчить решение задачи, существенно ограничив количество рассматриваемых РСУ.
Принципы построения конечно-элементных моделей
Расчетная схема представляет собой идеализированную модель конструкции. Модель разбивается на конечные элементы. В результате такой разбивки появляются узлы. Элементы и узлы схемы нумеруются. В опорные узлы следует ввести соответствующие связи (запретить перемещения по каким-либо степеням свободы, либо ограничить перемещения узла конечными элементами, моделирующими работу связи). Нумерация узлов и элементов определяет последовательность задания исходной информации на входном языке и чтение результатов счёта. Конечные элементы, имеющие одинаковые жёсткостные характеристики, объединяются в типы жесткости.
Расчетная схема располагается в правой декартовой системе координат.
Для фиксации местоположения конечного элемента в схеме служит местная система координат - C1, U1, Z1, которая является только правой декартовой. Местная система координат необходима для ориентации местной нагрузки, главных осей инерции в сечении стержня, усилий и напряжений, возникающих в элементе.
Для стержневых КЭ местная система координат имеет следующую ориентацию: ось C1 направлена от начала стержня (первый узел) к концу (второй узел). Оси U1 и Z1 - это главные центральные оси инерции поперечного сечения стержня и вместе с осью C1 образуют правую тройку. При этом ось Z1
направлена всегда в верхнее полупространство, а ось U1 параллельна плоскости COU.
Однако для построения местной системы координат для стержня в общем случае этого недостаточно. Если одна из осей сечения стержня в реальной конструкции не параллельна плоскости C0U, то необходимо задавать угол чистого вращения - угол поворота главных осей инерции относительно положения, принятого по умолчанию (см. п. 9.6).
Для всех плоскостных КЭ ось C1
направлена от первого узла ко второму. Для прямоугольных элементов плиты и оболочки ось U1
направлена от первого узла к третьему. Для плосконапряженных элементов от первого узла к третьему направлена ось Z1. Для треугольных элементов плиты и оболочки ось U1 ортогональна оси C1 и расположена в плоскости элемента.
Для плосконапряженных треугольных элементов ось Z1 ортогональна оси C1 и расположена в плоскости элемента.
Для объёмных конечных элементов ось C1
направлена от первого узла ко второму, ось U1 располагается в плоскости нижней грани и ортогональна оси C1. Оси C1, U1, Z1 образуют правую тройку.
Каждый узел схемы имеет свою локальную систему координат - C2, U2, Z2, которая является правой декартовой. По умолчанию локальная система координат узла совпадает с глобальной. Локальная система координат узла позволяет задавать нагрузки и заданные смещения в направлении, не совпадающем с глобальными осями.
Каждый узел схемы в общем случае имеет 6 степеней свободы: три линейных перемещения вдоль осей C или C2; U или U2; Z или Z2 и три поворота вокруг C или C2, U или U2, Z или Z2.
Для расчетных схем, в которых количество степеней свободы в узле заведомо меньше 6 (плоские фермы, плоские рамы и т.п.), применяется так называемый признак схемы. В ПК ЛИРА задействованы пять признаков схемы:
Признак 1
– схемы, располагаемые в плоскости XOZ; каждый узел имеет 2 степени свободы - линейные перемещения вдоль осей X, Z или X2, Z2. В этом признаке схемы рассчитываются плоские фермы и балки-стенки.
Признак 2
– схемы, располагаемые в плоскости XOZ; каждый узел имеет 3 степени свободы - линейные перемещения вдоль осей X, Z или X2, Z2 и поворот вокруг оси Y или Y2. В этом признаке схемы рассчитываются плоские рамы и допускается включение элементов ферм и балок-стенок.
Признак 3
– схемы, располагаемые в плоскости XOY; каждый узел имеет 3 степени свободы - линейное перемещение вдоль оси, Z или Z2 и повороты вокруг осей X, Y или X2, Y2. В этом признаке рассчитываются балочные ростверки и плиты; допускается учет упругого основания.
Признак 4
– пространственные схемы, каждый узел которых имеет 3 степени свободы - линейные перемещения вдоль осей X, Y, Z или X2, Y2, Z2. В этом признаке рассчитываются пространственные фермы и объемные тела.
Признак 5
– пространственные схемы общего вида с 6 степенями свободы в узле.
В этом признаке схемы рассчитываются пространственные каркасы, оболочки и допускается включение объемных тел, учет упругого основания и т.п.
Граничные условия в расчетной схеме могут быть заданы непосредственно на узел, а также смоделированы при помощи связей конечной жёсткости. Последнее особенно эффективно, если в налагаемых связях необходимо определить реакции. При этом следует иметь в виду, что введение связей, жесткости которых значительно превосходят жесткость элементов системы, может снизить точность счета. Если же жесткость вводимых связей невелика, могут быть некоторые искажения истинного решения для внешне статически определимых систем. Рекомендуется, чтобы величина жесткости вводимых связей была на порядок - два больше самой большой погонной жесткостной характеристики из всех элементов системы. Но в каждом отдельном случае нужна индивидуальная оценка.
Статистические воздействия задаются в виде сосредоточенных сил и моментов как в узлы схемы (узловая нагрузка) по направлениям осей глобальной и локальной систем координат, так и на элементы (местная нагрузка) по направлениям местной или глобальной систем координат.
Динамические воздействия задаются в виде узловых нагрузок, действующих вдоль осей глобальной или локальной систем координат. Веса масс сооружения задаются как собственный вес конструкций, оборудования и т. п.; при этом допускается использование как местных, так и узловых нагрузок.
Действие одной нагрузки или группы нагрузок может быть объявлено как отдельное загружение - статическое или динамическое. При наличии нескольких загружений может быть произведен выбор наиболее опасных их сочетаний, которые формируют так называемые расчетные сочетания усилий (РСУ), необходимые при конструировании элементов схемы.
Реализована возможность формирования весов масс для динамического воздействия непосредственно из какого-либо статического загружения.
При создании расчетной схемы могут быть задействованы различные системы единиц измерения. Основными единицами являются единицы длины (L), силы (F), размеров сечений (S), температуры (t).
Единицы измерения прочих величин являются производными от основных.
Единица измерения времени - секунда.
Базовыми единицами, используемыми по умолчанию, являются:
L
– метры, S - сантиметры, F - тонны силы, t - градусы Цельсия. Расчетные процессоры осуществляют расчет, используя именно эти единицы. Перевод из исходных единиц в базовые производится автоматически.
Представляя расчетную схему сооружения в виде конечно-элементной модели, пользователь всегда стремится достичь компромисса между двумя противоречивыми желаниями: получить как можно более точное решение задачи и обусловить приемлемое время счета. Желательно также получить обозримый объем результатов. Для достижения такого компромисса необходимо уметь оценивать оба указанных фактора. Так, время решения задачи легко прогнозируется по количеству узлов, элементов, загружений, а также быстродействию компьютера. ПК ЛИРА автоматически дает прогноз времени решения задачи для всех этапов расчета. Однако оценка точности решения задачи является вопросом очень сложным, так как зависит от многих слабо формулируемых факторов:
густота сетки – с одной стороны, сгущение сетки повышает точность, с другой стороны, неограниченное сгущение может повлечь слабую обусловленность матрицы канонических уравнений и потерю точности;
физико-механические свойства расчетной модели – расчетная схема может быть близка к геометрически изменяемой, содержать элементы с сильно различающимися жесткостями, что также влечет потерю точности;
геометрия конечных элементов – если стороны элементов сильно различаются по длине, то это приведет к плохой обусловленности матрицы накопленных уравнений и также к потере точности;
свойство конечных элементов – использование высокоточных элементов часто приводит к более точному решению, чем использование простых элементов на значительно более густой сетке.
Назначение сетки надо проводить на основе многих факторов.
Так, например, густоту сетки предпочтительно увеличивать только в местах предполагаемого большого градиента напряжений (входящие узлы, места сосредоточенных нагрузок и т.п.). Кроме того, знание свойств конечных элементов также часто помогает рационально построить конечную модель. Так, например, на рис 9.1.а конечно-элементная модель более рациональна, чем на рис 9.1.б. Дело в том, что при моделировании перемычки, работа которой близка к балочной схеме, более предпочтительно производить ее разбивку по длине, т.к. прямоугольный конечный элемент балки-стенки имеет полилинейный закон аппроксимации функций, что автоматически моделирует закон плоских сечений, даже если по высоте балки расположен только один элемент.
а) б)
Рис.9.1
Особенно тщательно необходимо подходить к построению конечно-элементной модели в том случае, если схема рассчитываемого сооружения обладает свойствами, провоцирующими неустойчивый счет. Это относится к пологим мембранам, к конструкциям с гибкими включениями, с элементами, имеющими малые размеры, но большую жесткость.
Рекомендуется стремиться к сокращению размерности решаемой задачи. В какой-то степени может помочь применение суперэлементов. В этом случае пользователь, объявляя суперэлементом небольшой фрагмент, включающий неблагополучные элементы, может несколько сгладить их негативное влияние.
Геометрия конечных элементов также оказывает существенное влияние на точность решения задачи. Рекомендуется стремиться к тому, чтобы элементы были близки к равносторонним.
В ряде случаев пользователь может получить оценку точности решения задачи при заданной густоте расчетной сетки и определить область точного решения задачи. Зная порядок сходимости для принятого типа конечного элемента [10], можно поступить следующим образом.
Оценка сходимости для определенного типа конечного результата имеет вид:
, (9.1)
где левая часть неравенства является по сути аналогом квадратичной невязки между точным решением U
и приближенным Uh (для определенности рассматриваем только перемещения, так как для напряжений предлагаемая схема рассуждений полностью аналогична); в правой части неравенства С-константа, h-размер элемента при заданной густоте сетки и t-порядок сходимости. Так, например, если для прямоугольных элементов балки стенки t=2 (порядок сходимости t для конечных элементов, используемых в ПК ЛИРА, приведен в [10]), можно заключить, что при сгущении сетки в два раза (т.е. при уменьшении h в два раза), погрешность решения уменьшается в 4 раза.
Теперь на основе двух решений с начальной и "удвоенной густотой" сетки можно приблизиться к точному решению.
Пусть перемещение выбранного узла с начальной густотой сетки h равно
Ui (h) = 4.8 мм
Это же перемещение при сгущении сетки в два раза
Ui (h) = 5.2 мм
Теперь можно построить ряд для определения точного значения Ui
Ui = 4.8 + 0.4 + 0.4/4 + 0.4/16 + 0.4/32 + 0.4/64 + ...
Приведенные выше рассуждения целесообразно проводить при решении сложных исследовательских задач. Для достаточно простых задач, когда количество узлов не превышает нескольких тысяч, методы, реализованные в ПК ЛИРА, позволяют получать вполне приемлемую точность на произвольных сетках, в том числе и полученных на основе автоматической разбивки.
Проектируемые сечения
В зависимости от усилий, действующих в сечении, для стержневых элементов определены следующие расчетные процедуры (табл. 13.1).
Таблица 13.1
Расчетная процедура
|
Усилия
|
Ферменные элементы
|
Продольного усилия N (сжатие или растяжение)
|
Изгибаемые элементы
|
Изгибающих моментов My (в плоскости Z1), Mz (в плоскости Y1), перерезывающих сил Qz и Qу
|
Элементы колонн
(внецентренно-сжатые)
|
нормальной силы (сжатие или растяжение) N и изгибающих моментов My, Мz; перерезывающих сил Qz, Qy
|
Канаты
|
Продольное усилие (растяжение)
|
В табл. 13.2 дано соответствие между сечениями, которые рассчитываются по ЛИР-СТК, и расчетными процедурами. Знак «+» указывает на то, что для данного сечения соответствующая расчетная процедура возможна.
Таблица 13.2
Элементы
|
|
|
|
|
|
|
Двутавр
|
Составной двутавр
|
Швеллер
|
Коробка из швеллеров
|
Раздвинутые двутавры
|
Коробка из двутавров
|
Ферменные элементы
|
-
|
-
|
+
|
+
|
-
|
-
|
Изгибаемые
|
+
|
+
|
+
|
+
|
-
|
+
|
Внецентренно-сжатые
|
+
|
+
|
+
|
+
|
+
|
+
|
Элементы
|
|
|
|
|
|
|
Два уголка
|
Крестовые уголки
|
Уголок
|
Труба
|
Два швеллера
|
Два швеллера
|
Ферменные элементы
|
+
|
+
|
+
|
+
|
+
|
-
|
Изгибаемые
|
-
|
-
|
-
|
-
|
+
|
-
|
Внецентренно-сжатые
|
-
|
-
|
-
|
+
|
+
|
+
|
Элементы
|
|
|
|
|
|
|
Профиль “Молодечно” Коробка из швеллеров
|
Короб составной
|
Несимметричный двутавр
|
Квадрат
|
Круг
|
С-образный профиль
|
Ферменные элементы
|
+
|
-
|
-
|
+
|
+
|
+
|
Изгибаемые
|
+
|
+
|
-
|
+
|
+
|
+
|
Внецентренно-сжатые
|
+
|
+
|
+
|
+
|
+
|
+
|
Элементы
|
|
|
|
Тавр
|
Уголковое сечение
|
Канат
|
Ферменные элементы
|
+
|
-
|
-
|
Изгибаемые
|
+
|
-
|
-
|
Внецентренно-сжатые
|
+
|
+
|
-
|
Канаты
|
-
|
-
|
+
|
ПРОВЕРКА ПРОЧНОСТИ ПО РАЗЛИЧНЫМ ТЕОРИЯМ
Вычисление главных и эквивалентных напряжений в стержневых, плоскостных и объемных конечных элементах по усилиям от отдельных загружений, а также по расчетным сочетаниям загружений (РСН) или по РСУ производится при помощи системы ЛИТЕРА.
Проверка заданного армирования
Проверка армирования
производится в системе ЛАВР.
В сечении элемента по шаблону задается расстановка продольных арматурных стержней и поперечной арматуры. Различаются следующие типы продольных стержней по расположению в сечении - угловые нижние, угловые верхние, нижние первого ряда, нижние второго ряда верхние первого ряда, верхние второго ряда, боковые слева первого ряда, боковые слева второго ряда, боковые справа первого ряда, боковые справа второго ряда, стержни произвольные задаются по координатам.
Проверка производится следующим образом. Определяется количество продольной арматуры, необходимой для восприятия крутящего момента. Такая арматура должна быть расположена у граней сечения (не в углах). Если необходимая арматура отсутствует, выдается сообщение: «Сечение не проходит при проверке работы на кручение. Коэффициент запаса [k]».
Если восприятие крутящего момента обеспечено, то арматура, необходимая для восприятия крутящего момента при проверке нормальную силу и изгибающие моменты, исключается.
Затем проверяется поперечная арматура на действие крутящего момента и поперечных сил. Если поперечной арматуры не достаточно для восприятия крутящего момента и поперечной силы, выдается сообщение: “Сечение не проходит по условию проверки поперечной арматуры на действие поперечной силы”.
Затем производится проверка продольной арматуры на действие нормальной силы и изгибающих моментов в двух плоскостях. Если сечение проходит, то усилия увеличиваются с шагом 5% до тех пор, пока не превысят несущую способность сечения. В результате этого выдается сообщение: “Сечение проходит. Коэффициент запаса [k]”, где k – коэффициент к внешним усилиям на предпоследнем шаге итераций.
Если сечение не проходит, то усилия уменьшаются с шагом 5% до тех пор, пока сечение не станет достаточным и выдается сообщение: “Сечение не проходит. Коэффициент запаса [k]”, где k – коэффициент к внешним усилиям на последнем шаге итераций.
Проверки несущей способности элементов
Для всех рассчитанных сечений элементов выводятся результаты проверок по прочности и устойчивости (по первому предельному состоянию), гибкости и прогибу (по второму предельному состоянию) и по местной устойчивости. Результаты выводятся в виде процентов использования сечения в сравнении с предельной несущей способностью по той или другой проверке.
Для расчета следует задать коэффициент условий работы ?c в виде произведения коэффициентов условий работы из таблицы 6* [18], коэффициент надежности по назначению ?n, а также все необходимые дополнительные характеристики.
Ниже приведены таблицы со ссылками на пункты [18], используемые в конструирующей системе ЛИР-СТК.
Центрально-сжатые и центрально-растянутые элементы
Таблица 13.3
№
|
Тип проверки
|
Источник или пункт СНиП
|
Формула проверки, примечания
|
1
|
Прочность
|
5.1
|
|
2
|
Устой-чивость
|
5.3
|
|
3
|
Гибкость
|
6.15
|
,
Предельная гибкость [l] задается пользователем. Для элементов типа 1(а), 2(а), 2(б) таблицы 19* [18] выбирается наименьшая [l] из полученной по таблице 19* и заданной в исходных данных
|
Изгибаемые элементы
Таблица 13.4
№
|
Тип проверки
|
Источник или пункт СНиП
|
Формула проверки, примечания
|
|
|
1
|
Прочность по нормальным напряже-ниям
|
5.12
5.18
|
Составные сечения рассчитываются без учета пластических деформаций (c=1.0). Прокатные сечения могут рассчитываться с учетом пластических деформаций (c>1.0).
|
|
2
|
Прочность по касательным напряжениям
|
5.12
|
Для упругих балок k = 1.0, для балок в пластической работе k = 0.9, для колонн - k = 0.5
|
|
3
|
Прочность по приведенным напряжениям
|
5.14
|
Местное напряжение не учитывается
|
|
4
|
Общая устойчивость
|
5.15,
5.16
|
При обеспечении общей устойчивости по п. 5.16(а) или 5.16(б) принимается jb= 1
|
|
5
|
Устойчивость пояса
|
7.24
|
Увеличение предельного значения за счет недонапряжения не учитывается
|
|
6
|
Устойчивость стенки балки
|
|
Местная и подвижная нагрузка не учитывается, предполагается отсутствие продольных ребер жесткости
|
|
6.1
|
Устойчивость стенки, не укрепленной ребрами
|
7.10
|
Подвижная нагрузка не учитывается
|
|
6.2
|
Устойчивость стенки, укрепленной только поперечными ребрами при учете пластической работы балки
|
7.2,7.5, Пособие по проектированию стальных конструкций к СНиП
II-23-81* п. 21.23
|
Местная и подвижная нагрузка не учитывается, увеличение предельного значения за счет недонапряжения не учитывается
|
|
6.3
|
Устойчивость стенки, укрепленной только поперечными ребрами при упругой работе балки
|
7.6, 7.9, 7.10
|
Местная и подвижная нагрузка не учитываются, увеличение предельного значения [hef/t] за счет недонапряжения не учитывается. В проверке используется расчетная длина Lef для расчета общей устойчивости балки. Задание Lef>0,1м приводит к тому, что значение ? в формуле (77) пункта 7.4* [18] принимается равным 0,8 (?=0,8), при Lef<0,1м бета принимается равным бесконечности (?=?). Для коробчатых сечений касательное напряжение вычисляются без учета влияния перерезывающей силы в другой плоскости
|
|
7
|
Прогиб (2-е предельное состояние)
|
—
|
Интегрированием эпюры моментов от нормативных нагрузок для данного элемента или конструктивного элемента.
|
|
|
|
|
|
|
|
|
|
¦юыюээv
аааааааааааааааааааааааааааааааааааааааааааааааааааааааааааааааааа TрсышЎр 13.5
|
¦
|
Tшя яЁютхЁъш
|
LёЄюўэшъ шыш яєэъЄ T=ш¦
|
LюЁьєыр яЁютхЁъш, яЁшьхўрэш
|
|
1
|
¦ЁюўэюёЄ№
|
5.1,5.3,
5.25, 5.28
|
,
,
|
|
2
|
LёЄющўштюёЄ№ ъюыюээv т яыюёъюёЄш фхщёЄтш ьюьхэЄр
|
5.3, 5.27*, 5.32, 7.20*
|
,
LюЁьєыр яЁютхЁъш тvсшЁрхЄё т чртшёшьюёЄш юЄ юЄэюёшЄхы№эюую ¤ъёЎхэЄЁшёшЄхЄр
|
|
3
|
LёЄющўштюёЄ№ ъюыюээv шч яыюёъюёЄш фхщёЄтш ьюьхэЄр
|
5.3, 5.26, 5.27*, 5.30, 5.31, 5.32, 7.20*
|
Lьхэ№°хэшх ЁрёўхЄэюую ьюьхэЄр ¦ т чртшёшьюёЄш юЄ єёыютшщ юяшЁрэш ёюуырёэю я.5.31[18] эх єўшЄvтрхЄё .
|
|
3
|
LёЄющўштюёЄ№ ъюыюээv, яюфтхЁцхээющ шчушсє т 2 яыюёъюёЄ ї
|
5.34, 5.35
|
|
|
4
|
+шсъюёЄ№ ъюыюээv
|
6.15*
|
|
|
5
|
+шсъюёЄ№ юЄфхы№эvї тхЄтхщ эр єўрёЄъх ьхцфє єчырьш ёюхфшэшЄхы№эющ Ёх°хЄъш яю ёЁртэхэш¦ ё ушсъюёЄ№¦ ъюыюээv
|
5.6
|
|
|
6
|
LёЄющўштюёЄ№ яю ёр шчушсрхьvї ¤ыхьхэЄют
|
7.22*, 7.24
|
TЁхсютрэш я.5.25
|
|
7
|
¦хёЄэр єёЄющўштюёЄ№ ётхёр яюыъш
|
7.22*, 7.23*, 7.26*, 7.27*
|
|
|
8
|
TЄхэъш ЎхэЄЁры№эю ш тэхЎхэЄЁхээю ёцрЄvї ¤ыхьхэЄют
|
7.14*, 7.16*, 7.17*,7.18*, 7.20*, 7.21
|
, ,
¦Ёш эхюсїюфшьюёЄш ЁрёёЄрты ¦Єё яюяхЁхўэvх ЁхсЁр цхёЄъюёЄш. +ёыш ёЄхэър ЁрсюЄрхЄ т чръЁшЄшўхёъющ ёЄрфшш, яЁюЎхэЄ шёяюы№чютрэш яю єёЄющўштюёЄш тёхуфр Ёртхэ 100%. -ы ъюЁюсўрЄvї ёхўхэшщ ърёрЄхы№эюх эряЁ цхэшх тvўшёы ¦Єё схч єўхЄр тыш эш яхЁхЁхчvтр¦•хщ ёшыv т фЁєующ яыюёъюёЄш
|
¦рэрЄv
ааааааааааааааааааааааааааааааааааааааааааааааааааааааааа TрсышЎр 13.6
|
¦
|
Tшя яЁютхЁъш
|
LёЄюўэшъ шыш яєэъЄ T=ш¦
|
LюЁьєыр яЁютхЁъш, яЁшьхўрэш
|
|
1
|
¦ЁюўэюёЄ№
|
¦юёюсшх яю яЁюхъЄшЁютрэш¦ ёЄры№эvї ъюэёЄЁєъЎшщ ъ [18]а я.3.14
|
, эю эх сюыхх 0,7
|
|
2
|
¦ЁюўэюёЄ№
|
T=ш¦ 2.05.03-84
я. 4.33
|
,
уфх афы ърэрЄют ш яєўъют ярЁрыыхы№эю єыюцхээvї тvёюъюяЁюўэvї яЁютюыюъ шыш
ааааааааааааа
|
Рациональная разбивка на конечные элементы
Принцип фрагментации:
Иногда приходится решать большие задачи, в которых густая сетка недопустима из-за ограниченных ресурсов компьютера, а укрупненная разбивка не дает достаточно полной картины напряженно-деформированного состояния конструкции.
В этом случае предлагается совместить укрупненную и густую сетку.
Так, для многоэтажного здания (рис. 9.2а) самой важной информацией является картина напряженно-деформированного состояния первых трех этажей. Здесь можно выполнить густую разбивку только первых трех этажей. Разбивка остальных этажей может быть очень грубой. Результаты решения по третьему этажу можно игнорировать, так как верхние 2-3 слоя конечных элементов в ней будут нести искаженную информацию. Грубая информация для вышележащих этажей игнорируется или может служить лишь оценочной проверкой правильности решения всей системы.
а) б)
Рис. 9.2
Если требуется получить более точное решение и для вышележащих этажей, то можно произвести очередную разбивку на конечные элементы, например, по рис. 9.2.б.
Решая задачу несколько раз, можно использовать расчет укрупненной схемы с последующей фрагментацией ее частей.
Фрагментация заключается в последовательном вырезании, уменьшении и детальном расчете некой области конструкции. Такой подход применяется при исследовании областей концентрации напряжений - вокруг отверстий, в местах резкого изменения сечений элементов и т.д. Этот подход применим также при решении больших задач. Первоначально рассчитывается схема из укрупненных конечных элементов. Затем вырезаются отдельные фрагменты этой схемы и дробятся более мелко. Расчет фрагмента производится на воздействия, полученные в результате расчета крупной схемы.
На рис.9.3 приведена часть рассчитанной конструкции. Для простейшего случая, когда фрагмент связан с остальной конструкцией лишь в точках, указанных на рис.9.3.а, вполне оправдано сгущение сетки (эту сетку можно сгустить еще вдвое, вчетверо и т.д.). Если связь непрерывна по всему внешнему контуру, то при разбивке (рис.9.3.б) результаты решения для двух внешних рядов конечных элементов следует принимать как оценочные (либо подбирать податливости связей в промежуточных узлах, расположенных по контуру).
При разбивке по рис.9.3. в результаты будут оценочными лишь для одного внешнего ряда (состоящего из треугольных элементов). На рис.9.3.г показан один из способов дальнейшего сгущения сетки конечных элементов.
Рис. 9.3
Воздействия на узлы фрагмента от отброшенной части конструкции нужно задавать в виде заданных перемещений, полученных в результате расчета по укрупненной схеме.
Приемы фрагментации несколько перекликаются с применением суперэлементов, однако, и те и другие имеют самостоятельное значение.
Замена пространственной схемы плоской системой
Этот прием можно продемонстрировать на примере расчета пространственного каркасного здания. Если центр масс и центр жесткости этажа совпадают, то отсутствует эффект закручивания здания от горизонтальных нагрузок, и расчетную схему такого сооружения можно представить в виде ряда плоских рам.
На рис.9.4.а изображен схематичный план конструкции этажа каркасного здания до оси симметрии. Жирными линиями наведены поперечные диафрагмы жесткости. Нужно составить расчетную схему для расчета каркаса здания с учетом сейсмических воздействий в поперечном направлении.
Здесь может быть применен такой прием: выставить поперечные рамы вместе с диафрагмами жесткости в одну линию (рис.9.4.б), объединить горизонтальные перемещения всех узлов этажа (узлы с 11 по 20, с 21 по 30, с 31 по 40). Здесь перемещения узлов 1-10 объединять не нужно, так как в защемлении они отсутствуют. Диафрагмы жесткости моделируются либо стержнями (как это показано на рис.9.4.б), либо разбиваются на конечные элементы, например, типа балки-стенки. При объединении перемещений инерционные массы помещаются в любой узел перекрытия этажа. Величина массы равна половине величины инерционной массы всего этажа. На рис.9.4.б массы сосредоточены в узлах диафрагмы.
Рис.9.4
Замена диафрагм жесткости стержневой системой
Если диафрагма жесткости имеет отношение H/a > 6, то ее целесообразно заменить стержнем эквивалентной жесткости, а для включения этого стержня использовать абсолютно жесткие вставки.На рис 9.5 показано применение этого приема для фрагмента рамно-связевой системы в случае, если диафрагма не имеет проемов, а на рис. 9.6 - показан этот же прием, если диафрагма имеет проемы.
Рис. 9.5
Рис. 9.6
В ряде случаев такая замена может привести к более точному решению, чем конечно-элементная модель. Если элемент имеет небольшое отношение поперечных размеров к длине, то его моделирование конечными элементами требует очень густой сетки, а моделирование стержнем является в этом случае более целесообразным.
Расчет цилиндрического резервуара Пример
Этим примером демонстрируется расчет железобетонного цилиндрического резервуара, покоящегося на фундаменте на естественном основании. Цели и задачи примера - показать следующее:
технику расчета цилиндрической оболочки;
задание нагрузок, действующих на оболочку;
вычисление нагрузок, действующих на фундамент;
использование в расчете локальной системы координат.
В примере рассматривается расчет железобетонного резервуара радиусом R = 2 м и высотой H= 3 м, толщина оболочки – d = 15 см. Резервуар имеет днище толщиной
h = 20 см. Расчет производится на нагрузку от внутреннего давления воды.
Этапы и операции
|
Команда и ее инстру-мент
|
Ваши действия
|
Рекомендации и комментарии
|
14.1.Создание новой задачи
|
п.1.1
(1.18)
|
В диалоговом окне «Признак схемы» задайте имя задачи: «Пример14» и признак схемы: «5».
|
|
14.2.Создание стенок резервуара
|
п.1.74
|
В диалоговом окне «Поверхности вращения» задайте необходимые для генерации цилиндра параметры:
R = 2 м; H = 3 м; n1 = 20; n2 = 9; fi = 900.
Остальные параметры примите по умолчанию.
|
В силу симметрии рассчитывается четверть конструкции, наложив при этом связи симметрии на плоскости отсечения.
|
14.3.Создание днища резервуара
|
|
В диалоговом окне «Поверхности вращения» активизируйте закладку генерации конуса и задайте параметры:
r = 0 м; R = 2 м; H = 0 м; n1 = 10; n2 = 9;
fi = 900.
|
|
14.4.Упаковка схемы
|
п.1.78
|
В диалоговом окне «Упаковка схемы» щелкните по кнопке Упаковать.
|
|
Этапы и операции
|
Команда и ее инстру-мент
|
Ваши действия
|
Рекомендации и комментарии
|
14.5.Назначение локальной системы координат узлам расчетной схемы
|
14.5.1.Отметка всех узлов схемы, за исключением центрального узла днища с № 301
|
п.1.63,
1.63.1
|
В диалоговом окне «ПолиФильтр» активизируйте закладку «Фильтр для узлов». После этого активизируйте строку «По номерам узлов» и в активизировавшемся поле введите номера узлов 1 – 300 и щелкните по кнопке Применить.
|
|
14.5.2.Назначение локальных осей узлов
|
п.1.94
|
В диалоговом окне «Локальные оси узлов» снимите активность с координаты Z2 и щелкните по кнопке Применить.
|
Таким образом, мы задаем координату точки, от которой будут стремиться местные оси X (координата Z переменна по высоте и поэтому мы снимаем активность с соответствующего окна).
|
14.6.Задание жесткостей
|
14.6.1.
|
п.1.107
|
Выберите тип сечения «Пластины».
|
|
14.6.1.1.Задание параметров сечения «Пластины»
|
|
В диалоговом окне «Задание жесткости для пластин» задайте параметры сечения:
- модуль упругости – Е = 3е6 т/м2;
- коэф. Пуассона – V = 0.2;
-толщина плиты – Н = 20 см.
|
|
14.6.1.2.Копирова-ние жесткости «1.Пластина Н 20»
|
|
В диалоговом окне «Жесткости элементов» выделите строку «1.Пластина Н 20» и щелкните по кнопке Копирование.
|
|
14.6.1.3.Изменение параметров сечения «2.Пластина Н 20»
|
|
В диалоговом окне «Жесткости элементов» выделите строку «2.Пластина Н 20» и щелкните по кнопке Изменить. В новом окне «Задание жесткости для пластин» задайте новые параметры сечения:
-толщина плиты – Н = 15 см.
|
|
14.6.2.Назначение жесткостей
|
14.6.2.1.
|
|
Назначьте текущим тип жесткости «1.Пластина Н 20».
|
|
14.6.2.2.Проекция схемы на плоскость XZ
|
п.1.33
|
|
|
14.6.2.3.
|
|
Выделите элементы днища.
|
|
14.6.2.4.
|
|
Назначьте выделенным элементам текущий тип жесткости.
|
|
14.6.2.5.
|
|
Назначьте текущим тип жесткости «2.Пластина Н 15».
|
|
14.6.2.6.Выделение элементов стенки
|
п.1.51
|
Сначала выделите элементы днища, а затем все элементы.
|
После повторного выделения с элементов днища снимается отметка.
|
14.6.2.7.
|
|
Назначьте выделенным элементам текущий тип жесткости.
|
|
14.7.Задание граничных условий
|
14.7.1.
|
|
Выделите все узлы схемы.
|
|
14.7.2.Назначение граничных условий в выделенных узлах
|
п.1.102
|
Узлы расчетной схемы закрепите по локальным направлениям: Y, UX и UZ.
|
Эти направления соответствуют связям симметрии на плоскости отсечения.
|
14.7.3.Изображение изометрической проекции схемы
|
п.1.32
|
|
|
14.7.4.Положитель-ный поворот схемы вокруг оси Z
|
п.1.42,
1.42.6
|
Поворачивайте схему до тех пор, пока не будут отчетливо видны узлы стыковки днища со стенкой.
|
|
14.7.5.
|
|
Выделите узлы стыковки днища со стенкой.
|
|
14.7.6.Назначение граничных условий в выделенных узлах
|
|
Узлы стыковки закрепите по направлению Z.
|
|
14.8.Задание нагрузок
|
14.8.1.
|
|
Выделите элементы днища.
|
|
14.8.2.Задание давления на днище резервуара
|
п.1.115
|
В диалоговом окне «Задание нагрузок» активизируйте закладку «Нагрузки на пластины». Затем радио-кнопками укажите систему координат «Глобальная», направление – вдоль оси «Z». Щелчком по кнопке равномерно распределенной нагрузки вызовите диалоговое окно «Параметры местной нагрузки». В этом окне введите интенсивность нагрузки P = 3 тс/м2.
|
|
14.8.3.Задание нагрузки на стенки резервуара
|
|
Нагрузки назначьте ступенчато по высоте, последовательно выделяя и назначая равномерно распределенную нагрузку на каждый ряд конечных элементов, снизу вверх, по направлению местной оси Z.
1-й ряд - Р = -2.925тс/м2;
2-й - Р = -2.775тс/ м2;
3-й Р = -2.625тс/ м2;
4-й Р = -2.475тс/ м2;
5-й Р = -2.325тс/ м2;
6-й Р = -2.175тс/ м2;
7-й Р = -2.025тс/ м2;
8-й Р = -1.875тс/ м2;
9-й Р = -1.725тс/ м2;
10-й Р = -1.575тс/ м2;
11-й Р = -1.425тс/ м2;
12-й Р = -1.275тс/ м2;
13-й Р = -1.125тс/ м2;
14-й Р = -0.975тс/ м2;
15-й Р = -0.825тс/ м2;
16-й Р = -0.675тс/ м2;
17-й Р = -0.525тс/ м2;
18-й Р = -0.375тс/ м2;
19-й Р = -0.225тс/ м2;
20-й Р = -0.075тс/ м2.
|
|
14.9.
|
|
Запустите задачу на расчет и перейдите в режим визуализации результатов расчета.
|
|
14.10.Вывод изополей деформаций по направлению локальной оси X на деформированной стенке резервуара
|
14.10.1.
|
|
Отметьте все узлы и элементы днища.
|
|
14.10.2.Выполнение инверсной фрагментации
|
п.1.38
|
Выполните команду Вид ? Инверсная фрагментация.
|
На экране остаются только невыделенные узлы и элементы (стенка резервуара).
|
14.10.3.Вывод деформированной схемы
|
п.1.168
|
|
|
14.10.4.Вывод изополей перемещений по направлению локальной оси X
|
п.1.176,
1.176.7
|
|
|
14.10.5.Изображе-ние проекции на плоскость YZ
|
п.1.35
|
|
|
14.10.6.Восстановление первоначального вида схемы
|
п.1.39
|
Выполните команду Вид ?
Восстановление конструкции.
|
|
14.11.Вывод изополей вертикальных перемещений днища на деформированной схеме
|
14.11.1.
|
|
Отметьте все узлы и элементы днища.
|
|
14.11.2.Вывод на экран фрагмента расчетной схемы
|
п.1.37
|
Выполните команду Вид ?
Фрагментация.
|
|
14.11.3.Вывод изополей перемещений по направлению глобальной оси Z
|
п.1.176.3
|
|
|
14.11.4.Восстановление первоначального вида схемы
|
п.1.39
|
Выполните команду Вид ?
Восстановление конструкции.
|
|
14.11.5.Возвраще-ние к исходной схеме
|
п.1.167
|
|
|
14.12.Вывод напряжений в нижней части стенки резервуара
|
п.1.59
|
Укажите курсором на один из элементов нижней части стенки резервуара.
|
|
14.13.Вычисление нагрузки на фрагмент
|
14.13.1.
|
|
Выделите узлы стыковки днища со стенкой и элементы стенки, для которых эти узлы являются общими.
|
|
14.13.2.Вызов панели инструментов «ФРАГМЕНТ»
|
п.1.191
|
|
|
14.13.3.Вычисление нагрузки на фрагмент
|
п.1.191.2
|
В диалоговом окне «Параметры расчетного процессора» щелкните по кнопке Подтвердить.
|
|
14.14.Просмотр таблицы нагрузок на фрагмент
|
п.1.207
|
В диалоговом окне «Стандартные таблицы» укажите на строку «Нагрузка на фрагмент» и щелкните по кнопке Создать.
|
|
14.15.Вывод на экран нагрузок на фрагмент (сила по X)
|
п.1.192,
1.192.1
|
|
|
Расчет физически нелинейных задач
Моделирование физической нелинейности материалов конструкций производится с помощью физически нелинейных конечных элементов, воспринимающих информацию из развитой библиотеки законов деформирования материалов (зависимостей ?-?). Библиотека законов деформирования позволяет учитывать практически любые физически-нелинейные свойства материала. Эта библиотека законов деформирования материала является библиотекой открытого типа и может пополняться новыми законами.
Шаговый процессор позволяет получить напряженно-деформированное состояние с учетом нелинейных эффектов как для мономатериальных, так и для биматериальных конструкций. Для последних предлагается определенный набор характеристик второго материала (армирующих включений).
Библиотека физически нелинейных конечных элементов содержит также элементы, позволяющие моделировать одностороннюю работу твердого тела и сыпучей среды - грунта на сжатие с учетом сдвига по схеме плоской деформации в соответствии с законом Кулона.
Матрица жесткости линеаризованной физически нелинейной системы формируется на основании переменных интегральных жесткостей, вычисляемых в точках интегрирования конечного элемента при решении упругой задачи на конкретном шаге. Схема численного интегрирования по области конечного элемента и набор используемых жесткостей определяются типом конечного элемента. Для того чтобы получить соответствующий набор интегральных жесткостей, сечение конечного элемента в точках интегрирования дробится на ряд элементарных подобластей. В центрах этих подобластей определяются новые значения физико-механических характеристик материала в соответствии с заданной диаграммой деформирования. На каждом шаге решается линеаризованная задача с формированием векторов перемещений, усилий и новых интегральных жесткостей по касательному модулю для последующего шага. Количество шагов и коэффициенты к нагрузке задаются пользователем. Геометрическая интерпретация шагового метода для случая одноосного растяжения (сжатия) представлена на рисунке 7.1.

Рис. 7.1
Шаговый процессор позволяет комбинировать линейные и нелинейные конечные элементы. Допускается расчет по суперэлементной схеме, если нелинейные элементы присутствуют только в основной схеме.
На каждом шаге производится оценка напряженно-деформированного состояния. В разделе результатов расчета «Сведения о состоянии материалов» приводятся сообщения о развитии или достижении предельных состояний, появлении пластических шарниров или состояний разрушения.
Для стержневых конечных элементов анализируется напряженно-деформированное состояние поперечных сечений стержня в точках дробления. Напряженно-деформированное состояние в плоских и объемных конечных элементах анализируется в центральной точке элемента.
Библиотека физически-нелинейных КЭ содержит элементы, позволяющие производить статический анализ конструкций, состоящих из разнородных конечных элементов, с учетом физической нелинейности материала. Состав библиотеки приведен в табл. 7.1.
Таблица 7.1.
|
№№ КЭ
|
Наименование КЭ
|
Признак схемы
|
Плос-кость располо-жения
|
Степени свободы
|
|
1
|
2
|
3
|
4
|
5
|
|
210
(205)
|
Универсальный пространственный стержневой конечный элемент - суперэлементного построения
Универсальный пространственный стержневой конечный элемент - равновесного построения
|
1
2
3
4
5
|
XOZ
XOZ
XOY
произ-вольно
|
X, Z
X, Z, UY
X,Y,Z
X,Y,Z
UX, UY, UZ
|
|
221 (223)
|
Прямоугольный элемент балки -стенки
|
1,2,5
(4,5)
|
XOZ (произ-вольно)
|
X, Z
(X,Y,Z)
|
|
222 (224)
|
Треугольный элемент балки-стенки
|
1,2,5
(4,5)
|
XOZ (произ-вольно)
|
X, Z
(X,Y,Z)
|
|
1
|
2
|
3
|
4
|
5
|
|
230
(227)
|
Четырехугольный (8-узловой) элемент балки-стенки
|
1
2
(4,5)
|
XOZ
(произ-вольно)
|
X, Z
(X, Y, Z)
|
|
231
|
Параллелепипед
|
4
5
|
произ-вольно
|
X, Y, Z
|
|
232
|
Тетраэдр
|
4, 5
|
произ-вольно
|
X, Y, Z
|
|
233
|
Прямая треугольная призма
|
4
5
|
произ-вольно
|
X, Y, Z
|
|
1
|
2
|
3
|
4
|
5
|
|
234
|
Пространственный 6-ти узловой изопараметрический элемент (произвольная треугольная призма)
|
4
5
|
произ-вольно
|
X, Y, Z
|
|
236
|
Пространственный 8-ти узловой изопараметрический элемент (произвольный гексаэдр)
|
4
5
|
произ-вольно
|
X, Y, Z
|
|
241
|
Прямоугольный элемент оболочки
|
5
|
произ-вольно
|
X, Y, Z,
UX, UZ, UY
|
|
242
|
Треугольный элемент оболочки
|
5
|
произ-вольно
|
X,Y,Z UX,UY,UZ
|
|
1
|
2
|
3
|
4
|
5
|
|
244
|
Универсальный четырехугольный конечный элемент оболочки
|
5
|
произ-вольно
|
X, Y, Z,
UX, UY, UZ
|
|
281
|
Прямоугольный элемент грунта (плоская деформация)
|
1,2
|
XOZ
|
Плоская деформация
X, Z
|
|
282
|
Треугольный элемент грунта (плоская деформация)
|
1,)
|
XOZ
|
Плоская деформация
X, Z
|
|
284
|
Четырехугольный элемент грунта (плоская деформация)
|
1
2
|
XOZ
|
Плоская деформация
X, Z
|
Расчет и конструирование сечений в системе ЛИР-АРМ Пример Продолжение
Этапы и операции
|
Команда и ее инстру-мент
|
Ваши действия
|
Рекомендации и комментарии
|
2.4.Запуск системы ЛИР-АРМ
|
|
Выполните команды Windows: Пуск ? Программы ? Lira 9.0 ? ЛирАрм.
|
Внимание! С этого момента в отдельном окне в отдельном окне работает еще одно приложение Windows – система проектирования ж/б конструкций ЛИР-АРМ.
|
2.5.Импорт расчетной схемы
|
п.6.22
|
В диалоговом окне системы ЛИР-АРМ «Открыть» выделите файл «пример2#00.пример2» и щелкните по кнопке Открыть.
|
Импортируется файл «пример2#00пример2» (рис. 1.9.).
|
2.6.Сохранение данных
|
п.6.25
|
В диалоговом окне «Сохранить как» задайте имя задачи и папку, в которую будет сохранена эта задача.
|
Папка:LWork,
Имя файла: пример2.
|
Рис. 1.9. Диалоговое окно системы ЛИР-АРМ «Открыть»
|
Этапы и операции
|
Команда и ее инстру-мент
|
Ваши действия
|
Рекомендации и комментарии
|
2.7.Задание и выбор материала
|
2.7.1.Задание общих характеристик армирования
|
п.6.80
|
В диалоговом окне «Материалы» отметьте радио-кнопку Тип и щелкните по кнопке Добавить. На экран выводится диалоговое окно «Общие характеристики армирования», в котором задайте следующие параметры:
в поле «Расчетные длины» отметьте радио-кнопку Коэффициент расч. длины;
задайте параметры LY = 0.7, LZ = 0.7;
в ниспадающем списке выберите модуль армирования – стержень и щелкните по кнопке Применить.
Система возвращается к диалоговому окну «Материалы». Здесь щелкните по кнопке Назначить текущим.
|
Остальные поля диалогового окна «Общие характеристики армирования» остаются такими, какими они приняты по умолчанию.
|
2.7.2.Задание характеристик бетона
|
|
В диалоговом окне «Материалы» активизируйте радио-кнопку Бетон и щелкните по кнопкам Добавить умолчание и Назначить текущим.
|
Этой операцией по умолчанию принимается бетон класса В25.
|
2.7.3.Задание характеристик арматуры
|
|
В этом же окне активизируйте радио-кнопку Арматура и щелкните по кнопкам Добавить умолчание и Назначить текущим.
|
Этой операцией по умолчанию принимается арматура класса А-III.
|
2.8.Назначение материала
|
2.8.1.Выделение элементов рамы
|
п.6.57
|
Выделите все элементы рамы.
|
|
2.8.2.Назначение материала элементам рамы
|
|
В диалоговом окне «Материалы» щелкните по кнопке Назначить.
|
Также можно назначить материал используя п.6.81 (кнопка на панели инструментов).
|
2.9.Назначение вида элементов
|
2.9.1.Выделение горизонтальных элементов
|
п.6.59
|
Выделите горизонтальные элементы.
|
|
2.9.2.Назначение вида элемента «Балка»
|
п.6.70
|
В диалоговом окне «Назначение вида элемента» активизируйте радио-кнопку Балка
и закройте окно щелчком по кнопке Подтвердить.
|
Вид элемента назначается для того, чтобы можно было выполнить конструирование ж/б стержневых элементов.
|
2.9.3.Выделение вертикальных элементов
|
п.6.58
|
Выделите вертикальные элементы.
|
|
2.9.4.Назначение вида элемента «Колонна»
|
п.6.70
|
В диалоговом окне «Назначение вида элемента» активизируйте радио-кнопку Колонна
и закройте окно щелчком по кнопке Подтвердить.
|
|
2.10.Расчет армирования
|
п.6.28
|
|
|
Рис. 1.10. Диалоговое окно системы ЛИР-АРМ «Общие характеристики армирования»
|
2.11.Назначение конструктивных элементов
|
2.11.1.Вывод на экран номеров элементов
|
п.6.115,
6.115.1,
6.115.1.1
|
В диалоговом окне «Показать» активизируйте закладку «Элементы». После этого выберите команду Номера элементов и щелкните по кнопке Применить.
|
На расчетной схеме отобразятся номера элементов.
|
2.11.2.Выделение горизонтальных элементов № 7 и 8
|
п.6.59
|
Выделите элементы № 7 и 8.
|
|
2.11.3.Назначение конструктивного элемента «Балка»
|
п.6.72
|
В диалоговом окне «Конструктивные элементы» активизируйте радио-кнопку Балка
и закройте окно щелчком по кнопке Подтвердить.
|
Конструктивный элемент БАЛКА назначается для того, чтобы учесть, что это неразрезная балка.
|
2.11.4.Выделение вертикальных элементов № 1 и 2
|
п.6.58
|
Выделите элементы № 1 и 2.
|
|
2.11.5.Назначение конструктивного элемента «Колонна»
|
п.6.72
|
В диалоговом окне «Конструктивные элементы» активизируйте радио-кнопку Колонна
и закройте окно щелчком по кнопке Подтвердить.
|
Конструктивный элемент КОЛОННА назначается для того, чтобы учесть, что это сплошная колонна.
|
2.12.Формирование таблиц результатов
|
п.6.30
|
|
|
2.13.Просмотр результатов армирования
|
п.6.97
|
|
|
2.14.Просмотр результатов армирования в виде HTML таблиц
|
п.6.99
|
|
|
Расчет конструкций на динамические воздействия Пример
Задачи примера
В этом примере показана техника исследования динамических свойств конструкции. Рама примера 1 здесь рассчитывается на сейсмические воздействия и пульсирующую ветровую нагрузку. Примером иллюстрируется следующее:
задание параметров для динамического расчета;
составление РСУ, включающих динамические нагрузки;
визуализация форм колебаний;
документирование результатов динамического расчета.
Этапы и операции
|
Команда и ее инстру-мент
|
Ваши действия
|
Рекомендации и комментарии
|
5.1.Сохранение задачи под новым именем
|
п.1.22
|
С помощью команды Файл ? Сохранить как вызовите диалоговое окно «Сохранить как» и задайте в нем имя задачи и папку, в которую будет сохранена задача.
|
Папка:LDdata,
Имя файла: Пример5.
|
5.2.Удаление четвертого загружения
|
5.2.1.Смена номера текущего загружения
|
п.1.111
|
В диалоговом окне «Активное загружение» задайте номер загружения 4.
|
|
5.2.2.Выделение узлов рамы, к которым приложены нагрузки
|
п.1.48
|
|
|
5.2.3.Удаление нагрузок
|
п.1.117
|
|
В примере 5 рассматриваем только одно ветровое воздействие.
|
Задание характеристик для расчета рамы на пульсацию ветра
|
5.3.Формирование таблицы учета статических загружений
|
5.3.1.Формирование первой строки сводной таблицы
|
п.1.125
|
В диалоговом окне «Формирование динамических загружений из статических» задайте следующие параметры:
-№ динамического загружения – 4;
-№ соответствующего статического загружения – 1;
-Коэф. преобразования – 1.
Далее щелкните по кнопке Подтвердить.
|
|
5.3.2.Формирование второй строки сводной таблицы
|
|
В диалоговом окне «Формирование динамических загружений из статических» задайте следующие параметры:
-№ динамического загружения – 4;
-№ соответствующего статического загружения – 2;
-Коэф. преобразования – 1.
Далее щелкните по кнопкам Подтвердить и Закрыть.
|
|
5.4.Формирование таблицы динамических загружений
|
5.4.1.Задание основных характеристик
|
п.1.123
|
В диалоговом окне «Задание характеристик для расчета на динамические воздействия» задайте характеристики:
-№ загружения – 4;
-№ строки характеристик – 1;
-Наименование воздействия –
Пульсационное (21);
-Количество учитываемых форм колебаний – 3;
-№ соответствующего статического загружения – 3.
После этого щелкните по кнопке Параметры.
|
|
5.4.2.Задание параметров
|
|
В диалоговом окне «Параметры расчета на ветровое воздействие с учетом пульсации» задайте:
-Ветровой район строительства –
Район 2;
-Ширина здания по фронту обдуваемости поверхности = 0.5 м;
-Длина здания вдоль действия ветра = 7м;
-Тип местности – Тип B.
Остальные параметры примите по умолчанию и подтвердите ввод данных.
|
|
5.4.3.Формирование первой строки характеристик
|
|
В диалоговом окне «Задание характеристик для расчета на динамические воздействия» щелкните по кнопке Закрыть.
|
|
Задание характеристик для расчета рамы на сейсмику
|
5.5.Формирование таблицы учета статических загружений
|
5.5.1.Формирование третьей строки сводной таблицы
|
п.1.125
|
В диалоговом окне «Формирование динамических загружений из статических» задайте следующие параметры:
-№ динамического загружения – 5;
-№ соответствующего статического загружения – 1;
-Коэф. преобразования – 1.
Далее щелкните по кнопке Подтвердить.
|
|
5.5.2.Формирование четвертой строки сводной таблицы
|
|
В диалоговом окне «Формирование динамических загружений из статических» задайте следующие параметры:
-№ динамического загружения – 5;
-№ соответствующего статического загружения – 2;
-Коэф. преобразования – 1.
Закончив, щелкните по кнопкам Подтвердить и Закрыть.
|
|
5.6.Формирование таблицы динамических загружений
|
5.6.1.Задание основных характеристик
|
п.1.123
|
В диалоговом окне «Задание характеристик для расчета на динамические воздействия» укажите на вторую строку Сводной таблицы и задайте характеристики:
-№ загружения – 5;
-№ строки характеристик – 2;
-Наименование воздействия –
Сейсмическое 01.01.2000 (35);
-Количество учитываемых форм колебаний – 5.
Затем щелкните по кнопке Параметры.
|
|
5.6.2.Задание параметров
|
|
В диалоговом окне «Параметры расчета на сейсмические воздействия» задайте необходимые параметры и подтвердите ввод данных:
-Направляющие косинусы равнодействующей сейсм. воздейств. в ОСК – CX = 1.
Остальные параметры примите по умолчанию.
|
|
5.6.3.Формирование второй строки характеристик
|
|
В диалоговом окне «Задание характеристик для расчета на динамические воздействия» щелкните по кнопке Закрыть.
|
|
5.7.Генерация таблицы РСУ
|
п.1.118
|
В диалоговом окне «Расчетные сочетания усилий» задайте виды загружений:
-первое – Постоянное (0);
-второе – Временное длит. (1);
-третье – Кратковременное (2);
-четвертое – Стат. ветр. для
пульсации (9);
-пятое – Сейсмическое (5).
Закройте окно щелчком по кнопке Закрыть.
|
|
Запуск задачи на расчет и переход в режим визуализации результатов расчета осуществляется аналогично примеру 1.
|
5.8.Вывод форм колебаний конструкции
|
5.8.1.Смена номера текущего загружения
|
п.1.165
|
В диалоговом окне «Активное загружение» задайте номер загружения 4.
|
В диалоговом окне активизируется строка «Номер составляющей для динамического загружения».
|
5.8.2.Вывод первой формы колебаний
|
п.1.170
|
|
|
5.8.3.Вывод второй формы колебаний
|
п.1.165
|
В диалоговом окне «Активное загружение» задайте номер формы колебаний 2.
|
|
Вывод третьей формы колебаний осуществляется аналогично п.5.8.3.
|
Вывод форм колебаний для пятого загружения осуществляется аналогично четвертому загружению.
|
5.9.Просмотр анимации пятой формы колебаний пятого загружения
|
5.9.1.Переход в режим пространственной модели
|
п.1.31
|
Выполните команды Вид ? Пространственная модель (3D-графика).
|
Открывается окно пространственной модели (3D-графика).
|
5.9.2.Просмотр анимации колебаний
|
п.1.31.19
|
|
|
5.9.3.Возврат в режим визуализации результатов расчета
|
п.1.31.1
|
|
|
5.10.Создание таблицы периодов колебаний
|
п.1.207
|
В диалоговом окне «Стандартные таблицы» выделите строку «Периоды колебаний» и щелкните по кнопке Создать.
|
|
5.11.Создание таблицы форм колебаний
|
п.1.207
|
В диалоговом окне «Стандартные таблицы» выделите строку «Формы колебаний» и щелкните по кнопке Создать. В новом окне «Выбор загружений» оставьте активным пункт «Все загружения» и подтвердите ввод.
|
|
Создание таблиц Инерционные силы и Распределение весов масс
осуществляется аналогично п.5.11.
|
РАСЧЕТ НА ДИНАМИЧЕСКИЕ ВОЗДЕЙСТВИЯ
Задача динамического расчета формулируется, как и в статическом случае, в виде вариационного равенства
(3.1)
u(0)=и0
, ?u/?t(0)=и1, где
иi = u (t) - точное решение;
b(u,v), c(u,v) - возможные работы инерционных и демпфирующих сил,
и0 ,и1 - начальные значения перемещения и скорости.
Остальные обозначения те же, что и в статической задаче.
Реализован метод решения динамической задачи, заключающийся в сочетании МКЭ с разложением по формам собственных колебаний. Решение (2.1) ищем в виде
(3.2)
где: ui (t) - скалярные функции;
m
i - базисные функции соответствующей статической задачи.
Подставив в (3.1) Uh
вида (3.2) вместо U и mj ( j=1.......N)
вместо V,
получим систему обыкновенных дифференциальных уравнений
(3.3)
где: х(t), x0 , x1 - векторы с элементами Xi(t)=ui(t), xi 0
= LiU u, xi 1=LiU1,
M и С - матрицы масс и демпфирования с элементами тi,j=b(mi , mj), ci,j
= c(mi , mj).
Матрица жесткости К и вектор нагрузок P(t)
определяются, как и для статической задачи. Этот метод известен как полудискретная аппроксимация. Его погрешность (разность между U и Uh )по потенциальной и кинетической энергии оценивается как в совместном, так и в несовместном случаях величиной, пропорциональной ht .
Систему (3.3) решаем методом разложения по формам собственных колебаний.
Пусть li., ji
, ji >=1 решение задачи на собственные значения
Кj =lMj (3.4)
(Символом <,> обозначается скалярное произведение в RN ).
Задача на собственные значения (3.4) решается методом итерации подпространств.
Полагая в (3.3) из ортогональности функции ji получим (при определенных предположениях относительно матрицы С), что система (3.3) распадается на независимые уравнения относительно yi (t):
(3.5)
где:
Решение уравнения (3.5) имеет вид:
где
Векторы инерционных сил Si(t)
вычисляются по формуле
В расчетах используются величины
1. Для ветровой нагрузки Si,0 = wн gi,
где wн
- нормативное значение ветровой нагрузки,
g
i -
коэффициент динамичности, зависящий от w i
, x
i и скорости ветра.
2. Для сейсмической нагрузки
где А - относительная величина ускорения,
b i - коэффициент динамичности, зависящий от w
i и x i .
3. Для импульсивной и ударной нагрузок
где e
i , зависит от to , w
i
to - время действия импульса;
y
- учитывает периодичность действия нагрузки;
, где
m0 , n0 - масса и скорость ударяющего тела;
n - коэффициент восстановления формы соударяющихся тел.
Коэффициент y зависит от того, являются ли колебания установившимися или неустановившимися , где n - число повторении импульсов.
4. Для гармонической нагрузки вычисляются суммарные по всем формам инерционные силы S1
и S2 , соответствующие косинусоидальной (действительной) и синусоидальной (мнимой) составляющим:
где
.
Тогда
В перечисленных выше вариантах воздействий возможно точное вычисление yi (t). В остальных случаях решения yi (t)находим численно.
В частности, при расчете на сейсмическую нагрузку по акселерограмме в каждый момент времени tk задается вектор Pk. =P(tk)
. Тогда в (3.5) имеем Pi,k
=Pi(tk).
Далее уравнения (3.5) решаются методом конечных разностей по схеме Ньюмарка. Получаем значения перемещений yi,k = yi(tk) и инерционных сил Si,k
= Si (tk), по которым вычисляется
При расчетах на сейсмические воздействия ПК ЛИРА позволяет применить метод спектра ответов. Расчет заключается в том, чтобы при заданной функции S0(?), обычно кусочно-линейной, вычислить линейной интерполяцией значения S0(?i). Функция S0(?)
может быть представлена графиками спектров ускорений, скоростей или перемещений.
Реализованы следующие модули расчета на динамические воздействия:
Модуль 20 - сейсмическое воздействие по СНиП II-7-81;
Модуль 30 - сейсмическое воздействие по СНиП II-7-81*
с изменениями на 01.01.1996 года;
Модуль 35 - сейсмическое воздействие по СНиП II-7-81**
с изменениями на 01.01.2000 года;
Модуль 27 - сейсмическое воздействие по акселерограмме;
Модуль 32 - сейсмическое воздействие по СНРА II-2.02-94 (Армения);
Модуль 33 - сейсмическое воздействие по нормам
КМК 2.01.03-96 (Узбекистан);
Модуль 40 - сейсмическое воздействие по NF P 06-013 (Франция);
Модуль 41 - сейсмическое воздействие по методу спектра ответов;
Модуль 42 - сейсмическое воздействие по IBC-2000 (США);
Модуль 21 – ветровое воздействие с учетом пульсации
по СНиП 2.01.07-85*;
Модуль 22 – импульсивное воздействие;
Модуль 23 – ударное воздействие;
Модуль 24 – гармонические колебания;
Модуль 28 – гармонические колебания с учетом частотных зон;
Модуль 100 – модальный анализ.
Расчет на температурные воздействия
При расчете сооружений на температурные воздействия необходимо учитывать требования соответствующих рекомендаций по расчету сооружений конкретного класса. Так, например, при расчете каркасов следует иметь в виду, что задание температурного воздействия по всем элементам без учета податливости соединений элементов, а также возможных поворотов опор, может привести к чрезмерно завышенным усилиям, особенно в защемлённых стойках.
Если стержень подвержен действию перепада температуры, то более нагретые волокна его сечения сжаты, а менее нагретые - растянуты.
Частный случай, когда температура на верхних (ТВ) и нижних (ТН) волокнах симметричного сечения одинакова по величине и по знаку, то есть ТВ=ТН, вызывает только напряжения растяжения или сжатия, что аналогично равномерному расширению волокон вдоль оси стержня.
Другой частный случай, когда температура на верхних и нижних волокнах симметричного сечения одинакова и противоположна по знаку, т.е. ТВ = -ТН, вызывает только изгибные напряжения.
В общем случае температура в какой-либо точке на расстоянии Z от срединной плоскости сечения высотой H:
Т = (ТВ + ТH) /2 + (ТH - ТВ) Z/H.
Для крайних волокон ( Z=H/2 ) симметричного относительно оси U1
сечения:
Т = (ТВ + ТH) /2 + (ТH - ТВ) /2.
Первое слагаемое определяет часть температурного воздействия, вызывающего равномерный нагрев сечения. Второе слагаемое определяет изгибные усилия, вызванные температурным перепадом.
При расчете несимметричных сечений величина изгибных напряжений от смещения оси C1 по высоте (ширине) сечения не корректируется
Всё сказанное распространяется и на конечные элементы оболочек.
РАСЧЕТ НА УСТОЙЧИВОСТЬ
Реализованный вариант расчета на устойчивость предполагает, что распределение сил Nо
известно из линейного расчета. Требуется найти значение числового параметра lо
такое, чтобы при силах (lо
* Nо) произошла потеря устойчивости.
Задача определения критических сил и соответствующих им форм потери устойчивости допускает следующую вариационную формулировку: найти перемещение и ¹
0 и число lо такие, что при всех допустимых перемещениях v справедливо равенство:
(6.1)
где d(u,v ) - возможная работа сил при заданном их распределении No.
Пользуясь выражением (1.3) и обозначив D матрицу с элементами  , получим из (6.1) задачу на собственные значения для матриц
 (6.2)
Погрешность МКЭ в задаче устойчивости для критических сил и соответствующих им форм потери устойчивости пропорциональна ht
.
Решение производится методом половинного деления. Этот метод основан на том, что матрица положительно определена лишь при l. Отсутствие положительной определенности матрицы соответствует наличию отрицательных чисел на главной диагонали после исключений по методу Гаусса.
После определения с заданной точностью параметра l0 форма потери устойчивости находится как собственный вектор матрицы K(?0) методом итерации подпространств, изложенным в п.3.
Расчет реализуется в упругой стадии. Значения сжимающих сил и напряжений в элементах схемы уже вычислены с помощью линейного процессора. При выполнении расчета на устойчивость предполагается, что эти значения выражены через критический параметр нагрузки:
где
i - номер загружения;
j - номер элемента в схеме;
Pi- суммарная нагрузка в i-том загружении;
- критическая нагрузка в i-том загружении;
- продольное усилие или напряжение в j-том элементе в i-том загружении;
- критическое продольное усилие в j-том элементе в i-том загружении;
li - параметр нагрузки (коэффициент запаса устойчивости).
В процессе счета для каждого загружения определяются первая форма потери устойчивости и соответствующий ей коэффициент запаса.
Допускается также производить проверку устойчивости по линейным комбинациям загружений (РСН).
Если в расчете схемы присутствуют динамические загружения, то проверка устойчивости схемы для них может быть произведена только через комбинации загружений (РСН). Это связано с тем, что разложенные по формам колебаний результаты расчета на динамическое воздействие необходимо преобразовать в суммарные.
В процессе расчета общей устойчивости итерационным методом определяется значение l такое, при котором хотя бы один элемент диагонали матрицы жесткости обращается в ноль. Если li
³1, то считается, что схема устойчива в данном загружении или при данной комбинации загружений.
В качестве исходных данных задаются V начальный масштабный множитель к продольным силам Ni ( по умолчанию V=2) , а также точность вычислений (по умолчанию равна 0.01). Предполагается, что при li>V система абсолютно устойчива.
В результате вычисляются коэффициенты запаса устойчивости li, первая форма потери устойчивости и коэффициенты свободной длины для стержневых элементов, исходя из общей устойчивости, по следующим формулам:
(6.3)
, где:
myij, mzij – коэффициенты свободной длины j-того стержня
соответственно в плоскостях X1oZ1, X1oY1
для i-того загружения;
EJyj, EJzj– изгибные жесткости j-того стержня соответственно в
плоскостях соответственно X1oZ1, X1oY1;
Nкрij = li*Nij - критическое продольное усилие сжатия в j-том стержне
для i-того загружения;
li – коэффициент запаса устойчивости для i-того загружения;
lj - длина j-того стержня.
Расчет на заданные перемещения
Заданное перемещение в узле задается непосредственно на узел как нагрузка.
Положительная величина перемещения - совпадение с направлением соответствующей локальной оси узла.
Положительная величина заданного поворота - вращение против часовой стрелки, если смотреть с конца соответствующей локальной оси.
Если хотя бы в одном загружении предусматривается расчет на заданные перемещения по какому-либо направлению, то по этому направлению нельзя накладывать связь. В остальных загружениях такая связь может быть наложена программно.
Расчет оболочек и плит, подкреплённых рёбрами
При расчете оболочек и плит, подкреплённых ребрами, всегда возникает проблема, какая часть плиты или оболочки включается в работу ребра. Если моделировать ребро стержнем таврового сечения, то возникает вопрос о ширине полки такого стержня. Существует рекомендация о том, что каждый свес полки не должен превышать 6h (см. рис.9.12.а.)
Эта рекомендация достаточно расплывчата, т.к. предполагает равномерное включение плиты на участке 12h в работу ребра. В действительности распределение мембранных усилий в плите имеет вид, представленный на рис.9.12.б.
ПК ЛИРА позволяет получить точное решение задачи (в рамках точности дискретизации) на основе следующего приема.
Рис.9.12
Собственно плита моделируются конечными элементами оболочки, способными воспринимать мембранную группу усилий. Расчетные узлы располагаются только в срединной поверхности оболочки. Между ребрами должны быть несколько узлов (рис.9.13), чтобы смоделировать неравномерное распределение мембранных усилий между ребрами.
Рёбра моделируются стержнем общего вида с сечением bhр и подвешиваются на абсолютно жёстких вставках к расчетным узлам.
Рис.9.13
Расчет плит Пример
Пример 9 посвящен статическому расчету и конструированию железобетонной плиты. Цели примера состоят в следующем:
продемонстрировать процедуру построения расчетной схемы плиты;
показать технику задания нагрузок и составления РСУ;
показать процедуру подбора арматуры.
Рассчитывается железобетонная плита размером 3х6м, толщиной 150мм. Короткая сторона плиты оперта по всей длине, противоположная – оперта своими концами на колонны. Длинные стороны плиты – свободны. Требуется выполнить статический расчет, составить таблицу РСУ и подобрать арматуру плиты.
Заданы нагрузки:
загружение 1 – собственный вес;
загружение 2 – сосредоточенные нагрузки Р = 1тс, приложенные по схеме
рис. 1.13, заг.2;
загружение 3 – сосредоточенные нагрузки Р = 1тс, приложенные по схеме
рис. 1.13, заг.3.
Расчет производится для сетки 6 х 12.

Рис. 1.13. Расчетная схема плиты
Этапы и операции
|
Команда и ее инстру-мент
|
Ваши действия
|
Рекомендации и комментарии
|
9.1.Создание новой задачи
|
п.1.1
(1.18)
|
В диалоговом окне «Признак схемы» задайте имя задачи: «Пример9» и признак схемы: «3».
|
|
9.2.Задание геометрии
|
9.2.1.Генерация плиты
|
п.1.70
|
В диалоговом окне «Создание плоских фрагментов и сетей» активизируйте закладку «Генерация плиты», затем задайте шаг КЭ вдоль первой и второй осей.
Шаг вдоль первой оси:
L(м) – 0.5
N – 6.
Шаг вдоль второй оси:
L(м) – 0.5
N – 12.
После этого щелкните по кнопке Применить.
|
|
9.3.Задание граничных условий
|
9.3.1.
|
Выведите на экран номера узлов.
|
9.3.2.
|
Выделите узлы опирания № 1, 7, 85 – 91.
|
9.3.3.Назначение граничных условий в выделенных узлах
|
п.1.102
|
В диалоговом окне «Связи в узлах» активизируйте закладку «Назначить связи» и отметьте направления, по которым запрещены перемещения узлов (Z) и щелкните по кнопке Применить.
|
|
9.4.Задание жесткостных параметров элементов плиты
|
9.4.1.Формирование типов жесткости
|
п.1.107
|
В диалоговом окне «Жесткости элементов» сформируйте список типов жесткости.
|
|
9.4.1.1.Выбор типа сечения «Пластины»
|
|
Щелкните по кнопке Добавить
и, выбрав закладку численного описания жесткости, активизируйте сечение «Пластины».
|
|
9.4.1.2.Задание параметров сечения «Пластины»
|
|
В диалоговом окне «Задание жесткости для пластин» задайте параметры сечения:
- модуль упругости – Е = 3е6 т/м2;
- коэф. Пуассона – V = 0.2;
-толщина плиты – Н = 15 см;
-удельный вес материала – Ro = 2.75 т/м2.
|
|
9.4.2.Назначение жесткостей
|
9.4.2.1.Назначение текущего типа жесткости «1.Пластина Н 15»
|
|
Выделите нужную жесткость в окне списка и щелкните по кнопке Установить как текущий тип.
|
|
9.4.2.2.
|
Выделите все элементы схемы.
|
9.4.2.3.
|
Назначьте выделенным элементам текущий тип жесткости.
|
|
Этапы и операции
|
Команда и ее инстру-мент
|
Ваши действия
|
Рекомендации и комментарии
|
|
9.5.Задание нагрузок
|
|
9.5.1. Задание нагрузки на элементы от собственного веса
|
п.1.113
|
Выполните команды Нагрузки ? Добавить собственный вес.
|
Элементы автоматически загружаются нагрузкой собственного веса.
|
|
9.5.2.Смена номера текущего загружения
|
п.1.111
|
В диалоговом окне «Активное загружение» задайте номер загружения 2.
|
|
|
9.5.3.
|
Выделите узлы № 18, 46, 74.
|
|
9.5.4.Задание нагрузки в
выделенных узлах
|
п.1.115
|
В диалоговом окне «Задание нагрузок» активизируйте закладку «Нагрузки в узлах». Затем радио-кнопками укажите систему координат «Глобальная», направление – вдоль оси «Z». Щелчком по кнопке сосредоточенной силы вызовите диалоговое окно «Параметры нагрузки». В этом окне введите значение P = 1 тс и подтвердите ввод. После этого в диалоговом окне «Задание нагрузок» щелкните по кнопке Применить.
|
|
|
9.5.5.Смена номера текущего загружения
|
п.1.111
|
В диалоговом окне «Активное загружение» задайте номер загружения 3.
|
|
|
9.5.6.
|
Выведите на экран номера элементов расчетной схемы.
|
|
9.5.7.Задание нагрузки выделенным элементам
|
|
В диалоговом окне «Задание нагрузок» активизируйте закладку «Нагрузки на пластины». Затем радио-кнопками укажите систему координат «Глобальная», направление – вдоль оси «Z». Щелчком по кнопке сосредоточенной силы вызовите диалоговое окно «Параметры местной нагрузки». В этом окне введите параметры:
-P = 1 тс;
-А = 0.25 м;
-В = 0.25 м и подтвердите ввод. После этого в диалоговом окне «Задание нагрузок» щелкните по кнопке Применить.
|
|
|
9.6.Генерация таблицы РСУ
|
п.1.118
|
В диалоговом окне «Расчетные сочетания усилий» задайте виды загружений:
-первое – Постоянное (0);
-второе – Временное длит. (1);
-третье – Временное длит. (1).
|
|
|
Запуск задачи на расчет и переход в режим визуализации результатов расчета осуществляется аналогично предыдущим примерам.
|
|
9.7.Вывод на экран изополей перемещений по направлению Z
|
п.1.176,
1.176.3
|
|
|
|
9.8.Вывод на экран напряжений Мх
|
п.1.179,
1.179.7
|
|
|
|
9.9.Запуск системы ЛИР-АРМ
|
|
Выполните команды Windows: Пуск ? Программы ? Lira 9.0 ? ЛирАрм.
|
|
|
9.10.Импорт расчетной схемы
|
п.6.22
|
В диалоговом окне системы ЛИР-АРМ «Открыть» выделите файл «пример9#00.пример9» и щелкните по кнопке Открыть.
|
|
|
9.11.Задание и выбор материала
|
|
9.11.1.Задание общих характеристик армирования
|
п.6.80
|
В диалоговом окне «Материалы» отметьте радио-кнопку Тип и щелкните по кнопке Добавить. На экран выводится диалоговое окно «Общие характеристики армирования», в котором задайте модуль армирования – плита и щелкните по кнопке Применить.
В диалоговом окне «Материалы» щелкните по кнопке Назначить текущим.
|
Остальные поля диалогового окна «Общие характеристики армирования» остаются такими, какими они приняты по умолчанию.
|
|
9.11.2.Задание характеристик бетона
|
|
В диалоговом окне «Материалы» активизируйте радио-кнопку Бетон и щелкните по кнопкам Добавить умолчание и Назначить текущим.
|
Этой операцией по умолчанию принимается бетон класса В25.
|
|
9.11.3.Задание характеристик арматуры
|
|
В этом же окне активизируйте радио-кнопку Арматура и щелкните по кнопкам Добавить умолчание и Назначить текущим.
|
Этой операцией по умолчанию принимается арматура класса А-III.
|
|
9.12.Назначение материала
|
|
9.12.1.Выделение элементов рамы
|
Выделите все элементы схемы.
|
|
9.12.2.Назначение материала элементам рамы
|
|
В диалоговом окне «Материалы» щелкните по кнопке Назначить.
|
Также можно назначить материал используя п.6.81 (кнопка на панели инструментов).
|
|
9.13.Расчет армирования
|
п.6.28
|
|
|
|
9.14.Прсмотр нижней арматуры в пластинах по направлению оси X
|
п.6.87
|
|
|
|
9.15.Формирование таблиц результатов
|
п.6.30
|
|
|
|
9.16.Просмотр результатов армирования
|
п.6.97
|
|
|
|
2.14.Просмотр результатов армирования в виде HTML таблиц
|
п.6.99
|
|
|
Расчет плоской комбинированной системы Пример
В этом примере рассматривается поперечная диафрагма здания, выполненная из балок-стенок и стержней рамы. Цели и задачи примера - показать:
технику построения расчетной схемы комбинированной системы;
процедуру построения и использования суперэлементов в расчетах сложных конструкций.
Данные для расчета:
поперечная диафрагма представляет собой трехъярусную раму. Высота этажа
Н = 3,5 м, пролеты l1 = 3 м, l2 = 3 м , l3 = 4 м;
в двух первых пролетах рама на полную высоту заполнена панелями толщиной
d = 20 см, играющими роль жесткого диска (рис. 1.15);
стойки колонн имеют прямоугольное сечение 40х40 см;
сечение ригелей тавровое b = 20 см, h = 50 см, b1 = 50 см, h1 = 25 см;
расчет производится на два загружения: первое – собственный вес, второе – длительно действующая нагрузка.
Требуется выполнить статический расчет и получить компоненты напряженно-деформированного состояния.
Расчет произвести в четырех загружениях, показанных на
Рис.1.3. Схемы загружений рамы
Этапы и операции
|
Команда и ее инстру-мент
|
Ваши действия
|
Рекомендации и комментарии
|
1.1.Запуск системы ЛИР-ВИЗОР
|
|
Выполните команды Windows: Пуск ? Программы ? Lira 9.0 ? ЛИРА 9.0.
|
|
1.2.Создание новой задачи
|
п.1.1 (1.18)
|
В диалоговом окне «Признак схемы» задайте имя задачи: «Пример1» и признак схемы: «2».
|
|
1.3.Создание геометрической схемы рамы
|
1.3.1.Генерация рамы
|
п.1.70
|
В диалоговом окне «Создание плоских фрагментов и сетей» активизируйте закладку «Генерация рамы», затем задайте шаг конечных элементов вдоль горизонтальной оси и количество шагов, а также шаг КЭ вдоль вертикальной оси и количество шагов.
Шаг вдоль первой оси:
L(м) – 4.00 3.00
N – 1 1.
Шаг вдоль второй оси:
L(м) – 6.00 4.00
N – 1 1.
После этого щелкните по кнопке Применить.
|
Это окно, как и многие другие, является немодальным. То есть с расчетной схемой можно работать, не закрывая его, что удобно для создания и корректировки расчетной схемы.
|
1.4.Сохранение данных
|
п.1.21
|
В диалоговом окне «Сохранить как» задайте имя задачи и папку, в которую будет сохранена эта задача.
|
Папка:LDdata,
Имя файла: Пример1.
|
1.5.Задание граничных условий
|
1.5.1.Вывод на экран номеров узлов
|
п.1.137,
1.137.2,
1.137.2.1
|
В диалоговом окне «Показать» активизируйте закладку «Узлы». После этого выберите команду Номера узлов и щелкните по кнопке Применить.
|
На расчетной схеме отобразятся номера узлов.
|
1.5.2.Выделение узлов № 1 и 2
|
п.1.48
|
Выделите узлы № 1и 2.
|
Узлы окрашиваются в красный цвет.
|
1.5.3.Назначение граничных условий в выделенных узлах
|
п.1.102
|
В диалоговом окне «Связи в узлах» активизируйте закладку «Назначить связи», отметьте направления, по которым запрещены перемещения узлов (X, Z, UY) и щелкните по кнопке Применить.
|
Узлы окрашиваются в синий цвет.
|
1.5.4.Выделение узла № 3
|
п.1.48
|
Выделите узел № 3.
|
|
1.5.5.Назначение граничных условий в выделенном узле
|
|
В диалоговом окне «Связи в узлах» отметьте направления, по которым запрещено перемещение узла (X, Z) и щелкните по кнопке Применить.
|
|
1.6.Задание жесткостных параметров элементов рамы
|
1.6.1.Формирование типов жесткости
|
п.1.107
|
В диалоговом окне «Жесткости элементов» сформируйте список типов жесткости.
|
|
1.6.1.1.Выбор типа сечения «Брус»
|
|
Щелкните по кнопке Добавить
и, выбрав закладку «Стандартные типы сечений», активизируйте сечение «Брус».
|
Для того, чтобы вызвать окно задания параметров сечения, дважды щелкните на пиктограмме сечения.
|
1.6.1.2.Задание параметров сечения «Брус»
|
|
В диалоговом окне «Задание стандартного сечения» введите параметры сечения:
- модуль упругости – Е = 3е6 т/м2;
- геометрические размеры – В = 60 см;
Н = 40 см.
|
|
1.6.1.3.Выбор типа сечения «Тавр_Т»
|
|
В диалоговом окне «Жесткости элементов» выберите тип сечения «Тавр_Т».
|
|
1.6.1.4.Задание параметров сечения «Тавр_Т»
|
|
В диалоговом окне «Задание стандартного сечения» введите параметры сечения:
- модуль упругости – Е = 3е6 т/м2;
- геометрические размеры – В = 20 см;
Н = 60 см; В1
= 40 см; Н1 = 20 см.
|
|
1.6.2.Назначение жесткостей элементам рамы
|
1.6.2.1.Назначение текущего типа жесткости «1.Брус 60х40»
|
|
Выделите нужную жесткость в окне списка и щелкните по кнопке Установить как текущий тип.
|
В окне текущего типа отобразится выбранная жесткость.
|
1.6.2.2.Выделение вертикальных элементов
|
п.1.52
|
Выделите вертикальные элементы.
|
Выделенные элементы окрашиваются в красный цвет.
|
1.6.2.3.Назначение выделенным элементам текущего типа жесткости
|
|
В диалоговом окне «Жесткости элементов» щелкните по кнопке Назначить.
|
С элементов снимается выделение. Это свидетельство того, что выделенным элементам присвоена текущая жесткость.
|
1.6.2.4.Назначение текущего типа жесткости «2.Тавр_Т 20х60»
|
|
Выделите нужную жесткость в окне списка и щелкните по кнопке Установить как текущий тип.
|
|
1.6.2.5.Выделение горизонтальных элементов
|
п.1.53
|
Выделите горизонтальные элементы.
|
|
1.6.2.6.Назначение выделенным элементам текущего типа жесткости
|
|
В диалоговом окне «Жесткости элементов» щелкните по кнопке Назначить.
|
|
1.6.2.7.Закрытие диалогового окна «Жесткости элементов»
|
|
В диалоговом окне «Жесткости элементов» щелкните по кнопке Закрыть.
|
|
|
|
Этапы и операции
|
Команда и ее инстру-мент
|
Ваши действия
|
Рекомендации и комментарии
|
|
|
1.7.Задание нагрузок
|
|
|
1.7.1.Вывод на экран номеров элементов
|
п.1.137.1,
1.137.1.1
|
В диалоговом окне «Показать» активизируйте закладку «Элементы». После этого выберите команду Номера элементов и щелкните по кнопке Применить.
|
На расчетной схеме отобразятся номера элементов.
|
|
|
Формирование загружения № 1
|
|
|
1.7.2.Выделение элементов № 7 и 8
|
п.1.51
|
Выделите горизонтальные элементы № 7 и 8.
|
|
|
|
1.7.3.Задание нагрузки q1 на выделенных элементах
|
п.1.115
|
В диалоговом окне «Задание нагрузок» активизируйте закладку «Нагрузки на стержни». Затем радио-кнопками укажите систему координат «Глобальная», направление – вдоль оси «Z». Щелчком по кнопке равномерно распределенной нагрузки вызовите диалоговое окно «Параметры местной нагрузки». В этом окне введите интенсивность q1 = 2.0 тс/м и подтвердите ввод. После этого в диалоговом окне «Задание нагрузок» щелкните по кнопке Применить.
|
Первое загружение принимается по умолчанию.
|
|
|
1.7.4.Выделение элемента № 9
|
п.1.51
|
Выделите элемент № 9.
|
|
|
|
1.7.5.Задание нагрузки q2 на выделенный элемент
|
|
В диалоговом окне «Задание нагрузок» щелчком по кнопке равномерно распределенной нагрузки вызовите диалоговое окно «Параметры местной нагрузки». В этом окне введите интенсивность q2 = 1.5 тс/м и подтвердите ввод. После этого в диалоговом окне «Задание нагрузок» щелкните по кнопке Применить.
|
|
|
|
1.7.6.Выделение элемента № 10
|
п.1.51
|
Выделите элемент № 10.
|
|
|
|
1.7.7.Задание нагрузки q3 на выделенный элемент
|
|
В диалоговом окне «Задание нагрузок» щелчком по кнопке равномерно распределенной нагрузки вызовите диалоговое окно «Параметры местной нагрузки». В этом окне введите интенсивность q3 = 3.0 тс/м и подтвердите ввод. После этого в диалоговом окне «Задание нагрузок» щелкните по кнопке Применить.
|
|
|
|
Формирование загружения № 2
|
|
|
1.7.8.Смена номера текущего загружения
|
п.1.111
|
В диалоговом окне «Активное загружение» задайте номер загружения 2.
|
При необходимости можно задать другое имя загружения.
|
|
|
1.7.9.Выделение элемента № 7
|
п.1.51
|
Выделите элемент № 7.
|
|
|
|
1.7.10.Задание трапециевидной нагрузки с интенсивностями q4, q5
|
|
В диалоговом окне «Задание нагрузок» щелчком по кнопке трапециевидной нагрузки вызовите диалоговое окно «Параметры местной нагрузки». В этом окне введите параметры: Р1 = 4.67 тс/м, А1 = 0.5 м, Р2 = 2.0 тс/м, А1 = 3.5 м и подтвердите ввод. После этого в диалоговом окне «Задание нагрузок» щелкните по кнопке Применить.
|
|
|
|
Формирование загружения № 3
|
|
|
1.7.11.Смена номера текущего загружения
|
п.1.111
|
В диалоговом окне «Активное загружение» задайте номер загружения 3.
|
|
|
|
1.7.12.Выделение узла № 4
|
п.1.48
|
Выделите узел № 4.
|
|
|
|
1.7.13.Задание узловой нагрузки P1
|
|
В диалоговом окне «Задание нагрузок» активизируйте закладку «Нагрузки в узлах». Затем радио-кнопками укажите систему координат «Глобальная», направление – вдоль оси «X». Щелчком по кнопке сосредоточенной силы вызовите диалоговое окно «Параметры нагрузки». В этом окне введите значение P = -1 тс и подтвердите ввод. После этого в диалоговом окне «Задание нагрузок» щелкните по кнопке Применить.
|
|
|
|
1.7.14.Выделение узла № 7
|
п.1.48
|
Выделите узел № 7.
|
|
|
|
1.7.15.Задание узловой нагрузки P2
|
|
В диалоговом окне «Задание нагрузок» щелчком по кнопке сосредоточенной силы вызовите диалоговое окно «Параметры нагрузки». В этом окне введите значение P = -1.5 тс и подтвердите ввод. После этого в диалоговом окне «Задание нагрузок» щелкните по кнопке Применить.
|
|
|
|
1.7.16.Задание нагрузок в соответствии со схемой загружения № 3 P3 и P4
|
|
Аналогично предыдущим двум операциям задайте нагрузки:
- в узле № 6 – P3 = -0.75 тс;
- в узле № 9 – P4 = -1.125 тс.
|
|
|
|
Формирование загружения № 4
|
|
|
1.7.17.Смена номера текущего загружения
|
п.1.111
|
В диалоговом окне «Активное загружение» задайте номер загружения 4.
|
|
|
|
1.7.18.Выделение узла № 4
|
п.1.48
|
Выделите узел № 4.
|
|
|
|
1.7.19.Задание узловой нагрузки P3
|
|
В диалоговом окне «Задание нагрузок» щелчком по кнопке сосредоточенной силы вызовите диалоговое окно «Параметры нагрузки». В этом окне введите значение P = 0.75 тс и подтвердите ввод. После этого в диалоговом окне «Задание нагрузок» щелкните по кнопке Применить.
|
|
|
|
1.7.20.Задание нагрузок в соответствии со схемой загружения № 4 P1, P2 и P4
|
|
Аналогично предыдущим двум операциям задайте нагрузки:
- в узле № 6 – P1 = 1.0 тс;
- в узле № 9 – P2 = 1.5 тс;
- в узле № 7 – P4 = 1.125 тс.
|
|
|
|
1.8.Запуск задачи на расчет
|
п.1.29
|
Щелкните по кнопке инструмента или введите команды Режим ? Выполнить расчет.
|
|
|
|
1.9.Переход в режим визуализации результатов расчета
|
п.1.30
|
Щелкните по кнопке инструмента или введите команды Режим ? Результаты расчета.
|
|
|
|
1.10.Вывод на экран деформированной схемы
|
п.1.168
|
|
|
|
|
1.11.Вывод на экран эпюры MY
|
п.1.178,
1.178.4
|
|
|
|
|
1.12.Вывод на экран эпюры QZ
|
п.1.178.3
|
|
|
|
Рис. 1.4. Нумерация узлов расчетной схемы рамы
|
Рис. 1.5. Нумерация элементов расчетной схемы рамы
|
|
|
|
|
|
|
|
|
Расчет пространственной комбинированной системы Пример
Задачи и цели этого примера состоят в следующем.
Произвести расчет пространственной схемы пролетом 9 м и шагом колонн 12 м. Высота здания – 7,5 м. Колонны жестко защемлены. Сечение колонн – 50 х 75 см; толщина плит покрытия – 120 мм. Сечения арочных ферм – пояса из труб 146 х 6 мм, стойки и раскосы из труб 152 х 6 мм. Сечения двускатных ферм с параллельными поясами – пояса из тавров 20 БТ, раскосы из двух уголков 75 х 50 х 8 мм. Нагрузки: первое загружение – собственный вес, второе – нагрузка от снега величиной 0,08 т/м2 по всей плите покрытия, третье – снеговая на ¼ плиты покрытия величиной 0,12 т/м2.
Этапы и операции
|
Команда и ее инстру-мент
|
Ваши действия
|
Рекомендации и комментарии
|
16.1.Создание новой задачи
|
п.1.1
(1.18)
|
В диалоговом окне «Признак схемы» задайте имя задачи: «пример16» и признак схемы: «5».
|
|
16.2.Создание геометрической схемы
|
16.2.1.Создание арочной фермы пролетом 9 м
|
п.1.71
|
В диалоговом окне «Типы ферм» щелкните по кнопке с конфигурацией арочной (сегментной) фермы. В новом окне «Параметры ферм» щелкните по второй слева в нижнем ряду кнопке и задайте параметры:
L = 9 м; Kf = 7.
|
Щелкнув по кнопке Нарисовать, можно увидеть эскиз генерируемой фермы со всеми размерами.
|
16.2.2.Выделение элементов верхнего пояса фермы
|
п.1.51,
1.47
|
С помощью левой клавиши мыши задайте замкнутый контур вокруг верхнего пояса.
|
|
16.2.3.Создание оболочки покрытия
|
п.1.75
|
В диалоговом окне «Создание объектов перемещением образующей» задайте следующие параметры:
n = 12, Y = 12 м.
|
|
16.2.4.Отмена выделения
|
п.1.57
|
|
|
16.2.5.Выделение узлов и элементов фермы
|
п.1.54
|
Укажите на один из узлов фермы.
|
|
16.2.6.
|
|
Выведите на экран номера узлов.
|
|
16.2.7.Копирование фермы по одному узлу
|
п.1.80,
1.80.2
|
Укажите на узел № 8, а затем поочередно укажите на узлы № 39, 43, 47.
|
|
16.2.8.Отмена выделения
|
п.1.57
|
|
|
16.2.9.Создание односкатной фермы с горизонтальными поясами
|
п.1.71
|
В диалоговом окне «Типы ферм» щелкните по кнопке с конфигурацией односкатной фермы с горизонтальными поясами. В новом окне «Параметры ферм» щелкните по второй слева в верхнем ряду кнопке и задайте параметры:
L = 12 м; H = 1.5 м; K = 12;
-Угол поворота фермы относительно оси Z = 900;
-Координаты желтого узла фермы
Z = -1.5 м.
|
|
16.2.10.
|
|
Выделите созданную ферму аналогично п.16.2.5.
|
|
16.2.11.Поворот фермы вокруг оси Y на 1800
|
п.1.79,
1.79.4
|
В диалоговом окне «Перемещение объектов» активизируйте закладку «Перемещение поворотом» и задайте поворот вокруг оси Y на 1800, сняв активность со строки «Указать базовый узел».
|
|
16.2.12.Копирова-ние односкатной фермы вдоль оси X на 9 м
|
п.1.80,
1.80.1
|
В диалоговом окне «Копирование объектов» активизируйте закладку «Копирование по параметрам» и введите следующие параметры:
dx = 9 м, N = 1.
|
|
16.2.13.
|
|
Отмените выделение.
|
|
16.2.14.Упаковка схемы
|
п.1.78
|
В диалоговом окне «Упаковка схемы» щелкните по кнопке Упаковать.
|
|
16.2.15.Добавление колонн
|
п.1.70
|
В диалоговом окне «Создание плоских фрагментов и сетей» активизируйте закладку «Генерация рамы», затем задайте координаты первого узла по
Z = -7.5 м и шаг КЭ вдоль второй оси.
Шаг вдоль второй оси:
L(м) – 6.00
N – 1.
|
|
16.2.16.
|
|
Выделите элемент колонны.
|
|
16.2.17.Выделение узлов, принадлежащих элементу колонны
|
п.1.49
|
|
|
16.2.18.Копирова-ние элемента колонны по одному узлу
|
п.1.80,
1.80.2
|
Укажите на узел № 249, а затем поочередно укажите на узлы № 234, 247 и 233.
|
Чтобы выделить узел № 233, нужно поворачивать схему вокруг оси Z до тех пор, пока не будет виден этот узел (см. п. 14.7.4).
|
16.2.19.Возврат схемы в начальное положение
|
п.1.42.1
|
|
|
16.2.20.
|
|
Отмените выделение и упакуйте схему.
|
|
16.3.Задание граничных условий
|
16.3.1.
|
п.1.33
|
Выведите на экран проекцию схемы на плоскость XZ.
|
|
16.3.2.
|
|
Выделите нижние узлы колонн.
|
|
16.3.3.Назначение граничных условий в выделенных узлах
|
п.1.102
|
Выделенные узлы закрепите по всем направлениям.
|
|
16.4.Задание жесткостей
|
16.4.1.
|
п.1.107
|
Выберите стандартный тип сечения «Брус».
|
|
16.4.2.Задание параметров сечения «Брус»
|
|
В диалоговом окне «Задание стандартного сечения» введите параметры сечения:
Е = 3е6 т/м2; В = 50 см; Н = 75 см;
Ro = 2.75 тс/м3.
|
|
16.4.3.Выбор типа сечения «Труба»
|
|
В диалоговом окне «Жесткости элементов» активизируйте закладку базы типовых сечений и выберите сечение «Труба».
|
|
16.4.4.Задание параметров сечения «Труба»
|
|
В диалоговом окне «Стальное сечение» задайте параметры сечения:
-Сортамент – Труба бесшовная гарачекатанная,
-Профиль – 146x6.
|
|
16.4.5.
|
|
Задайте параметры сечения «Труба 152х6» аналогично п. 16.4.3. и 16.4.4.
|
|
16.4.6.Выбор типа сечения «Тавр»
|
|
Выберите типовое сечение «Тавр».
|
|
16.4.7.Задание параметров сечения «Тавр»
|
|
В диалоговом окне «Стальное сечение» задайте параметры сечения:
-Сортамент – Тавр с параллельными гранями полки типа Б,
-Профиль – 20БТХ.
|
|
16.4.8.Копирование сечения «4.Тавр 20БТХ»
|
|
В списке жесткостей укажите на строку «4.Тавр 20БТХ» и щелкните по кнопке Копирование.
|
|
16.4.9.Изменение параметров сечения «5.Тавр 20БТХ»
|
|
В списке жесткостей укажите на строку «5.Тавр 20БТХ», щелкните по кнопке Изменить и в новом окне «Стальное сечение» дважды щелкните по кнопке Поворот.
|
Тавровое сечение с полкой внизу мы назначим на нижний пояс двускатных ферм.
|
16.4.10.Выбор типа сечения «Два уголка»
|
|
Выберите типовое сечение «Два уголка».
|
|
16.4.11.Задание параметров сечения «Два уголка»
|
|
В диалоговом окне «Стальное сечение» задайте параметры сечения:
-Сортамент – Уголок неравнополочный,
-Профиль – 75 x 50 x 8.
|
|
16.4.12.Выбор типа сечения «Пластины»
|
|
Выберите сечение «Пластины».
|
|
16.4.13.Задание параметров сечения «Пластины»
|
|
В диалоговом окне «Задание жесткости для пластин» задайте параметры сечения:
Е = 3е6 т/м2; V = 0.2; Н = 12 см;
Ro = 2.75 тс/м3.
|
|
16.4.14.Назначение жесткостей
|
16.4.14.1.
|
|
Назначьте текущим тип жесткости «1.Брус 50 x 75».
|
|
16.4.14.2.Проекция схемы на плоскость XY
|
п.1.34
|
|
|
16.4.14.3.
|
п.1.52
|
Выделите на расчетной схеме места, в которых расположены колонны.
|
|
16.4.14.4.Возвраще-ние к изометрической проекции
|
п.1.32
|
|
|
16.4.14.5.
|
|
Назначьте выделенным элементам текущий тип жесткости.
|
|
16.4.14.6.
|
|
Назначьте текущим тип жесткости «2.Труба 146 x 6».
|
|
16.4.14.7.Проекция схемы на плоскость XY
|
п.1.34
|
|
|
16.4.14.8.
|
п.1.51
|
Выделите места расположения арочных ферм.
|
|
16.4.14.9.
|
|
Выделите элементы колонн аналогично п.16.4.14.3.
|
Таким образом, мы снимаем выделение с колонн.
|
16.4.14.10.Возвраще-ние к изометрической проекции
|
п.1.32
|
|
|
16.4.14.11.Вывод на экран фрагмента расчетной схемы
|
п.1.37
|
Выполните команду Вид ?
Фрагментация.
|
|
16.4.14.12.Проекция схемы на плоскость XZ
|
п.1.33
|
|
|
16.4.14.13.
|
п.1.51,
1.47
|
Выделите элементы верхнего и нижнего поясов арочных ферм.
|
Правильность выделения можно проверить на изометрической проекции.
|
16.4.14.14.
|
|
Назначьте выделенным элементам текущий тип жесткости.
|
|
16.4.14.15.
|
|
Назначьте текущим тип жесткости «3.Труба 152 x 6».
|
|
16.4.14.16.
|
|
Выделите стояки и раскосы арочных ферм.
|
|
16.4.14.17.
|
|
Назначьте выделенным элементам текущий тип жесткости.
|
|
16.4.14.18.Восстановление полного изображения схемы
|
п.1.39
|
Выполните команду Вид ?
Восстановление конструкции.
|
|
16.4.14.19.
|
|
Назначьте текущим тип жесткости «4.Тавр 20БТХ».
|
|
16.4.14.20.
|
п.1.53
|
Выделите места расположения элементов верхних поясов односкатных ферм.
|
|
16.4.14.21.
|
|
Назначьте выделенным элементам текущий тип жесткости.
|
|
16.4.14.22.
|
|
Назначьте текущим тип жесткости «5.Тавр 20БТХ».
|
|
16.4.14.23.
|
п.1.53
|
Выделите места расположения элементов нижних поясов односкатных ферм.
|
|
16.4.14.24.
|
|
Назначьте выделенным элементам текущий тип жесткости.
|
|
16.4.14.25.
|
|
Назначьте текущим тип жесткости «6.Два уголка 75 x 50 x 8».
|
|
16.4.14.26.Выделе-ние раскосов односкатных ферм
|
п.1.52,
1.51
|
Выделите места расположения горизонтальных и вертикальных элементов односкатных ферм, а затем места расположения всех элементов односкатных ферм.
|
Сначала выделяются вертикальные и горизонтальные элементы, а затем наклонные.
|
16.4.14.27.
|
|
Назначьте выделенным элементам текущий тип жесткости.
|
|
16.4.14.28.
|
|
Назначьте текущим тип жесткости «7.Пластина Н 12».
|
|
16.4.14.29.
|
|
Выделите все элементы схемы.
|
|
16.4.14.30.
|
|
Назначьте выделенным элементам текущий тип жесткости, а затем в окне «Предупреждение» щелкните по кнопке «ОК».
|
По ходу задания исходных данных программа выполняет контроль правильности выполняемых операций.
|
16.4.14.31.
|
|
Отмените выделение.
|
|
16.5.Задание нагрузок
|
16.5.1.
|
|
Назначьте элементам схемы нагрузку от собственного веса.
|
|
16.5.2.
|
|
Переключитесь на второе загружение.
|
|
16.5.3.Выделение элементов покрытия
|
п.1.63,
1.63.2
|
В диалоговом окне «ПолиФильтр» активизируйте закладку «Фильтр для элементов». После этого активизируйте строку «По виду КЭ» и в активизировавшемся поле укажите на строку «Четырехузловые КЭ (пластины)» и щелкните по кнопке Применить.
|
|
16.5.4.Задание снеговой нагрузки на всю плиту покрытия
|
п.1.115
|
В диалоговом окне «Задание нагрузок» активизируйте закладку «Нагрузки на пластины». Щелчком по кнопке равномерно распределенной нагрузки вызовите диалоговое окно «Параметры местной нагрузки». В этом окне задайте интенсивность нагрузки P = 0.08 тс/м2.
|
|
16.5.5.
|
|
Переключитесь на третье загружение.
|
|
16.5.6.Проекция схемы на плоскость XY
|
п.1.34
|
|
|
16.5.7.
|
|
Выделите ¼ часть покрытия.
|
|
16.5.8.Задание нагрузки от снега на выделенный фрагмент схемы
|
|
В диалоговом окне «Задание нагрузок» щелчком по кнопке равномерно распределенной нагрузки вызовите диалоговое окно «Параметры местной нагрузки». В этом окне задайте интенсивность нагрузки P = 0.12 тс/м2.
|
|
Далее следует запуск задачи на расчет, переход в режим визуализации результатов расчета, вывод на экран деформированной схемы, эпюр усилий и изополей напряжений.
|
Расчет рамы промышленного здания Пример
Задачи и цели этого примера состоят в следующем.
Произвести расчет плоской рамы на динамические воздействия, а также расчет устойчивости конструкции и составление таблицы РСУ. После статического расчета произвести расчет и конструирование железобетонных и металлических сечений элементов. Размеры рамы приведены на рис. 1.16. Сечения элементов:
крайние колонны – железобетонный брус b = 40 см, h = 60 см;
балочный ростверк на упругом основании – тавр с полкой снизу b = 40 см, h = 50 см, b1 = 100 см, h1 = 20 см, С1 = 800 тс/м3;
средние колонны – швеллер № 24; балка настила – двутавр № 36;
верхний пояс фермы – два уголка 120 x 120 x 10;
нижний пояс фермы – два уголка 100 x 100 x 10;
стойки и раскосы фермы – два уголка 75 x 75 x 6.
Расчет произвести на следующие виды загружений: 1 – собственный вес, 2 – нагрузка от оборудования, 3 – ветровая нагрузка, 4 – гармоническое динамическое воздействие, 5 – сейсмическое воздействие.

Рис. 1.16. Расчетная схема поперечника здания
Этапы и операции
|
Команда и ее инстру-мент
|
Ваши действия
|
Рекомендации и комментарии
|
17.1.Создание новой задачи
|
п.1.1
(1.18)
|
В диалоговом окне «Признак схемы» задайте имя задачи: «пример17» и признак схемы: «2».
|
|
17.2.Создание геометрической схемы
|
17.2.1.Генерация рамы
|
п.1.70
|
В диалоговом окне «Создание плоских фрагментов и сетей» задайте параметры рамы.
Шаг вдоль первой оси:
L(м) – 4.00
N – 3.
Шаг вдоль второй оси:
L(м) – 4.00
N – 2.
|
|
17.2.2.
|
|
Выведите на экран номера узлов.
|
|
17.2.3.Добавление элементов балочного ростверка
|
п.1.86,
1.86.1
|
В диалоговом окне «Добавить элемент» активизируйте закладку «Добавить стержень» и поочередно добавьте стержни между узлами 1 – 2, 2 – 3, 3 – 4.
|
|
17.2.4.
|
|
Выделите узлы № 10 и 11.
|
|
17.2.5.Удаление выделенных узлов
|
п.1.77
|
|
|
17.2.6.
|
|
Выведите на экран номера элементов.
|
|
17.2.7.
|
|
Выделите элементы № 3 и 5.
|
|
17.2.8.Задание шарниров выделенным элементам
|
п.1.104
|
В диалоговом окне «Шарниры» укажите направления, по которым разрешены перемещения узлов:
-1-й узел – UY, 2-й узел – UY
и щелкните по кнопке Применить.
|
|
17.2.9.Установка фермы на расчетную схему
|
п.1.71
|
В диалоговом окне «Типы ферм» щелкните по кнопке с конфигурацией арочной (сегментной) фермы. В новом окне «Параметры ферм» щелкните по первой слева в верхнем ряду кнопке и задайте параметры:
L = 12 м; Kf = 6;
-Координаты желтого узла фермы
Z = 8 м.
|
|
17.2.10.
|
|
Упакуйте схему.
|
|
17.3.Задание жесткостей
|
17.3.1.
|
п.1.107
|
Выберите стандартный тип сечения «Брус».
|
|
17.3.2.Задание параметров сечения «Брус»
|
|
В диалоговом окне «Задание стандартного сечения» введите параметры сечения:
Е = 3е6 т/м2; В = 40 см; Н = 60 см;
Ro = 2.75 тс/м3.
|
|
17.3.3.
|
|
Выберите стандартный тип сечения «Тавр_L».
|
|
17.3.4.Задание параметров сечения «Тавр_L»
|
|
В диалоговом окне «Задание стандартного сечения» введите параметры сечения:
Е = 3е6 т/м2; В = 40 см; Н = 50 см;
В1 = 100 см; Н1 = 20 см; Ro = 2.75 тс/м3;
-Параметры упругого основания
C1 = 800 тс/м3.
|
|
17.3.5.
|
|
Из базы типовых сечений выберите сечение «Двутавр».
|
|
17.3.6.Задание параметров сечения «Двутавр»
|
|
В диалоговом окне «Стальное сечение» задайте параметры сечения:
-Сортамент – Двутавр с непараллельными гранями полок;
-Профиль – 36.
|
|
17.3.7.
|
|
Выберите типовое сечение «Швеллер».
|
|
17.3.8.Задание параметров сечения «Швеллер»
|
|
В диалоговом окне «Стальное сечение» задайте параметры сечения:
-Сортамент – Швеллер с уклоном внутренних граней полок;
-Профиль – 24.
|
|
17.3.9.
|
|
Выберите типовое сечение «Два уголка».
|
|
17.3.10.Задание параметров сечения «Два уголка»
|
|
В диалоговом окне «Стальное сечение» задайте параметры сечения:
-Сортамент – Уголок равнополочный;
-Профиль – 120 x 120 x 10.
|
|
17.3.11.
|
|
Дважды скопируйте сечение «5. Два уголка 120 x 120 x 10».
|
|
17.3.12.Изменение параметров сечения «6. Два уголка 120 x 120 x 10»
|
|
В списке жесткостей укажите на строку «6. Два уголка 120 x 120 x 10», щелкните по кнопке Изменить и в новом окне «Стальное сечение» задайте:
-Профиль – 100 x 100 x 10.
|
|
17.3.13.Изменение параметров сечения «7. Два уголка 120 x 120 x 10»
|
|
В списке жесткостей укажите на строку «7. Два уголка 120 x 120 x 10», щелкните по кнопке Изменить и в новом окне «Стальное сечение» задайте:
-Профиль – 75 x 75 x 6.
|
|
17.3.14.Назначение жесткостей
|
17.3.14.1.
|
|
Назначьте текущим тип жесткости «1. Брус 40 x 60».
|
|
17.3.14.2.
|
|
Выделите вертикальные элементы № 1, 2, 5 и 6.
|
|
17.3.14.3.
|
|
Назначьте выделенным элементам текущий тип жесткости.
|
|
17.3.14.4.
|
|
Назначьте текущим тип жесткости «2. Тавр_L 40 x 50».
|
|
17.3.14.5.
|
|
Выделите горизонтальные элементы № 10, 11 и 12.
|
|
17.3.14.6.
|
|
Назначьте выделенным элементам текущий тип жесткости.
|
|
17.3.14.7.
|
|
Назначьте текущим тип жесткости «3. Двутавр 36».
|
|
17.3.14.8.
|
|
Выделите горизонтальные элементы № 7, 8 и 9.
|
|
17.3.14.9.
|
|
Назначьте выделенным элементам текущий тип жесткости.
|
|
17.3.14.10.
|
|
Назначьте текущим тип жесткости «4. Швеллер 24».
|
|
17.3.14.11.
|
|
Выделите вертикальные элементы № 3 и 4.
|
|
17.3.14.12.
|
|
Назначьте выделенным элементам текущий тип жесткости.
|
|
17.3.14.13.
|
|
Назначьте текущим тип жесткости «5. Два уголка 120 x 120 x 10».
|
|
17.3.14.14.
|
|
Выделите элементы № 22 – 27.
|
|
17.3.14.15.
|
|
Назначьте выделенным элементам текущий тип жесткости.
|
|
17.3.14.16.
|
|
Назначьте текущим тип жесткости «6. Два уголка 100 x 100 x 10».
|
|
17.3.14.17.
|
|
Выделите элементы № 13 – 15.
|
|
17.3.14.18.
|
|
Назначьте выделенным элементам текущий тип жесткости.
|
|
17.3.14.19.
|
|
Назначьте текущим тип жесткости «7. Два уголка 75 x 75 x 6».
|
|
17.3.14.20.
|
|
Выделите элементы № 16 – 21.
|
|
17.3.14.21.
|
|
Назначьте выделенным элементам текущий тип жесткости.
|
|
17.4.Корректировка расчетной схемы
|
17.4.1.
|
|
Выделите горизонтальные элементы № 10, 11 и 12.
|
|
17.4.2.Разделение стержней на 8 равных частей
|
п.1.86,
1.86.5
|
В диалоговом окне «Добавить элемент» активизируйте закладку «Разделить на N равных частей» и задайте N = 8.
|
|
17.4.3.
|
|
Выделите элемент № 28.
|
|
17.4.4.Выделение узлов, принадлежащих выделенному элементу
|
п.1.49
|
|
|
17.4.5.Копирование выделенного элемента по одному узлу
|
п.1.80,
1.80.2
|
Укажите на узел № 18, а затем на узел
№ 1.
|
|
17.4.6.
|
п.1.57
|
Отмените выделение.
|
|
17.4.7.
|
|
Выделите элемент № 12.
|
|
17.4.8.
|
п.1.49
|
Выделите узлы, принадлежащие выделенному элементу.
|
|
17.4.9.Копирование выделенного элемента по одному узлу
|
|
Укажите на узел № 38, а затем на узел
№ 4.
|
|
17.4.10.
|
|
Отмените выделение и упакуйте схему.
|
|
17.5.Задание граничных условий
|
17.5.1.
|
|
Выделите узлы № 1 – 4, 18 – 40.
|
|
17.5.2.
|
п.1.102
|
Выделенные узлы закрепите по направлению X.
|
|
17.6.Смена типа конечных элементов для элементов фермы
|
17.6.1.
|
|
Выделите элементы фермы.
|
|
17.6.2.Смена типа конечных элементов
|
п.1.91
|
В диалоговом окне «Смена типа конечных элементов» выделите в списке типов конечных элементов строку «Тип 1…».
|
|
17.7.Задание нагрузок
|
Формирование первого загружения
|
17.7.1.Задание нагрузки на элементы от собственного веса
|
п.1.113
|
Выполните команды Нагрузки ? Добавить собственный вес.
|
|
17.7.2.
|
|
Выделите элементы № 7, 8 и 9.
|
|
17.7.3.
|
|
Задайте на выделенные элементы равномерно распределенную нагрузку интенсивностью P = 3 тс/м.
|
|
17.7.4.
|
|
Выделите узлы № 9 и 10.
|
|
17.7.5.
|
|
Задайте на выделенные узлы силу величиной 12 тс.
|
|
17.7.6.
|
|
Выделите узлы № 13 – 17.
|
|
17.7.7.
|
|
Задайте на выделенные узлы силу величиной 24 тс.
|
|
Формирование второго загружения
|
17.7.8.
|
|
Переключитесь на второе загружение.
|
|
17.7.9.
|
|
Выделите элементы № 7, 8 и 9.
|
|
17.7.10.
|
|
Задайте на выделенные элементы равномерно распределенную нагрузку интенсивностью P = 2 тс/м.
|
|
17.7.11.
|
|
Выделите узлы № 9 и 10.
|
|
17.7.12.
|
|
Задайте на выделенные узлы силу величиной 2 тс.
|
|
17.7.13.
|
|
Выделите узлы № 13 – 17.
|
|
17.7.14.
|
|
Задайте на выделенные узлы силу величиной 4 тс.
|
|
Формирование третьего загружения
|
17.7.15.
|
|
Переключитесь на третье загружение.
|
|
17.7.16.
|
|
Выделите узлы № 5 и 10.
|
|
17.7.17.
|
|
Задайте на выделенные узлы силу вдоль глобальной оси X величиной -1.5 тс.
|
|
17.7.18.
|
|
Выделите узел № 9.
|
|
17.7.19.
|
|
Задайте на выделенный узел силу вдоль глобальной оси X величиной -2 тс.
|
|
17.7.20.
|
|
Выделите узел № 8.
|
|
17.7.21.
|
|
Задайте на выделенный узел силу вдоль глобальной оси X величиной -1.125 тс.
|
|
Формирование четвертого загружения
|
17.7.22.
|
|
Переключитесь на четвертое загружение.
|
|
17.7.23.
|
|
Выделите узел № 6.
|
|
17.7.24.
|
|
Задайте на выделенный узел силу вдоль глобальной оси Z величиной 22 тс.
|
|
17.7.25.
|
|
Выделите узел № 6.
|
|
17.7.26.Задание узловой гармонической нагрузки
|
|
В диалоговом окне «Задание нагрузок» щелчком по кнопке узловой гармонической нагрузки вызовите диалоговое окно «Гармоническая нагрузка в узле». В этом окне задайте:
-Дополнительная масса в узле – 22 тс;
-Направление нагрузки – Z;
-Закон действия нагрузки – cos;
-Амплитуда воздействия – 0.07 тс.
|
|
Задание характеристик для расчета рамы на сейсмику
|
17.8.Формирование таблицы учета статических загружений
|
17.8.1.Формирова-ние первой строки сводной таблицы
|
п.1.125
|
В диалоговом окне «Формирование динамических загружений из статических» задайте следующие параметры:
-№ динамического загружения – 5;
-№ соответствующего статического загружения – 1;
-Коэф. преобразования – 1.
Далее щелкните по кнопке Подтвердить.
|
|
17.8.2.Формирова-ние второй строки сводной таблицы
|
|
В диалоговом окне «Формирование динамических загружений из статических» задайте следующие параметры:
-№ динамического загружения – 5;
-№ соответствующего статического загружения – 2;
-Коэф. преобразования – 1.
Закончив, щелкните по кнопкам Подтвердить и Закрыть.
|
|
17.9.Формирование таблицы динамических загружений
|
17.9.1.Задание основных характеристик для четвертого загружения
|
п.1.123
|
В диалоговом окне «Задание характеристик для расчета на динамические воздействия» задайте:
-№ загружения – 4;
-Наименование воздействия –
Гармоническое зональное (28);
-Количество учитываемых форм колебаний – 10.
Затем щелкните по кнопке Параметры.
|
|
17.9.2.Задание параметров расчета на гармоническое воздействие
|
|
В диалоговом окне «Параметры расчета на гармоническое воздействие» задайте необходимые параметры и подтвердите ввод данных:
-Коэффициент внутреннего трения материала– К = 0.1 (бетон);
-Вынужденная частота внешнего воздействия – 157 рад/сек;
-Погрешность в определении частоты – 15%.
|
|
17.9.3.Задание основных характеристик для пятого загружения
|
|
В диалоговом окне «Задание характеристик для расчета на динамические воздействия» задайте:
-№ загружения – 5;
-Наименование воздействия –
Сейсмическое 01.01.2000 (35);
-Количество учитываемых форм колебаний – 5.
Затем щелкните по кнопке Параметры.
|
|
17.9.4.Задание параметров расчета на сейсмическое воздействие
|
|
В диалоговом окне «Параметры расчета на сейсмические воздействия» задайте необходимые параметры и подтвердите ввод данных:
-Направляющие косинусы равнодействующей сейсм. воздейств. в ОСК – CX = 1.
Остальные параметры примите по умолчанию.
|
|
17.10.Генерация таблицы РСУ
|
п.1.118
|
В диалоговом окне «Расчетные сочетания усилий» задайте виды загружений:
-первое – Постоянное (0);
-второе – Временное длит. (1);
-третье – Кратковременное (2);
-четвертое – Временное длит. (1);
-пятое – Сейсмическое (5).
Закройте окно щелчком по кнопке Закрыть.
|
|
17.11.Задание расчетных сечений для элементов балочного ростверка
|
17.11.1.
|
|
Выделите элементы балочного ростверка.
|
|
17.11.2.Задание расчетных сечений
|
п.1.105
|
В диалоговом окне «Расчетные сечения» задайте количество расчетных сечений
N = 7.
|
|
Запуск задачи на расчет, переход в режим визуализации результатов расчета, а также вывод деформированной схемы и эпюр усилий производится аналогично предыдущим примерам.
|
17.12.Вывод форм колебаний конструкции
|
17.12.1.Смена номера текущего загружения
|
п.1.165
|
В диалоговом окне «Активное загружение» задайте номер загружения 4.
|
|
17.12.2.Вывод формы колебаний
|
п.1.170
|
|
|
17.12.3.Смена номера текущего загружения
|
п.1.165
|
В диалоговом окне «Активное загружение» задайте номер загружения 5.
|
|
17.12.4.Вывод второй формы колебаний
|
п.1.165
|
В диалоговом окне «Активное загружение» задайте номер формы колебаний 2.
|
|
17.13.Просмотр анимации второй формы колебаний пятого загружения
|
17.13.1.Переход в режим пространственной модели
|
п.1.31
|
Выполните команды Вид ? Пространственная модель (3D-графика).
|
Открывается окно пространственной модели (3D-графика).
|
17.13.2.Просмотр анимации колебаний
|
п.1.31.19
|
|
|
17.13.3.Возврат в режим визуализации результатов расчета
|
п.1.31.1
|
|
|
17.14.Создание таблицы периодов колебаний
|
п.1.207
|
В диалоговом окне «Стандартные таблицы» выделите строку «Периоды колебаний» и щелкните по кнопке Создать.
|
|
17.15.Создание таблицы форм колебаний
|
п.1.207
|
В диалоговом окне «Стандартные таблицы» выделите строку «Формы колебаний» и щелкните по кнопке Создать. В новом окне «Выбор загружений» оставьте активным пункт «Все загружения» и подтвердите ввод.
|
|
17.16.Определение устойчивости
|
п.1.194
|
В диалоговом окне «Параметры расчетного процессора» задайте:
-Масштабный множитель для вычисления коэф. запаса – 10;
-активизируйте строку «Вычислять формы потери устойчивости»;
-снимите активность со строки «Все загружения».
|
|
17.17.Создание таблицы коэффициентов запаса устойчивости
|
п.1.207
|
В диалоговом окне «Стандартные таблицы» выделите строку «Коэффициенты запаса устойчивости» и щелкните по кнопке Создать.
|
|
17.18.Смена номера текущего загружения
|
п.1.165
|
В диалоговом окне «Активное загружение» задайте номер загружения 1.
|
|
17.19.Вывод на экран формы потери устойчивости
|
п.1.172
|
|
|
17.20.Вывод на экран коэффициентов свободных длин по Ly
|
п.1.195,
1.195.1
|
|
|
17.21.Вывод на экран деформированной схемы
|
п.1.168
|
|
Таким образом мы переключаемся к результатам статического расчета.
|
17.22.Вывод на экран инерционных нагрузок
|
17.22.1.Смена номера текущего загружения
|
п.1.165
|
В диалоговом окне «Активное загружение» задайте номер загружения 4.
|
|
17.22.2.Вывод на экран инерционной силы по Z
|
п.1.186,
1.186.3
|
|
|
Расчет и конструирование сечений в системе ЛИР-АРМ
|
17.23.Запуск системы ЛИР-АРМ
|
|
Выполните команды Windows: Пуск ? Программы ? Lira 9.0 ? ЛирАрм.
|
|
17.24.Импорт расчетной схемы
|
п.6.22
|
В диалоговом окне системы ЛИР-АРМ «Открыть» выделите файл «пример17#00.пример17» и щелкните по кнопке Открыть.
|
|
17.25.Задание и выбор материала
|
17.25.1.Задание общих характеристик армирования
|
п.6.80
|
В диалоговом окне «Материалы» отметьте радио-кнопку Тип и щелкните по кнопке Добавить. На экран выводится диалоговое окно «Общие характеристики армирования», в котором задайте следующие параметры:
в поле «Расчетные длины» отметьте радио-кнопку Коэффициент расч. длины;
задайте параметры LY = 1, LZ = 1;
в ниспадающем списке выберите модуль армирования – стержень и щелкните по кнопке Применить.
Система возвращается к диалоговому окну «Материалы». Здесь щелкните по кнопке Назначить текущим.
|
Остальные поля диалогового окна «Общие характеристики армирования» остаются такими, какими они приняты по умолчанию.
|
17.25.2.Задание характеристик бетона
|
|
В диалоговом окне «Материалы» активизируйте радио-кнопку Бетон и щелкните по кнопкам Добавить умолчание и Назначить текущим.
|
Этой операцией по умолчанию принимается бетон класса В25.
|
17.25.3.Задание характеристик арматуры
|
|
В этом же окне активизируйте радио-кнопку Арматура и щелкните по кнопкам Добавить умолчание и Назначить текущим.
|
Этой операцией по умолчанию принимается арматура класса А-III.
|
17.26.Назначение материала
|
17.26.1.Выделение элементов рамы
|
п.6.57
|
Выделите все элементы рамы.
|
|
17.26.2.Назначение материала элементам рамы
|
|
В диалоговом окне «Материалы» щелкните по кнопке Назначить, а затем в новом окне «Ошибки и предупреждения» по кнопке Подтвердить.
|
|
17.26.3.
|
|
Отмените выделение.
|
|
17.27.Назначение вида элементов
|
17.27.1.Выделение горизонтальных элементов балочного ростверка
|
п.6.59
|
Выделите горизонтальные элементы балочного ростверка.
|
|
17.27.2.Назначение вида элемента «Балка»
|
п.6.70
|
В диалоговом окне «Назначение вида элемента» активизируйте радио-кнопку Балка
и закройте окно щелчком по кнопке Подтвердить.
|
|
17.27.3.Вывод на экран номеров элементов
|
п.6.115,
6.115.1,
6.115.1.1
|
В диалоговом окне «Показать» активизируйте закладку «Элементы». После этого выберите команду Номера элементов и щелкните по кнопке Применить.
|
|
17.27.4.Выделение вертикальных элементов № 1, 2, 5 и 6
|
п.6.58
|
Выделите вертикальные элементы.
|
|
17.27.5.Назначение вида элемента «Колонна»
|
п.6.70
|
В диалоговом окне «Назначение вида элемента» активизируйте радио-кнопку Колонна
и закройте окно щелчком по кнопке Подтвердить.
|
|
17.28.Назначение конструктивных элементов
|
17.28.1.Выделение горизонтальных элементов балочного ростверка
|
п.6.59
|
Выделите элементы балочного ростверка.
|
|
17.28.2.Назначение конструктивного элемента «Балка»
|
п.6.72
|
В диалоговом окне «Конструктивные элементы» активизируйте радио-кнопку Балка
и закройте окно щелчком по кнопке Подтвердить.
|
|
17.28.3.Выделение вертикальных элементов № 1 и 2
|
п.6.58
|
Выделите элементы № 1 и 2.
|
|
17.28.4.Назначение конструктивного элемента «Колонна»
|
п.6.72
|
В диалоговом окне «Конструктивные элементы» активизируйте радио-кнопку Колонна
и закройте окно щелчком по кнопке Подтвердить.
|
Конструктивный элемент КОЛОННА назначается для того, чтобы учесть, что это сплошная колонна.
|
17.29.Расчет армирования
|
п.6.28
|
|
|
17.30.Формирова-ние таблиц результатов
|
п.6.30
|
|
|
17.31.Просмотр результатов армирования
|
п.6.97
|
|
|
17.32.Просмотр результатов армирования в виде HTML таблиц
|
п.6.99
|
|
|
17.33.Вывод на экран чертежа колонны
|
п.6.104
|
После щелчка по кнопке инструмента, на расчетной схеме укажите стойку рамы, которой в системе ЛИР-АРМ присвоен конструктивный элемент «Колонна», вызвав диалоговое окно «Армирование колонны». В этом диалоговом окне щелкните по кнопке Чертеж.
|
На экран выводится чертеж стойки рамы.
|
17.34.Вызов чертежа балки
|
17.34.1.Вызов конструирования неразрезной балки
|
п.6.103
|
Укажите на ригель, которому назначен конструктивный элемент «Балка».
|
Загружается подсистема БАЛКА.
|
17.34.2.Выполнение полного расчета балки
|
п.7.44
|
|
|
17.34.3.Вывод эпюры материалов
|
п.7.46
|
|
|
17.34.4.Вызов чертежа балки
|
п.7.47
|
|
|
Конструирование сечений стальных элементов
|
17.35.Запуск подсистемы металлических конструкций
|
|
Вызовите подсистему ЛИР-СТК командами Windows: Пуск ? Программы ? Lira 9.0 ? ЛирСтк.
|
|
17.36.Импорт расчетной схемы
|
п.4.12
|
В диалоговом окне системы ЛИР-МЕТ «Введите имя импортируемого файла» выделите файл «пример17#00.пример17» и щелкните по кнопке Открыть.
|
|
17.37.Задание дополнительных характеристик
|
17.37.1.Задание дополнительных характеристик для сечения «3. Двутавр 36»
|
п.4.47
|
В диалоговом окне «Жесткости элементов» щелкните по строке «3. Двутавр 36» в списке жесткостей и по кнопке Изменить.
|
|
17.37.1.1.Задание марки стали
|
|
В диалоговом окне «Стальное сечение» задайте марку стали – ВСт3кп2-1.
|
|
17.37.1.2.Задание дополнительных характеристик
|
|
Щелкните по закладке «Дополнительные характеристики» и отметьте радио-кнопку «Балка», а затем задайте другие характеристики.
- щелкните по пункту «Использовать коэффициенты к длине конструктивного элемента для Lef»;
- задайте коэффициент Lef = 0.25 и щелкните по пункту раскреплений сжатого пояса «более, делят пролет на равные части».
Задайте относительный прогиб – 250.
|
|
17.37.2.Задание дополнительных характеристик для сечения «4. Швеллер 24»
|
|
В диалоговом окне «Жесткости элементов» щелкните по строке «4. Швеллер 24» в списке жесткостей и по кнопке Изменить.
|
|
17.37.2.1.Задание марки стали
|
|
В диалоговом окне «Стальное сечение» задайте марку стали – ВСт3кп2-1.
|
|
17.37.2.2.Задание дополнительных характеристик
|
|
Щелкните по закладке «Дополнительные характеристики» и отметьте радио-кнопку Колонна,
а затем задайте другие характеристики:
-щелкните по пункту «Использовать коэффициенты к геометрической длине конструктивного элемента»;
-задайте коэффициенты длины –
относительно оси Z1 = 1;
относительно оси Y1 = 1;
Для расчета Фb = 0.85.
|
|
17.37.3.Задание дополнительных характеристик для сечения «5. Два уголка 120 x 120 x 10»
|
|
В диалоговом окне «Жесткости элементов» щелкните по строке «5. Два уголка 120 x 120 x 10» в списке жесткостей и по кнопке Изменить.
|
|
17.37.3.1.Задание марки стали
|
|
В диалоговом окне «Стальное сечение» задайте марку стали – ВСт3кп2-1.
|
|
17.37.3.2.Задание дополнительных характеристик
|
|
Щелкните по закладке «Дополнительные характеристики» и отметьте радио-кнопку Ферменный,
а затем задайте другие характеристики:
-щелкните по пункту «Использовать коэффициенты к длине конструктивного элемента»;
-задайте коэффициенты длины –
относительно оси Z1 = 1;
относительно оси Y1 = 1.
Затем задайте предельную гибкость на сжатие, щелкнув по пункту «элемент пояса или опорный раскос фермы».
|
|
17.37.4.Задание дополнительных характеристик для сечения «6. Два уголка 100 x 100 x 10»
|
|
В диалоговом окне «Жесткости элементов» щелкните по строке «6. Два уголка 100 x 100 x 10» в списке жесткостей и по кнопке Изменить.
|
|
17.37.4.1.Задание марки стали
|
|
В диалоговом окне «Стальное сечение» задайте марку стали – ВСт3кп2-1.
|
|
17.37.4.2.Задание дополнительных характеристик
|
|
Щелкните по закладке «Дополнительные характеристики» и отметьте радио-кнопку Ферменный,
а затем задайте другие характеристики:
-щелкните по пункту «Использовать коэффициенты к длине конструктивного элемента»;
-задайте коэффициенты длины –
относительно оси Z1 = 0.33;
относительно оси Y1 = 0.33.
Затем задайте предельную гибкость на сжатие, щелкнув по пункту «элемент пояса или опорный раскос фермы».
|
|
17.37.5.Задание дополнительных характеристик для сечения «7. Два уголка 75 x 75 x 6»
|
|
В диалоговом окне «Жесткости элементов» щелкните по строке «7. Два уголка 75 x 75 x 6» в списке жесткостей и по кнопке Изменить.
|
|
17.37.5.1.Задание марки стали
|
|
В диалоговом окне «Стальное сечение» задайте марку стали – ВСт3кп2-1.
|
|
17.37.5.2.Задание дополнительных характеристик
|
|
Щелкните по закладке «Дополнительные характеристики» и отметьте радио-кнопку Ферменный,
а затем задайте другие характеристики:
-щелкните по пункту «Использовать коэффициенты к длине конструктивного элемента»;
-задайте коэффициенты длины –
относительно оси Z1 = 1;
относительно оси Y1 = 1.
Затем задайте предельную гибкость на сжатие, щелкнув по пункту «неопорный элемент решетки фермы».
|
|
17.38.Назначение дополнительных характеристик
|
|
Назначьте один из типов жесткости текущим и закройте окно.
|
Назначение дополнительных характеристик происходит автоматически.
|
17.39.Назначение конструктивных элементов
|
17.39.1.
|
|
Выведите на экран номера элементов.
|
|
17.39.2.
|
|
Выделите элементы № 7, 8 и 9.
|
|
17.39.3.Создание конструктивного элемента КБ1
|
п.4.48
|
|
|
17.39.4.
|
|
Выделите элементы № 13, 14 и 15.
|
|
17.39.5.Создание конструктивного элемента КФ2
|
п.4.48
|
|
|
17.40.Назначение раскреплений в узлах элементов
|
17.40.1.
|
|
Выделите элементы № 7, 8 и 9.
|
|
17.40.2.Назначение раскреплений
|
п.4.54
|
В диалоговом окне «Раскрепление стержней» задайте направление раскреплений – Y1, Z1. Щелкните по строке «В каждом узле каждого конечного элемента» и подтвердите назначение.
|
Прогиб сечений элемента определяется относительно линии, соединяющей раскрепления на его концах.
|
17.41.Проверка назначенных сечений
|
п.4.56
|
В диалоговом окне «Таблицы результатов» задайте текстовый формат таблиц результатов, щелкните по строке «Проверка всех элементов по РСУ» и по кнопке Создать.
|
|
17.42.Подбор сечений рамы
|
п.4.56
|
В диалоговом окне «Таблицы результатов» щелкните по строке «Подбор всех элементов по РСУ» и по кнопке Создать.
|
|
Расчет железобетонных конструкций в физически нелинейной постановке
В среде ЛИР-ВИЗОР имеется шаговый процессор “ЛИР-СТЕП”, предназначенный для решения физически и геометрически нелинейных задач строительной механики шаговым методом. “ЛИР-СТЕП”- процессор, который организует шаговый процесс и обеспечивает решение линеаризованной системы разрешающих уравнений на каждом шаге для текущего приращения вектора узловых нагрузок.
Результатом работы шагового процессора есть компоненты напряженно-деформированного состояния, полученные с учетом нелинейных эффектов.
Моделирование физической нелинейности материалов конструкций производится с помощью большой библиотеки законов деформирования материалов (зависимостей «напряжение – деформация»), которые позволяют моделировать практически любые физически-нелинейные свойства материала. Библиотека законов деформирования материала организована открытой, что позволяет пополнять её новыми законами.
В этом разделе приводится пример, показывающий технику постановки физически нелинейной задачи.
Расчетная схема балки-стенки
Этапы и операции
|
Команда и ее инстру-мент
|
Ваши действия
|
Рекомендации и комментарии
|
13.1.Создание новой задачи
|
п.1.1
(1.18)
|
В диалоговом окне «Признак схемы» задайте имя задачи: «Пример13» и признак схемы: «1».
|
|
13.2.Задание геометрии
|
13.2.1.Генерация плиты
|
п.1.70
|
В диалоговом окне «Создание плоских фрагментов и сетей» активизируйте закладку «Генерация балки-стенки», затем задайте шаг КЭ вдоль первой и второй осей.
Шаг вдоль первой оси:
L(м) – 0.5
N – 12.
Шаг вдоль второй оси:
L(м) – 0.5
N – 6.
После этого щелкните по кнопке Применить.
|
|
13.3.Задание граничных условий
|
13.3.1.
|
Выделите узлы схемы по защемленной грани балки-стенки (№ 1 – 13).
|
13.3.2.Назначение граничных условий в выделенных узлах
|
п.1.102
|
В диалоговом окне «Связи в узлах» активизируйте закладку «Назначить связи» и отметьте направления, по которым запрещены перемещения узлов (X, Z) и щелкните по кнопке Применить.
|
|
13.4.
|
|
Задайте жесткости аналогично примеру 9.
|
|
13.5.Задание нагрузок
|
13.5.1.
|
|
Выведите на экран номера узлов.
|
|
13.5.2.
|
|
Выделите узлы № 80 – 90.
|
Узлы приложения нагрузок Р.
|
13.5.3.Задание нагрузки в выделенных узлах
|
п.1.115
|
В диалоговом окне «Задание нагрузок» активизируйте закладку «Нагрузки в узлах». Затем радио-кнопками укажите систему координат «Глобальная», направление – вдоль оси «Z». Щелчком по кнопке сосредоточенной силы вызовите диалоговое окно «Параметры нагрузки». В этом окне введите значение P = 1 тс и подтвердите ввод. После этого в диалоговом окне «Задание нагрузок» щелкните по кнопке Применить.
|
|
13.5.4.
|
|
Выделите узлы № 79 и 91.
|
Узлы приложения нагрузок Р1.
|
13.5.5.Задание нагрузки в выделенных узлах
|
|
В диалоговом окне «Задание нагрузок» щелчком по кнопке сосредоточенной силы вызовите диалоговое окно «Параметры нагрузки». В этом окне введите значение P = 0.5 тс.
|
|
13.6.
|
|
Запустите задачу на расчет и перейдите в режим визуализации результатов расчета.
|
|
13.7.Вычисление главных и эквивалентных напряжений
|
п.1.190
|
В диалоговом окне «Вычисление главных и эквивалентных напряжений» включите опции «Вычисление главных напряжений по усилиям» и «Вычисление эквивалентных напряжений по усилиям».
|
|
13.7.1.Выбор теории прочности
|
|
В диалоговом окне «Теории прочности» активизируйте строку «Теория наибольших нормальных напряжений».
|
|
13.8.Просмотр таблицы главных и эквивалентных напряжений
|
п.1.207
|
В диалоговом окне «Стандартные таблицы» активизируйте строку «Главные и эквивалентные напряжения по усилиям» и щелкните по кнопке Создать. В новом окне «Выбор загружений» щелкните по кнопке Подтвердить.
|
|
13.9.Выбор на экран изополей главных напряжений N1
|
п.1.182,
1.182.1
|
|
|
13.10.Выбор на экран изополей эквивалентных напряжений NS
|
п.1.182.5
|
|
|
Расчетная схема поперечника здания
Этапы и операции
|
Команда и ее инстру-мент
|
Ваши действия
|
Рекомендации и комментарии
|
Формирование суперэлемента 1 в отдельном файле
|
15.1.Создание новой задачи
|
п.1.1
(1.18)
|
В диалоговом окне «Признак схемы» задайте имя задачи: «sup1» и признак схемы: «2».
|
|
15.2.Создание геометрической схемы
|
15.2.1.Генерация балки-стенки
|
п.1.70
|
В диалоговом окне «Создание плоских фрагментов и сетей» активизируйте закладку «Генерация балки-стенки», затем задайте шаг КЭ вдоль первой и второй осей.
Шаг вдоль первой оси:
L(м) – 0.5
N – 6.
Шаг вдоль второй оси:
L(м) – 0.5
N – 7.
|
|
15.2.2.
|
|
Выведите на экран номера узлов.
|
|
15.2.3.
|
|
Выделите узлы № 24, 31 – 33.
|
|
15.2.4.
|
п.1.77
|
Удалите выделенные узлы.
|
|
15.2.5.Упаковка схемы
|
п.1.78
|
В диалоговом окне «Упаковка схемы» щелкните по кнопке Упаковать.
|
|
15.3.Задание жесткостей
|
15.3.1.
|
п.1.107
|
Выберите тип сечения «Пластины».
|
|
15.3.1.1.Задание параметров сечения «Пластины»
|
|
В диалоговом окне «Задание жесткости для пластин» задайте параметры сечения:
Е = 3е6 т/м2; V = 0.2; Н = 20 см;
Ro = 2.75 тс/м3.
|
|
15.3.2.
|
|
Назначение жесткостей произведите аналогично предыдущим примерам.
|
|
15.4.Задание нагрузок
|
15.4.1.Назначение нагрузки от собственного веса
|
п.1.113
|
Выполните команды Нагрузки ? Добавить собственный вес.
|
|
15.4.2.Смена номера текущего загружения
|
п.1.111
|
В диалоговом окне «Активное загружение» задайте номер загружения 2.
|
|
15.4.3.
|
|
Выделите узлы № 13, 20, 26, 30, 37, 44.
|
|
15.4.4.Задание нагрузки в выделенных узлах
|
п.1.115
|
В диалоговом окне «Задание нагрузок» активизируйте закладку «Нагрузки в узлах». Затем радио-кнопками укажите систему координат «Глобальная», направление – вдоль оси «Z». Щелчком по кнопке сосредоточенной силы вызовите диалоговое окно «Параметры нагрузки». В этом окне введите значение P = 1 тс.
|
|
15.5.Назначение суперузлов
|
15.5.1.
|
|
Выделите узлы № 1, 7, 46, 52.
|
|
15.5.2.Присвоение выделенным узлам статуса суперузлов
|
п.1.106,
1.106.1
|
Выполните команды Схема ?
Суперузлы и в диалоговом окне «Суперузлы» при активной закладке «Назначить суперузлы» щелкните по кнопке Применить.
|
Узлы окрашиваются в оливковый цвет.
|
15.5.3.Назначение базисных суперузлов
|
п.1.106.3
|
В диалоговом окне «Суперузлы» активизируйте закладку «Назначить базисные с/у» и укажите на узлы №1, 7, и 46.
|
Это узлы, которые определяют ориентацию суперэлемента в основной схеме. Они окрашиваются в малиновый, желтый и голубой цвета.
|
Формирование суперэлемента 2 в отдельном файле
|
15.6.Создание новой задачи
|
|
Имя задачи: «sup2», признак схемы: «2».
|
|
15.7.Создание геометрической схемы
|
15.7.1.
|
|
Сгенерируйте балку-стенку аналогично п.15.2.1. и выведите на экран номера узлов.
|
|
15.7.2.
|
|
Выделите узлы № 31 – 33.
|
|
15.7.3.
|
|
Удалите выделенные узлы и выполните упаковку схемы (см. п. 15.2.4. и 15.2.5.).
|
|
15.8.
|
|
Задайте жесткости элементам аналогично суперэлементу 1.
|
|
15.9.Задание нагрузок
|
15.9.1.Назначение нагрузки от собственного веса
|
п.1.113
|
Выполните команды Нагрузки ? Добавить собственный вес.
|
|
15.9.2.Смена номера текущего загружения
|
п.1.111
|
В диалоговом окне «Активное загружение» задайте номер загружения 2.
|
|
15.9.3.
|
|
Выделите узлы № 13, 20, 27, 31, 38, 45.
|
|
15.9.4.Задание нагрузки в выделенных узлах
|
п.1.115
|
В диалоговом окне «Задание нагрузок» активизируйте закладку «Нагрузки в узлах». Затем радио-кнопками укажите систему координат «Глобальная», направление – вдоль оси «Z». Щелчком по кнопке сосредоточенной силы вызовите диалоговое окно «Параметры нагрузки». В этом окне введите значение P = 1 тс.
|
|
15.10.Назначение суперузлов
|
15.10.1.
|
|
Выделите узлы № 1, 7, 47, 53.
|
|
15.10.2.Присвоение выделенным узлам статуса суперузлов
|
п.1.106,
1.106.1
|
Выполните команды Схема ?
Суперузлы и в диалоговом окне «Суперузлы» при активной закладке «Назначить суперузлы» щелкните по кнопке Применить.
|
|
15.10.3.Назначение базисных суперузлов
|
п.1.106.3
|
В диалоговом окне «Суперузлы» активизируйте закладку «Назначить базисные с/у» и укажите на узлы №1, 7, и 47.
|
|
Формирование основной схемы
|
15.11.Создание новой задачи
|
|
Имя задачи: «пример15», признак схемы: «2».
|
|
15.12.Создание геометрической схемы
|
15.12.1.Генерация рамы
|
п.1.70
|
В диалоговом окне «Создание плоских фрагментов и сетей» активизируйте закладку «Генерация рамы», затем задайте шаг конечных элементов вдоль горизонтальной оси и количество шагов, а также шаг КЭ вдоль вертикальной оси и количество шагов.
Шаг вдоль первой оси:
L(м) – 3.00 4.00
N – 2 1.
Шаг вдоль второй оси:
L(м) – 3.5
N – 3.
|
|
15.12.2.
|
|
Выведите на экран номера элементов.
|
|
15.12.3.
|
|
Выделите элементы № 1 – 9, 13, 14, 16, 17, 19, 20.
|
|
15.12.4.Удаление выделенных элементов
|
п.1.77
|
|
|
15.12.5.Упаковка схемы
|
п.1.78
|
В диалоговом окне «Упаковка схемы» щелкните по кнопке Упаковать.
|
|
15.13.Задание граничных условий
|
15.13.1.
|
|
Выделите узлы на нижней части схемы.
|
|
15.13.2.Назначение граничных условий в выделенных узлах
|
п.1.102
|
В диалоговом окне «Связи в узлах» отметьте направления, по которым запрещены перемещения узлов (X, Z и UY).
|
|
15.14.Задание жесткостей
|
15.14.1.
|
п.1.107
|
Выберите стандартный тип сечения «Брус».
|
|
15.14.2.Задание параметров сечения «Брус»
|
|
В диалоговом окне «Задание стандартного сечения» введите параметры сечения:
Е = 3е6 т/м2; В = 40 см; Н = 40 см;
Ro = 2.75 тс/м3.
|
|
15.14.3.
|
|
Выберите стандартный тип сечения «Тавр_L».
|
|
15.14.4.Задание параметров сечения «Тавр_L»
|
|
В диалоговом окне «Задание стандартного сечения» введите параметры сечения:
Е = 3е6 т/м2; В = 20 см; Н = 50 см;
В1 = 50 см; Н1 = 25 см; Ro = 2.75 тс/м3.
|
|
15.14.5.
|
|
Назначьте вертикальным элементам жесткость «1.Брус 40 x 40»,
а горизонтальным – «2.Тавр_L 20 x 50».
|
|
15.15.Установка суперэлементов в основную схему
|
15.15.1.Выбор текущего типа суперэлемента 2
|
п.1.87
|
В диалоговом окне «Добавить суперэлемент» щелкните по кнопке Выбрать. В новом окне «Выбор текущего типа суперэлемента» откройте файл «sup2».
|
|
15.15.2.Установка суперэлемента 2 в основную схему
|
|
Укажите последовательно на узлы стыковки суперэлемента 2 с основной схемой (тройки узлов 1,2,5; 5,6,9; 9,10,13).
|
После указания каждой тройки узлов стыковки, необходимо подтверждать назначение, щелкая по кнопке Применить диалогового окна «Добавить суперэлемент».
|
15.15.3.Выбор текущего типа суперэлемента 1
|
|
В диалоговом окне «Добавить суперэлемент» щелкните по кнопке Выбрать. В новом окне «Выбор текущего типа суперэлемента» откройте файл «sup1».
|
|
15.15.4.Установка суперэлемента 1 в основную схему
|
|
Укажите последовательно на узлы стыковки суперэлемента 1 с основной схемой (тройки узлов 2,3,6; 6,7,10; 10,11,14).
|
После указания каждой тройки узлов стыковки, необходимо подтверждать назначение, щелкая по кнопке Применить диалогового окна «Добавить суперэлемент».
|
|
Этапы и операции
|
Команда и ее инстру-мент
|
Ваши действия
|
Рекомендации и комментарии
|
|
15.16.Задание нагрузок
|
|
15.16.1.
|
п.1.113
|
Задайте элементам основной схемы нагрузку от собственного веса.
|
|
|
15.16.2.Назначение супернагрузки на суперэлементы в первом загружении
|
|
15.16.2.1.
|
|
Отметьте суперэлементы на основной схеме.
|
Если суперэлементы изображены в развернутом виде, то выбор осуществляется путем указания на один из узлов, принадлежащих суперэлементу.
|
|
15.16.2.2.Назначе-ние нагрузки на суперэлементы
|
п.1.115
|
В диалоговом окне «Задание нагрузок» активизируйте закладку «Супернагрузка». Щелчком по кнопке нагрузки на суперэлемент вызовите диалоговое окно «Супернагрузка». В этом окне введите:
-Номер загружения суперэлемента – 1;
-Коэффициент – 1.
|
Укажите номер заданного для суперэлемента загружения, соответствующего супернагрузке, и коэффициент, с которым на суперэлемент в основной схеме будет приложена супернагрузка.
|
|
15.16.3.
|
|
Смените номер текущего загружения на 2.
|
|
|
15.16.4.
|
|
Выделите элемент № 4.
|
|
|
15.16.5.Назначение нагрузки на выделенный элемент
|
|
В диалоговом окне «Задание нагрузок» активизируйте закладку «Нагрузки на стержни». Щелчком по кнопке сосредоточенной нагрузки вызовите диалоговое окно «Параметры местной нагрузки». В этом окне введите параметры:
P = 5 тс; A = 2 м.
|
|
|
15.16.6.
|
|
Выделите элементы № 5 и 6.
|
|
|
15.16.7.Назначение нагрузки на выделенные элементы
|
|
В диалоговом окне «Задание нагрузок» щелчком по кнопке трапециевидной нагрузки вызовите диалоговое окно «Параметры местной нагрузки». В этом окне введите параметры:
P1 = 1 тс; A1 = 1 м; P2 = 1 тс; A2 = 3 м.
|
|
|
15.16.8.Назначение супернагрузки на суперэлементы во втором загружении
|
|
15.16.8.1.
|
|
Отметьте суперэлементы на основной схеме.
|
|
|
15.16.8.2.Назначе-ние нагрузки на суперэлементы
|
|
В диалоговом окне «Задание нагрузок» активизируйте закладку «Супернагрузка». Щелчком по кнопке нагрузки на суперэлемент вызовите диалоговое окно «Супернагрузка». В этом окне введите:
-Номер загружения суперэлемента – 2;
-Коэффициент – 1.
|
|
|
15.17.
|
|
Запустите задачу на расчет и перейдите в режим визуализации результатов расчета.
|
|
|
15.18.Вывод на экран эпюры MY в стержневых элементах
|
п.1.178,
1.178.4
|
|
Суперэлементы на основной схеме изображены в свернутом виде (трехлучевая звезда зеленого цвета с центром в геометрическом центре суперэлемента и лучами, расходящимися к его базисным узлам).
|
|
15.19.Вывод на экран изополей Nz в пластинчатых элементах суперэлементов в первом загружении деформированной схемы
|
|
15.19.1.
|
|
Выделите суперэлементы на основной схеме.
|
|
|
15.19.2.Отображе-ние отмеченных суперэлементов в развернутом виде
|
п.1.45
|
Выполните команды Вид ? Показать отм. суперэлементы в развернутом виде.
|
|
|
15.19.3.Скрытие отображения на схеме приложенных нагрузок
|
п.1.137,
1.137.3,
1.137.3.1
|
В диалоговом окне «Показать» активизируйте закладку «Общие». После этого выберите команду Нагрузки и щелкните по кнопке Применить.
|
|
|
15.19.4.Вывод изображения деформированной схемы
|
п.1.168
|
|
|
|
15.19.5.Вывод изополей Nz
|
п.1.180,
1.180.3
|
|
|
|
Для второго загружения просмотр эпюр усилий и изополей произведите аналогично первому загружению.
|
Расчетные сочетания нагрузок
Система РСН предназначена для вычисления перемещений в узлах и усилий (напряжений) в элементах от стандартных и произвольных линейных комбинаций загружений. Под стандартными линейными комбинациями подразумеваются комбинации (сочетания), которые установлены нормативными документами.
В процессоре РСН реализованы следующие нормативы: СНиП 2.01.07-85 (Россия, СНГ), ЕвроКод, ACI 318-95, IBC-2000 (США), BAEL-91 (Франция).
При задании произвольных линейных комбинаций величины и знаки коэффициентов не ограничиваются.
При наличии динамического воздействия должны быть заданы коэффициенты как для воздействия в целом, так и для его составляющих (форм).
Результаты расчета РСН могут быть использованы при конструировании элементов, вычислении нагрузок на фрагмент и проверке прочности.
Расчетные сочетания усилий
В программном комплексе предусмотрено автоматизированное формирование расчетных сочетаний усилий (РСУ), соответствующее нормативным документам, действующим в проектировании объектов строительства.
Выбор РСУ в проектировании всегда был кропотливой трудоемкой задачей. Проблема состояла в том, что требовалось не только вычислить большое количество сочетаний и проанализировать результаты, но при этом не было гарантий оптимума полученных значений.
Разработчики применили для вычисления РСУ новый, оригинальный подход, заключающийся в следующем.
В общем случае напряженно-деформированного состояния критерием определения опасного РСУ служат экстремумы упругого потенциала в какой-либо точке тела при действии на него усилий от многих загружений. В такой постановке легко учитываются особенности напряженного состояния конечных элементов различного типа. Это позволяет значительно сократить количество рассматриваемых РСУ, не утратив наиболее опасных из них.
Так, например, для стержневых элементов задача выбора РСУ сводится к нахождению экстремальных значений нормальных и касательных напряжений, вычисленных в характерных точках сечения. Поэтому и критериями здесь являются экстремальные напряжения в этих точках сечения.
В элементах плоского напряженного состояния, плитах и оболочках задача выбора РСУ сводится к рассмотрению огибающих кривых напряжений в зависимости от угла наклона главных площадок. Подробнее о критериях РСУ – в документации к программному комплексу.
Чтобы осознанно воспользоваться автоматизацией РСУ, пользователь должен познакомиться с общими правилами формирования РСУ в ПК ЛИРА. Сформулируем эти правила так:
параметры расчетных сочетаний задаются для каждого из загружений задачи;
каждое РСУ относится к одному из предусмотренных нормативными документами видов сочетаний;
в программном комплексе реализовано 8 видов загружений, с помощью которых программно обеспечивается их корректная логическая взаимосвязь.
При этом существует возможность учета знакопеременности, взаимоисключения и сопутствия загружений. Каждому из видов загружений присвоен номер:
(0) – постоянное;
(1) – временное длительное;
(2) – кратковременное;
(3) – крановое;
(4) – тормозное;
(5) – сейсмическое;
(6) – особое (кроме сейсмического);
(7) – мгновенное;
(9) – ветровое статическое при учете пульсации ветра.
Как видим, классификация здесь несколько отличается от нормативной. Так, например, снеговое загружение или гололед не выделены в отдельную группу. Но пользователь может по своему усмотрению назначить им вид загружения – либо длительное, либо кратковременное, что и оговорено в нормах.
Программным комплексом автоматически (по умолчанию) генерируются параметры, соответствующие текущему виду загружения. Однако, пользователь может по своему усмотрению изменить любой из параметров;
все операции по формированию РСУ выполняются с помощью диалогового окна «Расчетные сочетания усилий» (рис.1.6);
данные для формирования РСУ могут быть введены до расчета, в режиме «Расчетная схема», или после расчета, в режиме «Результаты расчета».
U
|
Внимание. В программном комплексе термин «загружение» используется в следующих случаях:
Номер загружения – уникальный номер, заданный пользователем для определенной группы нагрузок, действующих на схему одновременно;
Вид загружения – наименование вида загружения, установленное в ПК ЛИРА.
Обычно нескольким номерам
загружений соответствует один вид
загружения. Например, на рис.1.6. показаны РСУ расчета рамы промышленного здания. В сводной таблице вычисления РСУ вы видите, что загружение № 2 – длительное (1), а загружения №№ 3 и 4 – кратковременные (2).
|
<
Рис.1.6. Диалоговое окно «Расчетные сочетания усилий»
Параметры РСУ
Сейчас будут определены параметры, которые генерируются программой или задаются пользователем в диалоговом окне «Расчетные сочетания усилий». Параллельно приведем характеристику самого диалогового окна (рис.1.6).
Расчетные сочетания должны быть составлены для всех загружений, принятых в задаче. Поэтому первым параметром РСУ в верхней части окна помещен счетчик. Порядок следования номеров загружений может быть произвольным, но логичнее задавать РСУ в порядке возрастания номеров загружений (как это сделано в окне примера на рис.1.6).
Каждое загружение может иметь название.
Номер загружения устанавливается программой в первый столбец заполняемой таблицы. Полностью вы ее видите в нижней части диалогового окна, а частично – в списке поля «Коэффициенты для РСУ». Список можно прокручивать по строкам и по столбцам.
Все параметры, определяющие РСУ в терминологии программного комплекса, разделены на две группы: собственно «Параметры РСУ» и «Коэффициенты РСУ».
Параметры РСУ включают:
Коэффициенты надежности по нагрузке gf. Коэффициенты, формируемые по умолчанию, имеют такие значения:
постоянные загружения gf = 1.1;
временные длительные gf = 1.2;
кратковременные gf = 1.2;
мгновенные gf = 1.4;
особые gf = 1.0.
Доля длительности yg.
Коэффициент, показывающий, какая часть нагрузки в рассматриваемом загружении принимается как длительно действующая. По умолчанию генерируются такие значения:
постоянное и длительно действующие загружения yg = 1.0;
кратковременные yg = 0.35;
крановые загружения yg = 0.6;
прочие загружения yg = 0.0;
Сопутствующие загружения. Имеются в виду нагрузки (не более двух), которые могут рассматриваться совместно с основным для данного вида загружением. Например, если основным являются вертикальные крановые нагрузки, то сопутствующим есть загружение горизонтальным тормозным воздействием.
Этот параметр РСУ, равно как и последующие три, введены для учета логических связей между загружениями. Они призваны учесть физический смысл нагрузок и требований, установленных нормами.
№ группы взаимоисключающих загружений. Этим параметром вводятся ограничения на те загружения (параметром есть № загружения), которые в одно сочетание не могут входить одновременно. Таковыми, например, есть загружения «Ветер справа» и «Ветер слева»;
Учитывать закономерность. Это скорее команда, чем параметр. Отметка в окошке здесь означает, что в РСУ следует учесть вероятность изменения знака основного усилия сочетания. К таким усилиям относятся, например, сейсмические.
На логические связи между загружениями все же налагаются некоторые ограничения:
а) загружения видов 0
и 3 не могут быть знакопеременными;
б) объединение загружений допускается для видов 1, 2, 7;
в) загружение вида 4 (тормозное) может сопутствовать только загружению вида 3 (крановое);
г) загружения видов 1, 2, 5, 6, 7 могут быть объявлены сопутствующими для загружений 1, 2, 5, 6, 7 в любой комбинации;
д) двойное сопутствие (сопутствие одного и того же загружения двум другим и более) не допускается;
е) никакое сопутствующее загружение не может быть включено в группы объединения и взаимоисключения;
ж) допускается вводить до 9 групп объединения или взаимоисключения;
з) динамическое загружение не может быть сопутствующим.
Коэффициенты РСУ
Для каждого РСУ программой рассматривается три сочетания: два основных и одно особое (см. рис.1.6). В каждой строке, т.е. соответственно рассматриваемому РСУ, здесь заносятся коэффициенты усилий в сочетаниях yi, i = 1,2,3.
В зависимости от вида загружения значения коэффициентов генерируются по умолчанию (см. табл.1.1).
Таблица 1.1. Значения коэффициентов РСУ, принимаемых по умолчанию
Вид загружения
|
Основные сочетания
|
Особое сочетание
|
|
1-е
|
2-е
|
|
Постоянное
|
1.0
|
1.0
|
0.9
|
|
Длительно действующее
|
1.0
|
0.95
|
0.8
|
|
Кратковременное
|
1.0
|
0.90
|
0.5
|
|
Крановое
|
1.0
|
0.90
|
0.0
|
|
Тормозное
|
1.0
|
0.90
|
0.0
|
|
Сейсмическое
|
0
|
0
|
1.0
|
|
Особое (кроме сейсмического)
|
0
|
0
|
1.0
|
|
Мгновенное
|
1.0
|
0.95
|
0.9
|
|
Ветровое статическое
|
0
|
0
|
0
|
<
« Сводная таблица для вычисления РСУ» приведена в нижней части диалогового окна.
Обратите внимание на то, что для ветрового статического загружения все коэффициенты по умолчанию равны нулю. Это связано со спецификой формирования загружения ветровой нагрузкой с учетом пульсации.
Сводная таблица заполняется автоматически, по мере заполнения текстовых полей и окошек в основной части окна. В таблице 12 столбцов. На рис.1.7 приведены наименования каждого из столбцов и, в качестве примера, строка №1 из сводной таблицы.
|
№ и название загруже-ния
|
Параметры РСУ
|
Коэффициенты РСУ
|
|
|
Вид загружения
|
№ группы объединяемых временных загружений
|
Знакопеременные
|
№ группы взаимоисключающих загружений
|
|
№ сопутствующих загружений
|
№ сопутствующих загружений
|
Коэффициент надежности
|
Доля длительности
|
1-е основное
|
2-е основное
|
Особое
|
|
1
|
<0
|
0
|
0
|
0
|
0
|
0
|
0
|
1.10
|
1.00>
|
<1.00>
|
<1.00>
|
<0.90>
|
Рис.1.7. Столбцы сводной таблицы для вычисления РСУ
Сводная таблица доступна для редактирования. Любой из ее параметров можно корректировать, установив курсор на текстовое поле параметра.
Пример задания параметров РСУ
Покажем процедуру задания параметров РСУ. Вызовем диалоговое окно «Расчетные сочетания усилий». Заполним в окне следующие текстовые поля:
Ê «Номер загружения» – устанавливается по умолчанию №1;
Ê «Вид загружения» – выберите из списка «Постоянное (0)»;
Ê в поле «№№ сопутствующих загружений» поставьте номера 2 и 3;
Ê в поле «Коэффициент надежности» установите 1.1;
Ê «Доля длительности» – остается по умолчанию равной 1.0;
Ê далее задайте «Коэффициенты для РСУ». В столбцах №№ 1, 2, 3 (рис. 1.6) оставьте значения, предлагаемые по умолчанию, т.е. 1.0; 1.0; 0.9;
Ê щелкните по кнопке Подтвердить.
Заполненная строка первого загружения РСУ появляется в сводной таблице для вычисления РСУ.
Далее требуется заполнить таблицу, внеся остальные загружения.
Заполненная таблица РСУ показана на рис.1.6. На рис.1.7 показана схема содержимого сводной таблицы для вычисления РСУ.
РЕШЕНИЕ СИСТЕМЫ КАНОНИЧЕСКИХ УРАВНЕНИЙ
После того, как заданная конструкция представлена в виде конечно-элементной схемы, задача об определении перемещений узлов сводится к решению системы линейных алгебраических уравнений вида
АХ=В (2.1)
где: А - симметричная положительно определенная матрица размером N * N ;
В - матрица правых частей (загружений) размером N * k (k= количество загружений);
Х — искомая матрица перемещений размером k * N.
Поскольку в большинстве случаев матрица А является разреженной, то для уменьшения требуемой оперативной памяти, внешней памяти и времени счета предварительно производится упорядочение неизвестных системы (2.1) с целью минимизации профиля матрицы. Реализовано несколько методов упорядочения, а именно, обратный алгоритм Катхилла-Макки, алгоритм «фактор деревьев», метод вложенных сечений и алгоритм параллельных сечений. Пользователю предоставлена возможность выбора метода упорядочения. По умолчанию используется обратный алгоритм Катхилла-Макки, так как у этого метода минимальные запросы к оперативной памяти. Конкретные рекомендации для выбора метода упорядочения не могут быть даны, так как эффективность того или иного алгоритма существенно зависит от структуры конкретной матрицы А.
Для решения системы (2.1) предварительно производится треугольное разложение матрицы А.
Если в процессе треугольного разложения матрицы А выясняется, что А вырождена, то производится автоматическое наложение связей, которые обеспечивают геометрическую неизменяемость. При этом пользователю предоставляется информация о номерах узлов и номерах степеней свободы, по которым произведено наложение связей. В этом случае рекомендуется внимательно проанализировать расчетную схему и выяснить происхождение геометрической изменяемости конструкции.
Дополнительным сервисным средством является контроль решения системы (2.1). При появлении сообщения о большой величине ошибки решения, которое ,как правило, является следствием плохой обусловленности матрицы А, следует внимательно проанализировать величины перемещений узлов и убедиться в том, что полученное решение является приемлемым с инженерной точки зрения.
Результаты расчета на динамические воздействия
При расчете на сейсмические, ветровые с учетом пульсации, ударные и импульсивные воздействия определяются собственные частоты wi(i), где KF - количество форм, заданное пользователем. Вычисляются также периоды собственных колебаний Ti , формы колебаний, инерционные силы и соответствующие им перемещения и усилия. При этом каждая форма порождает единственную составляющую инерционных сил.
При расчете на гармонические колебания каждая i-тая форма колебаний порождает пару инерционных сил - вещественную составляющую
и мнимую составляющую. Эта пара составляющих и называется i-тым вариантом. Составляющие инерционных сил варианта не имеют физического толкования, но их использование в качестве статических загружений позволяет определить амплитудные значения перемещений, усилий и напряжений для этого варианта.
Количество вычисляемых вариантов и количество учитываемых форм - это не одно и то же. 1-ая форма колебаний порождает 1-ю и 2-ю составляющие, которые образуют 1-й вариант. 2-ая форма колебаний порождает 3-ю и 4-ю составляющие, которые образуют 2-ой вариант, и т.д.
При расчете на гармонические колебания без учета частотных зон (модуль 24) по умолчанию производится учет резонансных состояний для частот wi, предшествующих заданной вынужденной частоте q. Пусть К количество форм собственных колебаний, для которых частоты wiгде q -заданная частота вынужденных колебаний. Если К где e – целая часть, kf – заданное количество форм колебаний), то К=e(kf/2), и тогда рассматривается всего К вариантов данного загружения. Из них (К-1) вариант соответствует вынужденным частотам qi=wi (i<К), а К-тый вариант соответствует заданной вынужденной частоте q.
В противном случае рассматривается (К+1) вариантов. Из них К вариантов соответствует вынужденным частотам qi=wi (i£К), а (К+1)-ый вариант соответствует заданной вынужденной частоте q.
От учета предшествующих частот при задании исходных данных можно отказаться.
При расчете на гармонические колебания с учетом частотных зон (модуль 28) принимаются во внимание как возможная погрешность в определении собственных частот, так и возможное изменение собственных частот конструкций в процессе их эксплуатации.
При введении так называемых частотных зон предполагается, что внутри них должно находиться расчетное значение собственной частоты. Границы частотных зон определяются по формулам:
; ; (10.1)
где , -левая и правая границы частотной зоны;
- погрешность в определения частоты, заданная в зависимости от типа конструкций и расчетной схемы;
- 1-я частота собственных колебаний, определенная в результате расчета.
При расчете на гармонические колебания с помощью модуля 28
предполагается, что частоты собственных колебаний конструкции могут иметь любое значение в пределах расширенных частотных зон, полученных с учетом возможной погрешности в определении частот. Поэтому при гармонической нагрузке частоты собственных колебаний определяются следующим образом:
если вынужденная частота попадает в К-ю частотную зону (рис. 10.1.а) то
при , при , то есть собственная
частота К-й частотной зоны принимается равной вынужденной частоте, а остальные частоты принимаются пропорционально. Если вынужденная частота q попадает в межчастотную зону (рис. 10.1.б), то собственные частоты принимаются равными сначала левым границам частотных зон, а затем - правым.
а)
б)
Рис. 10.1 Определение частот собственных колебаний.
а) - при попадании вынужденной частоты в частотную зону,
б) - при попадании вынужденной частоты в межчастотную зону.
При разложении гармонической нагрузки по формам собственных колебаний учитывается следующее количество частот: три первых частоты, а затем четыре, которые лежат в области возмущающей нагрузки - по две частоты, находящиеся справа и слева.
Если величина вынужденной частоты меньше основной или больше самой высокой частоты, то в расчете учитываются три первых или три первых и две последних частоты.
На основании введения частотных зон учитывается возможное количество вариантов инерционных сил при попадании частоты возмущающей силы в частотные и межчастотные зоны.
В первом случае количество вариантов инерционных сил соответствует количеству попаданий частоты возмущающей силы в частотные зоны, но не более пяти. Во втором случае количество вариантов инерционных сил зависит от соотношения величины частоты возмущающей силы и частот собственных колебаний.
Если частоты силы больше максимального или меньше минимального значений частоты собственных колебаний, то количество вариантов инерционных сил равно одному. Если же частота возмущающей силы попадает в межчастотную зону, то количество вариантов инерционных сил равно двум.
Амплитудные значения вещественной и мнимой составляющих инерционных сил при действии гармонической силы (Pcosqt) определяются согласно формулам:
, (10.2)
, (10.3)
Здесь
S¢k, S¢¢k – соответственно вещественная и мнимая составляющие инерционной силы по направлению k–той степени свободы;
Pj – амплитуда внешнего воздействия по j–той степени свободы;
mk, mj – массы, действующие по направлению k–той и j–той степеней свободы;
jij, jik – относительные ординаты i-той формы собственных колебаний по направлению j-той и k–той степеней свободы;
li =1-q2/wi2, где -q - частота вынужденных колебаний, wi – частота i-той формы собственных колебаний;
g - коэффициент неупругого сопротивления материала.
Результаты расчета
Результаты, оформленные таблично, маркируются следующим образом. В шапке указывается номер элемента. Для стержней указывается номер сечения и номер точки, в соответствии с таблицей 12.1. Для плит и оболочек указывается еще и тип поверхности по отношению к направлению оси Z1, для идентификации которого используются следующие обозначения:
E - нижняя поверхность;
I - верхняя поверхность;
M - срединная поверхность.
Строки 2,3 шапки содержат, соответственно, номер первого и второго узлов конечного элемента.
Для идентификации напряжений используются следующие обозначения:
N1, N2, N3 - главные напряжения.
TETA, PSI, FI - углы Эйлера.
MU - коэффициент Лоде - Надаи.
NExx - эквивалентное напряжение (приведенное к эквивалентному растяжению) по теории прочности с номером xx.
NSxx - эквивалентное напряжение (приведенное к эквивалентному сжатию) по теории прочности с номером xx.
Для плоскостных и объемных элементов в системе ЛИР-ВИЗОР отображаются мозаики и изополя главных и эквивалентных напряжений, а также направления главных площадок.
Сбор нагрузок на фундаменты
Эта процедура может быть выполнена автоматически при помощи системы ФРАГМЕНТ. Исходными данными служат номера узлов, в которых требуется вычислить нагрузки, номера элементов, входящих в эти узлы, а также угол поворота вокруг оси Z, если, например, оси инерции колонн не совпадают с осями фундаментов под них.
Система проектирования стальных конструкций ЛИР-СТК
Проектирующая система ЛИР-СТК предназначена для подбора и проверки сечений стержневых стальных элементов в соответствии с СНиП П.23-81 и СНиП 2.01.07-85. Расчет выполняется на одно или несколько расчетных сочетаний усилий (РСУ), нагрузок (РСН) или усилий, полученных из статического расчета конструкций. Выполняются также проверки элементов плоского напряженного состояния.
Производится подбор и проверка следующих типов сечений:
элементы ферм и связей, работающие на центральное сжатие и растяжение;
балки, подверженные поперечному изгибу;
колонны, подверженные сжатию с изгибом.
Подбор и проверка может производиться в двух режимах:
сквозной режим, в процессе которого производится расчет для всех указанных пользователем элементов в автоматическом режиме;
локальный режим, в процессе которого пользователь может производить многовариантное проектирование – изменять размеры сечения, менять марку стали, варьировать расстановку ребер жесткости и т.п.
Результатами расчета являются размеры сечений элементов и коэффициент использования несущей способности сечений элементов (в процентном выражении), проверяемых в соответствии с требованиями СНиП П.23-81.
Система ЛИР-СТК работает как самостоятельное приложение Windows. Обмен данными с пользовательской средой ЛИР-ВИЗОР происходит с помощью файлов данных формата #00.*,.hvm, *.stc.
Вызывается подсистема командами Windows: Пуск ? Программы ? Lira 9.0 ? ЛирСтк.
Рис.1.11. Рабочее окно системы проектирования стальных конструкций ЛИР-СТК
Подбор сечений
Подбор сечений прокатных элементов происходит простым перебором от наименьшего сечения в порядке возрастания площадей сечений. Таким образом, первое сечение, удовлетворяющее всем проверкам, будет наименьшим.
Подбор сечений сквозных колонн, составленных из разных прокатных сечений, происходит в два этапа. На первом этапе происходит подбор сечения каждой ветви и определяются такие высоты каждой ветви h1 и h2, при которых площади ветвей будут наименьшими.
На втором этапе происходит компоновка стержня колонны путем перебора всех возможных высот ветвей от h1
до h2 и установление такого сечения, у которого площадь будет наименьшей. Если шаг решетки сквозной колонны не задан в исходных данных, производится попытка отыскания оптимального шага решетки из условий равноустойчивости стержня колонны и его ветвей. Подбор сечений решетки колонн производится всегда.
Подбор сечений сплошных колонн составного сечения, как двутавр из 3-х листов, например, происходит в два этапа. На первом этапе производится вычисление соотношения площадей поясов сечения (если оно не задано в исходных данных) и подбор сечения по методике, изложенной в нормативном документе «Пособие по проектированию стальных конструкций к СНиП П.23-81.» Если эта методика дала удовлетворительные результаты, то подбор окончен. В противном случае выполняется второй этап подбора – варьирование возможных высот сечения, чтобы получить сечение с минимальной массой.
Подбор сечений составных балок выполняется при минимальной толщине стенки. В случае двутавровой сварной балки предполагается установка только поперечных ребер жесткости, и подбор начинается с назначения толщины, соответствующей гибкости стенки:
В случае двутавровой сварной балки без ребер жесткости, подбор начинается с толщины, соответствующей гибкости стенки:
что соответствует максимально допустимой гибкости стенки, не укрепленной поперечными ребрами жесткости, при отсутствии подвижных нагрузок.
В процессе подбора балок, если стенка не удовлетворяет условию местной устойчивости или другим условиям, происходит ее утолщение. Поэтому рекомендуется задавать реальный шаг поперечных ребер жесткости. В противном случае ребра жесткости будут расставлены с максимально допустимым по СНиП расстоянием.
Заканчивается расчет проверкой общей устойчивости. Если проверка по общей устойчивости не выполняется, производится варьирование возможных габаритов и толщины сечения с целью получить сечение минимального веса. Варьирование производится в окрестностях полученного на первом этапе сечения.При этом не происходит увеличение сечения, полученного из условий проверки по прогибу.
Расчет на местные нагрузки не производится.
Сквозной расчет
Этот режим позволяет получить:
таблицы результатов для произвольного фрагмента схемы;
наглядное представление о работе сечений расчетной схемы.
Локальный расчет
В режиме локального расчета можно проектировать сечения отдельных элементов расчетной схемы (в зависимости от вида элемента: конечный, конструктивный, унифицированный, унифицированный конструктивный). Полученные результаты сохраняются отдельным файлом.
Система проектирования железобетонных конструкций ЛИР-АРМ
Система ЛИР-АРМ предназначена для подбора арматуры и конструирования железобетонных стержневых и пластинчатых элементов. Проверка и конструирование сечений выполняется в соответствии с требованиями норм СНиП 2.03.01-84.
Система ЛИР-АРМ работает как самостоятельное приложение Windows. Исходными данными для работы системы есть файл, подготовленный в ЛИР-ВИЗОР, содержащий усилия в заданных сечениях и РСУ. Этот файл имеет формат *#00.*.
Данные, характеризующие применяемые материалы и условия работы проектируемого элемента, вводятся с помощью диалоговых окон системы ЛИР-АРМ.
Система имеет четыре модуля армирования, выполняющих проверки по первой и второй группам предельных состояний:
модуль «стержень»;
модуль «балка-стенка»;
модуль «плита»;
модуль «оболочка».
Диалоговое окно системы ЛИР-АРМ показано на рис.1.8.
Сквозной расчет
Сквозной расчет предназначен для быстрого подбора или проверки поперечных сечений элементов во всей конструкции или в ее произвольном фрагменте.
Этот расчет позволяет получить:
1.таблицы результатов для произвольного фрагмента схемы. Результаты создаются в текстовом, HTML-, Excel - формате. Для создания файла результатов используйте команду Стандартные таблицы;
2.наглядное представление о работе сечений расчетной схемы. Цвет элементов расчетной схемы отображает использование несущей способности сечений по проверкам [18], позволяя визуально определить перегруженные или недогруженные элементы. Эту операцию удобно применять для быстрого поиска опасных сечений. Для вывода цветового представления служит команда Цветовое представление меню Результаты.
Согласованная система координат для пластин
Согласованная система координат предназначена для единообразной ориентации местной системы координат для плоскостных конечных элементов, принадлежащих выделенному фрагменту расчетной схемы.
Особое значение согласование приобретает при создании схем с помощью автоматической триангуляции плоских фрагментов, когда оси треугольников получают произвольную ориентацию. Применение согласования позволяет в этом случае призвести ориентацию осей в нужном направлении. Процедура согласования выполняется в режиме создания расчетной схемы. Расчет производится с учетом согласования, а усилия и напряжения, полученные в результате расчета, ориентируются относительно согласованных местных осей.
При конструировании железобетонных конструкций учитывается согласованное направление местных осей.
СПЕЦИАЛИЗИРОВАННЫЙ ПРОЦЕССОР МОНТАЖ ДЛЯ РАСЧЕТА СООРУЖЕНИЙ В СТАДИИ ВОЗВЕДЕНИЯ
Процессор МОНТАЖ предназначен для прочностного расчета конструкций с учетом процесса возведения и предусматривает два вида операций – монтаж и демонтаж элементов. Изменение условий закрепления конструкции или сопряжения элементов между собой моделируется с помощью специальных конечных элементов, например, связи конечной жесткости, упругой связи между узлами, односторонней связи и т.п. На каждой стадии монтажа могут быть приложены или сняты (приложены с обратным знаком) любые статические и температурные нагрузки, а также заданные смещения. Приложение нагрузок на стадии демонтажа запрещено. Если же такая необходимость возникает, то после стадии демонтажа следует предусмотреть стадию монтажа с пустым списком монтируемых элементов.
Последней стадией возведения не может быть демонтаж. Элементы, которые были демонтированы, снова ввести в схему на последующих стадиях нельзя. Динамические воздействия не допускаются.
Расчетная схема создается для законченного сооружения и должна содержать все элементы – как монтируемые, так и демонтируемые. Так как процессор МОНТАЖ является нелинейным процессором, то схема должна содержать хотя бы один нелинейный конечный элемент.
При описании загружений необходимо придерживаться последовательности возведения (номер загружения и номер стадии совпадают).
Таблица моделирования нелинейных загружений должна содержать количество строк, равное количеству загружений.
Количество строк таблицы РСУ: КС=М+Д, где
КС=количеству загружений;
М – количество стадий возведения;
Д – количество загружений законченного сооружения.
Первые М загружений описываются в таблице РСУ как постоянные взаимоисключающие. Последующие Д строк соответствуют загружениям законченного сооружения и формируются по обычным правилам заполнения таблицы РСУ. Количество строк документа моделирования нелинейных нагружений равно КС.
После того, как схема со всеми ее атрибутами сформирована, необходимо создать монтажную таблицу. Монтажная таблица должна содержать М строк, в каждую из которых требуется внести список элементов, включаемых в работу (или исключаемых из работы) на данной стадии.
В результате работы процессора МОНТАЖ вычисляются усилия и напряжения в элементах, накапливаемые в процессе возведения, а также расчетные сочетания усилий (РСУ) в них.
По умолчанию перемещения узлов в процессе счета не накапливаются, а их значения выдаются независимо для каждой стадии. Если же перемещения необходимо в процессе расчета накопить, то в таблице моделирования нелинейных загружений вводится признак учета предыстории нагружения.
Результаты работы процессора МОНТАЖ могут быть импортированы в конструирующие системы ЛИР-АРМ и ЛИР-СТК.
Специальные конечные элементы односторонних связей
Моделирование конструктивной нелинейности обеспечивается специальными конечными элементами односторонних связей (табл.7.9), работающими только на сжатие (растяжение). Решение таких задач производится итерационными методами. Если на какой-либо из итераций усилие в связи стало больше (меньше) нуля, то связь на последующей итерации выключается из работы.
Таблица 7.9
№№ КЭ
|
Наименование КЭ
|
Приз-нак схем
|
Плоскость расположения
|
Степени свободы
|
Комментарий
|
1
|
2
|
3
|
4
|
5
|
6
|
261
|
Одноузловой элемент односторонней связи
|
1
2
3
4
5
|
произ-вольно
|
либо X,
либо Y,
либо Z,
|
Задаются:
жесткость связи, ориентация,
признак работы (растяжение или сжатие),
величина зазора между конструкцией и связью
|
1
|
2
|
3
|
4
|
5
|
6
|
262
|
Двухузловой элемент односторонней связи
|
1
2
3
4
5
|
произ-вольно
|
X, Y, Z
|
Задаются: жесткость связи,
признак работы (растяжение или сжатие),
величина зазора между конструкцией и связью
|
|
|
|
|
|
|
|
Специальные конечные элементы , ,,)
Предназначены для ограничения линейных и угловых перемещений по направлениям осей координат, для введения связей конечной жесткости по направлениям осей координат, а также для учета податливости материала между смежными узлами (например, податливость ростверка или металлических прокладок между элементами).
КЭ, моделирующий связи конечной жесткости (тип КЭ-51)
Данный КЭ применяется для введения связи конечной жесткости по направлению одной из осей глобальной или локальной системы координат узла. Так, например, для степени свободы Z конечный элемент позволяет смоделировать работу пружины или упругого основания.
Законтурный двухузловой КЭ упругого основания (тип КЭ-53)
Данный КЭ применяется для моделирования отпора полосы грунта за пределами плиты. Полоса грунта при этом располагается перпендикулярно к контуру плиты. Учет отпора за контуром происходит за счет работы грунта на сдвиг. В каждом из узлов имеется по одной степени свободы – перемещение вдоль глобальной оси Z.
Законтурный одноузловой КЭ упругого основания (тип КЭ-54)
Данный КЭ применяется для моделирования отпора угловой зоны грунта, примыкающего к углу плиты. Учет отпора в зоне, примыкающей к углу, происходит за счет работы грунта на сдвиг. В каждом из узлов имеется по одной степени свободы – перемещение вдоль глобальной оси Z.
КЭ, моделирующий упругую связь между узлами (тип КЭ-55)
Данный КЭ предназначен для учета податливости материала между смежными узлами. Элемент описывается двумя узлами, в каждом из которых имеется по шесть степеней свободы, определенных относительно осей глобальной системы координат. Таким образом, элемент позволяет смоделировать как линейную, так и угловую податливость связи относительно осей X, Y, Z общей системы координат. Узлы, между которыми моделируется податливость, могут иметь одинаковые координаты.
Конечный элемент приспосабливается к признаку схемы.
Статический расчет плоской рамы
Стержневые системы – наиболее распространенные в строительстве и машиностроении. Поэтому в качестве первого примера этой главы мы избрали плоскую раму.
Стержневые КЭ
Главные напряжения в сечениях стержней вычисляются по формуле:
 (12.17)
где sx , ty , tz нормальное и касательные напряжения в характерных точках сечения стержня.
 (12.18)
В табл. 12.1 приведены характерные точки для реализованных типов сечений стержней.
Для сечений, не указанных в табл. 12.1, а также для сечений, заданных при помощи численных жесткостей и из базы профилей стального проката, главные и эквивалентные напряжения могут быть вычислены с помощью системы ЛИР-КС.
Для нестандартных сечений главные и эквивалентные напряжения вычисляются только с помощью системы ЛИР-КС.
Таблица 12.1.
Тип сече-ния
|
Форма сечения
|
Примечание
|
1
|
2
|
3
|
S0
|
|
1. Всего 9 точек.
|
S1
|
|
1. Точки 5 и 6 всегда лежат на пересечении оси Y1 с контуром сечения.
2. Точки 10 и 11 принадлежат стенке тавра у стыка с полкой.
3. Точки 12 и 13 расположены посредине высоты полки.
4. Точки 14 и 15 расположены посредине высоты стенки.
5. Всего 15 точек.
|
1
|
2
|
3
|
S2
|
|
1. Точки 5 и 6 всегда лежат на пересечении оси Y1 с контуром сечения.
2. Точки 10 и 11 принадлежат стенке тавра у стыка с полкой.
3. Точки 12 и 13 расположены посредине высоты стенки.
4. Точки 14 и 15 расположены посредине высоты полки.
5. Всего 15 точек.
|
S3
|
|
1. Точки 5 и 6 всегда лежат на пересечении оси Y1 с контуром сечения.
2.Точки 10 и 11, 14 и 15 принадлежат стенке в месте стыка
с нижней и верхней полками.
3.Точки 12 и 13, 16 и 17
находятся на серединах высот нижней и верхней полок.
4. Точки 18 и 19 расположены посредине высоты стенки.
5. Всего 19 точек.
|
S4
|
|
1. Точки 5 и 6 всегда лежат на пересечении оси Y1 с контуром сечения.
2. Точки 7 и 8 всегда лежат на пересечении оси Z1 с контуром сечения.
3. Точки 10, 11, 12, 13 лежат на одной вертикали, проходящей через середину полок.
4. Точки 14 и 15 принадлежат стенке у стыков с полками.
5. Всего 15 точек.
|
S5
|
|
1. Всего 9 точек.
|
1
|
2
|
3
|
S6
|
|
1. Всего 9 точек.
2. При вычислении напряжений в точках 5-8 учитывается толщина кольца.
|
S7
|
|
1. Сечение приводится к кресту:
2. Центр тяжести вычисляется для реального сечения.
3. Точки 5 и 6 всегда лежат на пересечении оси Y1 с контуром крестового сечения.
4. Точки 10, 11, 14, 15 принадлежат стенке у стыка с поперечиной.
5. Точки 12, 13, 16 и 17 лежат на серединах высот H1 и H2.
6. Точки 18 и 19 расположены посредине высоты H3.
7. Всего 19 точек.
|
Стержневые конечные элементы
КЭ 210 – стержень с переменными координатными функциями.
Матрица жесткости элемента на каждом шаге строится на основании функций, удовлетворяющих однородным уравнениям равновесия при интегральных жесткостях предыдущего шага. При решении уравнений равновесия используется численное интегрирование по пятиточечной квадратурной схеме Гаусса.
КЭ 205 - Суперэлементный стержневой элемент. Элемент разбивается по длине (между жесткими вставками) на k
(3 £
k £ 21) равных подэлементов (по умолчанию k = 3). Матрица жесткости подэлемента строится по полученным на предыдущем шаге интегральным жесткостям и координатным функциям конечного элемента 10. Матрица жесткости элемента получена суперэлементным методом.
Интегральные жесткости определяются на каждом шаге для сечений, расположенных в точках интегрирования по длине стержня, по значениям модулей Юнга в дискретных точках поперечного сечения в соответствии с заданным пользователем дроблением.
В стержневых конечных элементах определяются следующие интегральные жесткости:
(7.1)
где - значение модуля Юнга в точке для основного материала сечения (бетона);
-
значение модуля Юнга в точке для армирующего материала.
Текущие значения модулей Юнга в точке определяются по выбранной зависимости напряжение - деформация из предлагаемого набора библиотеки законов деформирования. Обобщенная деформация в точке определяется из гипотезы плоских сечений:
(7.2)
Стержни
В качестве критерия определения РСУ здесь приняты экстремальные значения нормальных и касательных напряжений в контрольных точках сечения (рис. 5.1).
Для нормальных напряжений применяется следующая формула:
(5.1)
где: k - точка сечения стержня (k = 1 ¸
9).
Рис. 5.1
Эта формула преобразуется следующим образом при
(5.2)
где: Яyi и Яzi -
ядровые расстояния в сечении стержня (i=1,2).
Такой подход позволяет определить экстремальные нормальные напряжения в сечении любой формы, приведя ее к прямоугольной.
Для касательных напряжений используется приближенная формула:
(5.3)
Формулы вычисления экстремальных значений для каждой точки сечения приведены в табл.5.1, а нумерация «критериальных» значений и соответствующих им напряжений - в табл. 5.2. В таблице 5.1 используется принятое правило знаков для усилий.
Кроме экстремальных напряжений вычисляются также экстремальные значения продольной и перерезывающих сил.
Всего для сечения стержня отбирается 34 значений РСУ.
Таблица 5.1
№ точки сечения
|
Нормальные напряжения
|
Касательные напряжения сечения
|
1
|
2
|
3
|
1
|
sF = N + My /Яz2 + Мz /Яy1
|
—
|
2
|
sF = N + Му /Яz2 - Mz /Яy2
|
—
|
3
|
sF=N - My/Яz1 - Мz/Яу2
|
—
|
4
|
sР=Н - Му/Яz1 +Мz/Яу1
|
—
|
5
|
sF=N+Mz/Яy1
|
|
6
|
s=М - Мz/Яу2
|
|
7
|
sF=N+Мy/Яz2
|
|
8
|
s=N - Mу/Яzl
|
|
Таблица 5.2
Критерии и их значения.
|
№№ критериев
|
1
|
2
|
3
|
4
|
5
|
6
|
7
|
8
|
9
|
10
|
Значение
|
s1 +
|
s1 -
|
s2 +
|
s2 -
|
s3 +
|
s3 -
|
s4 +
|
s4 -
|
t7 +
|
t7 -
|
|
|
|
|
|
|
|
|
|
|
|
№№ критериев
|
11
|
12
|
13
|
14
|
15
|
16
|
17
|
18
|
19
|
20
|
Значение
|
t8 +
|
t8 -
|
t5 +
|
t5 -
|
t6 +
|
t6 -
|
N+
|
N -
|
s7 +
|
s7 -
|
|
|
|
|
|
|
|
|
|
|
|
№№ критериев
|
21
|
22
|
23
|
24
|
25
|
26
|
27
|
28
|
29
|
30
|
Значение
|
s8 +
|
s8 -
|
s5 +
|
s5 -
|
s6 +
|
s6 -
|
Qy+, N+
|
Qy-, N+
|
Qy+, N-
|
Qy-, N-
|
|
|
|
|
|
|
|
|
|
|
|
№№ критериев
|
31
|
32
|
33
|
34
|
|
|
|
|
|
|
Значение
|
Qz+, N+
|
Qz-, N+
|
Qz+, N-
|
Qz-, N-
|
|
|
|
|
|
|
Суммарные усилия от динамических воздействий
При наличии динамических воздействий вычисление РСУ и РСН производится ся с учетом суммарных усилий от динамических воздействий.
Суммарные усилия N
определяются по следующим формулам.
Для сейсмического и импульсивного воздействий (модули 20, 22, 27, 30, 35, 40, 41, 42):
где Ni - обобщенное усилие от i-той формы колебаний;
kf
- учитываемое количество форм колебаний.
Для сейсмического
воздействия (модуль 32):
где Ni - обобщенное усилие от i-той формы колебаний;
kf - учитываемое количество форм колебаний;
r - коэффициент, зависящий от отношения периодов собственных колебаний.
Для сейсмического
воздействия (модуль 33):
где Ni - обобщенное усилие от i-той формы колебаний;
kf - учитываемое количество форм колебаний;
r – коэффициент редукции.
Для ударного
воздействия (модуль 23):
где N kf + 1 - усилие от веса ударяющего тела;
Ni
- обобщенное усилие от i-той формы колебаний.
Для ветрового
воздействия (модуль 21):
где Nk
— обобщенное усилие от статической ветровой нагрузки;
Ni —то же от i - той формы колебаний;
k - номер статического ветрового загружения;
kf - учитываемое количество форм колебаний.
Для гармонических колебаний (модули 24, 28):
где Ni
— обобщенное усилие для i-того варианта
загружения ;
Nri и Nmi — то же от вещественной и мнимой частей гармонической нагрузки от i-той формы колебаний.
СУПЕРЭЛЕМЕНТНОЕ МОДЕЛИРОВАНИЕ
В ПК ЛИРА реализована возможность работы с суперэлементной расчетной моделью. На количество неизвестных не налагается никаких ограничений. Выбор разбивки схемы на суперэлементы или только на конечные элементы остается за пользователем.
Использование суперэлементов целесообразно в следующих основных случаях:
предполагаемая размерность задачи при конечно-элементной разбивке превосходит возможности компьютера (память, быстродействие, плохая обусловленность матрицы);
в задаче содержится большое количество идентичных конструктивных элементов (панели, объемные блоки и т.п.);
в задаче присутствуют типовые конструктивные элементы, которые уже были сформированы для ранее рассчитанных объектов;
в задаче имеет место локальное сосредоточение нелинейно деформируемых элементов.
Часто встречается ситуация, когда задача содержит несколько разнородных объектов, которые различаются по материалу, по набору конечных элементов, по геометрии и т.п. Это может, например, быть силосный комплекс, связанный галереями и опирающийся на плиту на упругом основании. Представление такого объекта в виде конечно-элементной схемы приводит к очень большой размерности задачи, а расчленение его на суперэлементы может существенно ее уменьшить. В этом случае расчетная модель может состоять из трех типов суперэлементов: первый - плита на упругом основании, второй - силосная башня и третий - конструкция галереи.
Еще пример. При расчете панельных домов мелкая разбивка каждой панели приводит к большой размерности задачи, а применение суперэлементов позволяет существенно снизить влияние размерности подобных задач на скорость их выполнения. При этом еще следует учесть, что количество типов суперэлементов в подобных задачах, как правило, невелико.
Существенного сокращения времени счета можно достичь при решении нелинейных задач, в которых присутствуют крупные линейно деформируемые включения.
Например, сложные здания ( панельные или каркасные дома, силосные башни, резервуары), опирающиеся на упругое основание. Для таких зданий учет нелинейной работы основания имеет существенное значение. В этом случае надземное строение необходимо объявить суперэлементом, матрица жесткости которого на каждом шаге нелинейного расчета остается неизменной.
Применение суперэлементов требует определенного навыка, поэтому рекомендуется осваивать работу с ними только после подробного ознакомления со всеми другими возможностями ПК ЛИРА.
При использовании суперэлементной модели конструкции, основная расчетная схема рачленяется на несколько расчетных схем, которые называются схемами суперэлементов. Узлы стыковки суперэлементов с основной схемой называются суперузлами (рис. 4.1).
Алгоритм решения задачи с применением метода суперэлементов (МСЭ) основывается на следующей идеологии: пусть исследуемый объект расчленен на S подсхем (суперэлементов), которые объединяются в общую основную схему при помощи N0 узлов (суперузлов).
Рис. 4.1
Если через N1 обозначить количество внутренних узлов первого суперэлемента, через N2 - узлов второго и т.д., а затем пронумеровать суперузлы, то система уравнений примет вид, показанный на рис. 4.2:
Рис.4.2
Решение задачи в такой постановке можно провести двумя способами: либо составить систему уравнений полностью и решить ее, либо составлять и решать ее по частям. Сначала составить уравнения для первого суперэлемента, т.е. А1, А10, Q1 и частично А0, Q0, затем сделать исключение N1 неизвестных. Далее проделать то же для остальных суперэлементов, сложить отдельные части А0, Q0, решить полученные уравнения, и определив перемещения суперузлов, сделать обратный ход для всей системы.
Если суперэлементы отличаются один от другого, то оба способа идентичны как в отношении количества вычислений, так и в отношении точности счета. Если же в схеме имеются одинаковые суперэлементы, то количество вычислений можно существенно сократить, если проделать все вычисления для одного из них и полученные результаты использовать для остальных суперэлементов этого же типа.
Такой подход справедлив и в том случае, когда суперэлементы одного типа различно ориентированы относительно глобальной системы координат основной схемы.
Теоретически суперэлементы в свою очередь можно расчленять на подсхемы (суперэлементы 2-го ранга), развивая этот процесс и организуя своеобразную многоранговую рекурсию. Расчленение на подсхемы обычно не вызывает особых затруднений. Как правило, оно органически связано с конструктивными особенностями объекта как, например, в зданиях из объемных блоков.
В ПК ЛИРА реализован только один ранг суперэлементов. Разработчики полагают, что в подавляющем большинстве случаев этого достаточно для описания расчетной схемы очень высокой размерности.
Рассматривая суперэлементы как конечные элементы, для которых матрица жесткости строится не аналитически, а при помощи численного расчета, можно предложить два алгоритма построения матрицы жесткости. Первый заключается в том, что на суперузлы рассматриваемого суперэлемента налагаются связи, а элементы матрицы жесткости определяются как реакции в этих связях от последовательных единичных смещений по направлению этих связей.
Другой алгоритм основывается на том, что в физическом смысле исключение j-того неизвестного по Гауссу соответствует освобождению от j-ой связи. Это приводит к следующей схеме построения матрицы жесткости: составляются канонические уравнения для всех узлов i-того суперэлемента; производится исключение N1
неизвестных, соответствующих внутренним узлам; оставшаяся часть N10 не исключенных уравнений, соответствующих суперузлам, и будет искомой матрицей жесткости
В ПК ЛИРА использован алгоритм второго типа. При этом суперузлы для суперэлемента должны нумероваться в последнюю очередь. Связанные с таким подходом затруднения в ПК ЛИРА преодолены следующим образом. Во-первых, нумерация степеней свободы для суперузлов (с учетом того, что они должны иметь последние номера) производится автоматически. Это позволяет не заботиться о порядке нумерации узлов суперэлемента. Во-вторых, в ПК ЛИРА реализован метод Гаусса, использующий существенную «разрыхленность» матрицы канонических уравнений, то есть некий симбиоз ленточного Гаусса, Гаусса с учетом «небоскребной структуры», фронтального метода, метода «спринт».
Тогда составление системы уравнений производится в компактной форме - составляется информация только о ненулевых элементах с учетом их расположения в системе уравнений, а разворачивание производится только в процессе исключения.
Информацией о наличии суперэлементов в схеме является их особая индексация в исходных данных. Каждый тип суперэлемента описывается и задается полным комплектом документов как для отдельной расчетной схемы, за исключением некоторых изменений.
После ввода исходных данных производится проверка на наличие в них суперэлементов.
При наличии суперэлементов организуется последовательный ввод исходных данных для каждого типа суперэлемента. Построение матрицы жесткости и определение супернагрузок (приведение нагрузки с области суперэлемента в суперузлы) реализованы как отдельный, специально построенный расчет.
Полученная система канонических уравнений обрабатывается неполным прямым ходом по Гауссу до неизвестных, относящихся к суперузлам. Необработанная часть системы канонических уравнений является искомой матрицей жесткости рассчитываемого суперэлемента и записывается в соответствующие наборы данных.
Аналогичным образом производится определение супернагрузок. Если нагрузка распределена по области суперэлемента, то выполняется построение столбцов правых частей канонической системы и их обработка неполным прямым ходом Гаусса. Необработанные элементы столбцов являются супернагрузками для рассматриваемого суперэлемента и записываются в соответствующие наборы данных.
После этого производится расчет основной схемы. В результате решения системы канонических уравнений основной схемы определяются перемещения суперузлов. Затем производится расчет каждого суперэлемента, который по сути является расчетом на заданные перемещения, а именно перемещения суперузлов, полученные из расчета основной схемы. Здесь используется уже имеющаяся система канонических уравнений суперэлемента, обработанная неполным прямым ходом по Гауссу. Для нее выполняются несколько (по количеству загружений) обратных ходов.И, наконец, вычисляются перемещения внутренних узлов суперэлемента и определяются остальные компоненты напряженно-деформированного состояния.
Типы арматурных включений
Типы арматурных включений для стержневых элементов приведены в табл. 7.4. Типы арматурных включений для плоскостных элементов приведены в табл. 7.5. Тип арматурного включения для объемных элементов приведен в таблице 7.6.
Таблица 7.4
Иденти-фикатор
|
Тип арматурных включений
|
Поле параметров
|
1
|
2
|
3
|
SA0
|
Процент армирования (% арматуры от площади сечения бетона)
|
N - процент армирования (на 100 см. длины). Пример: /0 SA0 12/
Алгоритм: применяется только в сжато-растянутом стержне.
|
SA1
|
Листовая горизонтальная арматура без защитного слоя
|
Fai - площадь листа арматуры,
dim [см. кв.];
Zi - привязка листа относительно оси Yo,
dim [см. ].
Алгоритм: в типе сечения S105 при задании в стойках моделируется одним листом при дроблении DS 1 и двумя листами при дроблении DS2.
|
1
|
2
|
3
|
SA2
|
Листовая вертикальная арматура без защитного слоя
|
Fai - площадь листа арматуры,
dim [см. кв. ];
Yi - привязка листа относительно оси Zo,
dim [см. ].
Алгоритм: в типах сечения S104, S105 при задании в пределах полок моделируется двумя листами; в типе сечения S103 допускается только в пределах стойки.
|
SA3
|
Точечная арматура
|
Fai - площадь точечной арматуры,
dim [cм. кв.];
Yi - привязка арматурной точки к оси Zo,
dim [см. ];
Zi - привязка арматурной точки к оси Yo,
dim [см. ].
|
SA4
|
Листовая горизонтальная арматура с защитным слоем, симметричная относительно оси Zo
|
Fai
- площадь листа арматуры,
dim [cм. кв.];
Ai - защитный слой,
dim [cм.];
Zi - привязка листа относительно оси Yo,
dim [см. ].
Алгоритм: в типе сечения S105 при задании в стойках моделируется одним листом при дроблении DSI и двумя листами при дроблении DS2.
|
1
|
2
|
3
|
SA5
|
Листовая вертикальная арматура с защитным слоем, симметричная относительно горизонтальной оси симметрии сечения
|
Fai - площадь листа арматуры,
dim [см. кв.];
Yi - привязка листа относительно оси Zo,
dim [см.];
Bi - защитный слой,
dim [см ].
Алгоритм: в типах сечения S104, S105 при задании в полках моделируется двумя листами; в типе сечения S103 допускается только в пределах стойки.
|
SA6
|
Листовая горизонтальная арматура общего вида
|
Fai
- площадь листа арматуры, dim [см. кв.];
Zi - привязка листа относительно оси Yo,
dim [см.];
Ali - защитный слой левый,
dim [см ];
A2i - защитный слой правый,
dim [см];
Алгоритм: в типе сечения S105 при задании в стойках моделируется одним листом при дроблении DSI и двумя листами при дроблении DS2, при этом A1i - защитный слой внешних граней сечения, A2i -защитный слой внутренних граней.
|
1
|
2
|
3
|
SA7
|
Листовая вертикальная арматура общего вида
|
Fai - площадь листа арматуры,
dim [см. кв.];
Yi - привязка листа относительно оси Zo,
dim [см. ];
Bli - защитный слой нижний,
dim [см ];
B2i - защитный слой верхний,
dim [см].
Алгоритм: в типах сечения S104, S105 при задании в полках моделируется двумя листами при дроблении DS2, при этом: Bli - защитный слой внешних граней сечения, B2i - защитный слой внутренних граней; в типе сечения S103 допускается только в пределах стойки.
|
SA8
|
Кольцевая арматура в кольцевом сечении
|
Dai
- диаметр оси кольцевой арматуры,
dim [см ];
Hai - толщина кольца, dim [см.].
|
SA9
|
Точечная регулярная арматура в кольцевом сечении
|
Fai
- площадь точечной арматуры,
dim [см. кв.];
Dai - диаметр регулярного точечного включения,
dim [см. ];
Gi - шаг сектора (угол между точками),
dim [град. ];
Goi - начальная угловая привязка,
dim [град.];
|
1
|
2
|
3
|
SA10
|
Точечная одиночная арматура в кольцевом сечении
|
Fai - площадь точечной арматуры,
dim [см. кв.];
Dai - диаметр точечного включения,
dim [см.];
Gai - угловая привязка,
dim [град. ].
|
Таблица 7.5
|
Иденти-фикатор
|
Тип арматурных включений
|
Поле параметров
|
|
1
|
2
|
3
|
|
SA0
|
Процент армирования (отношение объема арматуры к объему конечного элемента)
|
a) N - общий процент армирования.
б) Nх - процент армирования вдоль оси X;
Nz - процент армирования вдоль оси Z.
Алгоритм: Nх + Nz =
N
Примечание: В КЭ 221 ¸ 230 используется вариант "б", где процент армирования представляет собой отношение площади арматуры к площади поперечного сечения элемента.
|
|
SA1
|
Арматура листового типа (физический эквивалент листа)
|
- толщина листа арматуры, dim [см ];
-
привязка листа к серединной поверхности, dim [см];
Ограничения: до пяти листов.
|
|
1
|
2
|
3
|
|
SA2
|
Арматура стержневого типа (физический эквивалент сетки)
|
- эквивалентная толщина стержневой арматуры сетки по оси Y, dim [см ];
- эквивалентная толщина стержневой арматуры сетки по оси X, dim [см ];
- привязка сетки к серединной поверхности, dim [см];
Ограничения: - до пяти арматурных включений.
|
|
SA3
|
Арматура стержневого типа (физический эквивалент стержневой арматуры осевой ориентации)
|
- эквивалентная толщина стержневой арматуры по оси X, dim [см ];
- привязка стержней к серединной поверхности, dim [см].
Ограничения: - до пяти арматурных включений; массив стержней предполагается расположенным в одной плоскости.
|
|
SA4
|
Арматура стержневого типа (физический эквивалент стержневой арматуры осевой ориентации)
|
- эквивалентная толщина стержневой арматуры по оси Y, dim [см ];
- привязка стержней к серединной поверхности, dim [см].
Ограничения: - до пяти арматурных включений; массив стержней предполагается расположенным в одной плоскости.
|
|
1
|
2
|
3
|
|
SA11
|
Арматура листового типа (физический эквивалент листа в процентах армирования) - аналог SA1
|
- процент армирования для i-ro листа ( в процентах к объёму конечного элемента ), dim [ % ];
- привязка листа к серединной поверхности, dim [см].
Ограничения: - до пяти листов.
|
|
SA12
|
Арматура стержневого типа (физический эквивалент сетки в процентах армирования) - аналог SA2
|
- процент армирования для i-й сетки по оси Y (в процентах к площади грани l-2K3), dim[%];
- процент армирования для i-й сетки по оси Х (в процентах к площади грани 1-ЗКЭ), dim[%];
- привязка сетки к серединной поверхности, dim [см ].
Ограничения: - до пяти арматурных включений.
|
|
SA13
|
Арматура стержневого типа (физический эквивалент стержневой арматуры осевой ориентации в процентах армирования) - аналог SA3
|
- процент армирования для i-ro включения по оси Х (в процентах к площади грани 1-3 КЭ), dim[% ],
- привязка стержней к серединной поверхности, dim [см ].
Ограничения: - до пяти арматурных включений; массив стержней предполагается расположенным в одной плоскости.
|
|
SA14
|
Арматура стержневого типа (физический эквивалент стержневой арматуры осевой ориентации в процентах армирования) - аналог SA4
|
- процент армирования для i-ro включения по оси Y (в процентах к площади грани 1-2 КЭ), dim[% ];
- привязка стержней к серединной поверхности, dim [см ].
Ограничения: - до пяти арматурных включений; массив стержней предполагается расположенным в одной плоскости.
|
<
Таблица 7.6
|
Иденти-фикатор
|
Тип арматурных включений
|
Поле параметров
|
|
1
|
2
|
3
|
|
SA0
|
Процент армирования
(отношение площади арматуры к площади перпендикулярного сечения элемента вдоль осей X, Y, Z)
Fai = Sai/Sbi* 100%,
(i=X,Y,Z),
где:
Sai - суммарная площадь арматуры по i-тому направлению;
Sbi - площадь i - того сечения основного материала
|
Fx
- процент армирования вдоль оси X;
Fy - процент армирования вдоль оси Y;
Fz - процент армирования вдоль оси Z.
Алгоритм: по каждому из направлений армирования арматура учитывается раздельно со своим коэффициентом.
|
Типы дробления сечений стержней
Типы дробления сечений стержневых элементов приведены в табл. 7.3.
Табл. 7.3.
Иденти-фикатор
|
Тип сечения
|
Тип дробления
|
Поле параметров
|
1
|
2
|
3
|
4
|
DS0
|
S100-S106
|
Отсутствие дробления
|
Пустое
Пример: /0 DS0/
Алгоритм: применяется при расчете сжато-растянутых систем (ферм).
|
DS1
|
S100
|
Дробление сечения
на элементарные полосы
|
Зависит от типа сечения.
Алгоритм: применяется в задачах плоского изгиба.
NZ - число полос дробления по вертикальной оси.
По умолчанию: NZ = 5.
|
|
S101
|
|
NZ1 - число полос дробления нижней полки;
NZ2 - число полос дробления стойки.
По умолчанию: NZI = 5, NZ2 = 5
|
|
S102
|
|
NZI - число полос дробления стойки;
NZ2 - число полос дробления верхней полки.
По умолчанию: NZI = 5, NZ2=5
|
1
|
2
|
3
|
4
|
DS1
|
S103
|
|
NZ1 - число полос дробления нижней полки;
NZ2 - число полос дробления стойки;
NZ3 - число полос дробления верхней полки;
По умолчанию: NZI = 4, NZ2 = 8, NZ3 = 4
|
DS1
|
S104
|
|
NZ1 - число полос дробления в полках (полки имеют равное дробление);
NZ2 - число полос дробления стойки.
По умолчанию: NZ1 = 2, NZ2=4
|
|
S105
|
|
NZ1 - число полос дробления в полках (полки имеют равное дробление);
NZ2 - число полос дробления в стойках (стойки имеют равное дробление).
По умолчанию: NZ1 = 2, NZ2=4
|
DS2
|
S100
|
Дробление сечения на элементарные прямоугольники
|
Зависит от типа сечения.
Алгоритм: применяется в задачах пространственного изгиба, косого изгиба, сложного пространственного нагружения.
NZ - число участков дробления по вертикальной оси;
NY - число участков дробления по горизонтальной оси.
По умолчанию: NZ=5, NY=5.
|
1
|
2
|
3
|
4
|
|
S101
|
|
NZ1 - число участков дробления нижней полки по вертикальной оси;
NZ2 - число участков дробления стойки по вертикальной оси;
NY1 - число участков дробления нижней полки по горизонтальной оси;
NY2 - число участков дробления стойки по горизонтальной оси.
По умолчанию:
NZ1 = 5, NZ2 = 5,
NY1 = 5, NY2 = 5.
|
DS2
|
S102
|
|
NZ1 - число участков дробления стойки по вертикальной оси;
NZ2 - число участков дробления верхней полки по вертикальной оси;
NY1 - число участков дробления стойки по горизонтальной оси;
NY2 - число участков дробления верхней полки по горизонтальной оси.
По умолчанию:
Nzi=5,NZ2=5,
NYI = 5, NY2 = 5
|
|
S103
|
|
NZ1 - число участков дробления нижней полки по вертикальной оси;
NZ2 - число участков дробления стойки по вертикальной оси;
NZ3 - число участков дробления верхней полки по вертикальной оси;
NY1 - число участков дробления нижней полки по горизонтальной оси;
NY2 - число участков дробления стойки по горизонтальной оси;
NY3 - число участков дробления верхней полки по горизонтальной оси.
По умолчанию:
NZ1 = 5, NZ2 = 5, NZ3 = 5,
NY1 = 5, NY2 = 5, NY3 = 5
|
1
|
2
|
3
|
4
|
DS2
|
S104
|
|
NZ1 - число участков дробления нижней полки по вертикальной оси;
NZ2 - число участков дробления по вертикальной оси;
NZ3 - число участков дробления верхней полки по вертикальной оси;
NY1 - число участков дробления нижней полки по горизонтальной оси;
NY2 - число участков дробления по горизонтальной оси;
NY3 - число участков дробления верхней полки по горизонтальной оси.
По умолчанию:
NZ1 = 3, NZ2 = 5, NZ3 = 3,
NY1 = 5, NY2 =
2, NY3 = 5.
|
|
S105
|
|
NZ1 - число участков дробления нижней полки по вертикальной оси;
NZ2 - число участков дробления стоек по вертикальной оси;
NZ3 - число участков дробления верхней полки по вертикальной оси;
NYI - число участков дробления нижней полки по горизонтальной оси;
NY2 - число участков дробления стоек по горизонтальной оси;
NY3 - число участков дробления верхней полки по горизонтальной оси.
По умолчанию:
NZ1 =
3, NZ2 = 5, NZ3 = 3,
NY1 = 5, NY2 = 2, NY3 = 5
|
1
|
2
|
3
|
4
|
DS3
|
S106
|
Радиально-кольцевое дробление кольцевого сечения
|
NK - число элементарных колец;
NS - число элементарных секторов.
По умолчанию: NK= 3, NS=16
|
Учет работы конструкций совместно с упругим основанием
В инженерной практике принято рассчитывать плиты и ростверки на упругом основании как самостоятельные конструкции, подверженные действию нагрузок, приходящих от надземных конструкций. ПК ЛИРА позволяет рассчитывать конструкции всего сооружения в целом, учитывая при этом большие резервы несущей способности. Примером может служить расчет конструкций на упругом основании совместно с надземным строением. Эффект такой расчетной модели показан на рис.9.11.
На рис.9.11.а и 9.11.б показаны схема нагрузки и деформированная схема балки или плиты в случае, если они рассчитываются как самостоятельные конструкции.
Рис.9.11
При этом и в балке, и в плите достигаются достаточно большие моменты М, вследствие чего конструкции необходимо изготавливать достаточно мощными.
Если расчетная схема предусматривает включение в работу вышележащих перекрытий, то момент М будет восприниматься мембранным усилием в плите (или ростверке) на упругом основании и вышележащими перекрытиями, т.е. в работу включается конструкция высотой Н (как правило, основной эффект даёт включение только первого этажа). Как видно из рис.9.11.г, в конструкциях на упругом основании возникают растягивающие мембранные усилия и небольшие местные моменты, а в вышележащих перекрытиях - сжимающие мембранные усилия.
Необходимо иметь в виду, что во втором случае в конструкциях колонн и стен возникают сдвигающие усилия и нужно обеспечить их восприятие. Для упрощения на рис.9.11 показана плоская стена. В общем случае эта схема пространственная: плита (или ростверк) на упругом основании и диск перекрытия воспринимают мембранные усилия в двух направлениях, а колонны и стены работают на сдвиг также в двух направлениях.
Если при расчете конструкций на упругом основании по раздельной схеме используются элементы балочного ростверка и плиты то во втором случае необходимо использовать стержень общего вида и оболочечные элементы, которые воспринимают изгибные и мембранные усилия. Как правило, учет совместной работы конструкций на упругом основании и вышележащих перекрытий позволяет в несколько раз сократить расход материалов.
Учёт прямой и косой симметрии
Если рассчитываемая схема имеет плоскости симметрии, то для уменьшения размерности задачи рекомендуется вводить в расчет часть схемы, ограниченную этими плоскостями.
На узлы, лежащие в плоскости прямой симметрии, налагаются связи, ортогональные этой плоскости, а при косой симметрии - параллельные ей. В табл.9.1 показано, по каким направлениям степеней свободы на эти узлы накладываются связи.
Таблица 9.1
|
Симметрия
|
прямая
|
косая
|
Плоскости симметрии
или параллельные ей
|
XOZ
|
XOY
|
YOZ
|
XOZ
|
XOY
|
YOZ
|
Налагаемые связи
|
Y,UX,
UZ
|
Z,UX,
UY
|
X,UY,
UZ
|
X,Z,
UY
|
X,Y,
UZ
|
Y,Z
UX
|
Если плоскость симметрии не параллельна ни одной из плоскостей общей системы координат, то наложение соответствующих связей можно выполнить с помощью локальной системы координат узла.
Если имеются абсолютно жёсткие связи, не совпадающие с направлением осей общей системы координат, то они реализуются также с помощью локальной системы координат узла.
Угол чистого вращения
Угол чистого вращения в стержнях возникает тогда, когда направление главных центральных осей сечения не совпадает с направлением, принятым по умолчанию.
По умолчанию принята следующая ориентация местных осей:
А)
для стержней общего положения (не вертикальных) ось Х1 проходит от начала к концу; ось Y1 параллельна горизонтальной плоскости XOY глобальной системы координат; ось Z1 направлена в верхнее полупространство глобальной системы координат.
Матрица направляющих косинусов вычисляется по этому правилу через координаты начала и конца стержня и имеет вид:
|
глобальные \ местные
|
X
|
Y
|
Z
|
|
X1
|
l
|
m
|
n
|
|
Y1(A)
|
-
|
|
0
|
Z1
|
|
|
|
|
|
|
|
|
|
|
|
|
|
Здесь l, m, n – направляющие косинусы оси Х1.
При этом ширина сечения (В) по умолчанию параллельна плоскости XOY.
Угол чистого вращения F для стержня общего положения определяется следующим образом:
- начальное сечение стержня совмещается с центром глобальной системы координат;
- определяется линия пересечения плоскости начального сечения с плоскостью XOY; эту линию назовем ось А;
- направление оси А выбирается так, чтобы при взгляде с ее конца нужно было бы ось Z повернуть до совмещения с осью Х1 против часовой стрелки на угол, меньший p;
-положительный угол F соответствует повороту оси А до совмещения с требуемым положением оси Y1 против часовой стрелки, если смотреть с конца
оси Х1.
Если оси Y1 и А совпадают, то угол чистого вращения отсутствует.
Б)
Для вертикальных стержней:
-если ось Х1 направлена снизу вверх (вдоль оси Z глобальной системы координат), то ось Y1 направлена против оси Y, а ось Z1 – вдоль оси Х. Матрица направляющих косинусов имеет следующий вид:
Местные\ глобальные
|
X
|
Y
|
Z
|
X1
|
0
|
0
|
1
|
Y1(A)
|
0
|
-1
|
0
|
Z1
|
1
|
0
|
0
|
-если ось Х1 направлена вниз (против оси Z глобальной системы координат), то ось Y1 направлена против оси Y, а ось Z1 – против оси Х.
Матрица направляющих косинусов имеет следующий вид:
|
Местные\ глобальные
|
X
|
Y
|
Z
|
|
X1
|
0
|
0
|
-1
|
|
Y1(A)
|
0
|
-1
|
0
|
|
Z1
|
-1
|
0
|
0
|
Для вертикального стержня ось А параллельна оси Y и направлена в противоположную сторону. Положительное направление угла F
соответствует вращению оси А до совмещения с требуемым направлением оси Y1 против часовой стрелки, если смотреть с конца оси Х1.
Для вертикальных стержней в любом случае ширина сечения В
(размер, параллельный оси Y1) параллельна оси Y глобальной системы координат, а высота сечения Н –параллельна оси Х глобальной системы координат.
Универсальные конечные элементы пространственной задачи теории упругости -,)
Предназначены для определения напряженно-деформированного состояния континуальных объектов и массивных пространственных конструкций из однородного изотропного линейно-упругого материала в постановке трехмерной задачи теории упругости.
Кроме того, возможно решение объемной задачи теории упругости для двухкомпонентных материалов (железобетона, композитов и т.д.), при котором один из компонентов (армирующий) обладает более высокими прочностными свойствами, чем основной (связующий). Предполагается, что армирующий материал (отдельные стержни, сетки и т.п.) расположены ортогонально осям местной системы координат элемента. Такие двухкомпонентные материалы носят название конструктивно-ортотропных.
Функционал Лагранжа при нулевых граничных условиях имеет вид:
(1.12)
где:sx(x,y,z), sy(x,y,z), sz(x,y,z), txy(x,y,z), tyz(x,y,z), tzx(x,y,z) — компоненты тензора напряжений, являющиеся непрерывными функциями координат;
- относительные линейные и угловые деформации;
U(x,y,z), V(x,y,z),W(x,y,z) - компоненты перемещений точек тела, параллельные соответственно осям OX,OY,OZ
общей системы координат;
Рх, Ру, Pz - компоненты интенсивности поверхностных сил, действующих в направлении осей OX, OY, OZ соответственно;
X, Y, Z -компоненты интенсивности объемных сил (на единицу объема) в направлении осей OX,OY и OZ соответственно.
Деформации и напряжения связаны между собой зависимостями:
(1.13)
где:Е - модуль Юнга; n -
коэффициент Пуассона; G - модуль сдвига.
Допускается задание нагрузок на конечный элемент как в местной, так и в общей системах координат с привязкой как в местной, так и в общей системе координат, а также с привязкой в виде приращений в общей системе координат. Предусмотрены следующие виды нагрузок (табл. 1.4):
5, 15 - сосредоточенная, задаваемая относительно осей местной или общей систем координат соответственно, с привязкой в местной системе координат;
6, 16 - равномерно распределенная, задаваемая относительно осей местной и общей систем координат соответственно;
8 - температурное воздействие.
Таблица 1.4
|
Тип КЭ
|
Нагрузка
|
Схема и описание нагрузки
|
Информация, задаваемая в документах
|
|
6."Нагрузки"
|
7."Величины нагрузок"
|
|
Вид нагрузки
|
Haправление нагрузки
|
Величина нагрузки и привязка
|
|
1
|
2
|
3
|
4
|
5
|
6
|
|
31, 33
|
Сосредоточенная нагрузка, действующая по направлению осей местной или общей системы координат
|
|
5
|
X
Y
Z
|
Px1 (m); a, b, c (м)
Py1 (m); a, b, c (м)
Pz1 (m); a, b, c (м)
|
|
31, 32, 33
|
|
|
15
|
X
Y
Z
|
Px (m); a, b, c (м)
Py (m); a, b, c (м)
Pz (m); a, b, c (м)
|
|
1
|
2
|
3
|
4
|
5
|
6
|
|
31, 33
|
Равномерно распределенная нагрузка, действующая по направлению осей местной или общей систем координат
(q-интенсивность нагрузки; N гр -номер грани). Если номер грани не задан или равен нулю, то нагрузка является равномерно
|
N гр = 1 при Х1 = 0
N гp = 2 при Х1 = a
N гр = 3 при Y1 = 0
N rp = 4 при Y1 = b
N rp = 5 при Z1 = 0
N rp = 6 при Z1 = с
|
6
6
6
|
X
Y
Z
|
q ( т/м3 ), N гр
|
|
31, 32, 33, 34, 36
|
распределенный.по объему - собственный вес
|
N rp = 0
|
16
|
X
Y
Z
|
q ( т/м3 ), N гр
|
|
31, 32, 33, 34, 36
|
Температурное воздействие
|
|
8
|
0
X
Y
Z
|
t, a
t, a1
t, a2
t, a3
|
Универсальные конечные элементы
Предназначены для решения плоской задачи теории упругости, а также прочностного расчета тонких, жестких пластин и тонких пологих оболочек. Материал однородный по толщине элемента, линейно упругий изотропный.
Тонкими считаются пластины, у которых 5 £ Lmin/ d, где Lmin - наименьший из размеров в плане; d - толщина.
Жесткими считаются пластины, у которых наибольший прогиб не превышает d/5.
Оболочки считаются тонкими, если R/d > 20, где R - минимальный радиус кривизны срединной поверхности.
Оболочки считаются пологими, если L min/fo ³ 5, где fo - стрела подъема свода оболочки.
Применительно к решению плоской задачи теории упругости, МКЭ исходит из общепринятых гипотез об отсутствии деформаций (ez, gxz., gyz = 0 для случаев плоской деформации) или напряжений (sz, txz, tyz = 0 для случая плоского напряженного состояния) в плоскостях, нормальных к срединной плоскости пластин. Функционал Лагранжа, как для плоской деформации, так и для плоского напряженного состояния имеет вид:
 (1.6)
где: sx ,sy
,txy
- нормальные и касательное напряжения;
 -относительные линейные и угловая деформации;
u (x, у), v (x, у) - линейные смещения точек срединной плоскости по направлению осей Х и Y соответственно;
Px, Py — компоненты вектора внешней нагрузки по направлениям осей Х и Y соответственно;
W - двумерная область пластины.
При решении задач изгиба тонких пластин, МКЭ исходит из допущений (гипотез), принятых при построении инженерной теории тонких пластин, а именно:
гипотезы о прямых нормалях Кирхгофа-Лява (еxz = еyz = 0);
гипотезы о вертикальном смещении точек срединной плоскости пластины;
гипотезы об отсутствии поперечного давления (sz, = 0);
плоское напряженное состояние.
Функционал полной потенциальной энергии изгибаемой пластины при таких допущениях и при нулевых граничных условиях имеет вид:
 (1.7)
Таблица 1.3
|
Тип КЭ
|
Нагрузка
|
Схема и описание нагрузки
|
Информация, задаваемая в документах
|
|
6."Нагрузки"
|
7."Величины
нагрузок"
|
|
Вид нагрузки
|
Направ-ление нагрузки
|
Величина нагрузки
и привязка
|
|
1
|
2
|
3
|
4
|
5
|
6
|
|
21,22, 23,24,
27,30
|
Сосредо-точенная нагрузка в плоскости элемента XlO1Z1
(XlO1Y1)
|
|
5
|
X
Z
|
Рх(m),a(м),b(м)
Рz(m),a(м),b(м)
|
|
41,42
|
|
|
|
X
Y
|
Рх(m),a(м),b(м)
Рy(m),a(м),b(м)
|
|
21,22, 23,24
|
|
|
15
|
X
Z
|
Рх(m),a(м),b(м)
Рz(m),a(м),b(м)
|
|
41,42,
44
|
|
|
|
X
Y
|
Рх(m),a(м),b(м)
Рy(m),a(м),b(м)
|
|
11,12 41,42,44
|
Сосредо-точенная нагрузка из плоскости элемента - силы и моменты
|
|
5
|
Z
UX, UY
|
Рz(m),a(м),b(м)
M(m м),a(м),b(м)
|
|
11,12 41,42,44
|
|
|
15
|
Z
UX, UY
|
Рz(m),a(м),b(м)
M(m м),a(м),b(м)
|
|
1
|
2
|
3
|
4
|
5
|
6
|
|
21,22, 23,24,
27,30
|
Равномерно распреде-ленная нагрузка в плоскости элемента
|
|
6
|
X
Z
|
qx(m/м2)
qz(m/м2)
|
|
41,42,
44
|
|
|
|
X
Y
|
qx(m/м2)
qy(m/м2)
|
|
21,23,
27,30
|
|
|
16
|
X
Z
|
qx(m/м2)
qz(m/м2)
|
|
41,44
|
|
|
|
X
Y
|
qx(m/м2)
qy(m/м2)
|
|
11,12
41,42,
44
|
Равномерно распреде-ленная нагрузка из плоскости элемента - силы и моменты по площади
|
|
6
|
Z
UX
UY
|
qz(m/м2)
mx(mм /n.м)
my(mм /n.м)
|
|
11,12
41,42,
44
|
|
|
16
|
Z
UX
UY
|
qz(m/м2)
mx(mм /n.м)
my(mм /n.м)
|
|
1
|
2
|
3
|
4
|
5
|
6
|
|
11,12,21,22,23,24,27,30,41,42,44,
|
|
|
88
|
0
|
t, Dt, a
|
|
21.22.23,24,27,30
|
|
|
|
X
Z
|
t, Dt, a1
t, Dt, a2
|
|
11,12
|
|
|
|
UX
UY
|
t, Dt, a1
t, Dt, a2
|
|
41,42,
44
|
|
|
|
X,UX
Y,UY
|
t, Dt, a1
t, Dt, a2
|
Универсальный стержень )
Универсальный стержень изображен на рис. 1.1. Стержень имеет местную систему координат X1,Y1,Z1, относительно которой задается местная нагрузка и определяются усилия. Правила образования местной системы координат изложены в п.9.6.
Рис. 1.1
Предусматриваются различные возможности прикрепления стержня к узлам схемы:
при помощи абсолютно жестких вставок вдоль местных осей;
при помощи снятия связи по любому направлению (снятие связи, соответствующей линейной степени свободы, обеспечивает проскальзывание; снятие угловой связи - свободный поворот, то есть цилиндрический шарнир).
Допускается наличие упругого основания. Может быть произведен учет сдвига.
Матрица жесткости строится для гибкой части АВ, при этом используется новая система координат, как показано на рис. 1.2.
Рис. 1.2.
Привязки сосредоточенной и трапециевидной нагрузок задаются относительно упругой части стержня, т.е. возможны отрицательные привязки.
Конечный элемент может работать во всех признаках схем, применяемых при расчете стержневых конструкций.
Конечный элемент допускает местные нагрузки, приведенные в табл.1.2
Таблица 1.2
Схема нагрузки, величина и привязка
|
Вид нагрузки
|
Тип КЭ стержня
|
Допустимые направления нагрузки
|
1
|
2
|
3
|
4
|
Сосредоточенная сила
Pi(тм),a(м)
|
5
15
|
1
2
3
4, 5, 10
|
X, Z
X, Z
Z
X, Y, Z
|
Сосредоточенный момент
Мi(тм),a(м)
|
5
15
|
1
2
3
5, 10
|
UY
UY
UX, UY
UX, UY, UZ
|
Равномерно распределенная нагрузка вдоль осей
q(т/пог.м)
|
6
16
|
1
2
3
4, 5, 10
|
Z
Z
Z
X, Y, Z
|
Трапециевидная нагрузка
qа(т/пог.м), qb(т/пог.м),
a(м), в (м)
|
7
17
|
1
2
3
4, 5, 10
|
X,Z
X,Z
Z
X, Y, Z
|
1
|
2
|
3
|
4
|
Температурная нагрузка по направлению
1 —Dt (град)
5 —Dtв (град.)
Dtн (град.)
h(M)
6 —Dtв (град.)
Dtн (град)
b(м)
|
8
|
1
2
3
4
5, 10
|
X
X, UY
UY
X
X, UY, UZ
|
Допускается задание местной нагрузки на жестких вставках вдоль оси Х1.
На рис. 1.3 показаны положительные направления усилий. При этом усилия рассматриваются в сечении, принадлежащем концу стержня.
Рис. 1.3
Универсальный стержневой элемент -
Конечный элемент ориентирован на обеспечение расчета всех видов стержневых систем с учетом геометрической нелинейности и является аналогом универсального линейного стержневого конечного элемента (КЭ - 10).
КЭ 310 может работать как нить.
Для учета геометрической нелинейности стержня считается, что выполняется закон Гука (sx=Eex), а входящая в это выражение деформация имеет следующий вид:
. (7.8)
На каждом шаге происходит учет нормальных напряжений при построении матрицы жесткости.
Конечный элемент имеет местную систему координат, относительно которой образует правую тройку.
Вид НДС
Для объемных конечных элементов производится вычисление параметра Лоде-Надаи, характеризующего вид НДС.
(12.16)
Значение
m = 1 - характеризует чистое сжатие;
m = 0 - чистый сдвиг;
m = -1 - чистое растяжение.
Введение связей конечной жесткости
Связь конечной жёсткости (или упруго податливая связь) применяется при моделировании упругого основания и любого упругого опирания узлов расчетной схемы. КЭ типа 51, реализующий такой тип связи, является одноузловым, ориентируется относительно осей глобальной системы координат и имеет единичную длину.
Допускается применение этого КЭ и в случае абсолютно жёстких связей, совпадающих с осями глобальной системы координат. При назначении жесткостей необходимо иметь в виду, что большие величины их могут ухудшить точность счета. Поэтому обычно рекомендуется задавать жесткости на 1 -2 порядка больше, чем погонные жесткости примыкающих стержней или цилиндрические жесткости пластин. Вычисленные в результате счета усилия в таких элементах облегчают проверку глобального равновесия схемы.
Вычисление эквивалентных напряжений
В таблице 12.2 приведены характеристики реализованных теорий прочности в соответствии с табл.19 [43].
Таблица 12.2.
№№ п/п
|
Наимено-вание теории (критерий прочности)
|
Формула
|
Геометрическая интерпретация
|
Приме-чания
|
1
|
2
|
3
|
4
|
5
|
1
|
Наибольших
главных напряжений
|
|
Куб с центром, смещенным в сторону гидростатического сжатия
|
|
2
|
Наибольших
главных деформаций
|
|
Равносторонний косоугольный параллелепипед, равно наклоненный к осям координат
|
|
1
|
2
|
3
|
4
|
5
|
3
|
Наибольших касательных напряжений
|
|
Правильная шестигранная призма, равно наклоненная к осям координат
|
|
4
|
Энергетиче-ская (Губер-Генки-Мизес)
|
|
Круговой цилиндр, равно наклоненный к осям координат
|
|
5
|
О. Мора
|
|
Шестигранная равно наклоненная к осям пирамида
|
Однород-ный материал с разными пределами сопротив-ления
|
6
|
Ягна-Бужинского
|
|
Равно наклоненная к осям поверхность вращения
|
-²-
|
7
|
Баландина
|
|
Параболоид вращения, равно наклоненный к осям координат
|
|
8
|
Миролюбова
|
|
Круговой конус
|
|
9
|
Друккера-Прагера
|
|
Двуполостной параболоид вращения, равно наклоненный к осям координат
|
Рекоменду-ется для пластич-ных материалов при c = 0.3
|
10
|
Волкова
|
Не исследован
|
|
11
|
Писаренко - Лебедева - 1
|
|
Коническая поверхность
|
Однород-ный материал
|
1
|
2
|
3
|
4
|
5
|
12
|
Писаренко - Лебедева - 2
|
|
Равно наклоненная к осям поверхность с криволинейным треугольником в октаэдрическом сечении
|
Неодно-родный материал А = 0.7·¸ 0.8
|
s0
- гидростатическое давление
si
- интенсивность напряжений
- предельное напряжение при одноосном растяжении
- то же, при сжатии
t0
- то же, при чистом сдвиге (кручении)
c
=/
l
= 1/
j
=/
y
=/
|
|
|
|
|
|
|
Вычисление коэффициентов постели упругого основания
В ПК ЛИРА реализована модель основания П.Л. Пастернака [24], которая характеризуется двумя коэффициентами постели C1 (тс/м3), C2 (тс/м), описывающими только вертикальные деформации (осадки) оснований и фундаментов. При этом параметр C2 учитывает работу грунта за пределами фундамента. В случае C2 = 0 модель Пастернака является аналогом классической модели основания Винклера.
Для одного или для двух слоев основания П.Л. Пастернак предлагает следующие формулы (даны для справки).
1. Ленточный фундамент на однослойном основании:
(9.2)
(9.3)
2. Ленточный фундамент на двухслойном основании:
(9.4)
(9.5)
3. Плитный фундамент на однослойном основании:
(9.6)
(9.7)
4. Плитный фундамент на двухслойном основании:
(9.8)
(9.9)
где : E1, v1, h1, E2, v2, h2, - соответственно модуль деформации, коэффициент Пуассона и толщина первого и второго слоев сжимаемой толщи грунтового основания, глубина (H) которой определяется по нормам;
(9.10)
(9.11)
Вычисление коэффициентов постели С1 и С2 в ПК ЛИРА производится по схеме линейно деформируемого полупространства с усредненными характеристиками многослойного основания – модулем деформации Eгр и коэффициентом Пуассона mгр:
Eгр = S(szpk*hk)/S(szpk*hk/Ek),
mгр= S(mk*hk)/Нс ( k=1-> m), где
szpk - среднее дополнительное вертикальное напряжение в подслое k (каждый слой дробится на 8 подслоев);
hk – толщина подслоя k;
Ek – модуль деформации подслоя k;
mk – коэффициент Пуассона подслоя k;
Нс – глубина сжимаемой толщи;
m – количество подслоев.
С1 = Егр/(Нс*(1- mгр2));
С2 = Егр*Нс/(6(1+ mгр)). (9.12)
Задача о нелинейном поведении системы с односторонними связями Пример
В этом примере демонстрируется техника постановки задачи о напряженно-деформированном состоянии плиты на упругом основании с дискретными связями одностороннего действия. Односторонние связи конечного элемента № 261 воспринимают усилия одного знака (сжатие). Этот конечный элемент прошел всестороннюю проверку и успешно применяется для постановки сложных задач расчета комбинированных систем с односторонними связями.
В примере 12 используются исходные данные примера 9.
Этапы и операции
|
Команда и ее инстру-мент
|
Ваши действия
|
Рекомендации и комментарии
|
12.1.
|
|
Сохраните задачу под новым именем: «пример12».
|
|
12.2.
|
|
Удалите наложенные связи аналогично примеру 10.
|
|
12.3.Задание связей конечной жесткости
|
12.3.1.
|
|
Выделите все узлы схемы
|
|
12.3.2.Задание КЭ № 261
|
п.1.86,
1.86.4
|
В диалоговом окне «Добавить элемент» активизируйте закладку «Добавить одноузловые КЭ», затем активизируйте радио-кнопку КЭ 261.
|
|
12.4.Задание жесткостных параметров для КЭ № 261
|
12.4.1.Выбор типа сечения «КЭ 261 численное»
|
п.1.107
|
В диалоговом окне «Жесткости элементов» щелкните по кнопке Добавить и, выбрав закладку численного описания жесткости, активизируйте сечение «КЭ 261 численное».
|
|
12.4.2.Задание параметров сечения «КЭ 261 численное»
|
|
В диалоговом окне «Численное описание для КЭ 261» задайте параметры:
-EF = 250 тс;
-Ориентация связи – Z.
Остальные параметры примите по умолчанию.
|
|
12.4.3.Копирование жесткости «2.КЭ 261 численное»
|
|
В диалоговом окне «Жесткости элементов» в списке жесткостей выделите строку «2.КЭ 261 численное» и дважды щелкните по кнопке Копирование.
|
|
12.4.4.Изменение параметров сечений «3.КЭ 261 численное» и «4.КЭ 261 численное» осуществляется аналогично примеру 11.
|
12.5.
|
|
Назначьте жесткости КЭ № 261 аналогично примеру 11.
|
|
12.6.Удаление таблицы РСУ
|
п.1.119
|
Выполните команды Нагрузки ? РСУ ? Удаление таблицы РСУ и в диалоговом окне «LIR-VIZOR» щелкните по кнопке «ОК».
|
При нелинейном расчете формирование таблиц РСУ не предусматривается.
|
|
Этапы и операции
|
Команда и ее инстру-мент
|
Ваши действия
|
Рекомендации и комментарии
|
|
12.7.Моделирование нелинейных загружений
|
|
12.7.1.Моделирова-ние первого загружения
|
п.1.126
|
В диалоговом окне « Моделирование нелинейных загружений конструкции» задайте следующие параметры:
-№ загружения – 1;
-Метод расчета – Простой шаговый (1);
-Печать – Перемещения и усилия после каждого шага;
-Количество шагов – 10.
Далее отметьте радио-кнопку Ввод и редактирование и задайте пошаговое приложение нагрузок – 0.1 0.1 0.1 0.1 0.1 0.1 0.1 0.1 0.1 0.1. Подтвердите ввод данных.
|
|
|
12.7.2.Моделирова-ние второго загружения
|
|
В этом же окне задайте параметры загружения 2:
-№ загружения – 2;
-Метод расчета – Простой шаговый (1);
-Печать – Перемещения и усилия после каждого шага;
-Количество шагов – 10.
Далее отметьте радио-кнопку Ввод и редактирование и задайте пошаговое приложение нагрузок – 0.1 0.1 0.1 0.1 0.1 0.1 0.1 0.1 0.1 0.1. Подтвердите ввод данных.
|
|
|
Моделирование третьего загружения осуществляется аналогично п.12.7.2.
|
|
12.8.
|
|
Запустите задачу на расчет и просмотрите результаты расчета.
|
|
Задание дополнительных данных для расчета
На уровне конструирующей системы ЛИР-СТК после импорта задачи нужно задать данные, необходимые для расчета сечений.
Во всех типах элементов задаются коэффициенты условий работы и коэффициенты надежности.
Необходимо задать коэффициент условий работы ?c
для проверок сечения по устойчивости и по прочности. Коэффициенты условий работы ?c задаются как для всего сечения, так и для каждого элемента сечения в отдельности. Если ?c для элемента сечения отличается от ?c всего сечения, они будут использованы для проверок устойчивости этого элемента сечения. Например, коэффициент условий работы элемента “стенка” будет использован при проверке местной устойчивости элемента стенки. Когда задается коэффициент условий работы для всего сечения, он дублируется для всех его компонентов. Поэтому после задания коэффициента условий работы для всего сечения необходимо проверить правильность его задания для всех компонентов сечения. В таблице исходных данных локального расчета задается только коэффициент условий работы всего сечения.
Необходимо задать коэффициент надежности по ответственности ?n. Коэффициент надежности задается единственный для всего сечения.
Расчетные длины задаются относительно местных осей Z1 и Y1.
Термин «относительно оси» означает плоскость, перпендикулярную оси.
На рис.13.1 показано расположение местных осей.
Рис. 13.1
Расчетные длины задаются в единицах измерения геометрии или как коэффициент длины. В последнем случае для получения расчетных длин при запуске расчета вычисляется геометрическая длина элемента (или конструктивного элемента, если ведется расчет конструктивного элемента), которая умножается на соответствующий коэффициент длины.
Дополнительные данные для ферменных элементов
Предельная гибкость. Предельная гибкость на растяжение всегда задается численно. Гибкость на сжатие может задаваться численно или как случай таблицы 19* [18], если при вычислении предельной гибкости используется коэффициент ?.
Предельная гибкость на растяжение всегда по умолчанию равна 300.
При проверках несущей способности элементов из парных уголков может использоваться дополнительный коэффициент 0,8 как для основного элемента решетки сварной фермы покрытия и перекрытия. Он умножается на коэффициенты условий работы.
Дополнительные данные для изгибаемых элементов
Ребра жесткости. Необходимо указать, нужно ли ставить ребра жесткости. Если значение шага ребер жесткости установить равным 0, то будет выбран максимально допустимый шаг.
Необходимо указать производить ли расчет в пределах упругих или пластических деформаций.
Относительный прогиб. Для расчета по второму предельному состоянию нужно указать предельный относительный прогиб, а точнее его знаменатель.
Данные для расчета на общую устойчивость
Расчетная длина задается или в единицах измерения геометрии, или в виде коэффициент к геометрической длине элемента, на который для получения Lef во время расчета умножается геометрическая длина балки (или конструктивного элемента, если ведется расчет конструктивного элемента).
Дополнительные данные для сжато-изогнутых элементов
Предельная гибкость. Предельная гибкость на растяжение всегда равна 300. Предельная гибкость на сжатие задается случаем из таблицы 19* [18]. Охвачены только случаи, в которых при вычислении предельной гибкости используется коэффициент альфа из таблицы 19* [18].
Расчетная длина для вычисления Фb.
Необходима для проверки устойчивости внецентренно-сжатого стержня открытого сечения из плоскости действия момента:
N/(c*øy)< Ry yc (п. 5.30 [18]), где с при больших эксцентриситетах зависит от Фb. В общем случае расчетная длина Lef для вычисления Фb не равна расчетной длине Ly1 или LZ1
применяемой для вычисления øy. Поэтому приходится задавать Lef особо. В расчете стержней замкнутого сечения или при малых эксцентриситетах в расчете стержней открытого сечения величина Lef не участвует.
Расчетные длины ветвей. Задаются для расчета в плоскости, перпендикулярной плоскости соединительной решетки.
Расчетные длины ветвей нужны для расчета двухветвевой колонны, для четырехветвевой колонны они при расчете игнорируются.
Соединительная решетка. После выбора типа соединительной решетки необходимо также указать и ее профиль.
Шаг решетки. Если шаг решетки задан равным 0, принимается, что наклон ее к осям ветвей равен 60 градусов.
Если в двухветвевом сечении типа [ ] или I I задать расстояние в осях между ветвями близкое к нулю, будет произведен подбор оптимальной раздвижки ветвей. Имейте в виду, что раздвижка ветвей подбирается положительная, то есть стыковка ветвей подобранного сечения будет строго положительная. Это важно для сечения типа [ ], в котором могут быть 2 варианта расположения ветвей [ ] и ] [. Поэтому будьте особо внимательны, используя эту возможность подбора, в задании исходной стыковки и при чтении результатов.
Дополнительные данные для канатов
На основе соответствующих норм будет предоставлен выбор формы ввода исходных данных, которые соответствуют формулам [57] или формуле, указанной в «Пособии по проектированию стальных конструкций» к [18].
Расчетное сопротивление Rdh. Используется в формулах [57]. Коэффициент агрегатной прочности. Для канатов одинарной свивки и закрытых несущих.
Задание весов масс и динамических воздействий
Допускаются следующие способы задания весов масс.
1. Задание распределенных весов масс на элементы. При расчете происходит автоматический сбор весов масс в узлы расчетной схемы.
2. Задание весов масс в узлы как сил, действующих в заданном направлении. В этом случае пользователь самостоятельно назначает узлы схемы, в которые будут приложены эти силы, вычисляет их самостоятельно и задает направление их действия.
3. Формирование весов масс из статического загружения, описанного ранее. При этом, как и в случае 1, происходит автоматизированный сбор весов масс в узлы. Однако веса масс будут собраны только из тех нагрузок статического загружения, которые действуют вдоль оси Z.
Допускается применение всех способов в одном и том же загружении.
Загружения сейсмическим и ветровым пульсационным воздействиями описываются при помощи задания лишь весов масс.
Для загружений ударным, импульсивным и гармоническим воздействиями кроме весов масс необходимо задать еще и характеристики и направления этих воздействий в узлах, где они приложены.
При расчете на импульсивную и ударную нагрузки задаются:
Q - вес дополнительной массы, приходящей в узел. Задается Q=0, если используется автоматический сбор, и Q¹0, если возникает необходимость применить способ 3 или внести коррективы в какой-либо узел при автоматическом распределении сборе.
Р - величина силы импульса или удара, усредненная в зависимости от формы по табл.9.2;
f - номер формы импульса или удара по табл. 9.2;
? —
продолжительность действия импульсивного или ударного воздействия (сек);
То - период повторения действия импульсивного или ударного воздействия (сек);
n - количество повторений.
При расчете на гармонические воздействия:
Q — задается аналогично импульсивному воздействию;
Р — амплитудное значение силы внешнего гармонического воздействия в данном узле ;
SC —признак, указывающий закон действия гармонического воздействия: косинуса или синуса;
b - сдвиг фазы (рад).
Если в одной и той же задаче требуется произвести расчет на несколько разнородных динамических загружений и при этом величины веса масс заданы одинаково, то решение задачи на собственные значения производится только один раз для первого из этих загружений.
Периоды и формы собственных колебаний будут неизменными и для оставшихся загружений.
|
Таблица 9.2.
|
|
|
1
|
2
|
3
|
4
|
5
|
6
|
|
Форма импульса или удара
|
|
Загружения
При определении РСУ учитываются логические связи между загружениями, которые отражают физический смысл загружений и требования, регламентируемые различными нормативными документами. Выделяются три типа загружений:
независимые (собственный вес, вес оборудования и т.п.);
взаимоисключающие (ветер слева и ветер справа, сейсмическое воздействие вдоль разных осей координат и т.п.);
сопутствующие (тормозные при наличии вертикальных крановых нагрузок и т.п.).
Предоставляется также возможность обозначить знакопеременность загружения при одинаковом модуле его вектора.
ЖЕСТКОСТНЫЕ ХАРАКТЕТИКИ ЭЛЕМЕНТОВ
Для каждого типа конечного элемента задается определенный набор жесткостных характеристик.
Для стержневых элементов жесткостные характеристики могут быть заданы одним из следующих способов:
характеристики в порядке, обусловленном формой массивного (в частности, бетонного) сечения (табл. 11.1);
численные характеристики в следующем порядке: ЕF - продольная жесткость; EIy - изгибная жесткость относительно оси Y1; EIz - то же относительно оси Z1; GIk - жесткость на кручение; GFy - сдвиговая жесткость относительно оси Y1 (вдоль оси Z1); GFz - то же относительно оси Z1 (вдоль оси Y1). Количество этих характеристик зависит от типа конечного элемента:
Тип конечного элемента
|
Задаваемые жесткости
|
1
2
3
4
5, 10
|
EF
EF, EIy
Eiy, GJk
EF
EF, Eiy, Eiz, GJk, GFy, GFz
|
характеристики стальных профилей и их комбинаций из базы типовых сечений стального проката;
характеристики сечений нестандартной формы, вычисляемые c помощью системы ЛИР-КС (Конструктор Сечений).
Кроме того, могут быть заданы следующие характеристики:
жесткие вставки вдоль осей местной системы координат;
ядровые расстояния сечений - по два числа для каждой из осей инерции
при задании численных характеристик;
величина угла чистого вращения;
параметры упругого основания А, С1,С2, где А – ширина или высота
сечения, С1 и С2 – коэффициенты постели по модели Пастернака;
признак учета сдвига при составлении матрицы жесткости.
Табл. 11.1
Идентифи-катор формы сечения
|
Порядок задания характеристик
|
Эскиз сечения
|
1
|
2
|
3
|
SO
|
E, b, h
|
|
S1
|
E,b,h,b1,h1
|
|
S2
|
Е, b,h,b1,h1
|
|
S3
|
Е, b, h, b1, h1, b2, h2
|
|
1
|
2
|
3
|
S4
|
Е, b, h, b1, h1
|
|
S5
|
Е, b, h, b1, h1
|
|
S6
|
E,D,d
|
|
S7
|
Е, b, h, b1,h1,h2,h3
|
|
1
|
2
|
3
|
S9
|
Е, b, h, b1, h1, b2, h2
|
|
S10
|
Е, b, h, b1, h1
|
|
S11
|
Е, b, h, b1, h1, b2
|
|
S12
|
Е, b, h, b1, h1, b2
|
|
Для сечений, заданных в соответствии с табл. 11.1 и с помощью базы сечений стального проката, жесткостные характеристики вычисляются автоматически.
Если жесткостные характеристики сечений стержней заданы численно, и при этом необходимо выполнить вычисление расчетных сочетаний усилий (РСУ), то обязательно должны быть заданы размеры ядровых расстояний.
Для плоскостных конечных элементов задаются следующие характеристики: Е (модуль упругости), n (коэффициент Пуассона) и d (толщина элемента). Для объемных конечных элементов задаются Е
и n.
Система Конструктор Сечений (ЛИР-КС) предоставляет возможность компоновать в графической среде сечение сложной формы. Сложное сечение может включать в себя стандартные сечения, сечения прокатных профилей и сечения произвольного контура. Сечение произвольной формы задается внешним контуром и набором внутренних контуров (отверстий). Контуры являются замкнутыми ломаными, которые описываются узлами (вершинами) или задаются графически на масштабной сетке узлов. Задаваемая точность сетки определяет точность задания контуров.
После выполнения процедуры автоматической триангуляции области созданного сечения производится вычисление (численным интегрированием) следующих характеристик:
F – площадь сечения;
Yc, Zc – координаты центра тяжести;
Iy, Iz – главные центральные моменты инерции, Iy ³ Iz
Fi – угол поворота главных осей инерции;
EF, Eiy, Eiz – продольная и изгибные жесткости.
Далее, строится наименьшее выпуклое множество, содержащее область сечения, и определяются:
Y+, Y–, Z+, Z– – ядровые расстояния.
При учете кручения и сдвига вычисляются соответствующие функции напряжений j 1, j 2, j 3. Эти функции определяются по МКЭ как решения дифференциальных уравнений [56]. По функциям напряжений численным интегрированием вычисляются:
Iкр
– момент инерции на кручение, по j 1;
Fy, Fz – сдвиговые площади, по j 2, j 3;
GIкр , GFy, GFz – жесткость на кручение и сдвиговые жесткости;
I? – бимомент инерции;
EI? – жесткость при депланации;
Y0, Z0, - координаты центра кручения;
Y0, Z0
– координаты центра изгиба (сдвига).
Все жесткостные характеристики вычисляются относительно главных центральных осей инерции.
По заданным или импортированным после расчета усилиям во всех узлах триангуляционной сетки производится вычисление компонентов напряженного состояния (с учетом правила знаков для усилий в стержнях):
,
(11.1)
где y, z – координаты узла.
Главные напряжения вычисляются по формуле:
(11.2)
При необходимости может быть проведена оценка прочности по различным теориям.
Компоненты напряженного состояния могут быть выданы в виде таблиц (во всех узлах триангуляционной сети) или в виде изополей.
ЛИР-КС может работать как в автономном режиме, так и в информационной связи с ПК ЛИРА. При работе в автономном режиме определение жесткостных характеристик может рассматриваться как самостоятельная задача, а усилия, действующие на сечение, задаются пользователем.
|