Информационные электрические машины
Поворотные трансформаторыИндуктосины Редуктосины
Поворотным, или вращающимся, трансформатором называется информационная электрическая машина, амплитуда выходного напряжения которой является функцией входного напряжения и углового положения ротора.Поворотные трансформаторы конструктивно сходны с асинхронными
машинами с фазным ротором и контактными кольцами. К ним обычно подводится питание со стороны статора от источника переменного напряжения. На обмотке ротора (на выходе) получают напряжение, представляющее собой определенную функцию угла поворота ротора ?. Обычно требуется, чтобы это напряжение было пропорционально sin ?, cos ?. В соответствии с этим, различают синусные, косинусные и синус - косинусные трансформаторы.
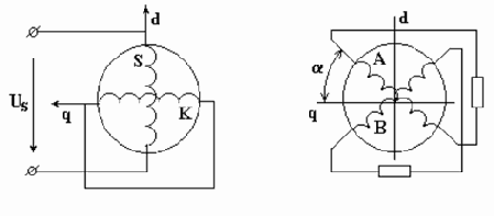
На рис. 13.3 представлена принципиальная схема поворотного трансформатора с двумя взаимно-перпендикулярными обмотками на статоре и на роторе.

Рис. 13.3
Назовем оси обмоток статора S и K соответственно продольной d и поперечной q осями поворотного трансформатора. Статорную обмотку S подключим к источнику переменного напряжения. Обмотка создает продольное пульсирующее магнитное поле, которое будет индуктировать в роторных обмотках А и В ЭДС. Значения электродвижущих сил зависят от угла поворота ротора ?.
При синусоидальном распределении поля вдоль окружности ротора напряжение на обмотке А будет меняться при повороте ротора пропорционально sin ?, а напряжение на обмотке В - пропорционально cos ?. При использовании обеих обмоток ротора получим синус-косинусный поворотный трансформатор.
Токи в роторных обмотках создают продольную составляющую магнитного потока, направленную встречно магнитному потоку статорной обмотки S, и поперечную составляющую потока, направленную перпендикулярно магнитному полю обмотки S. Вследствие появления поперечной составляющей, нарушится синусоидальный и косинусоидальный законы изменения ЭДС от угла поворота ротора ?.
Для компенсации полученной составляющей магнитного поля роторных обмоток на статоре размещается компенсационная обмотка К, замкнутая накоротко, под углом 90o к обмотке S.
Эта обмотка создает магнитный поток, направленный встречно поперечной составляющей магнитного потока ротора, и ослабляет ее. В результате, погрешность поворотного трансформатора уменьшается.
Индукционный редуктосин представляет собой бесконтактный синус-косинусный поворотный трансформатор. Первичная и две вторичные обмотки размещены на статоре. Ротор выполнен в виде зубчатого кольца из электротехнической стали.
Редуктосины не имеют скользящих контактов, что повышает надежность и точность их работы. При питании первичной обмотки синусоидальным напряжением со вторичных обмоток снимают два напряжения, амплитуды которых изменяются в функции угла поворота ротора. Повороту ротора на угол, равный зубцовому делению, соответствует полный период изменения амплитуды выходного напряжения (зубцовым делением ротора называется расстояние между зубцами ротора).
Индуктосином называют бесконтактную информационную машину без магнитопровода с печатными первичной и вторичной обмотками, возбуждаемую однофазным напряжением. Выходное напряжение индуктосина является функцией углового положения ротора.
Конструктивно индуктосин представляет собой два диска (ротор и статор) из изоляционного материала (керамика, стекло). Один из дисков соединяется с валом, угловое положение которого подлежит изменению, второй неподвижен. На торцевых поверхностях, обращенных друг к другу, диски несут печатные обмотки.
Поворотные трансформаторы используются в электрических счетно-решающих системах, в следящих системах в качестве датчиков угла, в преобразователях "угол-код", в системах числового и программного управления металлорежущими станками.
Сельсины
Сельсином называется информационная электрическая машина переменного тока, вырабатывающая напряжения, амплитуды и фазы которых определяются угловым положением ротора.Сельсины позволяют осуществить без общего механического вала
согласованное вращение или поворот механизмов.
Известны два режима работы сельсинов: индикаторный и трансформаторный. При работе сельсинов в индикаторном режиме происходит передача на расстояние угла поворота механической системы.
При работе сельсинов в трансформаторном режиме передается сигнал,
воздействующий на исполнительный механизм таким образом, чтобы заставить его отработать заданный поворот.
Рассмотрим устройство и принцип действия однофазных двухполюсных
контактных сельсинов. Однофазная обмотка возбуждения, включенная в сеть переменного тока, расположена на явнополюсном статоре. На роторе размещены три пространственно смещенные относительно друг друга под углом 120o катушки синхронизации. Концы катушек соединены в общий узел, начала катушек выведены на контактные кольца. Обмотка возбуждения создает пульсирующий магнитный поток. Этот поток индуктирует трансформаторные ЭДС в катушках синхронизации. Наибольшая ЭДС индуктируется в катушке, ось которой совпадает с осью пульсирующего потока. При отклонении оси катушки ЭДС уменьшается по синусоидальному закону. Величина и фаза ЭДС в каждой катушке зависит от угла поворота ротора сельсина.
![]() Рис. 13.1 |
На рис. 13.1 приведена схема соединения однофазных сельсинов при индикаторном режиме работы. В схеме используются сельсин - датчик и сельсин - приемник, представляющие собой два совершенно одинаковых сельсина. ОВд и ОВп - обмотки возбуждения сельсина - датчика и сельсина - приемника. Сд и Сп - катушки синхронизации. |
относительно обмоток возбуждения, то в каждой паре катушек индуктируются одинаковые ЭДС. Катушки роторов обоих сельсинов соединены таким образом, что ЭДС в них направлены встречно друг другу, и ток в соединительных проводах отсутствует. Такое положение сельсинов называется согласованным.
Если повернуть ротор сельсина - датчика на угол ? , то в соответствующих катушках роторов наводятся различные по величине ЭДС, и в них возникают токи, которые, взаимодействуя с магнитными полями обмоток возбуждения, создают вращающие моменты. Ротор датчика удерживается в повернутом положении, следовательно, ротор приемника будет поворачиваться до тех пор, пока не исчезнет вращающий момент, т.е. пока не исчезнут токи в катушках сельсина, а это произойдет, когда ротор сельсина - приемника повернется на тот же угол ? , возникнет новое согласованное положение роторов сельсина - датчика и сельсина - приемника. На роторе сельсина - приемника устанавливаются стрелка и шкала, показывающие угол поворота сельсина - датчика.
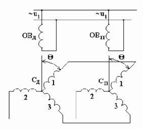
Если необходимо осуществить дистанционную передачу угла поворота к механизму, требующему большого вращающего момента, то используется схема трансформаторного режима работы сельсинов (рис. 13.2).

Рис. 13.2
Обмотка возбуждения сельсина - датчика подключается к источнику однофазного тока. Катушки синхронизации датчика соединены с катушками синхронизации приемника, который работает как сельсин - трансформатор. Катушки синхронизации СП являются первичной обмоткой, а статорная обмотка ОВП - вторичной (выходной) обмоткой. Она через усилитель у cоединяется с исполнительным двигателем. Исполнительный двигатель через редуктор связан с валом сельсина - приемника.
Обмотка возбуждения датчика образует пульсирующий по горизонтали магнитный поток. В катушках СД индуктируются ЭДС, которые создают токи в роторных катушках датчика и приемника. Каждая катушка синхронизации сельсина - приемника создает свой магнитный поток, а результирующий магнитный поток имеет такое же направление, как и поток в сельсине - датчике.
В обмотке возбуждения сельсина - премника индуктируется ЭДС, величина и фаза которой зависят от угла и направления результирующего потока обмотки синхронизации приемника. Ось обмотки возбуждения приемника сдвинута на 90o относительно оси обмотки возбуждения датчика, поэтому, когда магнитный поток направлен горизонтально, в обмотке приемника ОВП не возникает никакой ЭДС. Это согласованное положение в трансформаторном режиме.
Если ротор сельсина - датчика повернуть на угол ? , то результирующий магнитный поток в роторе сельсина - приемника повернется тоже на угол ? , а на зажимах обмотки ОВП появится напряжение, зависящее от угла ? . Это напряжение подается на вход усилителя, а затем на исполнительный двигатель. Двигатель вращается, поворачивая обмотки управления. Вал ротора сельсина - приемника через редуктор связан с валом объекта управления. Когда вал объекта управления повернется на нужный угол, одновременно с ним повернется на угол ? вал сельсина - приемника. Возникнет новый согласованный режим, и движение прекращается.
Исполнительный механизм и сельсин - датчик не нуждаются в механической связи и могут находиться на большом расстоянии друг от друга.
Электрические системы дистанционной передачи угла поворота или вращения механизмов используются в радиолокаторах, в радиопеленгаторах и другой специальной технике.
овые электродвигатели
Шаговым электродвигателем называется вращающийся электродвигатель с дискретными угловыми перемещениями ротора, осуществляемыми за счет импульсов сигнала управления. Шаговые, или импульсные, электродвигатели преобразуют электрические импульсы в фиксированные угловые перемещения - "шаги".Шаговые двигатели находят применение в различных механизмах, рабочие органы которых должны перемещаться дискретно. К таким механизмам относятся киносъемочная и проекционная аппаратура, механизмы подачи различных станков, устройства перемещения валков прокатных станов и др.
Шаговые электродвигатели с активным ротором имеют ротор, выполненный из постоянных магнитов (рис. 13.5). Статор имеет выступающие полюсы с сосредоточенной обмоткой в виде катушек на каждом полюсе. Питание статорных катушек производится импульсами напряжения, поступающими с электронного коммутатора.

Рис. 13.5
Пусть в начальный момент времени подано напряжение на обмотки
полюсов 2 - 2. Образуется статорное магнитное поле с горизонтально расположенными полюсами N - S. В результате взаимодействия этого поля с постоянными магнитами ротора последний займет указанное на рис. 13.5а положение, при котором оси магнитных полей статора и ротора совпадают. Далее, с помощью коммутатора напряжение снято с обмоток 2 - 2 и подано на обмотки
полюсов 1 - 1. Образуется магнитное поле статора с вертикально расположенными полюсами.
Отключение катушек 2 - 2 и подключение катушек 1 - 1 вызовет скачкообразный поворот магнитного поля статора на 90o. Ротор также повернется на 90o вслед за магнитным полем статора. Ротор шагового двигателя занимает определенное фиксированное положение, соответствующее наибольшей магнитной проводимости относительно возбужденных статорных полюсов. Если отклонить ротор от этого равновесного положения на некоторый угол, то магнитная проводимость для потока уменьшится, силовые линии магнитного поля деформируются, и возникнет синхронизирующий момент, возвращающий ротор в прежнее положение.
На статоре шагового реактивного двигателя имеются явно выраженные полюсы с обмоткой возбуждения. Ротор его представляет собой зубчатое колесо без обмотки возбуждения. Катушки статора двигателя получают поочередно импульсы тока, образуя магнитное поле, бегущее определенными скачками по окружности статора. Явнополюсный ротор двигателя синхронно следует за этим полем статора соответствующими дискретными шагами, равными углу ?ш,
где ?ш - величина шага ротора двигателя.

где 2P - число явных полюсов ротора, равное числу роторных зубцов;
m - число обмоток управления на статоре.
Предыдущая страница !![]() |
Содержание | Следующая страница ! |
Тахогенераторы
Тахогенератором называется информационная электрическая машина, предназначенная для выработки электрических сигналов, пропорциональных частоте вращения ротора. Тахогенераторы могут быть постоянного и переменного тока. Тахогенераторы постоянного тока представляют собой маломощные генераторы постоянного тока с независимым возбуждением или с возбуждением от постоянных магнитов. Выходное напряжение тахогенератора пропорционально частоте вращения ротора.Асинхронный тахогенератор по конструктивному исполнению подобен асинхронному двигателю с полым немагнитным ротором. Он состоит из статора и неподвижного сердечника ротора, между которыми, в воздушном зазоре вращается тонкий полый немагнитный цилиндр. Принципиальная схема асинхронного тахогенератора показана на рис. 13.4. При неподвижном роторе ЭДС в генераторной обмотке равна нулю, так как вектор магнитного потока Фв перпендикулярен оси этой обмотки.
При вращении цилиндра пульсирующий магнитный поток индуктирует в нем ЭДС вращения. Под действием ЭДС в цилиндре появляются токи, направления которых указаны на рис. 13.4. Токи создают по оси генераторной обмотки пульсирующий поперечный поток Фп. Этот поток индуктирует в генераторной обмотке ЭДС, пропорциональную частоте вращения цилиндра.
Асинхронные тахогенераторы, как и тахогенераторы постоянного тока, используются для измерения скорости вращения валов, а также для вырабатывания ускоряющих или замедляющих сигналов в автоматических устройствах.


Следующая страница !